石材加工图纸的制作规范
- 格式:doc
- 大小:17.50 KB
- 文档页数:1
石材加工标准石材加工是指将天然石材通过机械设备和人工加工,使其达到一定的规格和要求,以满足建筑、雕刻、装饰等领域的需求。
石材加工标准是对石材加工过程中各项技术指标和质量要求的规定,是保证石材加工质量、提高产品质量的重要依据。
本文将就石材加工标准的相关内容进行详细介绍。
首先,石材加工标准应包括原料选择、加工工艺、成品质量等方面的规定。
在原料选择方面,应明确石材的种类、规格、质量要求等,以保证加工出的产品达到设计和使用要求。
在加工工艺方面,应规定石材的切割、修整、抛光、雕刻等具体工艺要求,确保加工过程中的技术指标和质量要求得到满足。
在成品质量方面,应规定石材成品的尺寸、表面光洁度、色泽、纹理等质量要求,以确保最终产品符合客户的需求。
其次,石材加工标准应注重对加工设备和工艺的要求。
加工设备是保证石材加工质量的重要条件,应规定加工设备的性能、精度、维护保养等要求,以确保设备能够稳定可靠地进行石材加工。
同时,应规定加工工艺的流程、操作规范、质量控制等要求,以保证加工过程中的每一个环节都符合标准规定,从而保证最终产品的质量。
再次,石材加工标准应注重对加工人员的技术要求。
加工人员是直接参与石材加工的主体,其技术水平直接影响到产品的质量。
因此,应规定加工人员的技术要求、操作规范、安全防护等要求,以确保加工人员能够熟练掌握加工工艺,严格按照标准要求进行操作,确保产品质量。
最后,石材加工标准应注重对产品质量的检测和评定。
应规定石材产品质量的检测方法、标准要求、合格评定等内容,以确保产品质量符合标准规定。
同时,应规定对产品质量的追溯和质量记录的保存要求,以便对产品质量进行跟踪和监控。
总之,石材加工标准是保证石材加工质量、提高产品质量的重要依据,对于规范石材加工行为、保障产品质量、提升行业形象具有重要意义。
希望本文介绍的内容能够对相关行业的从业人员和相关管理者有所帮助,促进石材加工行业的健康发展。
建筑物外墙石材装饰施工规范与验收标准现代建筑物外墙石材装饰不仅仅是为了提供保护和支持结构的作用,更是起到美化建筑外观的作用。
为了确保石材的施工质量和装饰效果,制定了一系列的施工规范与验收标准。
本文将探讨建筑物外墙石材装饰施工规范与验收标准的相关内容。
一、石材的选材与储存1. 选材要求:选用石材应根据设计要求和环境特点进行选择,同时要符合国家标准和相关规范的要求。
石材的颜色、纹理、质地等应与整体建筑风格相协调。
2. 石材储存:在运输和储存过程中,应注意避免石材受潮、变形或变色。
石材扣板应水平摆放,以避免损坏。
同时,要保持储存区域的干燥通风,避免阳光直射。
二、石材的加工与施工1. 石材的加工:石材加工应符合设计图纸和技术要求,并使用符合国家标准的专用设备进行切割、打磨等工艺。
加工过程中,要注意防止石材表面破裂、色差和划痕的出现。
2. 石材的安装:石材的安装应按照施工图纸和设计要求进行,保证石材的整齐、平直、垂直、水平。
安装时,应采用专用粘结剂或夹具进行固定,并保持适当的间隙和补偿措施,以应对温度变化和石材自身的收缩问题。
三、石材的验收标准1. 外观质量:石材表面不得有明显的开裂、色差、污染等缺陷。
石材的纹理应与设计要求相符,并且整体外观应平整、光洁、美观。
2. 尺寸规格:石材的尺寸应符合设计图纸和规范要求,严禁出现过大或过小的尺寸偏差。
3. 安装质量:石材的安装应符合设计要求,不得有错位、倾斜、空鼓、开裂等缺陷。
夹缝宽度和粘结剂的牢固度也是验收的重点。
四、石材的保养与维护1. 石材的保养:定期对外墙石材进行清洗和保养,以保持其光洁、美观的外观。
清洗时要注意选择适当的清洁剂,避免对石材表面造成损害。
2. 石材的维护:定期检查和修复石材的裂缝、开裂等问题,避免进一步扩大和影响石材的外观和安全。
总结:建筑物外墙石材装饰施工规范与验收标准是确保质量的重要依据。
通过选择合适的石材、加工精细、规范施工和科学验收,能够有效地提高石材装饰的质量和美观度。
新国标《内装修》图集石材墙面设计要点说明为了提高我国装饰工程的设计水平,统一施工标准和方法,中国建筑标准设计研究院请中国建筑设计研究院环境艺术设计研究院组织国内数家室内设计公司,经历近两年的时间编制出版了《内装修》(03J502-1~3)。
这套新国标图集共3本,分别包含内墙装修、吊顶和楼地面三大类内装修做法。
初步解决了我国装饰装修设计无国标图集为依据的问题。
内墙石材墙面做法仅为03J502-1图集中的一小部分。
但是石材内墙面在内装工程中,尤其是在公共建筑内装工程中,占有很大的造价比例,是一单位工程中相当重要的子项工程。
目前国内还没有一套完整的相关设计规范,在现实工程中,许多项目都缺少钢骨架制作和干挂件的计算书,施工做法和构造要求不明确,有些习惯做法存在不安全隐患。
结合我国施工实际,总结近几年的施工实践经验,编制出一套安全可靠、通用可行、具有一定科学依据的内墙石材墙面做法,是行业内普遍要求。
在03J502-1图集中分别列入石材干挂、石材干粘和石材湿贴三种常用做法。
目前已有少量工程采用背栓式干挂法,虽然背栓材料和节点强度试验都已通过国家级检验机构的测定和认可,但其安装精度较适合用于墙面分缝的做法,在墙面插座开孔等细节处理上还有待进一步解决。
背栓式干挂法设计计算要求专业知识更高,此次未将背栓式干挂做法列入。
湿贴做法不作为推荐做法,只限于某些地区在卫生间等潮湿房间应用。
在有条件的情况下,还宜采用石材专用粘接剂铺贴。
石材墙面干挂做法已在国内流行多年,但一直没有相关的设计规范和专项验收规范出台,更没有专项技术标准。
在编制国标图集时,主要参照的是现行的有关设计规范,其中《金属与石材幕墙工程技术规范》(JGJ133—2001)是针对室外幕墙编写的,虽然一般内墙面高度不高,基本上不考虑风荷载的作用,但相对安装精度要求更严格,在某些构造要求方面稍严格。
如规定每块石材面积不宜大于1.2㎡,在外幕墙中为1.5 ㎡。
下面分别解释新图集的几个要点。
干挂石材工艺流程及规范文件规范文件:1.《建筑幕墙》(JGJ3035-1996)2.《金属与石材幕墙工程技术规范》(JGJ133-2001)3.《干挂石材幕墙用环氧胶粘剂》(JC887-2001)4.《建筑幕墙工程质量检测标准》(JGJ/T139-2001)5.《建筑幕墙质量验收标准》(GB50210)6.《高层民用建筑设计防火规范》(GB50045-95)7.《建筑幕墙抗雷性能震动台试验方法》(GB/T1857)8.《建筑幕墙物理性能分析》(GB/T18/15225)9.《建筑幕墙风后变形性能测试方法》(GB/15226)10.《建筑幕墙雨水渗透性能测试方法》(GB/15228)11.《建筑幕墙空气渗透性能测试方法》(GB/15227)12.《天然石材产品放射分类控制标准》(JC158-1993)13.《干挂饰面石材及其金属挂件》(JC830.1-830.2)工艺流程:室内墙立面装修采用干挂石材:1工艺流程基层处理与安装钢骨架→装饰面位置放线,石材钻孔或开槽→安装挂件膨胀螺栓→安装挂件→锚固件及石材连接孔、槽涂胶→安装饰面石材→复核并调校饰面石材位置→用橡胶条或泡沫条填塞拼接缝并打封缝硅胶→饰面清理。
2施工要点2.1基层处理:先在墙上布置钢骨架,水平方向的角钢必须焊在竖向角钢上。
2.2聚苯板保温层安装:在角钢龙骨与墙面之间的空隙内用聚合物砂浆满粘30mm厚聚苯板。
2.3放线:按设计要求在墙面上弹出控制网,由中心向两边弹放,应弹出每块板的位置线和每个挂件的具体位置。
2.4石材钻孔或切槽:采用销钉式挂件和挂钩式挂件时,可用冲击钻在石材上钻孔。
采用插片式挂件时可用角磨机在石材上切槽。
为保证所开孔、槽的准确度和减少石材破损,应使用专门的机架,以固定板材和钻机等。
2.5膨胀螺栓安装:按照放线的位置在墙面上打出膨胀螺栓的孔位,孔深以略大于膨胀螺栓套管的长度为宜。
埋设膨胀螺栓并予以紧固,最后用测力扳手检测连接螺母的旋紧力度。
幕墙石材规范幕墙石材规范是指在建筑幕墙工程中对于石材的使用、施工和验收等方面的规范。
下面是幕墙石材规范的一些主要内容和要求。
1. 石材的选材和质量要求:(1) 石材的选材应符合设计要求和幕墙石材规范的要求,具有较好的物理力学性能,色调均匀,无明显裂纹、夹杂物、色差等缺陷。
(2) 石材应进行质量检验,包括外观检查、尺寸和几何形状检查、物理力学性能测试等。
不合格的石材应及时更换。
2. 石材的加工和安装要求:(1) 石材的加工方式应符合设计要求,应进行光面处理,边角应进行修整并保持直角。
加工过程中不得产生明显划痕、裂缝等影响石材质量和外观的问题。
(2) 石材的安装应符合幕墙设计图纸和安装图纸的要求,使用合适的安装工艺和工具。
石材的安装间隙应均匀且合理,确保石材安装牢固可靠。
3. 石材的固定和连接要求:(1) 石材的固定方式应采用合适的机械固定件,如膨胀螺栓、骨料钢筋等,固定件的种类和数量应满足设计要求,且安装牢固可靠。
(2) 不同石材之间、石材和其他材料之间的连接应采用适当的连接方式,如不锈钢接头、胶粘剂等,连接处应牢固、均匀,无明显裂缝和断裂。
4. 石材的防护和维护要求:(1) 完成石材安装后,应及时对石材进行防护处理,如刷上防水涂料或保护剂,以防止石材表面的污染和腐蚀。
(2) 幕墙工程竣工后,应定期对石材进行维护保养,如清洁、修补等,以保持石材的外观和功能。
(3) 若石材出现明显裂缝、掉落等质量问题,应及时进行修复或更换。
以上是幕墙石材规范的一些要求和内容,通过严格按照规范的要求来选择、加工、安装和维护石材,可以保证幕墙石材的质量和使用寿命,同时也能提升建筑的美观性和稳定性。
新国标《内装修》图集石材墙面设计要点说明为了提高我国装饰工程的设计水平,统一施工标准和方法,中国建筑标准设计研究院请中国建筑设计研究院环境艺术设计研究院组织国内数家室内设计公司,经历近两年的时间编制出版了《内装修》(03J502-1~3)。
这套新国标图集共3本,分别包含内墙装修、吊顶和楼地面三大类内装修做法。
初步解决了我国装饰装修设计无国标图集为依据的问题。
内墙石材墙面做法仅为03J502-1图集中的一小部分。
但是石材内墙面在内装工程中,尤其是在公共建筑内装工程中,占有很大的造价比例,是一单位工程中相当重要的子项工程。
目前国内还没有一套完整的相关设计规范,在现实工程中,许多项目都缺少钢骨架制作和干挂件的计算书,施工做法和构造要求不明确,有些习惯做法存在不安全隐患。
结合我国施工实际,总结近几年的施工实践经验,编制出一套安全可靠、通用可行、具有一定科学依据的内墙石材墙面做法,是行业内普遍要求。
在03J502-1图集中分别列入石材干挂、石材干粘和石材湿贴三种常用做法。
目前已有少量工程采用背栓式干挂法,虽然背栓材料和节点强度试验都已通过国家级检验机构的测定和认可,但其安装精度较适合用于墙面分缝的做法,在墙面插座开孔等细节处理上还有待进一步解决。
背栓式干挂法设计计算要求专业知识更高,此次未将背栓式干挂做法列入。
湿贴做法不作为推荐做法,只限于某些地区在卫生间等潮湿房间应用。
在有条件的情况下,还宜采用石材专用粘接剂铺贴。
石材墙面干挂做法已在国内流行多年,但一直没有相关的设计规范和专项验收规范出台,更没有专项技术标准。
在编制国标图集时,主要参照的是现行的有关设计规范,其中《金属与石材幕墙工程技术规范》(JGJ133—2001)是针对室外幕墙编写的,虽然一般内墙面高度不高,基本上不考虑风荷载的作用,但相对安装精度要求更严格,在某些构造要求方面稍严格。
如规定每块石材面积不宜大于1.2㎡,在外幕墙中为1.5 ㎡。
下面分别解释新图集的几个要点。
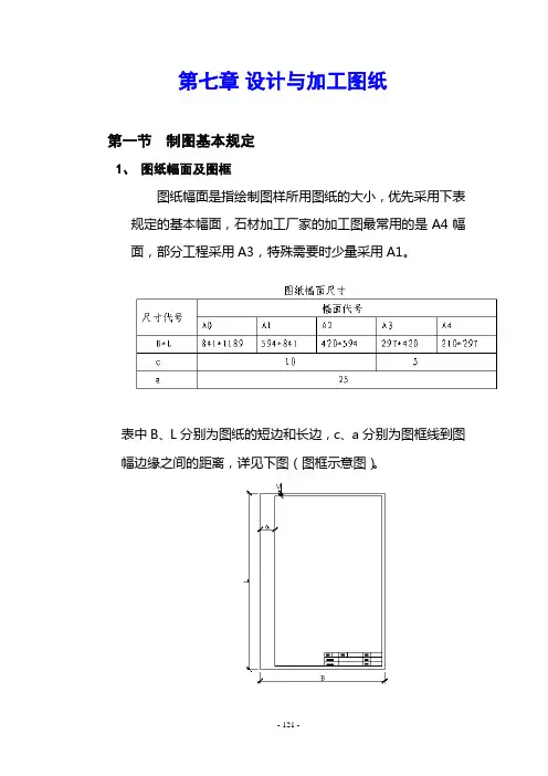
第七章设计与加工图纸第一节制图基本规定1、图纸幅面及图框图纸幅面是指绘制图样所用图纸的大小,优先采用下表规定的基本幅面,石材加工厂家的加工图最常用的是A4幅面,部分工程采用A3,特殊需要时少量采用A1。
表中B、L分别为图纸的短边和长边,c、a分别为图框线到图幅边缘之间的距离,详见下图(图框示意图)。
2、比例比例是指图样中的图形与所表示的实物相应要素的线性尺寸之比。
比例应以阿拉伯数字表示,宜写在图名的右侧,字高应比图名的字高小一号或两号。
例如:平面图1:100一般情况下,应优先选用下表常用比例。
3、字体:1)字体工整、笔画清楚、间隔均匀、排列整齐;2)汉字应采用仿宋字体;3)阿拉伯数字、拉丁字母及罗马数字一般采用斜体;4、图线:工程图样中的每条图线都有其特定的作用于含义,图线形式有:实线、虚线、单点长画线、折断线,每种图线又有粗细之分。
1)加粗的粗实线:建筑物的地平线;2)粗实线:主要可见轮廓线;3)细实线:尺寸线、图例线、标高符号线;4)粗虚线:给水排水管道线、总平面图中地下建筑物;5)细虚线:不可见轮廓线;6)粗单点画线:结构图中梁或构架的位置线;7)细单点画线:中心线、对称线、定位轴线;8)折断线:不画出图样全部时的断开界限;5、尺寸标注:1)在图样中除了按照比例画出物体的图形外,还必须标注出完整的实际尺寸,尤其是施工图的尺寸作为加工与安装的依据,要求准确,如与现场有出入,需明确注明并在加工前落实清楚。
2)图样上的尺寸单位,除另有说明外,均以MM为单位;3)图样上一个完整尺寸包括:尺寸线、尺寸界线、尺寸起止符号、尺寸数字四部分。
标注格式需要规范与统一。
第二节图纸分类根据图纸的功能及用途进行分类如下:1、建筑图(CONSTRUCTION DRAWING),也称土建图,是设计与装修的基础;2、报价图(CONTRACT DRAWING),可以是装饰设计图,也可以是施工图,作为甲方做预算时一般都是根据装饰设计图,装饰公司与石材供应商多是按照施工图来报价更准确;3、施工图(SHOPDRAWING),根据装修图纸结合现场土建进行修正后的图纸,可以作为石材加工的依据,也可以作为安装的指引,是一份综合性的图纸。
工程质量技术标准8:外墙干挂石材施工技术和质量标准一、总则要求1、安全性。
在正常施工和使用的条件下,钢结构应能承受可能出现的各种荷载作用和变形而不发生破坏和脱离建筑主体结构的情况,在偶然事件(设计抗震烈度外的地震、火灾等)发生后,钢结构仍然能保持整体性和稳定性、和建筑主体仍然牢固地连在一齐;各种饰面石材单独受力,由不锈钢干挂件均匀传给钢架,在正常使用条件下和合理使用年限内不发生脱落,在偶然事件(设计抗震烈度外的地震、火灾等)发生时,不会发生多块或大面积石材脱落。
2、适用性。
石材幕墙设计和施工不应对建筑主体造成结构损伤,保证外观效果同时不影响其它建筑功能(使用空间、节能、防水等)。
3、耐久性。
在正常使用和维护条件下,在合理设计使用年限内不出现安全质量问题,即使用寿命大于设计寿命。
4、经济性。
在满足以上性能的前提下,从设计到施工应达到节省成本、降低造价的要求,比如按工程的复杂性、重要性、战略性等原则分标准来设计施工。
5、本文的要求与有关规范和设计的标准不同时按高标准执行。
二、预埋件(后置埋件)的制作、安装要求1、锚板宜采用Q235级钢,热镀防腐时镀锌厚度不少于90μm(企业标准);锚栓可采用膨胀锚栓或化学锚栓,每块锚板不小于2个锚栓固定,局部增加的锚固角码不少于1个锚栓。
2、锚板制作允许偏差:边长±5mm;锚孔(椭圆形)中心线偏差,长度方向±2.5mm,宽度方向±1mm,锚孔宽度±1mm,长度方向±5mm;锚板厚度-0.5mm。
3、锚板和锚栓的类型、规格、数量、位置、有关五金配件(弹簧圈、垫圈)和有效锚固深度必须符合设计(设计说明和设计图纸)和有关标准规定,锚板和锚栓应用螺栓连接,不宜焊接和结构胶粘结。
4、埋设后置埋件的结构基体必须满足设计强度,要求设在砼结构梁柱上,不得设置在加气砖、空心砖等非承重类砌体上,如果强度不能达到设计要求,应报设计单位修改锚固参数。
古建筑传统石工(石雕工砧细工)施工详细要求1. 前言古代的石建筑主要体现在建筑的基础和外墙上。
为了追求精致的效果,石雕工砧细工成为了不可或缺的一环。
在现代,许多仿古建筑也有石雕工程。
在石雕工程中,传统的石工(石雕工砧细工)需要遵守一些规范和要求。
2. 施工要求2.1 石材选用在选择石材时,应首先关注石材的品质,其次是石材的色泽和硬度,最后是石材的纹理和花纹。
对于高档的古建筑,石材的选用至关重要。
若条件允许,推荐使用高品质大理石或花岗岩。
2.2 设计图纸在施工之前,需要有详细的设计图纸。
设计图纸中需要体现出石雕的细节和要求,包括尺寸、形状、花纹等。
2.3 石雕制作石雕制作是石工的核心工作,也是最为繁琐和费时的一环。
在制作过程中,需要注意以下几点:1.保持刀具的锋利度:石雕工具的锋利度对于雕刻的效果有着至关重要的影响。
需要定期对刀具进行磨刃或更换,以保证刻刀的锋利度。
2.注意石材表面保护:石材表面易受氧化和侵蚀,需要在施工之前涂上保护性涂料,以免石材受损。
3.注意石雕的尺寸:在制作石雕时,需要尽可能地按照设计图纸的尺寸来进行雕刻,以保证最终雕刻品的尺寸与设计要求相符。
2.4 砧石切割砧石是古代建筑中常用的建筑材料,需要经过切割和加工后才能使用。
在砧石切割时,需要注意以下几点:1.确保切割机的使用安全:切割砧石需要使用切割机械设备,为了保证安全,需要使用合格的切割机械设备,并且遵循切割机械设备的使用规范。
2.确保切割尺寸准确:在进行砧石切割前,需要进行精确的测量,以保证最终切割尺寸与设计图纸一致。
3.确保砧石切割的表面平整:切割砧石时,需要保证切割表面平整,以便于后续的加工和拼接。
2.5 细工加工细工加工是古建筑施工中不可或缺的一环,需要对细节部分进行精细的加工,以保证整个建筑的精美程度。
在细工加工时,需要注意以下几点:1.确保细工加工前表面的处理:在进行细工加工之前,需要对石材表面进行清洗和打磨处理,以便于后续的细工加工。
石材工程施工规范第一章总则第一条为了规范石材工程施工行为,确保工程质量和安全,保障工程顺利进行,制定本规范。
第二条石材工程施工应遵循有关法律、法规和国家标准的规定。
第三条石材工程施工包括石材材料的选用、加工和安装等工作。
第四条石材工程施工应根据工程设计图纸和规范要求进行,确保工程质量。
第五条各参与石材工程施工的单位和个人应具备相应的资质和技术能力,严格按照规范要求进行工作。
第六条石材工程施工中应遵循“安全第一,质量第一,文明施工”的原则。
第七条石材工程施工单位应成立专门的质量监督部门,加强对施工过程的监督。
第二章石材材料的选用第八条石材材料应符合国家标准和工程设计要求,质量优良,无明显瑕疵。
第九条石材材料的品种、规格应符合设计要求,必须经过验收合格后方可使用。
第十条石材材料的运输、拆运、存放等过程应注意保护,杜绝破损和损坏。
第十一条石材材料应标有生产厂家、生产日期、规格尺寸等信息,并做好防水、防晒、防潮等保护措施。
第三章石材材料的加工第十二条石材材料的加工应符合设计要求,尺寸精确,表面平整,边角整齐。
第十三条石材材料的加工应采用适当的工艺和设备,确保工艺质量。
第十四条石材材料的加工过程中应注意安全防护,工人应穿戴好劳动防护用具。
第十五条石材材料的加工应根据设计图纸进行,严格把关尺寸和质量。
第四章石材材料的安装第十六条石材材料的安装应按照设计要求和规范要求进行,确保施工质量。
第十七条石材材料的安装前应查验墙体、地面的平整度和强度,必要时进行修补。
第十八条石材材料的安装过程中应注意保护石材材料和施工场地,防止破损和污染。
第十九条石材材料的安装应采取合适的粘接剂和固定件,确保石材的牢固安装。
第二十条石材材料的安装中应严格控制施工工艺和工序,确保施工质量和进度。
第五章施工管理第二十一条石材工程施工单位应建立施工组织机构,明确责任分工,确保施工质量。
第二十二条施工现场应设置专门的安全防护设施,对施工人员进行安全教育培训。
石材技术要求1. 国家及行业技术规范1.1《建筑装饰工程质量验收规范》(GB50210-2001)1.2《民用建筑工程室内环境污染控制规范》(GB50325-2001)1.3《民用建筑工程室内环境污染控制规范》(DBJ01-91-2004)1.4《天然大理石荒科》(JC/T202-2001)1.5《天然大理石建筑板材》(GB/T 19766-2005)1.4《建筑装饰用天然石材防护剂》(JC/T973-2005)1.5《高级建筑装饰工程质量验收规范》(DBJ/T01-27-2003)1.6《天然饰面石材试验方法》(GB/T 9966-2001)1.7《包装储运图示标志》(GB/T 91-2000)1.8其它现行国家行业标准2. 技术要求2.1大理石荒料2.1.1所用荒料应为优等品2.1.2外观质量:荒料的色调、花纹应一致。
2.1.3石材的吸水率、体积密度、弯曲强度、干燥压缩强度等物理性能试验及放射性指标测试等相关报告,必须在开采石材荒料阶段完成。
2.1.4物理性能a、干燥压缩强度≥50.0mpab、弯曲强度≥7.0mpac、体积密度≥2.3/cm3d、吸水率≦0.5%e、耐磨度≥10(1/cm3)2.1.5室内环境污染控制定。
2.2大理石板材2.2.1 板材的主要规格:本项目的石材厚度要求:除干挂石材外,墙地面石材厚度均按1.8CM±1MM;石材窗套、窗台板、浴缸台面、各柜体台面拼接造型处用石材厚度要求:2.0CM干挂石材厚度为2.0 CM。
所有板材为优等品。
2.2.2平板型板材的质量标准包括尺寸偏差、平整度公差、角度公差、镜向光泽度、外观质量。
2.2.3等级:所用板材为优等品2.2.42.2.4.1规格尺寸允许偏差长度、宽度0~(—1.0mm)厚度:正负1.0mm。
干挂石材:正2.0mm,负偏差不允许2.2.4.2角度允许公差当板材长度≦400mm时为0.3mm当板材长度>400mm时为0.4mm2.2.4.3平面度允许公差当板材长度≦400mm时为0.2mm当板材长度>400mm~≦800mm时为0.5mm当板材长度>800mm时为0.7mm2.2.4.4拼缝板材正面与侧面夹角不得大于900。
石材加工工艺及过程质量控制一、拟供石材生产工艺流程(规格板)1、矿山选配荒料2、工厂选配荒料3、大板锯解4、毛板磨抛5、切割规格板6、排版、编号7、磨边、开槽、倒角等8、烘干防备9、包装、发货二、规格板质量控制经过荒料两次选配、光板一次选配、规格板排版编号四次严格选配来控制色差。
1、矿山选用质量优、储量大、开采能力强的矿口,同一工程指定开采同一矿脉地区,以保证荒料根源质量稳固。
2、荒料进厂后,依工程图纸仔细选配荒料,经过目测,水浇,打磨荒料样板对照,确立用料方案。
3、光板达成后经过选用每颗荒料的光板样板,进行对照,仔细调整用料方案。
4、规格板切割好,达成防备后按拼接图在地面展开排版,在企业独有的无直射光排版车间,进一步伐整色差。
使颜色,纹经过渡自然,协调一致。
三、主要加工工艺及各质量控制的详尽介绍工序一、矿山选配荒料荒料质量控制举措分为两个步骤:矿山选配荒料和生产前的选配荒料;1、矿山选配荒料说明:矿山选用质量优、储量大、开采能力强的矿口,以保证荒料质量的根源;专业采买人员采纳六面喷水的方法对所开采的每一块荒料都进行严格的质量查收。
详细方法是用专用喷水器将水平均喷洒在荒料的表面,而后用定压机吹干,在荒料石将干未干之际,能够清楚地查验出荒料的纹路能否正常、有无色差、杂质及其余缺点,这样比传统的目测法更能保证荒料质量。
加之开采过程中采纳定高程三维表记法开采,更能从根本上保证了原材的材质、颜色、花纹的协调一致性。
工序二、生产前工厂选配荒料工厂选配荒料说明:荒料进厂后,依工程图纸仔细选配荒料,严格保证整幢大楼的同一立面采纳同一矿口同一矿脉地区的荒料,再通过目测、水浇、打磨荒料样板对照等方法,选定用料。
工序三、砂锯锯解大板荒料锯讲解明:采纳意大利入口的GASPARIMENOTI砂锯达成此道工序。
此为迄今为止世界上最初进的荒料锯解设施。
全自动钢砂剖析补给系统, 无需人工剖析沙浆, 系统依内部程序按品种自动赔偿, 有效根绝了其余型号砂拉锯易产生的入锯和出锯时在板面形成的加工台阶 , 有效保障了大板的平坦度;超大超宽加工范围 , 使生产效率是其余型号砂拉锯的 1.5 ‐3倍, 单台月产量达 4000 ㎡。
石材加工标准
石材加工是指将天然石材进行切割、打磨、造型等工艺,使其成为建筑装饰、雕刻、家具等领域所需的成品。
石材加工的质量直接影响到最终产品的外观、质感和使用寿命,因此,对于石材加工的标准要求非常严格。
首先,石材的选材要求至关重要。
在进行石材加工之前,需要对原材料进行严格的筛选,确保石材的质地均匀、无裂纹、无色差。
同时,还需要根据加工的具体需求选择合适的石材种类,以确保最终产品的质量和美观度。
其次,石材的切割和造型要符合标准。
在切割石材时,需要根据设计图纸和要求进行精确的尺寸测量和切割,确保每块石材都能够精准地拼接在一起。
在造型方面,需要根据设计要求进行精细的雕刻和打磨,使石材表面光滑、纹理清晰,符合设计要求。
另外,石材的表面处理也是非常重要的一环。
经过切割和造型后的石材表面可能会存在一些不平整、毛边、砂眼等问题,因此需要进行打磨、抛光等工艺,使石材表面光滑、平整、无瑕疵。
最后,石材加工的质量检验是保证产品质量的重要环节。
在加工完成后,需要对产品进行全面的检查,包括尺寸、表面质量、颜色等各个方面,确保产品符合设计要求和标准规定。
总的来说,石材加工的标准要求涉及到石材选材、切割造型、表面处理和质量检验等多个环节,每个环节都需要严格按照标准进行操作,以确保最终产品的质量和美观度。
只有这样,才能满足人们对于石材产品的需求,同时也能够提升石材加工行业的整体水平和竞争力。
石材加工中的石桥制作技术石材加工是一种古老而又充满艺术美感的手艺。
何况,当我们将石材加工技术和建筑工艺结合,创造出别具一格的石桥时,简直让人叹为观止。
在本文中,我们将探讨在石材加工行业中,如何制作石桥,以及需要的工艺技术和注意事项。
一、石材加工制作工艺1. 设计图纸要制作一座优质的石桥,首先需要有详细的设计图纸。
设计图应包括桥梁轮廓、尺寸、石材选择和其它细节等。
设计图纸需要与受众相关的技术要求相符,同时还要考虑到开发过程中的折损率和其他影响因素。
设计师的职责就是确保石桥的外观和质量都可以达到高标准。
2. 原材料的准备制作石桥所需用到的石材一般选择花岗岩、大理石、石英石等。
这些石材种类多样,通常也有不少的颜色与质量选择。
制作石桥所需的石块需要细致地筛选以确保其质量经合格,没有任何的裂痕或不良处理痕迹。
3. 切割与加工石桥的制作通常需要使用一些高精度电子设备,如水刀、磨轮机和锤凿。
这些设备可以切割、打磨、雕刻和刻印石材。
制作一个完美的桥的必要步骤是使用高一质的刀具,在石块表面雕刻出桥面的弧线轮廓,而那些精细的切割和雕刻技术则是制作出石桥真正美感的重要保证。
4. 尺寸的考虑尺寸的考虑在石桥制作过程中扮演着至关重要的角色。
在尺寸上的拼接,直接影响首要的桥面规整和加工工艺质量。
制作时一定要遵循电脑程序生成的抛光和打造方案指导,确保实现精准拼接,以便能够进行后续的辅助加工。
5. 安装与本体成型石桥制作完成后,其它工人可能参与表面抛光和针对周围环境的防水处理工作。
如果石桥是预制的,则可以在工厂里完成大部分成型工作。
而对于一些大型的石桥,则需要在现场进行安装和调试。
安装时应特别细心设计,在制造和运输突发纠纷之案时,也应该详细考虑安全和稳定性等因素。
二、石桥制作的注意要点1. 安全和稳定性制作石桥时,人工雕刻石头的过程中需要用到锤凿,磨头等切割工具,装备和材料放在不稳定的位置上是极其危险的。
特别是在尺寸较大的情况下,石头制品的重量和装配将增加风险。
石材加工图纸的制作规范
一、地面加工图纸。
1、构图。
(思考怎么把要画的地面的整个加工要求、拼接关系及部分造型用最简而易懂的方式表现出来,这也
是所有石材加工图的宗旨)
2、实际绘制过程中根据实际情况采用的各种排版方法。
①、均分法:顾名思义均分法就是把整个地面的有效尺寸均分成若干等份的排版方法,均分排版的优点是
可以较大的提高板材的出材率,减轻加工难度,方便成品的包装、运输、及现场安装。
②、根据甲方的要求采用正方形规格板的排版的方法。
通过这种方式排版的地面,一般都不能达到用正常
板面收口,地面周边有小于正常板面的余量,这时就产生了两种收口方式,一种是使整个地面的两头平分余量,这时我们要注意平分后的余量不能小于正常板面的一半。
另一种收口方式就是用正常板面从整个地面感观比较重要的一头起排,但最后的余量我们要控制在不能小于正常板面的1/3,如果最后的余量小于正常板面的1/3,就把最后余量和最后一块的正常板合并。
③、错缝过渡法:在地面排版的过程中,我们经常会遇到从一个区域过渡到另外一个区域,这时很难做到
对缝安装,这时我们可以用波打整板过渡.
④、大批量标准间统一排版法。
在同一项目中,因建筑误差,同一户型不同楼层的尺寸也会不一样。
如果
每一套我们单独出图的话,就大大加大了图纸的绘制时间,车间加工和包装时也很容易造成混乱。
这时我们可以对比一下同一户型不同楼层的尺寸,假如各个楼层的尺寸差距在10公分以内,就可以用最大尺寸的那一套作为整个户型的下单图纸。
如果尺寸差距大于10公分,考虑到消耗过大,我们可以把每一套的标准板部分强行规定尺寸,全部按统一规格制图加工。
比喻地面正中拼花部分、规格板斜拼部分我们都可以强行规定统一尺寸。
3、地面加工图纸的绘制过程中特别要注意不能把楼梯踏步及门槛石中分。
一是民间忌讳这种做法,二是这种
做法不美观。
二、墙面加工图纸。
1、墙面加工图的绘制过程中一定注意配墙面的平面方位图,这样更有利于工厂的材料的合理规划及利用。
2、因墙面加工图涉及的内容比较多,为了使工厂加工工人更容易理解,在石材加工图纸中我们要更多的利用
线型来表示各种不规则造型和磨边,这时要注意每一条线型只能代表一种造型和磨边。
3、墙面加工图纸一般都是整个区域墙面的展开图,这时我们要注意标明阴、阳角的位置和拼接关系,调整墙
面的宽度,如果有脚线,同样要根据墙面和脚线的拼接关系调整宽度.
4、在做大型酒店公共部位墙面时注意一定不能出现横向的分缝出现错缝。
和地面一样,在做门套时,门头板
同样不能中分。
三、石线加工图纸。
1、根据材料的规格和质地,在不影响出材率的情况下,尽量减少石线的分缝。
2、在不同的石线有衔接关系时,要注意转角位置石线长度的调整。
3、在不影响现场安装的情况下,较短的石线我们尽量要求工厂粘接好出厂。
4、石线加工图中要合理利用截面及大样,放大局部的造型,并标明见光面。
5、在绘制一个闭合的石线时,一定特别标明石线的内侧和外侧。
四、图纸的美观。
1、调整好图框的大小,在不影响图纸美观的情况下,合理利用图框内的空间,做到不空框不溢框。
2、准确填写好图框栏内容。
很多时候我们都是从一个项目的图纸里调用图框到另一个项目的图纸里,这时更
要记得更改图框栏里的内容。
3、图纸的大小要和标注的大小要协调合理,尽量把标注标识在图形的周边,不模糊图纸的版面。
大样图的标
注,要和版面的标注大小一致,在同一张图纸内不能有两种大小的标注。
4、因为我们是石材加工图纸,所以在下到车间里的图纸里,尽量排除掉与石材无关的内容,减少加工工人对
图纸的误解。
编写人:王超。