无线电调试工(中级)
- 格式:doc
- 大小:141.50 KB
- 文档页数:14
2.某复杂电路结果是:I 2=5A A. 电流I 2 和 I 3 的方向相反 ------11.判断放大器属于正反馈和常用方法是()。
A.输出端短路法B.瞬时极性法C.输入端短路法D.输出端开路法12.电压负反馈对放大器的电压放大倍数的影响是()。
A.放大陪数增大B. 放大陪数不变C.放大陪数减小,但放大陪数的稳定性提高D.以上说法都不对13.所谓差模信号是指两输入信号的()。
A.幅度和相位相同B.幅度不同,相位不同C.幅度相同,相位相反D.幅度不同,相位相反14.理想集成运算放大器应具有的条件中,下述正确的是()。
A.输出电阻为无穷大B.共模压制比为无穷大C.输入电阻为零D.开环差模电压增益为零15.滤波是利用电抗元件的下列特性()。
A.延时B.电压不能突变C.贮能D.电流不能突变16.共集电极放大电路中,下列说法中正确的是()。
A.有电压放大作用B.电路为电流串联负反馈C.有电流放大作用D.无功率放大作用17.硅稳压二极管一般工作在()。
A.导通区B. 截止区C. 击穿区D. 饱和区18.对TTL与非门电路可以用以下的方法处理()。
A.接至电源的负极B.接低电平C.与其他的输入端并联使用D.悬空19.单相桥式整流电路在加入电流滤波后,则()。
A.输出电压不变B、输出电压波动大C、二极管承受的最大反向电源减小D、输出电压升高20.整流所用的半导体器件特性是()A.放大特性B. 反向击穿C. 单向导通D. 饱和导通21.电视机出现垂直一条亮线,则产生故障的可能原因是()A.电源有故障B.高频头故障C.行扫描电路有故障D.场扫描电路有故障22.在差动放大器的射极电路中,串入电阻的主要目的是()A.减小每只三极管电极对地产生的零点漂移B.提高差放的对称性,减小差模放大陪数C.引入差模信号的负反馈以压制零点漂移D.降低电路的共模压制比23.自动增益控制电路为()A.AFC电路B.AGC电路C.ALC电路D.ANC电路24.电感L和电容C与信号源并联可组成()A.串联谐振电路B. 并联谐振电路C.放大电路25.接收机中加自动频率控制的目的是为了使接收机的频率()。
【注意】⽆线电调试⼯国家职业标准⽆线电调试⼯国家职业标准1.职业概况1.1职业名称:⽆线电调试⼯1.2职业定义:使⽤测试仪器调试⽆线通信、传输设备,⼴播视听设备和电⼦仪器、仪表的⼈员。
1.3职业等级:本职业共设四个等级,分别为:中级(国家职业资格四级)、⾼级(国家职业资格三级)、技级(国家职业资格⼆级)、⾼级技师(国家职业资格⼀级)。
1.4职业环境:室内、外,常温。
1.5基本⽂化程度:⾼中毕业(或同等学历)。
1.6职业能⼒特征:具有较强的计算、分析、推理和判断能⼒;形体感、空间想像⼒强;⼿指、⼿臂灵活、动作协调性好。
1.7培训要求:1.7.1培训期限:全⽇制职业学校教育,根据其培养⽬标和教学计划确定。
晋级培训期限:中级不少于360标准学时;⾼级不少于280标准学时;技师不少于240标准学时;⾼级技师不少于200标准学时。
1.7.2培训教师:培训中级的教师应具有本职业⾼级以上职业资格证书或相关中级以上专业职务任职资格;培训⾼级的教师应具有本职业技师以上职业资格证书或相关专业⾼级专业技术职务任职资格;培训⾼级技师的教师应具有本职业⾼级技师职业资格证书4年以上或相关专业⾼级专业职务任职资格。
1.7.3培训场地设备:理论知识培训在标准教室;技能操作培训在具有必备的教学设备、仪器、仪表、⼯具的技能训练场地。
1.8鉴定要求:1.8.1适⽤对象:从事或准备从事本职业的⼈员。
1.8.2申报条件:——中级(具备以下条件之⼀者)(1)连续从事或见习本职业⼯作5年以上(含5年),经本职业中级正规培训达规定标准学时数,并取得结业证书。
(2)连续从事本职业⼯作7年以上。
(3)取得经劳动保障⾏政部门审核认定的、以中级技能为培养⽬标的中级以上职业学校本职业(主那业)毕业证书。
——⾼级(1)取得本职业资格证书后,连续从事本职业⼯作4年以上,经本职业中级正规培训达到规定标准学时数,并取得结业证书。
(2)取得本职业中级职业资格证书后,连续从事本职业⼯作7年以上。
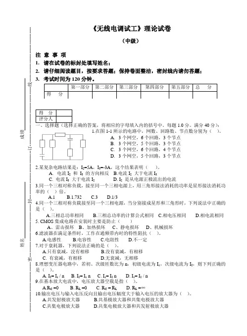
无线电调试工(中级)理论知识题库一、单项选择题1.在图示的电路中,网数、回路数、节点数分别应为( A )。
A.3个网孔,6个回路,3个节点B.3个网孔,5个回路,3个节点C.3个网孔,6个回路,4个节点D.3个网孔,5个回路,4个节点2.某复杂电路计算结果是:I2=2A,I3=-3A,这个结果表明( A )。
A.电流I2和I3的方向相反 B.电流I2大于电流I3C.电流I3大于电流I2 D.I2是从电源正极流出的电流3.在图示的电路中,I的数值应该是( C )。
A.-2A B.1A C.-1A D.1.5A4.在图示的电路中,欲使阻值为3Ω的电阻中电流为零,则电动势E应等于( D )。
A.18V B.12V C.6V D.16VϕuA=120°,uB初相角ϕuB=-120°,则它们之间的相5.同频率两正弦电压uA的初相角为位关系为( D)。
A.同相位 B.反相位C.uA相位超前uB120°角 D.uA相位滞后uB120°角6.纯电感L、电容C串联接于某正弦交流电路中,UL=30V,UC=40V,则这个电路的总电压U为( D )。
A.70V B.50V C.10V D.-10V7.同一个三相对称负载,接至同一个三相电源上,用三角形接法消耗的功率是星形接法消耗功率的( B )倍。
3 C.3 D.1/3A.1 B.8.同一个三相对称负载接至同一个三相电源,当分别接成星形和三角形时,下列说法中正确的是( B )。
A.三相总功率相同 B.三相总功率的计算公式相同C.相电压相同 D.相电流相同9.在四端网络中,如响应量为电压U2,激励量为U1,则它们之比称为四端网络的( A )。
A.电压传输函数 B.电流传输函数 C.传输阻抗 D.传输导纳10.滤波器在满足传输条件时,工作在通频带内时的特性阻抗为( C )。
A.电感性 B.电容性 C.电阻性 D.不一定11.对于衰耗器,下列说法正确的是( A )。
无线电调试工(中级)考试填空题试卷一、填空题(每小题2分, 共236分)1.电路中任一闭合途径称为( ), 凡是不可再分回路叫( )。
2.基尔霍夫第二定律内容是:对任一闭合回路而言, ( )都等于零。
3.戴维南定理内容是任何由线性元件构成有源二端网络, 对于外电路来说都可以用( )来代替。
4.正弦交流电三要素是( )、( )、( )。
5.对于两个同频率正弦量来说, 先达到最大值或零值叫( )。
6.交流电有效值是依照它( )效应与相应直流电量比较而拟定。
7.表达纯电感线圈对交流电阻碍作用大小物理量叫( ), 它计算式是( )。
8.表达电容对交流电阻碍作用大小物理量叫( ), 它计算式是( )。
9.变压器是运用互感原理制成静止电气设备, 它既可变换电压, 又能变换( )和( ), 还可以变化( )。
10.反映正弦交流电变化快慢物理量是( )或( )。
11.设某电压u=311sin(100πt-30o)V, 则它最大值为( )V, 有效值为( )V, 频率为( )Hz,周期为( ), 初相角为( )。
12.在纯电阻交流电路中, 电流与电压相位关系是( )。
在纯电感交流电路中, 电压比电流( )90o。
13.三相交流异步电动机旋转磁场转速与( )成正比, 与( )成反比, 这个转速称为异步电动机( )转速。
14.旋转磁场旋转方向与三相电源( )关于, 要使旋转磁场反转, 可任意对调三相绕阻上两根( )。
15.直流电动机按励磁方式不同, 可分为( )、( )、( )、( )四类。
16.并励直流电动机具备( )机械特性, 即转速大小随负载转矩变化( )(填较大、较小)。
17.串励直流电动机具备( )机械特性, 即负载转矩增长电动机转速( )。
串励直流电动机使用时禁止( )运营。
18.直流电动机反转可以通过度别变化( )电流方向, 或变化( )电流方向来实现。
19.RC串联电路中, 电容器充放电时, 影响充放电时间因素是( )和( )大小。
苏州市无线电装配与调试四级应会考试(调试部分)卷号一稳压电源的调试...........................第 1 页卷号二OTL功放电路的调试.....................第 1 页卷号三场扫描电路的调试........................第 2 页卷号四A/D转换电路的调试 (2)卷号五脉宽调制电路的调试.....................第 3 页卷号六数字频率计电路的调试 (3)卷号七交流电压平均值转换器电路的调试…第 4 页卷号八可编程定时器电路的调试……………第 4 页主编:陆志刚无线电装配与调试中级班考工大纲一、基础要求:系统学习过无线电装配工艺和相关测量与调试技术等课程二、培训目标掌握相关电子元器件的检测、单元电路板的装配、针对单元电路的参数要求进行细致的调整测试,使各项参数达到要求值。
三、培训内容:共分八个子课题1.安装、调试直流稳压电源2.安装、调试场扫描电路板3.安装、调试三位半A/D转换器4.安装、调试功率放大器5.安装、调试脉宽调制控制器6.安装、调试数字频率计7.安装、调试交流平均值转换器8.安装、调试可编程定时器四、考核方式苏州市劳动局组织统一考核,合格者颁发国家劳动部门统一的中级职业技能等级证书,全国通用。
同时可为考参加高级及技师的技能鉴定作准备。
五、参考书目1. 电子测量与仪器(第三版)中国劳动社会保障出版社2. 电子电路基础(第三版)中国劳动社会保障出版社3. 数字逻辑电路(第三版)中国劳动社会保障出版社4. 无线电整机装配工艺基础天津科学技术出版社稳压电源的调试1.检查装配好的电路板,有无接错或短路处,主要检查电容有无接反,二极管极性和三极管型号管脚有无接错。
2.将变压器输入端接到调压器的输出端,调节调压器,用万用表量出变压器的输入电压为220V,并记录数据。
3.将变压器的输出端接到电路板的输入端,测出此时变压器输出端电压,并记录数据。
无线电调试步骤海子工作室无线电装配调试中级电子考工要求学生回忆和复习八个电路的图纸和报告中应填写的数据和波形的幅度、周期、相位等 . 装配、调试必须注意的事项: 如电源电压是否正确( 当心碰到 ); 正负电源的连线; 示波器对零线等.一、稳压电源概念:1.该电路是将交流 18v 电源改变为 12±0.2v 的直流稳压电源2.先将交流 220v 电源加到”调压变压器”上以便改变电源电压3.经过”调压器”调压后加到 220v/18v 变压器 , 经变压获得 18v 左右电压 , 作为”稳压电源”的输入电压4. 将该电压经过整流、滤波、稳压后得到12±0.2v 的直流稳压电源装配:1.注意二极管方向 (正负 )电解电容方向 (正负 ),微调电阻中心点 (滑动头 ),调整管 D880 的极性 ( b c e)2.输入线、输出线各两根线 , 颜色要区分调试1.旋调压器至 220v(交流 )2.测输出交流电压 (约 16v)3.断开保险丝 ,测”整流后电压”(约 21v)4.合上保险丝调 RP1 使”稳压电源”和空载电压 12± 0.2v5.加上负载电阻 ( 大的白色电阻 10Ω )记录两端电压 (表格中 220v 格和 1A 格内 )6.用毫伏表 ( 约 3mv 档)测”纹波电压”( 8mv 以下均为合格)7.关闭毫伏表,旋调压器至 198V (交流),记录负载两端电压8.旋调压器至 242V (交流),记录负载两端电压9.拔掉电源线,结束实验二、场扫描电路概念:1、场频和行频的定义、来历2、场频波形(电压和电流)的画法和意义装配:1、场输出管DD325 和 CD511 的区分,代用(651 和 551)及焊接(不需剪短)2、R1( 39K )不要装, R6( 1)“腿”长些以便测试3、电源线一红一黑,偏转线两根(区分正负)调试1、明确场扫描的意义和场扫描波形的幅度(约4V )、周期(2、正确测量场扫描电压波形和电流波形,注意上下对齐写明20ms)、频率(Y和X的单位50Hz )3、测波形前,先将“偏转线圈”接在板上PZ的位置4、注意波形的正负极性,明确四个微调电阻的作用和相互影响,即PR4(中点电压)、RP3(线形)、RP2(幅度)、 RP1(频率或周期)5、为得到标准的场波,先将RP1 旋在大约中间位置,然后调其他三个微调,使电压波形≥4V和 20ms并尽可能使电压达到6± 0.2v6、最后将RP1左旋到底和右旋到底,记下周期变化范围并换算为频率变化范围,最后恢复到20ms处三、 31/2A/D 转换器概念和装配1、弄清 A/D 转换器的基本原理,介绍集成电路的结构、引脚编号和安装要领,介绍数码管结构和共阳、共阴的区别;2、焊接时先将板上标“J”处,用短线焊上。
无线电调试工国家职业标准1.职业概况1.1职业名称:无线电调试工1.2职业定义:使用测试仪器调试无线通信、传输设备,广播视听设备和电子仪器、仪表的人员。
1.3职业等级:本职业共设四个等级,分别为:中级(国家职业资格四级)、高级(国家职业资格三级)、技级(国家职业资格二级)、高级技师(国家职业资格一级)。
1.4职业环境:室内、外,常温。
1.5职业能力特征:具有较强的计算、分析、推理和判断能力;形体感、空间想像力强;手指、手臂灵活、动作协调性好。
1.6基本文化程度:高中毕业(或同等学历)。
1.7培训要求:1.7.1培训期限:全日制职业学校教育,根据其培养目标和教学计划确定。
晋级培训期限:中级不少于360标准学时;高级不少于280标准学时;技师不少于240标准学时;高级技师不少于200标准学时。
1.7.2培训教师:培训中级的教师应具有本职业高级以上职业资格证书或相关中级以上专业职务任职资格;培训高级的教师应具有本职业技师以上职业资格证书或相关专业高级专业技术职务任职资格;培训高级技师的教师应具有本职业高级技师职业资格证书4年以上或相关专业高级专业职务任职资格。
1.7.3培训场地设备:理论知识培训在标准教室;技能操作培训在具有必备的教学设备、仪器、仪表、工具的技能训练场地。
1.8鉴定要求:1.8.1适用对象:从事或准备从事本职业的人员。
1.8.2申报条件:——中级(具备以下条件之一者)(1)连续从事或见习本职业工作5年以上(含5年),经本职业中级正规培训达规定标准学时数,并取得结业证书。
(2)连续从事本职业工作7年以上。
(3)取得经劳动保障行政部门审核认定的、以中级技能为培养目标的中级以上职业学校本职业(主那业)毕业证书。
——高级(具备以下条件之一者)(1)取得本职业资格证书后,连续从事本职业工作4年以上,经本职业中级正规培训达到规定标准学时数,并取得结业证书。
(2)取得本职业中级职业资格证书后,连续从事本职业工作7年以上。
《无线电调试工(中级)》考试时间:120分钟 考试总分:100分遵守考场纪律,维护知识尊严,杜绝违纪行为,确保考试结果公正。
1、 在图示的电路中,网数、回路数、节点数分别应为()。
[363949fa6bccdfbdeccc4689b1f1de5b.png]( )A.3个网孔,6个回路,3个节点B.3个网孔,5个回路,3个节点C.3个网孔,6个回路,4个节点D.3个网孔,5个回路,4个节点2、某复杂电路计算结果是:I2=2A ,I3=-3A ,这个结果表明()。
( ) A.电流I2和I3的方向相反 B.电流I2大于电流I3 C.电流I3大于电流I2 D.I2是从电源正极流出的电流3、 在图示的电路中,I 的数值应该是()。
[198b2a418708c1bfbb7990d9d4dc7ac7.png]( ) A.-2A B.1A C.-1A D.1.5A4、 在图示的电路中,欲使阻值为3Ω的电阻中电流为零,则电动势E 应等于()。
[bb5d573e2da98ba9b361b8de817042b1.png]( )姓名:________________ 班级:________________ 学号:________________--------------------密----------------------------------封 ----------------------------------------------线-------------------------A.18VB.12VC.6VD.16V5、同频率两正弦电压uA的初相角为uA=120°,uB初相角uB=-120°,则它们之间的相位关系为()。
()A.同相位B.反相位C.uA相位超前uB120°角D.uA相位滞后uB120°角6、纯电感L、电容C串联接于某正弦交流电路中,UL=30V,UC=40V,则这个电路的总电压U为()。
一、OTL电路的调试步骤:1、接线电源端:稳压电源+18V输入端:函数信号发生器(f=1000HZ,正弦波)、毫伏表;输出端:示波器毫伏表二、测试1.万用表直流20V档,测电源 18.00V。
2.直流20V档,黑表笔接GND,红表笔接R8、R9相邻管脚中的任一脚(输入端悬空),调节电位器使万用表显示9.00V(测中点电位为9.00v)。
三、调试1.函数信号发生器接输入端Ui,频率1000Hz、正弦波。
2.示波器接输出端Uo 0.2ms/div, 2v/div,调节函数信号发生器的幅度旋钮,使波形最大不失真。
3.毫伏表接输出端Uo,毫伏表调至10V挡,示数为4.0V或4V以上,频率为1000HZ,再调节幅度旋钮,示数为4.0V。
4.P0=U0/R L=4.02/16=1W5.将毫伏表接输入端Ui,毫伏表调至1v档,示数为0.40V或为0.30V(将此数据填入表格)。
A=U O/Ui=4.0/0.40=10或A=U O/Ui=3.0/0.30=106.将毫伏表Uo, 3V档,幅度旋钮,为2V。
7.依次改变频率:20Hz, 100Hz, 200Hz, 1000HZ, 5KHz,毫伏表档位:1V档, 3V档, 3V档, 3V档, 3V档,表格中输出电压: V, V, V, V , V8.测中点电位9.00V,交卷。
二、场扫描电路一、接线1、电源端:稳压电源采用独立形式,+12V;2、输出端:接偏转线圈(有线圈的标记)。
二、调试1、输入接+12V电源,输出不接偏转线圈,先将4个电位器都调至中间位置。
2、将万用表打到直流20V档,黑表笔接电路板的GND,红表笔接R14,R15相邻管脚中任一脚,调节电位器W4,使万用表显示6.00V。
三、测试3、接上偏转线圈,打开示波器(水平扫描因素调至5ms/DIV,垂直灵敏度调到2V/DIV),黑夹子接GND,红夹子接偏转线圈负端;调W1,使T=20ms,即振荡频率f=50Hz;调节W2(W1必须在中间),使波形占4DIV;再调节W3,使波形与我们所需波形相似(使锯齿波斜坡呈线性),将显示波形绘入表格。
《无线电调试工》中级理论培训教学大纲适应范围:无线电调试工(中级)培训课时数:理论20课时一、无线电装接工(中级)基本基础知识要求:1.中级电工基础1)掌握基尔霍夫定律、戴维南定理、电源的最大输出功率等复杂直流电路的分析计算2)掌握交流电路的计算、电容、电容器的串联、并联、以及谐振电路、R-C电路的暂态过程和非正弦交流电3)了解电磁学、电磁感应、电流的磁场、磁场对载流导体的作用、自感、互感、变压器2.无线电技术基础1)掌握导体、绝缘体、半导体及其特征、二极管、三极管的结构、作用、特性曲线、用途2)熟悉整流电路、稳压电路、放大电路、多级反馈、直流放大器、功率放大器、运算放大器、调谐放大器、振荡器、混频器、检波、鉴频等计算3)了解电磁波的产生及传播、波长、波速、频率间关系4)了解无线电波的传播方式、调制与解调、无线电发射接收机、接收机、收录机基本原理、灵敏度、选择性5)高频电路频率特性、有源滤波及无源滤波3.脉冲数字电路1)掌握脉冲、脉冲波形、脉冲宽度、频率、周期的定义2)掌握脉冲波形整形、变换方法3)掌握逻辑代数知识、逻辑表达式4)掌握组合逻辑电路分析,时序逻辑电路基础5)掌握A/D、D/A技术4.电子测量知识1)熟悉误差、绝对误差、相对误差的概念2)掌握直流电压、直流电流、交流电压、电流的测量3)掌握电阻测量、频率、周期测量、高低频功率测量、增益的测量、场强的测量、网络特性的测量4)熟悉常用仪器仪表的使用和维护5.无线电整机装配工艺基础1)掌握常用电子元器件的识别与质量判别2)熟悉常用电子产品生产工艺流程知识3)掌握无线电识图知识6、无线电测量知识1)理解低频电路的静态和动态测量2)高频电路频率特性测量3)高低频信号发生器、双踪示波器、扫频仪使用4)晶体管毫伏表、低压直流稳压电源的使用5)数字频率计的使用7)失真度仪的使用8)场强仪的使用二、无线电调试工(中级)理论培训课时分配。
电子行业特有工种职业技能鉴定
无线电调试工(中级)技能鉴定试卷
单位及班级:准考证号:姓名:
一、说明
1.本试卷适用于无线电调试工(中级技能)
2.本试卷编制的命题依据为无线电调试工《国家职业标准》
二、考试题目:低频功率放大器的调试
考核时限:120分钟
汇分人:年月日
1、调试电路
调试电路如图所示,是一个OTL功率放大器电路。
1)用万用表检查低频实验箱OTL功率放大器电路电位器、三极管、电解电容、电阻等的好坏。
2)在不接通+12v电源时。
将R p1的值调整到最大,用备好的连接线按图将连接好电路。
3)检查连线是否完好,检查接线正确无误后接通电源。
2、OTL功率放大器电路主要技术参数调试
1)静态工作点检查、调试方法和要求(表1)
内容调试
步骤
调试方法、要求
电路检查1
(1)对照图纸连接好电路。
(2)检查接线正确无误后接通电源。
通电
静态检验调整2
(1)要求
①中点电位:U M=U CC/2=2.5V
②静态工作电流:
(2)方法
①按图接线(只限5V电源)。
对照OTL功放电原理图,接上5V直
流稳压源,打开电源,测量电源电压值填入记录表4中。
②测量中点电位
万用表选用DC10V电压挡,测量电路的中点(LTP5点)电压,调节
2)“最大不失真功率”技术参数调试步骤、方法、要求(表2)
表2 功放电路的技术参数调试方法、要求
3)“放大器的灵敏度”、“噪声系数”技术参数调试步骤、方法、要求(表3)表3 功放电路的技术参数调试步骤、方法、要求
考评员:年月日。
《无线电调试中级工》实训教学大纲课程名称:无线电调试工中级工实训课程类型:实训总 学 时:360学时 总 学 分:12分先修课程:电路分析基础知识、模拟电子技术基础、数字电子技术基础、微机原理基础、高频电子线路基础、电子线路CAD适用专业:应用电子技术、应用电子技术教育、电子信息、通信工程制订日期:2009.2一、课程性质、目的和要求本课程的基本要求是通过教学,使学生能有较强的对电子产品原理电路分析能力和现代电子产品的装接和调试能力,同时具有设计、调试、解决问题的综合能力。
通过培训课程的学习应达到以下教学目的和教学要求:1、通过本课程的学习,应使学生既具备一定的科学技术理论水平,又具备一定的操作技能;2、通过本课程的学习,使学生具有独立分析问题和解决问题的能力、跟踪新知识新技术能力;并养成科学严谨、实事求是的良好习惯,且具有良好职业道德;3、通过本课程学习,使学生熟练掌握仪器仪表使用方法,熟练掌握现代电子产品、设备的装接与调试技能,掌握计算机辅助设计技术、初步了解电子系统的设计方法。
4、可以达到技能鉴定相应工种的要求。
二、教学内容要点基本模块一: 电工电子仪器使用通过本阶段训练,使学生掌握电子测量的基本方法,学会基本工具仪器仪表使用。
教学要求:1、掌握电子测量的基本方法。
2、熟练掌握万用表的使用和测量方法。
3、握信号发生器的使用方法。
4、掌握示波器的使用方法。
5、掌握晶体管图示仪及其他相关仪器仪表的使用方法。
教学内容:使用各种仪器测试电信号幅度、周期、波形,掌握用各种仪器进行元器件的测试。
基本模块二、常用元器件识别及选用课题一、常用电子元器部件检测教学要求:1、熟练掌握电阻、电感、电容的使用及检测方法。
2、熟练掌握二、三极管的使用及检测方法。
3、掌握集成电路、电声器件的使用及检测方法。
4、掌握继电器、开关元件、熔断器、接插件等器件的使用及检测方法。
教学内容:1、电阻、电感、电容的识别和在电路中的作用。
1卷1:稳压电源调试技术在各种电子设备和家用电器中,一般都需要直流电源供电。
这些直流电除了少数是直接利用干电池之外,大多数是采用把交流电(220V ,50Hz )转换为直流电的直流稳压电源。
一、电路组成串联型直流稳压电源通常由电源变换电路、整流电路、滤波电路、稳压电路和负载组成,其原理框图如图。
图1-1 直流稳压电源原理框图图1-2 直流稳压电源原理框图二、稳压电源电路工作原理图1-3 直流稳压电源原理框图负载交流输入Hz50/V 220t t t t t1u 2u 3u 4u o u212V 直流稳压电源的电路原理图如图1-3所示,交流220V 电压经电源变压器7B1降压、整流二极管7BG1~7BG4桥式整流、电容7C1滤波后,得到直流电压,再经由7BG5~7BG8组成的稳压调整后,输出12V 直流电压,当输入电压或负载电流在一定范围内变化时,输出的12V 直流电压稳定不变,具体工作原理如下:(一)交流降压电路本稳压电源额定输出电压为12V ,因为调整管必须有一定的压降,交流输入电压选择为17V ,由电源变压器7B1将220V 交流电压降压为交流17V 。
稳压电源最大输出电流额定值为 1.2A ,考虑到一定的损耗,7B1采用10W 的电源变压器,FU1(500mA )为交流熔断丝。
(二)整流电路17V 交流电压通过整流电路变换成方向不变、大小随时间变化的脉动电压。
其整流部分采用了由7BG1~7BG4组成的桥式整流器。
虽然桥式整流器需要用四只整流二极管,但是,桥式整流电路具有整流效率较高、脉动成份较少、变压器次级无需中心抽头的特点。
(三)滤波电路由于桥式整流后在负载上得到的是脉动的直流电压,其频率为100Hz ,峰值为1.4e ≈24V ,所以,还必须经过平滑滤波后才可供实际应用。
电容滤波器是一种简单实用的平滑滤波器,C1就是滤波电容器,利用电容器的充、放电作用,可以将脉动的直流电压变为平滑的直流电压。
中级无线电调试工练习题一、填空题:1、基尔霍夫第二定律的内容是:对任一闭合回路而言______ ______都等于零。
2、设某电压U=311sin(100πt-30°)V,则它的最大值为____V,有效值为____V,频率为____Hz,周期为______,初相角为_____。
3、为了实现数字信号处理,常用的手段有:方式,方式,方式。
4、晶体三极管在电路中主要起放大作用,增益又称为放大倍数,就是指放大电路的量与量之比。
5、调节回路的电感或电容使电路产生谐振的过程叫______,在发生串联谐振时回路的阻抗最____。
6、三态门的输出端可出现_____、_______及_____三种状态,因而称之三态门。
7、我们平常所测量的产品技术指标值有值和值,但始终得不到的是值。
8、寄存器是一种用来暂时存放或的逻辑部件。
9、电子产品安装是将各种按照图纸设计的要求,组合连接起来形成的过程。
10、在稳压电源中,输出_______保持不变,稳流电源的输出_______保持不变,稳流电源的输出电阻是越____越好。
11、变压器开关电源可分为______ ______和_____ ____开关电源。
12、信号发生器按工作频率分为超低频、___ ___、视频、_ ____和超高频信号发生器。
13、最基本的逻辑运算有逻辑运算、逻辑运算和逻辑运算。
14、产品质量缺陷按其重要性可分为缺陷、缺陷和缺陷。
15、质量检验职能包括职能,职能,职能,职能。
16、我国现行标准体系的结构,技术标准分为、、、标准。
17、多级放大器的耦合方式有、、耦合三种。
18、示波器的示波管一般由________、________和荧光屏三部分组成。
19、信号发生器按输出波形分为________、________、函数信号发生器等。
20、技术文件是无线电产品生产过程的基本依据,分为____ ____和____ ____。
21、生产线上排除故障工作一般有三项,即_____ ___、__ ______和____ ____。
苏 机 国 家 职 业 技 能 鉴 定 所无线电调试工中级知识试卷(D )注 意 事 项1.请首先按要求在试卷的标封处填写您的姓名、考号和所在单位的名称。
2.请仔细阅读各种题目的回答要求,在规定的位置填写您的答案。
3.不要在试卷上乱画乱写,不要在标封区填写无关内容。
一.填空题 将正确答案填写在空白处(每空1分,共30分)1.戴维南定理的内容是任何由线性元件构成的有源二端网络,对于外电路来说都可以用 来代替。
2.旋转磁场的旋转方向与三相电源的 有关,要使旋转磁场反转,可任意对调三相绕阻上的两根 。
3.运放构成的基本放大电路有 、 和差动输入的放大电路。
它们均为运放的 应用。
运放构成的比较器一般是利用了其 特性。
4.AFC 电路的性能主要有 、 、 、 。
5.一般的A/D 转换过程是通过 、 、 及编码几个步骤完成的。
6.收音部分的调试主要包括 的调试和 的调整。
7.设计文件按表达的内容分为 、 及 。
8.在黑白电视机中场频为 Hz ,行频为 Hz 。
图像中频为 MHz ,第二伴音中频为 MHz 。
9.低频信号发生器一般由 、 、电压放大器、输出衰减器、功率放大器、阻抗变换器和指示电压表等组成。
10.仪器仪表的检定一般分为 、 验收检定三种情况。
11.程序语言通常分为: 、 及三大类。
二、选择题 下面每题的选项中只有一个是正确的,请将其代号填入括号中(每题1分,共10分)1.同频率两正弦电压u A 的初相角为φuA =120º,u B 初相角φuB =-120°,则它们之间的相位关系为( )。
A .同相位B .反相位C .u A 相位超前u B 120º角D .u A 相位滞后u B 120º角 2.滤波器在满足传输条件时,工作在通频带内时的特性阻抗为( )。
A .电感性 B .电容性 C .电阻性 D .不一定 3.电压负反馈对放大器的电压放大倍数的影响是( ). A .放大倍数增大 B .放大倍数不变C .放大倍数减小,但放大倍数的稳定性提高D .以上说法均不对4.基本电压放大器中,空载时的电压放大倍数比带负载时的电压放大倍数( )。
无线电调试工中级理论知识样卷一、单项选择题(第1题~第80题。
选择一个正确的答案,将相应的字母填入题内的括号中。
每题1分,满分80分。
)1.基尔霍夫第二定律所适用的回路,包含( )支路。
A、2个B、任意个C、3个D、4个以上2.一个电路有n个节点,根据尔霍夫第一定律能列出( )独立方程。
A、n-1B、nC、n+1D、n-23.戴维南定理所适用的线性有源二端网络中,电源的数目( )。
A、至少2个B、至少1个C、至少3个D、至少4个4.如图所示是一个分压式电流负反馈偏置电路的直流通路,由R b1和R b2组成分压器,使晶体管获得稳定的基极正向直流电压u b,用戴维南定理将基极供电电路简化,使电路等效为如(b)所示电路,则E b=( )。
A、24VB、12VC、18.4VD、5.58V5.RLC串联电路的Z=( )。
A、R+(X L-X C)B、R+(X C-X L)C、R+j(X C-X L)D、R+j(X L-X C)6.如图所示,已知I1=2A,I2=3A,则总电流I=( )。
A、1AB、5AC、3.6AD、3A7.下列说法错误的是( )。
A、一个非正弦交流电有效值的平方等于该非正弦量各次谐波有效值的平方和B、非正弦交流电路不能使用叠加原理分析C、非正弦交流电功率等于直流功率及各次谐波功率之和D、电路中只要有非线性元件,就能产生非正弦交流电8.三相异步式电动机按转子结构分( )和鼠笼式两种。
A、转动式B、绕线式C、对称式D、气隙式9.他励式电动机,其励磁绕组和电枢绕组( )。
A、共用同一直流电源B、共用同一交流电源C、分别用两个直流电压D、分别用两个交流电源10.已知某焊机变压器的匝数比n=5,其次级电流I2=60A,初级电流I1=( )。
A、12AB、300AC、2.4AD、1500A11.直流电动机的反电动势与电动机的转速成比,与主磁通成比。
( ) A、正、反B、正、正C、反、反D、反、正12.在我国规定动力和照明用电的频率是( )。
无线电调试工(中级)理论知识题库/p-477973034.html?qq-pf-to=pcqq.c2c一、单项选择题1.在图示的电路中,网数、回路数、节点数分别应为( A )。
A.3个网孔,6个回路,3个节点B.3个网孔,5个回路,3个节点C.3个网孔,6个回路,4个节点D.3个网孔,5个回路,4个节点2.某复杂电路计算结果是:I2=2A,I3=-3A,这个结果表明( C )。
A.电流I2和I3的方向相反 B.电流I2大于电流I3C.电流I3大于电流I2 D.I2是从电源正极流出的电流3.在图示的电路中,I的数值应该是( C )。
A.-2A B.1A C.-1A D.1.5A4.在图示的电路中,欲使阻值为3Ω的电阻中电流为零,则电动势E应等于( D )。
A.18V B.12V C.6V D.16VϕuA=120°,uB初相角ϕuB=-120°,则它们之间的相5.同频率两正弦电压uA的初相角为位关系为( D )。
A.同相位 B.反相位C.uA相位超前uB120°角 D.uA相位滞后uB120°角6.纯电感L、电容C串联接于某正弦交流电路中,UL=30V,UC=40V,则这个电路的总电压U为( D )。
A.70V B.50V C.10V D.-10V7.同一个三相对称负载,接至同一个三相电源上,用三角形接法消耗的功率是星形接法消耗功率的( C )倍。
A.1 B.3 C.3 D.1/38.同一个三相对称负载接至同一个三相电源,当分别接成星形和三角形时,下列说法中正确的是( B )。
A.三相总功率相同 B.三相总功率的计算公式相同C.相电压相同 D.相电流相同9.在四端网络中,如响应量为电压U2,激励量为U1,则它们之比称为四端网络的( B )。
A.电压传输函数 B.电流传输函数 C.传输阻抗 D.传输导纳10.滤波器在满足传输条件时,工作在通频带内时的特性阻抗为( C )。
A.电感性 B.电容性 C.电阻性 D.不一定11.对于衰耗器,下列说法正确的是( A )。
A.只有衰减,没有相移 B.没有衰减,有相移C.有衰减,有相移 D.无衰减,无相移12.理想变量器电路中,若初、次级匝数比为n,初级电流为i1,次级电流为i2,则下式正确的是( C )。
A.i2=i1/n B.i2=n2i1 C.i2=ni1 D.i2=i1/n213.在四端网络中,当插入衰耗Ai>0(dB)时,表明( B )。
A.网络插入前后负载吸收功率不变B.网络插入后负载吸收功率比插入前小C.网络插入后负载吸收功率比插入前大D.以上说法均不对14.在基本放大电路中,电压放大器空载是指( D )。
A.RC=0 B.RL=0 C.RC=RL D.RL=∞15.输出电压与输入电压反相且输出电压幅度大于输入电压的放大器为( A )。
A.共发射极放大器 B.共基极放大器和共集电极放大器C.共集电极放大器 D.共集电极放大器和共发射极放大器16.温度升高时,三极管参数正确变化的是( C )。
A.Icbo,Ube,β均增大 B.Icbo,Ube,β均减小C.Icbo及β增大,Ube下降 D.Icbo及β下降,Ube增大17.判断放大器属于正反馈还是负反馈的常用方法是( B )。
A.输出端短路法 B.瞬时极性法C.输入端短路法 D.输出端开路法18.电压负反馈对放大器的电压放大倍数的影响是( C )。
A.放大倍数增大B.放大倍数不变C.放大倍数减小,但放大倍数的稳定性提高D.以上说法均不对19.多级直流放大器的级间耦合方式是( C )。
A.阻容耦合 B.变压器耦合 C.直接耦合 D.电感耦合20.所谓差模信号是指两输入信号的( C )。
A.幅度和相位相同 B.幅度不同,相位不同C.幅度相同,相位相反 D.幅度不同,相位相反21.集成运算放大器在构成减法器时,其应用的类型是( B )。
A.非线性 B.线性应用 C.不一定22.理想集成运算放大器应具备的条件中,下述正确的是( B )。
A.输出电阻为无穷大 B.共模抑制比为无穷大C.输入电阻为零 D.开环差模电压增益为零23.滤波是利用电抗元件的下述特性( C )。
A.延时 B.电压不能突变 C.贮能 D.电流不能突变24.串联型稳压电路中的调整管正常工作时处于( A )。
A.放大状态 B.饱和状态 C.截止状态 D.开关状态25.对于一个无源四端网络,工作衰耗A( B )。
A.为负值 B.不为负值C.可为正值,也可为负值 D.一定为零26.基本电压放大器中,空载时的电压放大倍数比带负载时的电压放大倍数( A )。
A.高 B.低 C.相同 D.不一定27.共集电极放大电路中,下述说法中正确的是( C )。
A.有电压放大作用 B.电路为电流串联负反馈C.有电流放大作用 D.无功率放大作用28.在图示的电路中,电路的反馈类型是( A )。
A.电压并联负反馈 B.电压并联正反馈C.无反馈 D.电流并联负反馈29.硅稳压二极管一般工作在( C )。
A.导通区 B.截止区 C.击穿区 D.饱和区30.对TTL与非门电路可用以下的方法处理( C )。
A.接至电源的负极 B.接低电平C.与其他的输入端并联使用 D.悬空31.若FS为采样频率,fimax为信号的最高频率分量,则采样定理应为( C )。
A.FS=2fimax B.FS<fimax C.FS≥2fimax D.FS=fimax32.一块中规模集成电路基片上所包含元件数目在( A )。
A.1000个以下 B.10~100个之间C.1000~100000个之间 D.1000000以上33.图示为分压式电流负反馈偏置电路,其中UC=UCC,Ub=Ue=0,产生这种情况的可能原因有( A )。
A.Rb1开路 B.Rb2开路 C.Ce开路 D.RC开路34.单相桥式整流电路在加入电容滤波后,则( C )。
A.输出电压不变B.二极管承受的最大反向电压减小C.输出电压升高D.输出电压波动大35.整流所用的半导体器件特性是( C )。
A.放大特性 B.反向击穿 C.单向导电 p.饱和特性36.一台收录机放音正常,不能录音,则产生故障的可能部位在( C )。
A.电源部分 B.录放公共通道C.录音输入输出部分 D.功率放大电路37.电视机出现垂直一条亮线的原因可能为( D )。
A.电源有故障 B.通道有故障C.场扫描电路有故障 D.行偏转线圈损坏38.一台电视机出现水平一条亮线,则产生故障的可能原因是( D )。
A.电源有故障 B.高频头故障C.行扫描电路有故障 D.场扫描电路出现故障39.在差动放大器的射极电路中,串入电阻的主要目的是( A )。
A.减小每只三极管集电极对地产生的零点漂移B.提高差放的对称性,减少差模放大倍数C.引入差模信号的负反馈以抑制零点漂移D.降低电路的共模抑制比40.自动增益控制电路为( B )。
A.AFC电路 B.AGC电路 C.ALC电路 D.ANC电路41.电感L和电容C与信号源并联可组成( B )。
A.串联谐振电路 B.并联谐振电路 C.放大电路42.对于高频输出信号,如其阻抗与两端连接的电源所用负载的阻抗不匹配时,则( A )。
A.容易产生反射,功率不能被负载全部吸收B.不能传输信号C.传输线上产生极高电压,传输线要被击穿43.接收天线阻抗为300Ω,如使用75Ω的电缆线则中间要采用的耦合方式是( C )。
A.电容器 B.带通滤波器C.阻抗变换线圈 D.直接用导线连接44.接收机中加自动频率控制的目的是为了使接收机的频率( A )。
A.稳定 B.增高 C.降低 D.以上均不对45.并联谐振回路具有( A )。
A.抑制干扰作用 B.放大作用 C.限幅作用46.图示的四端网络是( C )。
A.高通网络 B.低通网络 C.带通网络 D.以上说法均不对47.射极跟随器的输出阻抗( C )。
A.比共发射极放大器高 B.比共集电极放大器高C.比共基极放大器低 D.以上说法均不对48.L、C串并联回路的谐振条件是( B )。
A.L=C B.XL=XC C.Z=r D.ωC=ωL=049.示波管的电子枪发射出速度极高的( A ),轰击荧光屏而出现亮点。
A.电子束 B.离子束 C.光子束 D.电磁波50.通用示波器的示波管采用( C )偏转系统。
A.静电 B.磁场 C.电场 D.50Hz交流电场51.在计算机中,一个字节(byte)由( C )位二进制组成。
A.2 B.4 C.8 D.1652.-5的补码是( A )。
(符号位不变,取反加一)A.11011 B.10101 C.01011 D.1001153.下面DOS命令中,( A )是用于格式化磁盘的命令。
A.FORMAT(格式化) B.CD C.HDCOPY D.WPS54.在磁盘中创建目录的DOS命令是( D )。
A.CD(进入) B.DEL(删除) C.MAKE DIRECTORY(查看) D.MD(创建) 55.下列操作系统中,( C )是微机上最为常用的操作系统。
A.UNIX B.WINDOWS 3.2C.MS-DOS D.NOVELL NETWARED56.一直流电路中,某两点的电压为0,则说明( C )。
A.这两点的电位均高 B.这两点的电位均低C.这两点的电位差为0 D.以上说法均不正确57.纯电感L和电容C串联接于有效值为50V的正弦交流电压上,已知电感上电压有效值为30v,则电容上有效电压值为( D )。
A.10V B.40V C.80V D.20V58.在四端网络中,如响应量为电流,激励量为电流,则它们之比称为四端网络的( B )。
A.电压传输函数 B.电流传输函数 C.传输阻抗 D.传输导纳59.在放大电路中,当需要在加入反馈后输出电阻减小,输入电阻增大,放大倍数下降时,应采用的反馈类型为( B )。
A.电压串联负反馈 B.电压并联负反馈C.电流并联负反馈 D.电流串联负反馈60.对于TTL与非门,多余输入端的处理方法通常是( B )。
A.悬空不用 B.接低电平C.接电源正极 D.可接电源正极,也可接电源负极61.下列电路属于组合逻辑电路的是( B )。
A.计数器 B.译码器 C.数据寄存器 D.触发器62.一台黑白电视机出现有光栅、有伴音、无图像的故障,则产生故障的可能部位是( D )。
A.电源 B.高频头 C.场扫描 D.视放级63.在差动放大器中,共模信号是指两输入的信号( A )。
A.幅度相等,方向相同 B.幅度不等,方向相反C.幅度相等,方向相反 D.幅度不等,方向相同64.在计算机中,1GB表示容量为( C )字节数。
A.1000B B.1024kB C.1024MB D.1024B65.示波器显示被测信号波形时,时基信号是( C )。