管螺纹规格尺寸对照表
- 格式:xls
- 大小:33.00 KB
- 文档页数:12
英制管螺纹基本尺寸及公差(牙形角55º)BSPP之宇文皓月创作英制锥管螺纹基本尺寸及公差(牙形角55º)BSPT美制管螺纹基本尺寸及公差(牙形角60º)UN(F)布锥管螺纹基本尺寸及公差(牙形角60º)NPT公制螺纹基本尺寸及公差(牙形角60º)M55°圆锥管螺纹基本尺寸对照表最新下载-汇兴达55°圆锥管螺纹基本尺寸对照表最新下载-汇兴达55°圆锥管螺纹(BSPT)6 0 09 1 872聊城市鑫茂祥管业有限公司专业经营钢管规格:5mm*1mm—1020mm*200mm 合金钢管、外径22mm-127mm冷轧无缝钢管、外径127mm-600mm,壁厚16mm-100mm,外径精度±0.5%,壁厚精度±5%热轧中厚壁无缝钢管、16Mn 外径400—1600mm、壁厚20—60mm的大口径厚壁卷管,可定尺到16米及各种规格的无缝方管、异型无缝钢管等.常备钢管种类有:构造用无缝钢管、流体用无缝钢管、液压无缝钢管、电力用无缝钢管、石油输送用无缝钢管、化肥设备用无缝钢管、煤矿用无缝钢管、不锈钢无缝钢管、化工用无缝钢管、纺织机械用无缝钢管、汽车;水利用无缝钢管,精密无缝钢管、光亮无缝钢管、军工医疗用无缝钢管、管道用无缝钢管、支柱用无缝钢管、合金无缝管、高压无缝管、大口径直缝焊管等。
适用于工程、煤矿、纺织、电力、锅炉、机械、军工等各个领域。
公司以良好的信用、优质的产品、雄厚的实力、低廉的价钱享誉全国30多个省、市、自治区、直辖市及国外,产品深得用户依赖。
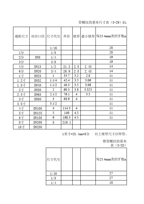
管螺纹的基本尺寸表(2010-10-25 15:57:35)标签:杂谈表(1)螺纹基本尺寸G1/2 、ZG1/2 (单位:mm)尺寸代每螺距p 牙型圆弧半基面上的基本直径基准有效锥管螺纹的基本尺寸表(3-28)1/2PT 、1/2NPT 表(2)螺纹基本尺寸 (单位:mm)螺纹尺度的一种,按外形分圆柱、圆锥两种;按牙型角分55°、60°两种。
英制管螺纹基本尺寸及公差(牙形角55º)BSPP英制锥管螺纹基本尺寸及公差(牙形角55º)BSPT美制管螺纹基本尺寸及公差(牙形角60º)UN(F)布锥管螺纹基本尺寸及公差(牙形角60º) NPT公制螺纹基本尺寸及公差(牙形角60º) M55°圆锥管螺纹基本尺寸对照表最新下载-汇兴达55°圆锥管螺纹基本尺寸对照表最新下载-汇兴达55°圆锥管螺纹(BSPT)聊城市鑫茂祥管业专业经营钢管规格:5mm*1mm—1020mm*200mm合金钢管、外径22mm-127mm冷轧无缝钢管、外径127mm-600mm,壁厚16mm-100mm,外径精度±0.5%,壁厚精度±5%热轧中厚壁无缝钢管、16Mn外径400—1600mm、壁厚20—60mm的大口径厚壁卷管,可定尺到16米及各种规格的无缝管、异型无缝钢管等.常备钢管种类有:构造用无缝钢管、流体用无缝钢管、液压无缝钢管、电力用无缝钢管、油输送用无缝钢管、化肥设备用无缝钢管、煤矿用无缝钢管、不锈钢无缝钢管、化工用无缝钢管、纺织机械用无缝钢管、汽车;水利用无缝钢管,精密无缝钢管、光亮无缝钢管、军工医疗用无缝钢管、管道用无缝钢管、支柱用无缝钢管、合金无缝管、高压无缝管、大口径直缝焊管等。
适用于工程、煤矿、纺织、电力、锅炉、机械、军工等各个领域。
公司以良好的信用、优质的产品、雄厚的实力、低廉的价享誉全国30多个省、市、自治区、直辖市及国外,产品深得用户依赖。
管螺纹的基本尺寸表(2010-10-25 15:57:35)▼标签:杂谈表(1)螺纹基本尺寸G1/2 、ZG1/2 (单位:mm)尺寸代号每25.4mm类的牙数n螺距p 牙型高度h圆弧半径r≈基面上的基本直径基准距离有效螺纹长度大径(基准直径)d=D中径d2=D2小径d1=D11/16 28 0.907 0.581 0.125 7.723 7.142 6.561 4.0 6.5 1/8 28 0.907 0.581 0.125 9.728 9.147 8.566 4.0 6.5 1/4 19 1.337 0.586 0.184 13.157 12.301 11.445 6.0 9.7 3/8 19 1.337 0.586 0.184 16.662 15.806 14.950 6.4 10.1 1/2 14 1.814 1. 0.249 20.955 19.793 18.631 8.2 13.2 3/4 14 1.814 1. 0.249 26.441 25.279 24.117 9.5 14.5 1 11 2.309 1.479 0.317 33.249 31.770 30.291 10.4 16.8 1.1/4 11 2.309 1.479 0.317 41.910 40.431 38.952 12.7 19.11.1/2 112.309 1.479 0.317 47.803 46.324 44.845 12.7 19.12 11 2.309 1.479 0.317 59.614 58. 56.656 15.9 23.42.1/2 11 2.309 1.479 0.317 75.184 73.705 72.226 17.5 26.73 11 2.309 1.479 0.317 87.884 86.405 84.926 20.6 29.83.1/2 11 2.309 1.479 0.317 100.330 98.851 97.372 22.2 31.44 11 2.309 1.479 0.317 113.030 111.551 110.072 25.4 35.85 11 2.309 1.479 0.317 .430 136.951 .472 28.6 40.16 11 2.309 1.479 0.317 163.830 .351 160.872 28.6 40.1锥管螺纹的基本尺寸表(3-28)1/2PT 、1/2NPT表(2)螺纹基本尺寸(单位:mm)螺纹标准的一种,按外形分圆柱、圆锥两种;按牙型角分55°、60°两种。
英制管螺纹基本尺寸及公差(牙形角55º)BSPP英制锥管螺纹基本尺寸及公差(牙形角55º)BSPT美制管螺纹基本尺寸及公差(牙形角60º)UN(F)布锥管螺纹基本尺寸及公差(牙形角60º)NPT公制螺纹基本尺寸及公差(牙形角60º)M55°圆锥管螺纹基本尺寸对照表最新下载-汇兴达55°圆锥管螺纹基本尺寸对照表最新下载-汇兴达55°圆锥管螺纹(BSPT)5 430 9 951 472R 66"163.8302.30911162.351160.8721.479聊城市鑫茂祥管业专业经营钢管规格:5mm*1mm—1020mm*200mm合金钢管、外径22mm-127mm冷轧无缝钢管、外径127mm-600mm,壁厚16mm-100mm,外径精度±0.5%,壁厚精度±5%热轧中厚壁无缝钢管、16Mn外径400—1600mm、壁厚20—60mm的大口径厚壁卷管,可定尺到16米及各种规格的无缝方管、异型无缝钢管等.常备钢管种类有:构造用无缝钢管、流体用无缝钢管、液压无缝钢管、电力用无缝钢管、石油输送用无缝钢管、化肥设备用无缝钢管、煤矿用无缝钢管、不锈钢无缝钢管、化工用无缝钢管、纺织机械用无缝钢管、汽车;水利用无缝钢管,精密无缝钢管、光亮无缝钢管、军工医疗用无缝钢管、管道用无缝钢管、支柱用无缝钢管、合金无缝管、高压无缝管、大口径直缝焊管等。
适用于工程、煤矿、纺织、电力、锅炉、机械、军工等各个领域。
公司以良好的信用、优质的产品、雄厚的实力、低廉的价钱享誉全国30多个省、市、自治区、直辖市及国外,产品深得用户依赖。
公司常年销售钢铁集团、冶钢集团、钢厂、宝钢集团、鞍钢集团、XX大无缝、特钢厂、钢厂、钢厂等各大钢厂生产的各种无缝钢管及合金管。
主营材质:20#、35#、45#、20G、20A、40Mn2、45Mn2、27SiMn、40MnB、20MnVB、20Cr、30Cr、35Cr、40Cr、45Cr、50Cr、38CrSi、12CrMo 、20CrMo、35CrMo、42CrMo、12CrMoV、12Cr1MoV、38CrMoAL、50CrV、20CrMnSi、30CrMnSi、35CrMnSi、20CrMnTi、30CrMnTi、12CrNi2、12CrNi3、12Cr2Ni4、40CrNiMoA、45CrNiMoVA、20G、20MnG、25MnG、12CrMoG、15CrMoG、12Cr2MoG、12Cr1MoVG、12Cr2MoWVTiB、12Cr3MoVSiTiB等实行标准:GB/T8162-99构造管、GB/T8163-99流体管、GB/T3087-99中低压锅炉管、GB/T5310-95高压锅炉管、GB/T6479-2000化肥专用管、27SiMn液压支架管、高压合金管、GB/T9948-85石油裂化管GB9948-88、地质钻探用管YB235-70、汽车半轴套管YB/T5035-96。
英制管螺纹基本尺寸及公差(牙形角55º)BSPP英制锥管螺纹基本尺寸及公差(牙形角55º)BSPT美制管螺纹基本尺寸及公差(牙形角60º)UN(F)公制螺纹基本尺寸及公差(牙形角60º) M标准实用55°圆锥管螺纹基本尺寸对照表最新下载-汇兴达55°圆锥管螺纹基本尺寸对照表最新下载-汇兴达55°圆锥管螺纹(BSPT)R4 4"113.032.30911111.551110.0721.479R5 5"138.432.30911136.951135.4721.479R66"163.832.30911162.351160.8721.479聊城市鑫茂祥管业有限公司专业经营钢管规格:5mm*1mm—1020mm*200mm合金钢管、外径22mm-127mm冷轧无缝钢管、外径127mm-600mm,壁厚16mm-100mm,外径精度±0.5%,壁厚精度±5%热轧中厚壁无缝钢管、16Mn外径400—1600mm、壁厚20—60mm的大口径厚壁卷管,可定尺到16米及各种规格的无缝方管、异型无缝钢管等.常备钢管种类有:构造用无缝钢管、流体用无缝钢管、液压无缝钢管、电力用无缝钢管、石油输送用无缝钢管、化肥设备用无缝钢管、煤矿用无缝钢管、不锈钢无缝钢管、化工用无缝钢管、纺织机械用无缝钢管、汽车;水利用无缝钢管,精密无缝钢管、光亮无缝钢管、军工医疗用无缝钢管、管道用无缝钢管、支柱用无缝钢管、合金无缝管、高压无缝管、大口径直缝焊管等。
适用于工程、煤矿、纺织、电力、锅炉、机械、军工等各个领域。
公司以良好的信用、优质的产品、雄厚的实力、低廉的价钱享誉全国30多个省、市、自治区、直辖市及国外,产品深得用户依赖。
公司常年销售成都钢铁集团、冶钢集团、包头钢厂、宝钢集团、鞍钢集团、天津大无缝、西宁特钢厂、无锡钢厂、衡阳钢厂等各大钢厂生产的各种无缝钢管及合金管。
英制管螺纹基本尺寸及公差(牙形角55º)BSPP英制锥管螺纹基本尺寸及公差(牙形角55º)BSPT美制管螺纹基本尺寸及公差(牙形角60º)UN(F)布锥管螺纹基本尺寸及公差(牙形角60º)NPT公制螺纹基本尺寸及公差(牙形角60º)M55°圆锥管螺纹基本尺寸对照表最新下载-汇兴达55°圆锥管螺纹(BSPT)聊城市鑫茂祥管业XX专业经营钢管规格:5mm*1mm—1020mm*200mm合金钢管、外径22mm-127mm冷轧无缝钢管、外径127mm-600mm,壁厚16mm-100mm,外径精度±0.5%,壁厚精度±5%热轧中厚壁无缝钢管、16Mn外径400—1600mm、壁厚20—60mm的大口径厚壁卷管,可定尺到16米及各种规格的无缝方管、异型无缝钢管等.常备钢管种类有:构造用无缝钢管、流体用无缝钢管、液压无缝钢管、电力用无缝钢管、石油输送用无缝钢管、化肥设备用无缝钢管、煤矿用无缝钢管、不锈钢无缝钢管、化工用无缝钢管、纺织机械用无缝钢管、汽车;水利用无缝钢管,精密无缝钢管、光亮无缝钢管、军工医疗用无缝钢管、管道用无缝钢管、支柱用无缝钢管、合金无缝管、高压无缝管、大口径直缝焊管等。
适用于工程、煤矿、纺织、电力、锅炉、机械、军工等各个领域。
公司以良好的信用、优质的产品、雄厚的实力、低廉的价钱享誉全国30多个省、市、自治区、直辖市及国外,产品深得用户依赖。
公司常年销售XX钢铁集团、冶钢集团、XX钢厂、宝钢集团、鞍钢集团、XX大无缝、XX特钢厂、XX钢厂、XX钢厂等各大钢厂生产的各种无缝钢管及合金管。
主营材质:20#、35#、45#、20G、20A、40Mn2、45Mn2、27SiMn、40MnB、20MnVB、20Cr、30Cr、35Cr、40Cr、45Cr、50Cr、38CrSi、12CrMo 、20CrMo、35CrMo、42CrMo、12CrMoV、12Cr1MoV、38CrMoAL、50CrV、20CrMnSi、30CrMnSi、35CrMnSi、20CrMnTi、30CrMnTi、12CrNi2、12CrNi3、12Cr2Ni4、40CrNiMoA、45CrNiMoVA、20G、20MnG、25MnG、12CrMoG、15CrMoG、12Cr2MoG、12Cr1MoVG、12Cr2MoWVTiB、12Cr3MoVSiTiB等实行标准:GB/T8162-99构造管、GB/T8163-99流体管、GB/T3087-99中低压锅炉管、GB/T5310-95高压锅炉管、GB/T6479-2000化肥专用管、27SiMn液压支架管、高压合金管、GB/T9948-85石油裂化管GB9948-88、地质钻探用管YB235-70、汽车半轴套管YB/T5035-96。