55度管螺纹标准尺寸对照表[1]
- 格式:doc
- 大小:372.50 KB
- 文档页数:7
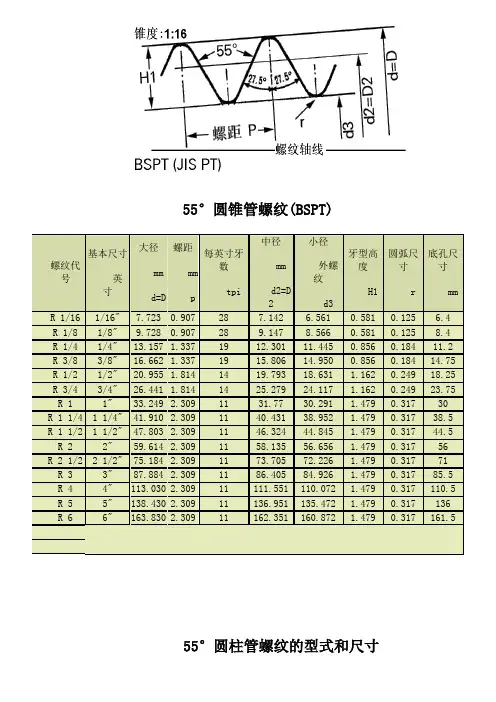
°圆锥管螺纹(BSPT)螺纹代号基本尺寸英寸大径mmd=D螺距mmp每英寸牙数tpi中径mmd2=D2小径外螺纹d3牙型高度H1圆弧尺寸r底孔尺寸mmR 1/16 1/16" 7.723 0.907 287.1426.561 0.581 0.125 6.4 R 1/8 1/8" 9.728 0.907 28 9.147 8.566 0.581 0.125 8.4 R 1/4 1/4" 13.157 1.337 19 12.301 11.445 0.856 0.184 11.2 R 3/8 3/8" 16.662 1.337 19 15.806 14.950 0.856 0.184 14.75 R 1/2 1/2" 20.955 1.814 14 19.793 18.631 1.162 0.249 18.25 R 3/4 3/4" 26.441 1.814 14 25.279 24.117 1.162 0.249 23.75 R 1 1" 33.249 2.309 11 31.77 30.291 1.479 0.317 30 R 1 1/4 1 1/4" 41.910 2.309 11 40.431 38.952 1.479 0.317 38.5 R 1 1/2 1 1/2" 47.803 2.309 11 46.324 44.845 1.479 0.317 44.5 R 2 2" 59.614 2.309 11 58.135 56.656 1.479 0.317 56 R 2 1/2 2 1/2" 75.184 2.309 11 73.705 72.226 1.479 0.317 71 R 3 3" 87.884 2.309 11 86.405 84.926 1.479 0.317 85.5 R 4 4" 113.030 2.309 11 111.551 110.072 1.479 0.317 110.5 R 5 5" 138.430 2.309 11 136.951 135.472 1.479 0.317 136 R 6 6" 163.830 2.309 11 162.351 160.872 1.479 0.317 161.5管螺纹尺寸表55°圆柱管螺纹的型式和尺寸British Pipe Thread (惠氏管螺纹) -- 圆柱 (BSPP/BSPF)代号基本尺寸大径mm d=D螺距mm p每英寸牙数tpi中径mm d2=D2小径外螺纹d3牙型高度H1底孔尺寸mm 1/8"9.7280.907289.1478.5660.5818.71/4"13.157 1.3371912.30111.4450.85611.6 3/8"16.662 1.3371915.80614.950.85615 1/2"20.955 1.8141419.79318.631 1.16219 5/8"22.911 1.8141421.74920.587 1.16220.75 3/4"26.441 1.8141425.27924.117 1.16224.5 7/8"30.201 1.8141429.03927.877 1.16228 1"33.249 2.3091131.7730.291 1.47930.5 8 1 1/8"37.897 2.3091136.41834.939 1.47935 4 1 1/4"41.91 2.3091140.43138.952 1.47939.5 8 1 3/8" 44.323 2.3091142.84441.365 1.47941.5 2 1 1/2"47.803 2.3091146.32444.845 1.47945 4 1 3/4"53.746 2.3091152.26750.788 1.479512"59.614 2.3091158.13556.656 1.47957 4 2 1/4"65.71 2.3091164.23162.752 1.479632 2 1/2"75.184 2.3091173.70572.226 1.47972.5 4 2 3/4"81.534 2.3091180.05578.576 1.479793"87.884 2.3091186.40584.926 1.47985.4 3 1/4"93.98 2.3091192.50191.022 1.47991 2 3 1/2"100.33 2.3091198.35197.372 1.47997.75 4 3 3/4"106.68 2.30911105.201103.722 1.4791044"113.03 2.30911111.55110.072 1.479110.5 2 4 1/2"125.73 2.30911124.251122.772 1.4791235"138.43 2.30911136.951135.472 1.479136 2 5 1/2"151.13 2.30911149.651148.172 1.479148.56"163.83 2.30911162.351160.872 1.479161.555度圆锥管螺纹的实际加工尺寸55°圆柱管螺纹的型式和尺寸British Pipe Thread (惠氏管螺纹) -- 圆柱 (BSPP/BSPF)螺纹代号基本尺寸大径mm d=D螺距mm p每英寸牙数tpi中径mm d2=D2小径外螺纹d3牙型高度H1底孔尺寸mmG 1/8 1/8"9.7280.907289.1478.5660.5818.7 G 1/4 1/4"13.157 1.3371912.30111.4450.85611.6 G 3/8 3/8"16.662 1.3371915.80614.950.85615 G 1/2 1/2"20.955 1.8141419.79318.631 1.16219 G 5/8 5/8"22.911 1.8141421.74920.587 1.16220.75 G 3/4 3/4"26.441 1.8141425.27924.117 1.16224.5 G 7/8 7/8"30.201 1.8141429.03927.877 1.16228 G 1 1"33.249 2.3091131.7730.291 1.47930.5 G 1 1/8 1 1/8"37.897 2.3091136.41834.939 1.47935 G 1 1/4 1 1/4"41.91 2.3091140.43138.952 1.47939.5 G 1 3/8 1 3/8" 44.323 2.3091142.84441.365 1.47941.5 G 1 1/2 1 1/2"47.803 2.3091146.32444.845 1.47945 G 1 3/4 1 3/4"53.746 2.3091152.26750.788 1.47951 G 2 2"59.614 2.3091158.13556.656 1.47957 G 2 1/4 2 1/4"65.71 2.3091164.23162.752 1.47963 G 2 1/2 2 1/2"75.184 2.3091173.70572.226 1.47972.5 G 2 3/4 2 3/4"81.534 2.3091180.05578.576 1.47979 G 3 3"87.884 2.3091186.40584.926 1.47985.G 3 1/4 3 1/4"93.98 2.3091192.50191.022 1.47991 G 3 1/2 3 1/2"100.33 2.3091198.35197.372 1.47997.75 G 3 3/4 3 3/4"106.68 2.30911105.201103.722 1.479104 G 4 4"113.03 2.30911111.55110.072 1.479110.5 G 4 1/2 4 1/2"125.73 2.30911124.251122.772 1.479123 G 55"138.43 2.30911136.951135.472 1.479136 G 5 1/2 5 1/2"151.13 2.30911149.651148.172 1.479148.5 G 6 6"163.83 2.30911162.351160.872 1.479161.5。
5°圆锥管螺纹(BSPT)螺纹代号基本尺寸英寸大径mmd=D螺距mmp每英寸牙数tpi中径mmd2=D2小径外螺纹d3牙型高度H1圆弧尺寸r底孔尺寸mmR 1/16 1/16" 7.723 0.907 28 7.142 6.561 0.581 0.125 6.4 R 1/8 1/8" 9.728 0.907 28 9.147 8.566 0.581 0.125 8.4 R 1/4 1/4" 13.157 1.337 19 12.301 11.445 0.856 0.184 11.2 R 3/8 3/8" 16.662 1.337 19 15.806 14.950 0.856 0.184 14.75 R 1/2 1/2" 20.955 1.814 14 19.793 18.631 1.162 0.249 18.25 R 3/4 3/4" 26.441 1.814 14 25.279 24.117 1.162 0.249 23.75 R 1 1" 33.249 2.309 11 31.77 30.291 1.479 0.317 30 R 1 1/4 1 1/4" 41.910 2.309 11 40.431 38.952 1.479 0.317 38.5 R 1 1/2 1 1/2" 47.803 2.309 11 46.324 44.845 1.479 0.317 44.5 R 2 2" 59.614 2.309 11 58.135 56.656 1.479 0.317 56 R 2 1/2 2 1/2" 75.184 2.309 11 73.705 72.226 1.479 0.317 71 R 3 3" 87.884 2.309 11 86.405 84.926 1.479 0.317 85.5 R 4 4" 113.030 2.309 11 111.551 110.072 1.479 0.317 110.5 R 5 5" 138.430 2.309 11 136.951 135.472 1.479 0.317 136 R 6 6" 163.830 2.309 11 162.351 160.872 1.479 0.317 161.5管螺纹尺寸表55°圆柱管螺纹的型式和尺寸British Pipe Thread (惠氏管螺纹) -- 圆柱 (BSPP/BSPF)螺纹代号基本尺寸大径mmd=D螺距mmp每英寸牙数tpi中径mmd2=D2小径外螺纹d3牙型高度H1底孔尺寸mm1/8 1/8"9.7280.907289.1478.5660.5818.7 1/4 1/4"13.157 1.3371912.30111.4450.85611.6 3/8 3/8"16.662 1.3371915.80614.950.85615 1/2 1/2"20.955 1.8141419.79318.631 1.1621955度圆锥管螺纹的实际加工尺寸55°圆柱管螺纹的型式和尺寸British Pipe Thread (惠氏管螺纹) -- 圆柱 (BSPP/BSPF)螺纹代号基本尺寸大径mmd=D螺距mmp每英寸牙数tpi中径mmd2=D2小径外螺纹d3牙型高度H1底孔尺寸mmG 1/8 1/8"9.7280.907289.1478.5660.5818.7 G 1/4 1/4"13.1571.3371912.30111.4450.85611.6 G 3/8 3/8"16.6621.3371915.80614.950.85615 G 1/2 1/2"20.9551.8141419.79318.631 1.16219 G 5/8 5/8"22.9111.8141421.74920.587 1.16220.75 G 3/4 3/4"26.4411.8141425.27924.117 1.16224.5 G 7/8 7/8"30.2011.8141429.03927.877 1.16228 G 1 1"33.2492.3091131.7730.291 1.47930.5 G 1 1/8 1 1/8"37.8972.3091136.41834.939 1.47935 G 1 1/4 1 1/4"41.912.3091140.43138.952 1.47939.5 G 1 3/8 1 3/8" 44.3232.3091142.84441.365 1.47941.5 G 1 1/2 1 1/2"47.8032.3091146.32444.845 1.47945 G 1 3/4 1 3/4"53.7462.3091152.26750.788 1.47951 G 2 2"59.6142.3091158.13556.656 1.47957 G 2 1/4 2 1/4"65.712.3091164.23162.752 1.47963 G 2 1/2 2 1/2"75.1842.3091173.70572.226 1.47972.5 G 2 3/4 2 3/4"81.5342.3091180.05578.576 1.47979 G 3 3"87.8842.3091186.40584.926 1.47985.G 3 1/4 3 1/4"93.982.3091192.50191.022 1.47991 G 3 1/2 3 1/2"100.332.3091198.35197.372 1.47997.75G 3 3/4 3 3/4"106.682.30911105.201103.722 1.479104 G 4 4"113.032.30911111.55110.072 1.479110.5 G 4 1/2 4 1/2"125.732.30911124.251122.772 1.479123 G 55"138.432.30911136.951135.472 1.479136 G 5 1/2 5 1/2"151.132.30911149.651148.172 1.479148.5 G 6 6"163.832.30911162.351160.872 1.479161.5。
55°圆锥管螺纹(BSPT)螺纹代号基本尺寸英寸大径mmd=D螺距mmp每英寸牙数tpi中径mmd2=D2小径外螺纹d3牙型高度H1圆弧尺寸r底孔尺寸mmR 1/16 1/16" 7.723 0.907 28 7.142 6.561 0.581 0.125 6.4 R 1/8 1/8" 9.728 0.907 28 9.147 8.566 0.581 0.125 8.4 R 1/4 1/4" 13.157 1.337 19 12.301 11.445 0.856 0.184 11.2 R 3/8 3/8" 16.662 1.337 19 15.806 14.950 0.856 0.184 14.75 R 1/2 1/2" 20.955 1.814 14 19.793 18.631 1.162 0.249 18.25 R 3/4 3/4" 26.441 1.814 14 25.279 24.117 1.162 0.249 23.75 R 1 1" 33.249 2.309 11 31.77 30.291 1.479 0.317 30 R 1 1/4 1 1/4" 41.910 2.309 11 40.431 38.952 1.479 0.317 38.5 R 1 1/2 1 1/2" 47.803 2.309 11 46.324 44.845 1.479 0.317 44.555°圆柱管螺纹的型式和尺寸British Pipe Thread (惠氏管螺纹) -- 圆柱(BSPP/BSPF)螺纹代号基本尺寸大径mmd=D螺距mmp每英寸牙数tpi中径mmd2=D2小径外螺纹d3牙型高度H1底孔尺寸mmG 1/8 1/8"9.7280.907289.1478.5660.5818.7G 1/4 1/4"13.1571.3371912.30111.4450.85611.6G 3/8 3/8"16.6621.3371915.80614.950.85615G 1/2 1/2"20.9551.8141419.79318.631 1.16219G 5/8 5/8"22.9111.8141421.74920.587 1.16220.75G 3/4 3/4"26.4411.8141425.27924.117 1.16224.5G 7/8 7/8"30.2011.8141429.03927.877 1.16228G 1 1"33.2492.3091131.7730.291 1.47930.5G 1 1/8 1 1/8"37.8972.3091136.41834.939 1.4793555度圆锥管螺纹的实际加工尺寸55°圆柱管螺纹的型式和尺寸British Pipe Thread (惠氏管螺纹) -- 圆柱(BSPP/BSPF)螺纹代号基本尺寸大径mmd=D螺距mmp每英寸牙数tpi中径mmd2=D2小径外螺纹d3牙型高度H1底孔尺寸mmG 1/8 1/8"9.7280.907289.1478.5660.5818.7G 1/4 1/4"13.1571.3371912.30111.4450.85611.6G 3/8 3/8"16.6621.3371915.80614.950.85615G 1/2 1/2"20.9551.8141419.79318.631 1.16219。
55°圆锥管螺纹(BSPT)螺纹代号基本尺寸英寸大径mmd=D螺距mmp每英寸牙数tpi中径mmd2=D2小径外螺纹d3牙型高度H1圆弧尺寸r底孔尺寸mmR 1/16 1/16" 7.723 0.907 28 7.142 6.561 0.581 0.125 6.4 R 1/8 1/8" 9.728 0.907 28 9.147 8.566 0.581 0.125 8.4 R 1/4 1/4" 13.157 1.337 19 12.301 11.445 0.856 0.184 11.2 R 3/8 3/8" 16.662 1.337 19 15.806 14.950 0.856 0.184 14.75 R 1/2 1/2" 20.955 1.814 14 19.793 18.631 1.162 0.249 18.25 R 3/4 3/4" 26.441 1.814 14 25.279 24.117 1.162 0.249 23.75 R 1 1" 33.249 2.309 11 31.77 30.291 1.479 0.317 30 R 1 1/4 1 1/4" 41.910 2.309 11 40.431 38.952 1.479 0.317 38.5 R 1 1/2 1 1/2" 47.803 2.309 11 46.324 44.845 1.479 0.317 44.5 R 2 2" 59.614 2.309 11 58.135 56.656 1.479 0.317 56 R 2 1/2 2 1/2" 75.184 2.309 11 73.705 72.226 1.479 0.317 71 R 3 3" 87.884 2.309 11 86.405 84.926 1.479 0.317 85.5 R 4 4" 113.030 2.309 11 111.551 110.072 1.479 0.317 110.5 R 5 5" 138.430 2.309 11 136.951 135.472 1.479 0.317 136 R 6 6" 163.830 2.309 11 162.351 160.872 1.479 0.317 161.555°圆柱管螺纹的型式和尺寸British Pipe Thread (惠氏管螺纹) -- 圆柱 (BSPP/BSPF)螺纹代号基本尺寸大径mmd=D螺距mmp每英寸牙数tpi中径mmd2=D2小径外螺纹d3牙型高度H1底孔尺寸mmG 1/8 1/8"9.7280.907289.1478.5660.5818.7G 1/4 1/4"13.1571.3371912.30111.4450.85611.6G 3/8 3/8"16.6621.3371915.80614.950.85615G 1/2 1/2"20.9551.8141419.79318.631 1.16219G 5/8 5/8"22.9111.8141421.74920.587 1.16220.75G 3/4 3/4"26.4411.8141425.27924.117 1.16224.5G 7/8 7/8"30.2011.8141429.03927.877 1.16228G 1 1"33.2492.3091131.7730.291 1.47930.5G 1 1/8 1 1/8"37.8972.3091136.41834.939 1.47935G 1 1/4 1 1/4"41.912.3091140.43138.952 1.47939.5G 1 3/8 1 3/8" 44.3232.3091142.84441.365 1.47941.555度圆锥管螺纹的实际加工尺寸55°圆柱管螺纹的型式和尺寸British Pipe Thread (惠氏管螺纹) -- 圆柱 (BSPP/BSPF)螺纹代号基本尺寸大径mmd=D螺距mmp每英寸牙数tpi中径mmd2=D2小径外螺纹d3牙型高度H1底孔尺寸mmG 1/8 1/8"9.7280.907289.1478.5660.5818.7 G 1/4 1/4"13.1571.3371912.30111.4450.85611.6 G 3/8 3/8"16.6621.3371915.80614.950.85615 G 1/2 1/2"20.9551.8141419.79318.631 1.16219 G 5/8 5/8"22.9111.8141421.74920.587 1.16220.75 G 3/4 3/4"26.4411.8141425.27924.117 1.16224.5 G 7/8 7/8"30.2011.8141429.03927.877 1.16228 G 1 1"33.2492.3091131.7730.291 1.47930.5 G 1 1/8 1 1/8"37.8972.3091136.41834.939 1.47935 G 1 1/4 1 1/4"41.912.3091140.43138.952 1.47939.5 G 1 3/8 1 3/8" 44.3232.3091142.84441.365 1.47941.5 G 1 1/2 1 1/2"47.8032.3091146.32444.845 1.47945 G 1 3/4 1 3/4"53.7462.3091152.26750.788 1.47951 G 2 2"59.6142.3091158.13556.656 1.47957 G 2 1/4 2 1/4"65.712.3091164.23162.752 1.47963 G 2 1/2 2 1/2"75.1842.3091173.70572.226 1.47972.5 G 2 3/4 2 3/4"81.5342.3091180.05578.576 1.47979G 3 3"87.8842.3091186.40584.926 1.47985.G 3 1/4 3 1/4"93.982.3091192.50191.022 1.47991 G 3 1/2 3 1/2"100.332.3091198.35197.372 1.47997.75 G 3 3/4 3 3/4"106.682.30911105.201103.722 1.479104 G 4 4"113.032.30911111.55110.072 1.479110.5 G 4 1/2 4 1/2"125.732.30911124.251122.772 1.479123 G 55"138.432.30911136.951135.472 1.479136 G 5 1/2 5 1/2"151.132.30911149.651148.172 1.479148.5 G 6 6"163.832.30911162.351160.872 1.479161.5。
55°圆锥管螺纹(BSPT)螺纹代号基本尺寸英寸大径mmd=D螺距mmp每英寸牙数tpi中径mmd2=D2小径外螺纹d3牙型高度H1圆弧尺寸r底孔尺寸mmR 1/16 1/16" 7.723 0.907 28 7.142 6.561 0.581 0.125 6.4 R 1/8 1/8" 9.728 0.907 28 9.147 8.566 0.581 0.125 8.4 R 1/4 1/4" 13.157 1.337 19 12.301 11.445 0.856 0.184 11.2 R 3/8 3/8" 16.662 1.337 19 15.806 14.950 0.856 0.184 14.75 R 1/2 1/2" 20.955 1.814 14 19.793 18.631 1.162 0.249 18.25 R 3/4 3/4" 26.441 1.814 14 25.279 24.117 1.162 0.249 23.75 R 1 1" 33.249 2.309 11 31.77 30.291 1.479 0.317 30 R 1 1/4 1 1/4" 41.910 2.309 11 40.431 38.952 1.479 0.317 38.5 R 1 1/2 1 1/2" 47.803 2.309 11 46.324 44.845 1.479 0.317 44.5 R 2 2" 59.614 2.309 11 58.135 56.656 1.479 0.317 56 R 2 1/2 2 1/2" 75.184 2.309 11 73.705 72.226 1.479 0.317 71 R 3 3" 87.884 2.309 11 86.405 84.926 1.479 0.317 85.5 R 4 4" 113.030 2.309 11 111.551 110.072 1.479 0.317 110.5 R 5 5" 138.430 2.309 11 136.951 135.472 1.479 0.317 136 R 6 6" 163.830 2.309 11 162.351 160.872 1.479 0.317 161.555°圆柱管螺纹的型式和尺寸British Pipe Thread (惠氏管螺纹) -- 圆柱 (BSPP/BSPF)螺纹代号基本尺寸大径mmd=D螺距mmp每英寸牙数tpi中径mmd2=D2小径外螺纹d3牙型高度H1底孔尺寸mmG 1/8 1/8"9.7280.907289.1478.5660.5818.7G 1/4 1/4"13.1571.3371912.30111.4450.85611.6G 3/8 3/8"16.6621.3371915.80614.950.85615G 1/2 1/2"20.9551.8141419.79318.631 1.16219G 5/8 5/8"22.9111.8141421.74920.587 1.16220.75G 3/4 3/4"26.4411.8141425.27924.117 1.16224.5G 7/8 7/8"30.2011.8141429.03927.877 1.16228G 1 1"33.2492.3091131.7730.291 1.47930.5G 1 1/8 1 1/8"37.8972.3091136.41834.939 1.47935G 1 1/4 1 1/4"41.912.3091140.43138.952 1.47939.5G 1 3/8 1 3/8" 44.3232.3091142.84441.365 1.47941.555度圆锥管螺纹的实际加工尺寸55°圆柱管螺纹的型式和尺寸British Pipe Thread (惠氏管螺纹) -- 圆柱 (BSPP/BSPF)螺纹代号基本尺寸大径mmd=D螺距mmp每英寸牙数tpi中径mmd2=D2小径外螺纹d3牙型高度H1底孔尺寸mmG 1/8 1/8"9.7280.907289.1478.5660.5818.7 G 1/4 1/4"13.1571.3371912.30111.4450.85611.6 G 3/8 3/8"16.6621.3371915.80614.950.85615 G 1/2 1/2"20.9551.8141419.79318.631 1.16219 G 5/8 5/8"22.9111.8141421.74920.587 1.16220.75 G 3/4 3/4"26.4411.8141425.27924.117 1.16224.5 G 7/8 7/8"30.2011.8141429.03927.877 1.16228 G 1 1"33.2492.3091131.7730.291 1.47930.5 G 1 1/8 1 1/8"37.8972.3091136.41834.939 1.47935 G 1 1/4 1 1/4"41.912.3091140.43138.952 1.47939.5 G 1 3/8 1 3/8" 44.3232.3091142.84441.365 1.47941.5 G 1 1/2 1 1/2"47.8032.3091146.32444.845 1.47945 G 1 3/4 1 3/4"53.7462.3091152.26750.788 1.47951 G 2 2"59.6142.3091158.13556.656 1.47957 G 2 1/4 2 1/4"65.712.3091164.23162.752 1.47963 G 2 1/2 2 1/2"75.1842.3091173.70572.226 1.47972.5 G 2 3/4 2 3/4"81.5342.3091180.05578.576 1.47979G 3 3"87.8842.3091186.40584.926 1.47985.G 3 1/4 3 1/4"93.982.3091192.50191.022 1.47991 G 3 1/2 3 1/2"100.332.3091198.35197.372 1.47997.75 G 3 3/4 3 3/4"106.682.30911105.201103.722 1.479104 G 4 4"113.032.30911111.55110.072 1.479110.5 G 4 1/2 4 1/2"125.732.30911124.251122.772 1.479123 G 55"138.432.30911136.951135.472 1.479136 G 5 1/2 5 1/2"151.132.30911149.651148.172 1.479148.5 G 6 6"163.832.30911162.351160.872 1.479161.5。
55°圆锥管螺纹(BSPT)螺纹代号基本尺寸英寸大径mmd=D螺距mmp每英寸牙数tpi中径mmd2=D2小径外螺纹d3牙型高度H1圆弧尺寸r底孔尺寸mmR 1/16 1/16" 7.723 0.907 28 7.142 6.561 0.581 0.125 6.4 R 1/8 1/8" 9.728 0.907 28 9.147 8.566 0.581 0.125 8.4 R 1/4 1/4" 13.157 1.337 19 12.301 11.445 0.856 0.184 11.2 R 3/8 3/8" 16.662 1.337 19 15.806 14.950 0.856 0.184 14.75 R 1/2 1/2" 20.955 1.814 14 19.793 18.631 1.162 0.249 18.25 R 3/4 3/4" 26.441 1.814 14 25.279 24.117 1.162 0.249 23.75 R 1 1" 33.249 2.309 11 31.77 30.291 1.479 0.317 30 R 1 1/4 1 1/4" 41.910 2.309 11 40.431 38.952 1.479 0.317 38.5 R 1 1/2 1 1/2" 47.803 2.309 11 46.324 44.845 1.479 0.317 44.555°圆柱管螺纹的型式和尺寸British Pipe Thread (惠氏管螺纹) -- 圆柱(BSPP/BSPF)螺纹代号基本尺寸大径mmd=D螺距mmp每英寸牙数tpi中径mmd2=D2小径外螺纹d3牙型高度H1底孔尺寸mmG 1/8 1/8"9.7280.907289.1478.5660.5818.7G 1/4 1/4"13.1571.3371912.30111.4450.85611.6G 3/8 3/8"16.6621.3371915.80614.950.85615G 1/2 1/2"20.9551.8141419.79318.631 1.16219G 5/8 5/8"22.9111.8141421.74920.587 1.16220.75G 3/4 3/4"26.4411.8141425.27924.117 1.16224.5G 7/8 7/8"30.2011.8141429.03927.877 1.16228G 1 1"33.2492.3091131.7730.291 1.47930.5G 1 1/8 1 1/8"37.8972.3091136.41834.939 1.4793555度圆锥管螺纹的实际加工尺寸55°圆柱管螺纹的型式和尺寸British Pipe Thread (惠氏管螺纹) -- 圆柱(BSPP/BSPF)螺纹代号基本尺寸大径mmd=D螺距mmp每英寸牙数tpi中径mmd2=D2小径外螺纹d3牙型高度H1底孔尺寸mmG 1/8 1/8"9.7280.907289.1478.5660.5818.7G 1/4 1/4"13.1571.3371912.30111.4450.85611.6G 3/8 3/8"16.6621.3371915.80614.950.85615G 1/2 1/2"20.9551.8141419.79318.631 1.16219。
5°圆锥管螺纹(BSPT)螺纹代号基本尺寸英寸大径mmd=D螺距mmp每英寸牙数tpi中径mmd2=D2小径外螺纹d3牙型高度H1圆弧尺寸r底孔尺寸mmR 1/16 1/16" 7.723 0.907 28 7.142 6.561 0.581 0.125 6.4 R 1/8 1/8" 9.728 0.907 28 9.147 8.566 0.581 0.125 8.4 R 1/4 1/4" 13.157 1.337 19 12.301 11.445 0.856 0.184 11.2 R 3/8 3/8" 16.662 1.337 19 15.806 14.950 0.856 0.184 14.75 R 1/2 1/2" 20.955 1.814 14 19.793 18.631 1.162 0.249 18.25 R 3/4 3/4" 26.441 1.814 14 25.279 24.117 1.162 0.249 23.75 R 1 1" 33.249 2.309 11 31.77 30.291 1.479 0.317 30 R 1 1/4 1 1/4" 41.910 2.309 11 40.431 38.952 1.479 0.317 38.5 R 1 1/2 1 1/2" 47.803 2.309 11 46.324 44.845 1.479 0.317 44.5 R 2 2" 59.614 2.309 11 58.135 56.656 1.479 0.317 56 R 2 1/2 2 1/2" 75.184 2.309 11 73.705 72.226 1.479 0.317 71 R 3 3" 87.884 2.309 11 86.405 84.926 1.479 0.317 85.5 R 4 4" 113.030 2.309 11 111.551 110.072 1.479 0.317 110.5 R 5 5" 138.430 2.309 11 136.951 135.472 1.479 0.317 136 R 6 6" 163.830 2.309 11 162.351 160.872 1.479 0.317 161.5管螺纹尺寸表55°圆柱管螺纹的型式和尺寸British Pipe Thread (惠氏管螺纹) -- 圆柱 (BSPP/BSPF)螺纹代号基本尺寸大径mmd=D螺距mmp每英寸牙数tpi中径mmd2=D2小径外螺纹d3牙型高度H1底孔尺寸mm1/8 1/8"9.7280.907289.1478.5660.5818.7 1/4 1/4"13.157 1.3371912.30111.4450.85611.6 3/8 3/8"16.662 1.3371915.80614.950.85615 1/2 1/2"20.955 1.8141419.79318.631 1.1621955度圆锥管螺纹的实际加工尺寸55°圆柱管螺纹的型式和尺寸British Pipe Thread (惠氏管螺纹) -- 圆柱 (BSPP/BSPF)螺纹代号基本尺寸大径mmd=D螺距mmp每英寸牙数tpi中径mmd2=D2小径外螺纹d3牙型高度H1底孔尺寸mmG 1/8 1/8"9.7280.907289.1478.5660.5818.7 G 1/4 1/4"13.1571.3371912.30111.4450.85611.6 G 3/8 3/8"16.6621.3371915.80614.950.85615 G 1/2 1/2"20.9551.8141419.79318.631 1.16219 G 5/8 5/8"22.9111.8141421.74920.587 1.16220.75 G 3/4 3/4"26.4411.8141425.27924.117 1.16224.5 G 7/8 7/8"30.2011.8141429.03927.877 1.16228 G 1 1"33.2492.3091131.7730.291 1.47930.5 G 1 1/8 1 1/8"37.8972.3091136.41834.939 1.47935 G 1 1/4 1 1/4"41.912.3091140.43138.952 1.47939.5 G 1 3/8 1 3/8" 44.3232.3091142.84441.365 1.47941.5 G 1 1/2 1 1/2"47.8032.3091146.32444.845 1.47945 G 1 3/4 1 3/4"53.7462.3091152.26750.788 1.47951 G 2 2"59.6142.3091158.13556.656 1.47957 G 2 1/4 2 1/4"65.712.3091164.23162.752 1.47963 G 2 1/2 2 1/2"75.1842.3091173.70572.226 1.47972.5 G 2 3/4 2 3/4"81.5342.3091180.05578.576 1.47979 G 3 3"87.8842.3091186.40584.926 1.47985.G 3 1/4 3 1/4"93.982.3091192.50191.022 1.47991 G 3 1/2 3 1/2"100.332.3091198.35197.372 1.47997.75G 3 3/4 3 3/4"106.682.30911105.201103.722 1.479104 G 4 4"113.032.30911111.55110.072 1.479110.5 G 4 1/2 4 1/2"125.732.30911124.251122.772 1.479123 G 55"138.432.30911136.951135.472 1.479136 G 5 1/2 5 1/2"151.132.30911149.651148.172 1.479148.5 G 6 6"163.832.30911162.351160.872 1.479161.5。
55°圆锥管螺纹(BSPT)
螺纹代
号基本尺寸
英
寸
大径
mm
d=D
螺距
mm
p
每英寸牙
数
tpi
中径
mm
d2=D
2
小径
外螺
纹
d3
牙型高
度
H1
圆弧尺
寸
r
底孔尺
寸
mm
R 1/16 1/16" 7.723 0.907 28 7.142 6.561 0.581 0.125 6.4 R 1/8 1/8" 9.728 0.907 28 9.147 8.566 0.581 0.125 8.4 R 1/4 1/4" 13.157 1.337 19 12.301 11.445 0.856 0.184 11.2 R 3/8 3/8" 16.662 1.337 19 15.806 14.950 0.856 0.184 14.75 R 1/2 1/2" 20.955 1.814 14 19.793 18.631 1.162 0.249 18.25 R 3/4 3/4" 26.441 1.814 14 25.279 24.117 1.162 0.249 23.75 R 1 1" 33.249 2.309 11 31.77 30.291 1.479 0.317 30 R 1 1/4 1 1/4" 41.910 2.309 11 40.431 38.952 1.479 0.317 38.5 R 1 1/2 1 1/2" 47.803 2.309 11 46.324 44.845 1.479 0.317 44.5 R 2 2" 59.614 2.309 11 58.135 56.656 1.479 0.317 56 R 2 1/2 2 1/2" 75.184 2.309 11 73.705 72.226 1.479 0.317 71 R 3 3" 87.884 2.309 11 86.405 84.926 1.479 0.317 85.5 R 4 4" 113.030 2.309 11 111.551 110.072 1.479 0.317 110.5 R 5 5" 138.430 2.309 11 136.951 135.472 1.479 0.317 136 R 6 6" 163.830 2.309 11 162.351 160.872 1.479 0.317 161.5
55°圆柱管螺纹的型式和尺寸
British Pipe Thread (惠氏管螺纹) -- 圆柱 (BSPP/BSPF)
螺纹代号基本尺
寸
大径
mm
d=D
螺距
mm
p
每英寸牙
数
tpi
中径
mm
d2=D2
小径
外螺纹
d3
牙型高
度
H1
底孔尺
寸
mm
G 1/8 1/8"9.7280.90
7
289.1478.5660.5818.7
G 1/4 1/4"13.15
7
1.33
7
1912.30111.4450.85611.6
G 3/8 3/8"16.66
2
1.33
7
1915.80614.950.85615
G 1/2 1/2"20.95
5
1.81
4
1419.79318.631 1.16219
G 5/8 5/8"22.91
1
1.81
4
1421.74920.587 1.16220.75
G 3/4 3/4"26.44
1
1.81
4
1425.27924.117 1.16224.5
G 7/8 7/8"30.20
1
1.81
4
1429.03927.877 1.16228
G 1 1"33.24
9
2.30
9
1131.7730.291 1.47930.5
G 1 1/8 1 1/8"37.89
7
2.30
9
1136.41834.939 1.47935
G 1 1/4 1 1/4"41.912.30
9
1140.43138.952 1.47939.5
G 1 3/8 1 3/8" 44.32
3
2.30
9
1142.84441.365 1.47941.5
55度圆锥管螺纹的实际加工尺寸
55°圆柱管螺纹的型式和尺寸British Pipe Thread (惠氏管螺纹) -- 圆柱 (BSPP/BSPF)
螺纹代号基本尺寸大径
mm
d=D
螺距
mm
p
每英寸牙数
tpi
中径
mm
d2=D2
小径
外螺纹
d3
牙型高度
H1
底孔尺寸
mm
G 1/8 1/8"9.7280.907289.1478.5660.5818.7 G 1/4 1/4"13.1571.3371912.30111.4450.85611.6 G 3/8 3/8"16.6621.3371915.80614.950.85615 G 1/2 1/2"20.9551.8141419.79318.631 1.16219 G 5/8 5/8"22.9111.8141421.74920.587 1.16220.75 G 3/4 3/4"26.4411.8141425.27924.117 1.16224.5 G 7/8 7/8"30.2011.8141429.03927.877 1.16228 G 1 1"33.2492.3091131.7730.291 1.47930.5 G 1 1/8 1 1/8"37.8972.3091136.41834.939 1.47935 G 1 1/4 1 1/4"41.912.3091140.43138.952 1.47939.5 G 1 3/8 1 3/8" 44.3232.3091142.84441.365 1.47941.5 G 1 1/2 1 1/2"47.8032.3091146.32444.845 1.47945 G 1 3/4 1 3/4"53.7462.3091152.26750.788 1.47951 G 2 2"59.6142.3091158.13556.656 1.47957 G 2 1/4 2 1/4"65.712.3091164.23162.752 1.47963 G 2 1/2 2 1/2"75.1842.3091173.70572.226 1.47972.5 G 2 3/4 2 3/4"81.5342.3091180.05578.576 1.47979
G 3 3"87.8842.3091186.40584.926 1.47985.
G 3 1/4 3 1/4"93.982.3091192.50191.022 1.47991 G 3 1/2 3 1/2"100.332.3091198.35197.372 1.47997.75 G 3 3/4 3 3/4"106.682.30911105.201103.722 1.479104 G 4 4"113.032.30911111.55110.072 1.479110.5 G 4 1/2 4 1/2"125.732.30911124.251122.772 1.479123 G 55"138.432.30911136.951135.472 1.479136 G 5 1/2 5 1/2"151.132.30911149.651148.172 1.479148.5 G 6 6"163.832.30911162.351160.872 1.479161.5。