卷帘门原理电路图
- 格式:docx
- 大小:18.74 KB
- 文档页数:3
防火卷帘门操控器接线图防火卷帘门是用于防火分区的,通常构成包含帘片、轨迹、卷轴、电机、操控器,防火卷帘门能够主动升降,都配有应急电源,断电后会主动降终究。
防火卷帘门需求与消防主机联接,可在消防主机上操作防火卷帘门降低和反响卷帘门的动作信息。
其作业原理是因为设备了烟感和温感勘探器,烟感勘探器感应后会主动降低一半,阻遏烟雾延伸,温感勘探器感应后或主动全降,避免火势延伸。
防火卷帘门的操控器恰当于人类的大脑,是操控其操作的设备,可与火灾主动报警操控进行联动,完毕全降和半降的动作,详细防火卷帘门操控器接线办法如下。
如防火卷帘门操控器接线图所示:
1、U、V、W为电机线,供给电压给电机运用。
2、W是温感接入线,Y是烟感接入线,烟温感端子需联接公共端才调运用。
3、XJ是降低端子、SJ是上升端子、TJ是接连端子,这几个端子首要联接手动操控按钮盒运用。
4、K为上位反响、G为下位反响,这两个端子首要联接消防操控模块,用于反响防火卷帘门的上升和降低信息。
快速卷帘门控制器使用说明书图一:快速自动卷帘门结构原理图图二:快速自动卷帘门控制器实物照片一、本控制系统对快速卷帘门机械结构的要求:1、门体小于3M×3M、减速变速比小于10:1,配用0.75kw变频器。
2、门体小于4M×4M、减速变速比大于12:1,配用0.75kw变频器。
3、门体小于5M×5M、减速变速比大于12:1,配用1.5kw变频器。
4、门大于5M×5M、减速变速比大于12:1,用2.2kw以上变频器。
注:各个品牌的变频器实际输出力矩和加速性能有差别,要通过试验决定采用,以降低成本、提高性能、达到最佳使用效果。
二、本控制系统的电器结构及功能:1、可外接雷达、地磁、光幕等三线式自动检测设备(提供Vcc和GND)。
2、可接按钮、光电传感器、变频器故障、连锁等二线或三线手动设备(开门接点、关门接点、停止、连锁、故障接点)。
3、本控制系统必须外接漫反射式的“原点”光电传感器也可接简易磁性干簧接近开关(二者所用程序不同,注意区别)。
4、本控制系统可接四按钮、二LED、共阴的轻触面板,也可用普通按钮、旋钮、LED指示灯控制(可通过触摸屏设置内部参数)。
三、控制系统的元件排列:1、本单片机PLC控制器、预装各类接口有少接线或不接线的优点。
2、可选配进口、国产、单相或三相的各种型号小型变频器做动力。
3、选配件24V/50W开关电源,足够可供PLC和传感器共同使用。
4、可以对变频器进行段速控制(客户较难改变电机的速度和频率)。
也可以用电位器进行模拟量调节(客户可以随便调节变频速度)四、本控制系统的安装与接线、附件、功能和使用、调试方法:1、本控制系统在初次调试时可用松下电工的GT01触摸屏(选件)调试,也可在购买时申明性能要求后由供方预先设置好。
2、本控制系统在现场可用小型按钮调试盒(选件)方便地调试。
☆:本机用快速接插件来连接输入、输出设备,具有接线简单、快捷,与面板、变频器都有排针插件,另有DB9多功能插座可接触摸屏、简易定位调试器、编程电缆等外部设备(接插件名称和功能):1、继电器连动输出:功率大,可直接与门、风机、传送带等设备连动。
卷帘门电路板控制原理与维修说明卷帘门电路板控制原理与维修说明
想迅速将发生故障的卷帘门电路板维修好,首先要懂得卷帘门电路板作用原理,这样当卷帘门电路板发生故障,维修时才能起到事半功倍的效果,卷帘门电路板作用原理:当人们按下开门按钮或关门按钮时,开门指令或关门指令通过卷帘门控制电路板来控制卷帘电动机的运转,并通过机械传动机构带动卷帘门作上行或下行运动,当门将要开尽或关尽的时候,首先会感应到减速开关,令电机运行速度减下来,随后感应到限位开关,使门关到位或开到位时立即切断控制电源。
卷帘门电路板维修时故障分析及维修说明:一种是按下开门按钮或关门按钮,卷帘门没有任何反应,这种情况一般是卷帘门控制电路板中的电源供电电路出了问题,应重点检查检查电源供电电路。
二是卷帘门只能作开门运动不能作关门运动,这种情况一般是关门按钮故障,或卷帘门电路板中的关门电路故障所致,应重点检查与关门电路相关的部分,三是卷帘门关好门后再按下开门按钮不能开门,这种情况故障一般出在开门电路,应重点检查与开门电路相关电子电路。
通过以上的分析检查,一般都能将发生故障的卷帘门电路板维
修好,使卷帘门重新投入使用。
常开防火卷帘门电气自动控制原理常开防火门自动控制原理对于常开的防火门,民用建筑一般是平开门,单扇时装一个防火门释放开关及一个单联动模块,双扇时装二个防火门释放开关及两个单联动模块。
防火门任一侧的感烟探头探测到烟雾后,通过总线报告给火灾报警控制器,联动控制器按已有设定发出动作指令。
防火门专用的单联动模块接收指令后模块的无源常开触头闭合,接通防火门释放开关的DC 24V线圈回路,线圈瞬间通电释放防火门,防火门借助闭门器弹力自动关闭,DC24V线圈回路因防火门脱离释放开关而自动被切断。
同时,防火门释放开关的辅助触头将防火门状态信号输入单联动模块,再通过报警总线送至消防控制室。
消防控制室也可通过总线直接控制现场的联动模块关闭防火门,并得到防火门关闭的确认反馈信号。
防火门的复位必须现场人力拉动防火门复位,复位后防火门状态信号也将同时反馈至消防控制室。
还有一种不是平开门的常开防火门,叫做防火滑动门,其工作原理是:平时依靠电磁门吸的吸附力,将防火滑动门固定在常开状态;火灾时,感烟探头将所探测到的信号传至烟感开关,烟感开关切断通向电磁门吸的电源,门吸失电松开,门靠自重下滑关闭。
这种装置可自成系统也可与火灾报警系统联动。
有安全防范要求的常闭防火门自动控制原理自控系统主要依靠专用的推闩式电磁锁来实现,现场设一单联动模块。
推闩式电磁锁平时将常闭防火门锁住,需有钥匙才能通行,从而起到安全防范的作用。
火警时由消防控制室通过报警总线手动操作现场的单联动模块,推闩式电磁锁的推闩被打开,同时将开锁确认信号反馈至消防控制室,逃生人员能自行推开防火门紧急逃生,从而实现了消防与安防相结合。
除线路要求隐蔽外,其它做法与常开防火门联动作法大致相同。
电动卷闸门控制原理图电动门的升降是利用两个继电器和一个三联按钮控制,继电器启动吸合后自保到达上限后利用机械位置开关的左右运动控制门上下的限位控制他有两个行程开关来执行卷闸门按钮接线卷闸门遥控器接收器出来6条线,2条是220V的交流电压线,也就是家用的电源,黑色,不分极性.2条是上升和下降控制线,1条是公共线,1条是停止线,手动按钮是四条线,一条电源(该线与遥控控制器一条停止一条上行一条下行卷闸门电机接线该电机共有7条线引入电机,5条线在一起,另外两条在电机端部。
5 条线这组颜色相同两根线为热保护器它与电机的电源线一并引入电机其他三根为电机绕组,这种电机主副绕组相同。
一般黑是公共线;黄红是正反转换电机顶端后面两根线是刹车线圈.电压直流该电动卷闸门有手动按钮开门和遥控开门,两者开门的控制触点为并联关系,当取下遥控控制器候用手动按钮开门时需要将遥控控制器插头其中两条线短接(控制器上有配一个单线插头插入遥控控制器插头即可),电动卷闸门有停止刹车功能正常时是由电磁离合执行刹车,工作方式为断电刹车,当停电时可用手动把离合器打开进行关门(电机末端有一手柄下拉即可打开)停电开门拉动电机配置的链条即可。
如果出现遥控开门不能自保就是手动按钮常闭触点断开或是该触点连线断开引起当出现遥控器启动后不能自锁原因是按钮的停止或叫常闭按钮断开引起下图是卷闸门手动按钮及手动按钮与遥控控制器的接线方法下面三个图片分别是不同结构电动卷闸门上下动作的三种限位装置本文介绍的电动卷闸门控制器为上图品牌。
该遥控控制器接线的顺序是插口的卡口向下由引线端看过左起去上面一排1 3 5 7 下面一排 2 4 6 8. 1 ;2是控制器电源,3是按钮公共端 4是上升按钮 5是下降按钮, 6是停止按钮,7和8 空,如果拆除了遥控控制器就必须将遥控控制器的电源进线6号线与手动按钮的常闭点进线连接按钮才可以使用。
该卷闸门电路原理图如下图制作人;QQ; 1053864473。
防火卷帘门控制器主板控制系统电路工作原理线路图
本厂生产的微电脑(单片机)防火卷帘门智能控制器系统,除了具有自动和手动控制防火卷帘门运行外,还具有缺相,过载,进线相序改变等自动保护功能,该控制器体积小,重量轻,回路容量大,寿命长,功能齐全,是防火卷帘门配套的不二选择。
设置了自检,自控放大等电路,可接收烟,温感信号及远距离的消防中心控制信号;假如发生火灾,控制器将自动报警,喷淋头将自动喷水,门自动下行关闭,从而切断火源,隔离烟雾,减少损失。
控制器主要利用微电脑及集成元件和三极管去驱动继电器线圈,通过继电器的通断来完成各项功能;将380V交流电输送给电机,利用电机的正反转实现门的上升和下降。
主要由如下几部分组成:
1.电源部分U5.
2.主控制芯片U2
3.上,中,下反馈部分及火警输出
4.控制上升,下降部分
5.消防接收控制输出部分。
学习任务一三相异步电机电动卷帘门电气线路装接学习目标1.能通过各种渠道获取信息,并主动咨询信息的可靠性,表述出所调研对象的信息。
2.能识别并绘制电气原理图和接线图。
3.能在安装板上正确使用电工工具合理安装元器件。
4.能安全使用常用电工工具正确合理的完成配线安装。
5.能正确使用万用表欧姆档进行元件检测和电路检测。
6.能识别断路器、熔断器、交流接触器、按钮、热继电器、三相异步电动机的型号、参数、结构、符号及使用特点,并能正确选用。
7.能正确使用线号套对电路正确编号。
8.能在教师监护下通电调试电路并对出现故障进行排除。
9.能对电动机、元器件、电工工具、万用表进行维护保养。
建议学时40学时学习任务描述19世纪70年代,第二次工业革命将人类带进了“电气时代”。
现在,98%的机床都必须靠电才能运转。
作为一名一线机床装配维修工就必须会使用电工工具、选择正确的电器元件完成电路的装接、检测、调试并在使用中能正确排故维修。
改锥、钢丝钳、断线钳、剥线钳等是电工常用工具;断路器、熔断器、交流接触器、按钮、热继电器、三相异步电动机等是机床电路中常用元器件,这些工具的熟练使用和元器件的识别判断都是需要我们初次接触电路装配维修的人员熟练掌握的。
现有大金电动卷帘门厂和我院办工厂合作,需要我们完成20个电动卷帘门配电盘的制作。
由厂家提供电气原理图、电器元件布置安装等相关的技术资料和验收标准。
配电盘制作完成后,厂家会按有关标准进行电气功能验收。
学院领导研究决定,由同学们配合院办工厂完成此项任务。
我们将在老师带领下,利用2周半的时间,在电工实训车间利用改锥、钢丝钳、剥线钳等电工常用工具装接出电动卷帘门电气线路配电盘。
电路装接后,同学们可在老师监督下通电进行电动卷帘门功能测试。
最后由企业验收。
学习工作流程学习活动1 认识电动卷帘门学习活动2 明确任务,制定计划学习活动3 安装工作前的准备学习活动4 电气元件的布置与固定学习活动5 电气线路安装与检查学习活动6 电气线路的通电调试与功能验收学习活动7 工作总结与评价学习活动1:认识电动卷帘门2课时一体化教室1、 同学们,请您联系实际生活和生产,说说卷帘门主要用在什么地方?它起什么作用?1、 能通过互联网、市场调研等各种渠道获取卷帘门的基本信息,并主动咨询信息的可靠性。
1 系统总体方案设计一款采用555时基集成电路制作的光控自动窗帘电路,它是用环境光线的照射来实现窗帘的自动开合(窗帘在清晨能自动拉开,在傍晚能自动关闭)。
(原理图如附图)该光控自动窗帘电路由光控电路,单稳态触发器电路和电源电路组成。
电路中,光控电路由光敏三极管Q1,三极管Q2和有关外围元件组成,集成电路IC1和IC2均接成单稳态电路,控制电动机M的正转与反转;电源电路由交流220V电压经变压器降压、整流桥整流、7812稳压和C4、C5、C6,C7滤波后,产生12V直流电压,供给IC1、IC2和光控电路。
清晨,光敏三极管Q1在自然光线的照射下导通,使IC1的2脚和晶体管Q2的基极为低电平,Q2截止IC1内部的单稳态触发器动作(变为暂态),其3脚输出高电平,IC2的2脚为高电平,3脚为低电平,使电动机M正转,将窗帘拉开。
当窗帘拉开到位后,IC1又由暂态变为稳态,其3脚恢复低电平,使电动机M停转。
傍晚光线暗淡时,Q1截止,IC1因2脚为高电平而不能被触发,其3脚为低电平,Q2因基极变为高电平而导通,其集电极电压下降,使IC2的2脚产生低电平触发电压,IC2内部的单稳态触发器翻转,由稳态变为暂态,3脚输出高电平,使电动机M反转,窗帘开始闭合。
窗帘闭合到位后,单稳态触发器恢复为稳态,IC2的3脚变为低电平,电动机M停转。
S1、S2、S3为手动开关。
采用手动控制时,应将S3关断,使光控电路失效。
按动S1时,IC1触发翻转,电动机M正转,将窗帘拉开;按动S2时,IC2触发翻转,电动机M反转,将窗帘闭合。
可根据窗户的宽度适当调节电位器RP1和RP2,改变电动机的运转时间。
2 主要单元电路及其原理2.1光线感应电路图2-1光线感应电路图2-2光敏三极管光线感应电路由光敏三极管和其外围元件组成,有两个输出端,IC1-2和IC2-2,分别输入到IC1和IC2,使其作出相应动作,从而控制电机。
光敏三极管是以接收光信号,将其转化为电气信号为目的,也叫光电三极管。
【新提醒】遥控电动卷帘门接线图
遥控电动卷帘门电机接线图如下
遥控电动卷帘门接线图
电动门的升降是利⽤两个继电器和⼀个三联按钮控制,继电器启动吸合后⾃保到达上限后利⽤机械位置开关的左右运动控制门上下的限位控制。
有两个⾏程开关来执⾏卷闸门按钮接线,卷闸门遥控器接收器出来6条线,2条是220V的交流电压线,也就是家⽤的电源,⿊⾊,不分极性2条是上升和下降控制线,1条是公共线,1 条是停⽌线,⼿动按钮是四条线,⼀条电源,该线与遥控控制器⼀条停⽌⼀条上⾏⼀条下⾏。
电动窗帘电路
该电动窗帘电路使用元件少,可靠性高,操作方便,平时只用一只按钮控制窗帘的开闭,窗帘开闭到位后,电路自动切断220V交流电,既经济又安全。
该电路还可以通过另一只按钮,保证窗帘可以停在任何需要的位置。
笔者用该电路制作安装的电动窗帘,至今已工作8年有余了,从未出过问题。
具体电路见附图所示。
工作原理
电源变压器B、桥式整流堆和电容C1组成12V直流电源。
继电器J1、J2和行程开关K1、
K2组成互锁电源极性切换电路。
当按下按钮QA时,220V交流电接通,指示灯L点亮,由于C2的存在,J1两端的电压不能突变,故J2优先吸合,J2-1闭合,电路自保,J2-2断开,电路互锁,J2-3、J2-4闭合,电机得电正转,窗帘开启。
窗帘完全开启后,行程开关K2被拉线拉动而断开,J2失电释放,J2-1断开,整个电路断电停止工作。
窗帘完全开启后,再次按下QA时,由于K 2断开,J2不能吸合,J1吸合,J1-1闭合,电路自保,指示灯L点亮,J1-2断开,电路互锁,J1-3、J1-4闭合,电机得电反转,窗帘闭合。
窗帘完全闭合后,行程开关K1被拉线拉动而断开,J1失电释放,J1-1断开,整个电路断电停止工作。
当需要窗帘停在任意位置时,只要在窗帘运动过程中,按下按钮TA即可。
需要说明的是,本电路控制的窗帘开闭,是以开启动作为优先的,即窗帘只要不是呈完全开启状,当按下QA时,窗帘总是朝开启方向运动。
不过,日常使用时,窗帘一般是全开全闭循环动作的,所以仅用一只按钮QA就可以控制窗帘的开闭了。
卷帘门控制电路设计
卷帘门控制电路设计通常使用电机驱动和传感器检测相结合的方式来实现。
以下是一个基本的卷帘门控制电路设计:
1. 电源电路:使用适配器或者直流电源为电路提供稳定的电源。
2. 开关电路:使用一个按钮或者开关来控制门的开关动作。
当按下按钮时,门打开;当再次按下按钮时,门关闭。
3. 控制电路:使用一个微控制器或者逻辑门电路来实现门的控制逻辑。
通过编程或者设置逻辑门电路的状态,可以实现门的开关控制。
4. 电机驱动:使用一个直流电机来驱动卷帘门的开闭。
该电机可以通过一个电机驱动器来控制。
电机驱动器可以根据控制信号控制电机的转动方向和速度。
5. 传感器检测:使用光电传感器或者红外线传感器来检测门的当前状态。
传感器安装在门的两端,可以检测到门是否完全打开或者关闭。
传感器的信号输入给控制电路,控制电路根据传感器信号来判断门的状态。
6. 安全保护:为了保证使用的安全,可以加入一些安全保护措施,比如电流过载保护、温度过高保护等。
7. LED指示灯:使用LED指示灯来显示门的当前状态,比如红灯表示门关闭,绿灯表示门打开,黄灯表示门正在开关过程中。
需要注意的是,在具体设计中,还需要根据具体的卷帘门的尺寸和要求进行调整和优化。
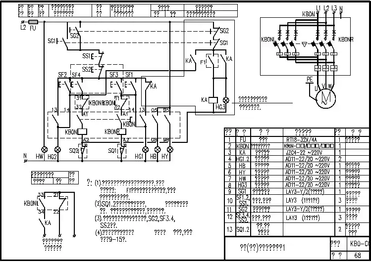
卷帘门原理电路图
Company Document number:WUUT-WUUY-WBBGB-BWYTT-1982GT
电动机可逆点动控制带限位保护电路图电动机可逆运行带限位保护控制电路
按位置原则的控制是生产机械电气化中应用最多和作用原理最简单的一种形式,在位置控制的电气自动装置线路中,由行程开关或终端开关的动作发出信号来控制电动机的工作状态。
若在预定的位置电动机需要停止,则将行程开关的常闭触点串接在相应的控制电路中,这样在机械装置运动到预定位置时行程开关动作,常闭触点断开相应的控制电路,电动机停转,机械运动也停止。
我们以三相鼠笼式电动机的可逆运行带限位控制线路为例来说明行程开关的作用,该线路一般用于电动卷帘门、电葫芦的控制。
电动机可逆运行带限位保护控制电路的动作原理如下:
1、合上空气开关QF接通三相电源。
2、按下正向启动按钮SB1接触器KM线圈通电吸合KM1主触头闭合接通电动机电源,电动机正向运行。
带动机械部件运动。
电动机拖动的机械部件运动当运动到预定位置档块碰撞行程开关SQ2,SQ2的常闭触点断开接触器KM2的线圈回路,KM2断电,主触头释放,电动机断电停止。
3、按下反向启动按钮SB2接触器KM1线圈通电吸合KM1主触头闭合接通电动机电源,电动机正向运行。
带动机械部件运动。
电动机拖动的机械部件运动当运动到预定位置档块碰撞行程开关SQ1,SQ1的常闭触点断开接触器KM1的线圈回路,KM1断电,主触头释放,电动机断电停止。
4、在运行的过程中只要松开按钮控制电路立即无电,接触器断电主触头释放,电动机停止运行。
5、电动机的过载保护由热继电器FR完成。