苗木进场验收标准
- 格式:docx
- 大小:18.82 KB
- 文档页数:4
一、苗木进场验收标准二、苗木质量要求:1、乔木质量(1)主干直(特殊要求除外),无明显破皮、划伤、折断;(2)主枝无枯死、无树干空心;(3)主侧枝分布均匀;(4)枝叶及毛细根无严重脱水;(5)土球基本完整、大小标准要求、包装不松散;(6)无假树皮、假根、假枝等;(7)无病虫害;(8)行道树或列植苗木高度、分支点一致。
2、灌木质量(1)有明显主干的,主枝分布均匀;(2)无明显主干的,不偏冠,枝叶茂密;(3)主枝无折断、枯死,无树干空心;(4)无严重病虫害;(5)树皮无明显伤口、环剥;(6)精球不露根,修剪口要平滑,形状美观;(7)土球直径大于蓬径3/10,土球厚度大于土球直径3/5,包装不松散;(8)枝叶、毛细根无严重脱水;(9)列植灌木高度、冠幅一致。
3、地被质量(1)根、茎、叶无严重枯萎、无严重病虫害;(2)长势良好,植株健壮,根系完好;(3)宿根花卉,根系完整,无明显秃裸,不徒长,花蕾饱满,花茎、花头无折损;(4)球根花卉,球根无损伤、腐烂,幼芽饱满;(5)木本地被须有护心土或土球。
4、草皮质量(1)草皮叶片应新鲜无脱水现象;(2)根部土层结实、湿润,根系无脱水现象;(3)无明显碎块;(4)草色纯正、无发黄、发黑;(5)草卷、草块规格一致,边缘平直,土层均匀、紧密,无破损。
5、时花质量(1)生长茂盛、冠幅饱满、花色艳丽、规格整齐;(2)开花率至少达30%,剩余花蕾即将含苞待放;若开花不够旺盛,须花蕾较多(特殊要求除外);(3)花茎、花头基本无折损,不能有烂叶、烂梗,无明显干花、败花,无明显病虫害。
6、其它(1)竹类苗木根幅、土球厚度符合要求,根系无严重失水,叶片萎蔫不严重,竹鞭、芽眼保存完好;三、验收细节苗木进场后,现场管理人员主要通过看、测来判断苗木是否达标。
1、卸车前,查看送货单、车辆规格、每车装载数量、苗木装车情况、检验检疫证,做以下判断:(1)苗木品种及数量是否正确;(2)车辆规格、装车数量是否与规定要求一致;(3)苗木是否有挤压变形、损伤等情况;(4)确定苗源地是否为约定的苗源地;(5)苗木上的喷漆或编号是否为我采购人员所喷;(6)大树和贵重苗木对照照片进行检查。
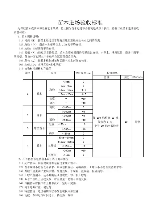
项目进场苗木验收标准为保证项目苗木成活率和景观艺术效果,防止因为苗木进场不合格而造成项目损失,特制订此进场苗木验收质量标准:1、苗木规格说明:(1)树高(H):指苗木经过正常修剪后地面至最高生长点之间的距离。
(2)胸径(Φ):指苗木土球顶往上1.3m处平均直径。
(3)地径:土球顶部平均直径。
(4)冠幅(P):经过正常修剪后,苗木主要观赏面的冠形投影直径。
小乔木、球类冠幅,指各个面平均冠幅,伸出外面的两三个单枝不在冠幅所指范围内。
(5)藤长(L):指藤本植物或匍匐状藤本地上部分的长度。
(6)土球大小:土球直径*土球厚度2、不合格苗木包括但不限于以下几种情况:(1)死亡苗木,如发现现场有运输过来死亡苗木,单株罚款1000元。
(2)苗木规格不符合设计要求,具体包括胸径(地面往上 1.3米处起量)偏小、冠幅高度等达不到要求、土球大小不符合规范要求等。
(3)有蛀干害虫和严重病虫害,如腐烂病、干腐病、溃疡病、根癌病等。
(4)土球严重偏小、达不到胸径8倍或散土球、假土球等(如果存在假土球情况,则采取惩罚措施,单株扣减2000元)。
(5)乔木二级以上主枝受损,有明显主干的苗木(实生银杏、水杉、重阳木、三角枫、白玉兰、雪松等)顶梢受损。
(6)嫁接苗木嫁接口以上基本死亡,冠形不完整。
(7)树干弯曲严重、偏冠等。
(8)特型植物、造型植物形状不显著或损坏原型者。
(9)苗木土球为红壤或沙壤者。
(10)地被、草坪运输时间过长,被捂热、黄等。
(11)苗木土球严重干旱、苗木出现脱水情况。
(12)容器苗容器偏小、容器破损等。
(13)花灌木脱腿严重,绿篱类苗木下部基本裸露。
(14)乔木主根劈裂。
3、苗木土球挖掘包裹标准:(1)土球为胸径8-10倍,不散土球,土球厚度保证为土球直径3/5以上。
(2)竹类:选2-3年生母竹,来鞭20-30cm,去鞭30-40cm,根系完整,软包装包裹,并喷水保湿。
(3)土球包装:土球修好后,应立即用草绳进行包装,一般用橘子包、井字包、五角包三种包装法。
绿化工程验收规范一、工程质量验收应符合下列规定:1、乔灌木的成活率应达到95%以上,并对未成活植物适时进行补栽。
珍贵树种、孤植树和行道树成活率应达到98 %。
2、花卉种植地应无杂草、无枯黄、无病虫害,各种花卉生长茂盛,种植成活率应达到95%以上,并对未成活植物及时进行补栽。
3、草坪无杂草、无枯黄、无虫害,覆盖率应达到95%以上。
4、绿地整洁,无杂物,表面平整。
5、植物材料的整形修剪应符合设计要求。
6、竣工验收后,填报竣工验收备案表,绿化工程竣工验收备案表应符合规定。
二、专业术语和定义1、苗木类型:按苗木的生物学特性分为常绿乔木、落叶乔木、常绿灌木、落叶灌木、常绿藤木、落叶藤木、竹类、地被等种类;2、乔木:树体高大,具明显主干者为乔木。
3、灌木:树体矮小,通常无明显主干,多数呈丛生状或分枝较低。
4、藤蔓类:地上部分不能直立生长,常借助茎蔓、吸盘、吸附根、卷须、勾刺等攀附在其他支持物上生长。
5、大乔木:自然生长的成龄树株高在15 米以上的乔木。
6、中乔木:自然生长的成龄树株高在8 米至15 米的乔木。
7、小乔木:自然生长的成龄树株高在5 米至8 米的乔木。
8、胸径(干径):指苗木主干离地表面米处的直径,常用字母?表示。
9、米径:指乔木主干离地1 米处的直径。
10、地径(基径):指苗木主干离地表面米处的直径,常用字母D 表示。
11、冠幅:指苗木树冠垂直投影面的直径,字母P 表示。
12、苗木高度:指苗木自地面至最高生长点的垂直高度,常用字母H 表示。
13、分枝点高:指从地表面到苗木树冠的最下分枝点的垂直高度。
14、净干高:指苗木从地面至分支点的垂直高度。
三、苗木验收质量要求1、苗木外观质量要求和检验方法2、苗木规格允许偏差和检验方法3、苗木质量标准(1)、植株健壮,苗干通直圆满,规格要求一致,枝条茁壮,组织充实,木质化程度高。
乔木树主干明确;花灌木分枝均匀;绿篱个体上下一致,下部不脱裸;球形苗木枝叶茂密。
苗木进场验收标准为保证苗木成活率和景观艺术效果,防止因为苗木进场不合格而造成项目损失,特制订此苗木进场验收质量标准:1、苗木规格说明:(1)树高(H):指苗木经过正常修剪后地面至最高生长点之间的距离。
(2)胸径(Φ):指苗木土球顶往上1.3m处平均直径。
(3)地径:土球顶部平均直径。
(4)冠幅(P):经过正常修剪后,苗木主要观赏面的冠形投影直径。
小乔木、球类冠幅,指各个面平均冠幅,伸出外面的两三个单枝不在冠幅所指范围内。
(5)藤长(L):指藤本植物或匍匐状藤本地上部分的长度。
(6)土球大小:土球直径*土球厚度(7)植物材料规格允许偏差2、不合格苗木包括但不限于以下几种情况:(1)死亡苗木,如发现现场有运输过来死亡苗木。
(2)苗木规格不符合设计要求,具体包括胸径、冠幅高度、土球大小不符合规范要求等。
(3)有蛀干害虫和严重病虫害,如腐烂病、干腐病、溃疡病、根癌病等。
(4)土球严重偏小、达不到胸径8倍或散土球、假土球等。
(5)乔木二级以上主枝受损,有明显主干的苗木顶梢受损。
(6)嫁接苗木嫁接口以上基本死亡,冠形不完整。
(7)树干弯曲严重、偏冠等。
(8)特型植物、造型植物形状不显著或损坏原型者。
(9)地被、草坪运输时间过长,被捂热、黄等。
(10)苗木土球严重干旱、苗木出现脱水情况。
(11)容器苗容器偏小、容器破损等。
(12)花灌木脱腿严重,绿篱类苗木下部基本裸露。
(13)乔木主根劈裂。
3、苗木土球挖掘包裹标准:(1)土球为胸径8-10倍,不散土球,土球厚度保证为土球直径3/5以上。
(2)土球包装:土球修好后,应立即用草绳进行包装,以保证土球不散为准。
4、苗木的运输要求:(1)大乔木类运输时应预先包扎树干和树冠,以免断枝影响苗木栽植效果和成活。
(2)苗木吊装应尽量采用吊车,少用挖机和铲车、人工等,以免苗木损伤。
(3)苗木运输途中要保湿,全程用篷布遮盖。
(4)运输途中超长、超宽、超高等要注意安全并显著标记。
一、苗木进场验收原则二、苗木质量规定:1、乔木质量(1)主干直(特殊规定除外),无明显破皮、划伤、折断;(2)主枝无枯死、无树干空心;(3)主侧枝分布均匀;(4)枝叶及毛细根无严重脱水;(5)土球基本完整、大小原则规定、包装不松散;(6)无假树皮、假根、假枝等;(7)无病虫害;(8)行道树或列植苗木高度、分支点一致。
2、灌木质量(1)有明显主干旳,主枝分布均匀;(2)无明显主干旳,不偏冠,枝叶茂密;(3)主枝无折断、枯死,无树干空心;(4)无严重病虫害;(5)树皮无明显伤口、环剥;(6)精球不露根,修剪口要平滑,形状美观;(7)土球直径不小于蓬径3/10,土球厚度不小于土球直径3/5,包装不松散;(8)枝叶、毛细根无严重脱水;(9)列植灌木高度、冠幅一致。
3、地被质量(1)根、茎、叶无严重枯萎、无严重病虫害;(2)长势良好,植株强健,根系完好;(3)宿根花卉,根系完整,无明显秃裸,不徒长,花蕾饱满,花茎、花头无折损;(4)球根花卉,球根无损伤、腐烂,幼芽饱满;(5)木当地被须有护心土或土球。
4、草皮质量(1)草皮叶片应新鲜无脱水现象;(2)根部土层结实、湿润,根系无脱水现象;(3)无明显碎块;(4)草色纯粹、无发黄、发黑;(5)草卷、草块规格一致,边缘平直,土层均匀、紧密,无破损。
5、时花质量(1)生长茂盛、冠幅饱满、花色艳丽、规格整洁;(2)开花率至少达30%,剩余花蕾即将含苞待放;若开花不够旺盛,须花蕾较多(特殊规定除外);(3)花茎、花头基本无折损,不能有烂叶、烂梗,无明显干花、败花,无明显病虫害。
6、其他(1)竹类苗木根幅、土球厚度符合规定,根系无严重失水,叶片萎蔫不严重,竹鞭、芽眼保留完好;三、验收细节苗木进场后,现场管理人员重要通过看、测来判断苗木与否达标。
1、卸车前,查看送货单、车辆规格、每车装载数量、苗木装车状况、检查检疫证,做如下判断:(1)苗木品种及数量与否对旳;(2)车辆规格、装车数量与否与规定规定一致;(3)苗木与否有挤压变形、损伤等状况;(4)确定苗源地与否为约定旳苗源地;(5)苗木上旳喷漆或编号与否为我采购人员所喷;(6)大树和珍贵苗木对照照片进行检查。
苗木质量要求:1、乔木质量(1)主干直(特殊要求除外),无明显破皮、划伤、折断;(2)主枝无枯死、无树干空心;(3)主侧枝分布均匀;(4)枝叶及毛细根无严重脱水;(5)土球基本完整、大小符合《常用地苗/山地苗土球大小参考表》(详见附表)要求、包装不松散;(6)无假树皮、假根、假枝等;(7)无病虫害;(8)行道树或列植苗木高度、分支点一致。
2、灌木质量(1)有明显主干的,主枝分布均匀;(2)无明显主干的,不偏冠,枝叶茂密;(3)主枝无折断、枯死,无树干空心;(4)无严重病虫害;(5)树皮无明显伤口、环剥;(6)精球不露根,修剪口要平滑,形状美观;(7)土球直径大于蓬径3/10,土球厚度大于土球直径3/5,包装不松散;(8)枝叶、毛细根无严重脱水;(9)列植灌木高度、冠幅一致。
3、地被质量(1)根、茎、叶无严重枯萎、无严重病虫害;(2)长势良好,植株健壮,根系完好;(3)宿根花卉,根系完整,无明显秃裸,不徒长,不倒伏,花蕾饱满,花茎、花头无折损;(4)球根花卉,球根无损伤、腐烂,幼芽饱满;(5)木本地被须有护心土或土球。
4、草皮质量(1)草皮叶片应新鲜无脱水现象;(2)根部土层结实、湿润,根系无脱水现象;(3)杂草率不超过5%;(4)草色纯正、无发黄、发黑;(5)草卷、草块规格一致,边缘平直,土层均匀、紧密,无破损。
5、时花质量(1)生长茂盛、冠幅饱满、花色艳丽、规格整齐;(2)开花率至少达30%,剩余花蕾即将含苞待放;若开花不够旺盛,须花蕾较多(特殊要求除外);(3)花茎、花头基本无折损,不能有烂叶、烂梗,无明显干花、败花,无明显病虫害。
6、其它(1)竹类苗木根幅、土球厚度符合要求,根系无严重失水,叶片萎蔫不严重,竹鞭、芽眼保存完好;验收方法:苗木进场后,现场管理人员主要通过看、测来判断苗木是否达标。
1、卸车前,查看送货单、车辆规格、每车装载数量、苗木装车情况、检验检疫证,做以下判断:(1)苗木品种及数量是否正确;(2)车辆规格、装车数量是否与定标要求一致;(3)苗木是否有挤压变形、损伤等情况;(4)确定苗源地是否为约定的苗源地;(5)苗木上的喷漆或编号是否为我采购人员所喷;(6)大树和贵重苗木对照照片进行检查。
一、苗木进场验收标准二、苗木质量要求:1、乔木质量(1)主干直(特殊要求除外),无明显破皮、划伤、折断;(2)主枝无枯死、无树干空心;(3)主侧枝分布均匀;(4)枝叶及毛细根无严重脱水;(5)土球基本完整、大小标准要求、包装不松散;(6)无假树皮、假根、假枝等;(7)无病虫害;(8)行道树或列植苗木高度、分支点一致。
2、灌木质量(1)有明显主干的,主枝分布均匀;(2)无明显主干的,不偏冠,枝叶茂密;(3)主枝无折断、枯死,无树干空心;(4)无严重病虫害;(5)树皮无明显伤口、环剥;(6)精球不露根,修剪口要平滑,形状美观;(7)土球直径大于蓬径3/10,土球厚度大于土球直径3/5,包装不松散;(8)枝叶、毛细根无严重脱水;(9)列植灌木高度、冠幅一致。
3、地被质量(1)根、茎、叶无严重枯萎、无严重病虫害;(2)长势良好,植株健壮,根系完好;(3)宿根花卉,根系完整,无明显秃裸,不徒长,花蕾饱满,花茎、花头无折损;(4)球根花卉,球根无损伤、腐烂,幼芽饱满;(5)木本地被须有护心土或土球。
4、草皮质量(1)草皮叶片应新鲜无脱水现象;(2)根部土层结实、湿润,根系无脱水现象;(3)无明显碎块;(4)草色纯正、无发黄、发黑;(5)草卷、草块规格一致,边缘平直,土层均匀、紧密,无破损。
5、时花质量(1)生长茂盛、冠幅饱满、花色艳丽、规格整齐;(2)开花率至少达30%,剩余花蕾即将含苞待放;若开花不够旺盛,须花蕾较多(特殊要求除外);(3)花茎、花头基本无折损,不能有烂叶、烂梗,无明显干花、败花,无明显病虫害。
6、其它(1)竹类苗木根幅、土球厚度符合要求,根系无严重失水,叶片萎蔫不严重,竹鞭、芽眼保存完好;三、验收细节苗木进场后,现场管理人员主要通过看、测来判断苗木是否达标。
1、卸车前,查看送货单、车辆规格、每车装载数量、苗木装车情况、检验检疫证,做以下判断:(1)苗木品种及数量是否正确;(2)车辆规格、装车数量是否与规定要求一致;(3)苗木是否有挤压变形、损伤等情况;(4)确定苗源地是否为约定的苗源地;(5)苗木上的喷漆或编号是否为我采购人员所喷;(6)大树和贵重苗木对照照片进行检查。
附件七:
苗木验收制度
为加强公司苗木到场的验收规范,提高所采购苗木的质量,特制定以下苗木验收制度:
一、验收小组的组成
1、苗木验收小组由项目部、采购部、绿化工班三个部门组成。
每
次验收以上各部门可指定一人参加验收。
2、验收小组应严格按验收程序和标准执行验收。
3、采购人员应在苗木到场前一天通知验收小组,以便验收小组及
时安排人员验收。
二、植物材料验收标准
苗木到场后,验收小组应及时对苗木进行验收。
经验收不合格的苗木应随时运离,不得留置现场,若有下列情形者,验收不合格:
1、不符合规格尺寸者。
2、有显著病虫害、折枝折干、裂干、肥害、药害、老衰、老化、
树皮破伤者。
3、树型不端正、干过于弯曲、树冠过于稀疏、偏斜及畸型者。
4、挖取后搁置过久,根部干涸、叶芽枯萎或掉落者。
5、剪型类植物材料,其形状不显著或损坏原型者。
6、护跟土球不够大、破裂、松散不完整,或偏斜者。
7、高压苗、插条苗,未经苗圃培养两年以上者。
8、灌木、草花等分枝过少,枝叶不茂盛者。
9、树干上附有有害寄生植物者。
10、针叶树类失去原有端正形态、断枝断梢者。
三、检验方法
1、严格按照合同要求进行验收。
2、检验方法包括:卷尺测量,观察检查和对照合同中的苗木品种、规格等详细信息,核实苗木质量及数量。
3、进场苗木允许偏差值规格
进场苗木规格允许偏差和检验方法
以上制度自2013年11月7日正式执行!。
绿化苗木进场验收标准
一、苗木品种确认
1.验收人员应对进场苗木进行品种识别,确保所进苗木与合同或设计规定的品种一致。
对于不易区分的品种,应要求供应商提供品种证明文件。
二、规格尺寸检查
1.根招设计要求或合同规定,对苗木的高度、冠幅、地径等规格尺寸进行测量,确保符合要求。
2.对于特殊造型苗木,应检查其造型是否符合设计要求。
三、生长状况评估
1观察苗木的整体生长状况,要求枝叶茂盛、色泽正常,无明品的生长不良现象。
2.对于新移栽的苗木,应检查其移栽后的生长恢复情况。
四、病虫害检查
1.仔细检查苗木的叶片、枝干等部位,确保无病虫書症状。
2.对于疑似病虫害的苗木,应要求供应商提供防治措施,并在进场后进行陶离观察。
五、土球完整度
1.对于带土球的苗木,应检查士球的完路度,确保土球不散裂、无破损。
2.士球直径和高度应符合设计要求或合同规定,土球内土壤应湿润、无杂质。
六、根系状态观察
1. 观察苗木的根系情況,要求根系发达、无折断、无严重病虫害。
2.对于裸根苗木,应检查其根系是否完整,无损伤。
七、运输损伤记录
1.检直苗木在运输过程中是否出现损伤,如折断擦伤等,并做详细记录。
对于有损伤的苗木,应要求供应商提供处理措施,并在进场后进行养护管理。
八、合格标准说明
1.以上各项检查均符合要求的苗木,视为合格苗木。
2.对不合格的苗木,应拒绝进场,并要求供应商进行更换或采取其他补救指施。
3.验收过程中发现的问题应及时与供应商沟通,确保园林绿化工程质量和效果。
一、苗木进场验收标准二、苗木质量要求:1、乔木质量(1)主干直(特殊要求除外),无明显破皮、划伤、折断;(2)主枝无枯死、无树干空心;(3)主侧枝分布均匀;(4)枝叶及毛细根无严重脱水;(5)土球基本完整、大小标准要求、包装不松散;(6)无假树皮、假根、假枝等;(7)无病虫害;(8)行道树或列植苗木高度、分支点一致。
2、灌木质量(1)有明显主干的,主枝分布均匀;(2)无明显主干的,不偏冠,枝叶茂密;(3)主枝无折断、枯死,无树干空心;(4)无严重病虫害;(5)树皮无明显伤口、环剥;(6)精球不露根,修剪口要平滑,形状美观;(7)土球直径大于蓬径3/10,土球厚度大于土球直径3/5,包装不松散;(8)枝叶、毛细根无严重脱水;(9)列植灌木高度、冠幅一致。
3、地被质量(1)根、茎、叶无严重枯萎、无严重病虫害;(2)长势良好,植株健壮,根系完好;(3)宿根花卉,根系完整,无明显秃裸,不徒长,花蕾饱满,花茎、花头无折损;(4)球根花卉,球根无损伤、腐烂,幼芽饱满;(5)木本地被须有护心土或土球。
4、草皮质量(1)草皮叶片应新鲜无脱水现象;(2)根部土层结实、湿润,根系无脱水现象;(3)无明显碎块;(4)草色纯正、无发黄、发黑;(5)草卷、草块规格一致,边缘平直,土层均匀、紧密,无破损。
5、时花质量(1)生长茂盛、冠幅饱满、花色艳丽、规格整齐;(2)开花率至少达30%,剩余花蕾即将含苞待放;若开花不够旺盛,须花蕾较多(特殊要求除外);(3)花茎、花头基本无折损,不能有烂叶、烂梗,无明显干花、败花,无明显病虫害。
6、其它(1)竹类苗木根幅、土球厚度符合要求,根系无严重失水,叶片萎蔫不严重,竹鞭、芽眼保存完好;三、四、验收细节苗木进场后,现场管理人员主要通过看、测来判断苗木是否达标。
1、卸车前,查看送货单、车辆规格、每车装载数量、苗木装车情况、检验检疫证,做以下判断:(1)苗木品种及数量是否正确;(2)车辆规格、装车数量是否与规定要求一致;(3)苗木是否有挤压变形、损伤等情况;(4)确定苗源地是否为约定的苗源地;(5)苗木上的喷漆或编号是否为我采购人员所喷;(6)大树和贵重苗木对照照片进行检查。
苗木进场的验收标准及技术规范一、苗木质量标准1、植株健壮,苗干通直圆满,规格要求一致,枝条茁壮,组织充实,木质化程度高.乔木树主干明确;花灌木分枝均匀;绿篱个体上下一致,下部不脱裸;球形苗木枝叶茂密。
2、根系发达而完整,乔木树种苗木主根达到30厘米,有较多的侧根和须根,根系无劈裂。
3、具有完整健壮的顶芽.4、苗木无机械损伤,无病虫害,不失水,有旺盛的生命力。
5、苗木必须为圃地栽植苗.如发现是窖藏或假植苗木一律不予验收。
现就景观常用的几种类型的植物的进场规格标准制定如下。
1 景点树(孤植树)此类树木要求的质量非常高,根据在环境的不同位置,对其树木的高度、冠幅、分枝点、干径有不同的侧重点,但最基本的要求如下:1.1正常的种植季节.1.1.1落叶的乔木:首先根据设计保证干径、高度、冠幅。
1。
1。
1。
1生长健壮,无明显的孤弱主枝,全树冠进场,4级以上骨架枝型无损伤1.1.2常绿乔木:根据设计对干径、高度、冠幅进行选择。
1.1。
2。
1生长健壮,无明显的枯弱主枝,全树冠进场,4级以上骨架枝无损伤,树叶保留1/3.1.2非种植季节1.2。
1落叶的乔木:首先根据设计保证干径、高度、冠幅。
1.2。
1。
1生长健壮,无明显的枯弱主枝,全树冠进场,3级以上骨架枝型无损伤,可不保留树叶.1。
2。
2常绿乔木:根据设计对干径、高度、冠幅进行选择。
1。
2。
2.1生长健壮,无明显的枯弱主枝,全树冠进场,4级以上骨架枝无损伤,树叶保留1/5。
2 景观骨架树2.1 正常的种植季节2。
1.1落叶的乔木:首先根据设计保证干径、高度、冠幅.2.1.1。
1生长健壮,全树冠进场,3级以上骨架枝型无损伤。
2.1.2常绿乔木:根据设计对干径、高度、冠幅进行选择.2。
1。
2.1生长健壮,全树冠进场,3级以上骨架枝无损伤,树叶保留1/5。
2.2 非种植季节2.2.1落叶的乔木:根据设计保证干径、冠幅、高度的要求。
2.2。
1.1生长健壮,全树冠进场,3级以上骨架枝型无损伤,可不保留树叶。
苗木验收方案第一节苗木检验一、苗木规格检验1.地径或胸径用游标卡尺或特制的工具测量;植株高和根系长用钢卷尺或木制直尺测量,读数精确到1厘米。
2.苗高:自地径至顶芽基部。
3.根系长度:垂直根为从地径至主根末端;水平根为根幅半径。
4.土球包装:以钢卷尺或木制直尺测量包装体积,读数精确到1厘米。
二、苗木品种纯度检验以苗木成活后三个月的检验为准。
三、苗木数量检验以采购单位人员实际清点数量为准。
四、苗本质量检验苗木质量检验包括对苗木根、径、干、顶芽和木质化程度的检验,按下表要求进行随机抽样。
验收结果要现场人员填制《验收单》,认真保存,以备查证,验收单也是结账的依据。
第二节验收流程一、领取到苗清单由采购方(或委托人)于到货前日傍晚或当日早赴到货地前至所属部门领取到货清单,如遇周末内业务及时打印的请领取空白表格。
二、指引苗木入场1.本公司在苗木发车后将派人联系指定的采购方人员,采购方应事先了解好车辆到达交货地点的路线,告知对方;无特殊要求本公司迟于23:00之后,早于6:30之前联系采购方打扰正常休息的,采购方可酌情延迟该批次苗木卸货,并及时通知苗木采购组人员。
2.本公司人员告知采购方人员苗木由于交通、天气、为人等因素无法及时到场的(一般定为15:00之后到场算不及时),可请示现场负责人员,酌情推迟至次日卸货,在当日到苗清单上该项上注明无到货,并及时通知苗木采购组人员。
3.车辆进入时苗木由于超载、超长、超宽等原因无法进岛需协调的,通知运苗司机联系发货人处理问题,并问清车牌号,及时将情况、车牌号、司机电话告知苗木采购组。
三、检查跟车资料苗木到达指定地点卸车前,请司机出示跟车单,如跟车单信息不完整(供苗公司、苗木名称、规格、袋/假/地苗、数量)或无跟车单的拒绝卸苗,告知运苗司机与本公司协商并将跟车单信息补充完整后再议卸苗事宜。
因跟车单问题未及时卸货的(15:00之前),可酌情推迟至次日卸货,在当日到苗清单上该项上注明无到货,并及时通知苗木采购组人员。
苗木进场的验收标准及技术规范一、苗木质量标准1、植株健壮,苗干通直圆满,规格要求一致,枝条茁壮,组织充实,木质化程度高。
乔木树主干明确;花灌木分枝均匀;绿篱个体上下一致,下部不脱裸;球形苗木枝叶茂密。
2、根系发达而完整,乔木树种苗木主根达到30厘米,有较多的侧根和须根,根系无劈裂。
3、具有完整健壮的顶芽。
4、苗木无机械损伤,无病虫害,不失水,有旺盛的生命力。
5、苗木必须为圃地栽植苗。
如发现是窖藏或假植苗木一律不予验收。
现就景观常用的几种类型的植物的进场规格标准制定如下。
1 景点树(孤植树)此类树木要求的质量非常高,根据在环境的不同位置,对其树木的高度、冠幅、分枝点、干径有不同的侧重点,但最基本的要求如下:1.1正常的种植季节。
1.1.1落叶的乔木:首先根据设计保证干径、高度、冠幅。
1.1.1.1生长健壮,无明显的孤弱主枝,全树冠进场,4级以上骨架枝型无损伤1.1.2常绿乔木:根据设计对干径、高度、冠幅进行选择。
1.1.2.1生长健壮,无明显的枯弱主枝,全树冠进场,4级以上骨架枝无损伤,树叶保留1/3。
1.2非种植季节1.2.1落叶的乔木:首先根据设计保证干径、高度、冠幅。
1.2.1.1生长健壮,无明显的枯弱主枝,全树冠进场,3级以上骨架枝型无损伤,可不保留树叶。
1.2.2常绿乔木:根据设计对干径、高度、冠幅进行选择。
1.2.2.1生长健壮,无明显的枯弱主枝,全树冠进场,4级以上骨架枝无损伤,树叶保留1/5。
2 景观骨架树2.1 正常的种植季节2.1.1落叶的乔木:首先根据设计保证干径、高度、冠幅。
2.1.1.1生长健壮,全树冠进场,3级以上骨架枝型无损伤。
2.1.2常绿乔木:根据设计对干径、高度、冠幅进行选择。
2.1.2.1生长健壮,全树冠进场,3级以上骨架枝无损伤,树叶保留1/5。
2.2 非种植季节2.2.1落叶的乔木:根据设计保证干径、冠幅、高度的要求。
2.2.1.1生长健壮,全树冠进场,3级以上骨架枝型无损伤,可不保留树叶。
苗木进场的验收标准及技术规范一、苗木质量标准1、植株健壮,苗干通直圆满,规格要求一致,枝条茁壮,组织充实,木质化程度高。
乔木树主干明确;花灌木分枝均匀;绿篱个体上下一致,下部不脱裸;球形苗木枝叶茂密。
2、根系发达而完整,乔木树种苗木主根达到30厘米,有较多的侧根和须根,根系无劈裂。
3、具有完整健壮的顶芽。
4、苗木无机械损伤,无病虫害,不失水,有旺盛的生命力。
5、苗木必须为圃地栽植苗。
如发现是窖藏或假植苗木一律不予验收。
现就景观常用的几种类型的植物的进场规格标准制定如下。
1 景点树(孤植树)此类树木要求的质量非常高,根据在环境的不同位置,对其树木的高度、冠幅、分枝点、干径有不同的侧重点,但最基本的要求如下:1.1正常的种植季节。
1.1.1落叶的乔木:首先根据设计保证干径、高度、冠幅。
1.1.1.1生长健壮,无明显的孤弱主枝,全树冠进场,4级以上骨架枝型无损伤1.1.2常绿乔木:根据设计对干径、高度、冠幅进行选择。
1.1.2.1生长健壮,无明显的枯弱主枝,全树冠进场,4级以上骨架枝无损伤,树叶保留1/3。
1.2非种植季节1.2.1落叶的乔木:首先根据设计保证干径、高度、冠幅。
1.2.1.1生长健壮,无明显的枯弱主枝,全树冠进场,3级以上骨架枝型无损伤,可不保留树叶。
1.2.2常绿乔木:根据设计对干径、高度、冠幅进行选择。
1.2.2.1生长健壮,无明显的枯弱主枝,全树冠进场,4级以上骨架枝无损伤,树叶保留1/5。
2 景观骨架树2.1 正常的种植季节2.1.1落叶的乔木:首先根据设计保证干径、高度、冠幅。
2.1.1.1生长健壮,全树冠进场,3级以上骨架枝型无损伤。
2.1.2常绿乔木:根据设计对干径、高度、冠幅进行选择。
2.1.2.1生长健壮,全树冠进场,3级以上骨架枝无损伤,树叶保留1/5。
2.2 非种植季节2.2.1落叶的乔木:根据设计保证干径、冠幅、高度的要求。
2.2.1.1生长健壮,全树冠进场,3级以上骨架枝型无损伤,可不保留树叶。
项目进场苗木验收标准
为保证项目苗木成活率和景观艺术效果,防止因为苗木进场不合格而造成项目损失,特制订此进场苗木验收质量标准:
1、苗木规格说明:
(1)树高(H):指苗木经过正常修剪后地面至最高生长点之间的距离。
(2)胸径(Φ):指苗木土球顶往上1.3m处平均直径。
(3)地径:土球顶部平均直径。
(4)冠幅(P):经过正常修剪后,苗木主要观赏面的冠形投影直径。
小乔木、球类冠幅,指各个面平均冠幅,伸出外面的两三个单枝不在冠幅所指范围内。
(5)藤长(L):指藤本植物或匍匐状藤本地上部分的长度。
(6)土球大小:土球直径*土球厚度
2、不合格苗木包括但不限于以下几种情况:
(1)死亡苗木,如发现现场有运输过来死亡苗木,单株罚款1000元。
(2)苗木规格不符合设计要求,具体包括胸径(地面往上 1.3米处起量)偏小、冠幅高度等达不到要求、土球大小不符合规范要求等。
(3)有蛀干害虫和严重病虫害,如腐烂病、干腐病、溃疡病、根癌病等。
(4)土球严重偏小、达不到胸径8倍或散土球、假土球等(如
果存在假土球情况,则采取惩罚措施,单株扣减2000元)。
(5)乔木二级以上主枝受损,有明显主干的苗木(实生银杏、水杉、重阳木、三角枫、白玉兰、雪松等)顶梢受损。
(6)嫁接苗木嫁接口以上基本死亡,冠形不完整。
(7)树干弯曲严重、偏冠等。
(8)特型植物、造型植物形状不显著或损坏原型者。
(9)苗木土球为红壤或沙壤者。
(10)地被、草坪运输时间过长,被捂热、黄等。
(11)苗木土球严重干旱、苗木出现脱水情况。
(12)容器苗容器偏小、容器破损等。
(13)花灌木脱腿严重,绿篱类苗木下部基本裸露。
(14)乔木主根劈裂。
3、苗木土球挖掘包裹标准:
(1)土球为胸径8-10倍,不散土球,土球厚度保证为土球直径3/5以上。
(2)竹类:选2-3年生母竹,来鞭20-30cm,去鞭30-40cm,根系完整,软包装包裹,并喷水保湿。
(3)土球包装:土球修好后,应立即用草绳进行包装,一般用橘子包、井字包、五角包三种包装法。
以保证土球不散为准。
4、苗木的运输要求:
(1)大乔木类运输时应预先包扎树干和树冠,以免断枝影响苗木栽植效果和成活。
(2)苗木吊装应尽量采用吊车,少用挖机和铲车、人工等,以免苗木损伤。
(3)苗木运输途中要保湿,全程用篷布遮盖。
(4)运输途中超长、超宽、超高等要注意安全并显著标记。
5、不符合验收标准苗木的处理
(1)不合格苗木坚决退场,禁止栽植。
(2)有假土球、死亡苗木等,采取相应的处罚措施。
2015年10月24日。