有限空间安全风险等级辨识台账
- 格式:docx
- 大小:10.48 KB
- 文档页数:3
1
*****有限公司
有限空间作业管理台帐
(共计 处,其中五分厂电解槽有 处)
*****有限空间台账目录
单位: **** 【有限空间共 个】
序号
车间
有限空间名称
及数量
存在区域或位置
主要危险有害因素
防范控制措施
1 底 吹 炉
锅炉 20米平台 含铅粉尘、高温、缺氧、硫气、坠落、刮板误启 劳保齐全、作业票、进入前检测、监护人、降温、强制通风、安全带、停机挂牌
2 炉膛 2、3层 高温 缺氧 坠物伤人 含铅烟尘
劳保齐全、作业票、进入前检测、监护人、降温、
强制通风、进入前检查炉壁 3
汽包
锅炉顶部
高温、缺氧
劳保齐全、作业票、进入前检测、监护人、降温、
强制通风
2。
造纸厂有限空间安全辨识台账
1、造纸厂有限空间安全辨识台账是对造纸厂有限空间安全管理的重要依据,其内容应包括有限空间的安全设施要求、安全防护措施、紧急撤离措施以及相关的检查要求等内容,确保有限空间工作的安全。
2、有限空间安全辨识台账应包括有限空间的地理息、有限空间设施、作业内容、有限空间工作危险因素、作业人员的安全培训、有限空间安全防护措施、紧急撤离措施以及有限空间工作的检查要求等内容。
二、有限空间安全设施要求
1、有限空间的安全设施要求,应具备安全提醒标识、出入口防护屏、火灾报警器、逃生路灯、安全带等安全设施。
2、有限空间的安全设施要求,应符合国家有关规定,并应根据有限空间工作的特点,采取必要的措施,确保有限空间工作的安全。
三、安全防护措施
1、有限空间的安全防护措施,应采取充足的通风措施,避免因有毒气体、有害气体的积聚而发生中毒事故。
2、有限空间的安全防护措施,应采取有效的照明措施,
保证工作人员在有限空间内的安全工作。
3、有限空间的安全防护措施,应采取有效的安全带措施,保证工作人员在有限空间内安全作业。
四、紧急撤离措施
1、有限空间的紧急撤离措施,应采取安全出口、安全疏散、警报器等措施,避免发生突发事故。
2、有限空间的紧急撤离措施,应定期组织演练,检查紧
急撤离措施的有效性,确保紧急撤离措施可以及时有效地实施。
3、有限空间的紧急撤离措施,应采取有效的安全教育和
培训措施,使工作人员了解有限空间的危险性,掌握紧急撤离措施,确保工作人员能够及时安全撤离。
有限空间辨识管理台帐有限空间辨识管理台帐填表单位:XXX填表时间:2018年3月30日序号有限空间名称或编号所在位置主要危险因素可能事故后果防护措施1 YXKJ-01 硫化氢、甲烷等有毒气体;缺氧中毒、窒息外包安全管理人员应先进行充分的通风换气,再进行氧含量检测,检测合格后方可进入。
作业人员进入后,必须有人员在外部监护,且应有通信设备。
2 YXKJ-02 硫化氢、甲烷等有毒气体;缺氧中毒、窒息外包安全管理人员应先进行充分的通风换气,再进行氧含量检测,检测合格后方可进入。
作业人员进入后,必须有人员在外部监护,且应有通信设备。
3 YXKJ-03 硫化氢、甲烷等有毒气体;缺氧中毒、窒息外包安全管理人员应先进行充分的通风换气,再进行氧含量检测,检测合格后方可进入。
作业人员进入后,必须有人员在外部监护,且应有通信设备。
4 YXKJ-04 硫化氢、甲烷等有毒气体;缺氧中毒、窒息外包安全管理人员应先进行充分的通风换气,再进行氧含量检测,检测合格后方可进入。
作业人员进入后,必须有人员在外部监护,且应有通信设备。
5 YXKJ-05 天然气等有毒气体;缺氧中毒、窒息外包安全管理人员应先进行充分的通风换气,再进行氧含量检测,检测合格后方可进入。
作业人员进入后,必须有人员在外部监护,且应有通信设备。
6 YXKJ-06 硫化氢、甲烷等有毒气体;缺氧中毒、窒息外包安全管理人员应先进行充分的通风换气,再进行氧含量检测,检测合格后方可进入。
作业人员进入后,必须有人员在外部监护,且应有通信设备。
说明:1.作业前应进行充分的通风换气,再进行氧含量检测,检测合格后方可进入有限空间。
2.作业时,每隔15分钟应再进行一次氧含量检测。
3.作业人员进入后,必须有人员在外部监护,且应有通信设备。
有限空间是指进出口受限、通风不良、缺乏氧气或存在有毒气体等危险环境的空间。
在进行有限空间作业时,必须先进行充分的通风换气,再进行氧含量检测,检测合格后方可进入。
公司有限空间辨识台帐
1.“有限空间名称”对照《国家安全监管总局公厅关于吸取事故教训加强工贸企业有限空间作业安全监管的通知》(安监总厅管四(2015)56号)附件中给出的“工贸企业有限空间参考目录”填写。
2.“有限空间类型”填写:①密闭半密闭空间(设备);②地上有限空间;③地下有限空间。
3、“所处位置”一栏应填写该处有限空间存在于企业的具体车间、场所、位置。
4“主要危险有害因素”按照“缺氧- +易燃易爆物质有毒气体+其他危害因素”的步骤进行辨识, 主要包括氧含里不足, 中毒(H2S、CO、PH3等), 存在可燃性气体(CH4、C2H2等)、可燃涉爆粉尘(镁粉、铝粉、木粉、纺织纤维粉等)、触电、淹溺等等。
5.“检则仪器仪表配备情况、应急器材备情况”-栏, 应如实填写已配备的仪器仪表、应急器材的具体名称和数里。
有限空间辨识台帐有限空间辨识台帐序号。
有限空间名称。
可能作业内容。
所处位置。
主要危险因素。
可能的后果防范控制措施1.混合罐。
清洗作业。
混配厂房。
1.进入有限空间无许可审批手续;2.缺氧;3.存在有毒有害气体;4.未使用通风设施或通风不良;5.未设置安全警示标志;6.监护不当;7.未按要求规范佩戴个人防护用品;8.作业结束未进行检查清理。
中毒、窒息。
1.必须培训和执行有限空间作业安全管理制度和作业许可审批;现场有有限空间警示标志;2.作业前对进入的有限空间危险作业进行分析,检查有限空间内部,具备作业条件,进入前进行安全技术交底,作业人员应穿戴好防护用品,3.切断所有与有限空间联系的阀门;4.设备应切断电源,挂“禁止合闸”标牌;5.作业人员挂安全带;6.监护人员随时与设备内取得联系,不得脱离岗位;7.涉及其他危险作业应进行作业许可审批和落实安全措施;8.照明电压≤36V;9.作业结束后,认真检查设备内部,不得遗留工具其他物品。
2.储罐。
清洗作业。
甲乙类罐区、丙戊类罐区。
1.进入有限空间无许可审批手续;2.缺氧;3.存在有毒有害气体;4.未使用通风设施或通风不良;5.未设置安全警示标志;6.监护不当;7.未按要求规范佩戴个人防护用品;8.作业结束未进行检查清理。
中毒、窒息。
1.必须培训和执行有限空间作业安全管理制度和作业许可审批;现场有有限空间警示标志;2.作业前对进入的有限空间危险作业进行分析,检查有限空间内部,具备作业条件,进入前进行安全技术交底,作业人员应穿戴好防护用品,3.切断所有与有限空间联系的阀门;4.设备应切断电源,挂“禁止合闸”标牌;5.作业人员挂安全带;6.监护人员随时与设备内取得联系,不得脱离岗位;7.涉及其他危险作业应进行作业许可审批和落实安全措施;8.照明电压≤36V;9.作业结束后,认真检查设备内部,不得遗留工具其他物品。
3.高纯水罐。
清理作业。
厂房纯水间。
1.进入有限空间无许可审批手续;2.缺氧;3.存在有毒有害气体;4.未使用通风设施或通风不良;5.未设置安全警示标志;6.监护不当;7.未按要求规范佩戴个人防护用品;8.作业结束未进行检查清理。
有限空间作业风险辨识台账企业名称:行业类型:填表说明:1、造纸、酱腌菜生产企业、涉及污水处理系统的工贸企业在“行业类型”应分别对应填写“造纸、酱腌菜、污水处理系统”。
2、.非“造纸、酱腌菜、污水处理系统”企业“行业类型”应填写冶金、有色、建材、机械、轻工、纺织、烟草、商贸八大行业之一。
3、此表盖单位公章上交安监站。
XXXXXXXXXXX有限空间分为四类:(一)密闭设备:如船舱、贮罐、车载槽罐、反应塔(釜)、冷藏箱、压力容器、管道、烟道、锅炉等;(二)地下有限空间:如地下管道、地下室、地下仓库、地下工程、暗沟、隧道、涵洞、地坑、废井、地窖、污水池(井)、沼气池、化粪池、下水道等;(三)地上有限空间:如储藏室、酒糟池、发酵池、垃圾站、温室、冷库、粮仓、料仓等。
(四)冶金企业非标设备:高炉、转炉、电炉、矿热炉、电渣炉、中频炉、混铁炉、煤气柜、重力除尘器、电除尘器、排水器、煤气水封等。
要求:各单位根据有限空间分类,辨识本单位设备设施是否存在有限空间作业,分析其危害及其果,采取相应的安全措施,配齐配全安全设备设施(便携式检测有毒、易爆气体,氧含量等检测仪,空气呼吸器或长管面具)建立健全有限空间作业安全管理制度及操作规程。
园区涉有限空间作业单位:将本单位有限空间作业风险辨识台账,于2018年3月15日前交到宝坻开发区管委会安监站。
XXXXXXXXXXX涉及有限空间作业企业必须具备以下资料和设备:1、工贸企业应当执行有限空间作业审批制度。
2、贸企业应当对本企业的有限空间进行辨识,建立有限空间管理台账。
3、工贸企业应当在有限空间作业场所设置安全警示标志。
4、工贸企业应当对从事有限空间作业的人员进行安全培训。
5、工贸企业应当根据有限空间存在危险有害因素的种类和危害程度,为作业人员提供符合国家标准或者行业标准规定的劳动防护用品。
6、工贸企业应当根据本企业有限空间作业的特点,制定应急预案,并定期进行演练。
7、工贸企业将有限空间作业发包给其他单位实施的,应当发包给具备国家规定资质或者安全生产条件的承包方,并与承包方签订专门的安全生产管理协议或者在承包合同中明确各自的安全生产职责。
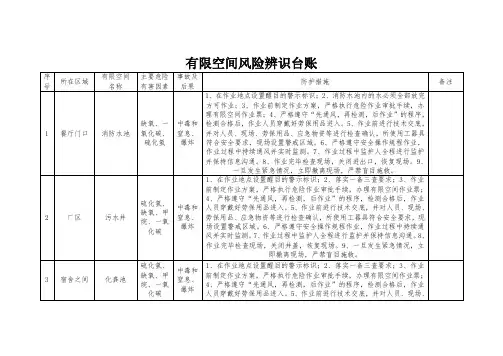
有限空间安全风险等级辨识台账
背景介绍
有限空间是指在建筑物内、管道内、设备内等空间狭小、通风不良、没有足够出口的地方,通常用于进行维护、修理、清洗等作业。
而这
些作业往往会涉及到安全风险,例如窒息、中毒、坠落等意外事故,
因此,对有限空间的安全管理变得至关重要。
辨识有限空间安全风险等级是进行安全管理的第一步,因为只有了
解安全风险等级,才能采取相应的安全措施保障工作者的生命安全。
本文将介绍如何编制有限空间安全风险等级辨识台账。
台账编制步骤
步骤一:确定有限空间的范围
首先需要确定有限空间的范围,包括建筑物内、管道内、设备内等
空间。
需要对这些空间进行一一列举,并编制清单。
步骤二:评估有限空间的安全风险
评估有限空间的安全风险是台账编制的核心步骤。
评估过程中,需
要考虑以下几个方面:
1.有限空间的安全等级
有限空间的安全等级是指在正常情况下,工作人员可以在空间内进
行工作的最高安全等级。
评估时需要综合考虑有限空间的空气质量、
氧气含量、通风设备的状况、可燃性气体的浓度等因素,以确定有限
空间的安全等级。
2.风险因素
有限空间内存在的风险因素包括但不限于:有毒气体、可燃气体、
粉尘、电气设备、震动、高温、高压、低氧等。
评估时需要综合考虑
这些因素对工作人员的安全带来的威胁,以确定风险等级。
3.应急响应方案
在评估时需要制定应急响应方案,以应对空气质量恶化、工作人员
意外受伤等情况。
步骤三:编制台账
根据评估结果,将有限空间的安全等级和风险等级记录在台账中,
同时记录有关资料,例如作业人员的名字、作业时间、作业内容等等。
编制的台账需要固定存档,可随时加以审阅和更新。
台账使用指南
有限空间安全风险等级辨识台账的使用需要遵循以下几点:
1.进行评估前需要对作业人员进行足够的安全培训,以提高
其安全意识和技能。
2.在评估过程中需要严格遵守安全标准和操作规程,同时要
保证评估人员的安全。
3.台账需要反复修改和更新,以保证其信息的准确性和实用
性。
4.在作业前,需要按照台账的信息确定作业安全等级,制定
相应的安全措施,以保障工作人员的安全。
结语
有限空间安全风险等级辨识台账是日常安全管理工作的必备工具,它可以帮助评估工作者的安全风险,从而采取相应的措施加以保障。
编制台账需要全面评估有限空间的安全风险,并记录下相关信息,并且台账需要遵循一定的使用指南,以确保其真正发挥作用。