分光计测透明介质的折射率
- 格式:doc
- 大小:1.55 MB
- 文档页数:3
用分光计测三棱镜折射率的几种方法在普通物理实验中,测定介质材料折射率常用的方法有两类[1]:一类是几何光学的方法,即根据折射定律,通过测定有关角度来得到折射率,如插针作图法、最小偏向法、极限法、位移法、掠入法等。
另一类是物理光学的方法,即根据光波通过介质后,其相位的变化或偏振状态的变化来得到折射率,如布儒斯特角法、干涉法、衍射法等。
本文介绍的方法主要使用的是最小偏向角法、掠入射法、寻找偏向角随入射角变化最大位置的方法测量三棱镜的折射率。
实验主要用到的仪器有分光计,双平面玻璃,毛玻璃,光源为钠灯。
1.分光计的调整[2]为了精确测量角度,必须使待测角平面平行于刻度圆盘平面。
由于制造仪器时已使刻度圆盘平面垂直于中心转轴,因而也必须使待测角平面垂直于中心转轴,为满足此要求,测量前必须对分光计进行调节,以达到三个要求:1)平行光管出射平行光2)望远镜能接受平行光3)经过待测光学元件的光线( 如入射、折射、反射光线等)构成的平面应与仪器的中心转轴垂直,即要求:(a)平行光管光轴垂直于中心转轴(b)望远镜光轴垂直于中心转轴(c)待测元件的光学面应平行于中心转轴为保证这些条件,必须对分光计进行下述调节。
其中尤以望远镜的调节最为重要,其他调节均以望远镜为准。
首先进行目测粗调,使望远镜、平行光管大致位于同一水平线上。
然后对分光计进行精细调节,其先后步骤如下:将双面镜按左图所示方位放置在载物台上。
这样放置是出于这样的考虑:若要调节平面镜的俯仰,只需要调节载物台下的螺丝2a或3a即可,而螺丝1a的调节与平面镜的俯仰无关。
(1)调整望远镜光轴垂直与分光计的中心转轴,使望远镜轴线的回转平面与刻度盘平面平行。
平行光管与望远镜的光轴各代表入射光和出射光的方向。
为了测准角度,必须分别使它们的光轴与刻度盘平行。
刻度盘在制造时已垂直于分光计的中心轴。
因此,当望远镜与分光计的中心轴垂直时,就达到了与刻度盘平行的要求。
具体调整方法为:平面镜仍竖直置于载物台上,使望远镜分别对准平面镜前后两镜面,利用自准法可以分别观察到两个亮十字的反射像。
透明材料折射率的测量方法引言:透明材料的折射率是衡量其光学性质的重要参数,它对于材料的设计和应用具有深远的影响。
本文将介绍一些常见的透明材料折射率测量方法,包括光干涉法、菲涅尔反射法和椭偏法。
光干涉法:光干涉法是一种常用的测量材料折射率的方法。
它基于光的干涉现象,通过测量光波传播过程中产生的干涉图样,推导出材料的折射率。
光干涉法可分为两种主要类型:驻波法和干涉仪法。
驻波法是一种相对简单的光干涉法,它利用平行光束在透明材料中反射后形成的驻波图样,通过测量驻波图样的空间周期和波长,计算出材料的折射率。
这种方法通常需要对样品进行精细加工和反射镀膜处理,以保证光束的平行性和表面的反射特性。
干涉仪法是一种更为精确和全面的光干涉测量方法。
其原理基于干涉仪的构造和运行机制,利用干涉图样的变化来推导出材料的折射率。
常见的干涉仪包括马赫-曾德尔干涉仪和迈克耳孙干涉仪。
建立在光学干涉理论基础上的这些仪器,可以实现高精度和高分辨率的折射率测量。
菲涅尔反射法:菲涅尔反射法是另一种常用的测量透明材料折射率的方法,它利用菲涅尔反射定律来推导出材料的折射率。
该定律指出,入射角和折射角之间的关系可以通过测量反射光的强度来确定。
菲涅尔反射法通常使用自由空间中的平行光束照射到透明材料的表面上,利用反射光和入射光之间的相位差和反射系数的关系,计算出材料的折射率。
这种方法适用于各种透明材料,包括固体、液体和气体。
椭偏法:椭偏法是一种用于测量透明材料折射率的非常灵活和准确的方法。
它基于光在透明介质中的传播速度与材料折射率之间的关系,通过测量光波在材料中的相位差来计算出折射率。
椭偏法主要利用椭偏仪和相位差测量装置进行实验。
椭偏仪通过旋转极化片和检偏片,将入射光转换为线偏振光,并测量光波的偏振状态。
相位差测量装置则用于测量光波在透明材料中传播的相位差,进而计算出折射率。
这种方法适用于各种类型的透明材料,包括有机材料、无机材料和复合材料。
总结:透明材料的折射率测量是光学研究和应用中的基础工作之一。
分光计的调节及棱镜折射率的测定物理学院华远杰实验目的1.了解分光计的构造,掌握分光计的调节和使用方法;2.掌握测量棱镜顶角的方法;3.用最小偏向角法测定棱镜玻璃的折射率。
仪器和用具分光计、平面反射镜、玻璃三棱镜、钠灯等。
实验原理A.分光计的调节分光计的调节分以下三个部分:目镜、载物台、准直管。
通过旋转目镜末端的旋钮来调整目镜的焦距从而使叉丝变得清晰,伸缩目镜使视野中绿色十字变得清晰而明亮。
通过调节载物台上的三颗螺丝使载物台初步调平,将平面反射镜轻放在载物台上,使得平面反射镜所在平面与其中两颗螺丝的连线垂直,同时调节这两颗螺丝和目镜上的调节倾斜度的螺丝,使得绿色十字与目镜的调整叉丝重合,之后将载物台连同平面反射镜一起旋转180度,再次调整绿色十字位置,使之与调整叉丝再次重合,继续旋转180度,重复上述操作直至两次绿色十字都与调整叉丝重合。
此时,将平面反射镜旋转90度,保持其他两颗螺丝不动,调整原先没有动过的螺丝与目镜的倾斜度调节螺丝,使绿色十字与调整叉丝重合,旋转180度,重复上述操作,直至两边都能使绿色十字与调整叉丝重合。
至此,可认为载物台已经调平。
调节准直管,前后移动单缝使单缝成清晰明亮的像,调节单缝刀片一侧的旋钮,使单缝宽度与针相当,旋转单缝使其与竖直方向的叉丝重合,最后调节准直管上倾斜度调节旋钮,使单缝的像被水平测量叉丝平分。
完成以上步骤,则认为分光计调整完毕。
B.棱镜顶角的测量将棱镜轻放在已调平的载物台上,缓慢旋转棱镜观察目镜视野中是否有绿色十字,若没有,调整载物台高度,直至视野中出现绿色十字。
选取其中一个顶角的两个相邻面,调节目镜的位置,使得绿色十字分别与调整叉丝再次重合,分别记录两次目镜所在的位置,并分别用两个游标测得目镜旋转的角度,这个角度即为棱镜顶角的补角。
C.棱镜玻璃折射率的测定棱镜的折射率可用测定最小偏向角的方法求得。
如下图,光线PO经待测棱镜的两次折射后,沿O‘P’方向射出时产生的偏向角为δ。
分光计测折射率实验报告分光计测折射率实验报告引言:分光计是一种非常重要的实验仪器,它可以用来测量物质的折射率。
折射率是光线在不同介质中传播时的速度差异,它对于物质的光学性质具有重要的影响。
本次实验旨在通过使用分光计测量不同介质的折射率,加深对折射现象的理解。
实验步骤:1. 准备工作:确保实验室环境安静,避免外界光线的干扰。
将分光计放在平稳的桌面上,调整仪器使其水平。
2. 校准分光计:使用校准器件对分光计进行校准,确保其准确度和稳定性。
3. 准备样品:准备不同介质的样品,例如水、玻璃、塑料等。
确保样品表面光洁,无气泡和杂质。
4. 测量样品的折射率:将样品放置在分光计的样品台上,调整角度使光线垂直入射。
观察透射光线通过分光计的偏折角度,并记录下来。
5. 重复测量:为了提高测量的准确性,需要重复测量每个样品的折射率,并求取平均值。
实验结果:通过实验测量,我们得到了不同介质的折射率数据如下:1. 水:折射率为1.332. 玻璃:折射率为1.53. 塑料:折射率为1.4讨论与分析:根据实验结果,我们可以看出不同介质的折射率存在差异。
这是因为光在不同介质中传播时,会受到介质的密度和光速的影响。
在实验中,我们发现水的折射率最小,而玻璃的折射率最大。
这是因为水的密度相对较小,光速相对较大,而玻璃的密度较大,光速较小。
因此,光线在水中传播时会比在玻璃中更快,导致水的折射率较小,而玻璃的折射率较大。
另外,塑料的折射率介于水和玻璃之间,这是因为塑料的密度和光速介于水和玻璃之间。
不同种类的塑料由于其成分和制造工艺的不同,其折射率也会有所差异。
实验中的误差主要来自于仪器的精度和样品的制备。
分光计的精度会影响到测量的准确性,因此在实验过程中需要进行仪器的校准。
另外,样品的制备也需要注意,确保其表面光洁,无气泡和杂质的存在,以避免对测量结果的影响。
结论:通过本次实验,我们成功地使用分光计测量了不同介质的折射率,并得到了相应的数据。
大连理工大学大学物理实验报告院(系)专业班级姓名学号实验台号实验时间年月日,第周,星期第节实验名称分光计的调节和介质折射率的测量教师评语实验目的与要求:1.了解分光计的构造与原理,掌握分光计调节的思想和调节方法。
2.学会用最小偏向角法测量棱镜的折射率。
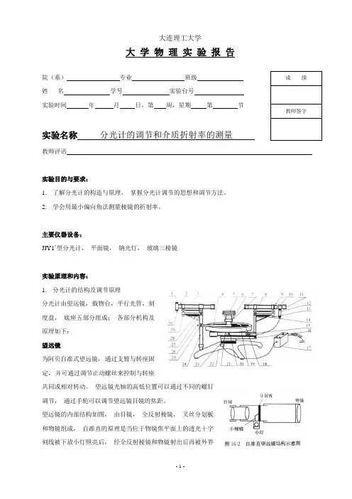
主要仪器设备:JJY1’型分光计,平面镜,钠光灯,玻璃三棱镜实验原理和内容:1.分光计的结构及调节原理分光计由望远镜,载物台,平行光管,刻度盘,底座五部分组成;各部分机构及原理如下:望远镜为阿贝自准式望远镜,通过支臂与转座固定,并可通过调节止动螺丝来控制与转座共同或相对转动。
望远镜光轴的高低位置可以通过不同的螺钉调节,通过手轮可以调节望远镜目镜的焦距。
望远镜的内部结构如图,由目镜,全反射棱镜,叉丝分划板和物镜组成,自准直的原理是当位于物镜焦平面上的透光十字刻线被下放小灯照亮后,经全反射棱镜和物镜射出后再被外界成绩教师签字平面镜反射回进入望远镜而投影到叉丝分划板上成像, 与叉丝本身无像差时, 便证明望远镜准直且适合观察平行光。
并且可以通过两者调节望远镜的光轴垂直情况。
(如右图所示) 平行光管产生平行光束用的装置, 安装于立柱上, 可以通过螺钉来微调其光轴位置。
平行光管的主要部件是会聚透镜和狭缝。
当狭缝位于透镜主焦面上时便可产生平行光。
载物台载物台用于放置待测物件, 并可以通过紧固螺钉来调节其位置。
调节到所需的位置后, 实验过程中需要锁紧所有的紧固螺丝。
刻度盘由外圈刻度和内圈的两个对称游标组成, 外圈刻度为360°共720格, 读数方法相同于游标卡尺。
设置两个对称游标的目的是为了消除刻度盘中心和仪器转轴中心偏差所带来的实验误差, 读取刻度时, 将两个游标的读书取平均, 便是望远镜位置的实际读数, 即2/)(21θθ+=Φ 底座底座的作用是支撑之上的各个仪器部件, 并且在底座上接有外接电源的插座, 以给仪器供电。
2. 最小偏向角法测棱镜折射率的原理如图所示, 一束光射入棱镜后发生两次折射, 入射角为i , 出射角为i ’, 出入射光线的偏向角为δ, 可知有以下关系: αδ-+='i i , α为棱镜的顶角。
课例研究飞花四溅的瞬间,孩子的思维已进入心灵深处。
自动生成精彩的课堂,从来都是预设的升华。
1、游戏导入,激发兴趣。
在游戏中明确数的个数,为新课中加数的交换和结合后的组数铺垫,有效地分解了难点。
2、学生是学习的主人,教师引导恰当。
本节课是练习课,先完成一组10以内的数连加,体会运用加法交换律与结合律简算。
然后完成一组1~100的自然数连加,学生先说算法,再计算分享,在分享中思辨,体会省略的部分及结合的组数,有效地突破了重难点。
3、知识链接,开拓学生视野,提高学习数学的兴趣,增强学生学习数学的信心。
4、注重学生解题规范的训练,注重学生说理的过程,培养学生的思维能力。
当然也有不足,导入游戏部分用时太长,导致拓展练习没能全班交流,让学生感受解题方法的多样化。
迈克尔逊干涉仪测透明介质的折射率■曾 吉 (贵州师范大学 物理与电子科学学院 550025)【摘 要】 实验利用光的干涉测量透明介质折射率,在迈克尔逊干涉仪的光路中插入透明介质调出的干涉条纹与未插入时调出的干涉条纹相同,平面反射镜M 1位置的改变量与待测透明介质使光产生的光程差相等,再用光程的定义公式即可求出测透明介质的折射率。
为了结果更加精确,实验采用白光、钠光作为实验光源对其结果进行比较,得出结果符合:波长小折射率大,波长大折射率小。
【关键词】 迈克尔逊干涉仪;透明介质;折射率【中图分类号】 G642.3 【文献标识码】 A 【文章编号】 2095-3089(2018)09-0229-01引言:迈克尔逊干涉仪是光学实验中常用的仪器。
在大学物理光学实验中,测透明介质折射率常用掠入射法。
采用迈克尔逊干涉仪来测量透明介质(玻璃片)的折射率,是一种不常见的测量方法。
在本次实验中,首先用白光作为光源测量透明介质的折射率,白光为光源的干涉实验中,用的是日常台灯发出的光,其主要成分是汞。
再将光源换为钠光来测量透明介质的折射率。
本次实验采用迈克尔逊干涉仪测量透明介质(玻璃片)的折射率是利用不放介质时产生的光程差与放介质时产生的光程差相等,也就是都要调出清晰的干涉圆环。
分光计的调节和掠⼊射法测量折射率分光计的调节和掠⼊射法测量折射率实验⽬的1.了解分光计的结构、作⽤和⼯作原理。
2.掌握分光计的调节要求、⽅法和使⽤规。
3.⽤分光计测定三棱镜的定焦。
4.⽤掠⼊射法测定三棱镜的折射率。
5.⽤最⼩偏向⾓法测定物质的折射率。
6.测定玻璃材料的⾊散曲线。
实验仪器分光计,玻璃三棱镜,钠灯,⽔银灯,激光器,平⾯镜,⽑玻璃,放⼤镜。
实验原理掠⼊射法测折射率⽤波长的单⾊扩展光源照射到顶⾓的玻璃三棱镜的⾯上,以⾓⼊射的光线经过三棱镜的两次折射后,从⾯以⾓射出,则由折射定律得:其中和分别是空⽓和玻璃的折射率,⼀般取。
由⼏何关系可得因此当光线以⾓⼊射的时候,则有,此时的出射⾓最⼩,称之为极限⾓,因此上述公式简化为测量极限⾓的时候使⽤的是拓展光源,实验时在光源和棱镜之间放置⼀块⽑玻璃,调整玻璃三棱镜⾯和光源的相对位置,使⼤于的⾓⼊射的光线不能进⼊玻璃三棱镜,在⾯形成暗纹;⼩于的⼊射光线则可以从玻璃三棱镜⾯出射,形成亮纹。
其交接处就是极限⾓的位置.最⼩偏向⾓法测定折射率⼀束平⾏单⾊光以⼊射⾓投射到棱镜的⾯上,经过棱镜两次折射后以⾓从另⼀⾯射出来,成为光线。
经过棱镜两次折射,光线传播⽅向总的变化可⽤⼊射光线和出射光线延长线的夹⾓来表⽰,叫做偏向⾓。
通过微分计算可以证明,当⼊射光线和出射光线对称的在棱镜两侧时,偏向叫有最⼩值,叫做最⼩偏向⾓,⽤表⽰。
此时⼜,故测定玻璃材料的⾊散曲线由于折射率是光波波长的函数,所以在不同波长的单⾊光波下,测定玻璃三棱镜对应改单⾊光波的最⼩偏向⾓,计算对应的折射率值,可以得到表⽰折射率与波长的关系的⾊散曲线。
通常⽤⾊散率表征材料折射率随波长变化的程度。
当⼴播波长增加时材料折射率和⾊散率都减⼩时,这样的⾊散现象称为正常⾊散现象,反之称为反常⾊散现象。
根据经典的电⼦论,即经典电偶振⼦受迫震动模型能够解释实验观测的⾊散现象,依据这种模型可以推导出描述正常⾊散现象的柯西经验公式其中A,B和C是表征材料的特性的常量,⽽对应的⾊散率实验容调节分光镜1.粗调:⽤⾁眼估计,调节望远镜、平⾏光管的⽔平⽅向或垂直⽅向的调节螺钉,使望远镜、平⾏光管的光轴通过转轴中⼼共轴,并处于⽔平状态。
用分光计测量玻璃三棱镜折射率的方法探讨作者:段丽凤来源:《大学教育》 2017年第5期[摘要]玻璃是我们生活中十分常见的物体,折射率是这种透明介质的主要参数之一。
通过一些方法将玻璃三棱镜的折射率进行确定,就能够更好地掌握玻璃的应用技巧。
通过对分光计测量玻璃三棱镜折射率的方法进行研究,并对测量所需要的仪器以及一些使用方法进行分析,以能够扎实了解分光计测量的基本原理以及结构,最终得到待测玻璃的折射率。
[关键词]分光计测量;玻璃;折射率;方法[中图分类号]G642[文献标识码]A[文章编号]2095-3437(2017)05-0047-03分光计是一个用于准确测量光线改变角度以及改变方向的一种仪器,其能够对光在进入不同介质中的反射角、折射角以及衍射角等数据进行测量,并且其测量的精度十分高,此外,分光计还能够利用不同的光学仪器来对不同物质的光折射角进行测量,因此,掌握分光计测量的方法十分的重要。
本文意在对分光计测量玻璃三棱镜折射率的方法进行详细叙述,其具体内容如下。
一、原理将玻璃材料制作成三棱镜形状,其顶角A是已知的,故而不用再次进行测量。
然后利用最小偏向角方法计算其折射率,在本次的原理阐述中,原理图如图1所示。
这样,只要用分光计测量出玻璃的顶角以及最小偏向角,就能够得到玻璃的折射率n。
二、步骤(一)设备的调试工作应用到的仪器设备有分光计、玻璃三棱镜、平面反射镜、钠光灯源。
在测量之前最重要的工作是对各个设备进行调节,只有这样,才能够真正保证测量结果的准确性。
分光计的组成主要有平行光管、望远镜、载物台、圆刻度盘以及其他。
其中平行光管主要具备的元件有:狭缝、紧固螺钉、平行光管、平行光管光轴水平螺钉、仰角螺钉、狭缝调节。
望远镜主要具备的元件有望远镜、紧固螺钉、分化板、目镜、仰角螺钉、望远镜光轴水平螺钉、支臂、转角微调、制动架、望远镜止动螺钉。
载物台所具备的相关元件有载物台、载物台调平螺钉(3只)、载物台锁紧螺钉。
分光计调节及棱镜折射率的测定分光计是一种广泛应用于物理、化学、光学等领域的仪器,用于测量可见光的光谱特性。
在实验室中,分光计常常用于测定物质的折射率,特别是透明固体或液体。
测定折射率的一个常见方法是利用棱镜的性质进行实验。
棱镜是一种透明的固体,通常是由玻璃或其他光学材料制成的。
它有一组平行且不相交的平面,被称为棱镜的顶角。
当光线通过棱镜时,它会发生折射并改变其传播方向。
这种折射的程度取决于入射角和光线所穿过的介质的折射率。
为了测定棱镜的折射率,我们首先需要调节分光计的光源和光的路径。
分光计通常有一个灯泡作为光源,并通过凸透镜和光阑将光束聚焦到待测物上。
调节凸透镜的位置和光源的亮度,可以改变光束的光强度和尺寸。
接下来,我们将棱镜放置在分光计上,使光束通过棱镜。
通过调节分光计的固定旋钮和望远镜的焦距,我们可以找到适当的位置,使光束通过棱镜时能够尽可能集中。
一旦光束通过棱镜后,我们可以观察到折射光束经过棱镜后发生的偏折。
通过测量入射角、折射角和顶角的大小,我们可以使用折射定律来计算折射率。
折射定律表示为:n₁sinθ₁ = n₂sinθ₂,其中n₁和n₂分别是入射光线所在的介质和折射光线所在的介质的折射率。
为了测量折射率,我们可以使用不同的棱镜,每个棱镜都有不同的形状和顶角。
通过测量不同棱镜的折射角和入射角,我们可以计算不同介质的折射率。
测量折射率时,需要注意一些实验技巧和注意事项。
首先,确保棱镜表面干净,没有灰尘或污垢,以确保测量的精确性。
其次,调节分光计时要小心操作,避免触碰到灯泡和望远镜等部件,以免造成伤害或破坏仪器。
此外,还需要注意使用适当的单位进行测量。
折射率通常以无量纲方式表示,所以可以使用任何适当的单位进行测量。
然而,为了方便比较和记录数据,通常使用国际单位制中的标准单位进行测量。
总之,分光计是一种用于测量光学性质的重要仪器,通过调节分光计和测量棱镜的折射角度,我们可以确定不同介质的折射率。
液体折射率的测定的设计与实验摘要:利用实验室给定的实验仪器,。
测得相关数据,推导最终公式,并得出结论。
关键词:掠入射法、折射率、液体、极限角一、引言:在分光计上已学会三棱镜折射率的测定。
本实验的主要目的是通过已有的基础,根据实验室提供的光学仪器,自行设计方案测定液体的折射率。
一、 试验任务1. 调节分光计满足测量条件;2. 用掠入射法或最小偏向角法测量出透明液体的折射率。
三、实验仪器JJY 型分光计一台(本实验不提供平面镜),三棱镜一个,钠灯一个,黑玻璃一块,水槽一个,水 四、实验原理1. .分光仪的调节(1)目测粗调 目测调节望远镜光轴﹑平行光管光轴﹑载物台平面,三者大致垂直于分光中心旋转轴。
目测是重要的一部,是进一步细调的基础,可以缩短调整时间。
(2)用自准法调节望远镜,使之能接受平行光,调节步骤如下: 1.目测调焦 2.物镜调焦(3)调节望远镜光轴及载物台面垂直于仪器中心转轴。
1.用三棱镜代替平面镜;2.调节载物台下G2或G3两螺钉之一,使此h 缩短为h /2,在调节望远镜倾度调节螺钉,使十字反射像与十字叉丝重合。
3.旋转载物台,用“各半”调节法使另一反射面的十字反射像与“上十字叉丝”重合,这需要2,3两步反复调整数次,要细心,耐心。
4.将载物台转动90°后放在载物台,调节载物台下螺钉G1,使十字反射像与上十字叉丝重合。
2.用掠入射法测定三棱镜的折射率折射率是反映光在两种各向同性媒介质中光速比值的一个物理量。
光从一种介质进入另一种介质时,其入射角i 的正弦跟折射角r 的正弦之比,被定义为光从介质1进入介质2时的相对折射率n 12,即rin sin sin 12=(1) 介质相对于真空的折射率叫做介质的绝对折射率。
若以n 1、n 2分别表示介质1和介质2绝对折射率,则介质2相对介质1的折射率n n n 1212=(2)。
如果介质1是空气,由于空气的绝对折射率仅为1.00028(20℃时),所以,可以近似的将空气的相对折射率看为1。
透明介质折射率的测量引言透明介质的折射率是光线传播过程中的一个重要参数,它描述了光在介质中传播时的速度变化情况。
准确测量透明介质的折射率对于材料研究、光学器件设计等领域具有重要意义。
本文将介绍几种常见的测量透明介质折射率的方法。
一、斯涅尔定律斯涅尔定律是描述光在两个介质之间传播时的折射规律的基本定律。
根据斯涅尔定律,入射角和折射角之间的正弦值比等于两个介质的折射率之比。
通过测量光线的入射角和折射角,可以计算出透明介质的折射率。
二、平板反射法平板反射法是一种常用的测量透明介质折射率的方法。
该方法利用平行光在透明介质表面发生反射,通过测量反射光的入射角和反射角,可以计算出透明介质的折射率。
实验中通常使用一个光源和一个测角仪来测量入射角和反射角。
三、菲涅尔透射法菲涅尔透射法是一种基于菲涅尔公式的测量透明介质折射率的方法。
该方法通过测量透射光的入射角和透射角,利用菲涅尔公式计算出透明介质的折射率。
实验中通常使用一个光源、一个测角仪和一个平行光平台来测量入射角和透射角。
四、自干涉法自干涉法是一种基于干涉现象的测量透明介质折射率的方法。
该方法利用透明介质的厚度和折射率对入射光产生的干涉条纹进行测量,通过分析干涉条纹的间距和颜色,可以计算出透明介质的折射率。
实验中通常使用一束单色光源和一个干涉仪来进行测量。
五、椭偏法椭偏法是一种基于椭偏现象的测量透明介质折射率的方法。
该方法利用透明介质对偏振光的旋光效应进行测量,通过测量旋光角度和样品厚度,可以计算出透明介质的折射率。
实验中通常使用一个偏振光源、一个旋光仪和一个样品夹具来进行测量。
六、综合比较以上介绍的几种方法各有优缺点。
平板反射法和菲涅尔透射法适用于透明介质较厚的情况,但需要精确测量入射角和反射/透射角。
自干涉法和椭偏法适用于透明介质较薄的情况,但需要进行干涉条纹或旋光角度的测量。
在实际应用中,可以根据样品的特点和实验条件选择合适的方法进行测量。
结论透明介质折射率的测量是光学研究和应用中的基础工作之一。
实验名称:分光计的调整与折射率的测定实验目的:1.掌握分光计的调整技术和技巧。
2.用分光计测三棱镜的一个顶角。
实验仪器:分光计、玻璃三棱镜、平面反射镜实验原理:三棱镜如图1 所示,AB 和AC 是透光的光学表面,又称折射面,其夹角α称为三棱镜的顶角;BC 为毛玻璃面,称为三棱镜的底面。
1. 反射法测三棱镜顶角α如图2 所示,一束平行光入射于三棱镜,经过AB 面和AC 面反射的光线分别沿3T 和4T 方位射出,3T 和4T 方向的夹角记为θ,由几何学关系可知:34212T T −==θα2. 最小偏向角法测三棱镜玻璃的折射率假设有一束单色平行光LD 入射到棱镜上,经过两次折射后沿ER 方向射出,则入射光线LD 与出射光线ER 间的夹角δ称为偏向角,如图3所示。
转动三棱镜,改变入射光对光学面AC的入射角,出射光线的方向ER 也随之改变,即偏向角δ发生变化。
沿偏向角减小的方向继续缓慢转动三棱镜,使偏向角逐渐减小;当转到某个位置时,若再继续沿此方向转动,偏向角又将逐渐增大,此位置时偏向角达到最小值,测出最小偏向角min δ。
可以证明棱镜材料的折射率n 与顶角α及最小偏向角的关系式为实验中,利用分光镜测出三棱镜的顶角α及最小偏向角min δ,即可由上式算出棱镜材料的折射率n 。
实验内容:1. 调整分光计,并测量三棱镜的顶角。
2. 2.测量三棱镜对单色光的最小偏向角,进而计算其折射率。
注意事项:1.望远镜、平行光管上的镜头,三棱镜、平面镜的镜面不能用手摸、揩。
如发现有尘埃时,应该用镜头纸轻轻揩擦。
三棱镜、平面镜不准磕碰或跌落,以免损坏。
2.分光计是较精密的光学仪器,要加倍爱护,不应在制动螺丝锁紧时强行转动望远镜,也不要随意拧动狭缝。
3.在测量数据前务须检查分光计的几个制动螺丝是否锁紧,若未锁2sin )(21sin min ααδ+=n 图8 三棱镜放紧,取得的数据会不可靠。
4.测量中应正确使用望远镜转动的微调螺丝,以便提高工作效率和测量准确度。
用分光计测定液体折射率普鑫泰(楚雄师范学院 物理与电子科学学院 14级物理二班)20140921206摘要:调整好分光计,利用掠射入法测量水的折射率。
关键词:分光计 折射率 掠射入法引言 折射率为一光学常数,是反映透明介质材料光学性质的一个重要参数。
在生产和科学研究中往往需要测定一些固体和液体的折射率。
测定透明材料折射率的方 法 很 多,最 小 偏 向 角 法和 全 反 射 法 ( 折 射 极 限 法 ) 是 比 较 常 用 的 两 种 方 法 。
最小偏向角法具有测量精度高,所测折射率的大小不受限制等优点。
但是,被侧材料要制成棱镜,对棱镜的技术条件要求高,不便快速测量。
全反射法属于比较测量,虽然测量准确度较低,被测折射率的大小受到限制,对于固体材料也需要制成试件,但是,全反射法具有操作方便迅速、环境条件要求低。
一.实验原理由光的折射定律可知,光在两种介质界面发生折射时,入射角i 的正弦与折射角γ正弦之比是一个常数,即γs i n s i n 21i n = 。
21n 称为第二种介质对第一种介质的折射率。
由 于 介 质 的 折 射 率 随 入 射 光波 波 长 而 变 , 故 实 验 时 必 须 用 ( 准 )单 色 光,一般通用的折射率数据都是对钠黄光的波长而言,用0n 表示。
用掠入射(折射极限)法测定液体折射率原理如图1所示,将折射率为n 的待测物质放在已知折射率为1n 的直角棱镜的折射面AB 上,且n<1n 。
若以单色的扩展光源照射分界面AB 时,则从图1可以看出:入射角为2π的光线Ⅰ,将掠射到AB 界面折射进入三棱镜内。
显然,其折射角c i 应为临界角,因而满足关系式 1sin n n i c =(1)线1射到AC ,再折射而进入空气时,设在AC 面上的入射角为ψ,折射角为φ,则:ψϕsin sin 1n =(2) 除掠入射光线1外,其他光线例如光线2在AB 面上的入射角均小于2π,因此此经三棱镜折射最后进入空气时,都在光线Ⅰ左侧。
分光计调节和三棱镜折射率测量实验报告下载提示:该文档是本店铺精心编制而成的,希望大家下载后,能够帮助大家解决实际问题。
文档下载后可定制修改,请根据实际需要进行调整和使用,谢谢!本店铺为大家提供各种类型的实用资料,如教育随笔、日记赏析、句子摘抄、古诗大全、经典美文、话题作文、工作总结、词语解析、文案摘录、其他资料等等,想了解不同资料格式和写法,敬请关注!Download tips: This document is carefully compiled by this editor. I hope that after you download it, it can help you solve practical problems. The document can be customized and modified after downloading, please adjust and use it according to actual needs, thank you! In addition, this shop provides you with various types of practical materials, such as educational essays, diary appreciation, sentence excerpts, ancient poems, classic articles, topic composition, work summary, word parsing, copy excerpts, other materials and so on, want to know different data formats and writing methods, please pay attention!实验报告:分光计调节和三棱镜折射率测量1. 引言在本实验中,我们探讨了分光计的调节方法以及使用三棱镜测量不同材料的折射率。
⽤分光计测液体折射率
⽤分光计测液体折射率
刘崧;钟双英
【期刊名称】《南昌⼤学学报(⼯科版)》
【年(卷),期】2000(022)002
【摘要】根据分光计测定棱镜折射率的实验⽅法,提出了可以⽤分光计测定透明液体的折射率.从理论上推倒出最⼩偏向⾓及此时⼊射⾓、折射⾓满⾜的条件,并且得出光线通过平板玻璃时不会发⽣折射、只会平移的结论,由此结论可⽤平板玻璃构成⼀个内部充满待测液体的棱镜.最后通过实验论证了此⽅法的可⾏性.【总页数】4页(97-99,104)
【关键词】⼊射⾓;折射⾓;最⼩偏向⾓;折射率
【作者】刘崧;钟双英
【作者单位】南昌⼤学基础课教学部,江西,南昌,,330029;江西省邮电学校,江西,南昌,,330002
【正⽂语种】中⽂
【中图分类】O435.1
【相关⽂献】
1.⽤分光计测液体折射率 [J], 杨周琴; 魏循
2.测定液体折射率的分光计⽅法 [J], 钟菊花; 顾懿
3.利⽤全反射原理测量液体折射率的分光计⽅法 [J], 黄龙⽂
4.Matlab-GUI在分光计测三棱镜的顶⾓及折射率实验的数据处理中的创新[J], 张程龙; 俞博; 夏雪琴
5.⽤分光计测三棱镜折射率实验的教学探讨 [J], 唐会智。
分光计测量液体折射率的设计黄忠良(辽宁科技大学电子与信息工程学院 电子08-1班)摘要:本文在调整好的分光计上,配合使用光学元件进行实验。
用钠光源掠入射法测量酒精和水的折射率,并对三棱镜折射率的测量进行拓展。
用Matlab 软件实现所有计算。
关键词:分光计;折射率;三棱镜;掠入射法 中文分类号:04—34 文献标识码: A 文章编号: 引言折射率为一光学常数,是反映透明介质材料光学性质的一个重要参数。
在生产和科学研究中往往需要测定一些固体和液体的折射率。
测定透明材料折射率的方法很多,最小偏向角法和全反射法(折射极限法)是比较常用的两种方法。
最小偏向角法具有测量精度高、所测折射率的大小不受限制等优点。
但是,被测材料要制成棱镜,而且对棱镜的技术条件要求高、不便快速测量。
全反射法属于比较测量,虽然测量精度较底、被测折射率的大小受到限制,对于固体材料也需要制成试件,但是,全反射法具有操作方便迅速、环境条件要求底等优点。
实验原理:由光的折射定律可知:光在两种介质界面发生折射时,入射角i 的正弦与折射角r 的正弦之比是一个常数。
既 rin sin sin 21=。
21n 称为第二种介质对第一种介质的折射率。
任一种介质相对于真空的折射率称为该介质的绝对折射率,简称折射率。
在常温(20°C )和一个大气压条件下,空气的折射率为1.0002926,通常介质的折射率是相对于空气而言的。
由于介质的折射率随入射光波长而变,故实验时必须用单色光,一般通用的折射率数据都是对钠黄光的波长而言,用D n 表示。
用掠入射法测定液体折射率原理如图1所示。
将折射率为n 的待测物质放在已知折射率为1n 的直角棱镜的折射面AB 上,且n 〈1n 。
若以单色的扩展光源照射分界面AB 时,则从图1可以看出:入射角为2π的光线Ⅰ将掠射到AB 界面而进入三棱镜内。
显然,其折射角c i 应为临界角,因而满足关系式: 1sin n ni c =(1)图1 掠入射法测量液体的折射率示意图当光线Ⅰ射到AC 面,再经折射而进入空气时,设在AC 面上的入射角为ψ,折射角为ϕ,则有: ψϕsin sin 1n = (2)除掠入射光线Ⅰ外,其他光线例如光线Ⅱ在AB 面上的入射角均小于2π,因此经三棱镜折射最后进入空气时,都在光线Ⅰ的左侧。
分光计测透明介质的折射率
一、实验原理与方法
1.测量三棱镜的顶角
三棱镜由两个光学面AB 和AC 及一个毛玻璃面BC 构成。
三棱镜的顶角是指AB 与AC 的夹角α,如图5—3—1所示。
自准值法就是用自准值望远镜光轴与AB 面垂直,使三棱镜AB 面反射回来的小十字像位于准线mn 中央,由分光仪的度盘和游标盘读出这时望远镜光轴相对于某一个方位'
oo 的角位置1θ;再把望远镜转到与三棱镜的
AC 面垂直,由分光仪度盘和游标盘读
出这时望远镜光轴相对于'
oo 的方位角2θ,于是望远镜光轴转过的角度为
12θθϕ-=,三棱镜顶角为
ϕα-︒=180
由于分光仪在制造上的原因,主轴可能不在分度盘的圆心上,可能略偏离分度盘圆心。
因此望远镜绕过的真实角度与分度盘上反映出来的角度有偏差,这种误差叫偏心差,是一种系统误差。
为了消除这种系统误差,分光仪分度盘上设置了相隔︒180的两个读数窗口(A 、B 窗口),而望远镜的方位θ由两个读数窗口读数的平均值来决定,而不是由一个窗口来读出,即
2)(111B A θθθ+=,2
)(222B A θθθ+=
于是,望远镜光轴转过的角度为应该是
2
121212B
B A A θθθθθθϕ-+-=-=
2
1801212B
B A A θθθθα-+--
︒=
2.用最小偏向角法测定棱镜玻璃的折射率
如图5—3—2所示,在三棱镜中,入射光线与出射光线之间的夹角δ的称为棱镜的偏向角,这个偏向角δ与光线的入射角有关
32i i +=α
()()()αδ-+=-+-=413421i i i i i i
θ1
θ2
φ
望远镜
望远镜
三棱镜
A B
C
O
'
O 准直法测三棱镜顶角
由于4i 是1i 的函数,因此δ实际上只随1i 变化,当1i 为某一个值时,δ达到最小,这最小的δ称为最小偏向角。
为了求δ的极小值,令导数
01
=di d δ 11
4
-=di di 由折射定率得
21sin sin i n i =,34sin sin i n i =
2211cos cos di i n di i = 3344c o s c o s di i n di i =
于是,有
23di di -=
2
41321
4312233414cos cos cos cos cos cos )1(cos cos i i i i i n i i i n di di di di di di di di -
=⨯-⨯=⋅⋅= 3
22222
3
22322222232
2
22223)1(1)1(1sec sec sin 1cos sin 1cos i tg n i tg n i tg n i i tg n i i n i i n i -+-+-
=---
=---
=
此式与(5-3-3)比较可知32tgi tgi =,在棱镜折射的情况下,2
2π
<
i ,2
3π
<
i ,所以
32i i =
由折射定律可知,这时,41i i =。
因此,当41i i =时δ具有极小值。
22i =α,αδ-=1min 2i , 2
2α
=
i ,()αδ+=
min 12
1
i 。
()⎪⎭
⎫ ⎝⎛⎥⎦⎤
⎢⎣⎡+==2sin 2sin sin sin min 21ααδi i n 由此可见,当棱镜偏向角最小时,在棱镜内部的光线与棱镜底面平行,入射光线与出射光线相对于棱镜成对称分布。
C
B
A
1
i 2i 3
i 4
i δα
由于偏向角仅是入射角1i 的函数,因此可以通过不断连续改变入射角1i ,同时观察出射光线的方位变化。
在1i 的上述变化过程中,出射光线也随之向某一方向变化。
当1i 变到某个值时,出射光线方位变化会发生停滞,并随即反向移动。
在出射光线即将反向移动的时刻就是最小偏向角所对应的方位,只要固定这时的入射角,测出所固定的入射光线角坐标1θ和
2θ,取下三棱镜,转动望远镜对准平行光管,如图所示的位置,以确定入射光的方向,再
记下两游标处的度数'1θ和'
2θ
⎥⎦
⎤⎢⎣
⎡'-+'-=221
1min 21θθθθδ 二、实验结果和分析
1、实验结果
棱镜顶角︒=60A
1θ
2θ
'1θ
'2θ
min δ
n
4238'︒ 02218'︒ 5276'︒ 02256'︒ 03038'''︒ 1.51 5438'︒ 03218'︒ 6176'︒ 53256'︒ 8437'︒ 1.62 3038'︒
34218'︒
4176'︒
33256'︒
03038'''︒
1.51
所以
55.1=玻璃n
2、实验分析
在用分光计测量校准折射率的实验中,最小偏向角的测定准确与否是实验的关键.但在实际操作中,要准确无误地找到者并准确测量是困难的;由于受仪器精度和眼睛分辨率等因素的影响,要准确判断谱线是否处在临界位置是非常困难的,因此实验测量值与实际标称值往往有较大误差。
三、结论
在本实验中,对于分光计的调整有较大的要求,要先对分光计进行调整,才能够进行后续的实验,也才有助于后续实验的顺利进行。