2012年武汉科技大学考研试题810材料科学基础及答案
- 格式:pdf
- 大小:473.13 KB
- 文档页数:7
材料科学基础习题参考答案 第一章材料结构的基本知识8.计算下列晶体的离于键与共价键的相对比例。
(1) NaF (2) CaO (3) ZnS解:(1)查表得:X Na =0.93,X F =3.98--(0.93-3.98)2根据鲍林公式可得NaF 中离子键比例为:[1-e 4 ]x 100% = 90.2%共价键比例为:1-90.2%=9.8%--(1.00-3.44 )2(2) 同理,CaO 中离子键比例为:[1-e 4 ]x 100% = 77.4%共价键比例为:1-77.4%=22.6%(3) ZnS 中离子键比例为:Z“S 中离子键含量=[1 -£-1/4'2-58-165)2]x 100% = 19.44% 共价键比例为:1-19.44%=80.56%10说明结构转变的热力学条件与动力学条件的意义.说明稳态结构与亚稳态结构之间的关 系。
答:结构转变的热力学条件决定转变是否可行,是结构转变的推动力,是转变的必要条件; 动力学条件决定转变速度的大小,反映转变过程中阻力的大小。
稳态结构与亚稳态结构之间的关系:两种状态都是物质存在的状态,材料得到的结构是 稳态或亚稳态,取决于转变过程的推动力和阻力(即热力学条件和动力学条件),阻力小时得 到稳态结构,阻力很大时则得到亚稳态结构。
稳态结构能量最低,热力学上最稳定;亚稳态 结构能量高,热力学上不稳定,但向稳定结构转变速度慢,能保持相对稳定甚至长期存在。
但在一定条件下,亚稳态结构向稳态结构转变。
1.第二章九材料中的騒須勾)与[2廊1)与[112], (110)与[111], (132)与[123], (322)与[236]指数。
题: 系的 (21 在立方晶系的一个晶胞虫画出(111丄和丄112、日面.才晶系的画出同M1)、■'朋两晶面交钱亠 1]晶向。
112) d2. 有一正交点阵的a=b, c=a/2o 某晶面在三个晶轴上的截距分别为6个、2个和4个原子 间距,求该晶面的密勒指数。
姓名:报考专业:准考证号码:密封线内不要写题2014年攻读硕士学位研究生入学考试试题 科目名称:材料科学基础(□A 卷■B 卷)科目代码:810 考试时间:3小时 满分 150 分 可使用的常用工具:□无 ■计算器 ■直尺 □圆规(请在使用工具前打√) 注意:所有答题内容必须写在答题纸上,写在试题或草稿纸上的一律无效;考完后试题随答题纸交回。
一、填空题(共8小题,每空1分,共26分) 1、在一定条件下,铜和铁素体的晶体结构分别为 和体心立方结构,其点阵常数分别为0.362nm 和0.286nm ,相应的原子直径为 和 。
2、纯金属结晶是在 温度下进行的,原因是 。
纯金属凝固时,形核的驱动力是 ,形核的阻力是 。
3、金属结晶时的过冷度越大,结晶驱动力 ,临界晶核尺寸 ,临界形核功 ,形核率 ,结晶后的晶粒尺寸 ,金属强度 。
4、填入适当的相结构名称,碳钢中的铁素体为 ,高速钢中的VC 为 ,不锈钢中的Cr 23C 6为 。
5、固溶体合金,在铸造条件下,容易产生 偏析,用 处理可以消除。
6、热形变加工与冷形变加工的一般分界限为 温度,但该温度随形变量的增大而 ,所以严格地说,形变加工时产生加工硬化的为 ,而不产生加工硬化的为 。
7、菲克第一定律的表达式为 ,式中扩散系数与温度之间关系的表达式为 。
8、置换固溶体的扩散激活能包括 和 。
二、判断题(共8小题,每小题3分,共24分) 1、晶体结构有无限多种,而空间点阵只有14种。
2、在实际金属和合金中,自发形核常常起着优先和主导的作用。
3、一个合金的室温组织为α+βII +(α+β),它由三相组成。
4、铁素体的本质是碳在α-Fe 中的间隙相。
5、在晶体滑移过程中,由于位错不断移出滑移面,位错密度随形变量的增加而减少。
6、孪生变形所需的切应力比滑移变形所需的小得多。
7、形变织构和再结晶织构都会使金属材料具有各向异性。
8、晶界上原子排列混乱,不存在空位,所以空位机制扩散的原子在晶界处无法扩散。
二O 一二年招收硕士研究生入学考试试题
考试科目及代码: 金属学 815 适用专业: 材料工程(专业学位)
可使用的常用工具: 计算器、绘图工具
答题内容写在答题纸上,写在试卷或草稿纸上一律无效考完后试题随答题纸交回。
考试时间3小时,总分值 150 分。
姓名: 报考学科、专业: 准考证号码:
密封线内不要写题
二O 一二年招收硕士研究生入学考试试题参考答案
考试科目及代码: 金属学 815 适用专业: 材料工程(专业学位)
可使用的常用工具: 计算器、绘图工具
答题内容写在答题纸上,写在试卷或草稿纸上一律无效考完后试题随答题纸交回。
考试时间3小时,总分值 150 分。
姓名: 报考学科、专业: 准考证号码:
密封线内不要写题
(2)(10分)
在室温下,铁碳合金的平衡相是α-Fe(碳的质量分数是0.008%)和Fe 3C(碳的质量分数是6.69%),故w C =0.2%的合金在室温时平衡状态下α相和Fe 3C 相的相对量分别为
3 6.690.2
%100%97.13%
6.690.008
%197.13% 2.87%
Fe C α-=
⨯=-=-=(4分) w C =0.2%的合金在室温下平衡态下的组织是α-Fe 和P ,其组织可近似看做和共析转变完时一样,在共析温度下α-Fe 碳的成分是0.0218%,P 的碳的成分为0.77%,故w C =0.2%的合金在室温时组织中P 和α的相对量分别为。
2012年武汉科技大学考研试题810材料科学基础及答案二O 一二年招收硕士研究生入学考试试题考试科目及代码:材料科学基础810 可使用的常用工具:(计算器、尺和量角器)答题内容写在答题纸上,写在试卷或草稿纸上一律无效考完后试题随答题纸交回。
考试时间3小时,总分值150分。
姓名:报考学科、专业:准考证号码:密封线内不要写题计算简单立方晶体中(110)和(121)的面间距。
(材控专业10已知纯铝(fcc)τc=0.79Mpa,使()111面产生[101]方向的滑移,需在上施加多大的力?(8分)1 、2和3题,共26分;其他专业只有2题不做,共什么是单滑移、多滑移和交滑移?滑移在抛光金属表面留下线,晶体错动留下台阶是怎样形成?(10分)如右图一楔型纯铜铸锭,经连轧机组轧制成板材后,其0,右边为60%。
然后将板带进行再结晶退火后,画出最终晶粒示意图,并分析退火对板带的加工性能和力学性能带来的变化?(6分)二O一二年招收硕士研究生入学考试试题参考答案考试科目及代码:材料科学基础810适用专业:材料学、材料加工学、等离子物理和材料物理与化学一、名词解释,24分(材料加工学任选6题,每题4分,其他专业任选8题,每题3分)1、晶格:晶体中原子(或离子、分子、原子集团)在三维空间有规律的周期性的重复排列,若假想用三组平行直线将它们几何中心连接,这些直线所形成的空间格子。
2、配位数:晶体结构中,与任一原子最近邻并且等距离的原子数。
3、成分过冷:由于溶液中溶质分布的变化,改变了熔点,从而产生的过冷称为成分过冷。
4、离异共晶:当合金成分偏离共晶成分很远时,在不平衡凝固时会形成两相分离的共晶组织,称为离异共晶。
5、位错密度:单位体积晶体中位错线的总长度。
6、枝晶偏析:金属与合金凝固时固相以枝晶方式生长,使晶内高次枝晶与低次枝晶部成分不均匀的现象。
7、柏氏矢量:代表位错畸变总量和方向的矢量8、取向因子:当晶体受到外力时,如果外力轴与滑移面法线夹角为ψ,与滑移方向夹角为λ,则cosλcosψ称为取向因子。
第 1 页 共 2 页姓名: 报考专业: 准考证号码: 密封线内不要写题 2017年全国硕士研究生招生考试初试自命题试题科目名称:金属材料科学基础(□A 卷■B 卷)科目代码:810 考试时间:3小时 满分 150 分 可使用的常用工具:□无 ■计算器 ■直尺 □圆规(请在使用工具前打√) 注意:所有答题内容必须写在答题纸上,写在试题或草稿纸上的一律无效;考完后试题随答题纸交回。
一、名词解释(共6个,每个3 分,共 18分) 孪晶界、过冷度 、非稳态扩散、共晶相图、堆垛层错、惯习面; 二、论述题(共 4 小题,共 50 分) 1、试用位错理论解释低碳钢的屈服现象。
举例说明吕德斯带对工业生产的影响及防止办法。
(16分) 2、结合材料科学基础课程所学理论,分析为什么弹簧冷卷后需要进行低温退火,而弹簧钢丝在冷拔过程中却采用较高温度退火?(10分) 3、分析金属凝固过程枝晶偏析是如何产生的?枝晶偏析对性能有何影响?为了消除枝晶偏析,常用的方法是什么?(12分) 4、试讨论金属晶体缺陷对其固态相变形核过程的影响。
(12分) 三、计算题( 共3题,共45 分) 1、 结合Fe-Fe3C 相图,分析Wc=3.5%的合金平衡冷却过程组织转变过程,完成以下问题。
(共18分) (1)根据该合金的平衡结晶过程,写出共晶反应及共析反应式; (2)计算该合金刚刚冷却到共晶转变温度,相变前剩余液相含量; (3)分析室温下该合金得到的平衡组织及相组成,并计算室温下组成相的相对含量? 2、Wc=0.1%的低碳钢,置于Wc=1.2%渗碳气氛中,在920℃下进行渗碳。
如果要求离表层0.2cm 处碳的质量分数为0.45%,问需要多少渗碳时间: (共15分) 已知碳在920℃时的扩散激活能为133984J/mol ,D 0=0.23cm 2/s ,erf(0.71)=0.683、在立方晶胞中画出(321)和(120)晶面与[111]和,并计算(321)和(120)晶面之间]111[夹角?(12分)。
武汉科技大学2005年硕士研究生入学考试试题课程名称:金属学原理 (405) 总页数:2页 第1页 说明:1.适用专业:材料学、等离子体物理 2.可使用的常用工具: 计算器、绘图工具 3.答题内容写在答题纸上,写在试卷上一律无效。
一)回答下列简单问题:( 20分)1) 根据再结晶图,进行再结晶处理过程中,如何得到细小的再结晶晶粒?2) 间隙固溶体与间隙相的异同点是什么?3) 位错的滑移面与晶体的滑移面有何异同?4) 再结晶晶粒正常长大与异常长大有何异同?5) 位错的塞集与位错墙各是什么形态?二) 在两个不同的晶胞上分别标出面心立方晶体和体心立方晶体的各一个滑移系的晶面和晶向指数.(20分)三)试写出含碳量为0.4 %的铁碳合金自液相缓慢冷却到室温时会发生那些相变过程?计算室温下该合金显微组织中珠光体所占的重量百分比是多少?并绘出室温下显微组织示意图。
(30分)四)从位错塞集理论定性解释材料晶粒越小,材料的屈服强度越高的原因,并写出Hall-Petch 公式,注明公式中个字母所代表的意义.(15分 )五)下图为A-B-C 三元合金系的液相面投影图,A-B 系有一个稳定化合物D,设A,B,C,D 都具有极小的溶解度,分析和写出所有的三相平衡反应以及四相平衡反应式。
(15分)六)单晶体铜受拉伸形变,拉伸轴是[100],应力为104Pa.设该晶体只在(111)面上滑移,试问(111)面上那个滑移系将首先滑动?(20分)C 题五图七)单晶铜[010]方向受一拉应力P 的作用,试求柏矢[]1102ab =的螺型位错线上所受到的作用力的大小和方向.(20分)八)说明钢渗碳时为什么在奥氏体状态下进行而不在铁素体状态下进行。
(10分)武汉科技大学2005年硕士研究生入学考试试题答案(题略)一)要想得到细小的再结晶晶粒,需要预冷变形量愈大愈好,再结晶温度越低越好。
1)间隙固溶体与间隙相的相同之处为它们都是由原子半径大的金属原子A 与原字半径小的非金属原子B 组成,小原子处于大原子的点阵节点的间隙中;不同之处在于:第一,前者的晶格结构与纯金属的晶格结构相同,后者不同。
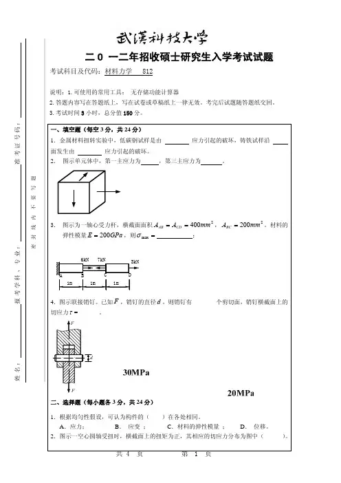
姓名:报考专业:准考证号码:密封线内不要写题2015年攻读硕士学位研究生入学考试试题 科目名称:材料加工科学基础(■A 卷 □B 卷)科目代码:812 考试时间:3小时 满分 150 分 可使用的常用工具:□无 ■计算器 ■直尺 □圆规(请在使用工具前打√) 注意:所有答题内容必须写在答题纸上,写在试题或草稿纸上的一律无效;考完后试题随答题纸交回。
一、名词解释 (共 5 小题,每小题 4 分,共 20 分) 点阵畸变 结构起伏 成分过冷 形变织构 短路扩散 二、填空题(共 6 小题,每空 1 分,共 20 分) 1、面心立方结构的单位晶胞原子数为 ,其致密度为 ,配位数为 ,其八面体间隙比四面体间隙 。
2、下图为一立方晶胞,A 、B 为顶点,C 、D 为棱边中点, ACD 的晶面指数为 ,AB 的晶向指数为 。
3、成分过冷区从小到大,其固溶体的生长形态分别为 、 和 。
4、单晶体的塑性变形只能在 作用下,主要以 方式进行,取向因子最有利的 上分切应力最先达到 开始滑动,其滑动的机制是 运动。
5、铁素体是碳在 -Fe 中的 固溶体。
与纯铁相比,其强度和硬度 ,塑性和韧性 。
X Y Z O A B C D6、钢中的硫会引起钢发生 脆,磷会使钢发生 脆。
三、相图题(共 2 小题,共40分)1、(20分)已知A (熔点600℃)与B (熔点500℃)在液态无限互溶,固态时A 在B 中的最大固溶度(质量分数)为w A =0.30,室温时为A 在B 中的溶解度为w A =0.10;但B 在固态和室温时均不溶于A 。
在300℃时,发生共晶反应0.400.70B B w w L A β==+。
(1)绘出A-B 二元合金相图;(12分)(2)分析w B =0.8的合金平衡凝固后,在室温下的相组成物及组织组成物,并计算各相组成物和组织组成物的相对含量。
(8分)2、(20分)(1)画出Fe-Fe 3C 相图,并标注各点温度和成分。
二O 一二年招收硕士研究生入学考试试题答案考试科目及代码:材料力学 812适用专业:车辆工程说明:1.可使用的常用工具: (有就写明,没有就删除此条)2.答题内容写在答题纸上,写在试卷或草稿纸上一律无效。
考完后试题随答题纸交回。
3.考试时间3小时,总分值150分。
姓名: 报考学科、专业: 准考证号码: 密封线内不要写题力的强度条件][max max σσ≤=y I Mz度要求确定的许可载荷8.52N 1064.9101018010408.01][8.012861=⨯⨯⨯⨯⨯=⨯--h I C z t σ132N 104.151010*********.01][8.012862=⨯⨯⨯⨯⨯=⨯≤--h I C z c σ度要求确定的许可载荷kN-------444N 4.1510200406.01][6.012=⨯⨯=⨯≤y I P z t σ压应力小于A 截面的压应力,不必进行计算。
解 首先作阶梯轴的扭矩图,如图所示。
强度校核95491=mN⋅m 812m N 20013309549954922=⋅⎪⎭⎫ ⎝⎛-⨯=⨯=n N m 根据平衡条件,有m 3=m 1+m 2=(621+812)N ⋅m =1433N ⋅mAC 段最大剪应力为MPa -----3分4.49Pa 1604.0621311111=⨯===πτP P W m W T ][τ<所以AC 段的最大工作剪应力小于许用的剪应力,满足强度要求。
CD 段的扭矩与AC 段相同,但其直径比AC 段大,所以CD 段也满足强度要求。
CB 段上最大剪应力为MPa -----3分2.21Pa 07.0161433332222=⨯⨯===πτP P W m W T ][τ<故CB 段的最大工作剪应力小于许用的剪应力,满足强度要求。
(2)刚度校核AD 段的最大单位长度扭转角为/m -----3分︒=︒⎪⎪⎪⎪⎭⎫ ⎝⎛⨯⋅⨯⨯==77.1m /1803204.010********ππϕPGI T ][ϕ<BD 段的单位长度扭转角为/m -----3分︒=︒⎪⎪⎪⎪⎭⎫ ⎝⎛⨯⨯⨯⨯==434.0m /18007.03210801433492ππϕPGI T][ϕ<综上所述可知,各段均满足强度、刚度要求。
二O 一二年招收硕士研究生入学考试试题 考试科目及代码: 建筑概论 852 适用专业: 建筑与土木工程(专业学位) 可使用的常用工具: (作图不用绘图工具,徒手作图即可) 答题内容写在答题纸上,写在试卷或草稿纸上一律无效考完后试题随答题纸交回。
考试时间3小时,总分值 150 分。
姓名: 报考学科、专业: 准考证号码: 密封线内不要写题
二O 一二年招收硕士研究生入学考试试题参考答案 考试科目及代码: 建筑概论 852 适用专业: 建筑与土木工程(专业学位) 可使用的常用工具: (作图不用绘图工具,徒手作图即可) 答题内容写在答题纸上,写在试卷或草稿纸上一律无效考完后试题随答题纸交回。
考试时间3小时,总分值 150 分。
姓名: 报考学科、专业: 准考证号码: 密封线内不要写题。
二O 一二年招收硕士研究生入学考试试题
考试科目及代码: 无机材料科学基础 811 适用专业: 材料科学与工程
可使用的常用工具:计算器。
答题内容写在答题纸上,写在试卷或草稿纸上一律无效。
考完后试题随答题纸交回。
考试时间3小时,总分值 150 分。
姓名: 报考学科、专业: 准考证号码:
密封线内不要写题
二O 一二年招收硕士研究生入学考试试题参考答案
考试科目及代码: 无机材料科学基础 811 适用专业: 材料科学与工程
可使用的常用工具:计算器。
答题内容写在答题纸上,写在试卷或草稿纸上一律无效。
考完后试题随答题纸交回。
考试时间3小时,总分值 150 分。
姓名: 报考学科、专业: 准考证号码:
密封线内不要写题。
1一、名词解释(共6个,每个3 分,共 18分)配位数:晶体结构中,与任一原子最近邻且等距离的原子数。
堆垛层错: 晶体中不全位错扫过的晶面,该晶面两侧原子面生产错排,使得该原子层面出现错误的堆垛,这称为堆垛层错位错密度:单位体积晶体中位错线的总长度。
晶内偏析:因合金中溶质在凝固时候发生再分配,从而导致晶粒内部成分不均匀的现象称为晶内偏析。
成分过冷:合金结晶时由于溶液中溶质分布的变化,使得低熔点组元在结晶固相前沿富集,并改变了此区域的熔点,使结晶前沿液相过冷度随着离开其距离而变化,这种因液相成分变化所引起过冷称为成分过冷。
离异共晶:当合金成分偏离共晶成分很远时,先共晶结晶完后,所发生的共晶不平衡凝固,形成两相分离的组织,称为离异共晶。
二、填空题(共10空,每空1分,共10分)1. {111}、<110>、0.74;2. 切过、奥罗万绕过机制;3. 台阶、割阶4. 化学位梯度、冷变形产生的储存能、晶粒长大前后的界面能差三、辨析题,小题中有错误则改正 (共5小题,每小题6分,共30分)1、错,面心立方结构晶体的(111)晶面的正常堆垛次序为ABCABCABC……。
2、错,液体结晶为,固态相变32443V G r G r ππσ∆=∆+323244433V G r G r r E ππσπε∆=∆++3、对4、错,在晶体滑移过程中,由于位错不断移出滑移面,同时位错源开动产生更多位错,位错密度随形变量的增加而增加。
5、错,溶质原子的扩散一般是由浓度高的部位向浓度低的部位进行,但在溶质化学位驱动下也向高浓度处向低浓度扩散。
2019年全国硕士研究生招生考试初试自命题A 卷试题参考答案精都考研h t t p ://w w w .j i n g d u k a o y a n .c o m /武汉科技大学2019年考研专业课真题答案。
二O 一二年招收硕士研究生入学考试试题 考试科目及代码: 材料科学基础810 可使用的常用工具:(计算器、尺和量角器) 答题内容写在答题纸上,写在试卷或草稿纸上一律无效考完后试题随答题纸交回。
考试时间3小时,总分值150分。
姓
名: 报考学科、专业: 准考证号码: 密封线内不要写题
计算简单立方晶体中(110)和(121)的面间距。
(材控专业10已知纯铝(fcc)τc=0.79Mpa,使()111面产生[101]方向的滑移,需在上施加多大的力?(8分)
1 、2和3题,共26分;其他专业只有2题不做,共
什么是单滑移、多滑移和交滑移?滑移在抛光金属表面留下线,
晶体错动留下台阶是怎样形成?(10分)
如右图一楔型纯铜铸锭,经连轧机组轧制成板材后,其
0,右边为60%。
然后将板带进行再结晶退火
后,画出最终晶粒示意图,并分析退火对板带的加工性能和
力学性能带来的变化?(6分)
二O一二年招收硕士研究生入学考试试题参考答案
考试科目及代码: 材料科学基础810
适用专业:材料学、材料加工学、等离子物理和材料物理与化学
一、名词解释,24分
(材料加工学任选6题,每题4分,其他专业任选8题,每题3分)
1、晶格:晶体中原子(或离子、分子、原子集团)在三维空间有规律的周期性的重复排列,若假想用三组平行直线将它们几何中心连接,这些直线所形成的空间格子。
2、配位数:晶体结构中,与任一原子最近邻并且等距离的原子数。
3、成分过冷:由于溶液中溶质分布的变化,改变了熔点,从而产生的过冷称为成分过冷。
4、离异共晶:当合金成分偏离共晶成分很远时,在不平衡凝固时会形成两相分离的共晶组织,称为离异共晶。
5、位错密度:单位体积晶体中位错线的总长度。
6、枝晶偏析:金属与合金凝固时固相以枝晶方式生长,使晶内高次枝晶与低次枝晶部成分不均匀的现象。
7、柏氏矢量:代表位错畸变总量和方向的矢量
8、取向因子:当晶体受到外力时,如果外力轴与滑移面法线夹角为ψ,与滑移方向夹角为λ,则cosλcosψ称为取向因子。
9、再结晶温度:通常把再结晶温度定义为经过严重冷变形的金属(ε>70%),加热1小时,再结晶体积占到总体积的95%的温度。
10、加工硬化:金属材料在再结晶温度以下塑性变形时,由于晶粒发生滑移,出现位错的缠结,使晶粒拉长、破碎和纤维化,使金属的强度和硬度升高,塑性和韧性降低的现象。
11、动态回复:热加工时由于温度很高,金属在变形的同时发生回复,同时发生加工硬化和软化两个相反的过程。
这种在热变形时由于温度和外力联合作用下发生的回复过程称为“动态回复”。
12、间隙扩散:扩散原子在点阵的间隙位置之间跳迁而导致的扩散。
间隙固溶体中溶质原子半径较小,间隙位置数目较多,易发生间隙扩散。
二、填空题(1×20=20分)
1、14,7,
2、空位,间隙原子,温度
3、粗糙,光滑
4、温度,成分,0
5、{110},<111>,12
6、切过,绕过
7、化学位梯度,冷变形产生的储存能的释放,晶粒长大前后的界面能差
8、平行,直线
9、激冷细小等轴晶区,柱状晶区,粗大等轴晶区
10、f=C-P+1
三、画图题(材料加工44分,其他专业40分)
1、12分
fcc: {110}, <111>; bcc: {111}, <110>; hcp: {0001},<1120>
2、8分 在简单立方晶体的晶胞中画出晶面(101)和(110),并在(101)上画出[010] 和[101−
]晶向。
第 5 页 共 7 页
3、Fe-Fe 3C 相图(24分)(1)5分
(2)9分 图中DC 线是一次渗碳体、ES 线是二次渗碳体和PQ 线是三次渗碳体析出线,D 点1227℃和6.69%wt 的碳,C1148℃和4.3%,S 1148℃和2.11%,E727℃和0.77%,P727℃和0.0218%,Q300℃和0%
(3)(材控专业12分,其他专业6分)(2)HJB 水平线:J H B γδ→+L ;ECF 水平线:C Fe L E c 3+→γ;PSK 水平线:C Fe p s 3+→αγ。
B 、H 和J1495℃,0.09%、0.17%和0.53%,其中H 为包晶点;E 、C 和F1148℃,2.11%、4.3%和6.69%,其中E 共晶点;P 、S 和K727℃,0.0218%、0.77%和6.69%,S 点共析点。
四、计算题(材控专业36分,其他专业34分)
1、18分 解:含50%Sn 的合金平衡凝固后的相为:α相和β相;组织为:α+β共晶相和先共晶α相
相的相对含量: 组织的相对含量:
第 6 页 共 7 页
502%49.5%992%1%50.5%βαβ−=
=−=−= 61.950%27.3%61.918.3
%1%72.7%ααβα−==−+=−=() 采用提高过冷度和变质处理
2、(材控专业10分,其他专业8分)
(110)a a 22011d =++=
(121)
d 6a == 3、8分 79.0cos Fcos 0
c ==ϕλτ① cos λ=cos ([001],[101])=√2/2 ②
cos λ=cos ([001],[101])=√3/3 ③
21A 0= ④ ②③④代入①得,c τ=F×√6/3,F=0.968mPa
五、问答题(材控专业做1 、2和3题,26分;其他专业不做2题,共32分)
1、10分
单滑移:对于有多组滑移系的晶体,当其余外力轴取向不同时,处于软位向的一
滑移系首先开动,这便是单滑移
多滑移:若两组或机组滑移系处在同等有利的位向,在滑移时,各滑移系同时开动,
或由于滑移过程中晶体的转动使两个或多个滑移系交替滑移叫多滑移
交滑移:交滑移时指两个或多个滑移面沿同一个滑移方向滑移。
单滑移的痕迹是平行的,多滑移和交滑移是交叉的
台阶:是大量位错逸出晶体造成两部分互相错动而成。
2、6分
第 7 页 共 7 页
板带头部冷变形量少,退火未再结晶,加工和力学性能变化可忽略;中部冷变形处于临界量,退火后晶粒尺寸长大,加工和力学性能比冷变形前差,比冷变形后好;其他由于发生再结晶,强度和硬度降低,塑性与韧性变好,冷变形能力恢复。
3、10分 固溶强化指金属中由于溶质原子的存在,使得其强度提高。
固溶强化的根本原因在于溶质原子与位错的交互作用,这种交互作用又分为溶质沿位错聚集并钉扎位错的弹性交互作用和化学交互作用两类。
细晶强化是指多晶体的屈服强度随晶粒尺寸的减小而增加。
可以用Hall-Petch 关系表示:1
20s Kd σσ−=+。
式中σ0为常数,反映晶内变形阻力,相当于单晶体金属的屈服强度;
K 为常数,表征晶界对强度的影响,与晶界结构有关;d 为多晶体中各晶粒的平均直径。
细晶强化的原因是晶粒越细,晶界越多,位错运动的阻力越大。
细晶强化有尺寸限制。
细晶强化既提高材料的强度,也提高材料的塑韧性,该方法最好。
4、6分 奥氏体中碳的最大溶解度为2.11%,而在铁素体中的最大溶解度仅为0.02%,在γ-Fe 中可以获得更大的浓度梯度。
γ-Fe 的致密度0.74,而.α-Fe 的0.68,后者原子间距大,所以间隙扩散快。
Fe 原子是自扩散,原子与空位交换位置而进行;C 是间隙扩散。
5、6分
A
B C A
C
B。