线切割变频器说明书完整版
- 格式:docx
- 大小:567.69 KB
- 文档页数:14
第一章到货检查XINHY鑫弘宇线切割专用变频器在生产中均有严格的过程控制及质量检验,当你收到所定购的“线切割专用变频器”时首先要进行下列检查:开箱前的检查:(a)外包装有无明显的破损、受潮、进水等异常情况。
开箱后的检查:(a)检查包装内机器的数量,型号是否与你定购的相同,是否在运输过程中造成损伤。
(b)查看包装箱内的物品是否与“装箱单”上的一致,有无缺少。
(c)如有问题请与和你洽谈的销售人员或经销商联系。
第二章 产品外观及各部分名称。
(图1)变频器整体外观图(见图1)。
(图2)将变频器下部盖板两侧的螺丝松开即可取下上盖(见图2)。
图中各部分名称:(1)开关高频指示灯。
(2)异常指示灯。
(3)3位数码管。
(4)4个按键。
(5)变频器外部预留的通讯端口。
(6)D25针,控制信号输入输出端口。
(7)8位压线端子,连接电源,丝筒电机,水泵。
(8)交流电源输入指示灯。
(9)盖板内预留的通讯端口。
(10)SIP10控制信号端口。
第三章基本的性能介绍“鑫弘宇XINHY-BZ型”线切割专用变频器性能介绍:一、左入、右入及超程信号直接送入变频器进行换向控制。
二、内部设计有独特的断丝检测电路,无需外部电源供电,直接将“丝A”和“丝B”引线接在与钼丝接触的上下导电块上就能完成安全、可靠的断丝检测。
你可以使用“重锤”或其他形式的断丝检测,方便灵活,适应性强。
三、根据不同的机械特性使运丝电机的加速度在大范围内可调,使换向速度更快,效率更高.四、内置水泵控制开关,可直接控制单相水泵的启停,使用三相水泵时需外加继电器。
五、左入、右入、加工结束、开关高频等外部输入、输出信号极性可调, 左入、右入可以使用接近开关或行程开关、常开、常闭任你选择,适应不同厂家的要求。
六、使用3根信号线进行8段速控制,每一段速均能在0HZ-80HZ之间调节。
使机床能适应不同工件的加工要求,显著提高切割面光洁度,括大机床的适用范围。
七、无条纹切割。
本机设有“定时自动换向”功能,在加工时使电机从左至右运行X秒后,自动换向从右至左运行Y秒(一般设X >Y),能显著减少切割条纹,提高切割光洁度和精确度,提高产品竞争力。
变频器操作说明HEN system office room 【HEN16H-HENS2AHENS8Q8-HENH1688】S120操作说明1、面板(BOP)操作:1)、传动对象的选择:面板显示屏左上角显示的数字是被激活的传动对象,对应控制单元CU320及其控制下的功率模块。
同时按“FN”和“向上”键,可以该数字闪烁,通过上下键的选择,即可显示选择的传动对象。
其中,对于1#控制单元(+Z2DKG02柜):01代表1#控制单元CU320;02代表整流单元;03代表1#步进冷床前回转臂拨料机控制系统;04代表2#步进冷床前回转臂拨料机控制系统。
对于1#控制单元(+Z2DKG04柜):01代表2#控制单元CU320;02代表4#链式冷床控制系统;03代表1#链式冷床控制系统;04代表1#步进冷床控制系统;05代表2#步进冷床控制系统。
选择操作对象,即可对相应对象进行操作,以及查看状态等。
注意:传动对象在显示参数值时不可更改,即显示“P”或“r”时方可更改。
2)、参数的更改:在选择好传动对象后,可以进入想要查找的参数。
改变参数值,须先按动“FN”键,相应的参数位闪烁后方可通过上下键更改,按“P”键确认。
如果不能找到想要查看的参数,须回到传动对象为控制单元(即传动对象显示01),将参数P0003=3,可显示完全参数列表。
参数改动后,显示屏中“S”出现,说明参数存储区“RAM”和“ROM”不一致,此时须常按“P”键三秒钟,将参数写入ROM。
3)、故障复位:控制单元报故障,面板上方红色故障灯点亮,需按“FN”键进行复位。
2、常用参数:r21 输出频率r27 输出电流r31 电机输出转矩r61 编码器实际值r26 直流母线电压r2090 由自动化发送的控制字1(位显示)由自动化发送的控制字2(速度给定)发送给自动化的状态字1(位显示)发送给自动化的状态字2(位显示)P1520 转矩上限幅P1521 转矩下限幅(该值对应参数r333,电机额定转矩)P1120 加速时间P1121 减速时间。
深圳市易能电气技术有限公司 SHENZHEN ENCOM ELECTRIC TECHNOLOGIES CO.,LTD.使用手册线切割专用变频器0.75KW EDS760系列Ver: 1.0ISO9001质量体系认证目 录1 安全信息与使用注意事项1.1 安全注意事项1.2 使用范围1.3 使用注意事项1.4 报废注意事项2 变频器的型号与规格2.1 购入检查2.2 变频器型号说明2.3 变频器规格说明2.4 外形尺寸2.5 操作键盘及键盘安装盒外形尺寸3 变频器的操作3.1 基本运行配线图3.2 变频器端子定义3.2.1 P1端子定义3.2.2 端子功能说明3.3 键盘的操作与使用3.3.1 键盘布局3.3.2 键盘功能说明4 功能参数一览表4.1 表中符号说明4.2 功能参数一览表4.3 多段速功能5 报警码类型11 2 2 3 3 3 3 3 4 4 5 5 5 5 6 6 6 7 9 9 910111 安全信息与使用注意事项为了确保您的人身与设备的安全,请您在使用变频器之前,务必认真阅读本章内容。
1.1 安全注意事项本使用手册中与安全相关的警示有如下两种:本符号说明操作时需要注意的事项及如果不按要求操作,可能使身体受伤或设备损坏121.2 使用范围(1) 本变频器仅适用于线切割专用三相交流异步电动机。
(2) 如果将变频器用于其他场所时,请向厂家咨询;(3)本产品不要用于与生命、重大财产、安全设备等相关的可靠性要求非常高的设备。
1.3 使用注意事项(1) EDS760系列变频器为电压型变频器,使用时电机的温升、噪声和振动与工频运行相比较略有增加,属正常现象。
(2) 如果需要以低速恒转矩长期运行,必须选用变频电机。
若使用一般的异步交流电机低速运行时,应监控电机温度或采取强制散热措施,以防烧毁电机。
(3) 若超过电机额定频率运行时,除了考虑电机的振动、噪音增大外,还必须确保电机轴承及机械装置的使用速度范围,请务必事先确认。
线切割操作手册这里主要介绍直线、斜线、圆的切割:开控制面板后在控制面板上按如下操作即可监控→准备→初始化→程序编辑→A →0 0 0 1→① X=10mm ,Y=0的直线命令:C0C0(CC )→C1 00 00 D8→EE EE② X=0,Y=10mm 的直线命令:C0C0(CC )→C1 00 00 E9→EE EE③输入X=-10mm ,Y=-10mm 的斜线程序:C1C1→C10000→BE →EE EE④输入R=10mm 的逆圆程序:C1 00 00→C0→C 40 00 0 E →F5→EE EE→监控→准备→参数输入→一直摁0键直到出现“]”→启动切割→0001→0001 →高频→开动机床→碰刀→进给、变频同时按下→程序加工完毕。
说明:(1)控制面板上每一个键可能有1~2个数字或字母,表示不同功能,比如键盘C ,它左下角会有个字母B ,则表示输入B 也要通过摁C 键实现) 此机床为人工输入,采用3B 格式编码,编码格式为B X 位置 →B Y 位置→ B 计数长度 →GX 或GY (计数方向)→L 或NR 或SR如X=10mm ,Y=0的直线命令:C0C0(原点为0时0可以不输入,则直接输入CC 即可)→C1 00 00 D8,由于直线起点皆为原点,原点坐标为(0、0),B 在键盘上位C 键。
所以 B+(X 位置)在按键上为C+0B+(Y 位置)在按键上为C+0B+(计数长度)在按键上为C+1 00 00(10000单位为μm ,切割机上全部用μm 表示,10mm 则是10000μm )GX 在D 按键上(意思为往X 轴方向行走,往Y 轴则是(GY )L (1234)代表四个方向,直线往哪个方向走刀则是L 几,比如L1在键盘8上,所以输入8。
如果是圆命令,则是看顺圆逆圆,逆圆则按行走方向按键,在NR1方向开始走刀则按NR1,NR1在键盘上为5号数字键。
(其余按键见控制面板键盘,上面标的都很清楚)L2 L3 L4 NR1 NR2 NR3 NR4L1在“启动切割→0001→0001”中,第一个0001表示共输入了几条程序,一条程序则是0001,5条则是0005,10条则是0010,后一个0001表示从哪一条程序开始切割,0001则是第一条开始,若要从第三条开始,则0003。
ky-ii型线切割变频器说明书KY-II型线切割变频器说明书一、引言KY-II型线切割变频器是一种用于金属加工行业的电气设备。
本说明书将详细介绍KY-II型线切割变频器的特点、技术参数、操作方法以及注意事项,以帮助用户正确、安全地使用该设备。
二、特点1. KY-II型线切割变频器采用先进的变频技术,能够精确控制线切割过程中的电流和频率,提高切割精度和效率。
2. 该变频器具有稳定的输出功率和频率,能够适应不同材料和切割要求。
3. 设备结构紧凑,安装简便,操作方便。
4. KY-II型线切割变频器具有过载保护、短路保护等多种安全保护功能,能够保证设备和操作人员的安全。
三、技术参数1. 输入电压:220V/380V±10%2. 频率范围:50Hz/60Hz3. 输出频率范围:1Hz-500Hz4. 输出电流范围:0A-200A5. 切割速度范围:0.1m/min-10m/min四、操作方法1. KY-II型线切割变频器的开关按键位于设备的控制面板上,可通过按下相应的按键实现启动、停止和调节切割参数等操作。
2. 在启动设备之前,需确保电源连接正确,设备接地可靠。
3. 设置切割参数前,需根据切割材料的种类和厚度进行调整。
可通过按键选择切割电流、频率和切割速度等参数。
4. 在切割过程中,需注意设备运转状态,保持周围环境通风良好,避免过热。
五、注意事项1. 在操作和维护设备时,务必先切断电源,确保安全。
2. 请定期检查设备的电源线路、接地情况和散热系统,保证正常工作。
3. 禁止在设备运行过程中拔插电源线或更改设备设置,以免引起故障或意外伤害。
4. KY-II型线切割变频器仅适用于金属加工行业,禁止用于其他用途。
5. 请勿将水或其他液体溅入设备内部,以免导致短路或损坏。
6. 在设备故障时,请及时联系售后服务人员进行维修,切勿私自拆卸或修理。
六、总结KY-II型线切割变频器是一种功能强大、操作简便的电气设备,能够满足金属加工行业对切割精度和效率的要求。
目录第一章概述1一.主要功能与技术指标2二.系统结构与工作原理2三.控制器信息2第二章操作说明3一.开机状态3二.控制器操作面板和键盘布局图3三.正常待命和指令执行状态下的显示3四.程序输入与编辑4五.控制计算功能和参数定义10六.加工方法19七.锥度加工实例27 第三章安装与维护31一.安装与调试31二.常见故障分析与维修32三.控制器接线表32附一功能速查表36 附二控制器出错提示定义39 附三3B 程序的编写方法40编后注意事项43特别提醒: 本控制器国家版权号为:2006SR02778操作前请详细阅读使用说明书!—1—第一章概述C3000系列微机线切割控制器采用MSC-51系列单片机为主机,功能齐全先进,操作直观简便,调试维护方便,运行稳定可靠,体积小,价格低.能与各种类型的线切割机床,高频脉冲电源和线切割编程机配套;是目前国内性能价格最理想的线切割控制器.一.主要功能与技术指标1. 控制器工作电压与频率:交流220V±10%;50±2Hz2. 控制器工作功率:20W3. 程序容量:4500条加工指令(部份机器需加扩容芯片,可自行加装).4. 最大控制xx 和圆弧半径:最大控制长度为10米,最大控制圆弧半径为100米.5•间隙补偿:3B指令自动间隙补偿(可不加过渡圆,直接尖角补偿);补偿量为0-99 卩m.6. 齿隙补偿:可提高机床传动精度,补偿量为0-49卩m.7. 比例缩放:缩放范围为输入指令的到10 倍.8. 输入方式:键盘,纸带和直接与编程机通信.9. 并行工作:加工控制同时可输入编辑程序和校零操作.10. 数据保护:在切割加工过程中,对被加工程序段和参数进行保护,不能进行修改,插入,删除等编辑操作.11. 运行方式:任意角度旋转,平移,对称;指令倒走;比例缩放;快速校零等.12. 回退功能:短路自动回退,消除短路后自动转为切割,也可手动回退;自动回退等待时间在1-99 秒内任意设定.13. 断丝功能:按键控制XYUV四轴返回起始点.14. 清棱功能:段末高频延时消除钼丝滞后,可加工清棱角工件.延时时间在0.1-9.9秒内任意设定.15. 锥度控制:具有标准锥度,尖角锥度,等圆弧/等直线锥度和上下异型控制功能.—2—16. 停机控制:加工结束报警并输出机床停机信号.17. 断电保护:断电保存加工程序与加工状态,来电后从掉电处继续往下切割.18. 驱动方式:双三拍,三相六拍,五相十拍(锥度)任选.19. 实时时针:系统具有实时时针和限期锁机功能,可查询当前日期和时间.可选配闹钟,定时关机等功能.二.系统工作原理控制器由8032主控单片机,存储器,键盘显示单片机,通信接口,变频电路与步进驱动电路构成.控制器有待命,上档和设置功能三种运行状态.在待命状态下可进行程序输入,检查,修改,插入,删除和恢复操作以及执行正割,倒割等功能.在上档状态下可执行电报头程序输入,编程器数据通信,程序作废,校零;旋转,平移,缩放操作,间隙补偿量的设置等等功能在设置状态下操作.该控制器在加工控制的同时可输入其它程序,还可进行快速校零运算;这对用户来说是很有益的.键盘处理程序采用状态变量法和直接分析法进行设计,操作只能按约定的序列进行,排拆所有无关的输入,同时所有执行命令键互锁,防止误操作,提高了系统的安全性和可靠性.三.控制器信息本控制器内有出厂编号,出厂日期和驱动相数,锥度功能可供查询.在待命状态下按L4键显示控制器型号,出厂编号,出厂(销售)日期可供服务时查询•具体格式为:C- 5H - 320806.01.01产品代码出厂编号出厂日期电机相数相)锥度模式:H为锥度丄无锥度此时再按L4键显示控制器软件版本号,按待命键返回.—3—第二章操作说明一.开机状态控制器开机,有下列四种显示状态.1. 显示GOOD此时控制器内部正常,停电保护可靠;有些机型后八位同时有实时时针显示.2. 显示原有加工状态(计数xxJ)此时开动机床即可继续进行切割加工.暂停后,连续按三次D键,将退出原有加工状态3. 显示闪烁GOOD并音响报警表明控制器内部ROM 数据出错,不能按原有状态进行继续加工.4. 系统持续处于暂停状态,无法继续加工.此时控制器已处于锁定状态,请与销售商联系,索取解锁密码和操作方法.二.控制器操作面板和键盘布局三.正常待命和指令执行状态下的显示在待命状态下,有正常待命和执行状态两种显示状态.1. 正常待命—4—此状态下,控制器只显示一个"P ",按GX或GY键时显示的是XY轴走过的总步数,此时可按D键将XY坐标值清零;当切换到上档状态显示Q "后,按GX或GY键时显示的是UV轴走过的总步数,UV坐标值不能清零.在正常待命状态下,可以输入,修改或删除所有的功能参数值和改变控制状态.2. 执行状态此状态时的待命状态不再是显示"P ",而是显示正在执行的指令的计数长度,即J值,同时还有指令段号和加工指令.当连续按待命键两次时,显示的符号在"J "和"U "之间切换,同时可能数值也在变换,表示控制器在显示下工件面的指令和显示上工件面的指令之间切换;当显示符号"J "时,表示显示的是下工件面的指令,当显示符号"U " 时,表示显示的是上工件面的指令.此时按GX键或GY键分别显示的是当前指令的"X"值或"Y"值,并且还有指令特定符.具体显示的是上工件面还是下工件面,取决于在待命状态时,控制器是处于哪一种状态;若处于显示下工件面状态,则此时显示的是当前正在执行的指令的下工件面的"X"值或"Y"值,若处于显示上工件面状态,则此处显示的是上工件面正在执行的指令的"X"值或"Y"值.3. 实时时钟本控制器新增实时时钟功能,在待命状态下按L3 键可显示日期和时间,此时按设置键,日期数据闪烁显示,系统进入日期设置状态,输入6位日期(2位年,2 位月,2位日),按设置键进入时间设置,输入6位时间(2位时,2位分,2 位秒)按设置键设置结束,按待命键返回待命状态.显示日期和时间时继续按L3键可检查控制器ROM出错次数和累计加工次数.本控制器具有限期锁机功能,可设定锁机日期,到期控制器自动持续处于暂停状态,无法正常加工(其他操作正常);设置锁机日期后用—5—户将无法改变系统日期.限期锁机操作:在待命状态下输入代码"9001"后按B 键,控制器显示"Ooo1 ----------- 光标闪烁显示,键入6位原始密码后按B键确认;输入正确密码显示"Ooo2 --------- "(如不正确则显示错误提示),此时请输入 6 位锁机新密码(务请牢记此密码,此密码即为解锁密码)按 B 键确认后显示"Ooo3 ----- ",此时你只要输入6位锁机日期(2位年,2位月,2位日)后按B键确认即可;如设置成功控制器显示"5ucce55",按待命键返回.当控制器设置了锁机日期后进行锁机操作时则显示原设定的锁机日期,此功能可用来检查锁机日期的设置.解锁操作:在待命状态下输入代码"9002"后按B 键,控制器显示"pa55 ---------- "光标闪烁显示,键入6位解锁密码后按B键确认;输入正确密码显示"5ucce55"解锁成功(如不正确则显示错误提示).代理商,配套厂家和销售商如有需要可年控制器刞厂编号,埻器码与厂方联系索取初始密码.四.程序输入与编辑在显示GOOD状态时,按待命键,显示P后可进行程序输入,检查,插入,删除,快速校零等操作,操作时指令段号必须输入.1. 键盘输入程序本控制器接受3B格式指令可存放4500条加工指令,指令段号为0〜4500.加工指令可存放在任意段号位置,并可同时存放多个加工程序;在切割加工过程中仍然可以输入指令.指令输入步骤为:(1)3B 格式指令(m 为指令段号)m B X B Y B J GX/G Y 标志符开始输入新程序时,首先要输入起始条指令段号•接着按B键,便可开始输入3B指令的第一个B值即X值;再按一次B键后,输入第二个B值即丫值,再按一次B键后,输入第三个B值即J值再按GX或GY键,输入加工方向,最后输入加工指令"SR1-4","NR1-4或"L1-4";如果该指令是具有特别定义的指令,如"引线","回复线","最后一条—6—指令"或"等园弧","跳步线"这五种之一的话,则要输入它们的特别定义符,具体详见下面的说明.到此即完成了一条指令的全部输入过程,程序输入过程中可反复按删除键退至上一步输入,直到该条程序起点;若要继续输入下一条指令,可以直接按 B 键,指令段号会自动加1.若要从新的位置开始输入,则必须重新输入指令段号后再按B 键.若不再输入指令,则按待命键返回到待命状态下.特别定义符(标志符)的说明:引陑:斜度宷工时也称自斜陑,在坁叧后按一次L3观显姗"L",表姗该坁叧为引陑.跳步陑:用于宷工跳步模;在坁叧后按两次L3观显姗"JL"表姗该坁叧为跳步陑在执行跳步陑时不能装钼叹.等园弧宷工坁叧:标有该符号的坁叧在斜度宷工时都作等园弧处理.在坁叧后按一次L4观,显姗"DL",表姗该坁叧为等园弧宷工暂停符/回复陑:与引陑对应使用•有时也单独使用,表姗暂停符.在坁叧后按一次D观,显姗"END ",表姗该坁叧为回复陑.停埻符:有时也与引陑配咎使用(兼作回复陑功能)•在坁叧后按两次D观显姗"ALLEND ",表姗该坁叧为最后的坁叧,当执行完该条坁叧后,控制器将输刞关埻床忄号.每个程序中可设置暂停指令,输入完毕则必须在程序末设置停机指令.设置步骤为按D(停机符,END或D D全停符,ALLEND).(2) 在加工时输入程序加工时,显示器显示当前加工状态.按待命健显示当前加工状态,再按数字键(输入指令起始段号)显示器左 4 位显示输入的起始段号,此时可按3B 格式输入指令; 一条输入完后按B 键段号自动加1,接着可输入下一条指令到段末后一定要输入停机符END或ALLEND.(3) 在显示GOOD状态时输入程序按待命键显示器显示P再按数字键输入起始段号后可按3B格式输入指令.3B 坁叧输入举例—7—操作数码管显姗状态待命P100 1 0 0B2000 1 0 0 H 2 0 0 0B 1 0 0 yB8000 1 0 0 J 8 0 0 0GY 1 0 0 y J 8 0 0 0NR1 1 0 0 y n r 1 J 8 0 0 0B 1 0 1D 1 0 0 y n r 1 JE n DD 1 0 0 y n r 1 J AE n D(4) 直线指令的快速输入本控制器提供3B直线指令的快速输入方法,只要输入X值后直接按GX或GY键输入计数方向和L1,L2丄3丄4加工指令即可完成直线指令的输入.(5) 错误指令自动检测①直线的座标值直线被定义为在XY座标系上与X,Y座标轴平行的直线(以示与斜线区别),加工指令规定:座标原点和终点均取X=Y=0,0座标可以不输入所以与X轴平行的直线必须为B B BJ GX L或L3,与丫轴平行的直线必须为B B BJ GY L或L4.②斜线的座标值斜线被定义为在XY座标系上既不平行又不垂直于X,丫轴,有斜率的直线.加工指令规定:座标原点取在起点,指令中X,丫数值为终点座标值;斜线加工偏差是由斜线与X 轴的夹角或终点座标值X,丫之比来确定,斜线计数方向关系到加工精度,由比较终点座标值Pe(Xe,Ye来确定的,当Xe大于Ye时取GX,当Xe小于Ye时取GY当Xe等于Ye时取GX,GY匀可.③圆弧的座标值圆弧被定义为标准圆圆弧,一切非圆曲线均需用直线和圆弧逼近法—8—计算.圆弧指令规定:座标原点取在圆心,X,Y座标值为起点座标值,圆弧的计数长度是计数方向上拖板在加工过程中累计移动的总距离,即不同象限的各部分圆弧分别在计数方向座标轴上投影长度总和•圆弧计数方向为比较终点座标值Pe(Xe,丫e来确定,当Xe 小于Ye时取GX当Xe大于Ye时取GY当Xe等于Ye时取GX,GY均可.如果你输入了如下一些不规则指令,控制器就提示错误,显示标志"Error"B B B 123 GX L或L4B B B 123 GY L或L3B 123 B 234 B 234 GX L1,L2,L3,L4B 500 B B 500 GY NR1B B 500 B 500 GY SF等等2. 检查在待命状态下,首先输入要检查的指令段号,再按检查键,显示器即开始显示该指令的第一个B值即X值,按检查键后接着显示第二个B值即Y 值,再按检查键后接着显示第三个B值即J值,再按检查键后则显示加工方向和加工指令,如是特别定义的指令,则同时显示该指令的特别定义符.到此该指令已检查完成,若要继续检查下一条指令,可以直接按检查键后,指令段号自动加1,同时显示下一条指令的第一个 B 值,依次类推........ 若需要检查其它段号的指令,则需要重新输入该段号后,再按检查键即可.在任何时候都可按待命键返回到待命状态.在检查过程中不按任何键,则每过 5 秒后,控制器会自动显示下一项内容,与按检查键的效果相同.3. 插入(显示提示符INC )若要在某个段号处插入一条指令,同时将该段号后面的指令向后移动一条,则可以使用插入功能.具体操作为:在待命状态下,输入需要插入的段号,按插入键, 控制器显示"INC ",表示已插入成功,此时该段号处的指令为空,再使用键盘输入指令法按 B 键开始输入需要插入—9—的指令即可.4. 删除(显示提示符DEL)若要将某个段号处的指令删除,同时将后面的指令向前移过来,则可以使用此功能,具体操作为:在待命状态下,输入需要删除的段号,按删除键,控制器显示"DEL"表示已删除成功,此时该段号处已经是后面的一条指令.5. 修改以要修改的段号为段号,按输入指令的方法把这条指令修改为正确的指令.另外在检查的时侯发现这条指令没有停机符或标志符,可按D键或特定标志键插入,这条指令就修改为有停机符或其他标志符的指令,在显示标志符或停止符时可按删除键删除标志符或停止符,反复按删除键可退上一步修改,直至该条程序起点.6. 作废若要将某一段段号内的指令全部作废,使它们全部无效,则可以使用此作废功能,具体操作为:在待命状态下,首先按上档键将控制器切换到上档状态,再输入要作废程序段的起始段号后按L4键,显示"[”符号,再接着输入这段的结束段号后按L4键,显示"] "符号,最后按作废键,控制器会自动将该段段号内的所有指令作废后返回到待命状态.例如:要把第100 到150 条指令作废,操作为:按上档显示"Q ",按 1 0 0 () 1 5 0 (作) 废键, 作废操作结束.7. 恢复若要将先前已经作废的某段段号内的指令全部恢复成有效指令,则可以使用恢复功能,具体操作为:在待命状态下,首先按上档键将控制器切换到上档状态,再输入要恢复程序段的起始段号后按L4键,显示"[”符号,再接着输入这段的结束段号后按L4键,显示"] "符号,最后按恢复键,控制器自动将该段内的指令全部恢复后返回到待命状态.例如:要把第100 到150 条指令恢复,按上档显示"Q ",按 1 0—10—0 () 1 5 0 ()恢复键,恢复操作结束.只有先前已经用作废功能作废的指令,才能用恢复功能将其恢复.8. 快速校零所谓快速校零,就是对整个加工程序终点位移量计算,以检测加工图形是否封闭,从而验证程序是否正确.当将一段完整的指令段输入到控制器后,在加工开始前,一般都要作封闭性检查,即检查该段指令的图形是否封闭,以确认加工出来的工件是否正确;因为一般工件的轮廓线都应是封闭的.如果使用人工计算,则工作量太大;如果在机床上模拟加工一遍,则可能时间太长,而快速校零功能就是为此设计.它可以自动计算出并显示出某段指令的终点到起点的距离,既快速又准确.当用户需要检查某个指令段的封闭性时,即可使用该功能.具体方法为:在上档状态下,输入需检查的指令段的起始段号,然后按校零键,控制器立即开始由输入的起始段号计算起,显示器跟踪显示已经计算到的指令段号,一直自动计算到结束段号后停下来,显示出计算的起始段号和结束段号,以便用户检查是否正确,再按一下任何键,就显示出计算出来的终点到起点的距离;左边的数值是X 方向的距离,右边的数值是丫方向的距离.当有斜度加工时,第一条指令必须是引线.快速校零时可以加补偿量,加补偿校零与不加补偿校零可能有点不同,这是因为四舍五入法的关系,但是只要不影响精度,就可切割加工;另当带补偿切割时不能校零,不加补偿加工时可以在任意时候,任意条指令校零;校零末段号以停机符DD 为界.例:从200条开始校零.按上档键显示Q ,按 2 0 0校零键右面显示200,左面显示以200开始至停机符的段号,当校零结束,左右显示换位,按任意键,显示器左面八位显示X值,右面八位显示Y值.9. 纸带输入和编程机通信本控制器同时提供同步传输和应答传输二种通信方式,并兼容高低—11—电平数据;能与各种类型的编程机直接通信.使用该方式可以接收与纸带读入器完全兼容的数据,但不能直接联接纸带读入器,必须加装驱动接口•目前市面上流行的"OX丫自动编程软件,丫H线切割编程软件,CAXA线切割编程软件等都是该接口,本控制器可以直接与它相联.首先将传输线(该线必须按规定配套制作)的一端插入本控制器的通讯口,另一端插入计算机的并行端口,设置好控制器与计算的通信方式后将本控制器置为通讯等待状态;具体操作方法为:先按上档键将本控制器由待命状态转入上档状态(显示Q ),再输入接收指令的起始段号,按通信键,控制器显示当前传输模式,用户可通过GX或GY键选择传输模式,再按B键进入当前通讯模式的等待状态(这种状态下控制器只有按待命键后退出,其它按键不予理会);此时再将计算机的自动编程软件启动到"传数控程序" 或"应答传输"功能,让计算机开始发送指令;如控制器使用同步方式接收指令,则要将计算机的自动编程软件启动到"穿数控纸带"或"同步传输"功能.在控制器接收过程中,显示器不停地变换显示接收到的指令,同时接收完一条指令后,指令段号会自动加1, 直到最后一条指令输入停机符"DD" 后即自动返回到待命状态,表示通讯传送完成.若要提前中断接收过程,可以直接按待命键,强行返回到待命状态下,控制器会自动停止接收.①同步传输由于传输方式特殊,如需要在加工状态下使用,请先暂停加工后使用,以免传输数据出错!②第 1 档为:显示oo1 - 1 O 为同步传输模式,数据高电平有效;第 2 档为:显示oo2- D0 为应辿传输模式,数据低电平有效;第 3 档为:显示oo3- D1 为应辿传输模式,数据高电平有效;③各种特殊模式会根据用户需要陆续添加,不另外一一列举.五.控制计算功能和参数定义本控制器具有平移,旋转,等锥体计算及控制,尖角间隙补偿,齿隙补偿,指令缩放等多种控制计算及加工功能,它们都带有自己的特定参数.下面详细说明这些功能的使用方法和参数输入及定义.—12—1. 平移功能平移功能是指让规定段号段内的指令重复执行规定的次数的一种加工控制方法.当编程的指令有相同的连续重复加工时,用户只需输入一段指令,其它的相同指令可以不必输入,从而减少用户输入的指令条数,减少工作量.相同的指令段必须是连续的,中间不能有其它指令.平移参数设置:按上档键将控制器切换到上档状态,再按设置键将控制器切换到设置状态;接着输入要平移程序段的起始段号后按L4键,显示"[”符号,再接着输入这段的结束段号后按L4键,显示"]"符号,最后输入需要平移的次数后按平移键,到此已经将所有平移参数输入完成,显示器显示出刚才输入的三个参数,控制器面板上的平移指示灯会点亮,表示已经规定了平移功能.任何时候当程序执行到该段指令内时,平移功能都将起作用.而指令在该段程序外执行时则不起作用.平移参数检查:按上档,设置键将控制器切换到设置状态,再按平移键,如果没有平移功能,则显示一个"0",并且面板上平移指示灯不亮;如果有平移功能,则显示出规定的三个平移参数,显示器上从左到右分别是:平移指令段的起始段号,结束段号和平移次数,并且平移指示灯是点亮的.平移参数删除:检查平移参数,在显示平移参数时按 D 键,控制器将删除平移功能,平移指示灯也将同时熄灭.坁叧平移操作举例操作数码管显姗状态上档q设置S100 1 0 0L4 [150 1 5 0L4 ]99 9 9平移 1 0 0 - 1 5 0 9 9待命P—13—2. 旋转功能旋转功能与平移功能相似,也是让规定段号内的指令重复执行规定的次数的一种加工控制方法,但是旋转功能同时还要将这个指令段的指令旋转一个规定的角度,且每次旋转的角度都随着次数在增大.它的作用与平移也相似,当编程的指令有相同的连续重复加工且每次旋转一个特定的角度时,可以允许用户只输入一段指令,其它相同指令可以不必输入,从而减少用户输入的指令条数,减少工作量.重复的指令段必须是连续的,中间不能有其它指令旋转参数设置:按上档键将控制器切换到上档状态,再按设置键将控制器切换到设置状态;接着输入要旋转程序段的起始段号后按L4键,显示"[”符号,再接着输入这段的结束段号后按L4键,显示"]"符号,再输入需要旋转的次数后再按旋转键,最后输入每次旋转的角度后就已经将所有旋转参数输入完成,控制器面板上的旋转指示灯会点亮,控制器转到显示旋转参数功能上,表示已经设定了旋转功能.显示器首先显示出起始段号和结束段号,按旋转键后显示旋转次数和角度.任何时候当程序执行到该段指令内时,旋转功能都将起作用.而指令在该段程序外执行时则不起作用.旋转参数检查:按上档,设置键将控制器切换到设置状态后,再按旋转键,如果没有旋转功能,则显示一个"0", 并且面板上旋转指示灯不亮;如果有旋转功能,则首先显示出旋转段的起始段号和结束段号,按旋转键后显示器显示出旋转次数和角度,并且旋转指示灯一直是点亮的.旋转参数删除:先检查旋转参数,则在显示旋转次数和角度时按 D 键,控制器将删除旋转功能,旋转指示灯也将同时熄灭.删除旋转参数时只能在显姗旋转次数和角度时按 D 观,在显姗旋转起始段号和结束段号时按D观的效果等同于按旋转观,而不能删除旋转参数•输入旋转角度的方法是,数码管显示出上角小"°"即度的符号时,首先输入整数部分,最多三位,然后按旋转键,数码管显示小数点,再输入小数部分,按旋转键即可. 坁叧旋转操作举例—14—操作数码管显姗状态上档q 设置S 1000 1 0 0 0 L4 [ 1150 1 5 0 0 L4 ] 12 1 2 旋转1 2 @ 15 1 2 @ 1 5 旋转1 2 @1 5 . 123456 12 @ 1 5 . 1 23456 旋转1 0 0 0 1 1 5 0 旋转1 2 @ 1 5 . 1 2 3。
沁远数控线切割变频器说明书变频器操作简易说明前言为了充分地发挥本变频器的功能及确保使用者的安全,请详阅本操作手册。
当您使用中发现任何疑难而本操作手册无法提供您解答时,请联系沁远数控各地区经销商或本公司业务人员,我们的专业人员会乐于为您服务,并请您继续采用我们产品※使用须知线切割变频器是精密的电力电子产品,为了您的生命财产安全,本手册中有「危险」和「注意」等字样提醒您在搬运、安装、使用、检查变频器时的安全注意事项,请您配合遵守。
危险: 操作不当时,可能造成严重的人身伤害。
注意: 操作不当时,可能造成变频器或机械系统损坏。
危险.1: 变频器PE接地端子请务必正确接地。
且接地阻抗须小于80Ω;2: 在变频器断电后,在主板上的红色电源指示灯未熄灭前,请勿触摸线路板3: 不可在送电过程中实施配线,变频器处于运行状态时请勿检查线路板。
4: 请勿自行拆装或更改变频器内部连接线或线路及零件5: 请勿触摸散热座,等发热组件。
6: 变频器可以很容易使电机低速到高速运转,请确认电机与机械的容许范围。
7: 变频器运转中时请勿检查电路板上的信号。
8: 检修变频器或水泵请关总电输入请先确认电源切断后,且电源指示灯熄灭后,才可进行拆装或实施检查。
注意:1: 变频器周围温度应在-10℃~+40℃95%RH 无结露环境中使用2: 防止雨水滴淋或潮湿环境,避免直接日晒。
3: 防止油雾,盐分侵蚀,防止腐蚀性液体、瓦斯4: 防止粉尘,棉絮及金属细屑侵入,远离放射性物质及可燃物5: 防止电磁干扰(熔接机,动力机器)6: 防止震动(冲床)若无法避免,请加装防震垫片减少震动7: 变频器安装在控制盘内时,请注意摆放位置以利散热,请另外加配置散热风扇,要以变频器周温低于40℃为原则8: 变频器于出厂时均已调整设定,请不用任意加以调整1/4 一:技术参数1.1: 220V电压输入三相输出,有水泵输出接口1.2: 功率0.75--1.5KW1.3: 频率0--60Hz可调1.4: 换向时间0.3--2秒可调1.5: 换向断高频时间0--2秒可调1.6: 变频器一共七档输入,每档可单独无级调速1.7: 割完停机,断丝保护,往复走丝,电机卡死保护,输出短路保护….等功能其全二:外围接线描述2.1:行程开关j01:0V; j02: 超程保护;J03: 换向左入;J04: 换向右入;J05:12V输出(可给接近开关供电,接近开关请选用12V-36V,NPN ,3线,常开型);2.2:割完停机J06:0V; J07: 割完停机;2.3:调速档位J08: 0V;J09: 3档;J10: 2档; J11: 1档;2.4:水泵-丝筒J12:0V; J13: 关水泵;J14: 开水泵;J15: 关电机;J16: 开电机;2.5:断丝保护: J17,J18;2.6:换向断高频: J19,J20;三:手控盒菜单长按确定(菜单)键3秒进入设置菜单,短按确定键退出设置菜单进菜单后,左右键调整菜单上下键加减参数。
沁远数控线切割变频器说明书变频器操作简易说明前言为了充分地发挥本变频器的功能及确保使用者的安全,请详阅本操作手册。
当您使用中发现任何疑难而本操作手册无法提供您解答时,请联系沁远数控各地区经销商或本公司业务人员,我们的专业人员会乐于为您服务,并请您继续采用我们产品※使用须知线切割变频器是精密的电力电子产品,为了您的生命财产安全,本手册中有「危险」和「注意」等字样提醒您在搬运、安装、使用、检查变频器时的安全注意事项,请您配合遵守。
危险: 操作不当时,可能造成严重的人身伤害。
注意: 操作不当时,可能造成变频器或机械系统损坏。
危险.1: 变频器PE接地端子请务必正确接地。
且接地阻抗须小于80Ω;2: 在变频器断电后,在主板上的红色电源指示灯未熄灭前,请勿触摸线路板3: 不可在送电过程中实施配线,变频器处于运行状态时请勿检查线路板。
4: 请勿自行拆装或更改变频器内部连接线或线路及零件5: 请勿触摸散热座,等发热组件。
6: 变频器可以很容易使电机低速到高速运转,请确认电机与机械的容许范围。
7: 变频器运转中时请勿检查电路板上的信号。
8: 检修变频器或水泵请关总电输入请先确认电源切断后,且电源指示灯熄灭后,才可进行拆装或实施检查。
注意:1: 变频器周围温度应在-10℃~+40℃95%RH 无结露环境中使用2: 防止雨水滴淋或潮湿环境,避免直接日晒。
3: 防止油雾,盐分侵蚀,防止腐蚀性液体、瓦斯4: 防止粉尘,棉絮及金属细屑侵入,远离放射性物质及可燃物5: 防止电磁干扰(熔接机,动力机器)6: 防止震动(冲床)若无法避免,请加装防震垫片减少震动7: 变频器安装在控制盘内时,请注意摆放位置以利散热,请另外加配置散热风扇,要以变频器周温低于40℃为原则8: 变频器于出厂时均已调整设定,请不用任意加以调整1/4 一:技术参数1.1: 220V电压输入三相输出,有水泵输出接口1.2: 功率0.75--1.5KW1.3: 频率0--60Hz可调1.4: 换向时间0.3--2秒可调1.5: 换向断高频时间0--2秒可调1.6: 变频器一共七档输入,每档可单独无级调速1.7: 割完停机,断丝保护,往复走丝,电机卡死保护,输出短路保护….等功能其全二:外围接线描述2.1:行程开关j01:0V; j02: 超程保护;J03: 换向左入;J04: 换向右入;J05:12V输出(可给接近开关供电,接近开关请选用12V-36V,NPN ,3线,常开型);2.2:割完停机J06:0V; J07: 割完停机;2.3:调速档位J08: 0V;J09: 3档;J10: 2档; J11: 1档;2.4:水泵-丝筒J12:0V; J13: 关水泵;J14: 开水泵;J15: 关电机;J16: 开电机;2.5:断丝保护: J17,J18;2.6:换向断高频: J19,J20;三:手控盒菜单长按确定(菜单)键3秒进入设置菜单,短按确定键退出设置菜单进菜单后,左右键调整菜单上下键加减参数。
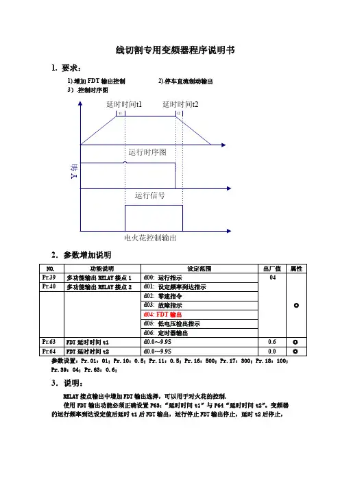
线切割专用变频器程序说明书
1.要求:
1).增加FDT输出控制2).停车直流制动输出
3).控制时序图
电火花控制输出
2.参数增加说明
Pr.39:04;Pr.63:0.6;
3.说明:
RELAY接点输出中增加FDT输出选择,可以用于对火花的控制.
使用FDT输出功能必须正确设置P63:“延时时间t1”与P64“延时时间t2”。
变频器的运行频率到达设定值后延时t1后FDT输出,运行停止FDT输出停止,延时t2后停止,
参考:
博士康沃变频器参数如下:
B-0=2 运行参数选择高级参数
B-1=1 频率输入通道选择面板数字设定
B-2=1 运行命令输入通道外部方式
B-3=50 频率数字设定
B-12=2 OC1输出设定频率水平检测信号
B-13=2 OC2输出设定频率水平检测信号
L-7=0.8 加速时间
L-8=0.8 减速时间
L-9=5 直流制动起始频率
L-10=1 直流制动动作时间
L-11=15 直流制动电流(电压)
L-17=20 多段速频率1
L-18=30 多段速频率2
L-19=10 多段速频率3
L-46=0.5 高频延时时间 FDT输出延时时间
H-12=0 外部运行命令方式选择两线控制模式2 H-14=1 输入端子1功能选择多功能控制端子1 H-15=2 输入端子2功能选择多功能控制端子2 H-22=0.8 阶段1加减速时间
H-25=0.8 阶段2加减速时间
H-28=0.8 阶段3加减速时间
H-31=0.8 阶段4加减速时间
H-43=99 跳跃频率2。
南方安华线切割机变频器接线调试说明线切割机电气连线图:X1 X2 X3 X4 X5 X6 X7 X8 COM +485MAMB MC -485 AO AIN 12VY外部端子输入RSUVW单相220V M运丝电机通讯接口通讯接口模拟输出模拟输入直流电源故障输出高频继电器输出端子定义:X1 端子定义为正转运行对应参数为P0-016 默认设置为 1X2 端子定义为反转运行对应参数为P0-017 默认设置为 2X3 端子定义为三线制辅助对应参数为P0-018 默认设置为 3X4 端子定义为往复运行对应参数为P0-019 默认设置为 14X5 端子定义为点动运行对应参数为P0-025 默认设置为 7X6 端子定义为多段速端子2 对应参数为P0-107 默认设置为 24X7 端子定义为多段速端子3 对应参数为P0-108 默认设置为 25X8 端子定义为多端速端子4 对应参数为P0-109 默认设置为 26COM 端子定义为公共端子MB-MC 端子定义为高频继电器输出对应参数为P0-025 默认参数设置为7Y 端子定义为故障输出对应参数为P0-026默认设置为1参数设置:P0-000为命令源选择 0 键盘控制 1 模拟端子控制 2串行通信控制(设置为1 模拟端子控制)P0-009 为加速时间(建议设置为0.5-2秒之间)P0-010 为减速时间(建议设置为0.5-2秒之间)P0-020 端子控制模式 0二线制模式1 1二线制模式2 2三线制模式13三线制模式2 4 端子控制方式为三线制模式3 P0-032 为停机制动起始频率0-100Hz 根据实际情况设置建议设置为3HzP0-033 为停机直流制动电流0-150% 根据实际情况设置建议设置为80%P0-034 为停机直流制动时间 0-60s 根据实际情况设置建议设置为0.5SP0-110 高频继电器吸合频率默认设置40HZP0-111 高频继电器断开频率默认设置20HZP0-112 高频继电器吸合延时时间默认设置1秒P0-113 正转往复时间默认设置5秒P0-114 反转往复时间默认设置4秒P0-115 三线模式3下,当本参数有效,三线辅助信号有效,变频器运行,无效时停止注:本机预留外置制动电阻接口,如有需要可外接。
=============================================================================== 第一部分:使用和操作说明HX-Z5(HX-A5)型控制器是HX-Z(HX-ZA)型控制器的升级版。
HX-Z(HX-ZA)型控制器的操作可参照HX-Z5(HX-A5)型控制器使用说明。
HX-A5(HX-ZA)型是直线控制器,阅读使用说明时可省略锥度部分。
第一章概述HX-Z5(HX-A5)线切割电脑控制器采用MSC-52系列单片机为主机,性能稳定,工作可靠,体积小,价格低。
是目前国内性能价格最理想的电火花线切割控制器。
一、主要功能与技术指标1、并行工作:加工控制同时可输入编辑程序和进行快速校零工作。
2、程序容量:2158条加工指令。
3、输入方式:键盘,纸带和直接与编程机通信。
4、最大控制长度和圆弧半径:最大长度为10米,最大圆弧半径为100米。
5、间隙补偿:3B直接间隙补偿:补偿量为0-9999um。
6、齿隙补偿:用于提高旧机床的侍传动精度,补偿量为0-49um。
7、数据保护:在切割加工过程中,对被加工程序段和参数数据进行保护,不能进行修改,插入,删除等编辑操作。
8、运行方式:任意角度旋转,平移;指令倒走;比例缩放;快速校零瞬间完成。
9、回退功能:短路自动回退,消除短路后自动转为切割,也可按键手动回退;自动回退等待时间在1-99秒内任意设定。
10、断丝功能:按键控制XYUV四轴返回起始点。
11、清棱功能:段末高频延时消除钼丝滞后,可加工出清棱角工件,高频延时时间在0.1-9.9秒内任意设定。
12、锥度控制:具有一般等锥体加工控制功能和上下异型面加工控制功能。
13、停机控制:加工结束报警并输出机床停机信号。
14、断电保护:断电保存加工程序和加工状态,来电后从掉电处继续往下切割。
15、驱动方式:三相六拍,五相十拍(锥度)任选。
16、电脑传输:应答传输和同步传输兼容使用。
第一部分第一部分::使用和操作说明HX-Z5(HX-A5)型控制器是HX-Z (HX-ZA )型控制器的升级版型控制器的升级版。
HX-Z (HX-ZA )型控制器的操作可参照HX-Z5(HX-A5)型控制器使用说明型控制器使用说明。
HX-A5(HX-ZA )型是直线控制器型是直线控制器,,阅读使用说明时可省略锥度部分阅读使用说明时可省略锥度部分。
第一章 概 述HX-Z5(HX-A5)线切割电脑控制器采用线切割电脑控制器采用MSCMSC-5252系列单片机为主机系列单片机为主机系列单片机为主机,,性能稳定性能稳定,,工作可靠工作可靠,,体积小体积小,,价格低价格低。
是目前国内性能价格最理想的电火花线切割控制器是目前国内性能价格最理想的电火花线切割控制器。
一、主要功能与技术指标1、并行工作并行工作::加工控制同时可输入编辑程序加工控制同时可输入编辑程序和进行快速校零工作和进行快速校零工作和进行快速校零工作。
2、程序容量程序容量::21582158条加工指令条加工指令条加工指令。
3、输入方式输入方式::键盘键盘,,纸带和直接与编程机通信纸带和直接与编程机通信。
4、最大控制长度和圆弧半径最大控制长度和圆弧半径::最大长度为最大长度为101010米米,最大圆弧半径为最大圆弧半径为100100100米米。
5、间隙补偿间隙补偿::3B直接间隙补偿直接间隙补偿::补偿量为0-9999um 。
6、齿隙补偿齿隙补偿::用于提高旧机床的侍传动精度用于提高旧机床的侍传动精度,,补偿量为0-49um 。
7、数据保护数据保护::在切割加工过程中在切割加工过程中,,对被加工程序段和参数数据进行保护对被加工程序段和参数数据进行保护,,不能进行修改不能进行修改,,插入插入,,删除等编辑操作等编辑操作。
8、运行方式运行方式::任意角度旋转任意角度旋转,,平移平移;;指令倒走指令倒走;;比例缩放比例缩放;;快速校零瞬间完成快速校零瞬间完成。
线切割变频器说明书 HEN system office room 【HEN16H-HENS2AHENS8Q8-HENH1688】第一章到货检查XINHY鑫弘宇线切割专用变频器在生产中均有严格的过程控制及质量检验,当你收到所定购的“线切割专用变频器”时首先要进行下列检查:开箱前的检查:(a)外包装有无明显的破损、受潮、进水等异常情况。
开箱后的检查:(a)检查包装内机器的数量,型号是否与你定购的相同,是否在运输过程中造成损伤。
(b)查看包装箱内的物品是否与“装箱单”上的一致,有无缺少。
(c)如有问题请与和你洽谈的销售人员或经销商联系。
第二章产品外观及各部分名称。
(图1)变频器整体外观图(见图1)。
(图2)将变频器下部盖板两侧的螺丝松开即可取下上盖(见图2)。
图中各部分名称:(1)开关高频指示灯。
(2)异常指示灯。
(3)3位数码管。
(4)4个按键。
(5)变频器外部预留的通讯端口。
(6)D25针,控制信号输入输出端口。
(7)8位压线端子,连接电源,丝筒电机,水泵。
(8)交流电源输入指示灯。
(9)盖板内预留的通讯端口。
(10)SIP10控制信号端口。
第三章基本的性能介绍“鑫弘宇XINHY-BZ型”线切割专用变频器性能介绍:一、左入、右入及超程信号直接送入变频器进行换向控制。
二、内部设计有独特的断丝检测电路,无需外部电源供电,直接将“丝A”和“丝B”引线接在与钼丝接触的上下导电块上就能完成安全、可靠的断丝检测。
你可以使用“重锤”或其他形式的断丝检测,方便灵活,适应性强。
三、根据不同的机械特性使运丝电机的加速度在大范围内可调,使换向速度更快,效率更高.四、内置水泵控制开关,可直接控制单相水泵的启停,使用三相水泵时需外加继电器。
五、左入、右入、加工结束、开关高频等外部输入、输出信号极性可调, 左入、右入可以使用接近开关或行程开关、常开、常闭任你选择,适应不同厂家的要求。
六、使用3根信号线进行8段速控制,每一段速均能在0HZ-80HZ之间调节。
使机床能适应不同工件的加工要求,显着提高切割面光洁度,括大机床的适用范围。
七、无条纹切割。
本机设有“定时自动换向”功能,在加工时使电机从左至右运行X秒后,自动换向从右至左运行Y秒(一般设X >Y),能显着减少切割条纹,提高切割光洁度和精确度,提高产品竞争力。
具有“左入右入换向”与“自动换向”的切换端子,可方便的在两者之间进行切换。
八、变频器在收到加工结束信号后的停机方式根据不同用户的使用习惯可设置为立即停机、停在左边或停在右边。
九、设有运丝,水泵启停的外部按扭。
具有水泵控制功能,使机床内部线路更简单,大幅度缩短机床生产周期,省去了繁杂的连接线,降低成本,减少故障率。
十、自动上丝功能:在调试模式下忽略“加工结束”和“断丝”信号,并自动切换到低速模式,轻松地完成上丝。
十一、内置掉电检测,掉电允许时间可调,掉电时自动刹车,有效防止电机因失控而造成断丝、丝筒超程。
十二、功能控制、变频调速一体化设计。
线切割机床在使用通用变频器时需要另外用电路来实现高频通断的控制,左右传感器信号的转换,而使用鑫弘宇线切割专用变频器只需将相关信号直接接入即可实现所有控制,与通用变频器相比省去众多不必要的参数设置,安装使用简单方便。
十三、单边切割(开高频)功能。
本机有三种开高频模式:正向反向均开高频,正向开高频,反向开高频。
当选择正向(或反向)开高频时反向(或正向)可设置为高速运行,并可单独调节。
第四章系统连线第4.1节控制信号内部电路结构4.1.1.外部信号输入端的内部电路结构:所有信号输入端的内部电路均可等效为图3(实际电路要稍复杂)(图3)内部12V电源经光耦发光管的正极进入由负极出,再经一电阻与外部端子连接.当外部端子悬空或电压较高时内部光耦不工作,当与0V接通时,光耦导通,信号被送入内部电路。
第4.2节控制信号的连接D25针引脚的定义(见表1)在实际的D25针端口中,上一排共13针,其中左上角为第(13)脚,右上脚为第(1)脚,下一排共12针,左下角为第(25)脚,右下脚为第(14)脚。
4.2.1.左右换向开关(或称:左入、右入)的连接,D25针的(9)、(10)针:(a)左右换向开关可以使用“行程开关”或“接近开关”,相比之下接近开关为无触点形式可靠性较高。
左右换向开关的常开、常闭形式可在参数设定器中调节,但左右必须为同一极性。
使用常开时将极性调节界面中的“C=00”,意为该端口为0电位(与0V接通)时变频器认为左入或右入信号有效,使用常闭时将极性调节界面中的“C=01”,意为该端口为高电位(与0V断开)时变频器认为左入或右入信号有效。
(详见本说明书第18页)。
13121110987654321SP1SP0SP2右入左入超程开运丝关运丝开水泵关水泵加工结束开高频方式模式252423222120191817161514开关高频开关高频12V12V0V0V0V故障输出丝B丝A(b)使用行程开关时将左换向开关的常开触点(或常闭触点)接在D25针的(9)与0V之间,右换向开关的常开触点(或常闭触点)接在D25针的(10)与0V 之间既可实现左右换向。
(c)使用接近开关时只能使用NPN型,只有这样信号线才有与0V连通的可能,信号才能被送入。
接近开关的电源可使用本机提供的12V。
D型端口的(22)(23)脚为12V电源的+极,(17)(18)(19)脚为-极,最大可提供500mA电流。
出现过流时内部电源自动保护,本机的12V只用来给接近开关提供电源,请不要将其作为外部其他设备的电源!以免给变频器的工作带来干扰。
接近开关应使用三线制的,一般情况下,棕色线为电源正极,接+12V(22,23);黑色线为信号,接(9)或(10),蓝色线为电源负极;接0V(17,18,19)。
详细信息请参阅接近开关的使用说明。
4.2.2.超程信号的连接,D25针的(8)针:将超程开关接在D25针的(8)与0V之间即可实现“超程”保护。
超程开关可以使用“行程开关”或“NPN型接近开关”。
当“极性调整界面”中L=00时,超程使用常开型;L=01时,使用常闭型。
4.2.3.加工结束信号的连接D25针第(3)针:加工结束信号来自控制柜,在控制柜内部一般是一个继电器的一组触点。
加工结束可以使用常开或常闭形式,具体参数可在参数设定器中调节(详见本说明书第20页)。
(a)使用常开触点:将D25针第(3)脚接在这组触点的常开点上,将0V接在动触点上(见图4)。
使用常开触点时应将“极性调节”界面中的“B=00”,意为该端口为0电位时变频器认为“加工结束信号”有效。
下图中左侧为控制柜内的“加工结束继电器”,右侧接D25针。
(图4)(b)使用常闭触点:将D25针第(3)脚接在这组触点的常闭点上,将0V 接在动触点上(见图5)。
使用常闭触点此时应将“极性调节”界面中的“B=01”。
意为该端口为高电位时变频器认为“加工结束信号”有效。
(图5)(c)变频器对加工结束信号的要求:在加工结束时“加工结束继电器”吸一下后应迅速断开。
(见图6)常见的控制柜是吸合秒左右后断开。
而不能是一直断开或一直吸合!(图6)4.2.4.“开高频方式”的连接,D25针第(2)针:端口的作用:可以使变频器实现“单边切割”当D25针的第(2)脚与0V接通时,变频进入“单边开高频方式”。
此时开高频的方向取决于参数“H”的值:当H=0时,正向运行时开高频;当H=1时,反向运行时开高频;当D25针的第(2)脚与0V断开时,正向运行、反向运行时均开高频。
当变频器在不开高频的方向上运行时执行参数F中的速度。
4.2.5.模式信号的连接,D25针第(1)针:当D25针的第(1)脚与0V接通时,变频器进入“定时自动换向模式”,变频器将根据项目“8=XX”(正向运行时间)正向运行XX秒后,再根据项目“9=YY “(反向运行时间)反向运行YY秒后继续正向运行。
4.2.6.断丝检测的连接,D25针第(14)、(15)针:本变频器内置断丝检测电路,无需外部提供电源,直接将D25针的第(14)、(15)脚接在上下导电块上即可实现安全可靠的断丝检测(见图7)。
(14)、(15)脚与其他端口在电气上完全隔离。
(图7)4.2.7.开关高频的连接:高频控制输出端的内部电路结构:高频控制输出端有2种输出形式:(1)继电器触点输出形式:D25针的第(24)脚和第(25)脚接内部“开关高频继电器”的常开触点。
(见图8)(图8)如果脉冲电源的起停控制需要用继电器隔离可使用此种形式。
例如有的高频电源是靠接通或断开振荡板电源来控制起停的。
当HFP灯点亮时,继电器吸合,(24)(25)闭合;HFP灯熄灭时,继电器释放,(24)(25)断开。
(2)三极管集电极输出形式:NPN三极管的集电极接SIP插件第(10)脚,发射极接0V。
(见图9)(图9)如果脉冲电源是用电平来控制启停,可以直接将信号线接在该端子上。
当HFP灯点亮时,此三极管C-E结饱合导通,SIP第(10)脚为低电平,HFP 灯熄灭时,三极管截止,(10)脚为高电平。
三极管C-E结最大承受电压24VDC,500mA,可用来控制高频起停的光耦。
过高的电压、电流会造成内部电路损坏!4.2.8. 8段速控制信号(换刀信号)的连接,SP2,SP1,SP0,D25针第(11),(13),(12)脚:共有2种换刀方式供选择:(1)使用3根信号线实现8段速控制,此时需将极性调整界面中项目E=00(数据的调整见本说明书第20页)。
3根换刀信号与段速的对应关系:在表1中相应的信号线与0V接通时记作0”,与0V断开时记作“1”。
SP2、SP1、SP0下对应的二进制数转换成10进制数后就是对应的参数设定器中的“项目数”。
●例如,SP2、SP1、SP0都与0V接通时记作000,对应的10进制数就是0,此时改变当前段速的频率值时就应调“项目0”中的参数(出厂值0=15,单位:HZ);●如果SP2与0V断开,SP1与0V接通,SP0与0V接通,记作100,对应的10进制数就是4,此时改变当前段速的频率值时就应调“4”中的参数(出厂值4=35),●如果SP2与0V断开,SP1与0V断开,SP0与0V断开,记作111,对应的10进制数就是7,此时改变当前段速的频率值时就应调“7”中的参数(出厂值7=50,),所以,SP2,SP1,SP0悬空时,电机运行在50HZ(出厂值)SP2SP1SP0对应的运行参数(出厂值)0000 15001 1 20010 2 25011 3 30100 4 35101 5 40110 6 451117 500-7的数据是从小到大排列,你也可以根据需要将数据从大到小排列,例如,“0=80”“1=70”“2=60”“3=50”…….“7=10”。