研究杠杆的秘密实验报告
- 格式:doc
- 大小:310.50 KB
- 文档页数:2
物理小实验杠杆实验报告《物理小实验:杠杆实验报告》在物理学中,杠杆是一个重要的概念,它被广泛应用于各种工程和科学领域。
通过进行杠杆实验,我们可以更好地理解杠杆的原理和应用。
在本次实验中,我们将通过实际操作来验证杠杆的力学原理,并记录实验数据进行分析。
实验目的:1. 了解杠杆的基本原理2. 验证杠杆的力学公式3. 掌握实验数据记录和分析方法实验材料:1. 杠杆装置2. 不同重量的物体3. 测力计4. 支撑台实验步骤:1. 将杠杆装置放置在支撑台上,并将测力计挂在杠杆的一端。
2. 在杠杆的另一端悬挂不同重量的物体,并记录下每次悬挂的重量和测力计的示数。
3. 重复以上步骤,改变悬挂的位置和重量,记录数据。
实验数据:通过实验记录和测力计示数,我们得到了一系列的数据。
根据这些数据,我们可以计算出杠杆的力矩和力的关系,并验证杠杆的力学公式。
实验结果:通过对实验数据的分析,我们发现杠杆的力矩与力的乘积在不同条件下保持不变,验证了杠杆的力学公式。
同时,我们也发现了杠杆的平衡条件和力的作用点对力矩的影响。
实验结论:通过本次实验,我们深入了解了杠杆的力学原理,并验证了杠杆的力学公式。
同时,我们也掌握了实验数据记录和分析的方法,为今后的物理实验打下了良好的基础。
总结:杠杆实验是物理学中的重要实验之一,通过实际操作和数据记录,我们可以更好地理解杠杆的原理和应用。
通过本次实验,我们不仅验证了杠杆的力学公式,也提高了实验技能和数据分析能力。
希望今后能够继续深入学习物理知识,探索更多有趣的物理实验。
一、实验名称:探究杠杆的平衡条件二、实验目的:1. 了解杠杆的平衡条件;2. 掌握杠杆平衡实验的操作方法;3. 培养学生的实验操作能力和数据分析能力。
三、实验原理:杠杆平衡条件:动力×动力臂 = 阻力×阻力臂,即F1×L1 = F2×L2。
四、实验器材:1. 杠杆(含支架);2. 钩码盒一套;3. 弹簧测力计;4. 细线;5. 刻度尺。
五、实验步骤:1. 调节杠杆两端的螺母,使杠杆在不挂钩码时保持水平并静止,达到平衡状态。
2. 在杠杆的左右两端分别用细线依次悬挂个数不同的钩码,固定F1大小和动力臂L1的大小。
3. 选择适当的阻力F2,然后移动阻力作用点,即改变阻力臂L2大小,直至杠杆平衡。
4. 记录下此时动力F1、动力臂L1、阻力F2和阻力臂L2的数值,并将实验数据记录在表格中。
5. 改变F1大小,保持L1大小和F2大小不变,重复步骤3和步骤4,记录数据。
6. 改变L1大小,保持F1和F2大小不变,重复步骤3和步骤4,记录数据。
7. 对比分析实验数据,得出杠杆的平衡条件。
六、实验数据:实验次数 | 动力F1 (N) | 动力臂L1 (m) | 阻力F2 (N) | 阻力臂L2 (m)---------|-----------|--------------|-----------|--------------1 | 1 | 0.5 | 0.5 | 0.52 | 1.5 | 0.5 | 0.5 | 0.53 | 2 | 0.5 | 0.5 | 0.54 | 1 | 0.75 | 0.5 | 0.55 | 1 | 0.5 | 0.75 | 0.56 | 1 | 0.5 | 1 | 0.5七、实验结果分析:根据实验数据,我们可以得出以下结论:1. 在实验过程中,当动力F1、动力臂L1、阻力F2和阻力臂L2满足动力×动力臂= 阻力×阻力臂时,杠杆处于平衡状态。
初中杠杆实验报告杠杆是物理学中一个重要的概念,也是我们日常生活中常常会接触到的物理现象之一。
在初中物理实验中,杠杆实验是一个非常经典的实验,通过这个实验可以帮助我们更好地理解杠杆的原理和应用。
在本篇文章中,我将分享一份关于初中杠杆实验的报告,希望可以对读者有所帮助。
一、实验目的本次实验的目的是通过观察和记录杠杆实验的现象,探究杠杆的工作原理,理解力矩和平衡条件的关系。
二、实验器材1. 杠杆装置:包括一个木制杠杆和一个支点。
2. 物体:可以是一个重物或者一个测力计。
三、实验步骤1. 将杠杆装置放置在水平桌面上,并确保支点处于杠杆的中心位置。
2. 将物体悬挂在杠杆的一侧,使其与支点之间保持一定的距离。
3. 观察物体的位置,并记录下来。
4. 移动物体的位置,使其与支点之间的距离发生变化,再次观察并记录物体的位置。
5. 重复以上步骤,尝试不同的物体和不同的距离。
四、实验结果通过实验记录和观察,我们可以得出以下结论:1. 当物体与支点之间的距离相等时,杠杆处于平衡状态,物体保持静止。
2. 当物体与支点之间的距离不相等时,杠杆会发生旋转,物体会向下或向上移动。
五、实验分析1. 力矩的概念:力矩是指力对物体产生的旋转效果。
在杠杆实验中,物体与支点之间的距离产生了不同的力矩,从而导致了杠杆的旋转。
2. 平衡条件:当物体与支点之间的力矩相等时,杠杆处于平衡状态。
这是因为力矩的大小与力的大小和作用点到支点的距离有关。
六、实验应用杠杆的应用非常广泛,我们可以在日常生活中看到许多杠杆的例子:1. 门把手:门把手是一个杠杆,通过改变手的位置,我们可以轻松地打开或关闭门。
2. 起重机:起重机利用杠杆原理,通过改变吊物和支点之间的距离,实现对物体的起重和放下。
七、实验总结通过本次杠杆实验,我们深入了解了杠杆的原理和应用。
杠杆是物理学中一个重要的概念,它在我们的日常生活中扮演着重要的角色。
掌握了杠杆的原理和应用,我们可以更好地理解和解决一些力学问题。
一、实验目的通过本次实验,了解杠杆的基本原理,掌握杠杆平衡条件,加深对物理知识的理解。
二、实验器材1. 杠杆(含支架)2. 钩码盒一套3. 弹簧测力计4. 细线5. 刻度尺三、实验原理杠杆是一种简单机械,其平衡条件为动力乘以动力臂等于阻力乘以阻力臂,即F1L1=F2L2。
四、实验步骤1. 将杠杆的中点支在支架上,调节平衡螺母,使杠杆处于水平平衡状态。
2. 在杠杆的一端悬挂一个钩码,用弹簧测力计测量钩码的重力F2,并记录。
3. 将钩码移至杠杆的另一端,用弹簧测力计测量此时的力F1,并记录。
4. 用刻度尺测量钩码到支点的距离L2,并记录。
5. 用同样的方法,在杠杆的另一端悬挂不同的钩码,重复步骤2-4,记录相应的F1、L1、F2和L2。
6. 将实验数据填入表格中,进行数据分析。
五、实验数据实验次数 | 动力F1/N | 动力臂L1/cm | 阻力F2/N | 阻力臂L2/cm------- | -------- | -------- | -------- | --------1 | 1 | 10 | 1 | 102 | 2 | 15 | 2 | 153 | 3 | 20 | 3 | 204 | 4 | 25 | 4 | 255 | 5 | 30 | 5 | 30六、数据分析根据实验数据,可以观察到动力与动力臂的乘积F1L1与阻力与阻力臂的乘积F2L2在每次实验中均相等,即F1L1=F2L2。
这验证了杠杆的平衡条件。
七、实验结论1. 杠杆的平衡条件为动力乘以动力臂等于阻力乘以阻力臂,即F1L1=F2L2。
2. 在实际应用中,可以根据需要调整动力和阻力的大小以及动力臂和阻力臂的长度,以实现杠杆的平衡。
3. 通过本次实验,加深了对物理知识的理解,掌握了杠杆的平衡条件。
八、实验注意事项1. 实验过程中,注意安全,避免弹簧测力计和钩码的损坏。
2. 测量力的大小和距离时,要准确读取数据,减小实验误差。
3. 实验过程中,保持杠杆的平衡状态,避免杠杆倾斜。
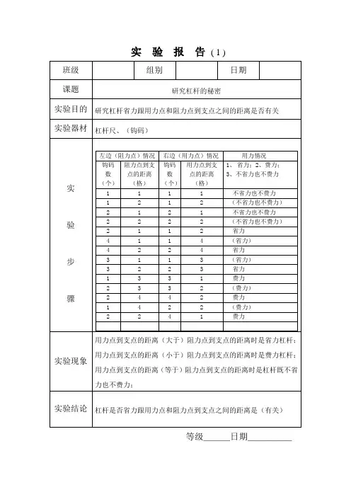
研究杠杆的秘密姓名:________ 班级:________一:实验目的通过做杠杆尺的实验,使学生明白杠杆工作的原理。
二:实验材料用具杠杆尺、钩码。
三:实验操作要求1、检查实验材料用具。
2、明白什么时候杠杆省力、费力以及既不省力也不费力,并从中探究规律。
3、整理器材。
四、记录四:实验现象与结论省力的情况有_____种;费力在情况有_____种;不省力也不费力的情况有_____种。
发现规律:1、在什么情况下杠杆省力?__________________________________________________ 2、在什么情况下杠杆费力?__________________________________________________ 3、在什么情况下杠杆不省力也不费力?__________________________________________________研究轮轴的作用姓名:________ 班级:________一:实验目的通过实验研究轮轴的特点从而使学生知道合理使用轮轴可以省力。
二:实验材料用具轮轴实验装置、钩码、细线。
三:实验操作要求1、检查实验材料用具。
2、分组开展实验活动,注意收集实验数据。
3、进行数据分析和整理出自己小组的发现。
4、整理器材四:记录四:实验现象与结论平衡时,轮上挂的钩码个数比轴上的____,说明________________________________________________。
用定滑轮和动滑轮提起重物姓名:________ 班级:________一:实验目的通过模拟实验,使学生分别认识动滑轮和定滑轮的工作特点。
二:实验材料用具钩码、线、铁架台、滑轮、测力计。
三:实验操作要求2、检查实验材料用具。
2、通过观察钩码的数量和用测力计测量这两种方法研究滑轮的省力情况。
3、整理器材四、记录定滑轮作用实验记录表动滑轮作用实验记录表四:实验现象与结论___________________________________________________ ___________________________________________________研究滑轮组的作用姓名:________ 班级:________一:实验目的明白滑轮组能够改变力的方向,而且可以成倍地省力。
竭诚为您提供优质文档/双击可除探究杠杆平衡条件实验报告篇一:探究:杠杆的平衡条件实验报告探究:杠杆的平衡条件一、探究目的:通过实验了解杠杆的平衡条件二、实验器材:杠杆、钩码盒一套、弹簧测力计、细线、刻度尺三、探究假设:杠杆的平衡可能与“动力和力臂的乘积”、“阻力和阻力臂的乘积”有关。
四、实验步骤:步骤1:调节杠杆两端的平衡螺母,使横梁平衡。
步骤2:在杠杆的左右两端分别用细线依次悬挂个数不同钩码【每一个钩码50g=0.05kg,重为:g=mg=0.05kg×10n/kg=0.5n】,(假设左端砝码的重力产生的拉力为阻力F2,右端钩码的重力产生的拉力为动力F1,)先固定F1大小和动力臂l1的大小,再选择适当的阻力F2,然后移动阻力作用点,改变阻力臂l2大小,直至杠杆平衡,分别记录下此时动力F1、动力臂l1、阻力F2和阻力臂l2的数值,并将实验数据记录在表格中。
步骤3:固定F1大小和动力臂l1的大小,改变阻力F2的大小,在移动阻力作用点,改变阻力臂l2大小,直至杠杆平衡,记录下此时的阻力F2和阻力臂l2的数值,并填入到实验记录表格中。
步骤4:改变动力F1的大小,保持动力臂l1的大小以及阻力F2大小不变,再改变阻力F2作用点,直至杠杆重新平衡,记录下此时动力F1大小和阻力臂l2的大小,并填入到实验数据记录表。
步骤5:整理实验器材。
五、数据记录:实验数据记录表如下:六、分析论证:根据实验记录数据,探究结论是:动力×动力臂=阻力×阻力臂公式表示:F1L1=F2L2思考:在上述探究实验中,为什么每次都要使杠杆在水平位置保持平衡?答:可以方便用刻度尺来直接测出实验中杠杆的力臂大小篇二:探究杠杆的平衡条件实验报告探究杠杆的平衡条件实验报告班级:_________小组成员:____________实验日期:___________一、实验器材铁架台、带刻度的杠杆、钩码。
二、实验要求1.组装、调节杠杆;2.分三次在杠杆左、右两边分别挂上不同数量的钩码,使杠杆在水平位置重新平衡(要求每次试验都应改变钩码数目和悬挂位置),并将三次试验数据分别填入实验记录表;3.分别计算出各次试验中F1×L1和F2×L2的数值,填入实验记录表;4.对实验数据进行分析比较,得出实验结论;5.实验结束,整理实验器材。
一、实验目的1. 了解杠杆的基本原理和特性。
2. 掌握杠杆平衡条件的应用。
3. 培养实验操作能力和数据处理能力。
二、实验原理杠杆是一种简单机械,利用杠杆原理可以放大力的作用,实现省力或改变力的方向。
杠杆平衡条件为:动力×动力臂 = 阻力×阻力臂。
三、实验器材1. 杠杆(含支架)2. 钩码盒3. 弹簧测力计4. 细线5. 刻度尺6. 记录纸四、实验步骤1. 调节杠杆两端的螺母,使杠杆在不挂钩码时保持水平并静止,达到平衡状态。
2. 在杠杆的左右两端分别用细线依次悬挂个数不同的钩码,使杠杆平衡。
假设左端钩码的重力产生的拉力为阻力F2,右端钩码的重力产生的拉力为动力F1。
3. 量出杠杆平衡时的动力臂L1和阻力臂L2,将F1、L1、F2、L2的数值填入表格中。
4. 改变力和力臂的数值,再做两次实验,记录数据。
5. 分析实验数据,得出杠杆平衡条件的结论。
五、实验数据实验次数 | 动力F1 (N) | 动力臂L1 (m) | 阻力F2 (N) | 阻力臂L2 (m)------- | -------- | -------- | -------- | --------1 | 2.0 | 0.5 | 1.0 | 0.32 | 3.0 | 0.6 | 1.5 | 0.43 | 4.0 | 0.7 | 2.0 | 0.5六、实验结果与分析根据实验数据,可以得出以下结论:1. 动力F1与动力臂L1的乘积等于阻力F2与阻力臂L2的乘积,即F1×L1 =F2×L2。
2. 当动力臂L1大于阻力臂L2时,杠杆处于平衡状态,此时动力F1小于阻力F2。
3. 当动力臂L1小于阻力臂L2时,杠杆处于平衡状态,此时动力F1大于阻力F2。
七、实验误差分析1. 实验过程中,由于杠杆支架、钩码、细线等器材的重量和摩擦力的影响,导致实验结果存在一定误差。
2. 在读取刻度尺和弹簧测力计的数值时,可能存在读数误差。
杠杆省力吗的实验报告_[杠杆省力原理]教学实验报告《杠杆省力原理》教学实验报告2011—2012学年第一学期大桥中心小学雷碧英实验目的:通过实验,了解杠杆的一些秘密。
实验器材:支架、杠杆尺、钩码、测力计。
实验步骤:1、把杠杆尺固定在支架上,在右边的第3格挂2个钩码,左边第3格应挂几个钩码,杠杆尺能平衡?2、如果将右边的钩码看作重物,当杠杆尺平衡时,左边钩码的重量就是提起重物所用的力。
3、改变用力点的位置,使支点到用力点的距离分别大于、等于、小于支点到阻力点的距离,再进行实验,每种情况做两次,把实验数据填写在下面表格中,通过实验,发现了什么规律?实验结论:1、当支点到用力点的距离大于支点到阻力点的距离时省力。
2、当支点到用力点的距离等于支点到阻力点的距离时不省力也不费力。
3、当支点到用力点的距离小于支点到阻力点的距离时费力。
实验过程:一、模型导入,激发兴趣。
(3分钟)1、模型引入师:同学们,今天,老师带来了一个特殊的跷跷板(教师举起展示),谁想来玩一玩?(指定两位学生上前体验。
一位是班里最轻的女生,一位是最重的男生。
)师:你认为谁能把谁给翘起来?(重的能把轻的压起来。
)师:真是这样么?我们一起来看。
2、学生体验活动(学生活动)(轻女生把重男生给翘起来了)师:看到现在的结果,你有什么疑问吗?(生:为什么轻女生会把重男生给翘起来呢?……)这就是我们这节课要研究的问题——杠杆(板书杠杆)。
(设计意图:学生通过感受特殊的跷跷板,引发了浓厚的学习兴趣,提高了学习的积极性。
学生通过体验、观察,产生了疑问,引出了本课课题)二、认识杠杆。
(2分钟)1、出示课件:介绍杠杆师:什么是杠杆?(指着课件)像这样围绕一个固定的点将重物撬起的简单机械就叫做杠杆。
(语速稍慢)杠杆围绕转动的点叫做支点,我们用力的点是力点,重物所在的点是重点。
师:老师这里有一根儿木棍(出示木棍)它是杠杆么?为什么?(小结并板书:)一根木棍我们给它一个支点时,(画)它就成为了----杠杆,这是它的……(支点),假如这边有一重物,这儿就是……(重点),在这边用力,这儿就是……(力点)(设计意图:通过课件的直观演示,理解了杠杆的概念,通过实物木板在黑板画图,加深了对杠杆的认识,为突破在探究杠杆的原理时对杠杆尺上支点、重点、力点的清醒认识这个难点奠定了基础。
研究杠杆的秘密实验报告
组名:日期:
组长:成员:
实验目的:
1、探究杠杆的用力情况
2、学会调节杠杆平衡的方法
3、归纳得出杠杆省力的条件
杠杆尺结构图:
实验仪器:
杠杆尺一套,钩码一套
实验步骤:
1、安装杠杆尺,使杠杆尺在水平位置平衡,我们组选择的用力点在右边,阻力点在左边
2、在杠杆尺的两边某个位置挂上相同数量的钩码,如果左边翘起,那么杠杆属于省力杠杆;如果右边翘起,那么杠杆属于费力杠杆,如果杠杆平衡,那么杠杆属于既不省力也不费力杠杆,测量并记录数据
3、在杠杆尺的两边挂上不同数量的钩码,调节使杠杆尺在水平位置平衡,如果左边钩码数比右边多,那么杠杆属于省力杠杆;如果左边钩码数比右边少,那么杠杆属于费力杠杆;如果两边钩码数量同样多,那么杠杆属于不省力也不费力杠杆,测量并记录数据
4、分析数据,得出结论
杠杆尺的记录表
省力的情况有种;费力的情况有种;不省力也不费力的情况有种
分析实验记录表中的数据,我们发现了什么规律?
1、在什么情况下,杠杆省力?
2、在什么情况下,杠杆费力?
3、在什么情况下,杠杆不省力也不费力?
我们是按怎样的方法步骤收集数据的?哪种方法更合理?。