电缆管道开挖及敷设电缆井开挖-安全技术交底 - 制度大全
- 格式:docx
- 大小:13.27 KB
- 文档页数:2
电缆沟开挖技术交底一、测量放线1.根据电缆沟的宽度,确保足够的工作空间,纵向每10m桩号放出电缆沟的中桩和开挖边桩、划出边线,保证基底每边增加50cm宽度的工作面,同时预留人行道上的路缘石安装位置和宽度。
2。
电缆沟开挖深度较深、且地下水丰富的施工路段,考虑采用拉森钢板桩支护,钢板桩长度根据现场情况确定,钢板桩压入深度为开挖基坑底标高以下4m左右,以确保房屋及施工人员的安全。
具体事宜宜洽商予以解决。
二、沟槽开挖1、沟槽开挖尽量采用采用人工开挖,在探明无现状管道后再采用机械开挖。
沟壁应平整,边坡坡度采用1:1.2、沟槽开挖必须严格按照设计图纸施工,如G1型电缆沟底宽度为1。
74米,考虑到工作面的宽度,G1型电缆沟沟槽底宽度为2.74米。
3、沟槽开挖的位置、基底标高、尺寸,应该符合图纸要求,在开挖过程中,对各个尺寸标高要严格控制。
4、采用机械开挖时,在距离槽底设计标高30cm时换用人工开挖,并采用人工平整沟槽底。
5、沟槽底高程的允许偏差:开挖土方时应为0~—30mm;槽低中线允许偏位为50mm。
6、在建筑物、构造物附近开挖沟槽时,应该根据图纸和有关地质水文资料进行防护设计,采用支撑支护等有效防护措施。
7、挖沟槽弃土应该及时运走,不得堆放在够槽口附近妨碍施工和槽壁稳定,也不得阻碍交通。
8、沟槽每测临时堆土或施加其他荷载时,应符合以下要求:(1)、不得影响建筑物、各种管线和其他设施的安全。
(2)、不得掩埋消火栓、管道闸阀、雨水口、测量标志以及各种地下管道的井盖,且不妨碍其正常使用。
(3)人工挖沟槽时,堆土高度不宜超过1。
5m,且距槽口边缘不宜小于0.8m。
9、沟槽底埋有块石、树根、废桩等物体,应该予以清除或铲除。
10、沟槽不允许超过图纸要求的挖深、挖宽.11、对开挖沟槽附近的建筑物采取监控措施,专人对周边建筑物进行记录,按时检查建筑物是否有开裂、偏移的倾向。
12、沟槽开挖时,注意做好槽内地下水的排水措施和雨水或其他地表水、外来水的防范措施。
开挖电缆沟安全技术交底摘要电缆沟是市政基础设施建设过程中不可避免的一项重要工作。
开挖电缆沟需要遵循一定的安全技术措施,以确保施工和使用的安全性。
本文将介绍开挖电缆沟的安全技术交底内容,包括:前期准备工作、开挖电缆沟的策略、施工中的安全措施、处理现场突发事件等方面。
前期准备工作1. 工程设计在开挖电缆沟之前,必须进行工程设计,包括确定电缆管线走向和深度,以及确定电缆管的大小和材料等。
在设计过程中,要考虑到施工过程中的安全风险,并制定相应的应急措施。
2. 地质勘察在进行工程设计之前,必须进行地质勘察,以确定施工地点的地质条件和潜在的危险地质因素。
在地质勘察过程中,要留意地下管线的分布及电缆管线与其他管线的交叉情况。
3. 资格认证在进行开挖电缆沟工程之前,必须通过相关的资格认证,包括工程建设许可证、土建施工企业资质证书、施工现场安全证书等。
同时,还需要进行工程监理、验收等相关工作。
开挖电缆沟的策略1. 确定开挖策略根据电缆管的走向和深度确定开挖策略,包括手工开挖、机械开挖等方法。
在确定开挖策略时,要考虑到施工人员数量和安全设备及电力设备的使用情况,并制定相应的安全技术措施。
2. 加固挖出土坡在挖掘电缆沟时,要加固挖出土坡,并相应加固承重墙。
挖出土坡要保证坡度适宜,而承重墙要保证坚固耐用,不得出现裂缝或坍塌等情况。
3. 注意通风及安全排气在开挖电缆沟时,要注意通风及安全排气,以保证施工人员的安全和舒适。
同时,还要避免瓦斯爆炸和气体中毒等意外事件的发生。
施工中的安全措施1. 空间限制在施工现场,要设置相应的空间限制,如栅栏、标志牌等,以保证施工现场的安全和秩序。
同时,还应限制施工现场人员的数量和进出口流量,并制定人员进出管理制度。
2. 作业区域在施工现场,必须设置相应的作业区域,以保证电线材料和电缆的正常使用。
作业区域要明确,施工人员要在规定的区域内施工,并保持工作区域整洁、稳定。
3. 安全操作在施工中,必须遵循相关安全操作规定,包括操作电缆吊扣、装卸器械、工具等工作。
一、交底目的为确保电缆井施工安全,提高施工人员的安全意识,预防和减少安全事故的发生,特进行电缆井安全技术交底。
二、交底内容1. 施工人员安全教育(1)施工人员必须具备基本的安全知识和技能,了解电缆井施工的安全操作规程。
(2)施工人员应遵守施工现场的各项安全规章制度,服从现场管理人员的管理。
2. 电缆井施工安全措施(1)施工前,对电缆井进行安全检查,确保井口、井壁、井底等部位符合安全要求。
(2)施工过程中,严格执行“三同时”原则,即施工、安全、环境保护同时进行。
(3)电缆井施工应采用防尘、降噪、防毒等措施,确保施工环境安全。
(4)施工过程中,应使用安全防护用品,如安全帽、安全带、防尘口罩等。
3. 电缆井施工操作规程(1)电缆井施工前,应对井口、井壁、井底进行清理,确保无杂物。
(2)电缆井施工过程中,严禁在井口下方进行高空作业,防止坠落事故发生。
(3)电缆井施工时,应确保井内通风良好,防止有害气体积聚。
(4)电缆井施工过程中,应严格按照设计图纸进行施工,确保电缆敷设符合规范要求。
(5)电缆井施工完成后,应进行验收,确保工程质量符合要求。
4. 电缆井施工注意事项(1)电缆井施工过程中,应密切关注施工环境,发现异常情况立即停工,并及时上报。
(2)电缆井施工过程中,严禁违规操作,如擅自改动设计、降低施工标准等。
(3)电缆井施工过程中,应加强现场管理,确保施工人员的人身安全。
(4)电缆井施工完成后,应进行安全检查,确保电缆井符合安全要求。
三、交底要求1. 施工单位应将本交底内容传达给所有施工人员,确保每位施工人员熟悉并掌握。
2. 施工人员应认真听取交底内容,如有疑问应及时提出。
3. 施工单位应定期对施工人员进行安全教育,提高施工人员的安全意识。
4. 施工单位应加强现场安全管理,确保电缆井施工安全。
四、交底时间(请填写具体日期)五、交底人(请填写交底人姓名)六、接收人(请填写接收人姓名)七、备注(如有其他事项,请在此处填写)。
电缆沟挖掘安全技术交底安全措施:1、挖掘电缆沟前必须与地下管道、电缆的主管部门联系,明确地下设施实际位置,做好防范措施,组织外来人员施工时应交代清楚并加强监护。
2、挖掘过程中碰到地下物体,不得擅自破坏,要验明清楚后再进行。
3、在电缆路径上挖掘,不得使用尖镐,要使用铁锹,挖到电缆时更应注意,防止碰坏电缆。
4、挖掘电缆沟前,现场应做好明显标志或围栏,挖出的土堆起的斜坡上不得放置工具、材料等杂物,沟边应留有通道。
5、在挖掘电缆沟深超过1.5米时,抛土要特别注意防止土石回落。
6、在松软土层挖沟应有防止塌方的措施,禁止由下部挖土层。
7、紧线负责人必须在取得各方均已准备好的联系讯号后,才能发令紧线。
8、在居民区及交通要道附近挖沟时应设临时盖板,夜间挂红灯或明显反光标志,防止发生行人和交通事故。
9、在煤气管道附近挖掘时,须有两人进行,监护人必须注意挖土人,防止煤气中毒。
10、在垃圾堆附近挖掘时,必须由两人进行,防止沼气中毒。
11、夜间工作现场应有充足的照明。
电缆沟挖掘安全技术交底(2)电缆沟挖掘作为一项危险性较高的工作,必须严格按照安全规范进行操作,以确保人员的安全和工程的顺利进行。
下面将对电缆沟挖掘安全技术进行详细的交底,提醒工人们在操作中要注意哪些安全事项。
1. 施工前的准备工作在开始电缆沟挖掘之前,必须进行充分的准备工作,包括:- 检查相关设备的完好性和安全性,确保设备可以正常使用。
- 清除施工区域的杂物和障碍物,保持施工区域的整洁和通畅。
- 对施工现场进行分析和评估,确定可能存在的危险因素,并采取相应的措施进行预防。
- 确定施工区域的边界,设置标志和警示牌,提醒他人注意施工区域的存在。
2. 挖掘过程中的安全措施在电缆沟挖掘的过程中,需要注意以下安全措施:- 使用合适的挖掘机械进行挖掘作业,确保设备的稳固性和操作的准确性。
- 在挖掘机械操作前,确保工作区域没有人员和障碍物,避免事故的发生。
- 注意挖掘机械的平衡性和稳定性,避免因为挖掘机械倾倒导致的事故。
一、交底目的为确保挖电缆施工过程中的安全,预防安全事故的发生,特制定本安全技术交底。
二、工程概况1. 工程名称:XXX挖电缆工程2. 施工单位:XXX公司3. 施工地点:XXX地点4. 施工内容:挖电缆沟、敷设电缆等三、安全注意事项1. 施工人员必须经过专业培训,掌握挖电缆施工技术及安全操作规程。
2. 施工前,必须对施工现场进行勘察,了解地下管线分布情况,确保施工安全。
3. 严格遵守《施工现场临时用电安全技术规范》,确保施工现场用电安全。
4. 严格按照设计图纸和施工方案进行施工,确保工程质量。
5. 施工现场必须设置安全警示标志,明确警示内容。
四、施工步骤及安全措施1. 施工准备(1)对施工人员进行安全教育和培训,提高安全意识。
(2)检查施工工具、设备,确保其完好、安全。
(3)清理施工现场,排除安全隐患。
2. 挖电缆沟(1)根据设计图纸,确定电缆沟的走向、深度、宽度。
(2)使用挖掘机、人工等工具进行挖沟,确保沟底平整。
(3)挖掘过程中,注意观察地下管线,避免损坏。
(4)挖沟过程中,应设置专人监护,确保施工安全。
3. 敷设电缆(1)根据设计图纸,确定电缆敷设路径。
(2)使用专用工具,将电缆敷设至预定位置。
(3)敷设过程中,注意电缆的弯曲半径,避免损坏。
(4)敷设完成后,对电缆进行绝缘测试,确保电缆绝缘良好。
4. 施工结束(1)对施工现场进行清理,恢复原状。
(2)检查施工质量,确保符合设计要求。
(3)做好施工记录,归档保存。
五、应急措施1. 发生触电事故时,立即切断电源,进行急救。
2. 发生电缆损坏事故时,立即停止施工,保护现场,报告相关部门。
3. 发生其他安全事故时,立即启动应急预案,采取相应措施。
六、交底人及接收人1. 交底人:XXX2. 接收人:XXX3. 交底日期:XXXX年XX月XX日4. 交底地点:XXX地点5. 附件:挖电缆施工方案、施工图纸、安全技术操作规程等请施工人员认真阅读本安全技术交底,严格遵守各项规定,确保挖电缆施工安全。
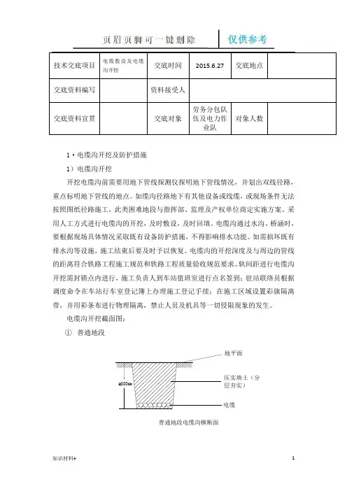
技术交底项目电缆敷设及电缆沟开挖交底时间2015.6.27 交底地点交底资料编写资料接受人交底资料宣贯交底对象劳务分包队伍及电力作业队对象人数1·电缆沟开挖及防护措施1)电缆沟开挖开挖电缆沟前需要用地下管线探测仪探明地下管线情况,并划出双线径路,重点标明地下管线的地点。
如缆沟径路地下有其他设备或线缆,或现场条件无法按照图纸径路施工,此类困难地段与指挥部、监理及产权单位商定实施方案。
采用人工方式进行电缆沟的开挖,及时敷设,及时回填。
电缆沟通过水沟、桥涵时,要根据现场具体情况采取既有设备防护措施,不得影响排水功能。
如需损坏既有排水沟等设施,施工结束后要及时予以恢复。
电缆沟的开挖深度及与周边的管线的距离符合铁路工程施工规范和铁路工程质量验收规范要求。
轨间距进行电缆沟开挖需封锁点内进行,施工负责人到车站值班室进行点名签到;驻站联络员根据调度命令在车站行车室登记簿上办理施工登记手续;在施工区域设置彩旗隔离带,并用彩条布进行物理隔离,禁止人员及机具等一切侵限现象的发生。
电缆沟开挖截面图:①普通地段地平面压实填土(分层夯实)电缆≥800mm普通地段电缆沟横断面②路肩、石质地段地平面压实填土(分层夯实)电缆≥500mm路肩、石质地段电缆沟横断面③穿越公路地段地平面压实填土(分层夯实)电缆≥钢管穿越公路地段电缆沟的横断面500mm④涵、坚硬石质地段⑤过轨地段在涵、坚硬石质地段电缆沟的横断面坚石或涵顶电缆 混凝土包封砖砂防护 150 m m路基面压实填土(分层夯实)电缆≥400mm钢管过轨地段电缆沟的横断面石渣枕木2)地下管线、绿化保护及邻近营业线的安全隔离措施 地下管线保护措施有以下几点:①现场开挖前,组织桥工段、电务、供电、车站及通信等相关单位熟悉现场的技术人员实施勘察,搞清施工范围内现状的地下管线的具体位置,必要时进行地下物探工作,如采用金属探测器、人工挖探沟等形式,并在明确的管线位置正上方,用白灰划线,以示警示。
电缆沟开挖:安全技术交底---------------------------------------电缆沟开挖:安全技术交底之相关制度和职责,交底内容:电缆沟开挖及线路附近施工注意事项:1.听从指挥,注意防护人员所发信号,及时避让列车。
2.不得在双线路桥的线路中间、铁路中心或轨面上行走,且宜避开路肩。
3.横向跨越铁路时,在已停列...交底内容:电缆沟开挖及线路附近施工注意事项:1.听从指挥,注意防护人员所发信号,及时避让列车。
2.不得在双线路桥的线路中间、铁路中心或轨面上行走,且宜避开路肩。
3.横向跨越铁路时,在已停列车两端头通过时的距离不应小于5m。
严禁在车辆下部或车钩处通过。
4.不得改变铁路设施原有状态。
不得在铁路建筑限界以内的地方坐、卧、休息。
不得钻车、扒车、跳车及从车底下传递工具。
5. 挖沟时施工人员之间应保持3~5m的距离。
在有地下光、电缆和管路的地方挖沟、坑时,应了解地下设施的用途、埋设位置,并与有关部门联系,做好防护后再施工。
开挖电缆沟前必须挖探沟确定地下设施的具体位置。
6. 当挖沟、坑影响行人妨碍交通或站内作业时,应在施工地点3~5m处加设防护,并应当天回填夯实。
如需过夜时,应采取防止人员坠落的安全措施。
在有倒塌危险的房屋、围墙附近开挖时应对其临时加固。
7.严禁在影响路基稳定的范围内挖沟、坑,在铁路沿线或穿越铁路挖沟、坑时,摆放的料具和挖出的土石严禁侵入基本建筑限界,并应采取防止塌落的措施。
8. 施工人员必须戴安全帽,穿防护服,持上岗证作业。
9 . 电缆穿越公路、管道、与通信信号电缆等交叉时必须穿管保护,与通信信号电缆平行敷设时间距不得小于500mm。
门店制度门诊制度门诊部制度感谢阅读,欢迎大家下载使用!。
一、交底目的为确保管井敷设电缆作业的安全,提高作业人员的安全意识和操作技能,特制定本安全技术交底。
二、交底内容1. 作业前的准备- 作业人员必须经过专业培训,熟悉电缆敷设的操作规程和安全注意事项。
- 作业前应检查所有工具、设备是否完好,特别是起重设备、电缆牵引设备等。
- 了解管井的结构、尺寸和进出口位置,确保电缆敷设的路径合理。
2. 电缆敷设操作规程- 电缆盘就位:电缆盘可用起重机或人工放置,装卸过程中设专人指挥,信号清晰准确。
- 吊装电缆盘:采用吊车时,吊装孔中应有盘轴,钢丝绳套在轴的两端,禁止直接穿在盘孔中起吊。
- 移动电缆盘:人工移动前检查线盘牢固性,电缆两端固定,线圈不松弛,只允许短距离滚动,滚动方向与箭头指示一致。
- 牵引绳使用:根据电缆长度和截面,牵引绳长度应比电缆长30~50米,连接必须牢固,连接点使用防捻器。
- 滑轮布放:直线部分每隔2.5~3米设置直线滑轮,确保电缆不与地面摩擦,所有滑轮形成直线。
弯曲部分使用转弯滑轮,控制电缆弯曲半径和侧压力。
- 电缆弯曲半径:电缆允许最小弯曲半径应符合相关规定,关键部位(如转弯位、管口、与其他管道交叉的部位)应有专人监视。
3. 安全注意事项- 电缆敷设过程中,不得损坏电缆沟、隧道、电缆井和人井的防水层。
- 电力电缆在终端头与接头附近宜留有备用长度。
- 并联使用的电力电缆,如设计未要求时,其长度、型号、规格应相同。
- 电缆敷设时,可用人力拉引或机械牵引,电缆应从电缆盘的上端引出,禁止电缆在支架上及地面摩擦拖拉。
- 作业人员应佩戴必要的安全防护用品,如安全帽、手套、防护眼镜等。
- 作业现场应设置警示标志,非作业人员不得进入作业区域。
4. 应急预案- 如发生电缆损坏、起火等紧急情况,应立即停止作业,迅速撤离人员,并采取相应措施进行处置。
- 配备必要的应急救援器材,如灭火器、急救箱等。
三、交底时间[填写交底时间]四、交底人[填写交底人姓名及职务]五、接受交底人[填写接受交底人姓名及职务]六、备注本安全技术交底内容为敷设电缆作业的基本要求,具体操作时应根据实际情况进行调整。
安全技术交底
编号
工程名称郑州市轨道交通2号线一期
工程土建施工04工区城南
车辆段电缆井及电缆隧道
分部分项
工程名称
土方开挖
交底内容:
电缆井及电缆隧道土方开挖安全交底
1、挖沟时施工人员与机械之间应保持3-5m的距离。
在有地下光、电缆和管路的地方挖沟、坑时,应了解地下设施的用途、埋设位置,并与有关部门联系,做好防护后再施工。
2、应在施工地点2m处加设防护,防止人员坠落。
3、严禁在影响其它构筑物范围内挖沟,若距离过近必须采取防止塌落的措施。
4、夜间施工必须有充足的照明设施,危险地段应设置明显的警示标志和护拦。
5、挖沟、坑的弃土应距沟、坑边0.4m以外。
堆土高度不应高于1.5m。
6、在土质松软地带挖沟、坑时应按斜坡形开挖,坡度的大小应根据土壤的性质、湿度及坑深确定。
机械施工区域禁止无关人员进入场地内。
机械工作回转半径范围内不得站人或进行其他作业。
7、雨期施工,运输机械和行驶道路应采取防滑措施,以保证行车安全。
8、运输道路应经常洒水湿润,以防扬尘。
9、在距基坑上部边缘不少于5.0米范围不准堆放土方和建筑材料,严禁重型车辆通行。
若坑上部边缘5.0m外堆置建筑材料,堆置高度不超过1.2米。
车辆必须远离围护结构边行走。
10、多台挖掘机在同一作业面作业时,挖掘机间距应大于10m。
交底内容:
电缆井及电缆隧道
土方开挖接受人签字:
交底日期
年月日
第1 页共1 页。
电缆沟挖掘安全技术交底电缆沟挖掘是我们在进行工地施工时常见的一项工作,它涉及到电缆等重要设施的安全,所以在进行电缆沟挖掘工作之前,必须进行安全技术交底。
下面是我对电缆沟挖掘安全技术的交底内容:一、工作背景说明电缆沟挖掘是为了进行电缆敷设和维修而进行的工作。
电缆是一个脆弱的设备,如果挖掘不慎可能会对其造成破损,甚至会引发火灾等严重事故。
因此,电缆沟挖掘必须要安全及谨慎进行。
二、工作目标电缆沟挖掘的目标是尽快完成挖掘工作,确保沟渠的安全与质量。
三、主要任务1.计划和准备工作2.现场标志和临时交通管控3.施工设备选用和准备4.挖掘工作的操作技术5.挖掘过程中的安全注意事项6.沟渠维护和清理7.结束工作后的清理和整理四、具体操作细节1.计划和准备工作a.根据设计图纸确定挖掘区域和深度;b.编制挖掘计划,包括挖掘顺序、挖掘深度、挖掘方法等;c.查明相关管线的位置和走向,标注在地图上以便操作员明确了解。
2.现场标志和临时交通管控a.在挖掘区域四周设置明显的警示标志,以警示过往行人和车辆;b.设置临时交通管控措施,保证挖掘区域附近的交通有序。
3.施工设备选用和准备a.检查挖掘设备的工作状态,确保安全可靠;b.选择合适的挖掘设备,根据具体地理环境和挖掘要求选用合适的工具;c.做好施工设备的维护保养工作,确保设备的正常运行。
4.挖掘工作的操作技术a.根据设计要求,掌握正确的挖掘方法;b.按照挖掘计划进行工作,确保挖掘的精确和顺利;c.注意沟渠的纵向和横向平整度。
5.挖掘过程中的安全注意事项a.注意挖掘过程中的平衡,防止设备倒塌引发安全事故;b.注意挖掘工具的使用方法,以避免电缆受损;c.关注现场的环境变化,如地质条件、天气等,及时采取相应的措施。
6.沟渠维护和清理a.在挖掘完成后,要及时对沟渠进行维护和清理,保持良好的工程质量;b.沟渠挖掘完毕后必须立即进行土方的清理,防止堆放土方影响周围环境。
7.结束工作后的清理和整理a.清理现场,将施工设备和工具进行整理和归位;b.记录施工过程中的有关安全事项并进行总结。
电缆沟挖掘安全技术交底一、前言电缆沟挖掘是建设工程中常见的一项工作,处理不当很容易导致安全事故的发生,因此,必须采取有效措施进行管理和操作。
本文主要针对电缆沟挖掘工作中的安全技术问题进行交底。
二、工作时必要的前期准备在进行电缆沟挖掘工作时,必需按照设计图纸、施工方案、相关规定进行前期准备工作,包括以下方面:1. 调查研究在进行电缆沟挖掘之前,需要对施工现场进行全面调查和实地勘察。
主要是要对地下管线、电缆、地下水位、既有设施等情况进行了解。
2. 制定施工方案在调查研究的基础上,需要根据施工质量要求、时间要求、安全要求等因素,制定详细的施工方案。
3. 确定安全责任人在施工前,需要确定一名专人负责现场安全管理工作,并向作业人员进行交底,加强安全意识和预防意识,确保施工安全。
4. 必要的安全防护措施在施工现场,必需设置完善的防护措施,如设置安全围挡,标识作业区域,保护好现场安全。
三、作业过程中注意事项在施工过程中,必需执行相关规定,严格按照施工方案作业,遵守以下注意事项:1. 保持交通畅通施工现场应设置明显的路标指示,对施工现场内、外道路进行划分,设置明确的交通路线和指示标志。
施工期间,对于有交通管制要求的施工现场,应采取必要措施确保交通畅通。
2. 保护好既有管线施工过程中应该特别注意保护好被穿越管线或电缆,防止意外损坏,应尽量避免挖掘机和其他设备进行作业。
保障既有管线安全,不撞管,不割管,不损毁,不卡管。
3. 做好斜坡护坡设备运行时应特别注意斜坡的护坡,确保斜坡物料不会掉落,保持施工现场的整洁。
斜坡的夹角与斜坡的固定也要得到特别重视。
4. 土方开挖注意事项在进行土方开挖时,需要进行平整处理,并进行排水,防止寒冷的时候,土方结冰。
5. 做好原材料加工在进行原材料加工时,应加强对设备的维护保养,确保设备功能正常,避免发生故障。
四、施工结束后注意事项施工结束后,必需做好安全管理工作,检查施工质量和安全记录,确保施工质量和安全。
2023年电缆沟挖掘安全技术交底一、引言电缆沟挖掘是电力、通信等行业常见的工程活动,但由于电缆等地下设施的复杂性,挖掘工作存在着一定的安全风险。
为了确保2023年电缆沟挖掘施工的安全性,提高工作效率,本文将详细介绍相关的安全技术交底内容。
二、前期准备工作1.安全培训:施工人员应接受相关的安全培训,包括电缆沟挖掘的操作要求、安全防护措施等内容,提高他们的安全意识和技能。
2.现场勘察:在正式挖掘前,要进行详细的现场勘察,了解地下设施的分布情况,尽量避免对已布设的电缆等设施造成损害。
三、安全保护措施1.工地标识:明确标示工地范围,设置警示牌和警戒线,防止外人进入施工区域,避免外来人员的伤害和设备的损坏。
2.人员防护:施工人员应佩戴符合安全标准的安全帽、防护鞋、护目镜、手套等工作装备,有效保护头部、眼睛、手部等重要部位。
3.防止触电:挖掘施工时,严禁将挖掘机铲刀直接接触电缆等设施,以防触电事故发生。
可以使用遥控器控制挖掘机的动作,提高操作安全性。
4.通风安全:对于较深的电缆沟,应加强通风设备的安装和使用,确保施工人员的舒适度和安全。
四、挖掘技术交底1.挖掘顺序:在挖掘电缆沟时,要根据工程图纸的要求,按照先挖槽口,再挖坑底的顺序进行。
槽口的深度和宽度应符合设计要求,坑底要平整。
2.挖掘机操作:挖掘机操作人员应熟悉挖掘机的操作要求,保持机器的稳定,谨慎操作,避免损坏电缆等设施。
在操作前检查挖掘机是否正常运转,是否有异响等异常情况。
3.通风槽设置:在电缆沟中设置通风槽,可以保证工作人员在沟内作业时的通风和排放有毒气体,防止窒息和中毒等意外发生。
4.挖掘机和作业人员保持距离:施工现场应设立专门的工作区域,并要求挖掘机和作业人员保持一定的距离,避免因误操作而造成人员伤害。
5.挖掘机维护:定期对挖掘机进行检查和维护,确保其正常运转。
任何异常情况都应及时处理,以防止机械故障影响工作进度和施工安全。
五、紧急事故应急预案1.逃生通道:施工现场应设置明确的逃生通道,确保人员在发生事故时能及时安全撤离。
电缆沟开挖技术交底一、测量放线1.根据电缆沟的宽度,确保足够的工作空间,纵向每10m桩号放出电缆沟的中桩和开挖边桩、划出边线,保证基底每边增加50cm宽度的工作面,同时预留人行道上的路缘石安装位置和宽度。
2.电缆沟开挖深度较深、且地下水丰富的施工路段,考虑采用拉森钢板桩支护,钢板桩长度根据现场情况确定,钢板桩压入深度为开挖基坑底标高以下4m左右,以确保房屋及施工人员的安全。
具体事宜宜洽商予以解决。
二、沟槽开挖1、沟槽开挖尽量采用采用人工开挖,在探明无现状管道后再采用机械开挖。
沟壁应平整,边坡坡度采用1:1。
2、沟槽开挖必须严格按照设计图纸施工,如G1型电缆沟底宽度为1.74米,考虑到工作面的宽度,G1型电缆沟沟槽底宽度为2.74米。
3、沟槽开挖的位置、基底标高、尺寸,应该符合图纸要求,在开挖过程中,对各个尺寸标高要严格控制。
4、采用机械开挖时,在距离槽底设计标高30cm时换用人工开挖,并采用人工平整沟槽底。
5、沟槽底高程的允许偏差:开挖土方时应为0~-30mm;槽低中线允许偏位为50mm。
6、在建筑物、构造物附近开挖沟槽时,应该根据图纸和有关地质水文资料进行防护设计,采用支撑支护等有效防护措施。
7、挖沟槽弃土应该及时运走,不得堆放在够槽口附近妨碍施工和槽壁稳定,也不得阻碍交通。
8、沟槽每测临时堆土或施加其他荷载时,应符合以下要求:(1)、不得影响建筑物、各种管线和其他设施的安全。
(2)、不得掩埋消火栓、管道闸阀、雨水口、测量标志以及各种地下管道的井盖,且不妨碍其正常使用。
(3)人工挖沟槽时,堆土高度不宜超过1.5m,且距槽口边缘不宜小于0.8m。
9、沟槽底埋有块石、树根、废桩等物体,应该予以清除或铲除。
10、沟槽不允许超过图纸要求的挖深、挖宽。
11、对开挖沟槽附近的建筑物采取监控措施,专人对周边建筑物进行记录,按时检查建筑物是否有开裂、偏移的倾向。
12、沟槽开挖时,注意做好槽内地下水的排水措施和雨水或其他地表水、外来水的防范措施。
新建至铁路至段
站前工程CGZQSG-6标段
电力电缆井施工技术交底
(作业层)
SRBS
公路桥梁建设集团有限公司
成贵铁路CGZQSG-6标段项目经理部二分部
二0—六年七月?
二级技术交底记录表
记录号:
使用编号:
• ■ IM
图1、电力电缆井钢筋布置图
5.模板安装
(1)、电力电缆井净尺寸为180cm x 120cm X90cm (长X宽X深),壁厚20cm。
井共有10个①25镀锌挂钩,本电缆井最多设置10根过轨管。
电缆井与两侧路肩上对称设置,为便于电缆井排水及上下路基电缆槽跨越侧沟,电缆井顶面高于路肩以上0.28m ,两侧电
缆槽在高度上与电缆井顺接,顺接长度不小于2米。
线缆上下路基侧电缆井外侧壁设预留槽,预留槽高20cm,宽50cm,预留槽高度路堑地段为67cm,路堤及路堤氏路堑地段为35cm,预留槽围
的钢筋浇筑时应剪断。
镀锌挂钩、预留槽、过轨管及电缆井细部结构尺寸
详见下图:
图2.电力电缆井细部结构尺寸图
(3)、关模板前基底先铺筑一层10cm厚C25混凝土,外模板全部采用定型钢模,模板采用木模拼接,接缝必须保持在一条直线,接缝必须严密不漏浆,钢模板使用前必须打磨,除锈,刷模
病,制定有效防措施,提高工程质量水平
接底单位及签字
word专业资料。
电缆管道开挖及敷设电缆井开挖:安全技术交底-制度大全
电缆管道开挖及敷设电缆井开挖:安全技术交底之相关制度和职责,工程名称电缆管道开挖及敷设、电缆井开挖交底日期交底单位及人员被交底单位及人员交底内容:一、工作任务开挖及敷设电缆管道米,开挖电缆沟井口。
二、技术要求一、电缆管道开挖及敷设1....
工程名称电缆管道开挖及敷设、电缆井开挖交底日期交底单位及人员被交底单位及人员交底内容:一、工作任务开挖及敷设电缆管道米,开挖电缆沟井口。
二、技术要求一、电缆管道开挖及敷设1.土方开挖(1) 沟体开挖出土方应及时外运,不得随意堆放。
施工过程中严禁超挖,如发生超挖,应用石屑回填压实至设计标高。
(2) 沟体开挖时,密切注意地下管线、构筑物分布情况,发现问题,应立即停止开挖,并通知设计及监理人员,问题解决后继续施工。
2.人工平整沟基土方开挖完成后,按现场土质的坚实情况进行必要的沟底夯实处理及沟底整平。
3.填碎石、石粉或粗砂垫层管沟填碎石、石粉或粗砂垫层必须控制好高度,并压实填平,使管沟保持平直,回填的密实度应符合设计要求。
4.浇捣混凝土板基础(1) 浇筑的混凝土板基础要平直,浇灌过程中用平板振动器振捣。
(2) 混凝土自由下落度应不大于2m,且不得集中于一点,尽量分散布置。
5.支承墩(1) 在高密度聚乙烯管(HDPE)接头及每隔3m处,可构筑高密度聚乙烯管(HDPE)支承墩;在缠绕玻璃钢管(DBW-R)接头及每隔2m 处,可构筑缠绕玻璃钢管(DBW-R)支承墩。
(2) 在底层先砌砖,根据剖面图要求用砖包底层电缆管,再砌第二层,依此类推,逐层施工。
(3) 根据设计要求,采用混凝土支承墩等做法。
6.管道敷设(1) 管道敷设时对于中心线、高程严格控制,保证管道直顺,接口无错位,导管器试通合格。
(2) 管必须保持平直,管与管之间要有20mm 的间距。
(3) 施工中防止水泥、砂石进入管内,出现该种情况必须马上清理干净。
电缆管管口应排列整齐并有不小于0.1%的排水坡度。
施工完毕要用管盖盖住两端管。
7.铺设石粉(管底铺设、管间、顶、冲填)为确保铺设石粉的质量,石粉要分层冲填,保证管底、管间、管顶石粉层的密实度。
二、电缆井开挖 1.土方开挖开挖应严格按挖沟断面分级开挖,沟体开挖应连续进行,挖出土方应及时外运,不得随意堆放。
施工过程中严禁超挖,如发生超挖,应用石屑回填压实至设计标高。
人工修整沟体基沟,根据设计图纸要求把沟底夯实、找平。
2.人工平整沟底挖土完成后对基层土进行夯实处理3.浇捣混凝土垫层、底板(1) 垫层混凝土厚度、强度等应符合设计要求。
(2) 浇捣混凝土垫层,强度达到设计要求后,进行钢筋绑扎,钢筋工程经检验合格后浇捣混凝土底板混凝土,浇筑的混凝土板基础要平直,浇灌过程中用平板振动器振捣。
(3) 混凝土浇筑方法:混凝土自由下落度应不大于2m,且下灰不得集中于一点,尽量匀铺。
混凝土试压件送有资质的检验部门试验并出具合格证。
4.砌砖(1) 砖砌筑前须复测,确定方向后进行砌筑,宜采用灰砂砖,用水泥砂浆砌筑,灰砂砖砌筑前24h要淋透水。
砌筑砂浆要充分搅拌均匀,确保砂浆质量,砖砌体要横平竖直,灰缝饱满均匀。
(2) 砌筑宜采用挤浆法,或者采用“三一砌砖法”,即:一铲灰、一块砖、一挤揉并随手将挤出的砂浆刮去。
操作时砌块要找平、跟线,并经常进行自检,如发现有偏差,应随时纠正,严禁事后采用撞砖纠正。
砌墙应随砌随将溢出砖墙面的砂浆刮除。
5.圈梁混凝土浇筑(1) 圈粱钢筋绑扎:按图纸要求进行井口圈粱的钢筋绑扎,并预留竖向连接筋,沿井口圈梁每米内外各设一根,令圈粱与初衬连成一体,保证结构稳定。
圈梁钢筋经检验合格后方可进行下一道工序。
(2) 圈梁模板安装:1)圈梁模板要用托架稳固、模板要平直、支撑合理、稳固、并考虑拆卸方便,压脚及支撑多采用松木枋、板材。
2)为保证所施工的工井圈梁顺直,圈梁内侧模板可采用槽钢做内模。
模板安装过程中,施工员、质检员要对模板的各个部位详细检查,保证截面尺寸及位置准确。
3)混凝土浇筑:圈粱混凝土浇筑时
用振捣。
6.拆模养护(1) 拆模:非承重构件的混凝土强度达到1.2MPa且其拆模时构件不缺棱掉角,方可拆除模板;承重构件的防水混凝土拆模时间以设计、规范要求及同条件养护试块强度为依据确定。
(2) 养护:常温浇水养护,指定专人经常洒水养护,保持湿润状态,混凝土养护时间应符合规范要求。
7.电缆井壁抹灰(1) 抹灰工程施工的环境温度不应低于5℃,当必须在低于5℃的气温下施工时,应有保证工程质量的有效措施。
(2) 抹灰的表面平整度应符合设计要求。
8.铺设预制盖板(1) 电缆槽盒、盖板:预制构件不得有露筋、蜂窝、麻面、裂缝、破损等现象,外露面光洁、有出厂合格证及检验报告。
(2) 盖板就位时,应调整构件位置,使其缝宽均匀、板面高低平整,正反面位置正确。
9.电缆井回填在井室外四周由槽底到地面范围,宜采用砂、石粉等填料进行回填,严格控制施工工艺,确保密实度符合设计要求。
三、安全要求1.进入施工现场的工作人员必须穿棉质工作服,必须戴好安全帽,高空作业必须系好安全带,工作负责人必须佩戴“工作负责人”袖标。
2.坍塌:雨水后土质松软容易塌方施工时应使用挡土板,并派专人安全监护,随时检查坑边是否有裂纹、挡土板有无变形或断裂现象。
3.物体打击:保持安全距离,设专人监护。
基坑开挖时应将基面上浮石、松石或坑边浮石、土块清除掉,避免施工时活石掉下砸伤人。
4.中暑:避开中午炎热时间段户外作业。
5.触电:加强加工器械使用前及使用过程中的检查,保护零线与工作零线不得混接,开关箱漏电保护器灵敏可靠,漏电保护装置参数应匹配,严格执行“一机、一闸、一漏、一箱”的要求;用电管理和检修维护必须规范,并由专业电工进行,配电箱必须上锁,并采取防雨措施;搅拌机、震捣器等应配备漏电开关,无漏电开关的设备,禁止浇制施工。
备注:交底人: 年月日接受交底人:年月日财务部工作职责财务部岗位职责收费员岗位职责
欢迎下载使用,分享让人快乐。