一建市政精讲讲义(施工管理)有例题
- 格式:pdf
- 大小:832.40 KB
- 文档页数:117
命题4 网络图绘制、紧前工作紧后工作及虚工作如下图网络所示的进度计划,当准备实施的时候,发现B工作和E工作必须使用同一台设备,请重画网络图。
下图的做法有问题吗?正确的作图应该是:画图某项目部针对一个施工项目编制网络计划图,下图是计划图的一部分:该网络计划图其余部分设计工作及持续时间见下表:项目部对按上述思路编制的网络计划图进一步检查时发现有一处错误:C2工作必须在B2工作完成后,方可施工。
经调整后的网络计划图由监理工程师确认满足合同工期要求,最后在项目施工中实施。
问题:1.按背景资料给出的计划工作及持续时间表补全网络计划图的其余部分。
(请将背景中的网络图复制到答题纸上作答,在试卷上作答无效)。
2.发现C2工作必须在B2工作完成后施工,网络计划图应如何修改?(请复制问题1的结果(网络图)到答题纸上作答。
在试卷上作答无效)。
某施工单位承接了一项市政排水管道工程,施工单位组织基槽开挖、管道安装和土方回填三个施工队流水作业,并按I、II、III划分成三个施工,根据合同工期要求绘制网络进度图如下:问题:网络进度图上有两个不符合逻辑的地方,请在图上用虚线画出虚工作,让逻辑更合理。
4、计算本工程的总工期,并指出关键线路。
【答案】管道安装1到管道安装2用虚线连上箭头指向安装2,安装2指向安装3,箭头指向安装3。
A公司承建城市道路改扩建工程,其中新建一座单跨简支桥梁,节点工期为90天,项目部编制了网络进度计划如图1所示(单位:天)。
公司技术负责人在审核中发现该施工进度计划不能满足节点工期要求,工序安排不合理,要求自每项工作作业时间不变、桥台钢模板仍为一套的前提下对网络进度计划进行优化。
某工程基础底板施工,合同约定工期50天,项目经理部根据业主提供的电子版图纸编制了施工进度计划(如图1)。
底板施工暂未考虑流水施工。
图1 施工进度计划图在施工准备及施工过程中,发生了如下事件:事件一:公司在审批该施工进度计划(横道图)时提出,计划未考虑工序B与C,工序D与F之间的技术间歇(养护)时间,要求项目经理部修改。
命题5:流水节拍累加数列,错位相减,取大差。
例题:某拟建工程由甲、乙、丙三个施工过程组成;该工程共划分成四个施工流水段,每个施工过程在各个施工流水段上的流水节拍如下表所示。
各施工段的流水节拍问题:计算各施工过程间的流水步距和总工期。
试编制该工程流水施工计划图。
答:求各施工过程之间的流水步距: 1)各施工过程流水节拍的累加数列 甲:2 6 9 11 乙:3 5 8 11 丙:4 6 7 102)错位相减,取大差,得流水步距甲,乙K 2 6 9 11—) 3 5 8 11 2 3 4 3 -11 所以:甲,乙K =4乙,丙K 3 5 8 11—) 4 6 7 10 3 1 2 4 -10 所以:乙,丙K =4命题6 横道图绘制项目部将20cm厚石灰稳定碎石底基层,38cm厚水泥稳定碎石基层,8cm 厚粗粒式沥青混合料底面层,6cm 厚中粒式沥青混合料中面层,4cm 厚细粒式沥青混合料表面层等五个施工过程分别用Ⅰ、Ⅱ、Ⅲ、Ⅳ、Ⅴ表示, 并将Ⅰ、Ⅱ两项划分成4个施工段(1)(2)(3)(4)。
I, II 两项在各施工段上持续时间如表4-1所示而III,IV,V不分施工段连续施工,持续时间均为一周。
项目部按各施工段持续时间连续,均衡作业,不平行,搭接施工的原则安排了施工进度计划(表型如表4-2)请按背景中要求和表4-2形式,用横道图表示,画出完整的施工进度计划表,并计算工期背景资料某公司中标该工程以后,编制了施工组织设计,按规定获得批准后,开始施工。
施工组织设计中绘制了以下的总网络计划图:图中,雨水管施工时间已包含连接管和雨水口的施工时间;路基、垫层、基层施工时间中已包含旧路翻挖、砌筑路缘石的施工时间。
1.指出本工程总网络图计划中的关键线路。
2.将本工程总网络计划改成横道图,横道图模板如下,请将模板复制到专用答题卡上作答。
『正确答案』1.(本小题6分,每写出一条3分)①-②-③-④-⑤-⑥-⑧-⑨①-②-③-④-⑤-⑥-⑦-⑧-⑨2.(本小题9分,画对一条给1分,共9分)3.(本小题6分)可以采用流水施工的分项工程有:雨水管施工(2分),北半幅路基垫层基层施工,(2分),南半幅路基垫层基层施工(2分)。
目录1K410000 市政工程公用技术 11K411000 城镇道路工程 11K411010城镇道路工程结构与材料(全选择题) 11K411011城镇道路分类与分级(5个选择点)11K411012沥青路面结构组成特点21K411013水泥混凝土路面构造特点51K411014沥青混合料组成与材料71K411015沥青路面材料的再生应用91K411016不同形式挡土墙的结构特点(选择题)101K411020城镇道路路基施工121K411021城镇道路路基施工技术121K411022城镇道路路基压实作业要点(案例)151K411023岩土分类与不良土质处理方法161K411024了解水对城镇道路路基的危害191K411030城镇道路基层施工201K411031不同无机结合料稳定基层特性201K411032城镇道路基层施工技术211K411033 了解土工合成材料的应用(选择题)231K411040城镇道路面层施工241K411041沥青混合料面层施工技术(案例)20条要点241K411042改性沥青混合料面层施工技术(案例)9条271K411043水泥混凝土路面施工技术281K411044熟悉城镇道路大修维护技术要点(新案例)301K412000 城市桥梁工程321K412010城市桥梁工程结构与材料321K412011城市桥梁结构组成与类型(选择题)321K412012模板、支架的设计、制作、安装与拆除341K412013钢筋施工技术(案例)381K412014混凝土施工技术(案例)391K412015预应力混凝土施工技术(案例)411K412016桥面防水系统施工技术(新增)451K412020城市桥梁下部结构施工491K412021各类围堰施工要求(案例)491K412022桩基础施工方法与设备选择(案例)501K412023墩台、盖梁施工技术(案例)541K412030城市桥梁上部结构施工561K412031装配式梁(板)施工技术(案例)561K412032现浇预应力(钢筋)混凝土连续梁施工技术(案例题、选择题)57 1K412033钢梁制作与安装要求(案例、选择题)601K412034钢-混凝土结合梁施工技术(案例、选择题)621K412035钢筋(管)混凝土拱桥施工技术(选择题)631K412036斜拉桥施工技术要点(选择题)641K412040 管涵和箱涵施工651K412041管涵施工技术要点(案例题、选择题)651K412042掌握箱涵顶进施工技术要点(案例题、选择题)651K413000 城市轨道交通工程671K413010城市轨道交通工程结构与特点671K413011地铁车站结构与施工方法(选择题)671K413012地铁区间隧道结构与施工方法(选择题)721K413013轻轨交通高架桥梁结构与施工要点(选择题)741K413014城市轨道交通的轨道结构组成751K413020 明挖基坑施工771K413021工程降水方法(案例、选择题)771K413022深基坑支护结构与变形控制(选择题)781K413023基槽土方开挖及护坡技术(案例)831K413024地基加固处理方法(案例)841K413030 盾构法施工871K413031 盾构机型选择要点(选择题)871K413032盾构施工条件与现场布置(选择题)871K413033盾构施工阶段划分及始发与接收施工技术(案例)89 1K413034盾构掘进技术(案例)911K413035盾构法施工地层变形控制措施(选择题)931K413040喷锚暗挖(矿山)法施工951K413041喷锚暗挖法的掘进方式选择(选择题)951K413042喷锚加固支护施工技术(案例题)981K413043衬砌及防水施工要求(案例题)991K413044小导管注浆加固技术(案例题)1001K413045喷锚暗挖法辅助工法施工技术要点1011K414000 城市给水排水工程1041K414010 给水排水厂站工程结构与特点1041K414011厂站工程结构与施工方法(选择题)1041K414012给水与污水处理工艺流程(选择题)1061K414013给水与污水处理厂试运行(选择题)1091K414020给水排水厂站工程施工1091K414021现浇(预应力)混凝土水池施工技术(案例题)1091K414022掌握装配式预应力混凝土水池施工技术(案例题)111 1K414023构筑物满水试验的规定(案例题)1131K414024沉井施工技术(案例题)1161K414025水池施工中的抗浮措施(案例题)1181K415000 城市管道工程1201K415010 城市给水排水管道工程施工1201K415011城市排水体制选择(新增)1201K415012开槽管道施工技术(案例题)1211K415013不开槽管道施工方法选择(选择题)1221K415014管道功能性试验(案例题)1231K415015砌筑沟道施工要点(选择题新)1261K415016给水排水管网维护与修复技术(选择题新)1281K415020城市供热管道工程施工1291K415021供热管道的分类及供热管道施工基本要求(选择题)129 1K415022供热管道施工基本要求(案例题)1341K415023供热管网附件及供热站设施安装要点(选择题)1371K415024供热管道功能性试验的规定(案例题)1411K415030城市燃气管道工程施工1421K415031燃气管道的分类(选择题)1421K415032燃气管道施工与安装要求(选择题)1441K415033燃气管网附属设备安装要点(选择题)1471K415034燃气管道功能性试验的规定(案例题)1481K416000 生活垃圾填埋处理工程1501K416010 生活垃圾填埋处理工程施工1501K416011 生活垃圾卫生填埋区结构特点(选择题)1501K416012 生活垃圾填埋区防渗层施工技术(选择题)1511K416013 生活垃圾填埋场填埋区导排系统施工技术(新增)155 1K416014垃圾填埋与环境保护要求(选择题)1561K416020施工测量1571K416021熟施工测量主要内容与常用仪器(新增,略)1571K416022场区控制测量(选择题)1581K416023竣工图编绘与实测(新增、略)1591K417000 城市绿化与园林附属工程1621K417010绿化工程1621K417011栽植基础工程(新增)1621K417012栽植工程(新增)1641K417013施工期养护(新增)1711K417020 园林工程施工1731K417021园路与广场地面铺装工程(案例)1731K417022假山、叠石、置石工程1731K417023园林理水工程(选择题)1741K420000 市政公用工程项目施工管理1761K420010 市政公用工程施工招标投标管理1761K420011市政公用工程施工招标、投标管理要求1761K420012市政公用工程施工招标条件与程序(案例题)1771K420013市政公用工程施工投标条件与程序(选择题)1791K420020 市政公用工程造价管理1821K420021设计概算的应用(略)1821K420022施工图预算的应用(案例、选择题)1821K420023市政公用工程工程量清单计价的应用(选择题)1831K420030 市政公用工程合同管理1881K420031施工阶段合同履约与管理要求(案例)1881K420032工程索赔的应用(案例题)1891K420033施工合同风险防范措施(选择题)1911K420040 市政公用工程施工成本管理1921K420041施工成本管理的应用(3个要点—选择题)1921K420042施工成本目标控制的措施(2个要点—选择题)1931K420043施工成本核算的应用(3个选择点—选择题)1941K420050 市政公用工程施工组织设计1951K420051施工组织设计编制注意事项(2个要点—案例题)1951K420052施工方案确定的依据(3个要点—选择题)1961K420053专项方案编制与论证要求(案例题)1971K420054交通导行方案设计要点(案例题)1991K420060 市政公用工程施工现场管理2001K420061施工现场布置与管理要点(3个要点——案例题)2001K420062环境保护管理要点(2个要点—选择题)2031K420063劳务管理的有关规定(3个要点——案例)2041K420070 市政公用工程施工进度管理2051K420071施工进度计划编制方法的应用(案例)2051K420072施工进度计划调控措施(4个要点——选择、案例题)206 1K420073施工进度报告的注意事项(案例题)2071K420080 市政公用工程施工质量管理2081K420081质量计划编制注意事项(选择题)2081K420082质量计划实施要点(选择题)2091K420083施工准备阶段质量管理措施(案例题)2101K420084施工质量控制要点(案例题)2111K420090城镇道路工程质量检查与检验2131K420091无机结合料稳定基层施工质量检查与验收(案例题)2131K420092沥青混合料面层施工质量检查与验收(案例题)2151K420093水泥混凝土面层施工质量检查与验收(前述、可略)2161K420094冬、雨期施工质量保证措施(案例题)2171K420095压实度的检测方法与评定标准(选择题)2191K420100城市桥梁工程质量检查与检验2201K420101钻孔灌注桩施工质量事故预防措施(案例题)2201K420102大体积混凝土浇筑施工质量检查与验收(案例题)2221K420103预应力张拉施工质量事故预防措施(案例题)2231K420104钢管混凝土浇筑施工质量检查与验收(选择题)2241K420110城市轨道交通工程质量检查与检验2251K420111地铁车站工程施工质量检查与验收(案例题)2251K420112喷锚支护施工质量检查与验收(选择题)2281K420120城市给排水场站工程质量检查与检验2311K420121给水排水混凝士构筑物防渗漏措施(案例题)2311K420122城市给水工程滤池与滤板施工质量检查与验收(选择题)233 1K420130城市管道工程质量检查与检验2341K420131城市燃气,供热管道施工质量检查与验收(案例题)2341K420132柔性管道回填施工质量检查与验收(案例题)2371K420140 市政公用工程施工安全管理2391K420141施工安全风险识别与预防措施(选择题)2391K420142施工安全保证计划编制和安全管理要点(案例题)2401K420143施工安全检查方法和内容(案例题)2461K420150 明挖基坑施工安全事故预防2471K420151防止基坑坍塌、淹埋的安全措施(2条——案例题)2471K420152开挖过程中地下管线的安全保护措施(案例题)2491K420153施工监控量测内容与方法(选择题)2501K420160城市桥梁工程施工安全事故预防2511K420161桩基施工安全措施(案例题)2511K420162模板支架和拱架施工安全措施(案例题)2531K420163箱涵顶进施工安全措施(案例题)2541K420164旧桥梁拆除施工安全措施(案例题)2551K420170 隧道工程施工安全事故预防2571K420171盾构法施工安全措施(案例题)2571K420172暗挖法施工安全措施(案例题)2581K420180 市政公用工程职业健康安全与环境管理2591K420181职业健康安全管理体系的要求2591K420182环境管理体系的要求(略)2601K420190 市政公用工程竣工验收与备案2601K420191工程竣工验收注意事项(4个方面——案例题)2601K420192工程档案编制要求(选择题)2621K420193工程竣工备案的有关规定(选择题)2641K420194城市建设档案管理与报送的规定(选择题)2661K430000市政公用工程项目施工相关法规与标准2671K431000相关法律法规2671K431010 《城市道路管理条例》有关规定2671K431011掌握道路与其他市政公用设施建设应遵循的原则2671K431012掌握关于占用或挖掘城市道路的管理规定2671K431020 《城市绿化条例》有关规定2681K431021掌握保护城市绿地的规定2681K431022掌握保护城市的树木花草和绿化设施的规定2681K432000 相关技术标准2681K432010 《城镇道路工程施工与验收规范》的有关规定2681K432011城镇道路工程施工过程技术管理的规定2681K432012城镇道路工程施工开放交通的规定2691K432020 《城市桥梁工程施工与验收规范》的有关规定2691K432021城市桥梁工程施工过程质量控制的规定2691K432022悬索桥的索鞍、索夹与吊索施工技术要点2691K432030 《地下铁道工程施工及验收规范》的有关规定2701K432031喷锚暗挖法隧道施工的规定2701K432032盾构法隧道掘进速度控制的规定2701K432040 《给水排水构筑物施工及验收规范》的有关规定270 1K432041给排水构筑物工程所用材料、产品的规定2701K432042水池气密性试验的要求2701K432050 《给水排水管道工程施工及验收规范》的有关规定271 1K432051给水排水管道工程施工质量控制的规定2711K432052给水排水管道沟槽回填的要求2711K432060 《城市供热管网工程施工及验收规范》的有关规定271 1K432061供热管道焊接施工单位应具备条件2711K432062直埋保温接头的规定2721K432070 《城镇燃气输配工程施工及验收规范》的有关规定2721K432071钢管焊接人员应具备的条件2721K432072聚乙烯燃气管道连接的要求2721K432080 《城市绿化工程施工及验收规范》的有关规定2731K432081栽植穴、槽的挖掘2731K432082植物材料外观质量要求和检验方法(新增)2731K432083主要水湿生植物最适栽培水深(新增)2731K432084绿化栽植土壤有效土层厚度(新增)2741K433000一级建造师(市政公用工程)注册执业管理规定及相关要求274 1K433001一级建造师(市政公用工程)注册执业工程范围2741K433002一级建造师(市政公用工程)注册执业工程规模标准2771K433003一级建造师(市政公用工程)施工管理签章文件目录2801K410000 市政工程公用技术1K411000 城镇道路工程1K411010城镇道路工程结构与材料(全选择题)1K411011城镇道路分类与分级(5个选择点)一、城镇道路分类(二)分类方法:地位——快速路、主干路、次干路及支路;对交通运输作用——全市性道路、区域性道路、环路,放射路、过境道路等;运输性质——公交专用道路、货运道路、客货运道路等;根据环境——中心区道路、工业区道路、仓库区道路等。
一建市政工程实务管理案例题归纳1K40 施工招标投标1.投标文献商务部分内容有哪些?投标函及投标附录;法定代表人身份证明;投标保证金;资格审查材料;联合体合同书;(投标人须知前附表规定旳其她材料)。
2.投标文献应附哪些图标?(3表2图)施工设备表、实验及检测仪器设备表、劳动力筹划表、开竣工日期和进度网络图、施工总平面图、临时用地表。
3招标人对投标人资质审查旳内容:(5要素)信誉、技术、(拟投入)人员、机械、财务状况。
4..投标文献应对哪些内容作出实质性响应?工期、质量、技术原则和规定、招标范畴、投标有效期。
5投标人采用旳投标报价技巧有哪些?不平衡报价法、多方案报价法、忽然降价法、先亏后赢法、许诺优惠条件、争取评标奖励。
(6种措施)1K40 造价管理1.传记录价模式和工程量清单计价模式旳区别:(1)计价根据不同,前者是施工图设计文献及统一旳预算定额,后者是公司定额和市场价格;(2)采用旳单价形式不同,前者是工料机单价,后者是部分费用综合单价;(3)后者造价涵盖旳内容更全面具体,其还涉及风险费、暂列金额及索赔。
(4)工程量清单能给投标人提供一种公平竞争旳市场环境。
(5)对于后者,招标人还必须列出各个清单项目旳工程数量。
(此问含义深远,列举旳5点并不够丰富,核心在于理解)。
2工程量清单漏项或增长新旳工程量清单如何解决?(1)已有合用旳单价,按该单价拟定;(2)有类似旳单价,参照该单价拟定;(3)既无合用也无类似,承包人提出,发包人确认后执行(措施项目旳变化,参照该问回答)。
3 因不可抗力导致旳费用,发承包双发如何分担?(1)工程自身损害、工程损害导致第三方人身财产旳损害、已运至施工现场旳材料和设备,由发包人承当;(2)停工期间,承包人应发包人规定留守施工现场旳必要管理人员及保卫人员旳费用,发包人承当;(3)工程清理、修复费,发包人承当;(4)发承包人人员伤亡,由所在单位承当;(5)承包人自有旳施工机械损坏及停工损失,承包人承当(原则:各管各旳、工程自身损失发包人承当;三发包一承包一各自)。
一级建造师市政公用工程案例分析讲解题案例1某市政公司承包某路段的改建工程,全长2.5km,工期为当年7月至次年2月。
该路段为四快二慢主干道,道路结构层:机动车道为20cm石灰土底基层,45cm二灰碎石基层,9cm 粗、4cm细沥青混凝土面层;非机动车道为20cm石灰土底基层,30cm二灰碎石基层,6cm 粗、3cm细沥青混凝土面层;两侧为彩色人行道石板。
项目部进场后,项目技术负责人即编制了实施性的施工组织设计,其中规定由项目部安全员定期组织安全检查。
该施工组织设计经上一级技术负责人审批同意后,即开始工程项目的实施。
在实施过程中,项目部将填方工程分包给某工程队,当土方第一层填筑、碾压后,项目部现场取样、测试,求得该层土实测干密度,工程队随即进行上层填土工作。
监理工程师发现后,立即向该工程队发出口头指示,责令暂停施工。
整改完毕符合验收程序后,又继续施工.在一次安全检查中,监理工程师发现一名道路工在电箱中接线,经查证,属违反安全操作规程.按工程进展,沥青混凝土面层施工正值冬期,监理工程师要求项目部提供沥青混凝土面层施工措施。
问题1.监理工程师发出暂停施工指令的原因是什么?其指令方式有哪些应改进的地方?2.施工组织设计的审批程序存在的问题在哪里?P1723.沥青混凝土冬期施工应采取的措施是什么?2134.该道路工有哪些违反了操作规程?为什么?5.工程项目安全检查的规定是否正确?请说明理由?244参考答案1.监理工程师发出暂停施工指令的原因为:(1)填土后未检查就碾压.因为填土应符合:填土长度达50m左右时,检查铺筑土层的宽度与厚度,合格后即可碾压,碾压先轻后重,最后碾压不应小于12t级压路机。
(2)碾压后未进行土质路基的质量检查就进行上层填土工作。
因为路基碾压完成时,必须按质量验收项目(宽度、纵断面高程、横断面高程、平整度、压实度等)检查,不合格处修整到符合规范、标准要求。
监理工程师指令方式的改进之处:监理工程师应通知承包人暂停施工并下停工令(而不是立即向该工程队发出口头指示,责令暂停施工),并在24h内向乙方提出具体处理意见,乙方应按监理工程师的要求暂停施工。
2020一级建造师《市政公用工程管理与实务》优选题分1K420050市政公用工程施工组织设计【出题方向】1.施工组织设计编制的注意事项(内容、编制方法、程序)2.施工技术方案确定的依据3.专项施工方案编制、论证与实施4.交通导行方案设计要求【习题1】施工组织设计应由()主持编制。
A.项目负责人B.项目技术负责人C.企业负责人D.企业技术负责人【答案】A【解析】施工组织设计应由项目负责人主持编制。
【习题2】施工组织设计主要内容包括()。
A.工程概况B.施工总体部署C.施工现场平面布置D.施工机具清单E.施工技术方案【答案】ABCE【解析】施工组织设计主要包括:①工程概况;②施工总体部署;③施工现场平面布置;④施工准备;⑤施工技术方案;⑥主要施工保证措施。
【习题3】()是施工技术方案的核心内容。
A.施工方法B.施工机械C.施工组织D.施工顺序【答案】A【解析】施工方法(工艺)是施工技术方案的核心内容,具有决定性作用。
【习题4】根据《危险性较大的分部分项工程安全管理办法》,下列分部分项工程中,需要专家论证的有()。
A.顶管工程B.滑模模板工程C.6m深的基坑工程D.15m深的人工挖孔桩工程E.最大起重量为250kN的龙门吊安装工程【答案】ABC【解析】超过一定规模的危险性较大的分部分项工程,应制定专项施工方案,通过专家论证。
包括:(1)开挖深度超过5m(含5m)的基坑开挖、支护、降水工程;(2)滑模、爬模、飞模工程;(3)地下暗挖工程、顶管工程、水下作业工程;(4)开挖深度超过16m的人工挖孔桩工程;(5)起重量300kN及以上的起重设备安装工程。
【习题5】占用慢行道和便道要获得()的批准。
A.交通管理B.行政管理部门C.市政管理部门D.道路管理部门E.公安部门【答案】AD【解析】占用慢行道和便道要获得交通管理和道路管理部门的批准,按照获准的交通疏导方案修建临时施工便道、便桥。
【习题6】属于交通导行方案保证措施的有()。
12020一级建造师《市政公用工程管理与实务》考点精讲班例题【背景资料】某建设单位和施工单位签订了某市政公用工程施工合同,合同中约定:建筑材料由建设单位提供;由于非施工单位原因造成的停工,机械补偿费为200元/台班,人工补偿费为50元/工日;总工期为120d ;竣工时间提前奖励为3000元/d ,误期损失赔偿费为5000元/d 。
经项目监理机构批准的施工进度计划如图所示(单位:d )。
施工过程中发生如下事件:……事件3:①由于建设单位要求对B 工作的施工图纸进行修改,致使B 工作停工3d (每停1d 影响30工日、10台班);②由于机械租赁单位调度的原因,施工机械未能按时进场,使C 工作的施工暂停5d (每停1d 影响40工日、10台班);③由于建设单位负责供应的材料未能按计划到场,E 工作停工6d (每停1d 影响20工日、5台班)。
施工单位就上述三种情况按正常的程序向项目监理机构提出了延长工期和补偿停工损失的要求。
……该工程的实际工期为122d 。
【问题】……3.逐项说明事件3中项目监理机构是否应批准施工单位提出的索赔,说明理由并给出审批结果(写出计算过程)。
……5.分析施工单位应该获得工期提前奖励,还是应该支付误期损失赔偿费?金额是多少?【参考答案】3.事件三中:1)B 工作停工3d :应批准工期延长3d ,因属建设单位原因(或因非施工单位原因),且工作处于关键线路上; 费用可以索赔,应补偿停工损失:3d ×30工日×50元/工日+3d ×10台班×200元/台班=10500元。
2)C 工作停工5d :不予索赔,因属施工单位原因。
3)E 工作停工6d :应批准工期延长1d ,该停工虽属建设单位原因,但E 工作有5d 总时差,停工使总工期延长1d ;费用可以索赔,应补偿停工损失:6d ×20工日×50元/工日+6d ×5台班×200元/台班=12000元。
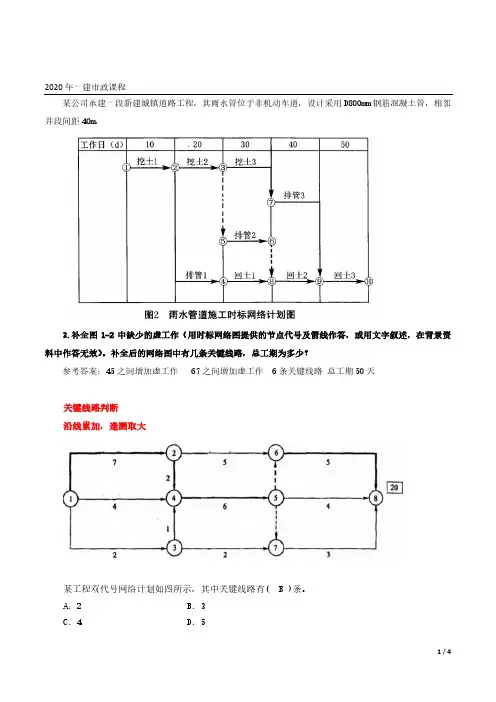
2020年一建市政课程某公司承建一段新建城镇道路工程,其雨水管位于非机动车道,设计采用D800mm钢筋混凝土管,相邻井段间距40m,3.补全图1-2中缺少的虚工作(用时标网络图提供的节点代号及箭线作答,或用文字叙述,在背景资料中作答无效)。
补全后的网络图中有几条关键线路,总工期为多少?参考答案:45之间增加虚工作 67之间增加虚工作 6条关键线路总工期50天关键线路判断沿线累加,逢圈取大某工程双代号网络计划如图所示,其中关键线路有( B )条。
A.2 B.3C.4 D.5非关键线路上工作的拖延及工期索赔问题、工期优化【背景资料】某公司承接了某城市道路的改扩建工程。
进度计划图施工中,发生了如下导致施工暂停的事件:事件1:在新增路线管网基坑开挖施工中,原有地下管网资料标注的城市主供水管和光电缆位于3.0m处,但由于标识的高程和平面位置的偏差,导致供水管和光电缆被挖断,使开挖施工暂停14天。
事件2:在改造路面施工中,由于摊铺机设备故障,导致施工中断7天。
项目部针对施工中发生的情况,积极收集进度资料,并向上级公司提交了月度进度报告,报告中综合描述了进度执行情况。
【问题】3. 计算工程总工期,并指出关键线路1指出节点顺序即可。
4. 分析施工中先后发生的两次事件对工期产生的影响。
如果项目部提出工期索赔,应获得几天延期?说明理由。
【参考答案】3.(本小题6分)工程总工期为120天。
(3分)关键线路为:①→②→⑤→⑦→⑪→⑫→⑬(3分)4.(本小题8分)事件1将使工期拖延4天(2分)。
事件2将使工期再延长2天(2分)。
如果承包人提出工期索赔,只能获得由于事件1导致的工期拖延补偿,即延期4天(2分)。
因为原有地下管网资料应由业主提供,并应保证资料的准确性,所以承包人应获得工期索赔,而设备故障是承包人自身原因,所以不会获得延期批准(2分)。
时标网络图某工程在合同履行过程中,发生了如下事件:事件三:施工总承包单位按要求向项目监理机构提交了工程的时标网络计划图(如下图所示),经批准后按此组织实施。
2018年一建一级建造师建筑工程施工质量管理专题案例讲解(3)案例一背景资料某办公大楼由主楼和裙楼两部分组成,平面呈不规则四方形,主楼29层,裙楼4层,地下2层,总建筑面积745000m2。
该工程5月份完成主体施工,屋面防水施工安排在8月份。
屋面防水层由一层聚氨酯防水涂料和一层自粘SBS高分子防水卷材构成。
裙楼地下室回填土施工时已将裙楼外脚手架拆除,在裙楼屋面防水层施工时,因工期紧没有搭设安全防护栏杆。
工人张某在铺贴卷材后退时不慎从屋面掉下,经医院抢救无效死亡。
裙楼屋面防水施工完成后,聚氯酯底胶配制时用的二甲苯稀释荆剩余不多,工人李某随手将剩余的二甲苯从屋面向外倒在了回填土上。
主楼屋面防水工程检查验收时发现少量卷材起鼓,鼓泡有大有小,直径大的达到90mm,鼓泡割破后发现有冷凝水珠。
经查阅相关技术资料后发现:没有基层含水率试验和防水卷材粘贴试验记录;屋面防水工程技术交底要求自粘SBS卷材搭接宽度为50mm,接缝口应用密封材料封严,宽度不小于5mm。
【问题】1.从安全防护措施角度指出发生这一起伤亡事故的直接原因。
2.项目经理部负责人在事故发生后应该如何处理此事?3.试分析卷材起鼓的原因,并指出正确的处理方法。
4.自粘SBS卷材搭接宽度和接缝口密封材料封严宽度应满足什么要求?5.将剩余的二甲苯倒在工地上的危害之处是什么?指出正确的处理方法。
【答案】(关注一建咨询学习方法订阅号:yynjzs)1、【参考答案】(某宝搜索:游一男建造师学堂)发生该起伤亡事故的直接原因:临边防护未做好。
2、【参考答案】()事故发生后,项目经理应及时上报,保护现场,做好抢救工作,积极配合调查,认真落实纠正和预防措施,并认真吸取教训。
3、【参考答案】卷材起鼓的原因是在卷材防水层中黏结不实的部位,有水分和气体,当其受到太阳照射或人工热源影响后,体积膨胀,造成鼓泡。
处理方法如下。
(1)直径100mm以下的中、小鼓泡可用抽气灌胶法治理,并压上几块砖,几天后再将砖移去即可。
专业工程管理与实务(市政公用工程)精讲班第6讲讲义掌握钻孔灌注桩施工技术1K412022掌握钻孔灌注桩施工技术一、钻孔灌注桩施工的一般要求二、钻孔灌注桩施工技术要点(一)施工平台1、除在旱地施工外,场地为浅水时,宜采用筑岛法施工。
岛的高度应高出最高施工水位0.5~1.Om。
(二)护筒设置1、护筒一般由钢板加工而成,其内径宜比桩径大200~400mm。
2、护筒中心竖直线应与桩中心线重合,除设计另有规定外,平面允许误差为50mm,倾斜不大于1%。
3、旱地或筑岛平台处护筒可用挖坑埋设法,护筒底部和四周所填黏质土必须分层夯实。
4、水域护筒设置,连接处要牢固、耐压、不漏水。
5、护筒高度宜高出地面0.3m或水面1.0~2.0m。
当孔内有承压水时,护筒应高于稳定后的承压水位2.Om以上。
当处于潮水影响区,护筒应高于最高施工水位l.5~2.Om。
6、护筒埋设深度一般为2.0~4.Om。
有冲刷影响时,应深入局部冲刷线以下不少于1.0~1.5m。
三、泥浆1、钻孔泥浆由水、黏土(或膨润土)和添加剂配制而成。
四、钻孔1、钻孔开始前应检查各项准备工作,钻机安装后的底座和顶端应平稳,避免在钻进中产生位移、沉陷。
3.开钻初时应慢速钻进,待导向部位和钻头全部进入地层后,方可加速钻进。
4.当采用正、反循环钻机钻孔时,应采取减压钻进。
5.用全护筒法钻进时,必须使压进的第一节护筒处于竖直状态,钻进过程中也要随时检测护筒水平位置和竖直线。
五、清孔1、钻孔深度达到设计标高后,应对孔深、孔径进行检查,符合成孔质量标准后方可进行清孔。
3、在吊入钢筋骨架后,灌注水下混凝土前,应再次检查孔内泥浆性能指标和孔底沉淀厚度,如超过规定,则应再次清孔。
4、清孔有换浆、抽浆、掏渣、空压机喷射、砂浆置换等方法5、在清孔排渣时,必须注意保持孔内水头,防止塌孔。
6、严禁用加深钻孔深度的方法代替清孔。
六、灌注水下砼(一)钢筋骨架在制作、运输、吊装、就位等环节的技术要求1、钢筋骨架根据吊装条件确定是否采用分段制作。
1K420000 市政公用工程施工项目管理1K420000市政公用工程施工项目管理本部分内容涵盖了市政公用工程施工管理实务中的招投标管理、成本管理、合同管理、进度管理、现场管理、质量管理、职业健康安全管理、工程技术资料管理等管理要求,是考试的重点。
本章的内容是《建设工程施工管理》课程中所述原理在本专业施工管理中的具体应用。
其中成本管理和进度管理每年都有考题,是这门课程的重中中的具体应用其中成本管理和进度管理每年都有考题是这门课程的重中之重;质量管理很多、很细,他主要针对第一部分中的具体工程,每年肯定有考题,这一部分要求我们要学会找不同工程在质量管理方面的共性,这样可以大大节省复习时间;安全文明环保是最近几年工程单位的重点,也是必可以大大节省复习时间安全文明环保是最近几年工程单位的重点也是必考的,这部分相对简单,经过归纳整理可以较好的掌握全部内容。
这部分主要以案例题出现,分值大概占到46%。
5个案例:14真题(顺序有颠倒)2015年一建市政精讲讲义-胡其志在这一部分里,我们要记住管理的三个步骤:计划——实施——总结。
任何管理都会涉及到这样的三个方面,只不过在教材中的具体管理内容任何管理都会涉及到这样的三个方面只不过在教材中的具体管理内容对这三个方面的侧重点不一样。
比如:合同管理重在管理过程及索赔方面;成本管理讲了简单的计划,重点也在过程管理(实施);进度管理中计划很重要,也讲了部分进度的过程重点也在过程管理(实施)进度管理中计划很重要也讲了部分进度的过程管理等等。
其中“计划”我们要知道计划又目标,目标要分解等;“实施”是全面地、分阶段的、动态的过程控制,要实行目标责任制;实施是全面地分阶段的动态的过程控制要实行标责任制“总结”既有完工后的总结,更多的是施工过程中分阶段的总结。
2015年一建市政精讲讲义-胡其志程1K420010 市政公用工程施工招标投标管理1K420011市政公用工程施工招标投标管理1K420012市政公用工程施工招标条件与程序1K420013市政公用工程施工投标条件与程序2015年一建市政精讲讲义-胡其志1K420011市政公用工程施工招标投标管理P256资格审查分为资格预审和资格后审;通常由商务部分、经济部分、技术部分等组成;招标人可以在招标文件中要求投标人提交投标保证金;投标保证金除现金外,可以是银行出具的银行保函、保兑支票、银行汇票或现金支票;投标保证金一般不得超过投标总价的2%,投标保证金有效期应当超出投标有效期30d;投标人应当按照招标文件要求的方式和金额将投标保证金随投标投标人应当按照招标文件要求的方式和金额,将投标保证金随投标文件提交给招标人;投标人不按招标文件要求提交投标保证金,该投标文件将被拒绝,作废标处理作废标处理。
1K420110城市轨道交通工程质量检查与验收1K420111地铁车站工程施工质量检查与验收二、明挖法施工质量控制与验收(一)基坑开挖施工(2)土方必须自上而下分层、分段依次开挖,钢筋网片安装及喷射混凝土紧跟开挖流水段,及时施加支撑或锚杆。
开挖至邻近基底200mm时,应配合人工清底,不得超挖或扰动基底土。
基底经勘察、设计、监理、施工单位验收合格后,应及时施工混凝土垫层(教材错误,应先支撑后开挖)(二)结构施工(1)混凝土结构施工前,施工单位应制定检测和试验计划,并应经监理单位批准后实施。
(4)混凝土强度分检验批检验评定,划入同一检验批的混凝土其施工持续时间不宜超过3个月。
用于检验混凝土强度的试件应在浇筑地点随机抽取。
(7)底板混凝土应沿线路方向分层留台阶灌注,灌注至高程初凝前,应用表面振捣器振捣一遍后抹面;墙体混凝土左右对称、水平、分层连续灌注,至顶板交界处间歇1~1.5h,然后再灌注顶板混凝土;顶板混凝土连续水平、分台阶由边墙、中墙分别向结构中间方向灌注。
灌注至高程初凝前,应用表面振捣器振捣一遍后抹面;混凝土柱可单独施工,并应水平、分层灌注。
(8)混凝土终凝后及时养护,垫层混凝土养护期不得少于7d,结构混凝土养护期不得少于14d。
(三)基坑回填(1)基坑回填料不应使用淤泥、粉砂、杂土、有机质含量大于8%的腐殖土、过湿土、冻土和大于150mm 粒径的石块,并应符合设计文件要求。
(2)基坑回填质量验收的主控项目有:1)基坑回填土的土质、含水率。
2)基坑回填宜分层、水平机械压实,压实后的厚度应根据压实机械确定,且不应大于0.3m;结构两侧应水平、对称同时填压;基坑分段回填接槎处,已填土坡应挖台阶,其宽度不应小于1.0m,高度不应大于0.5m。
3)基坑位于道路下方时,基坑回填碾压密实度。
(四)主体结构防水施工(2)防水卷材铺贴的基层面应符合以下规定:1)基层面应干燥、洁净。
2)基层面必须坚实、平整。
3)基层面阴、阳角处应做成100mm圆弧或50mm×50mm钝角。
一建市政工程项目施工管理学习重点、经典例题解析1K__市政公用工程项目施工管理【案例分析题目类型】管理实务十大内容考题类型招投标管理类型一:招投标、合同类型、索赔的应用结合的类型类型二:成本、清单可与人、材、机造价计算结合的类型三:进度管理与工期索赔相结合的类型类型四:质量管理类型,与第一章和第三章相关(六个专业难度大)类型五:建筑工程安全生产与现场管理相结合的类型造价管理合同管理成本管理施工组织设计现场管理进度管理质量管理安全管理竣工验收与备案【案例分析题目形式】一、背景(图)二、事件三、问题【案例的典型问题】类型相关难度技巧1 判断题多出现在索赔、安全内容中★ 先判断后解释 2 改错题多出现在质量、验收内容中★ 先找错后改正3 计算题多出现在进度、造价内容中★★ 要列式 4 问答题多出现在管理、安全内容中★★★ 分条写 5 补充题多出现在管理、安全内容中★★★ 多联想 6 流程题多出现在质量内容中★★ 情景分析7 原因题题目背景里找答案★ 认真审题1K__市政公用工程施工招标投标管理※重点导读1.招投标程序;2.公开招标;3.邀请招标;4.招标、投标的条件与程序1K__招标投标管理工程施工招标投标活动应当遵循公开、公平、公正和诚实信用的原则。
工程施工招标投标活动,依法由招标人负责。
任何单位和个人不得以任何方式非法干涉工程施工招标投标活动。
施工招标投标活动不受地区或者部门的限制。
一、招标文件编制原则(1)招标文件(包括资格预审文件)应按《招标投标法》、《施工招标投标管理办法》的有关规定和地方政府有关规定和要求编制。
(2)招标文件内容应全面、条件合理、标准明确、文本规范,以最大程度地减少招投标和合同履行过程中产生的矛盾、争议和纠纷,保证招投标工作的顺利进行。
(3)依法公开招标的工程,应本着严格、准确的原则,依据《建设工程工程量清单引价规范》的规定编制清单或计价。
二、招标招标人根据施工招标项目的特点和需要编制招标文件。
(六) 背景资料:(07考点)A公司中标某市城区高架路工程第二标段。
本工程包括高架桥梁、地面辅道及其他附属工程:工程采用工程量清单计价,并在清单中列出了措施项目;双方签订了建设工程施工合同,其中约定工程款支付方式为按月计量支付:并约定发生争议时向工程所在地仲裁委员会申请仲裁。
对清单中某措施项目,A公司报价100万元。
施工中,由于该措施项目实际发生费用为180万元,A 公司拟向业主提出索赔。
业主推荐B公司分包钻孔灌注桩工程,A公司审查了B公司的资质后,与B公司签订了工程分包合同。
在施工过程中,由于B公司操作人员违章作业,损坏通讯光缆,造成大范围通讯中断,A公司为此支付了50万元补偿款。
A公司为了应对地方材料可能涨价的风险,中标后即与某石料厂签订了价值400万元的道路基层碎石料的采购合同,约定了交货日期及违约责任(规定违约金为合同价款的5%)并交付了50万元定金。
到了交货期,对方以价格上涨为由提出中止合同,A公司认为对方违约,计划提出索赔。
施工过程中,经业主同意,为保护既有地下管线,增加了部分工作内容,而原清单中没有相同项目。
工程竣工,保修期满后,业主无故拖欠A公司工程款,经多次催要无果。
A公司计划对业主提起诉讼。
问题:1.在投标报价阶段,为既不提高总价且不影响中标,又能在结算时得到更理想的效益,组价以后可以做怎样的单价调整?A公司就措施项目向业主索赔是否妥当?说明理由。
2.本工程是什么方式的计价合同?它有什么特点?3.A公司应该承担B公司造成损失的责任吗?说明理由。
4.A公司可向石料厂提出哪两种索赔要求?并计算相应索赔额。
5.背景资料中变更部分的合同价款应根据什么原则确定?6.对业主拖欠工程款的行为,A公司可以对业主提起诉讼吗?说明原因。
如果业主拒绝支付工程款,A公司应如何通过法律途径解决本工程拖欠款问题?参考答案:1.(本小题7分)能够早日收回工程款(1分)的项目(如灌注桩等)预计今后工程量会增加的项目(1分),没有工程量只填单价(1分)的项目可以适当提高单价(1分):对于后期项目(1分)、工程量可能减少的项目(1分)可适当降低单价(1分)。
1K420060 市政公用工程施工现场管理1K420061 施工现场布置与管理的要点1K420062 环境保护管理的要点1K420063 劳务管理的有关要点1K420061 施工现场布置与管理的要点一、施工现场的平面布置与划分(四)平面布置的内容(可以考核图形题)(1)施工图上所有地上、地下建筑物、构筑物以及其他设施的平面位置。
(2)给水、排水、供电管线等临时位置。
(3)生产、生活临时区域及和仓库、材料构件、机具设备堆放位置。
(4)现场运输通道、便桥及安全消防临时设施。
(5)环保、绿化区域位置。
(6)围墙(挡)与入口(至少要有两处)位置。
二、施工现场封闭管理(二)围挡(墙)(1)施工现场围挡(墙)应沿工地四周连续设置,不得留有缺口,并根据地质、气候、围挡(墙)材料进行设计与计算,确保围挡(墙)的稳定性、安全性。
(2)围挡的用材应坚固、稳定、整洁、美观,宜选用砌体、金属板等硬质材料,不宜使用彩布条、竹篱笆或安全网等。
(3)施工现场的围挡一般应不低于1.8m,在市区内应不低于2.5m,且应符合当地主管部门有关规定。
(4)禁止在围挡内侧堆放泥土、砂石等散状材料以及架管、模板等。
(5)雨后、大风后以及春融季节应当检查围挡的稳定性,发现问题及时处理。
【2022年二建市政案例二】背景资料某市政公司承建水厂升级改造工程,………。
施工过程中发生下列事件:事件二:为方便水厂运行人员,施工区未完全封闭。
发生了一名取水样人员跌落基坑受伤事件,监理工程师要求项目部采取纠正措施。
问题: 4.简述事件二项目部应采取的纠正措施。
【参考答案】施工现场必须封闭管理,围挡连续设置,不留缺口、安装牢固、整洁美观,围挡设有警示标志和警示红灯。
(三)大门和出入口(1)施工现场应当有固定的出入口,出入口处应设置大门,并应在适当位置留有供紧急疏散的出口。
(2)施工现场的大门应牢固美观,大门上应标有企业名称或企业标识。
(3)出入口应当设置专职门卫保卫人员,制定门卫管理制度及交接班记录制度。
1K420152开挖过程中地下管线的安全保护措施一、施工准备阶段(一)工程地质条件及现况管线调查(1)进场后应依据建设方提供的工程地质勘查报告、基坑开挖范围内及影响范围内的各种管线、地面建筑物等有关资料,查阅有关专业技术资料,掌握管线的施工年限、使用状况、位置、埋深等数据信息。
(2)对于资料反映不详、与实际不符或在资料中未反映管线真实情况的,应向规划部门、管线管理单位查询,必要时在管理单位人员在场情况下进行坑探查明现状。
(3)对于基坑影响范围内的地面、地下建(构)筑物,必须查阅相关资料并经现场调查,掌握结构的基础、结构形式等情况。
(4)将调查的管线、地下建(构)筑物的位置埋深等实际情况按照比例标注在施工平面图上,并在现场做出醒目标志。
(5)分析调查、坑探等资料,作为编制施工组织设计、施工方案和采取安全保护措施的依据。
(二)编制施工组织设计(1)必须对施工过程中地下管线、地面建(构)筑物可能出现的安全状态进行分析,识别重要危险因素,评价其危险程度,制定中、高度危险因素的安全技术措施。
(2)对于重要的地下管线、地面与地下建(构)筑物必须进行基坑开挖工况影响分析,确定影响程度,以便在施工措施中确定合理的基坑支护、开挖方法,确保施工过程中管线及各种构筑物的安全。
(3)重要的基坑开挖方案需要经建设单位、监理单位同意后执行,并严格按照建设单位、监理单位同意的施工方案实施。
(三)现况管线改移、保护措施(1)对于基坑开挖范围内的管线,应与建设单位、规划单位和管理单位协商确定管线拆迁、改移和悬吊加固措施。
(2)基坑开挖影响范围内的地下管线、地面建(构)筑物的安全受施工影响,或其危及施工安全时,均应进行临时加固,经检查、验收,确认符合要求,并形成文件后,方可施工。
(3)开工前,由建设单位召开工程范围内有关地上建(构)筑物、地下管线、人防、地铁等设施管理单位参加的调查配合会,由产权单位指认所属设施及其准确位置,设明显标志。