塔吊附着计算
- 格式:doc
- 大小:121.70 KB
- 文档页数:17
中文词条名:附着式塔式起重机的附着计算英文词条名:塔式起重机附着(锚固)装置的构造、内力和安装要求在使用说明书中均有叙述,因此,在塔机安装和使用中,使用单位按要求执行即可,不需再进行计算,只有当塔机安装位置至建筑物距离超过使用说明书规定,需增长附着杆(支承杆),或附着杆与建筑物连接的两支座间距改变时,需进行附着计算。
塔式起重机的附着计算主要包括附着杆计算、附着支座连接计算和附着框架计算三个部分。
(1)附着杆计算附着杆按两端铰支的轴心受压杆件计算。
1)附着杆内力附着杆内力按说明书规定取用;如说明书无规定,或附着杆与建筑物连接的两支座间距改变时,则需进行计算。
其计算要点如下:①塔机按说明书规定与建筑物附着时,最上一道附着装置的负荷最大(图14-44),因此,应以此道附着杆的负荷作为设计或校核附着杆截面的依据。
图14-44 塔式起重机与建筑物附着情况简图1-最上一道附着装置;2-建筑物②附着式塔机的塔身可视为一个带悬臂的刚性支承连续梁,其内力及支座反力计算简图如图14-45所示,计算方法参见本手册第2章:施工常用结构计算及《建筑结构力学》有关内容。
图14-45 塔身内力及支座反力计算简图Q1、Q2-风荷载;M-力矩;N-轴向力;T(T‘)-由回转惯性力及风力产生的扭矩③附着杆的内力计算应考虑两种情况:计算情况I:塔机满载工作,起重臂顺塔身X-X轴或Y-Y轴,风向垂直于起重臂,如图14-46(A)所示;计算情况II:塔机非工作,起重臂处于塔身对角线方向,风由起重臂吹向平衡臂,如图14-46(B)所示。
图14-46 附着杆内力计算的两种情况(A)计算情况I;(B)计算情况II1-锚固环;2-起重臂;3-附着杆;W-风力④附着杆内力计算方法。
附着杆内力按力矩平衡原理计算。
对于计算情况I(图14-47A):图14-47 用力矩平衡原理计算附着杆内力(A)计算情况I;(B)计算情况II式中T、T‘——塔身在截面1-1处(最上一道附着装置处,见图14-44,以下同)所承受的由于回转惯性力(包括起吊构件重、塔机回转部件自重产生的惯性力)而产生的扭矩与由于风力而产生的扭矩之和。
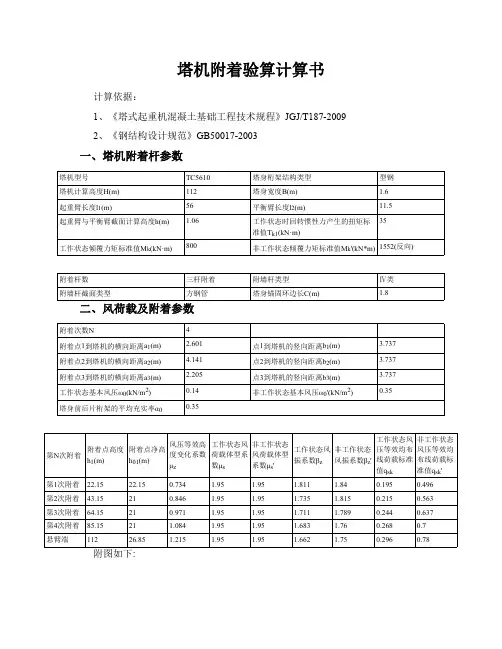
塔吊附着验算计算书计算依据:1、《塔式起重机混凝土基础工程技术规程》JGJ/T187-20092、《钢结构设计规范》GB50017-2003一、塔机附着杆参数二、风荷载及附着参数附图如下:塔机附着立面图三、工作状态下附墙杆内力计算1、在平衡臂、起重臂高度处的风荷载标准值q kq k=0.8βzμzμsω0α0h=0.8×1.685×1.262×1.95×0.2×0.35×1.06=0.246kN/m2、扭矩组合标准值T k由风荷载产生的扭矩标准值T k2Tk2=1/2qkl12-1/2qkl22=1/2×0.246×602-1/2×0.246×15.22=414.382kN·m集中扭矩标准值(考虑两项可变荷载控制的组合系数取0.9)Tk =0.9(Tk1+ Tk2)=0.9×(454.63+414.382)=782.111kN·m3、附着支座反力计算计算简图剪力图得:R E=37.396kN在工作状态下,塔机起重臂位置的不确定性以及风向的随机性,在计算支座7处锚固环截面内力时需考虑塔身承受双向的风荷载和倾覆力矩及扭矩。
4、附墙杆内力计算支座7处锚固环的截面扭矩T k(考虑塔机产生的扭矩由支座7处的附墙杆承担),水平内力Nw =20.5RE=52.886kN。
计算简图:塔机附着示意图塔机附着平面图α1=arctan(b1/a1)=52.231°α2=arctan(b2/a2)=41.918°α3=arctan(b3/a3)=54.924°β1=arctan((b1+c/2)/(a1+c/2))=50.816°β2=arctan((b2+c/2)/(a2-c/2))=53.662°β3=arctan((b3+c/2)/(a3+c/2))=52.93°各杆件轴力计算:ΣM O=0T1×sin(α1-β1)×(b1+c/2)/sinβ1+T2×sin(α2-β2)×(b2+c/2)/sinβ2-T3×sin(α3-β3)×(b3+c/2)/sin β3+T k=0ΣM h=0T2×sinα2×c+T3×sinα3×c+N w×cosθ×c/2-N w×sinθ×c/2-T k=0ΣM g=0T1×sinα1×c-N w×sinθ×c/2-N w×cosθ×c/2+T k=0(1)θ由0~360°循环,当T k按图上方向设置时求解各杆最大轴拉力和轴压力:最大轴拉力T1=0kN,T2=539.578kN,T3=153.24kN最大轴压力T1=596.925kN,T2=0kN,T3=0kN(2)θ由0~360°循环,当T k按图上反方向设置时求解各杆最大轴拉力和轴压力:最大轴拉力T1=596.925kN,T2=0kN,T3=0kN最大轴压力T1=0kN,T2=539.578kN,T3=153.24kN四、非工作状态下附墙杆内力计算此工况下塔机回转机构的制动器完全松开,起重臂能随风转动,故不计风荷载产生的扭转力矩。
塔机按照说明书与建筑物附着时,最上面一道附着装萱的负荷最大,因此以此道附着杆的负荷作为设计或校核附看杆截面的依据。
附着式塔机的塔身可以简化为一个带悬臂的刚性支挥连续梁,其内力及支座反力计算如下:风荷载标准值应按照叹下公式计算:二WoxpzX山xpz = 0.450*1 170*1.450x0 700 =0.534 kN/m;;其中5—一基本风压(kN, m2),按照《建筑结构荷载规范》(GBJ9)的规定采用:U)o = 0.450 kMm';宀一一风压高度变化系数,按照《建筑结构荷载规范》(GBJ9)的规定釆用:宀= 1.450 ;人-- 风荷载体型系数:人=1J7O;pz—一高度z处的风振系数,处= 0.700;风荷载的水平作用力,q = W k XBXK& = 0. 534X1.600X0. 200 = 0. 171 kN/mi其中w k-一风荷载水平压力,兀=0. 534 kN/m:tB 塔吊作用宽度,B二1. 600 m;K,―迎风面积折减系数,K= 0.200;实际取风荷载的水平作用力q = 0. 171 kN/m;塔吊的最大倾覆力矩:M = 1718.000 kN - m;剪力图计算结果:N w = 100. 5276kN ;二、关干附看杆的内力计算各种参考资料均考庶两种情况:计算情况1:塔机满载工作,起重臂顺塔身X-X轴或Y-Y轴,风向垂直起重臂.计算情况2:塔机非工作,起重臂处于塔身对角线方向,风由起重臂吹向平衡臂,如图(a)、(b)所示:二.附若杆内力计算计算简图:计算单元的平衡方程:=OZFXT iCOStti+T2COSC12 ・丁3<:05013=・*^€0胡£Fy=0Tjsi nai^T2sina2*T3sina3=-N w sin9£M o=OT J L(bj+c/2)cosaj-(ai+c 2)sinai]-?-T2[(bi+c/2)cosa2-(oi+c/2)sina2]+T3[-(bi+c/2)cosa3+(a2-ai c 2)sina3]=M w其中:六、实例计算某QTZ800kN ・rn 塔机附着框架 上有合外力5 = 200kN; M n = 300kN-m,采用三杆式附肴支承, 求其三根附彗杆可能产生的内力 极值C由图4・13中知:a = 1205mm,b = 1475mm, /j = 8819mm, b = 6272mm,/ = 15091 mm,h = 12430mm o(一) 求FC 杆的内力极值乩“ 由式(4-31)可知: 0x = aataii : = antaii :票= 39.25。
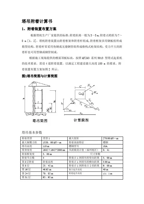
塔吊附着计算书1、附着装置布置方案根据塔机生产厂家提供的标准,附着距离一般为3~5 m,附着点跨距为7~8 m[1,2],塔机附着装置由附着框架和附着杆组成,附着框架多用钢板组焊成箱型结构,附着杆常采用角钢或无缝钢管组焊成格构式桁架结构,受力不大的附着杆也可用型钢或钢管制成。
根据施工现场提供的楼面顶板标高,按照QTZ63 系列5013 型塔式起重机的技术要求,需设4道附着装置,以满足工程建设最大高度100 m 的要求。
附着装置布置方案如图2 所示。
图1塔吊简图与计算简图塔吊基本参数附着类型类型1最大扭矩270.00 kN·m最大倾覆力矩1350.00 kN·m附着表面特征槽钢塔吊高度110 m槽钢型号18A塔身宽度1645*1645*2800 mm风荷载设计值(福州地区)0.41附着框宽度 3.00 m尺寸参数附着节点数 4 附着点1到塔吊的竖向距离 3.00 m第I层附着附着高度附着点1到塔吊的横向距离 3.00 m第8层23.45 m附着点1到附着点2的距离9.00 m第16层46.65 m独立起升高度40 m第24层70.85 m附着起升高度151.2 m第31层95.95 m图2塔吊附着简图三、第一道附着计算塔机按照说明书与建筑物附着时,最上面一道附着装置的负荷最大,因此以此道附着杆的负荷作为设计或校核附着杆截面的依据。
第一道附着的装置的负荷以第四道附着杆的负荷作为设计或校核附着杆截面计算,第一道附着高度计划在第8层楼层标高为23.45米。
(一)、支座力计算附着式塔机的塔身可以简化为一个带悬臂的刚性支撑连续梁,其内力及支座反力计算如下:风荷载取值:Q = 0.41kN;塔吊的最大倾覆力矩:M = 1668.00kN;弯矩图变形图剪力图计算结果: N w = 105.3733kN ;(二)、附着杆内力计算计算简图:计算单元的平衡方程:其中:2.1 第一种工况的计算:塔机满载工作,风向垂直于起重臂,考虑塔身在最上层截面的回转惯性力产生的扭矩合风荷载扭矩。
塔吊附墙计算塔机安装位置至建筑物距离超过使用说明规定,需要增长附着杆或附着杆与建筑物连接的两支座间距改变时,需要进行附着的计算。
主要包括附着杆计算、附着支座计算和锚固(一):支座力计算塔机按照说明书与建筑物附着时,最上面一道附着装置的负荷最大,因此以此道附着杆的负荷作为设计或校核附着杆截面的依据。
附着式塔机的塔身可以视为一个带悬臂的刚性支撑连续梁,其内力及支座反力计算如下: W K=W OхµZхµsхβz其中W O——基本风压(Kn/m2),安装《建筑结构荷载规范》(GBJ9)的规定采用:W O=0.75kN/m2;µZ——风荷载高度变化系数,按照《建筑结构荷载规范》(GBJ9)的规定采用:µZ=1.170;µs————风荷载体型系数:µs=0.065;βz——-高度Z处的风振系数,βz =0.70风荷载的水平作用力N W =W KχBχK S其中W K——风荷载水平压力,W K=0.04kN/m2B ——塔吊作用宽度,B=0.00mK s——迎风面积折减系数,K s=0.20经计算得到风荷载的水平作用力q=0.00kN/m风荷载实际取值q=0.03kN/m塔吊的最大倾覆力矩M=2358kN.m风荷载取值q=0.10kN/m塔吊的最大倾覆力矩M=1335kN.m计算结果: Nw=75.351kN(二):附着杆内力计算计算简图:计算单元的平衡方程为:其中:本项目塔吊计算参数为:C=1.60米,b1=8.50米,a2=9.10米(三):第一种工况的计算塔机满载工作,风向垂直于起重臂,考虑塔身在最上层截面的回转惯性力产生的扭矩和风荷载扭矩。
将上面的方程组求解,其中从0-360循环,分别取正负两种情况,分别求得各附着最大的轴压力和轴拉力:杆1的最大轴向压力为:259.23 kN杆2的最大轴向压力为:204.32 kN杆3的最大轴向压力为:132.65 kN杆1的最大轴向拉力为:259.23 kN杆2的最大轴向拉力为:204.32 kN杆3的最大轴向拉力为:132.65 kN(四):第二种工况的计算塔机非工作状态,风向顺着起重臂,不考虑扭矩的影响。
塔吊附着计算塔机安装位置至建筑物距离超过使用说明规定,需要增长附着杆或附着杆与建筑物连接的两支座间距改变时,需要进行附着的计算。
主要包括附着杆计算、附着支座计算和锚固环计算。
一、支座力计算塔机按照说明书与建筑物附着时,最上面一道附着装置的负荷最大,因此以此道附着杆的负荷作为设计或校核附着杆截面的依据。
附着式塔机的塔身可以简化为一个带悬臂的刚性支撑连续梁,其内力及支座反力计算如下:风荷载标准值应按照以下公式计算:W k=W0×μz×μs×βz=0.600×1.170×1.350×0.700=0.663 kN/m2;其中W0──基本风压(kN/m2),按照《建筑结构荷载规范》(GBJ9)的规定采用:W0=0.600kN/m2;μz──风压高度变化系数,按照《建筑结构荷载规范》(GBJ9)的规定采用:µz= 1.350;μs──风荷载体型系数:µs= 1.170;βz──高度Z处的风振系数,βz=0.700;风荷载的水平作用力:q=W k×B×K s=0.663×1.600×0.200=0.212kN/m;其中W k──风荷载水平压力,W k=0.663kN/m2;B──塔吊作用宽度,B= 1.600m;K s──迎风面积折减系数,K s=0.200;实际取风荷载的水平作用力q=0.212kN/m;塔吊的最大倾覆力矩:M=882.000kN·m;弯矩图变形图剪力图计算结果:N w=77.7184kN;二、附着杆内力计算计算简图:图2-2附着杆内力计算图计算单元的平衡方程:其中:1.第一种工况的计算:塔机满载工作,风向垂直于起重臂,考虑塔身在最上层截面的回转惯性力产生的扭矩合风荷载扭矩。
将上面的方程组求解,其中θ从0°–360°循环,分别取正负两种情况,求得各附着最大的。
塔机附着验算计算书计算依据:1、《塔式起重机混凝土基础工程技术规程》JGJ/T187-20092、《钢结构设计规范》GB50017-2003一、塔机附着杆参数塔机附着立面图三、工作状态下附墙杆内力计算1、在平衡臂、起重臂高度处的风荷载标准值q kq k=0.8βzμzμsω0α0h=0.8×1.662×1.215×1.95×0.14×0.35×1.06=0.164kN/m 2、扭矩组合标准值T k由风荷载产生的扭矩标准值T k2T k2=1/2q k l12-1/2q k l22=1/2×0.164×562-1/2×0.164×11.52=246.308kN·m 集中扭矩标准值(考虑两项可变荷载控制的组合系数取0.9)T k=0.9(T k1+T k2)=0.9×(35+246.308)=253.177kN·m3、附着支座反力计算计算简图剪力图得:R E=64.302kN在工作状态下,塔机起重臂位置的不确定性以及风向的随机性,在计算支座5处锚固环截面内力时需考虑塔身承受双向的风荷载和倾覆力矩及扭矩。
4、附墙杆内力计算支座5处锚固环的截面扭矩T k(考虑塔机产生的扭矩由支座5处的附墙杆承担),水平内力N w=20.5R E=90.937kN。
计算简图:塔机附着示意图塔机附着平面图α1=arctan(b1/a1)=55.162°α2=arctan(b2/a2)=42.064°α3=arctan(b3/a3)=59.457°β1=arctan((b1+c/2)/(a1+c/2))=52.947°β2=arctan((b2+c/2)/(a2-c/2))=55.049°β3=arctan((b3+c/2)/(a3+c/2))=56.193°各杆件轴力计算:ΣM O=0T1×sin(α1-β1)×(b1+c/2)/sinβ1+T2×sin(α2-β2)×(b2+c/2)/sinβ2-T3×sin(α3-β3)×(b3+c/2)/sinβ3+ T k=0ΣM h=0T2×sinα2×c+T3×sinα3×c+N w×cosθ×c/2-N w×sinθ×c/2-T k=0ΣM g=0T1×sinα1×c-N w×sinθ×c/2-N w×cosθ×c/2+T k=0(1)θ由0~360°循环,当T k按图上方向设置时求解各杆最大轴拉力和轴压力:最大轴拉力T1=0kN,T2=187.216kN,T3=133.728kN最大轴压力T1=249.608kN,T2=0kN,T3=53.45kN(2)θ由0~360°循环,当T k按图上反方向设置时求解各杆最大轴拉力和轴压力:最大轴拉力T1=249.608kN,T2=0kN,T3=53.45kN最大轴压力T1=0kN,T2=187.217kN,T3=133.727kN四、非工作状态下附墙杆内力计算此工况下塔机回转机构的制动器完全松开,起重臂能随风转动,故不计风荷载产生的扭转力矩。
8#(B3)塔吊附墙杆设计1、第三道附墙1.1支座反力计算附着式塔机的塔身可以简化为一个带悬臂的刚性支撑连续梁,其内力及支座反力计算如下:风荷载标准值应按照以下公式计算:ωk=ω0×μz×μs×βz= 0.400×1.170×1.790×0.700 =0.586 kN/m2;其中ω0──基本风压(kN/m2),按照《建筑结构荷载规范》(GBJ9)的规定采用:ω0 = 0.400 kN/m2;μz──风压高度变化系数,按照《建筑结构荷载规范》(GBJ9)的规定采用:μz = 1.790 ;μs──风荷载体型系数:μs = 1.170;βz──高度Z处的风振系数,βz = 0.700;风荷载的水平作用力:q = W k×B×K s = 0.586×1.700×0.200 = 0.199 kN/m;其中 W k──风荷载水平压力,W k= 0.586 kN/m2;B──塔吊作用宽度,B= 1.700 m;K s──迎风面积折减系数,K s= 0.200;实际取风荷载的水平作用力 q = 0.199 kN/m;塔吊的最大倾覆力矩:M = 1743.000 kN·m;弯矩图变形图剪力图计算结果: N w = 121.6407kN ;1.2 附着杆内力计算计算简图:计算单元的平衡方程:ΣF x=0T1cosα1+T2cosα2-T3cosα3=-N w cosθΣF y=0T1sinα1+T2sinα2+T3sinα3=-N w sinθΣM0=0T1[(b1+c/2)cosα1-(α1+c/2)sinα1]+T2[(b1+c/2)c osα2-(α1+c/2)sinα2]+T3[-(b1+c/2) cosα3+(α2-α1-c/2)sinα3]=M w其中:α1=arctan[b1/a1] α2=arctan[b1/(a1+c)] α3=arctan[b1/(a2- a1-c)]第一种工况的计算:塔机满载工作,风向垂直于起重臂,考虑塔身在最上层截面的回转惯性力产生的扭矩和风荷载扭矩。
塔吊附着计算书1、附着装置布置方案根据塔机生产厂家提供的标准,附着距离一般为3~5 m,附着点跨距为7~8 m[1,2],塔机附着装置由附着框架和附着杆组成,附着框架多用钢板组焊成箱型结构,附着杆常采用角钢或无缝钢管组焊成格构式桁架结构,受力不大的附着杆也可用型钢或钢管制成。
根据施工现场提供的楼面顶板标高,按照QTZ63 系列5013 型塔式起重机的技术要求,需设4道附着装置,以满足工程建设最大高度100 m 的要求。
附着装置布置方案如图2 所示。
图1塔吊简图与计算简图塔吊基本参数附着类型类型1 最大扭矩270.00 kN·m最大倾覆力矩1350。
00 kN·m 附着表面特征槽钢塔吊高度110 m 槽钢型号18A塔身宽度1645*1645*2800 mm风荷载设计值(福州地区)0。
41附着框宽度3。
00 m 尺寸参数附着节点数 4 附着点1到塔吊的竖向距离3。
00 m第I层附着附着高度附着点1到塔吊的横向距离 3.00 m第8层23。
45 m 附着点1到附着点2的距离9。
00 m第16层46.65 m 独立起升高度40 m第24层70。
85 m 附着起升高度151。
2 m第31层95。
95 m图2塔吊附着简图三、第一道附着计算塔机按照说明书与建筑物附着时,最上面一道附着装置的负荷最大,因此以此道附着杆的负荷作为设计或校核附着杆截面的依据.第一道附着的装置的负荷以第四道附着杆的负荷作为设计或校核附着杆截面计算,第一道附着高度计划在第8层楼层标高为23.45米。
(一)、支座力计算附着式塔机的塔身可以简化为一个带悬臂的刚性支撑连续梁,其内力及支座反力计算如下:风荷载取值:Q = 0。
41kN;塔吊的最大倾覆力矩:M = 1668.00kN;弯矩图变形图剪力图计算结果: N w = 105。
3733kN ;(二)、附着杆内力计算计算简图:计算单元的平衡方程:其中:2.1 第一种工况的计算:塔机满载工作,风向垂直于起重臂,考虑塔身在最上层截面的回转惯性力产生的扭矩合风荷载扭矩。
塔机附着验算书塔机型号: QTZ80A工程名称:福建省公路一公司科技楼B区(1#机)设计验算:吕有生日期: 2011-6-20塔机附墙的受力计算一:塔机对附墙的要求1,附着框架在塔身节上的安装必须安全可靠,并应符合使用说明书中的有关规定。
附着框架与塔身的固定应牢固。
2,各连接件不应缺少或松动。
3,附着杆有调节装置的应按要求调整后锁紧。
4,与附着杆相连接的建筑物不应有裂纹或损坏。
5,在工作中附着杆与建筑物的锚固连接必须牢固,不能有松动。
二:附着位置本塔机是XXXXX公司生产的,第一道附着装置的加固高度为30米。
三:附墙受力计算按照XXXXXX公司使用说明书塔机与建筑物附着时,依次道附着杆的负荷作为设计或校核附着杆截面的依据。
附着式塔机的塔身可以视为一个带悬臂的刚性支撑计算书主要依据施工图纸及以下规范及参考文献编制:《塔式起重机设计规范》(GB/T13752-1992)、《建筑结构荷载规范》(GB50009-2001)、《建筑安全检查标准》(JGJ59-99)、《建筑施工手册》、《钢结构设计规范》(GB50017-2003)等编制。
塔机安装位置至附墙或建筑物距离超过使用说明规定时,需要增设附着杆,附着杆与附墙连接或者附着杆与建筑物连接的两支座间距改变时,必须进行附着计算。
主要包括附着支座计算、附着杆计算、锚固环计算。
1、支座力计算塔机按照说明书与建筑物附着时,最上面一道附着装置的负荷最大,因此以此道附着杆的负荷作为设计或校核附着杆截面的依据。
附着式塔机的塔身可以简化为一个带悬臂的刚性支撑连续梁,其内力及支座反力计算如下:风荷载标准值应按照以下公式计算:ωk =ω×μz×μs×βz= 0.390×0.130×1.860×0.700 =0.066kN/m2;其中ω──基本风压(kN/m2),按照《建筑结构荷载规范》(GBJ9)的规定采用:ω= 0.390 kN/m2;μz──风压高度变化系数,按照《建筑结构荷载规范》(GBJ9)的规定采用:μz= 1.860 ;μs ──风荷载体型系数:μs= 0.130;βz ──高度Z处的风振系数,βz= 0.700;风荷载的水平作用力:q = ωk ×B×Ks= 0.066×1.600×0.200 = 0.021 kN/m;其中ωk ──风荷载水平压力,ωk= 0.066 kN/m2;B──塔吊作用宽度,B= 1.600 m;Ks ──迎风面积折减系数,Ks= 0.200;实际取风荷载的水平作用力 q = 0.021 kN/m;塔吊的最大倾覆力矩:M = 1780.000 kN·m;弯矩图变形图剪力图= 90.0894kN ;计算结果: Nw2、附着杆内力计算塔吊四附着杆件的计算属于一次超静定问题,采用结构力学计算个杆件内力:计算简图:方法的基本方程:计算过程如下:δ11X1+Δ1p=0Δ1p =∑Ti0Ti/EAδ11=∑Ti0Ti0li/EA其中: Δ1p为静定结构的位移;Ti0为F=1时各杆件的轴向力;Ti为在外力M和P作用下时各杆件的轴向力;li为为各杆件的长度。
塔吊附着计算书1、附着装置布置方案根据塔机生产厂家提供的标准,附着距离一般为3~5 m,附着点跨距为7~8 m[1,2],塔机附着装置由附着框架和附着杆组成,附着框架多用钢板组焊成箱型结构,附着杆常采用角钢或无缝钢管组焊成格构式桁架结构,受力不大的附着杆也可用型钢或钢管制成。
根据施工现场提供的楼面顶板标高,按照QTZ63 系列5013 型塔式起重机的技术要求,需设4道附着装置,以满足工程建设最大高度100 m 的要求。
附着装置布置方案如图2 所示。
图1塔吊简图与计算简图塔吊基本参数附着类型类型1最大扭矩270.00 kN·m最大倾覆力矩1350.00 kN·m附着表面特征槽钢塔吊高度110 m槽钢型号18A塔身宽度1645*1645*2800mm风荷载设计值(福州地区)0.41附着框宽度 3.00 m尺寸参数附着节点数 4 附着点1到塔吊的竖向距离 3.00 m第I层附着附着高度附着点1到塔吊的横向距离 3.00 m第8层23.45 m 附着点1到附着点2的距离9.00 m第16层46.65 m 独立起升高度40 m第24层70.85 m 附着起升高度151.2 m 第31层95.95 m图2塔吊附着简图三、第一道附着计算塔机按照说明书与建筑物附着时,最上面一道附着装置的负荷最大,因此以此道附着杆的负荷作为设计或校核附着杆截面的依据。
第一道附着的装置的负荷以第四道附着杆的负荷作为设计或校核附着杆截面计算,第一道附着高度计划在第8层楼层标高为23.45米。
(一)、支座力计算附着式塔机的塔身可以简化为一个带悬臂的刚性支撑连续梁,其内力及支座反力计算如下:风荷载取值:Q = 0.41kN;塔吊的最大倾覆力矩:M = 1668.00kN;弯矩图变形图剪力图计算结果: N w = 105.3733kN ;(二)、附着杆内力计算计算简图:计算单元的平衡方程:其中:2.1 第一种工况的计算:塔机满载工作,风向垂直于起重臂,考虑塔身在最上层截面的回转惯性力产生的扭矩合风荷载扭矩。
塔吊附着计算书1、附着装置布置方案根据塔机生产厂家提供的标准,附着距离一般为3~5 m,附着点跨距为7~8 m[1,2],塔机附着装置由附着框架和附着杆组成,附着框架多用钢板组焊成箱型结构,附着杆常采用角钢或无缝钢管组焊成格构式桁架结构,受力不大的附着杆也可用型钢或钢管制成。
根据施工现场提供的楼面顶板标高,按照QTZ63 系列5013 型塔式起重机的技术要求,需设4道附着装置,以满足工程建设最大高度100 m 的要求。
附着装置布置方案如图2 所示。
图1塔吊简图与计算简图塔吊基本参数附着类型类型1 最大扭矩270.00kN·m最大倾覆1350.00 kN·m 附着表面特征槽钢力矩塔吊高度110 m 槽钢型号18A塔身宽度1645*1645*2800 风荷载设计值(福0.41mm 州地区)附着框宽度3.00 m 尺寸参数附着节点数4 附着点1到塔吊的竖向距离3.00 m第I层附着附着高度附着点1到塔吊的横向距离3.00 m第8层23.45 m 附着点1到附着点2的距离9.00 m 第16层46.65 m 独立起升高度40 m第24层70.85 m 附着起升高度151.2 m 第31层95.95 m图2塔吊附着简图三、第一道附着计算塔机按照说明书与建筑物附着时,最上面一道附着装置的负荷最大,因此以此道附着杆的负荷作为设计或校核附着杆截面的依据。
第一道附着的装置的负荷以第四道附着杆的负荷作为设计或校核附着杆截面计算,第一道附着高度计划在第8层楼层标高为23.45米。
(一)、支座力计算附着式塔机的塔身可以简化为一个带悬臂的刚性支撑连续梁,其内力及支座反力计算如下:风荷载取值:Q = 0.41kN;塔吊的最大倾覆力矩:M = 1668.00kN;弯矩图变形图剪力图计算结果: N w = 105.3733kN ;(二)、附着杆内力计算计算简图:计算单元的平衡方程:其中:2.1 第一种工况的计算:塔机满载工作,风向垂直于起重臂,考虑塔身在最上层截面的回转惯性力产生的扭矩合风荷载扭矩。
塔吊附着计算塔机安装位置至建筑物距离超过使用说明规定,需要增长附着杆或附着杆与建筑物连接的两支座间距改变时,需要进行附着的计算。
主要包括附着杆计算、附着支座计算和锚固环计算。
一. 参数信息二. 支座力计算塔机按照说明书与建筑物附着时,最上面一道附着装置的负荷最大,因此以此道附着杆的负荷作为设计或校核附着杆截面的依据。
附着式塔机的塔身可以视为一个带悬臂的刚性支撑连续梁,其内力及支座反力计算如下:1. 风荷载计算1) 工作状态下塔机塔身截面对角线方向所受风荷载标准值塔机所受风均布线荷载标准值 (Wo=0.2kN/m2)W k=0.8×0.7×1.95×1.54×0.2=0.34kN/m2q sk=1.2×0.34×0.35×1.8=0.25kN/m2) 非工作状态下塔机塔身截面对角线方向所受风荷载标准值塔机所受风均布线荷载标准值 (本地区 Wo=0.30kN/m2)W k=0.8×0.7×1.95×1.54×0.30=0.50kN/m2q sk=1.2×0.50×0.35×1.80=0.38kN/m2. 塔机的倾覆力矩工作状态下,标准组合的倾覆力矩标准值M k=-2450+800=-1650.00kN.m非工作状态下,标准组合的倾覆力矩标准值M k=-2450.00kN.m3. 力 Nw 计算工作状态下: N w=0.000kN非工作状态下: N w=0.000kN三. 附着杆内力计算塔吊四附着杆件的计算属于一次超静定问题,采用结构力学计算个杆件内力: 计算简图:方法的基本方程:计算过程如下:其中:∑1p为静定结构的位移;T i0为F=1时各杆件的轴向力;T i为在外力M和P作用下时各杆件的轴向力;l i为各杆件的长度。
考虑到各杆件的材料截面相同,在计算中将弹性模量与截面面积的积EA约去,可以得到:各杆件的轴向力为:考虑工作状态和非工作状态两个工况,以上的计算过程将θ从0-360度循环,解得每杆件的最大轴压力,最大轴拉力:杆1的最大轴向拉力为:102.2kN;杆2的最大轴向拉力为:62.57kN;杆3的最大轴向拉力为:62.57kN;杆4的最大轴向拉力为:102.2kN;杆1的最大轴向压力为:102.20kN;杆2的最大轴向压力为:62.57kN;杆3的最大轴向压力为:62.57kN;杆4的最大轴向压力为: 102.20kN。
建筑工程塔吊附着安全专项施工方案职务:编制人:校对人:职务:审核人:职务:审批人:职务:目录第一章工程概况--------------------------------------------------- 2一、工程概况 --------------------------------------------------- 2二、塔吊选型 --------------------------------------------------- 2三、塔吊平面位置及高度设置 ------------------------------------- 3四、技术保证条件 ----------------------------------------------- 4第二章编制依据--------------------------------------------------- 5第三章施工计划--------------------------------------------------- 5一、施工进度计划 ----------------------------------------------- 5二、材料与设备计划 --------------------------------------------- 5第四章施工工艺技术----------------------------------------------- 6一、技术参数 --------------------------------------------------- 6二、施工工艺流程 ----------------------------------------------- 6三、施工方法 --------------------------------------------------- 6四、检查验收 --------------------------------------------------- 7第五章施工安全保证体系------------------------------------------- 9一、组织保障 --------------------------------------------------- 9二、技术措施 -------------------------------------------------- 12三、监测监控 -------------------------------------------------- 14四、应急预案 -------------------------------------------------- 14第六章劳动力计划------------------------------------------------ 15一、专职安全生产管理人员 -------------------------------------- 15二、所需劳动力安排 -------------------------------------------- 16第七章计算书及相关图纸------------------------------------------ 16一、计算书 ---------------------------------------------------- 16二、节点图 ---------------------------------------------------- 27第一章工程概况一、工程概况【工程概况应针对该危险性较大的分部分项工程的特点及要求进行编写】1、工程基本情况工程名称工程地点建筑2(m) 建筑面积(m建筑高度) 0 0总工期(天)主体结构框架0地上层数地下层数0标准层层高其它主要层高(m) 0(m)2、各责任主体名称建设单位设计单位监理单位施工单位XXX XXX 总监理工程师项目经理XXXXXX技术负责人专业监理工程师二、塔吊选型本工程选用二台塔吊均为浙江省建机集团生产的QTZ80(ZJ5710)塔机工作级别A4U4 塔机利用等级Q2塔机载荷状态M5 起升机构M4 机构工作级别回转机构M3 牵引机构附着式独立式倍率m起升高度.塔机固定在基础上,在塔机未采用附着装置前,对基础产生的载荷值。
在这种情况下,基础所受的载荷最大。
三、塔吊平面位置及高度设置根据本工程实际情况以及建筑物总平面布置,1#塔吊设置于G~H / ③~④轴间,2#塔吊设置于G~H / 13~14轴间(具体位置详见塔吊平面布置示意图)。
1、每台塔吊设置独立配电箱,设在塔机约2m处。
2、塔基周围要求基本平整无障碍物。
3、塔吊最大臂长及初装高度:初装高度最大臂长塔吊编号.(含钢立柱高度)1#塔吊52米24米30塔吊米57米2#【请补充该危险性较大的分部分项工程的平面图。
推荐使用品茗平面图软件】四、技术保证条件1、安全网络、塔吊的搭设和拆除需严格执行该《专项施工方案》。
2.第二章编制依据1、地质勘察报告2、《特种设备安全监察条例》3、《塔式起重机安全规程》GB5144-20064、《混凝土结构设计规范》GB50010-20105、《钢结构工程施工质量验收规范》GB 50205-20016、《建筑地基基础设计规范》GB50007-20117、《建筑施工塔式起重机安装、使用、拆卸安全技术规程》JGJ196-20108、《施工现场临时用电安全技术规范》JGJ 46-20059、《建筑机械使用安全技术规程》JGJ33-201210、《塔式起重机混凝土基础工程技术规程》JGJ/T187-200911、《建筑施工安全检查标准》JGJ59-201112、《建筑施工高处作业安全技术规范》JGJ80-9113、危险性较大的分部分项工程安全管理办法[建质[2009]87号文]14、本工程施工图纸15、本工程施工组织设计16、塔机使用说明书第三章施工计划一、施工进度计划【请补充施工进度计划】二、材料与设备计划1、钢材、水泥、砂、石子、外加剂等原材料进场时,按现行国家标准《混凝土结构工程施工质量验收规范》GB50204和《钢结构工程施工质量验收规范》的规定作材料性能检验。
GB50205.2、焊接材料的品种、规格、性能等符合国家产品标准和设计要求。
焊条等焊接材料与母材的匹配符合设计要求及现行行业标准《建筑钢结构焊接技术规程》JGJ81的规定。
第四章施工工艺技术一、技术参数方钢1.612.9(m)Ⅳ1.062.6(m)2.6(m)2.6(m)2.6(m)4二、施工工艺流程放样—附着支座设置—附墙杆制作—附墙杆安装。
三、施工方法1、安装顺序与安装步骤应按本工程安装施工方案要求进行。
2、凡参与附墙架安装的操作人员必须持有上岗证,有较熟练的安装经验。
特别是塔吊司机,应熟悉吊车的性能、使用范围、操作步骤、安装程序,使用后应妥善保管保养。
3、钢丝绳在使用中应经常检查:(1) 磨损及断丝情况、锈蚀与润滑情况。
(2) 钢丝绳不得扭劲及结扣,绳股不应凸出。
使用钢丝绳安全系数不得小于5.5。
(3) 绳卡应紧固可靠。
(4) 钢丝绳在滑轮与卷筒位置应正确,在卷筒上应固定牢靠。
(5) 钢丝绳严禁与架空电线接触,应避免与尖凌的物体摩擦。
4、吊钩在使用前应检查:(1) 表面有无裂纹和刻痕。
(2) 吊钩环自然磨损不得超过原断面直径的10%。
(3) 钩劲是否有变形。
(4) 是否存在各种变形和钢材疲劳裂纹。
(5) 凡属起重范围之内的信号指挥和挂钩工人应经过严格挑选和培训,使他们熟知本工种的安全操作规程。
5、吊臂下不准人员出入。
6、塔吊司机与指挥必须熟悉吊装信号,使用对讲机交换有关信息。
7、焊工必须有合格证。
安排焊工所担任的焊接工作应与焊工的技术水平相适应,并有一年以上经验。
四、检查验收1、检查、验收(1) 附墙架安装后首先重点检查现场连接部位的质量。
(2) 附墙架安装质量主要检查竖向面的不垂直度,及附墙架受压弦杆竖向面的侧向弯曲必须保证不超过允许偏差,这是保证设计受力状态及结构安全的关键。
(3) 附墙架支座的标高、轴线位移、挠度经测量做出记录。
2、附墙架安装质量标准(1) 附墙架安装工程的质量检验评定,应在焊接质量检验评定符合标准规定后进行。
.(2) 附墙架必须符合设计要求和施工规范规定。
允许偏差项目(表33-4)附墙架安装允许偏差表33-4项项目允许偏差(mm)检验方法次e/1000 附墙架弦杆在相邻节点用拉线和钢尺检查1 5且不大于间平直度用钢尺检查连杆间距 2 ±6h/250 用经纬仪或吊线和钢尺检查3 垂直度15 且不大于L/1000 用拉线和钢尺检查4侧向弯曲10且不大于注:h为附墙架高度;L为附墙架长度;e为弦杆在相邻节点间距离。
3、焊接质量标准(1) 主控项目1) 焊条的牌号、性能,接头中使用的钢筋、钢板、型钢均应符合设计要求。
检查出厂证明及焊条烘培记录。
2) 焊工必须经考试合格。
检查焊工合格证及考核日期。
(2) 一般项目1) 焊缝外观应全部检查,普通碳素结构钢应在焊缝冷却到工作地点温度以后进行。
2) 焊缝表面焊波应均匀,不得有裂纹、夹渣、焊瘤、烧穿、弧坑和针状气孔等缺陷,焊接区还不得有飞溅物。
3) 焊缝外观标准(表33-2)手工电弧焊焊缝质量标准表33-2质量标准项项目次二级不允许 1 气孔深度不超过0.5mm,累计总长度不得超过焊缝长度的不要求修磨的焊缝10% 2咬边不允许要求修磨的焊缝(3) 允许偏差项目(表33-3)。
结构钢材焊缝尺寸允许偏差表33-3项次项目二级检验方法2.5 0.5~b<20 焊缝余高用焊缝量规检20b)(mm≥3.5 ~1对接焊缝0.5查δ且不大<0.1焊缝错边.注:b为焊缝宽度,k为焊角尺寸,δ为母材厚度。
第五章施工安全保证体系一、组织保障、安全保证体系1.、环境保护体系2.二、技术措施塔吊1、塔机的安装(1) 准备工作:清理场地,汽车吊进场,备好常用工具及测量仪器,配好有关工作人员。
(2) 将基础节或过渡节通过高强度螺栓和基础紧固,安装一个加强标准节,调整塔身垂直度≤1/1000。
注意基础节上有爬梯的一面塔身要与建筑物垂直。
(3) 塔身标准节,用汽车吊安装。
标准节与基础节用高强螺栓连接。
(4) 用汽车吊安装活动节(含液压装置的爬升架)。
(5) 用汽车吊安装转盘(上下支座、回转机械、回转支承)。
(6) 用汽车吊安装塔尖(包括二节拉杆、滑轮)。
(7) 用汽车吊安装平衡臂。
(8) 汽车吊安装司机室。
(9) 用汽车吊安装现场组装好的大臂(包括含小车、以及拉杆)。
(10) 用汽车吊安装满载平衡箱中的平衡重块。