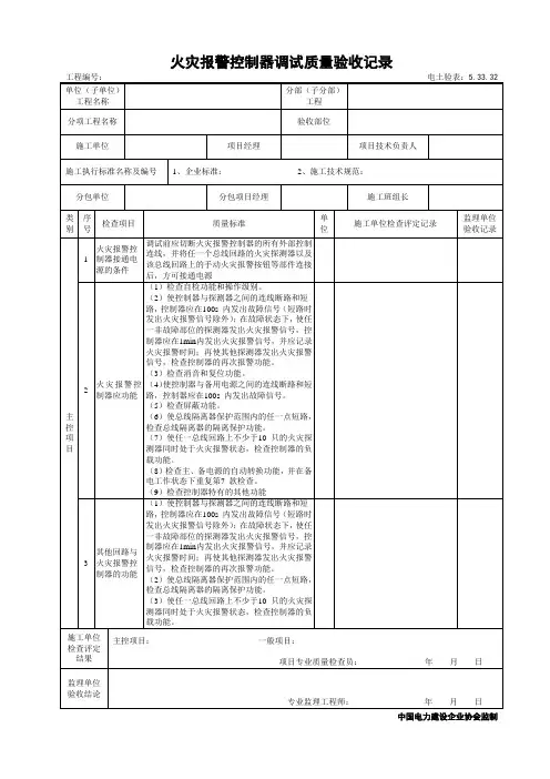
5.33.34火灾自动报警系统线型感温火灾探测器调试质量验收记录
- 格式:doc
- 大小:38.00 KB
- 文档页数:1
火灾自动报警系统消防设备电源监控器调试检测检验批质量验收记录时间:20XX年XX月XX日地点:XX市消防设备检测中心监理单位:XX工程监理有限公司施工单位:XX建筑安装工程有限公司调试、检测检验批编号:XXXXXX-XX一、调试、检测检验批基本情况本次调试、检测检验批的内容为火灾自动报警系统消防设备电源监控器。
根据相关标准和规范要求,施工单位按照技术规范进行了设备安装、接线和调试。
二、调试过程1.设备安装调试前施工单位按照相关设计图纸和说明书要求正确安装了电源监控器设备,并进行了必要的固定和连接。
2.接线确认施工单位进行了电源监控器的接线工作。
在接线过程中,通过多次核对,确保了接线的正确性和可靠性。
3.电源连接施工单位按照设计要求,正确连接了电源监控器的电源。
4.功能调试经过以上步骤后,施工单位对电源监控器进行了功能调试。
主要包括对供电状态的监测、控制设备的联动以及报警信号的触发等功能进行了测试。
5.检测检验调试完成后,监理单位组织了对电源监控器的检测检验工作。
采用以下方法对设备进行了质量验收:(1)检查设备接线是否符合相关标准和规范的要求。
(2)检查设备供电状态显示是否准确。
(3)测试设备的联动控制功能,确保联动设备的正常工作。
(4)模拟报警信号,检验设备报警触发的准确性和灵敏度。
(5)检查设备操作面板的功能按键和显示是否正常。
三、质量验收结果经过调试和检测检验,电源监控器设备符合相关标准和规范的要求,基本功能正常,验收结果合格。
四、存在问题和整改措施在质量验收的过程中,未发现明显的质量问题。
但在施工过程中,施工单位对设备的接线和固定需要进一步加强,以确保设备的稳定性和可靠性。
为此,监理单位向施工单位提出以下整改措施:1.对设备接线进行再次核查,保证接线的正确性。
2.加强设备的固定和防震工作,提高设备的稳定性。
3.对设备的功能进行再次测试,确保设备的正常运行。
五、总结本次调试、检测检验批工作顺利进行,电源监控器设备符合相关标准和规范的要求,并经过质量验收。
火灾自动报警系统消火栓系统联动部件调试检测检验批质量验收记录一、项目概述此次调试、检测检验批质量验收的项目是火灾自动报警系统与消火栓系统的联动部件。
本记录旨在详细记录本次调试、检测的过程和结果,为项目验收提供依据。
二、调试人员负责调试工作的人员:XXX、XXX、XXX三、调试时间本次调试于XXXX年XX月XX日上午9点开始,持续时长约为2小时。
四、调试设备与工具1.火灾自动报警系统主机及配件2.消火栓系统设备3.电源及线缆4.电工工具、测试仪器等五、调试流程1.连接系统设备:将火灾自动报警系统主机与消火栓系统设备通过适当的线缆连接起来。
2.开启电源:接通电源,确保供电正常。
3.系统联动测试:将火灾自动报警系统中设定的联动信号发送至消火栓系统设备,检查消火栓系统是否正常响应。
4.报警测试:触发火灾自动报警系统的报警信号,检验消火栓系统设备是否立即投入工作。
5.联动恢复测试:当报警信号解除后,检查消火栓系统是否能够自动恢复到正常工作状态。
6.数据记录:记录本次调试的数据以及相关现象。
六、实际调试情况根据上述调试流程,实际调试情况如下:1.连接系统设备:根据系统设计图纸,正确连接了火灾自动报警系统主机与消火栓系统设备。
2.开启电源:电源正常接通,供电正常。
3.系统联动测试:在火灾自动报警系统主机上发送联动信号,消火栓系统设备能够准确接收并响应,验证联动功能正常。
4.报警测试:触发火灾自动报警系统的报警信号,消火栓系统设备能立即投入工作,水压正常。
5.联动恢复测试:报警信号解除后,消火栓系统设备能够自动恢复到正常工作状态,水压正常。
6.数据记录:详细记录了每一个调试步骤的结果和现象。
七、调试结果根据上述调试流程和实际调试情况,得出以下结论:1.系统联动功能正常,火灾自动报警系统能够准确控制消火栓系统设备。
2.消火栓系统设备能够在接收到报警信号后立即投入工作,水压正常。
3.报警信号解除后,消火栓系统设备能够自动恢复到正常工作状态,水压正常。
火灾自动报警系统模块调试检测检验批质量验收记录首先,进行模块调试。
模块调试是指对各个模块进行功能和效果的检验,以确保系统的正常运行。
调试工作一般分为硬件调试和软件调试两部分。
在硬件调试中,需要检查模块的电源供应是否正常,连线是否稳固,传感器是否正确接入等。
在软件调试中,需要检查模块的程序是否正确,是否能正常触发报警等。
模块调试的结果应记录在调试记录表中,包括调试的时间、人员、过程和结果等。
接着,进行检测。
检测是指对整个系统进行全面的检查和测试,以确保系统的性能和可靠性。
检测工作包括系统的基本功能测试、故障测试和稳定性测试等。
基本功能测试是检查系统的各个模块是否按照设计要求工作,例如报警器是否正常响铃,信息是否正确显示等。
故障测试是模拟各种故障情况,包括传感器故障、电源故障等,检验系统是否能够正确响应和处理。
稳定性测试是对系统进行长时间的运行测试,检验系统在长期使用中是否稳定可靠。
检测的结果也应记录在检测记录表中,包括时间、人员、过程和结果等。
最后,进行检验批质量验收记录。
检验批质量验收是对整个系统的质量进行评估,以确定系统是否符合相关标准和规范要求。
质量验收包括设备外观检查、安装位置划定、电气连接检查等。
设备外观检查是对设备的外观进行检查,包括外壳是否完好、显示器是否清晰等。
安装位置划定是对设备的安装位置进行检查,包括是否符合设计要求、是否方便维修等。
电气连接检查是对设备的电气连接进行检查,包括接线是否正确、接点是否稳定等。
检验批质量验收记录应包括验收的时间、人员、过程和结果等。
综上所述,火灾自动报警系统模块调试、检测和检验批质量验收记录是确保系统正常运行的重要工作。
通过这些工作,可以提高系统的性能和可靠性,保障人民的生命和财产安全。
火灾自动报警系统可燃气体探测器调试检测检验批质量验收记录一、工程概况:项目名称:火灾自动报警系统可燃气体探测器调试、检测检验批工程地点:工程时间:二、检测检验批的组成部分:检测检验批号:检测检验批工程量:三、施工单位:施工单位名称:四、检测单位:检测单位名称:五、检测仪器设备:检测仪器设备名称:检测仪器设备编号:六、质量验收指标:根据火灾自动报警系统可燃气体探测器的技术规范及设计要求,设置以下质量验收指标:1.探测器灵敏度检测;2.报警信号传输测试;3.报警灯和声光报警器测试;4.接地测试;5.反馈测试。
七、质量验收过程:1.施工单位按照设计图纸要求和技术规范,完成相关施工工作;2.检测单位派出专业技术人员进行质量验收检测;3.对探测器灵敏度进行检测。
测试仪器设置相关参数,根据规定的距离和标准源,对可燃气体探测器进行检测,记录测试结果;4.对报警信号传输进行测试。
通过有线或无线方式,将可燃气体探测器的报警信号传递到报警控制器,检查传输是否正常,记录测试结果;5.对报警灯和声光报警器进行测试。
触发可燃气体探测器,检查报警灯和声光报警器是否正常工作,记录测试结果;6.进行接地测试。
使用接地测试仪器对可燃气体探测器的接地情况进行检测,记录测试结果;7.进行反馈测试。
在报警控制器上触发测试按钮,检查可燃气体探测器是否有正确的反馈信号,记录测试结果。
八、质量验收结果:经过以上检测步骤,根据技术规范和设计要求,质量验收结果如下:1.探测器灵敏度检测结果:合格/不合格;2.报警信号传输测试结果:正常/异常;3.报警灯和声光报警器测试结果:正常/异常;4.接地测试结果:合格/不合格;5.反馈测试结果:正常/异常。
九、质量验收结论:经过检验检测,火灾自动报警系统可燃气体探测器调试、检测检验批整体质量符合技术规范和设计要求,达到了验收要求。
十、存在的问题及处理意见:1.探测器灵敏度检测结果不合格,需要对探测器进行调整或更换;2.报警信号传输测试结果异常,需要检查传输线路或设备是否存在问题;3.报警灯和声光报警器测试结果异常,需要检查设备工作是否正常;4.接地测试结果不合格,需要重新检查接地情况并进行处理;5.反馈测试结果异常,需要检查设备是否有正确的反馈信号。
火灾自动报警系统工程验收记录日期:2024年10月20日地点:公司一、验收主要内容本次火灾自动报警系统工程的验收主要包括以下几个方面:1.系统性能测试:对火灾自动报警系统的各项功能进行测试,包括报警设备的报警信号传输是否稳定可靠,报警主机能否准确无误地收到报警信号并进行相应的处理等。
2.设备完好性测试:对各项火灾报警设备的完好性进行检查,包括烟感探测器、手动报警按钮、声光报警器等。
3.报警信号接收测试:通过模拟火灾现场情况,测试报警信号的传输和接收情况,检验系统对于火灾报警信号的准确性和时效性。
4.系统操作测试:对火灾自动报警系统的各项操作进行测试,包括报警主机的开关机、参数设置等操作,以确保系统能正常运行和操作。
二、验收结果根据对火灾自动报警系统工程的全面检查和测试,以下是本次验收的结果:1.系统性能测试:通过对系统的各项功能进行测试,证实火灾自动报警系统的各项功能正常,信号传输稳定可靠,报警主机能够准确无误地接收和处理报警信号。
2.设备完好性测试:经过对各项火灾报警设备进行检查,证实设备完好,无故障和损坏现象。
3.报警信号接收测试:通过模拟火灾现场情况,测试报警信号的传输和接收情况,证实系统对于火灾报警信号的准确性和时效性。
4.系统操作测试:对火灾自动报警系统的各项操作进行测试,证明系统能够正常运行和操作,报警主机的开关机、参数设置等功能正常。
综上所述,本次火灾自动报警系统工程经过全面检查和测试,各项功能正常,设备完好,报警信号传输稳定可靠,系统操作正常。
通过验收,系统可以投入使用。
三、验收结论根据对火灾自动报警系统工程的全面检查和测试,本次验收结论如下:1.火灾自动报警系统工程通过了系统性能测试、设备完好性测试、报警信号接收测试和系统操作测试。
2.火灾自动报警系统工程各项功能正常,信号传输稳定可靠,能够准确无误地接收和处理报警信号。
3.火灾自动报警系统工程的设备完好,无故障和损坏现象。
4.火灾自动报警系统工程的操作正常,能够正常运行和操作。
火灾自动报警系统调试检验批质量验收记录
一、引言
由于火灾的出现会给人们造成巨大的损失,因此,火灾自动报警系统调试检验的批质量验收就显得格外重要。
火灾自动报警系统调试检验批质量验收也是为了保护人们的生命和财产,确保其正常运行。
本记录将重点介绍火灾自动报警系统调试检验批质量验收的情况,以及在实施调试检验时应遵守的法规及要求。
二、调试检验批质量验收情况
(1)火灾自动报警系统的整体设计和安装满足了有关法规和规范的要求。
(2)火灾自动报警系统的电气设备及部件应具备可靠的防火措施,以确保安全运行。
(3)火灾自动报警系统的报警显示装置应采用可靠的显示器,其显示内容应清晰明了,能够满足火灾报警系统的功能要求。
(4)火灾自动报警系统的启动装置应采用可靠的控制器,使火灾自动报警系统能够按照规定的时间来启动并发出报警信号。
(5)火灾自动报警系统的报警器应采用可靠的报警信息,能够发出明了的报警声和视觉信号,以提醒人们及时采取消防措施。
(6)火灾自动报警系统的布线、连接线应采用可靠的导线和接头。
表E 火灾自动报警系统工程验收记录工程名称遂宁爱儿蓝幼儿园附属园扩建工程分项工程名称消防自动报警系统安装施工单位四川久瑞消防工程有限公司项目经理王东林监理单位总监理工程师序号验收项目名称条款验收内容记录验收评定结果1 布线5.3.1 按现行国家标准《建筑电气工程施工质量验收规范》GB50303 的规定和本规范3.2 节要求对系统的布线进行检验。
检查数量:全数检查。
检验方法:尺量、观察检查。
符合规范、设计要求2 技术文件5.3.2 按本规范第 5.2.1 条要求验收技术文件。
检查数量:全数检查。
检验方法:观察检查。
符合规范、设计要求3 火灾报警控制器5.3.3 火灾报警控制器的验收应符合下列要求:1 火灾报警控制器的安装应满足本规范 3.3节的要求;检验方法:尺量、观察检查。
2 火灾报警控制器的规格、型号、数量、容量,应符合设计要求;检验方法:对照图纸观察检查。
3 火灾报警控制器的功能验收应按本规范第 4.3 节要求进行检查,检查结果应符合现行国家规范《火灾报警控制器》GB 4717 和产品使用说明书的有关要求。
符合规范、设计要求4 点型火灾探测器5.3.4 点型火灾探测器的验收应符合下列要求:1点型火灾探测器的安装应满足本规范 3.4 节要求;检验方法:尺量、观察检查。
2 点型火灾探测器的规格、型号、数量应符合设计要求;检验方法:对照图纸观察检查。
点型火灾探测器的的功能验收应按按本规范第 4.4 节的要求进行检查,检查结果应符合要求。
符合规范、设计要求5线型感温火灾探测器5.3.5 线型感温火灾探测器的验收应符合下列要求: 1 线型感温火灾探测器的安装应满足本规范第 3.4 节要求;检验方法:尺量、观察检查。
2 线型感温火灾探测器的规格、型号、数量应符合设计要求;检验方法:对照图纸观察检查。
线型感温火灾探测器的功能验收应按本规范第4.5 节的要求进行检查,检查结果应符合要求。
符合规范、设计要求工程名称遂宁爱儿蓝幼儿园附属园扩建工程分项工程名称消防自动报警系统安装施工单位四川久瑞消防工程有限公司项目经理王东林监理单位总监理工程师序号验收项目名称条款验收内容记录验收评定结果6红外光束感烟火灾探测器1 红外光束感烟火灾探测器的安装应满足本规范第 3.4 节要求;检验方法:尺量、观察检查。
火灾自动报警系统火灾警报和消防应急广播系统控制调试检测检验批质量验收记录一、项目背景为了提高建筑物内部的安全性,减少火灾事故的发生以及发生后的损失,本项目对火灾自动报警系统和消防应急广播系统进行了控制调试、检测检验批质量验收。
二、项目概述本项目的目标是确保火灾自动报警系统和消防应急广播系统的正常运行和有效应对火灾事故的能力。
三、项目工作内容1.对火灾自动报警系统进行控制调试2.对消防应急广播系统进行控制调试3.对火灾自动报警系统进行检测检验批质量验收4.对消防应急广播系统进行检测检验批质量验收四、火灾自动报警系统控制调试内容1.火灾自动报警系统输入端口与输出端口功能测试2.火灾自动报警系统声光信号设备测试3.火灾自动报警系统传感器测试4.火灾自动报警系统控制器测试5.火灾自动报警系统与消防设施配合测试6.火灾自动报警系统与消防指挥中心通讯测试五、消防应急广播系统控制调试内容1.消防应急广播系统输入端口与输出端口功能测试2.消防应急广播系统音响设备测试3.消防应急广播系统控制器测试4.消防应急广播系统与火灾自动报警系统配合测试5.消防应急广播系统与消防指挥中心通讯测试六、火灾自动报警系统检测检验批质量验收内容1.火灾自动报警系统报警器灵敏度测试2.火灾自动报警系统控制器功能测试3.火灾自动报警系统传感器响应速度测试4.火灾自动报警系统与疏散指示标志配合测试七、消防应急广播系统检测检验批质量验收内容1.消防应急广播系统音响设备音质测试2.消防应急广播系统控制器功能测试3.消防应急广播系统与疏散指示标志配合测试八、项目结果经过上述的控制调试、检测检验批质量验收工作,火灾自动报警系统和消防应急广播系统均通过了验收,并且功能正常、性能稳定。
九、项目收获本项目的完成使建筑物内部的安全性得到了进一步提高,大大减少了火灾事故的发生和发生后的损失。
同时,项目检测检验批质量验收的工作也使项目的质量得到了有效控制,保证了系统的可靠性和生命周期的长久。
火灾自动报警及消防联动系统调试工程检验批质量验收记录验收单位:(单位名称)项目名称:火灾自动报警及消防联动系统调试工程一、施工单位基本情况(施工单位名称)(承包人姓名/项目经理姓名)(施工单位地址)二、工程项目基本情况(工程项目名称)(项目批准文号)(项目实施地点)(建筑面积/层数)三、验收依据1.相关设计文件及规范(列举工程设计文件的名称、编号、日期等)2.相关验收标准(列举与工程质量验收相关的标准及规定)四、质量验收内容1.验收范围(列举具体验收的施工项目)2.验收项目(列举需要验收的具体施工项目及要求)3.验收时间及地点(具体验收的日期、时间及地点)五、质量验收结果1.施工质量合格的项目及数量(列举施工质量合格的项目及相应的数量)2.施工质量不合格的项目及数量(列举施工质量不合格的项目及相应的数量)3.合格率及不合格原因(计算施工质量的合格率,并列举造成不合格的具体原因)六、质量验收结论(根据实际验收情况进行评价,包括工程质量是否合格以及后续交付使用是否符合要求等综合评价)七、存在的问题及整改措施1.存在的问题(列举质量验收中发现的具体问题和缺陷)2.整改措施(明确整改的具体方案和时间安排)八、质量验收人员及签字(验收单位负责人及验收人员的姓名及签字)以上是一份火灾自动报警及消防联动系统调试工程的质量验收记录,记录了施工单位和工程项目的基本情况,以及验收依据、验收内容、验收结果、整改措施等重要内容。
这份记录对于确保工程质量的合格性和后续工程的顺利交付使用具有重要的参考价值。
根据实际情况,可适当调整内容和格式。
火灾自动报警系统火灾探测器安装检验批质量验收记录日期:XXXX年XX月XX日项目名称:火灾自动报警系统施工单位:(施工单位名称)监理单位:(监理单位名称)安装单位:(安装单位名称)验收单位:(验收单位名称)一、项目概述本次火灾自动报警系统安装检验批质量验收,旨在对火灾探测器的安装质量进行检验和评估,以确保安装质量符合相关标准和要求。
二、安装单位(安装单位名称)负责本次安装工作,施工人员具备相关资质和经验。
三、验收单位(验收单位名称)负责本次验收工作,验收人员具备相关资质和经验。
四、验收过程1.验收前准备工作(1)验收单位对施工单位提交的安装材料进行资料审核,包括但不限于设计图纸、设备采购清单、安装方案等。
(2)验收单位组织相关人员对火灾探测器的安装位置、数量、布局进行核对,确保与设计要求一致。
2.火灾探测器设备安装检验(1)对每个火灾探测器设备进行逐一检查,包括设备外观、防护装置完好性等。
(2)检查火灾探测器设备的标志、标牌是否齐全、清晰可见。
(3)检查火灾探测器与周围结构的连接,如存在锁固不牢、间隙大等问题,不符合要求。
(4)检查火灾探测器设备的供电线路和信号线路接线是否正确,如存在错误或接头松动等问题,不符合要求。
(5)检查火灾探测器设备的测试和调试情况,确认设备正常工作。
3.安装质量评估和验收结果(1)根据前述检查结果,评估火灾探测器设备安装质量,分为合格和不合格进行判定。
合格的探测器设备满足相关标准和要求;不合格的探测器设备存在不符合要求的问题。
(2)将不合格的设备问题进行详细记录,并要求安装单位进行整改和修复。
(3)验收单位对合格的火灾探测器设备进行整理和汇总,编制详细的验收报告。
五、验收结论和建议1.验收结论本次火灾自动报警系统火灾探测器安装检验批质量验收,经过详细检查和评估,确认以下结果:(1)共安装XX个火灾探测器设备,其中合格XX个,不合格XX个。
(2)不合格的设备问题包括但不限于:设备连接不牢固、标志标牌缺失或不清晰、接线错误等。
线型感温火灾探测器调试检验批质量验收记录以下是一份线型感温火灾探测器调试检验批质量验收记录的示例:1.调试设备信息:
-设备型号:XXXX
-批次号:XX-XXXX
-调试日期:XXXX年XX月XX日
-调试人员:姓名
2.调试过程:
-对设备进行外观检查,确保无损坏和破损;
-根据设备说明书,连接电源和信号线,并将设备接入火灾报警控制系统;
-设置探测器的参数和阈值,确保能够准确监测火灾温度变化;
-进行模拟火灾实验,在设定的温度范围内,观察探测器的反应和报警功能;
-使用专业工具对探测器的灵敏度、温度测量精度和报警延迟时间进行测试
3.检验结果:
-外观检查:无损坏和破损;
-连接和设置:设备成功连接到火灾报警控制系统,参数设置正确;
-模拟火灾实验:探测器能够准确监测火灾温度变化,并及时发出报警信号;
-灵敏度测试:探测器能够灵敏地检测不同温度变化,并及时触发报警;
-温度测量精度:探测器的温度测量精度在标准误差范围内;
-报警延迟时间:探测器的报警延迟时间在可接受的范围内;
4.结论:
经检验,该批线型感温火灾探测器调试良好,性能和质量符合要求,可以投入使用。
5.备注:
如有特殊说明或需要进一步调试的问题,请在此处记录。
以上是一份线型感温火灾探测器调试检验批质量验收记录的示例。
在实际操作中,可根据具体设备的要求和实验条件进行相应的调整和补充。
调试过程中,需要严格按照相关标准操作,并记录每一步的过程和结果,以确保设备的正常运行和性能可靠。
最后,根据实际情况结合检验结果给出验收结论。
火灾自动报警系统的系统性能调试检验批质量验收记录一、项目背景根据《火灾自动报警系统设计规范》的要求,为确保火灾自动报警系统的正常运行和可靠性,我们进行了系统性能调试检验批质量验收。
本次质量验收记录共包括对系统的基本功能、系统性能、系统应急措施、系统故障处理等方面的检验和验收。
二、验收范围1.系统硬件设备的验收和检验。
2.系统软件功能的验收和检验。
3.系统应急措施的验收和检验。
4.系统故障处理方案的验收和检验。
5.系统运行的稳定性和可靠性的检验。
三、检验过程1.根据项目设计图纸和技术规范,进行系统硬件设备的验收和检验。
包括检查硬件设备的数量、规格、品牌、技术参数等是否符合设计要求,设备安装是否牢固可靠,设备接线是否正确。
2.经过系统软件功能的验收和检验,包括对系统的基本功能、信息采集、数据传输、报警处理、记录存储等功能进行检验。
确保系统满足设计要求。
3.验收和检验系统的应急措施,包括系统的自动报警功能、防火门自动开启功能、疏散指示灯功能等。
检查系统在火灾发生时能否及时触发报警,是否能够自动开启防火门,灭火器是否能正常启动等。
4.验收和检验系统的故障处理方案,包括系统的故障检测、故障处理、恢复功能。
检查系统在故障发生时能否及时检测,是否具备故障处理能力,故障恢复后是否能正常运行。
5.对系统运行的稳定性和可靠性进行检验。
包括长时间运行测试、负载测试、环境适应性测试等,确保系统能够在各种情况下都能正常运行。
四、验收结果经过系统性能调试检验批质量验收,我们对火灾自动报警系统的性能、功能、应急措施和故障处理等方面进行了全面检验。
经过测试,系统在各项指标上均符合设计规范和要求。
五、存在问题和建议在质量验收过程中,我们发现了一些问题,并提出了相应的建议:1.硬件设备安装中,部分设备固定不够牢固,建议加强安装固定措施。
2.在系统软件功能的验收中,部分功能接口存在不兼容情况,建议升级软件版本以解决兼容性问题。
3.部分应急措施的触发条件设置不合理,建议根据实际情况进行调整。