JTW-ZF-AP1116(BS)点型感温火灾探测器检验报告
- 格式:pdf
- 大小:1.30 MB
- 文档页数:18
智慧消防系统选型手册MODEL SELECTION INTELLIGENTFIRE PROTECTION SYSTEM青鸟消防股份有限公司Jade Bird Fire Co., Ltd.青鸟消防股份有限公司成立于2001年6月,注册资本3.485亿元。
公司于2019年8月在深圳证券交易所挂牌上市,成为中国消防报警行业首家登陆A股的企业,证券简称:青鸟消防,证券代码:002960。
公司始终聚焦于消防安全与物联网领域,主营业务为“一站式”消防安全系统产品的研发、生产和销售,是国内规模最大、品种最全、技术实力最强的消防产品供应商之一。
公司产品拥有传统消防和智慧消防全系列产品及完整的全链条解决方案,自研“朱鹮”芯片,射频电磁场辐射抗扰度达到30V/m,复杂电磁干扰场景也能保障数据采集及数据上传。
智慧消防云平台已有22000多家防火单位接入,现场部件接入总数超过百万,服务的领域覆盖商场、金融中心、会展中心、住宅、学校、养老院、文物古建、九小场所等。
企业简介COMPANY PROFILE23JADE BIRD FIRE 智慧消防系统选型手册1.无线火灾报警产品HRP 专用无线火灾报警产品■无线边缘网关 JBF-WG101■无线网关 JBF-WG102/ JBF-WG102-4G ■一级无线中继器 JBF-WR111 ■二级无线中继器 JBF-WR112■独立式光电感烟火灾探测报警器 JTY-GF-JBF-W1100■独立式光电感烟火灾探测报警器 JTY-GF-JBF-W1100V ■独立式感温火灾探测报警器 JTW-ZF-JBF-W1110■手动火灾报警按钮 J-SAP-JBF-W1121■无线输入模块 JBF4133R-C ■输入输出模块 JBF-W1141 ■火灾声光警报器 JBF-W1171NB-IOT 无线火灾报警产品■独立式光电感烟火灾探测报警器 JTY-GF-JBF-VS10N ■独立式光电感烟火灾探测报警器 JTY-GF-JBF-VS10NV ■独立式感温探测器 JTW-ZF-JBF-VS20N 2.智慧消防用水监测产品■压力型独立式数据采集终端 JBF-VS30N ■无线液体压力变送器 JBZA-S2110MP ■无线液体压力变送器 JBZA-S2120MP ■无线液体压力变送器 JBZA-S2130MP ■液位型独立式数据采集终端 JBF-VS30N ■无线数字液位计 JBZA-S2110ML ■无线液位变送器 JBZA-S2120ML ■无线液位变送器 JBZA-S2130ML ■无线数字温度表 JBZA-S2110MW ■无线数字温度表 JBZA-S2110MW-NB ■无线消火栓传感器 JBZA-S2110MF4■数据采集装置 JBF-62S55■模拟量采集模块 JBF62W-AM013.智慧安全用电监测产品■组合式电气火灾监控探测器(NB 型) JBF6189-DW ■组合式电气火灾监控探测器 JBF62E-AT5-V3A3■剩余电流互感器 JBF6189■剩余电流互感器 JBF-CTZ3■电流互感器 BH30I ■温度传感器 TPS2-430G104F-1000■无线智能断路器 JBZA-D2120L1/L2/L3L4■灭弧式短路保护器 JBZA-D2130LA 4.无线可燃气体探测报警产品■家用可燃气体探测器(CO) JM-JBF-VS50N ■家用可燃气体探测器(CH4) JM-JBF-VS51N ■家用可燃气体探测器(液化气) JM-JBF-VS52N ■工业及商业用途点型可燃气体探测器JBF-VS53GN ■家用可燃气体探测器(CO) JBF-VS50W ■家用可燃气体探测器(CH4) JBF-VS51W ■家用可燃气体探测器(液化气) JBF-VS52W 5.无线智能门磁报警产品■无线智能门磁报警器 JBZA-MC01 (26)283032343436384042434446485052545658606264666870727478808284858586889090909294949495企业荣誉智慧消防系统简介01软件系列■青鸟消防云平台■城市智慧消防管理系统■重点防火单位消安一体化管理系统02传统消防接入系列■用户信息传输装置 JBF-TD802/JBF-TD803■信息传输接口卡 JBF-5891■信息传输接口卡 JBF-5892■无线(4G)网关 JBF-5893■打印机接口模块 JBF-TD70603无线终端系列04消安一体化系列■视频网关 JBF-SPWG01■标配版智慧云盒 JBF4388-B1■智慧云盒 JBF4388-B2■图像型火灾探测器(智慧青瞳)VFD/SFH-JBF-DG0805其他特色产品系列■VR 火灾应急演练系统 JBFSV-VR01■无线智能柜式压力监测装置■复合气体检测仪 MP420■复合气体检测仪 MP400S■高频抗金属标签(维保巡查用) FG-LMD105030应用场景产品选型表■会展中心■金融行业■九小场所■酒店■商业综合体■文物古建■校园■养老院■医疗卫生■住宅小区典型案例040610121418202122239899100102108110112114116120122124126128130132134136138141…………………………………………………………………………………………………………………………………………………………………………………………………………………………………………………………………………………………………………………………………………………………………………………………………………………………………………………………………………………………………………………………………………………………………………………………………………………………………………………………………………………………………………………………………………………………………………………………………………………………………………………………………………………………………………………………………………………………………………………………………………………………………目 录CONTENTS4◆拥有66种通过国家强制性认证(3C 认证)的产品◆拥有 67 种通过消防产品认证(自愿性认证)的产品◆通过 GB/T19001-2016/S09001:2015 国际质量管理体系认证◆连续9年被河北省评定为高新技术企业◆通过中国 CNAS 和英国 UKAS 环境、职业健康安全管理体系认证◆为中国消防协会会员单位、高新技术企业 (第二届理事会)副理事长单位◆连续8年被中国消防协会评定为“企业信用等级AAA 级〞◆荣获“全国百佳质量诚信标杆示范企业”称号◆荣获“河北省名牌产品”称号◆荣获“河北省质量效益型企业”称号◆荣获“守合同重信用企业"称号◆荣获“十大报警品牌”称号◆荣获“智慧消防领军品牌”称号◆荣获“匠心荣耀”称号◆荣获“全国质量诚信标杆企业”称号◆荣获“全国产品和服务质量诚信示范企”称号◆荣获“全国质量检验稳定合格产”称号◆荣获“中国质量诚信 AAA 级企业”称号◆荣获“全国消防报警行业质量领先品牌”称号公司荣誉COMPANY HONOR企业荣誉C O R P O R AT E P R ID E56青鸟智慧消防系统包含传统有线消防系统接入、无线消防设备及HRP 传输技术、智能视频联动分析和AI融合及后端智慧消防管理平台,可兼容市场上绝大多数消控主机,以互联网、移动互联和大数据技术为基础,依托“青鸟云平台、消安一体化平台和城市级智慧消防平台”,实现多种不同场景下的消防智能物联应用,并可结合项目实际情况,提供灵活的定制化开发服务。
版本号:1021110303JTW-ZD-920型点型感温火灾探测器使用说明书------ 安装、使用产品前,请详细阅读产品使用说明书 -----一、 产品概述JTW-ZD-920型点型感温火灾探测器(以下简称探测器)是与9000系列控制器配套使用的产品,为二总线工作方式。
探测器内置微处理器,支持电编码。
探测器实时采集现场温度信息,并将数据传送至火灾报警控制器,同时也能接收并执行火灾报警控制器给出的控制命令。
巡检状态时,探测器指示灯闪亮,当被监视区域发生火灾,温度上升到报警阈值后,控制器根据接收到的探测器信息确认火警发生,同时点亮探测器指示灯,指示有火警发生。
探测器适用于火灾发生时有大量热产生的场所,如厨房、锅炉房、发电机房、烘干车间、吸烟室等工业与民用建筑。
不适用于火灾发生时产生大量烟、少量热的场所。
二、 产品特点ü 全电子编码,编码地址可通过编码器现场改写。
ü 单片机实时采样处理数据,曲线跟踪现场情况。
ü 具有温度补偿,传感器失效检测功能(故障上报控制器)。
ü 无极性二总线连接,安装、维护简单,连接线无需区分颜色。
ü采用上、下盖结构设计,独立底座安装,安装、调试、维护简单方便。
三、 产品技术参数1. 执行标准:GB4716-20052. 工作电压:24V (脉冲调制)3. 工作电流:监视状态<300uA ,报警状态<1.5mA4. 工作指示:监视状态红色指示灯闪烁,报警状态红色指示灯常亮5. 重 量:约47g6. 产品类别:A27. 外形尺寸:直径100mm ,高56mm (带底座) 8. 接线方式:无极性二总线制(L1、L2)9.使用环境:室内,温度-10℃~+50℃,相对湿度≤95%(40℃±2℃无凝露)10. 编码方式:通过编码器可现场编码,地址范围1~324任选 11. 安装高度:≤8m12. 保护面积:具体参考国标GB50116-98《火灾自动报警系统设计规范》相关规定 13. 配接主机:9000系列控制器(如JB-QTL-9000或JB-QBL-MN/300)等四、 产品外观及尺寸(见图(单位:mm )图1指示灯五、 产品使用与工程应用1. 探测器底座接线端子示意图如图2所示:图2端子定义(无极性两线制): 1 -- 信号端(L1) 2 -- 空脚3 -- 信号端(L2)4 -- 空脚2.接线方式:探测器通过二线制总线接入相兼容的火灾报警控制器,采用无极性连接,二线制总线的L1、L2与配套底座的1端和3端相连。
“泰和安”报警产品应用设计说明书(最新版)公司简介Tanda泰和安科技是一家专业从事消防产品研发、生产、销售和服务的国家高新技术企业。
目前公司主要产品包括火灾报警系统、气体灭火系统以及智能疏散系统。
公司总部位于风景秀丽的东莞松山湖国家级高新技术开发区;生产基地位于深圳光明新区,拥有多条国外先进制造生产线;运营中心位于首都北京。
泰和安研发团队汇聚了众多消防报警设备行业的技术精英,有着十多年丰富的产品开发经验。
泰和安人坚持与世界先进技术同步的研发理念,引领行业技术发展。
泰和安始终牢记“用消防科技,营造更为安全的生存空间”的使命,2008年至今已相继获得近百项新型专利,傲居行业首位。
在ISO9001:2008,ISO14004:2004及GB/T28001:2001国际质量体系认证下运行的深圳制造基地,生产车间面积达数万平米。
公司引进国外先进生产制造设备,包括贴片回流生产线、插件波峰生产线、组装生产线和三防处理生产线,有效的保障了产品的快速高效生产,在2012年公司已达到年产数百万只各类火灾探测器和模块及上万台控制器(柜)的生产能力。
泰和安人以“敬业、激情、进取、创新”的企业精神,为客户提供优质的产品和服务。
---------------------------------------------------------------------------------高层管理人员简介:董事长- 宋佳城先生第十一届全国政协委员、海湾公司创始人、海湾公司前董事局主席兼CEO、清华大学EMBA、先后任全国工商联执委、河北省政协常委、河北省工商联副会长、中国消防协会常务理事、中国人民武警学院兼职教授、中国社会科学院生产力研究中心兼职研究员。
总经理 - 陈宇弘先生海湾公司首任总工程师、中国科学院博士、中国最早开发出全数字二总线制火灾自动报警系统及平衡总线技术,开创了中国自动消防报警产品的新纪元。
副总经理 - 张秋平先生高级顾问 - 康文昌先生财务总监 - 胡丽萍女士(海湾公司前副总经理)(海湾公司前常务副总经理)市场总监 - 张洪良先生营销总监 - 郭立滨先生技术总监 - 王自朝先生(海湾公司前营销总监)(海湾公司前副总工程师)前言《火灾自动报警系统及联动控制系统应用设计说明书》主要介绍了火灾探测器、报警按钮、现场模块、警报器、火灾报警控制器、火灾显示盘、联动电源、气体灭火控制系统、消防电话系统、消防广播系统及CRT火灾信息管理系统等相关内容。
点型感温火灾探测器JTW-ZD-JBF-3110/C点型感温火灾探测器(A2)•一、JTW-ZD-JBF-3110/C感温火灾探测器(A2)的产品描述:JTW-ZD-LN2110/C型点型感温火灾探测器非编址型,需配接中继接口模块。
特别适用于发生火灾时有剧烈温升的场所,与感烟探测器配合使用更能可靠探测火灾,减少损失。
本探测器结构新颖、外形美观、性能稳定可靠、抗潮湿性强,适用于宾馆、饭店、办公楼、教学楼、银行、仓库、图书馆、计算机房及配电室等场所。
二、JTW-ZD-JBF-3110/C感温火灾探测器(A2)的产品特点:1、定温报警。
可以设定探测器在固定温度下(60℃)报警;2、稳定性高。
抗灰尘附着、抗电磁干扰、抗腐蚀、抗环境温度影响能力强;3、抗潮湿能力强,可适应不同气候环境的要求;4、采用SMT表面贴装工艺;5、采用JBF-137D地址编码模块接入控制器进行报警,每只地址编码模块最多可接25只(串型连接)。
并在最后一只探测器上并接4.7K终端电阻。
三、JTW-ZD-JBF-3110/C感温火灾探测器(A2)的技术指标:1、工作电压 DC 19-24V 控制器提供,调制型2、工作温度 -10 (70)3、贮存温度 -30 (75)4、相对湿度≤95%(40±2℃)5、监视电流≤0.3mA(24V)6、报警电流≤3mA(24V)7、确认灯监视状态不亮,报警时红色常亮(红色)8、距模块最大距离 200m9、外形尺寸Φ100mm × 36mm10、线制二总线,分极性11、执行标准 GB4716-1993《点型感温火灾探测器技术要求及试验方法》四、JTW-ZD-JBF-3110/C感温火灾探测器(A2)的安装与接线:1、JTW-ZD-LN2110/C点型感温火灾探测器(A2)采用非编址感温探测器配非编址探测器专用底座JBF-FD/C;2、先将探测器底座JBF-FD/C,用2只M4的螺钉紧固在预埋盒上,注意底座上的门向3、指示应朝向房门入口或视野所及之处;4、采用2×1.0-1.5mm2导线。
火灾探测器的性能指标是对其重要性能及其技术特征的一种表示,是工程技术人员在设计、安装、使用、维护探测器时的主要参考依据。
火灾探测器的性能指标,均有自己的提法和标准,不尽相同。
根据我国现有状况,并参照“国际标准草案”,对于感温探测器主要性能指标及其标准规定如下。
(1)灵敏度灵敏度表示感温探测器对标定的温度值(定温式火灾探测器)或对标定的温升速率(差温式火灾探测器)的敏感程度(敏感程度以动作时间值表示)。
一般将感温火灾探测器的灵敏程度标定为三个等级,即一级、二级、三级,并分别用绿色、黄色和红色三种色点标记表示。
(2)标定值标定值是指规定感温火灾感测器动作的动作温度值(定温式火灾探测器)或动作温升速率值(差温式火灾探测器)。
对于差温式火灾探测器,其标定动作温升速率值一般有:1℃/min,3℃/min,5℃/min,10℃/min,20℃/min,30℃/min等。
对于定温式火灾探测器,其标定动作温度值一般有:60℃,65℃,70℃,75℃,80℃,90℃,100℃,110℃,120℃,130℃,140℃,150℃等,其误差均限定为正负5%之内。
对于差定温式火灾探测器,其中差温部分与差温火灾探测器标定动作值相同,定温部分与定温式火灾探测器基本相同。
而唯一不同之处是:定温部分在温升速率小于1℃/min 时,其标定动作温度以上下限值给出,即:一级灵敏度:54℃<标定动作温度值<62℃二级灵敏度:54℃<标定动作温度值<70℃三级灵敏度:54℃<标定动作温度值<78℃(3)动作时间感温式火灾探测器在某一设定的环境条件下,对标定的温度定温或标定的温升速率(差温),由不动作到动作所需时间的上限值被定为动作时间值。
显然,对于相同标定值而言,探测器灵敏度越高,则动作时间值就越小。
(4)保护面积火灾探测器的保护面积被定义为一只火灾探测器能够有效地探测到被监测区域内的火灾信息的最大地面面积。
火灾自动报警系统报告
编辑整理:
尊敬的读者朋友们:
这里是精品文档编辑中心,本文档内容是由我和我的同事精心编辑整理后发布的,发布之前我们对文中内容进行仔细校对,但是难免会有疏漏的地方,但是任然希望(火灾自动报警系统报告)的内容能够给您的工作和学习带来便利。
同时也真诚的希望收到您的建议和反馈,这将是我们进步的源泉,前进的动力。
本文可编辑可修改,如果觉得对您有帮助请收藏以便随时查阅,最后祝您生活愉快业绩进步,以下为火灾自动报警系统报告的全部内容。
火灾自动报警系统调试报告编A—15。
[使用工装前,请阅读工装使用说明书]
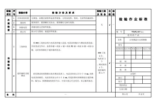
点型感温火灾探测器工装使用说明书(Ver 1.0)
一、LA1400成品带电检测
1、工装名称:LA1400电检测试仪
2、操作步骤
(1)开机启动后,按数字键1,将成品装于测试底座,查看电流表数值,切换电流表极性开关,查看电流表数值情况。
(2)按C键返回,查看测试仪器上显示的数值和LED灯显示状态,切换极性开关查看LED灯显示状态。
(3)将31K热敏电阻插在PCB板RT1位置,等待3S左右,查看主机是否有报火,将
29.3K热敏电阻插在RT1位置,3S内查看是否有报火,此时查看仪器上显示的数值
和LA1400的LED灯显示状态。
注释:具体数值见作业指导书。
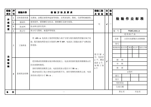
二、LA1400成品编码测试
1、工装名称:LA1400编码测试仪
2、操作步骤
(1)开机:按菜单→按4选择系统设置→按F2选择专业设置→按3选择地址设定→按1选择接AB端编码→输入所需编码的地址。
(2)轻取成品探测器,将其装于编码底座。
按下编码仪器上F1按钮,待仪器上显示编码成功且LA1400的LED灯闪烁两次,按F2按钮。
仪器上显示输入地址则编码成功,从底座上取下成品放入流水线。
(3)按下F1后,观察仪器上显示情况,按F2后观察回读的数值与编入地址情况。
注释:具体数值见作业指导书。
检测说明
1、火灾自动报警主机报警及显示功能正常,联动控制功能正常。
2、实测喷淋泵现场手动启停正常,消控中心启停正常。
3、实测消火栓泵现场手动启停泵正常。
在设计压力范围内自动启停泵正常。
4、消火栓按钮直接启停泵正常,消控中心启停泵正常。
5、实测应急照明灯应急工作正常;实测疏散指示灯应急工作正常。
6、实测卷帘门现场启停、机械操作及联动控制功能正常。
7、实测排烟风机现场、远程手动以及自动正常。
8、实测正压送风机现场、远程手动以及自动正常。
建筑消防设施检测报告
批准:审核:校对:编制:
检测范围及抽样情况
火灾自动报警及联动控制系统
检测人:
消火栓给水系统
检测人:
自动喷水灭火系统
检测人:
泡沫灭火系统
检测人:
气体灭火系统
检测人:
防排烟系统
检测人:
防火分隔设施
检测人:
事故照明和疏散指示
检测人:
消防供配电设施
检测人:。
山东省点型感烟火灾探测器产品质量监督抽查实施细则(2024年)1抽样1.1抽样方法以随机抽样的方式在被抽样生产者、销售者的待销产品中抽取。
1.2抽样基数抽查样品基数满足抽样数量即可。
1.3抽样数量每批次产品抽取样品8只,其中4只作为检验样品,4只作为备用样品。
2检验项目及检测方法表1点型感烟火灾探测器产品检验项目序号检验项目检验方法1重复性试验2方位试验3电压波动试验GB4715 4气流试验5高温试验6低温(运行)试验注:上表所列检验项目是有关法律法规、标准等规定的,重点涉及健康、安全、节能、环保以及消费者、有关组织反映有质量问题的重要项目。
执行企业标准、团体标准、地方标准的产品,检验项目参照上述内容执行。
凡是注日期的文件,其随后所有的修改单(不包括勘误的内容)或修订版不适用于本细则。
凡是不注日期的文件,其最新版本适用于本细则。
3判定规则3.1标准依据GB4715点型感烟火灾探测器相关的法律、行政法规、部门规章、规范性文件现行有效的企业标准、团体标准、地方标准及产品明示质量要求3.2判定原则经检验,检验项目全部合格,判定为被抽查产品所检项目未发现不合格;检验项目中任一项或一项以上不合格,判定为被抽查产品不合格。
若被检产品明示的质量要求高于本细则中检验项目依据的标准要求时,应按被检产品明示的质量要求判定。
若被检产品明示的质量要求低于本细则中检验项目依据的强制性标准要求时,应按照强制性标准要求判定。
若被检产品明示的质量要求低于或包含细则中检验项目依据的推荐性标准要求时,应以被检产品明示的质量要求判定,但应在检验报告备注中进行说明。
若被检产品明示的质量要求缺少本细则中检验项目依据的强制性标准要求时,应按照强制性标准要求判定。
若被检产品明示的质量要求缺少本细则中检验项目依据的推荐性标准要求时,该项目不参与判定,但应在检验报告备注中进行说明。
4异议复检本细则中确定的全部检验项目,采用备用样品进行复检。