无锡物理第十一章 简单机械和功单元测试卷(解析版)
- 格式:doc
- 大小:439.50 KB
- 文档页数:18
第十一章简单机械和功单元试题一、选择题1.下面关于功率的说法中正确的是()A. 用同样的时间,做功越多,功率越大B. 做功时间越长,功率越大C. 功率越大,机械效率越高D. 做功越多,功率越大2、甲机械比乙机械的功率大,表示两机械在工作时()A.甲做功多B.甲更省力C.甲做功快D.甲用时少3.如图所示甲、乙两个装置,已知A在地面上滑动时所受的摩擦力为40牛(不考虑绳与滑轮的摩擦)。
要使A向右匀速滑动,拉力F甲与F乙的大小分别为()A.40牛,20牛B.20牛,40牛C.40牛,40牛D.20牛,20牛4、一根粗细不均匀的木料,当把它支在O点时恰好水平平衡,如图,如果沿过O点竖直线将它锯成两段,则()A.两段的重力相等;B.较细的那段重;C.较粗的那段重;D.不能确定哪段重。
5.甲乙两个滑轮组如图所示,其中的每一个滑轮都相同,用它们分别将重物G1、G2提高相同的高度,不计滑轮组的摩擦,下列说法中正确的是()A.若G1 = G2,拉力做的额外功相同B.若G1 = G2,拉力做的总功相同C.若G1 = G2,甲的机械效率大于乙的机械效率D.用甲乙其中的任何一个滑轮组提起不同的重物,机械效率不变6、如图所示的杠杆正处于水平平衡,若把杠杆的两端各加一个钩码,杠杆将()A.还继续处于水平平衡B.右端下降,左端上升C.右端上升,左端下降D.无法确定杠杆的运动状态7、李同学先后用同样大小的力F使同一木箱分别在如图所示甲、乙、丙三个表面上沿力的方向移动相同的距离,改力F在这三个过程中所做的功分别为W甲、W乙、W丙,关于做功大小的下列说法正确的是()A.W甲<W乙<W丙 B W甲>W乙>W丙C.W甲=W乙=W丙 D. W甲=W乙<W丙8、一体重是500N的同学用重10N的水桶,提起重为100N的水沿楼梯运到5m高的宿舍里使用,完成这一次提水,他做的有用功和额外功分别是()A.500J,50JB.500J,2550JC.500J,2000JD.2550J,50J9.如图所示,用方向不变的力F,将杠杆从A位置匀速提升到B位置的过程中,F的大小变化情况有()A.保持不变B.逐渐变小C.逐渐变大D.无法判定10、如图所示,在水平拉力F的作用下,使重300 N的物体在水平桌面上以0.1 m/s 的速度匀速运动时,物体与桌面的摩擦力为60 N(不计绳重、动滑轮重及摩擦),F及其功率的大小分别为()A.20 N 2 WB.20 N 6 WC.60 N 2 WD.30 N 6 W二、填空题11、今年是中华人民共和国成立70周年,我区各个学校都开展“升国旗,唱国歌”的主题活动,如图所示为某学校升旗的情景,旗杆顶装的滑轮是滑轮,它的作用是。
答卷时应注意事项1、拿到试卷,要认真仔细的先填好自己的考生信息。
2、拿到试卷不要提笔就写,先大致的浏览一遍,有多少大题,每个大题里有几个小题,有什么题型,哪些容易,哪些难,做到心里有底;3、审题,每个题目都要多读几遍,不仅要读大题,还要读小题,不放过每一个字,遇到暂时弄不懂题意的题目,手指点读,多读几遍题目,就能理解题意了;容易混乱的地方也应该多读几遍,比如从小到大,从左到右这样的题;4、每个题目做完了以后,把自己的手从试卷上完全移开,好好的看看有没有被自己的手臂挡住而遗漏的题;试卷第1页和第2页上下衔接的地方一定要注意,仔细看看有没有遗漏的小题;5、中途遇到真的解决不了的难题,注意安排好时间,先把后面会做的做完,再来重新读题,结合平时课堂上所学的知识,解答难题;一定要镇定,不能因此慌了手脚,影响下面的答题;6、卷面要清洁,字迹要清工整,非常重要;7、做完的试卷要检查,这样可以发现刚才可能留下的错误或是可以检查是否有漏题,检查的时候,用手指点读题目,不要管自己的答案,重新分析题意,所有计算题重新计算,判断题重新判断,填空题重新填空,之后把检查的结果与先前做的结果进行对比分析。
亲爱的小朋友,你们好!经过两个月的学习,你们一定有不小的收获吧,用你的自信和智慧,认真答题,相信你一定会闯关成功。
相信你是最棒的!苏科版物理九年级上册《第十一章简单机械和功》单元测试一、单选题1.如图,两名运动员,甲比乙高,如果他们举起相同质量的杠铃所用时间相等,则()A.甲做功较多,功率较大B.甲做功较多,功率较小C.甲做功较多,甲、乙功率相等D.甲、乙做功相等,乙的功率较大2.如图用10N的拉力去拉5N的物体,恰好使物体匀速上升,下列说法中正确的是()A.没有沿竖直方向向下拉物体时,会使得拉力变大,机械效率变低B.该滑轮费力,但省距离,它的实质是一个费力杠杆C.该滑轮的效率只有50%,是由绳重和摩擦导致的D.若将此滑轮改为动滑轮,可以提高该装置的机械效率3.A中的杠杆和物体处于静止状态,B、C、D中的物体被匀速吊起,所有物体重力均为G,不计动滑轮重力、绳重和一切摩擦,则所用拉力F最小的是()A.B.C.D.4.如图所示,重力不计的杠杆可绕O点无摩擦转动,在A端用轻质细绳悬挂一质量为200g的物体M,同时在B点施加一个始终垂直于杠杆的拉力F B,杠杆绕O点匀速转动到虚线位置,OA=3m,AB=1m。
苏科版九年级上册物理第十一章简单机械和功单元测试与练习(word解析版)一、初三物理第十一章简单机械和功易错压轴题提优(难)1.小苗利用刻度均匀的轻质杠杆进行“探究杜杆的平衡条件”实验,已知纡个钩码重0.5N。
(1)实验前,将杠杆的中点置于支架上,当杠杆静止时,发现杠杆左端下沉,这时应将平衡螺母向__________(选填“左”或“右”)调节,直到杠杆在水平位置半衡。
(2)在图甲中的A点悬挂4个钩码,要使杠杆仍保持水平位置平衡,需在B点悬挂_______个钩码。
(3)如图乙所示,取走悬挂在B点的钩码,改用弾簧测力计在C点竖直向上拉,仍使杠杆在水平位置平衡,测力计的拉力为__________N;若在C点改变弹簧测力计拉力的方向,使之斜向右上方,杠杆仍然在水平位置平衡,则测力计的读数将__________(选填“变大”“变小”或“不变”)。
【答案】右 3 1.5 变大【解析】【分析】【详解】(1)[1]杠杆在使用前左端下沉,说明左侧力与力臂的乘积大,应将平衡螺母向右调节。
(2)[2]设杠杆每个格的长度为L,每个钩码的重力为G,根据杠杆的平衡条件:F A L A=F B L B,得4G×3L=F B×4L解得F B=3G即需在B点处挂3个钩码。
(3)[3]取走悬挂在B点的钩码,改用弹簧测力计在C点竖直向上的拉力,根据杠杆的平衡条件:F A L A=F C L C,得4G×3L=F C×4L解得F C=3G=3×0.5N=1.5N[4]如改变弹簧测力计拉力的方向,使之斜向右上方,阻力和阻力臂不变,动力臂减小,动力要增大,所以弹簧测力计示数变大,才能使杠杆仍然水平平衡。
2.小华探究杠杆平衡条件时,使用的每个钩码的质量均为100g,杠杆上相邻刻线间的距离相等。
请按要求完成下列问题:(1)将杠杆安装在支架上,发现杠杆右端下沉,此时应将杠杆右侧的平衡螺母向______调(选填“左”或“右”),使杠杆在水平位置平衡。
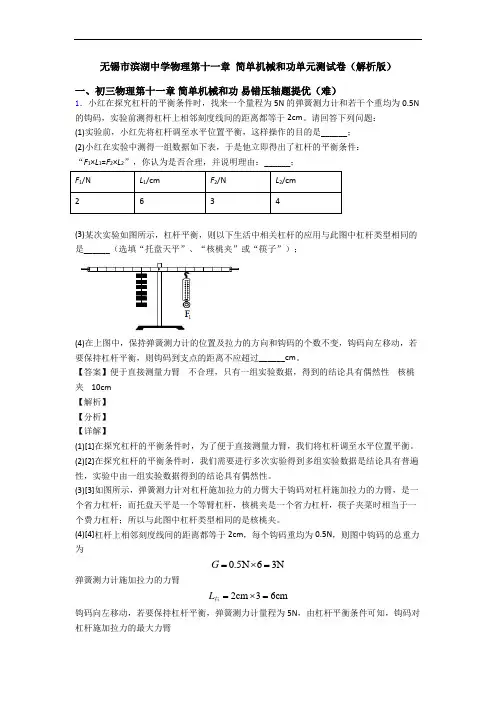
无锡市滨湖中学物理第十一章简单机械和功单元测试卷(解析版)一、初三物理第十一章简单机械和功易错压轴题提优(难)1.小红在探究杠杆的平衡条件时,找来一个量程为5N的弹簧测力计和若干个重均为0.5N 的钩码,实验前测得杠杆上相邻刻度线间的距离都等于2cm。
请回答下列问题:(1)实验前,小红先将杠杆调至水平位置平衡,这样操作的目的是______;(2)小红在实验中测得一组数据如下表,于是他立即得出了杠杆的平衡条件:“F1×L1=F2×L2”,你认为是否合理,并说明理由:______;F1/N L1/cm F2/N L2/cm2634(3)某次实验如图所示,杠杆平衡,则以下生活中相关杠杆的应用与此图中杠杆类型相同的是______(选填“托盘天平”、“核桃夹”或“筷子”);(4)在上图中,保持弹簧测力计的位置及拉力的方向和钩码的个数不变,钩码向左移动,若要保持杠杆平衡,则钩码到支点的距离不应超过______cm。
【答案】便于直接测量力臂不合理,只有一组实验数据,得到的结论具有偶然性核桃夹 10cm【解析】【分析】【详解】(1)[1]在探究杠杆的平衡条件时,为了便于直接测量力臂,我们将杠杆调至水平位置平衡。
(2)[2]在探究杠杆的平衡条件时,我们需要进行多次实验得到多组实验数据是结论具有普遍性,实验中由一组实验数据得到的结论具有偶然性。
(3)[3]如图所示,弹簧测力计对杠杆施加拉力的力臂大于钩码对杠杆施加拉力的力臂,是一个省力杠杆;而托盘天平是一个等臂杠杆,核桃夹是一个省力杠杆,筷子夹菜时相当于一个费力杠杆;所以与此图中杠杆类型相同的是核桃夹。
(4)[4]杠杆上相邻刻度线间的距离都等于2cm,每个钩码重均为0.5N,则图中钩码的总重力为0.5N63NG=⨯=弹簧测力计施加拉力的力臂L=⨯=2cm36cm右钩码向左移动,若要保持杠杆平衡,弹簧测力计量程为5N,由杠杆平衡条件可知,钩码对杠杆施加拉力的最大力臂5N6cm10cm3NFLLG⨯===右左即钩码到支点的距离不应超过10cm。
第十一章简单机械和功单元测试.单选题(共12题;共36分)1.如图,一块厚度、密度均匀的长方形水泥板放在水平地面上,甲、乙两名搬运工人分别用竖直向上的力 F 甲、F 乙使其一端抬离地面.则()4.水平桌面上的文具盒在水平方向的拉力作用下,沿拉力的方向移动一段距离. 则下列判断正确的是()A. 30WB. 300WD. F=Fi10秒钟,他克服自身重力做功的功率大约是(C. 3000WD. 30000W3.如图所示的工具中,正常使用时属于费力杠杆的是( A.食品夹 B.C.D.瓶盖起子A.文具盒所受重力做了功B.文具盒所受支持力做了功C.文具盒所受拉力做了功川D.没有力对文具盒做功5.用下列简单机械使重量同为G 的物体都处于静止状态,不计摩擦、机械自重及绳的重量,其中用力最小的是() A. C......D.6.如图所示,滑轮重、绳重、摩擦力均忽略不计,利用两个滑轮提升同一重物到同高度时,下列组合中最省距离的是()2.某同学从一楼跑上三楼,大约用了 螺丝刀钳子一方向性H向7 .甲升降机比乙升降机的机械效率高,它们分别把相同质量的物体匀速提升相同的高度。
则() A.乙升降机提升重物做的有用功较多 B.甲升降机的电动机做的额外功较多8 .如图所示,用竖直向上的力匀速拉动较长的杠杆,使重为 18N 的物体在5s 内缓慢升高10cm,拉力大小F=8N,拉力移动的距离为 25cm.整个过程中所做有用功为 J,拉力的功率为 W,竖直向10 .图是常用指甲刀的实物及结构示意图,下列说法中不正确的是()A.杠杆ABC 是一个省力杠杆附杆ABC 的支点是BC.杠杆OBD 是一个费力杠杆D.指甲刀共有三个杠杆,一个省力杠杆两个费力杠杆11 .如图所示,所使用杠杆属于费力杠杆的是()C.甲升降机的电动机做的总功较少M D.乙升降机的电动机做的总功较少(选填变大"变小”或不上匀速拉动杠杆的过程中,物体的机械能将(选填"A :' "B 或点,这种情况下,手推车可以视为,杠杆(选填省力”14 .如图所示是列车上常用的手推车,车内货物均匀摆放.车前行时,需经过障碍物.当车的前轮遇到障碍物A 时,售货员向下按扶把,这时手推车可以视为杠杆,若手推车和货物总重 N.当后轮遇到障碍物 A 时,售货员竖直向上提扶把,B.D.13.组合机械的斜面长 4m,高2m,将重为 100N 的物体从斜面的底端匀速拉到顶端,如图所示,需用的拉力为40N,需要的时间是5s.那么,将物体从底部拉到顶部所做的有用功是J,拉力做的总功的功率是W.200N,动力臂和阻力臂之比为2: 3,则服务员作用在扶把上的动力为12.如图所示的四种用具在正常使用的过程中,属于省力杠杆的是(用扫帚扫地用起子起瓶盖这时支点是15 .如图所示,均匀木棒AB 长为1m,重60N,水平放置在 Q O 两个支点上.已知AO O' B 长度均为0.25m .则支点O 对棒的支持力为 N;若把B 端竖直向上稍微抬起,至少需要用力 N;若把B 端竖18.如图所示,重500N 的物体与地面间的摩擦力为 144N,为使物体匀速移动 6m,必须在绳的自由端加 60N的水平拉力.那么拉力做的有用功是 J,此滑轮组的机械效率为直向下压棒使 A 端稍微抬起至少需要用力16 .花匠手握如图所示的修枝剪刀把手的末端,便可以轻松地剪断树枝。
苏科版九年级上册物理第十一章简单机械和功单元测试卷(word版,含解析)一、初三物理第十一章简单机械和功易错压轴题提优(难)1.如图,小明在“研究杠杆平衡条件”的实验中所用的实验器材有:刻度均匀的杠杆,支架,弹簧测力计,刻度尺,细线和相同的重0.5 N重的钩码若干个。
(1)如图A所示,实验前,杠杆左侧下沉,则应将左端的平衡螺母向______(选填“左”或”右”)调节,直到杠杆在水平位置平衡;(2)在图B中杠杆平衡了,若在杠杆左右两边同时增加一个相同的钩码,则杠杆向______(选填“左”或”右”)倾斜;(3)甲同学通过对一组数据分析后得出的结论是:动力×支点到动力作用点的距离=阻力×支点到阻力作用点的距离,与小组同学交流后,乙同学为了证明甲同学的结论是错误的,他做了如图C的实验,已知杠杆上每个小格长度为5 cm,每个钩码重0.5 N,当弹簧测力计斜向上拉(与水平方向成30°角)杠杆,使杠杆在水平位置平衡,此时乙同学发现,动力×动力臂______(选填“等于”或“不等于”)阻力×阻力臂。
实验C______(选填“能”或”不能”)说明甲同学结论是错误的。
【答案】右右等于能【解析】【分析】【详解】(1)[1]图A中,杠杆左侧下沉,应向右调节平衡螺母,直到杠杆在水平位置平衡。
(2)[2]在图B中,据杠杆的平衡条件得3G⋅2F=2G⋅3L在左右两边同时增加一个相同的钩码,则左右两边分别变成4G⋅2F,3G⋅3L而4G⋅2F<3G⋅3L所以杠杆向右倾斜。
(3)[3][4]由图C知,此时4×0.5N×3×0.5cm=3N×12×4×0.5cm即:动力×动力臂=阻力×阻力臂。
而此时,动力臂并不等于支点到动力作用点的距离,所以能证明甲同学的结论是错误的。
2.小红在探究杠杆的平衡条件时,找来一个量程为5N 的弹簧测力计和若干个重均为0.5N 的钩码,实验前测得杠杆上相邻刻度线间的距离都等于2cm 。
第十一章综合测试一、单选题(本大题共11小题,共33分)1.要用30N 的力刚好提起重40N 的物体。
下列机械中可以采用的是( )(不计机械本身重和摩擦) A .一个定滑轮 B .一个动滑轮C .杠杆D .一个定滑轮和一个动滑轮组成的滑轮组2.下列分析正确的是( )A .用力推讲台桌水平运动,推力对讲台桌做了功B .讲台桌没被推动,推力小于摩擦力C .钢笔吸墨水时,真空把墨水压入钢笔内D .把新鲜的鸡蛋放入清水中会下沉,因为鸡蛋的密度小于清水的密度3.起重机将建筑材料由地面提升到楼顶,第一次用15000N 的竖直拉力1F 将材料甲匀速提升15m ;第二次用10000N 的竖直拉力2F 将材料乙匀速提升15m 。
对于上述两个过程,下列说法中正确的是( ) A .甲的速度一定等于乙的速度 B .甲的质量一定大于乙的质量C .拉力1F 做的功一定等于拉力2F 做的功D .甲运动的时间一定小于乙运动的时间4.两个力同时作用在杠杆上,要使杠杆平衡,则( ) A .这两个力的力臂必须相等B .这两个力的方向必须相反C .力臂较长的那个力必须较大D .两个力使杠杆转动方向必须相反5.用如图所示的滑轮组提起重为G 的物体,图中a 是弹簧秤,不计滑轮和弹簧秤的重力及轮与轴的摩擦,则( )A .G F 3=,a 的读数等于FB .G F 2=,a 的读数等于F C .GF 3=,a 的读数等于GD .GF 2=,a 的读数等于G6.在水平地面上有一长方体木箱,小林用水平推力F 把木箱向前推动,如图甲所示,此过程中,推力F 随时间t 的变化情况如图乙所示,木块前进的速度v 的大小随时间t 的变化情况如图丙所示,下列说法正确的是( )①0~1s内,没有推动箱子的原因是推力小于摩擦力②0~1s内,推力做功的功率为100W③1~3s内,木箱受到的滑动摩擦力为300N④3~5s内,木箱受到的滑动摩擦力为200N⑤3~5s内,木箱移动的距离为2mA.只有①②③B.只有②④⑤C.只有①③D.只有④⑤7.下列有关简单机械的说法中正确的是()A.做功快的机械,其功率不一定大B.简单机械的效率越大,做功越快C.做功快的机械做功不一定多D.有的简单机械既可以省力,还可以省距离8.在图所示的各种情景中,物体的机械能总量没有发生变化的是(不计空气阻力)()A.自由下落的苹果B.匀速上坡的汽车C.正在着陆的飞机D.匀速下降的降落伞9.关于滑轮,下列说法中错误的是()A.使用定滑轮不省力但能改变动力方向B.使用动滑轮能省一半力,还能改变动力的方向C.定滑轮实质是个等臂杠杆D.动滑轮实质是个动力臂为阻力臂两倍的杠杆10.如图所示,当水平拉力5NF 时,恰好可以使物体A沿水平地面向左做匀速直线运动。
第十一章简单机械和功一、单项选择题(共11小题;共22分)1. 如图是甲、乙两物体做功与所用时间的关系图象,由图可知,甲乙两物体做功的功率关系是A. B.C. D. 时间未知,无法比较2. 如图所示,杠杆在力和重力的作用下,在水平位置处于平衡状态,下列判断中正确的是A. B.C. D.3. 如图所示,甲、乙两套装置所用的滑轮质量相等,用它们分别将相同质量的钩码匀速竖直提升,在相等时间内绳端、移动相同的距离(忽略绳重和摩擦),在此过程中,下列选项正确的是A. 两钩码上升的速度相等B. 两滑轮组绳端的拉力相等C. 甲滑轮组的总功比乙少D. 两滑轮组的机械效率相等4. 某小轿车功率为,某载重大卡车的功率约为。
比较两车的功率,下列说法中正确的是A. 卡车的功率大,所以卡车做功一定比轿车快B. 卡车的功率大,所以卡车做的功一定多C. 轿车的功率小,所以轿车做功时间短D. 相同时间内,轿车做的功与卡车做的功相筹5. 下列说法中正确的是A. 机械的功率越小,其机械效率越低B. 在相同时间内,效率高的机械做功多C. 功率大的机械一定比功率小的机械做功多D. 功率大的机械一定比功率小的机械做功快6. 下列各种机械中,不省力的机械是A.钢丝钳B.动滑轮C.旗杆顶定滑轮D.斜面7. 用三种方法来提升同一个重物:()用不计摩擦的定滑轮将重物提高;()沿光滑斜面将重物提高;()用手直接将重物提高。
其中做功大小是A. ()方式做功最少B. ()方式做功最少C. ()方式做功最少D. 三种方式做功一样多8. 关于简单机械下列说法中正确的是A. 定滑轮不仅能改变力的大小而且能改变力的方向B. 使用滑轮组不仅省力而且省功C. 做功越多的机械,其机械效率就越高D. 功率越大的机械,做功就越快9. 下列有关机械效率的说法中,正确的是A. 机械做的有用功占总功的比例越大,机械效率越高B. 机械做的有用功越多,机械效率越高C. 机械效率越高,越省力D. 机械的功率越大,机械效率越高10. 在“富国强军”的时代要求下,大连造船厂建造了首艘国产航空母舰。
一、选择题1.研究表明,人步行时重心升降的幅度约为脚跨一步距离的0.1倍,人正常步行时,步距(指步行一步的距离)变化不大,请你估算一下:一个中学生正常步行(速度约为4km/h)半小时克服重力做功的功率约为()A.10W B.20W C.70W D.140W2.下列关于功和能的说法中不正确的是()A.物体能够做功,就是说它具有能B.物体具有能,它一定在做功C.一定质量的物体速度越大,它的动能越大D.一定质量的物体位置越高,它的重力势能越大3.如图所示,运动员在进行蹦床比赛。
不计空气阻力,运动员比赛过程中,下列说法正确的是()A.到达最高点时运动员的速度为零受力平衡B.运动员弹离蹦床以后,蹦床对运动员做了功C.在下落过程中,运动员所受到的重力做了功D.在下落过程中,运动员所受的重力做功先快后慢4.下列数据符合实际情况的是()A.一个西瓜的重约为1N B.中学生登上三楼所做的功约为300J C.教室里的大气压约为1×104Pa D.正常体态中学生游泳时受到的浮力约为500N5.关于运动项目中所涉及的物理知识,下列分析不正确的是()A.骑自行车刹车时,不能马上停下来,是因为人和车具有惯性B.滑雪时,人从高处自由滑下,速度越来越快,是因为重力势能转化为动能C.人登上较高的山顶时,会感觉不适,是因为山顶气压大于山脚下的气压D.人潜入较深的水中时,必须穿潜水服,是因为液体压强随深度增加而增大6.如图所示是跳伞运动员在空中匀速下落的过程,从能量角度分析,跳伞运动员的()A.动能增大,势能不变,机械能减小B.动能不变,势能减小,机械能不变C.动能增大,势能减小,机械能不变D.动能不变,势能减小,机械能减小7.小明和他所骑的自行车总重为600N,上学路上他骑车在1min内匀速通过了一段长300m的平直公路,若自行车所受路面的阻力约为人和车总重力的0.05倍,则通过该段公路时,小明骑车的功率约为()A.150W B.300W C.1500W D.3000W8.一个小孩从高度相同、长度不同的两个滑梯A、B上分别滑下到底端,如图所示,下列说法中()①忽略运动阻力,他的重力势能全部转化为动能②不忽略运动阻力,他在滑下过程中,机械能守恒③忽略运动阻力,从B滑梯上滑到底端速度较大④不忽略运动阻力,从A滑梯上滑到底端速度较大A.只有①③正确B.只有②③正确C.只有①④正确D.只有②④正确9.如图所示,用F=10N的水平推力推着重为20N的物体沿水平方向做直线运动,若推力F对物体做了40J的功,则在这一过程中()A.重力做的功为40JB.物体向前运动了2mC.物体向前运动了4mD.物体受到的摩擦力为10N10.下列有关力做功的说法错误的是()A.用水平力推着购物车前进,推车的力做了功B.把水桶从地面上提起来,提水桶的力做了功C.把挂钩上静止的书包取下来,书包受到的手的拉力做了功D.用力拍击桌面,使静止在桌面上的乒乓球跳起来,桌面对乒乓球的支持力做了功11.如图,在拉力F=500N的作用下,将重为800N的物体沿斜面向上匀速拉动了2m,在此过程中物体上升的高度为1m。
苏科版九年级上册物理第十一章简单机械和功单元测试与练习(word解析版)一、初三物理第十一章简单机械和功易错压轴题提优(难)1.小苗利用刻度均匀的轻质杠杆进行“探究杜杆的平衡条件”实验,已知纡个钩码重0.5N。
(1)实验前,将杠杆的中点置于支架上,当杠杆静止时,发现杠杆左端下沉,这时应将平衡螺母向__________(选填“左”或“右”)调节,直到杠杆在水平位置半衡。
(2)在图甲中的A点悬挂4个钩码,要使杠杆仍保持水平位置平衡,需在B点悬挂_______个钩码。
(3)如图乙所示,取走悬挂在B点的钩码,改用弾簧测力计在C点竖直向上拉,仍使杠杆在水平位置平衡,测力计的拉力为__________N;若在C点改变弹簧测力计拉力的方向,使之斜向右上方,杠杆仍然在水平位置平衡,则测力计的读数将__________(选填“变大”“变小”或“不变”)。
【答案】右 3 1.5 变大【解析】【分析】【详解】(1)[1]杠杆在使用前左端下沉,说明左侧力与力臂的乘积大,应将平衡螺母向右调节。
(2)[2]设杠杆每个格的长度为L,每个钩码的重力为G,根据杠杆的平衡条件:F A L A=F B L B,得4G×3L=F B×4L解得F B=3G即需在B点处挂3个钩码。
(3)[3]取走悬挂在B点的钩码,改用弹簧测力计在C点竖直向上的拉力,根据杠杆的平衡条件:F A L A=F C L C,得4G×3L=F C×4L解得F C=3G=3×0.5N=1.5N[4]如改变弹簧测力计拉力的方向,使之斜向右上方,阻力和阻力臂不变,动力臂减小,动力要增大,所以弹簧测力计示数变大,才能使杠杆仍然水平平衡。
2.小红在探究杠杆的平衡条件时,找来一个量程为5N的弹簧测力计和若干个重均为0.5N 的钩码,实验前测得杠杆上相邻刻度线间的距离都等于2cm。
请回答下列问题:(1)实验前,小红先将杠杆调至水平位置平衡,这样操作的目的是______; (2)小红在实验中测得一组数据如下表,于是他立即得出了杠杆的平衡条件:“F 1×L 1=F 2×L 2”,你认为是否合理,并说明理由:______; F 1/N L 1/cm F 2/N L 2/cm 2634(3)某次实验如图所示,杠杆平衡,则以下生活中相关杠杆的应用与此图中杠杆类型相同的是______(选填“托盘天平”、“核桃夹”或“筷子”);(4)在上图中,保持弹簧测力计的位置及拉力的方向和钩码的个数不变,钩码向左移动,若要保持杠杆平衡,则钩码到支点的距离不应超过______cm 。
第十一章简单机械和功一、单选题1.班里组织一次比赛活动,从一楼登上三楼,看谁的功率最大。
为此,需要测量一些物理量,下列物理量中必须测量的是()①三楼地面到一楼地面的高度②从一楼到达三楼所用的时间③每个同学的质量或体重④一楼到三楼楼梯的长度A. ②④B. ①④C. ①②③D. ②③2.下列说法错误的是( )A. 用筷子夹菜时,筷子是省力杠杆B. 三峡船闸是世界上最大的人造连通器C. 用高压锅煮食物熟得快是因为锅内气压加大使液体(锅内的水)的沸点升高D. 相距较近的两艘船平行向前快速行驶时容易相撞,是因为流体压强与流速有关3.粗糙水平地面上有一个重为100N的物体,用20N的水平拉力使其在10s内匀速前进了10m,在此过程中()A. 重力做功的功率为100WB. 支持力做功的功率为100WC. 拉力做功的功率为200WD. 拉力做功的功率为20W4.如图所示,用如图装置提升同一重物,若不计滑轮自重及摩擦,则最省力的是()A. B. C. D.5.如图所示,下列有关电工钳的说法正确的是( )A. 它由两个费力杠杆组合而成B. 手柄上的橡胶套可以防止触电事故发生C. 刀口很锋利是为了增大压力D. 橡胶套上刻有花纹是为了减小摩擦6.在如图所示的四种情境中,人对物体做功的是()A. 举着杠铃原地不动B. 抱着书不动C. 沿水平地面推动小车D. 推石头没有推动7.如图所示,用滑轮组提升重物时,重800N的物体在10s内匀速上升1m.已知拉绳子的力F为500N,则提升重物的过程中()A.绳子自由端被拉下3mB.有用功是800JC.拉力F的功率是80WD.滑轮组的机械效率是53.3%8.如图所示,物体G在竖直向上的拉力F的作用下,匀速上升0.2m.已知G=18N,F=10N.(不计摩擦和绳重)这一过程中,不能得到的结论是()A. 动滑轮重为2NB. 绳子自由端上升0.4mC. 拉力F做功2JD. 该动滑轮的机械效率为90%9.如图所示,小华分别用甲、乙两个滑轮把同一袋沙子从地面提到二楼,用甲滑轮所做的总功为W1,机械效率为η1;用乙滑轮所做的总功为W2,机械效率为η2.若不计绳重与摩擦,则A. W1 = W2,η1=η2B. W1 = W2,η1<η2C. W1 > W2,η1>η2D. W1 < W2,η1>η210.如图所示,利用一个轻质滑轮拉着物体A水平向右匀速移动3m,所用时间为3s;物体A与地面间的摩擦力为60N.已知拉力F为40N,物体A重为200N,则在这个过程中()A. 拉力F做了120J的功B. 重力做了600J的功C. 机械效率为80%D. 拉力F的功率为80W11.如图所示,在大小为500 N的拉力F作用下,滑轮组将800 N的重物提升了l m。
苏科版九年级物理上册第十一章简单机械和功单元测试考试时间:90分钟;命题人:物理教研组考生注意:1、本卷分第I卷(选择题)和第Ⅱ卷(非选择题)两部分,满分100分,考试时间90分钟2、答卷前,考生务必用0.5毫米黑色签字笔将自己的姓名、班级填写在试卷规定位置上3、答案必须写在试卷各个题目指定区域内相应的位置,如需改动,先划掉原来的答案,然后再写上新的答案;不准使用涂改液、胶带纸、修正带,不按以上要求作答的答案无效。
第I卷(选择题 30分)一、单选题(10小题,每小题3分,共计30分)1、水平地面上有一重5N的球,小孩用20N的力踢球,球离脚后在地面上滚动了15m,那么小孩踢球过程中对球做的功是()A.75J B.0J C.300J D.无法确定2、下列说法中正确的是()A.机械做的有用功越多,机械效率越大B.机械效率大的功率一定大C.机械做功可以省力或省距离,但不能省功D.机械做功时间短的,功率一定大3、在“探究影响滑轮组机械效率的因素”实验中,某同学用同一滑轮组提升钩码,实验数据记录如下表,下列说法正确的是()A.数据④中,滑轮组所做的有用功为30JB.由数据①可知,实验所用滑轮组承重绳段数n=2C.研究滑轮组机械效率与钩码重的关系,可选用数据①②④D.对比数据③④可知,滑轮组机械效率与钩码上升距离有关4、在图中,物体A的重力为G,在拉力F的作用下,物体沿水平桌面做匀速直线运动,已知物体受到的摩擦力为f,则人对绳的拉力F的大小等于()A.0.5G B.2G C.0.5f D.2f5、早上到校后,小陈同学背着重50N的书包沿水平路面从建兰门口出发走了30m,又登上大约10m 高的三楼才到教室,则他在上学的过程中对书包所做的功约为()A.0J B.500J C.1500J D.2000J6、关于足球下列说法正确的是()A.踢出去的足球受到惯性的作用会继续运动,且速度越快惯性越大B.给正在飞行的足球再踢一脚,足球一定会运动得更快C.足球在空中飞行时,没有力对它做功D.运动员踢出的“香蕉球”旋转着前进时能转弯绕过人墙,是因为流体的压强与流速有关7、图所示为某同学在生命科学实验中使用镊子夹取玻璃盖片的场景,使用此镊子()A .省力且省距离B .省力但费距离C .费力且费距离D .费力但省距离8、小明用如图所示的实验装置研究杠杆的机械效率,实验时,将重为G 的钩码挂在铁质杠杆A 点上,弹簧测力计作用于C 点,现竖直向上匀速拉动弹簧测力计,此时拉力为1F ,杠杆的机械效率为1η,不计摩擦,则( )A .仅将测力计移到B 点,竖直向上匀速拉动弹簧测力计,机械效率为η2,则21ηη=B .仅将钩码移到B 点,竖直向上匀速拉动弹簧测力计,机械效率为η2,则31ηη=C .仅将测力计移到B 点,竖直向上匀速拉动弹簧测力计,此时拉力为F 2,则21F F =D .仅将钩码移到B 点,竖直向上匀速拉动弹簧测力计,此时拉力为3F ,则31F F =9、提高热机效率的有效途径是( )A .采用优质的燃料B .减少热机的各种热损失,保证良好的润滑C .使热机具有良好的散热D .避免使用热机10、用力沿水平方向拉水平桌面上的木块,拉力大小随时间变化的图像如图甲所示,物块速度随时间变化的图像如图乙所示。
一、选择题1.我们经常看到洒水车在公路上洒水作业,关于洒水车在水平公路上匀速前进洒水作业的过程中,说法正确的是()A.动能变小,机械能变小B.动能不变,机械能不变C.动能变小,机械能不变D.动能不变,机械能变小A解析:AA.洒水车匀速前进不断洒水的过程中,速度不变、质量减小,洒水车的动能减小,由于洒水车质量减小,高度不变,因此重力势能减小,故机械能减小,故A正确;B.洒水车的动能减小,机械能减小,故B错误;C.洒水车的动能减小,机械能减小,故C错误;D.洒水车的动能减小,机械能减小,故D错误。
故选A。
2.下列数据符合实际情况的是()A.托起两个鸡蛋所用的力大约是10N B.成年人手掌的面积约为10cm2C.成年人散步时的功率约为10kW D.通常情况下,人体受到的大气压强约为105Pa D解析:DA.托起两个鸡蛋所用的力大约为1N,故A不符合题意;B.成年人手掌的面积约为120cm2,故B不符合题意;C.成年人散步时的功率约为50W,故C不符合题意;D.一个标准大气压约为1.01×105Pa,所以通常情况下,人体受到的大气压强约为105Pa,故D符合题意。
故选D。
3.如图是足球运动员踢足球时的情景,下列说法正确的是()A.球被脚踢出去,说明只有球才受到力的作用B.脚踢球使球飞出去,说明力是物体运动的原因C.足球在空中飞行过程中,运动状态一定发生改变D.空中飞行的足球,动能越来越小,势能越来越大C解析:CA.由于力的作用是相互的,球被脚踢出去的同时,脚也受到球的反作用力,故A错误;B.脚踢球,使球飞出去,说明力可以改变物体的运动状态,不能说明力是物体运动的原因,故B错误;C.足球在空中运动过程中,受到竖直向下的重力与空气的阻力,这两个力不是平衡力,所以足球的运动状态一定发生改变,故C正确;D.空中飞行的足球,上升时动能越来越小、势能越来越大,下降时动能越来越大、势能越来越小,故D错误。
故选C。
苏科版物理九年级上册第十一章简单机械和功单元测试卷(解析版)一、初三物理第十一章简单机械和功易错压轴题提优(难)1.小华探究杠杆平衡条件时,使用的每个钩码的质量均为100g,杠杆上相邻刻线间的距离相等。
请按要求完成下列问题:(1)将杠杆安装在支架上,发现杠杆右端下沉,此时应将杠杆右侧的平衡螺母向______调(选填“左”或“右”),使杠杆在水平位置平衡。
(2)将杠杆调节水平平衡后,在杠杆上的B点悬挂了3个钩码,如图所示。
为使杠杆保持水平平衡状态,应该在A点悬挂 ________个钩码。
(3)若撤掉杠杆A点的钩码,为使杠杆在水平位置平衡,应该用弹簧测力计在杠杆______(选填“A”或“C”)处竖直向上拉,当杠杆水平平衡时,弹簧测力计的示数为_______N。
(g取10N/kg)【答案】左 2 C 1.5【解析】【分析】【详解】(1)[1]杠杆右端下沉,左端上翘,哪边高,平衡螺母像哪边调,所以应调节杠杆右侧的平衡螺母向左。
(2)[2]一个钩码重力0.1kg10N/kg1NG mg==⨯=假设杠杆一小格为L,A点挂n个钩码,根据杠杆平衡条件有1N331N2n L L⨯⨯=⨯⨯解得n=2,所以应该在A点悬挂2个钩码。
(3)[3][4]撤掉杠杆A点的钩码,为使杠杆能够在水平位置重新平衡,应该用弹簧测力计在杠杆A处竖直向下拉或者在杠杆C处竖直向上拉;根据杠杆平衡条件有B BC CF L F L=则弹簧测力计的示数31N31.5N4B BCCF L LFL L⨯⨯===2.某兴趣小组的同学在探究“风力发电机发电时的输出功率与风速的关系”时,设计了如下实验步骤:①如图乙,将自制的小型风叶安装在风车底座上,把线的一端固定在风车转轴上,另一端系上钩码;②在风车正前方1米处放置电风扇的风速调到1挡位,用秒表记录提升钩码到A点所需的时间;③将电风扇换到2、3挡位,重复以上实验,并将数据记录在表格中:(注:电风扇挡位越高,风速越大)表一:电风扇挡位钩码的质量/g提升钩码到A点的时间/s150152501335010请你回答:(1)这个实验是通过测量提升钩码到A点的_____来比较风车输出功率的大小。
一、选择题1.下列实例中,人或机械对物体做功的是()甲:小车在推力作用下前进一段距离乙:起重机把物体在空中平移一段距离丙:搬石头,搬而未起丁:物体在拉力作用下升高一段距离A.甲和乙B.甲和丁C.乙和丙D.丙和丁2.关于功、功率、机械效率,下列说法中正确的是()A.做功越快的机械,功率一定越大B.功率越大的机械,做功一定越多C.做功越多的机械,机械效率一定越高D.机械效率越高,机械做功一定越快3.快递小哥宋学文作为一名普通劳动者当选2020年全国劳模,有关宋学文在工作中对货物做功情况叙述正确的是()A.把货物从地上搬上运输车,他对货物没有做功B.货物太重未搬动,他对货物做了功C.抱着货物上楼时,他对货物做了功D.抱着货物在原地等待签收时,他对货物做了功4.某同学沿楼梯以快跑与慢走两种方式从一楼到四楼,下列有关说法正确的是()A.快跑比慢走克服重力做功多B.快跑比慢走能量转换得快C.慢走克服重力做功约为500J D.快跑的功率约为1500W5.2014年12月7日“长征四号乙”运载火箭在太原卫星发射中心执行中巴地球资源卫星04星的发射任务,关于卫星加速上升的过程中,下列说法正确的是()A.动能变小,势能变大,机械能保持不变B.动能变大,势能变小,机械能保持不变C.动能变小,势能变大,机械能变大,内能转化为机械能D.动能变大,势能变大,机械能变大,内能转化为机械能6.小明用图示装置“探究重力势能大小与质量的关系”,下列说法正确的是A.实验研究对象是三脚小桌B.让质量不同的木块从不同的高度由静止下落C.让同一木块从三个不同的高度由静止下落 D.用三脚小桌下陷的深度表示木块重力势能的大小7.对如几幅图所示的情景描述,正确的是()A.运动员在踢球时,脚对球的力大于球对脚的力B.跳远运动员助跑可以提高成绩,是利用了身体的惯性C.男孩水平用力推车但没推动,是因为他的推力小于车所受的阻力D.蹦蹦杆跃到最高点时,动能最大,速度最大8.蹦极是深受欢迎的户外运动,如图所示,不考虑空气阻力,关于蹦极者在下降过程中的能量分析,下列说法中()①弹性绳绷直前,重力势能减小,动能变大②弹性绳绷直瞬间动能最大③下降到最低点动能最小④下降到最低点弹性势能最大A.只有①②正确B.只有②④正确C.只有①③④正确D.①②③④都正确9.如图所示。
苏科版九年级物理上册第十一章简单机械和功单元测试考试时间:90分钟;命题人:物理教研组考生注意:1、本卷分第I卷(选择题)和第Ⅱ卷(非选择题)两部分,满分100分,考试时间90分钟2、答卷前,考生务必用0.5毫米黑色签字笔将自己的姓名、班级填写在试卷规定位置上3、答案必须写在试卷各个题目指定区域内相应的位置,如需改动,先划掉原来的答案,然后再写上新的答案;不准使用涂改液、胶带纸、修正带,不按以上要求作答的答案无效。
第I卷(选择题 30分)一、单选题(10小题,每小题3分,共计30分)1、如图所示,是工人师傅往高处运送货物的两种方法。
物重均为500N,滑轮重均为10N,不计摩擦和绳重,下列说法正确的是()A.甲图中的拉力等于乙图中的拉力B.甲图中的拉力小于乙田中的拉力C.甲图中的拉力大于乙图中的拉力D.甲图中的拉力为乙图中拉力的两倍2、用完全相同的滑轮组成的滑轮组匀速竖直向上提物体M,如图所示。
如果自由端的拉力F=30N,物体M的速度v=0.1m/s,每个滑轮重10N,忽略绳重和轴摩擦。
下列说法中正确的是()A.物体M受到的合力不为零B.物体M的重力为80NC.自由端移动的速度为0.2m/s D.天花板受到的拉力为90N3、下列数据中最接近实际的是()A.今天你所在教室的大气压约为2×105 PaB.将一个鸡蛋举高2m做功约为1JC.一个初中生漂浮在水面上时,受到的浮力大约为5000ND.正常人的脉搏1min大约跳动15次4、用力沿水平方向拉水平桌面上的木块,拉力大小随时间变化的图像如图甲所示,物块速度随时间变化的图像如图乙所示。
下列有关拉力做功及其功率的分析正确的是()A.10~30s内拉力做功为32JB.50s内拉力做功为80JC.10~30s内拉力的功率逐渐变大D.30~40s内拉力的功率逐渐变大5、如图所示的工具中,在使用时属于费力杠杆的是()A.核桃夹B.瓶盖起子C.撬棍D.镊子6、如图,重为G的物体在不同简单机械中均处于平衡状态(不计机械自重和摩擦),拉力F1、F2、F3的的大小关系是()A.F3<F1<F2B.F2=F3<F1C.F2<F3=F1D.F2<F1<F37、如图所示,物体的受到的重力为300N,在20N的水平拉力F的作用下物体以0.3m/s的速度匀速运动了20s,滑轮组的机械效率为85%。
苏科版九年级物理上册第十一章简单机械和功单元测试考试时间:90分钟;命题人:物理教研组考生注意:1、本卷分第I卷(选择题)和第Ⅱ卷(非选择题)两部分,满分100分,考试时间90分钟2、答卷前,考生务必用0.5毫米黑色签字笔将自己的姓名、班级填写在试卷规定位置上3、答案必须写在试卷各个题目指定区域内相应的位置,如需改动,先划掉原来的答案,然后再写上新的答案;不准使用涂改液、胶带纸、修正带,不按以上要求作答的答案无效。
第I卷(选择题 30分)一、单选题(10小题,每小题3分,共计30分)1、完全相同的A和B两物体,在相同的力F作用下分别沿粗糙地面和不计摩擦的光滑冰面移动了相同的距离s。
如图,力F对A、B两物体做的功分别为W1和W2,功率分别为P1和P2。
下列的大小比较正确的是()A.W1<W2B.W1>W2C.P1<P2D.P1>P22、如图所示的工具,在使用过程中不省力的是()A.用起子起瓶盖B.用镊子夹物体C.用钢丝钳剪钢丝D.用羊角锤起钉子3、如图所示的滑轮组,当物体A在动滑轮作用下由静止水平向右移动1m时,动滑轮克服物体A的摩擦力做的功为30J,则拉力F的大小()A.一定是10N B.一定是15NC.一定大于10N D.一定大于15N4、甲、乙两种机器所做的总功之比是2:3,机械效率之比是3:1,则它们所做的有用功之比()A.2:3 B.2:1 C.2:9 D.9:25、下列工具在使用时属于费力杠杆的是()A.羊角锤B.筷子C.手推车D.核桃夹子6、如图所示,用相同滑轮装成的甲、乙两个滑轮组分别将同一个物体在相同时间内匀速提高相同高度,不计绳重及摩擦,下列说法正确的是()A.F1=F2B.甲、乙绳子自由端移动的速度相同C.甲、乙两个拉力的功率相同D.乙滑轮组的额外功多7、如图所示,利用滑轮组将重力为2N的物体,以0.2m/s的速度提升0.1m,作用在绳端的拉力F为1.2N,下列判断不正确...的是()A.拉力的功率是0.48WB.动滑轮重力是0.8NC.拉力做的有用功是0.2JD.滑轮组的机械效率是83.3%8、如图所示,物体的受到的重力为300N,在20N的水平拉力F的作用下物体以0.3m/s的速度匀速运动了20s,滑轮组的机械效率为85%。
无锡物理第十一章简单机械和功单元测试卷(解析版)一、初三物理第十一章简单机械和功易错压轴题提优(难)1.某同学在河边玩耍时捡到一块石头:(1)将木杆的中点O悬挂于线的下端,使杆在水平位置平衡,这样做的好处是可以消除_____对杆平衡的影响;(2)将左端A与弹簧测力计相连,用细线把石头挂于OA的中点C,弹簧测力计竖直向上提起A端,使杆保持水平,测力计示数如图所示,则拉力大小为_____N;将石头浸没于装有水的玻璃杯中且不与杯子接触,保持杆水平,记下弹簧测力计此时示数为2.7N;(3)通过计算,浸没后石头受到的浮力大小为_____N,石头的密度为_____kg/m3(已知ρ水=1.0×103kg/m3);(4)若上述(2)步骤中,只是杆未保持水平,则测量结果_____(填“偏大”、“偏小”或“不变”)。
【答案】杠杆自重 4.2 3 2.8×103不变【解析】【分析】本题考查固体密度的测量。
【详解】(1)[1]将木杆的中点O悬挂于线的下端,使杆在水平位置平衡,这样做的好处是可以消除杠杆自重对杆平衡的影响。
(2)[2]如图弹簧测力计的分度值是0.2N,所以拉力大小为4.2N。
(3)[3]根据杠杆的平衡条件以及C是OA的中点,可得122112F LF L==解得G=F1=2F2= 2×4.2N=8.4N而石头的质量8.4N=0.84kg10N/kgGmg==石石头浸没于装有水的玻璃杯中且不与杯子接触,保持杠杆水平,弹簧测力计此时示数为2.7N,再次根据杠杆的平衡条件计算出此时石头对C点的拉力为5.4N,则浸没后石头受到的浮力大小F 浮=G ﹣F =8.4N ﹣5.4N =3N[4]又F 浮=ρ液gV 排,所以43333N ==310m 1.010kg/m 10N/kgF V V g ρ-==⨯⨯⨯浮石排液 所以石块的密度33430.84kg =2.810kg/m 310m m V ρ-==⨯⨯石石石 (4)[5]若上述(2)步骤中,只是杠杆未保持水平,虽然力的作用线不在杠杆上,但是两个力的力的作用线的比值是不变的,所以不会影响最终的结果。
【点睛】关键是将课本知识内容记忆清楚,仔细分析即可。
2.如图所示是小明和小红利用刻度均匀的杠杆探究“杠杆平衡条件”的实验装置。
(1)在实验前,杠杆静止在图甲所示的位置,此时杠杆处于_______(选填“平衡”或“不平衡”)状态;调节平衡螺母使杠杆在水平位置平衡的目的是消除杠杆自重对实验的影响,同时方便___________;(2)杠杆平衡后,小明在左右两侧分别挂上如图乙所示的钩码,杠杆不能在水平位置平衡,在不增加钩码且不改变钩码悬挂点位置的前提下为了使杠杆重新在水平位置平衡,只需将____________即可;(3)为获得更多组数据,他们取下右侧钩码,小明和小红分别设计了两种实验方案,小明的方案如图丙所示,小红的方案如图丁所示。
你认为__________(“小明”或“小红”)的方案更合理,理由是___________;(拓展)探究杠杆的平衡条件后,小明又利用杠杆测量了石块的密度,实验装置如图所示。
实验步骤如下:①将石块悬挂在杠杆左侧,通过调节细线长度使石块缓慢浸没在下方裝满水的溢水杯中(未触底),同时用质量忽略不计的薄塑料桶接住溢出的水;②将薄塑料桶悬挂在杠杆右侧,调节塑料桶的悬挂位置,使杠杆在水平方向平衡,如图所示;③测量出AB 两悬挂点距支点O 的距离分别为10m 和15cm ,则石块密度为___________kg/m 3。
【答案】平衡 测量力臂 左侧的钩码去掉一个 小明 排除测力计的重力对实验的影响 2.5×103 【解析】 【分析】 【详解】(1)[1]杠杆静止时,无论杆身是否水平,都为杠杆的平衡状态。
[2]杠杆在水平位置平衡,其力臂和杆身重合,可以方便测量力臂的大小。
(2)[3]在乙图中,杠杆左右两侧所挂钩码的重力可分别视为动力和阻力,两侧钩码的悬挂点可分别视为动力臂和阻力臂,根据杠杆的平衡条件1122Fl F l =可知,只需将左侧的钩码去掉一个即可满足杠杆在水平位置平衡。
(3)[4][5]对比丙、丁两图可知,小明的实验方案更加理想;因为弹簧测力计本身受到重力,小明的方案可以排除测力计的重力对实验的影响。
(3)①[6]设石块排开的水的重力为G 水,由阿基米德原理可知,石块受到的浮力F G =浮水水中的石块为平衡状态,故其对绳的拉力F G F G G =-=-石石浮水根据杠杆和平衡条件可得F OAG OB ⨯=⨯水即153102G G OB cm G OA cm -===石水水 由上式整理可得32V g V g V g ρρρ-=石石水水水水由于石块排开水的体积和石块自身体积相等,所以上式可简化为32ρρρ-=石水水 所以石块的密度333355 1.010kg/m 2.510kg/m 22ρρ==⨯⨯=⨯石水3.探究“杠杆的平衡条件”实验中,所用的实验器材有杠杆、支架、细线、质量相同的钩码若干。
(1)将杠杆装在支架上,发现杠杆左端下沉,此时应将杠杆两侧的平衡螺母同时向______调,至杠杆在水平位置平衡,这样做的目的是_____________;(2)某同学进行正确的实验操作后,能不能根据图甲的这一组数据得出探究结论?_________(填“能”或“不能”)。
理由是___________;(3)如图甲所示,杠杆水平位置平衡。
如果在杠杆两侧各加上一个相同的钩码,则杠杆_____(填“左”或“右”)端将下沉;(4)如图乙所示,用弹簧测力计在C处竖直向上拉。
当弹簧测力计逐渐向右倾斜时,若杠杆仍然保持在水平位置平衡,则弹簧测力计的示数将________(填“变大”、“变小”或“不变”)。
【答案】右消除杠杆自身的重力对实验结果的影响不能一次实验具有偶然性,不具备必然性右变大【解析】【分析】【详解】(1)[1][2]杠杆右端下沉,应将杠杆重心向左移,所以应将两端的平衡螺母(左端和右端均可)向左调节,直至重心移到支点处,使杠杆重力的力臂为零,这样就减小了杠杆的自重对实验的影响;当杠杆在水平位置平街时,力的方向与杠杆垂直,力臂等于支点到力的作用线的距离,力臂可以从杠杆标尺刻度上直接读出来。
(2)[3][4]用实验来探究物理规律时,要采用多次实验,用多组实验数据来总结实验结论,实验结论具有普遍性,如果只有一次实验数据,总结的实验结论具有偶然性,所以不能用一次实验总结实验结论。
(3)[5]设一个钩码的重力为G,杠杆一个小格代表L,如果在图甲中杠杆两侧各添加一个相同的钩码时,杠杆的左端⨯53=15G L GL杠杆的右端⨯G L GL44=16故右>左,则右端将下沉。
(4)[6]乙图中,弹簧测力计竖直向上拉杠杆时,拉力力臂为OC,弹簧测力计向右倾斜拉杠杆,拉力的力臂小于OC,拉力力臂变小,拉力变大,弹簧测力计示数变大。
4.小彬和小萌同学在学完浮力和杠杆的知识后,初步设计了两种方案,去分别测量待测液体(食用油、酱油)的密度:小彬的方案小萌的方案实验过程:如图,用弹簧测力计测出铁块的重力为G,然后把铁块先后浸没在水、食用油中静止后读出测力计的示数分别为F1、F2;实验过程:如图A O B为轻质杠杆(质量不计),小桶悬挂于A处位置不变,支点O位置不变。
首先在小桶中倒人一定体积的水,调节石块的位置于B,处杠杆在水平方向平衡,然后将水全部倒出将小桶擦干后再将等体积的酱油倒入小桶中,调节石块的位置于B处,杠杆再次在水平方向平衡,若OB1、OB2的长度分别为L1、L2(B1、B2图中未画出)(1)若食用油的密度比水的密度小,则在小彬的方案中F1______F2(选填“大于”、“小于”或“等于”);(2)小萌通过对比数据发现L1小于L2,可初步推断出酱油的密度比水的密度________;(3)已知水的密度为ρ水,结合两种方案中现有的测量数据,能得出待测液体密度的是__________的方案(选填“小彬”或“小萌”),其密度表达式为ρ=________。
【答案】小于大小彬21()()G FG Fρ--水【解析】【分析】【详解】(1)[1]由阿基米德原理可知,排开液体体积相同时,液体密度大,产生的浮力大,故完全浸没时在水中的浮力大于在食用油中的浮力;测力计的示数为铁块重力与浮力之差,故在水中的示数F1小于在食用油中的示数F2。
(2)[2]由杠杆平衡条件可得()OA1G G L G L+=石桶水()OA2G G L G L+=石桶酱又L1小于L2,故可得()()OA OAG G L G G L+>+桶桶水酱即G G>水酱V g V g ρρ>水水酱酱又水的体积和酱油的体积相同,故ρρ>水酱(3)[3][4]由(2)可知小萌的方案可以比较出待测液体的密度与水的密度大小关系,却不能求得具体值,小彬的方案可以求得待测液体密度大小;在小彬的方案中,铁块浸没在水中受到浮力为1-F G F =浮由阿基米德原理可得1-==F G F V V g gρρ=浮铁排水水 铁块浸没在待测液体受到的浮力为2-F G F '=浮由阿基米德原理可得2211--===--F G F G F G F V g G F g gρρρ'浮水排水5.在认识到杠杆转动跟力、力臂有关后,某实验小组通过实验进一步探究杠杆的平衡条件,以下是他们的部分实验过程:(1)首先,将杠杆放在水平桌面上,在不挂钩码的情况下,调节杠杆两端的平衡螺母,使杠杆在________位置平衡,以方便直接读出力臂;(2)接下来,他们使杠杆在如图位置静止,多次实验,记录数据如表格所示(每个钩码的重力为1N ,杠杆质量、刻度分布均匀);小玲认为杠杆的平衡条件应为12F F =,12L L =;而小军则认为实验还需要进一步改进,你认为小玲总结的杠杆的平衡条件是________(选填“正确的”或“错误的”);实验序号 1/N F1/cm L2/N F2/cm L1 2 3 2 3 2 3 3 3 3 34343(3)如果小军在杠杆的左端A 点处再加挂2个钩码(即左端共4个钩码),接下来,他应该将右端的两个钩码向右移动________格,杠杆才会在原位置再次平衡。
【答案】水平 错误的 3 【解析】 【详解】(1)[1]将杠杆放在水平桌面上,在不挂钩码的情况下,调节杠杆两端的平衡螺母,使杠杆在水平位置平衡,以方便直接读出力臂。
(2)[2]小玲总结的杠杆的平衡条件是错误的,因为只改变力的大小,没有改变位置,没有得出普遍规律。
(3)[3]根据杠杆的平衡条件1122F L F L =,可得到11224362F L mg LL L F mg⋅=== 即他应该将右端的两个钩码向右移动3格,杠杆才会在原位置再次平衡。