合肥市城市水文站网规划
- 格式:ppt
- 大小:2.88 MB
- 文档页数:20
第一章水资源及其开发利用现状第一节自然及社会经济概况一、自然地理合肥市位居皖中,跨长江、淮河两大流域,环巢湖。
合肥市原辖瑶海、庐阳、蜀山、包河4区和肥东、肥西、长丰3县,并赋予合肥高新技术产业开发区、合肥经济技术开发区、合肥新站综合试验区市级管理权限。
全市行政辖区总面积7029.48km2,其中市区总面积838.52km2。
2011年8月,经国务院批准,撤销原地级巢湖市及其所辖居巢区,设立省辖县级巢湖市,由合肥市代管,同时将原地级巢湖市管辖的庐江县划归合肥市管辖。
行政区划调整后,合肥市域面积增加至1.14万km2。
1、地形地貌合肥市地处江淮丘陵地带,江淮分水岭自西北向东北横贯中部,使合肥市形成低缓的鱼脊形地势,海拔高程7~92m,地形总趋势,自分水岭向东南和西北倾斜。
地貌特征为丘陵至平原的河谷地貌,呈低山残丘、波状丘陵和低洼平畈三种地貌类别。
低山残丘区分布于市境东、西、南边陲地带。
东部山区以浮槎山为最高,高程418m,其余皆为100~300m之间低山。
西部山区为大别山余脉,脉络西东走向,绵延25km,山峰6座,并列于肥西县西部地带,以大潜山为最高。
南部为庐江县境大别山东伸余脉,山陡谷深,形势险峻,山峰高程一般在200~595m之间,主峰牛王寨海拔595m,为市域最高点。
江淮分水岭自大别山向东北延伸,在肥西县大潜山入境,蜿蜒逶迤,横贯市境中部,至肥东县元祖山北侧出境。
长江流域巢湖沿岸及南淝河、派河、丰乐河、杭埠河、柘皋河、白石天河等巢湖支流下游两侧为冲积平原,地势平坦,地面高程7~15m,淮河流域瓦埠湖洼地最低高程为18~20m左右。
2、土壤植被合肥市土壤以黄棕壤、水稻土两类为主要土壤,约占全部土壤的85%,其余为石灰(岩)土、紫色土、潮土和砂黑土。
黄棕壤土遍及全境,成土母质系下蜀黄土;水稻土主要分布于巢湖沿岸低洼圩区及中部波状丘陵磅冲间。
石灰(岩)土分布于江淮分水岭岭脊附近及低山残丘地带,系石灰岩风化物,属自然土壤。
合肥市水源保护地规划导则合肥市董铺水库、大房郢水库水源保护区规划导则合肥市规划局2011-8目录第一章、总则 (3)第二章、适用范围与控制要求 (3)第三章、建设区控制与基础设施配套 (6)第四章、生态建设要求 (12)第一章、总则1.1为深入贯彻落实饮用水安全保障工作,指导水源地片区城乡规划编制,规范和加强基础设施建设和生态保护工作,力争两大水库水质常年保持II类水质标准,特制订本导则。
1.2 编制依据:1.2.1《中华人民共和国水污染防治法》(2008.6)1.2.2 《中华人民共和国城乡规划法》(2008.8)1.2.3《地表水环境质量标准》(GB3838-2002)1.2.4《合肥市董铺水库、大房郢水库水源保护区划分(修订)方案(省政府批复文号:皖政秘[2010]368号)1.2.5《合肥市城市总体规划(2006-2020)》1.2.6《合肥市饮用水水源保护条例》(2011.6)1.2.7 已经批准的相关总体规划、专项规划1.2.8 国家和地方有关规划、环保、水利、国土等相关法律、法规和标准文件第二章、适用范围与控制要求2.1本导则适用于两大水库水源一级、二级保护区范围和对水源地环境密切相关的准保护区、城市建设区,总面积354平方公里。
具体范围滁河干渠南:蜀山分干渠——长江西路——西二环路——北二环路——蒙城北路——滁河干渠合围的范围,面积210平方公里;滁河干渠北:滁河干渠——江淮分水岭——蒙城北路合围的范围,面积144平方公里。
2.1.1一级保护区范围:总面积40.14平方公里。
其中董铺水库30米高程及以下的陆域和水域,面积约21.90平方公里,库容量2.49亿立方米,常年蓄水6000~7000万立方米;大房郢水库29.7米高程及以下的陆域和水域,面积约18.24平方公里,库容量1.84亿立方米,常年蓄水5000~6000万立方米。
2.1.2二级保护区范围:总面积121.91平方公里。
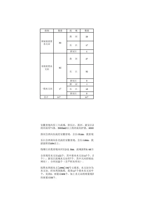
安徽省境内有三大流域,即长江、淮河、新安江流域上的河流有74条,3000km2以上的河流有27条,5000km2以上的河流有22条。
淮河自西向东流经安徽省境,全长431km,我省境内流域面积6.69万km2,占全省面积的48.0%,占整长江自西南向东北流经安徽省境,全长416km,我省境内流域面积6.6万km2,占全省面积的47.3%;下游面积的50%以上。
钱塘江在我省境内河长242.3km,流域面积0.65万km2,占全省面积的4.7%。
全省现有水文站122个,其中基本水文站117个。
淮河流域水文站有55个(其中基本站51个);长江59个);新安江流域水文站有7个。
其中大河控制站52个(含钐岗、地埋城、信村、薛庄),区域代河闸站),小河站22个(含芦村水库站)。
按照水利部水文[1996]495号文要求,水文站分为基本站、专用站和辅助站,基本站又分为国家重要水文站。
经水利部批准,我省117个基本水文站中国家重要水文站38个,省级重要水文站62个,一般个,见表2;雨量站606个,加上水文站的雨量观测项目113处,水位站的雨量观测项目59处,共有雨报汛雨量站35个。
水文站。
经水利部批准,我省117个基本水文站中国家重要水文站38个,省级重要水文站62个,一般个,见表2;雨量站606个,加上水文站的雨量观测项目113处,水位站的雨量观测项目59处,共有雨报汛雨量站35个。
江流域。
全省境内中小河流众多,流域面积在500km2以上的河流有112条,1000km2以流有27条,5000km2以上的河流有22条。
31km,我省境内流域面积6.69万km2,占全省面积的48.0%,占整个淮河流域总面积的35.8%。
全长416km,我省境内流域面积6.6万km2,占全省面积的47.3%;占长江流域总面积的3.7%、长江域面积0.65万km2,占全省面积的4.7%。
文站117个。
淮河流域水文站有55个(其中基本站51个);长江流域水文站有60个(其中基本站其中大河控制站52个(含钐岗、地埋城、信村、薛庄),区域代表站48个(含梁家坝的辅助站兆库站)。
合肥市治涝专项规划(2006~2020)目录前言 (1)1.项目概况 (1)1.1项目概况 (1)1.2规划依据、规范 (1)1.3规划范围、与雨水规划的分工 (1)1.4 规划期限 (2)1.5规划治涝标准 (2)2.城市概况 (2)2.1地理位置、历史沿革及行政区划 (2)2.2自然条件 (2)2.3城市总体规划 (6)2.4防洪规划简介 (7)3.合肥市防洪治涝历史与现状 (8)3.1排水历史沿革 (8)3.2 上轮规划执行情况 (9)3.3存在问题 (13)4.规划目标、原则、范围 (16)4.1 规划的目标 (16)4.2 规划的原则 (16)4.3规划的年限及范围 (16)5.规划标准 (17)5.1 城市现行排水体制及标准 (17)5.2城市暴雨公式 (17)5.3治涝标准 (18)6.治涝工程规划 (20)6.1治涝范围划分 (20)6.2原排涝设施改造理由 (21)6.3 工程规划 (21)6.3.1南淝河系统 (21)6.4清淤及养护 (32)7.防洪治涝监控管理信息系统 (34)7.1防洪治涝监控管理信息系统规划方案 (34)7.2 规划目标 (34)7.3规划原则 (35)7.4系统规划方案的组成和结构 (35)7.5 软件和硬件配置 (35)8.规划范围内外设施衔接及工程实施计划 (36)9.投资估算 (37)10.建议 (39)10.1 实施建议 (39)10.2 完善配套政策和管理措施的建议 (39)附图:1、合肥市141城市空间规划图2、合肥市治涝专项规划(2006~2020)合肥市流域分布图3. 合肥市治涝专项规划(2006~2020)合肥市防洪治涝设施位置示意图4. 合肥市治涝专项规划(2006~2020)积水片分析图5. 合肥市治涝专项规划(2006~2020)南淝河、四里河、板桥河、二十埠河流域治涝设施分布图6. 合肥市治涝专项规划(2006~2020)十五里河、塘西河流域治涝设施分布图7. 合肥市治涝专项规划(2006~2020)派河流域中游治涝设施分布图8. 合肥市治涝专项规划(2006~2020)店埠河流域治涝设施分布图前言合肥市位于安徽省中部,是安徽省省会,全国重要的科研教育基地、现代制造业基地和区域交通枢纽,全省政治、经济、商贸、教育、科技、文化和信息中心。
合肥市⽔资源及其开发利⽤现状第⼀章⽔资源及其开发利⽤现状第⼀节⾃然及社会经济概况⼀、⾃然地理合肥市位居皖中,跨长江、淮河两⼤流域,环巢湖。
合肥市原辖瑶海、庐阳、蜀⼭、包河4区和肥东、肥西、长丰3县,并赋予合肥⾼新技术产业开发区、合肥经济技术开发区、合肥新站综合试验区市级管理权限。
全市⾏政辖区总⾯积7029.48km2,其中市区总⾯积838.52km2。
2011年8⽉,经国务院批准,撤销原地级巢湖市及其所辖居巢区,设⽴省辖县级巢湖市,由合肥市代管,同时将原地级巢湖市管辖的庐江县划归合肥市管辖。
⾏政区划调整后,合肥市域⾯积增加⾄1.14万km2。
1、地形地貌合肥市地处江淮丘陵地带,江淮分⽔岭⾃西北向东北横贯中部,使合肥市形成低缓的鱼脊形地势,海拔⾼程7~92m,地形总趋势,⾃分⽔岭向东南和西北倾斜。
地貌特征为丘陵⾄平原的河⾕地貌,呈低⼭残丘、波状丘陵和低洼平畈三种地貌类别。
低⼭残丘区分布于市境东、西、南边陲地带。
东部⼭区以浮槎⼭为最⾼,⾼程418m,其余皆为100~300m之间低⼭。
西部⼭区为⼤别⼭余脉,脉络西东⾛向,绵延25km,⼭峰6座,并列于肥西县西部地带,以⼤潜⼭为最⾼。
南部为庐江县境⼤别⼭东伸余脉,⼭陡⾕深,形势险峻,⼭峰⾼程⼀般在200~595m之间,主峰⽜王寨海拔595m,为市域最⾼点。
江淮分⽔岭⾃⼤别⼭向东北延伸,在肥西县⼤潜⼭⼊境,蜿蜒逶迤,横贯市境中部,⾄肥东县元祖⼭北侧出境。
长江流域巢湖沿岸及南淝河、派河、丰乐河、杭埠河、柘皋河、⽩⽯天河等巢湖⽀流下游两侧为冲积平原,地势平坦,地⾯⾼程7~15m,淮河流域⽡埠湖洼地最低⾼程为18~20m左右。
2、⼟壤植被合肥市⼟壤以黄棕壤、⽔稻⼟两类为主要⼟壤,约占全部⼟壤的85%,其余为⽯灰(岩)⼟、紫⾊⼟、潮⼟和砂⿊⼟。
黄棕壤⼟遍及全境,成⼟母质系下蜀黄⼟;⽔稻⼟主要分布于巢湖沿岸低洼圩区及中部波状丘陵磅冲间。
⽯灰(岩)⼟分布于江淮分⽔岭岭脊附近及低⼭残丘地带,系⽯灰岩风化物,属⾃然⼟壤。
关于合肥市城市防洪发展方向的思考韦文荣【期刊名称】《治淮》【年(卷),期】2014(000)008【总页数】2页(P7-8)【作者】韦文荣【作者单位】合肥水文水资源局230031【正文语种】中文合肥位于安徽省中部,江淮分水岭南侧,属长江流域巢湖水系。
市区地形大部分为岗冲起伏的丘陵地带,地势为西北高、东南低。
合肥地区属亚热带季风湿润气候,四季分明,气候温和,雨量集中,无霜期长。
合肥市区多年平均降水量为966.8mm,其中汛期(5~9月)降水量584.3mm,占年降水量的60.4%。
建国以来,合肥市区最大年降水量1490.5mm(1991年),最小年降水量537.5mm(1978年),年降水量丰枯比为2.8。
年最大24h降水量232.1mm(合肥站,1984年6月12日)。
1954年最大24h降水量222.8mm,其中最大3h降水量达203mm,降雨的时程分配极不均匀。
历史上合肥是一个遭受洪涝灾害较频繁的城市,1994年3月被批准为全国重点防洪城市。
随着合肥市“大建设大发展”战略的实施和工业化、城市化的进一步推进,截至2011年底,城市建成区范围扩大为360km2。
城市对防洪的要求越来越高,防洪形势越来越严峻。
1.河流水系合肥市现有大小河流十多条,其中南淝河贯穿合肥城区,自西往东南流向,最终入巢湖。
沿途主要支流有6条,分别为四里河、板桥河、二里河、史家河、二十埠河和店埠河。
十五里河、塘西河分别位于政务区和滨湖新区,派河始于肥西流入巢湖。
合肥市水系图详见图1。
2.城市洪涝防御体系合肥市城市洪涝防御体系由水库、湖泊、堤防、泵站、管网等组成。
(1)上游水库工程董铺水库、大房郢水库为合肥市大型水库,均位于城市上游。
两大水库总库容4.33亿m3,可控制上游汇水面积392km2,对提高城市防洪能力起到了重要作用。
蔡塘、张桥两座中型水库位于南淝河支流板桥河上游,控制坝址以上面积60km2,总库容0.26亿m3。
合肥市现有小型水库22座,其中,对合肥市城区防洪可能产生影响的小型水库主要有8座,主要分布于经济开发区和长丰县滁河干渠以南。
合肥市城市供水水源现状及未来设想摘要:本文首先对合肥市水源现状基本情况及合肥市原水工程现状进行介绍,提出了水源保障存在主要问题及对需水量预测进行评价,并对合肥市周边水资源情况进行分析,最后提出对合肥市未来水源保障设想。
关键词:供水;水源;评价1合肥市水源现状1.1董铺、大房郢水库水源及评价1.1.1基本情况董铺水库位于南淝河上游,城市西北部,径流面积207.5km2,总库容量2.42亿m3,常年蓄水6000〜7000万m3。
大房郢水库径流面积184km2,总库容量1.84亿m3,常年蓄水5000〜6000万m3。
保证率95%时,董铺水库可供水量0.331 亿m3,大房郢水库可供水量0.294亿m3,两座水库合计可供水量0.625 亿m3。
董铺、大房郢水库是合肥市区的主要饮用水水源,根据水库2005〜2009年水质监测资料分析,董铺、大房郢水库目前水质为H〜III类,个别采样点有部分测次会出现W类,超标项目主要有高锰酸盐指数、氨氮、总磷。
1.1.2 水源评价董铺、大房郢水库周边经济建设的快速发展对饮用水安全构成了潜在威胁,需加强库区周边保护。
董铺、大房郢水库受来水面积和库容限制,可供水量不足,需从上游引水方可满足目前城市供水需求。
1.2巢湖水源及评价1.2.1基本情况巢湖是我国五大淡水湖之一,也是我省第一大湖,水域分属巢湖市和合肥市,是一个半封闭型湖泊。
湖泊面积780km2, 湖面东西长61.7km,南北宽20.8km,平均宽15.1km,最窄处约7.5km。
湖底平坦,高程约5-6m,最低4.61m。
多年平均蓄水位8.42m,相应库容21亿m3,洪水位12m时总库容为48.1亿m3。
多年平均入湖水量约37亿m3。
通过凤凰颈站闸与长江沟通, 供水保证率较高。
巢湖目前以农业用水为主,是巢湖灌区的主要水源。
1.2.2水源评价巢湖水资源丰富,但水体富营养化,水质随季节而变化。
近几年虽加大了治污力度,水质恶化趋势有所减缓,但污染状况并不乐观,基本为III或W类。
收藏!合肥最新至2035年城市规划图公布,一核四心九副十八片区,建1300万人口国家中心城市!合肥2021-2035年规划草案公布,未来15年合肥详细发展规划曝光!我们可以看到合肥未来整体的一个发展目标,全合肥的空间规划,产业发展布局等。
冲国家中心城市、每年流入超24万人,骆岗成合肥中心,运河新城、少荃湖与蜀西湖同级,三县或县改区...合肥,素有“江淮首郡、吴楚要冲”的美誉,自古以来勇于开拓的楚风和婉约秀丽的吴韵在这片土地上交融生长,凝结成“开明开放,求是创新”的城市精神,赋予这座城市独特的气质和永续发展的无限动力。
建国后的合肥,作为“最年轻的省会之一”,短短几十年蝶变为以科教和新兴产业著称于世的特大城市,绿楔入城的扇叶格局成为中国规划教材上的经典范例,“翡翠项链”成为合肥市民的经典记忆。
今天的合肥,正以追赶者的姿态融入长三角、逐梦新时代,成为长三角城市群副中心、综合性国家科学中心、“一带一路”和长江经济带战略双节点城市,承担着越来越重要的国家使命,也创造着一个又一个的发展奇迹。
2020年,合肥已经站上了“GDP过万亿、常住人口近千万、市场主体超百万”的新台阶,迎来了历史发展新起点。
面向2035年的未来,我们理想中的合肥究竟应是怎样的模样?这里承载了我们关于合肥未来的无尽憧憬——明天的合肥,将成为“全球科创新枢纽”,吸引来自五湖四海的科研人才贡献智慧、发挥才干;将成为“区域发展新引擎”,保持经济持续发展,让年轻人有更多实现自我价值的选择;将成为“美丽中国新样板”,让八百里巢湖更加美丽动人,成为合肥最好的名片;将成为“城市治理新标杆”,现代化、国际化水平显著提高;更将成为“美好生活新天地”,幼有善育、学有优教、劳有厚得、病有良医、老有颐养、住有宜居、弱有众扶,每一个人都可以在这座城市里“诗意栖居”,实现人的全面发展。
一、合肥新规划,1核4心9副中心18片区!3月18日,合肥市自然资源和规划局发布《合肥市国土空间总体规划(2021-2035年)》(公示草案),合肥未来15年重点发展方向定了。
合肥市海绵城市设计导则全文共四篇示例,供读者参考第一篇示例:随着城市化进程的加速,城市面临着越来越多的挑战,其中之一就是城市内部的水问题。
城市化的推进往往导致城市土地面积的增加,这不仅增加了城市对水资源的需求,同时也加剧了城市的水logging问题。
在这种情况下,海绵城市的概念应运而生,它通过优化城市设计和规划,最大程度地减少城市地表积水,提高城市地表水资源的利用率,最终实现城市可持续发展。
合肥市作为安徽省的省会城市,也面临着水logging等问题。
因此,制定一份关于合肥市海绵城市设计导则就显得尤为重要。
这份导则的一大特点就是注重整体规划,综合考虑城市的气候、地形、土地利用等因素,全面提升城市的水资源利用效率。
首先,在城市规划和设计中要注重水资源的保护和利用。
合肥位于江淮平原,地势较为平坦,水logging问题严重。
因此,需要在城市规划中合理布局水资源,避免开发过快导致城市内部水logging。
同时,要加强水资源的回收和再利用,建立城市中水资源的循环利用系统,提高水资源利用效率。
其次,在城市建设中要注重绿色环保,增加城市的绿地覆盖率和森林覆盖率。
绿色植被可以增加城市的蒸发蒸腾量,提高土地的透水性,有利于减少地表积水。
同时,绿色植被还可以吸收空气中的CO2,净化空气,改善城市的生态环境。
再者,在城市交通和市政设施建设中要注重海绵城市的理念。
合肥市要建立起一个协调有序的交通网络,减少城市的内部堵塞,提高城市的水资源利用效率。
同时,在市政设施建设中要注重绿色低碳,采用海绵城市建设的技术,减少城市的水logging问题。
最后,在城市管理和服务中要注重公众参与和宣传教育。
要通过举办各种宣传活动,引导市民认识海绵城市的意义,增强市民的环保意识。
同时,要鼓励市民参与到城市建设中来,共同打造一个宜居、宜业的海绵城市。
总的来说,制定一份关于合肥市海绵城市设计导则,是为了更好地应对城市化进程中的水logging问题,提高城市的水资源利用效率,最终实现城市的可持续发展。
合肥市城市总体规划(2011~2020)2016-05-03 17:10 搜房网房天下 | 分享扫描到手机合肥市城市总体规划(2011~2020)简本合肥市人民政府2012年3月中心城区建设用地规划图一、规划期限近期:2011年~2015年远期:2016年~2020年二、规划层次与规划范围1、本次规划分为两个规划层次,即市域和中心城区。
(1)市域:为合肥市市域行政区划范围,面积约11433平方公里;其中市区面积约924.78平方公里(含巢湖水面72.93平方公里)。
(2)中心城区:范围总面积约486.61平方公里,其中建设用地360平方公里。
2、规划区规划区:为合肥市域范围,总面积约11433平方公里。
三、经济发展目标2015年合肥市地区生产总值突破7500亿元,年均增长15%,三产结构比达到3:55:42。
2020年,合肥市地区生产总值达到11400亿元,全市人均GDP达到20000美元以上;城镇居民人均可支配收入4.0万元,农民人均纯收入2.0万元。
四、社会发展目标全面推进人口健康发展。
不断提高人口素质,加强人口管理和服务;完善社区服务体系,改善人居环境。
大力发展社会主义文化。
牢牢把握先进文化的前进方向,促进文化事业的全面繁荣,满足人们群众精神文化需求。
积极促进社会公平。
健全社会保障体系,完善社会事业体系,推动社会均衡发。
加快建设信息社会。
广泛应用信息技术,大力发展信息服务业。
切实保障城市安全。
构建城市综合防灾减灾体系,建设完善的防灾减灾和应急保障的设施系统,建立有效应对各种公共突发事件的预警和防范机制。
五、城市性质合肥是安徽省省会,全国重要的科研教育基地、现代制造业基地和区域性交通枢纽,长江中下游重要的中心城市之一。
六、城市主要职能(1)安徽省政治、经济、文化中心。
(2)全国重要的科研教育基地。
(3)现代制造业基地、高新技术产业基地、现代服务业基地。
(4)区域性交通枢纽。
(5)区域旅游会展、商贸物流、金融信息中心。
合肥市水务局关于下达2021年水土保持生态建设任务指导性指标的通知正文:----------------------------------------------------------------------------------------------------------------------------------------------------合肥市水务局关于下达2021年水土保持生态建设任务指导性指标的通知各县(市)水务局:根据省水利厅《关于下达2021年水土保持生态建设任务指导性指标的通知》要求,结合我市实际,现将任务指标分解下达到你们。
请你们高度重视,加大工作力度,强化措施落实,确保完成年度任务。
现就有关事项通知如下:一、抓好防治任务的分解落实各县(市)应综合考虑水土流失现状、治理需求和项目资金投入等因素,按照集中连片治理的原则,突出水土保持和水土流失预防治理功能,将建设任务指标分解落实到管辖范围内具体项目中,并于3月20日前将分解文件报送我局城乡水利处(纸质文件和电子文档各一份)。
二、全口径统计水土保持生态建设项目及进展情况各县(市)要按照水土保持法律法规的要求,加强行业管理,进一步加强有关部门的协调,积极主动对接辖区内发展改革、财政、自然资源、生态环境、农业农村、林业等相关部门,以及各类事业单位、环巢湖生态示范区、民间资本参与完成的水土保持生态建设成绩,一并纳入水土流失综合防治统计范围。
于10月底前将本年度水土保持生态建设完成情况报送我局城乡水利处。
三、加大重点预防保护和生态清洁型小流域建设力度各地要按照建设生态合肥战略的要求,在切实加强水土流失综合治理的同时,进一步完善相关政策措施,加强重点预防保护,促进生态自我修复。
同时,要顺应经济社会发展对水土保持工作提出的新要求,整合各方面力量,搞好生态清洁小流域建设,为保护当地水土资源、改善人居环境做出积极贡献。
本工作纳入全国水土保持规划实施情况评估考核和年度水土保持目标责任制考核。
合肥市治涝专项规划(2006~2020)目录前言 (1)1.项目概况 (1)1.1项目概况 (1)1.2规划依据、规范 (1)1.3规划范围、与雨水规划的分工 (1)1.4 规划期限 (2)1.5规划治涝标准 (2)2.城市概况 (2)2.1地理位置、历史沿革及行政区划 (2)2.2自然条件 (2)2.3城市总体规划 (6)2.4防洪规划简介 (7)3.合肥市防洪治涝历史与现状 (8)3.1排水历史沿革 (8)3.2 上轮规划执行情况 (9)3.3存在问题 (13)4.规划目标、原则、范围 (16)4.1 规划的目标 (16)4.2 规划的原则 (16)4.3规划的年限及范围 (16)5.规划标准 (17)5.1 城市现行排水体制及标准 (17)5.2城市暴雨公式 (17)5.3治涝标准 (18)6.治涝工程规划 (20)6.1治涝范围划分 (20)6.2原排涝设施改造理由 (21)6.3 工程规划 (21)6.3.1南淝河系统 (21)6.4清淤及养护 (32)7.防洪治涝监控管理信息系统 (34)7.1防洪治涝监控管理信息系统规划方案 (34)7.2 规划目标 (34)7.3规划原则 (35)7.4系统规划方案的组成和结构 (35)7.5 软件和硬件配置 (35)8.规划范围内外设施衔接及工程实施计划 (36)9.投资估算 (37)10.建议 (39)10.1 实施建议 (39)10.2 完善配套政策和管理措施的建议 (39)附图:1、合肥市141城市空间规划图2、合肥市治涝专项规划(2006~2020)合肥市流域分布图3. 合肥市治涝专项规划(2006~2020)合肥市防洪治涝设施位置示意图4. 合肥市治涝专项规划(2006~2020)积水片分析图5. 合肥市治涝专项规划(2006~2020)南淝河、四里河、板桥河、二十埠河流域治涝设施分布图6. 合肥市治涝专项规划(2006~2020)十五里河、塘西河流域治涝设施分布图7. 合肥市治涝专项规划(2006~2020)派河流域中游治涝设施分布图8. 合肥市治涝专项规划(2006~2020)店埠河流域治涝设施分布图前言合肥市位于安徽省中部,是安徽省省会,全国重要的科研教育基地、现代制造业基地和区域交通枢纽,全省政治、经济、商贸、教育、科技、文化和信息中心。
合肥市水资源现状评价及研究摘要在水利部《全国主要缺水城市供水水资源规划报告》中,将我省合肥、蚌埠、淮南、淮北、阜阳、亳州等城市列为重点缺水城市。
供水模式单一,难以满足用户对水质、水量多样性需要,一旦发生干旱,合肥市城市供水保障难度更大。
预计到2015年末,合肥市城市年需水总量约5.7亿立方米,现有水源可供水量与规划需水量之间缺口在2亿立方米左右。
不仅如此,城市发展进程加快和污染会导致合肥资源性和水质性缺水,随着六安市和周边城镇的快速发展,水资源争夺将更加激烈。
纵观合肥市几十年特别是改革开放以来,经济和城市建设迅速发展,但是由于环境治理与经济发展不同步,环境质量恶化问题相当突出,尤其是水污染更为严重。
未经处理的污水任意排放合肥市的供水水源主要是巢湖和董铺水库,其中巢湖供水约占总量的2/3,董铺水库供水约占1/3。
据统计,现在合肥市有50多万吨工业与生活污水未经任何处理,直接排入南淝河等河道,而最后到巢湖(离市区仅20多公里)。
关键词:合肥市水资源评价水资源总量开发利用前言水资源是重要的自然资源,是自然环境的重要组成部分,是人类赖以生存和发展的不可缺少的一种宝贵资源,同时又是战略性经济资源。
世界环境与发展委员会提出的一份报告中指出“水资源正在取代石油而成为全世界引起危机的主要问题”。
世纪世界面临三大水问题,即洪涝灾害、干早缺水、水环境恶化,这三大水问题已在不同程度上威胁到人类生活水平的提高、社会的稳定和经济的发展问。
其中,干早缺水引起的问题在当前表现得尤为突出。
我国是一个水资源短缺的国家,随着经济社会的发展,水资源问题已成为可持续发展的重要制约因素阎。
因此,科学、客观、准确地评价水资源,对落实科学发展观、实现水资源的合理和可持续地开发利用有重要的意义。
合肥是安徽省的省会, 近些年通过超常规、跳跃式的发展, 城市建设取得了巨大的成绩, 迅速成长为百万人口以上现代化大城市。
随着国家中部崛起及安徽省东向发展战略的实施, 合肥将迎来更为重大发展的机遇。