栽植土检验批质量验收记录
- 格式:doc
- 大小:908.00 KB
- 文档页数:31
栽植土回填及地形检验批质量验收记录一、项目概况:项目名称:栽植土回填及地形检验批质量验收项目地点:xxx地区项目施工单位:xxx公司监理单位:xxx公司监理工程师:xxx二、工程内容:本次工程为栽植土回填及地形检验批质量验收工程。
主要包括以下内容:1.施工过程中的栽植土回填工作;2.地形检验批质量验收;3.其他相关工作。
三、施工过程记录:1.施工过程中,施工人员按照设计要求对场地进行了栽植土回填工作。
回填材料选用了符合规定标准的栽植土,并在回填过程中进行了夯实,保证了回填土的密实程度。
2.施工过程中,根据监理工程师的要求,施工人员进行了现场清理工作,保持了良好的环境卫生。
3.根据施工进度,施工人员合理安排了物料的运输和使用,确保了栽植土回填工程的顺利进行。
四、地形检验批质量验收记录:1.在栽植土回填工作完成后,监理工程师进行了地形检验批质量验收。
验收包括地形平整度、坡度、坡向等方面的检验。
2.检验过程中,监理工程师使用了专业地形检测工具,对场地的地形进行了详细检测,确保地形符合设计要求。
3.检验结果显示,地形平整度、坡度、坡向等指标均符合设计要求,质量达到验收标准。
五、质量验收结果:经过栽植土回填及地形检验批质量验收,工程质量达到预期要求,现场没有出现明显的质量问题。
根据实际情况,决定以下工程质量验收结果:1.通过验收;2.未发现重大质量缺陷。
六、问题及处理:在栽植土回填及地形检验批质量验收过程中,未发现明显的质量问题,因此没有需要处理的问题。
七、建议:根据本次工程的施工经验和质量验收结果,对后续类似工程提出以下建议:1.在施工过程中,严格按照设计要求进行栽植土的回填工作,确保回填土材料的质量和夯实程度;2.现场保持整洁,做好环境卫生工作,确保施工安全和效率;3.合理安排物料的运输和使用,确保工程进度的顺利进行。
八、总结:本次栽植土回填及地形检验批质量验收工程顺利完成,质量达到预期要求。
通过本次工程,我们深刻认识到了严格按照设计要求进行施工的重要性。
6栽植土回填及地形造型检验批质量验收记录项目名称:XXX工程施工单位:XXX公司检验单位:XXX质量检测中心检验日期:XXXX年XX月XX日一、工程概况1.1工程名称:栽植土回填及地形造型1.2工程内容:栽植土回填、地形造型等工程施工1.3工程地址:XXXXXXXX1.4施工单位:XXX公司1.5监理单位:XXXXX公司1.6检验单位:XXX质量检测中心二、检验内容2.1栽植土回填检验2.1.1检验目的:检测栽植土回填工程是否符合设计要求和规范要求,确保工程质量满足安全、美观和持久的要求。
2.1.2检验方法:根据《栽培土回填质量验收规范》和设计文件要求,采取取样送检的方式进行检验。
2.1.3检验结果:经检测,栽植土的质量满足设计要求和规范要求,肥力适宜。
2.2地形造型检验2.2.1检验目的:检测地形造型工程是否达到设计要求,确保地形设计符合景观效果和生态要求。
2.2.2检验方法:根据设计文件要求,对地形进行实地检查,并与设计要求进行对比。
2.2.3检验结果:经检测,地形造型工程符合设计要求,各项参数和线形曲线运行流畅,有利于景观效果的展示。
三、工程验收情况根据上述检验内容进行检测,栽植土回填和地形造型工程符合相关质量标准和规范要求,达到了设计要求,请相关单位做好工程验收工作。
四、存在问题和建议4.1存在问题:经实地检验,部分地块的栽植土回填不够均匀,需要做进一步的整理工作。
4.2建议:施工单位应加强施工组织和管理,确保栽植土回填和地形造型工作按照设计要求进行。
五、质量控制措施5.1施工单位应根据设计要求,选择适宜的栽植土,并将其回填到指定位置。
5.2施工单位应根据设计要求,进行地形造型工作,确保线形曲线和参数的准确性。
六、签字质检单位(盖章):年月日施工单位(盖章):年月日监理单位(盖章):年月日注意:该质量验收记录应经监督、设计、施工、质检、监理相关单位共同签署,并留存于工程档案中。
栽植土回填及地形检验批质量验收记录一、项目概况项目名称:栽植土回填及地形检验批建设单位:XXX公司施工单位:XXX施工队监理单位:XXX监理公司验收单位:XXX验收公司工程地址:XXX验收日期:XXXX年XX月XX日二、验收内容根据合同约定,本次验收主要针对栽植土回填及地形检验批的质量进行检查和验收。
具体验收内容包括但不限于:1.栽植土回填的均匀性、密实度、湿度等指标是否符合设计要求;2.地形检验批的平整度、坡度、标高等指标是否符合设计要求;3.栽植土回填及地形检验批的质量控制措施是否到位;4.进行必要的现场勘察和抽样检测,以验证栽植土回填及地形检验批的质量。
三、验收过程及结果1.工程单位在验收前组织了相应的施工人员进行栽植土回填及地形检验批的报验和整理工作,并向验收单位提交了相关的报验材料;2.验收单位在验收前参观现场,并对栽植土回填及地形检验批的施工情况进行了现场检查;3.验收单位对栽植土回填的均匀性、密实度、湿度等指标进行了抽样检测,并与设计要求进行对比,结果显示符合设计要求;4.验收单位对地形检验批的平整度、坡度、标高等指标进行了测量,并与设计要求进行对比,结果显示符合设计要求;5.根据现场勘察和抽样检测的结果,结合相关设计文件,经过小组讨论,验收小组一致认为该批次的栽植土回填及地形检验批质量达到验收标准;6.验收单位对栽植土回填及地形检验批的质量验收进行了书面记录,并出具了质量验收报告。
四、问题及处理措施在验收过程中,未发现明显的质量问题。
但验收单位对施工单位提出了以下建议:1.加强施工现场管理,确保回填土的均匀性和密实度;2.增加土壤湿度的测量频率,以确保湿度符合设计要求;3.对地形检验批进行更加细致的测量,以确保平整度、坡度、标高等指标的精确度。
五、其他事项本次验收中,未发现其他需要特别说明的事项。
六、结论经过验证和检测,本次栽植土回填及地形检验批的质量符合设计要求,达到验收标准。
栽植土回填及地形造型检验批质量验收记录项目名称:XXX工程验收日期:XXXX年XX月XX日一、验收目的本次验收旨在对栽植土回填及地形造型工程的质量进行检验,确保工程符合设计要求,达到预期的效果。
二、验收基准1.相关设计图纸和规范要求;2.相关施工合同和技术协议。
三、验收内容1.栽植土回填根据设计图纸和规范要求,在工程中进行栽植土回填。
回填土应符合下列要求:(1)土壤质地:土壤质地应与设计要求一致,满足相关植物生长需求。
(2)土壤调整:根据土壤检测报告,进行必要的土壤调整,使其符合相关要求。
(3)填挖合理:确保栽植土回填的均匀性和一致性,填挖过程中不得污染其它土壤。
(4)回填均匀:土壤回填至设计要求的高度,并使其均匀、紧实。
2.地形造型根据设计要求,进行地形造型,使其达到预期的目标。
地形造型应符合下列要求:(1)施工精度:地形的高低和坡度应符合设计图纸上的要求。
(2)自然过渡:地形造型应符合自然规律,保持自然的美感。
(3)排水处理:保证地形的排水性,防止积水和水logging。
四、验收结果1.栽植土回填(1)土壤质地:经过现场检查,栽植土质地与设计要求一致,没有发现明显的问题。
(2)土壤调整:土壤调整处理符合设计要求,调整后土壤质量良好。
(3)填挖合理:回填土的填挖过程中没有发现污染行为,符合要求。
(4)回填均匀:栽植土回填的均匀性和紧实性良好,达到设计要求。
2.地形造型(1)施工精度:经测量,地形的高低和坡度符合设计图纸上的要求。
(2)自然过渡:地形造型保持自然过渡及美观,没有出现明显的创伤。
(3)排水处理:地形造型的排水性良好,没有积水和水logging现象。
五、验收结论根据以上所述,栽植土回填及地形造型工程经过检验,达到设计要求,验收合格。
六、未整改项及处理措施在本次验收中,未发现任何未整改项。
七、验收人员主持人:XXX监理人员:XXX八、附件1.设计图纸及文件2.施工合同与技术协议3.土壤检测报告备注:本验收记录一式三份,分别由施工单位、监理单位、设计单位保存。
2栽植土检验批质量验收记录一、项目背景栽植土是指用于植物生长的土壤,它的质量直接影响着植物的生长发育和产量品质。
为了确保栽植土的质量,提高植物生长效果,进行栽植土检验批质量验收是必要的。
二、检验项目及标准1.检验项目:(1)土壤质地:包括沙、粉砂、粘土、有机质含量等。
(2)土壤肥力:包括pH值、全氮、速效磷酸盐、速效钾等。
2.标准:(1)土壤质地:根据植物的需求和生长环境,确定适宜的土壤质地比例。
(2)土壤肥力:根据不同作物的生长需求和土壤基础肥料的供应情况,确定合理的肥力标准。
三、检验设备和人员1.设备:(1)土壤采样工具:勺子、锹子、地钻等。
(2)土壤分析仪器:pH计、全氮测定仪、速效磷酸盐测定仪、速效钾测定仪等。
2.人员:(1)栽植土供应商负责人;(2)栽植土检验批质量验收人员。
四、检验过程1.栽植土供应商提供栽植土样品,取自不同批次、不同地点的栽植土。
2.栽植土样品按照标准取样方法采集,保证样品的代表性和可比性。
3.采集的栽植土样品送往实验室进行检测。
4.实验室根据检测项目进行土壤分析,并将结果记录在检验批质量验收记录表中。
5.根据检验结果,比较分析各项指标与标准的接近程度,判断栽植土的质量是否符合验收要求。
六、整改措施根据栽植土的质量验收结果,栽植土供应商应根据不符合要求的指标,采取相应的整改措施,保证栽植土的质量。
七、验收结果根据栽植土的检验结果,判断栽植土的质量是否符合验收要求。
如符合要求,可进行下一步的施工工作;如不符合要求,需要进行整改,直至栽植土的质量达到验收要求为止。
八、验收结论通过本次栽植土检验批质量验收,栽植土的质量达到或超过了验收要求,可以进行后续施工工作。
总结:栽植土检验批质量验收是确保栽植土质量的重要环节,通过对栽植土的质地和肥力等指标进行检测和分析,可以及时发现和解决问题,保证植物的生长发育和产量品质。
栽植土供应商应严格按照标准要求提供栽植土样品,并按照检验结果进行整改,以确保栽植土的质量符合验收要求。
树木栽植检验批质量验收记录日期:____年____月____日栽植地点:_______验收单位:_______施工单位:_______检验单位:_______一、栽植前准备1.栽植点的准备:检查栽植点的土壤是否平整,是否有杂草和垃圾,是否有可能影响树木生长的其他障碍物。
2.树木的质量:检查树木的整体状态,如树冠是否充实,枝叶是否繁茂,根系是否完整和健康。
树木的扦插生长是否良好,是否有明显的倒伏、干枯和病虫害等情况。
3.运输和保存:检查树木的运输和保存过程,包括运输手段和运输时间,保存条件和保存方式等。
确认运输和保存过程是否符合树木的要求,避免对树木造成损害。
二、栽植过程1.树坑的准备:检查树坑的大小和深度是否符合树木的要求。
树坑底部是否有排水设施和排水沟,以确保树木生长环境湿润但不过湿。
2.根系的处理:检查根系的修剪情况,确保根系整齐划一、有序,并且没有受损。
根系的处理方式应符合树木的生长特点和规范要求。
3.栽植方式:检查栽植方式是否正确,包括栽植角度、栽植深度和填土方法等。
确认树木栽植后是否能够稳定生长,避免栽植时的不规范操作导致树木倒伏或生长不良。
4.树木稳固:检查树木的支撑方式和支撑材料是否牢固可靠。
支撑方式应适应树木的生长情况,并且要确保树木在成长过程中能够保持稳定。
三、栽植后管理1.浇水:检查浇水的频率和浇水量是否符合树木的生长需求。
浇水过程中要注意避免积水和浸泡树木的根部,以免造成根系腐烂和生长不良。
2.施肥:检查施肥的方法和施肥剂的类型是否符合树木的养分需求。
施肥过程中要注意避免过量施肥和肥料的直接接触根系,以免造成根系烧伤和生长不良。
3.病虫害防治:检查病虫害防治的措施和效果。
确认是否采取了合适的病虫害防治方法,以避免树木因病虫害而受损。
四、质量验收结论根据以上检验内容和结果,结合相关栽植规范和标准,得出栽植批次的质量验收结论。
栽植批次合格□不合格□不合格情况说明:_____________质量验收人:_______职称:_______。
栽植土分项工程质量检验记录项目名称:栽植土工程项目地点:XXX项目编号:XXX检验单位:XXX检验人员:XXX检验日期:XXX一、前言栽植土是指在工程建设中,为了保护环境、改善土壤质量而进行的土壤翻新和栽植工作。
栽植土的质量对于项目的后期景观效果和植物的生长发育具有重要影响,为保证栽植土工程的质量,进行质量检验是必不可少的环节。
二、栽植土分项工程质量检验内容1.栽植土配比检验栽植土的配比应符合相关规范标准,首先对栽植土的成分进行检验,包括有机质含量、无机成分及其含量、肥力指标、胶体含量等。
2.栽植土调配检验栽植土的调配应按照所需比例进行,检验栽植土的调配是否准确,是否符合设计要求。
3.栽植土PH值检验栽植土的PH值对于植物的生长发育具有重要影响,过高或过低的PH 值都会影响植物的吸收养分能力。
进行栽植土的PH值检验,确保其处于适宜范围。
4.栽植土湿度检验栽植土湿度对于植物的生长发育至关重要,过湿或过干的栽植土都会导致植物生长异常。
进行栽植土湿度检验,保证其湿度适宜。
5.栽植土肥力检验栽植土应具备一定的肥力,保证植物的养分需求。
进行栽植土的肥力检验,检测其氮、磷、钾含量是否符合标准要求。
1.栽植土配比检验记录测试序号样品位置项目要求检测结果1A区域有机质含量≥10%11.2%2B区域无机成分≤20%18.5%3C区域肥力指标:N,P,K含量符合标准符合4D区域胶体含量≤15%13.8%2.栽植土调配检验记录调配序号样品位置配比要求检测结果1A区域A:B:C=2:1:1符合2B区域A:B:C=3:2:1符合3C区域A:B:C=1:2:2符合3.栽植土PH值检验记录检测样品样品位置标准要求PH值样品1A区域5.5-7.06.2样品2B区域5.5-7.05.9样品3C区域5.5-7.06.54.栽植土湿度检验记录检测样品样品位置标准要求湿度样品1A区域25-35%32%样品2B区域25-35%28%样品3C区域25-35%27%5.栽植土肥力检验记录检测样品样品位置标准要求N含量P含量K含量样品1A区域N≥2%2.5%0.9%1.2%样品2B区域N≥2%2.2%0.8%1.5%样品3C区域N≥2%2.8%1.1%1.3%四、检验结论与处理意见根据以上分项工程质量检验记录,栽植土的配比、调配、PH值、湿度和肥力等各项指标均符合标准要求。
栽植土检验批质量验收记录时间:____年____月____日地点:_______检验单位:_______被检样品:栽植土_______kg检验人员:_______、_______、_______、_______一、检验目的:栽植土是一种能够为植物提供养分和生长环境的土壤,它的质量关系到后续植物生长的成功与否。
本次栽植土检验旨在评估栽植土的质量是否符合规定标准,以保证其能够满足植物生长的需求。
二、检验项目及方法:1.外观检验:通过目测判断栽植土颜色、质地、异物等是否符合规定要求。
2.水分含量:取样品_______g,在105°C下加热至恒重,称取干样品质量_______g,计算水分含量。
5.养分含量:取样品_______g,按照相应标准方法测定氮、磷、钾的含量。
三、检验结果:1.外观检验:栽植土颜色均匀为_______,质地_______,无异物。
外观合格。
2.水分含量:栽植土水分含量为_______%。
水分合格。
3.有机质含量:栽植土有机质含量为_______%。
有机质合格。
4.pH值:栽植土pH值为_______。
pH值合格。
5.养分含量:-氮含量为_______%_______-磷含量为_______%_______-钾含量为_______%_______养分含量合格。
四、质量评定:根据检验结果,栽植土的外观、水分含量、有机质含量、pH值、养分含量均符合要求。
栽植土质量评定为合格。
五、结论:本次栽植土检验批质量评定结果为合格。
栽植土可正常投入使用。
六、备注:栽植土的质量验收应结合实际需求和目标植物的生长特点来确定相应的标准,并进行定期检测,以确保其合格性和良好的使用效果。
栽植土回填与地形检验批质量验收记录日期:XXXX年XX月XX日地点:XXXXXXXXX参与人员:XXXX(项目负责人)、XXXXX(施工单位代表)、XXXX(监理单位代表)、XXXX(质检人员)一、现场情况1.在检验验收前,施工单位已经完成了全部的栽植土回填以及地形控制工作。
现场整洁有序,没有发现明显的安全隐患。
3.回填工程施工过程:施工单位按照合同要求,先在基坑地面蓄水板上安装进行回填土的蓄水板,并确保蓄水板固定稳固。
然后根据设计要求,进行不同层次的栽植土回填,确保土层均匀。
回填工程没有出现明显的施工质量问题。
4.地形控制工程施工过程:施工单位按照设计图纸要求进行地形控制施工,包括修复地表形态、排水控制等。
在地形控制过程中,施工单位合理布置排水设施,确保雨水及时排出,避免积水导致的地面沉降等问题。
二、质量验收项目1.栽植土材料:a.规格:栽植土应符合合同要求的规格,包括粒径分布、有机质含量等。
b.源地检测:施工单位提供了栽植土的源地检测报告,通过检测,符合要求的合同规范。
2.栽植土回填工程:a.栽植土回填均匀:检验人员在回填工程区域进行了采样,并对栽植土的均匀性进行了测量和分析。
结果显示,栽植土回填均匀,没有明显的不均匀现象。
b.回填层厚度:检验人员测量了回填层的厚度,并与设计要求进行了对比。
结果显示,回填层厚度符合设计要求。
3.地形控制工程:a.地表形态修复:检验人员对地表形态进行了检查,包括平整度、坡度等指标。
结果显示,地表形态修复符合设计要求。
b.地表排水控制:检验人员对排水系统进行了检查,包括排水沟、雨水口等设施。
结果显示,排水系统完好,排水通畅。
三、验收结论经过对栽植土回填与地形检验批的质量进行检验验收,我们认为施工单位在栽植土回填与地形控制方面的施工质量符合合同要求,达到了设计要求。
经监理单位代表签字确认,并共同签署本次验收记录。
施工单位代表:_____________________监理单位代表:_____________________质检人员:_________________________。
栽植土地形整理检验批质量验收记录一、项目概述本次质量验收记录针对栽植土地形整理项目进行,包括栽植土地形整理工程的施工过程及成果的质量检验与验收情况记录。
二、项目基本信息1.项目名称:栽植土地形整理项目2.项目地址:(具体地址)3.项目工期:(具体工期)4.施工单位:(单位名称)5.监理单位:(单位名称)三、质量验收依据1.《栽植土地形整理施工技术规范》2.《栽植土地形整理工程验收规范》3.监理单位的工程验收报告四、质量验收内容本次质量验收内容主要包括以下几个方面:1.施工过程中的质量控制情况2.各项工程质量验收指标的达标情况3.成果的质量验收情况五、质量验收过程及结果1.施工过程中的质量控制情况(详细描述施工过程中的质量控制措施,包括材料选择、施工工艺、现场管理等方面)2.各项工程质量验收指标的达标情况(按照《栽植土地形整理施工技术规范》中的相关要求,逐一列出各项工程质量验收指标)3.成果的质量验收情况(按照《栽植土地形整理工程验收规范》中的相关要求,逐一列出各项成果质量验收指标)六、质量验收结论经过对栽植土地形整理项目的质量验收,根据监理单位提供的工程验收报告及现场实际观察,认为本次工程的施工过程中质量控制较为严格,各项工程质量验收指标均达标,成果质量也符合验收标准。
七、存在的问题及处理意见(列出质量验收过程中发现的问题,并提出具体的处理意见)八、下一步工作建议(根据本次质量验收情况,提出下一步工作的建议或注意事项)九、附件1.监理单位提供的工程验收报告2.相关质量检验记录3.照片及现场勘测图以上为栽植土地形整理检验批质量验收记录。
附件:1.监理单位提供的工程验收报告(详细记录监理单位提供的工程验收报告的内容)2.质量检验记录(列出相关质量检验记录的具体内容和结果)3.照片及现场勘测图。
栽植土检验批质量验收记录
栽植土回填及地形造型检验批质量验收记录
栽植土施肥和表层整理检验批质量验收记录
栽植穴(槽)检验批质量验收记录
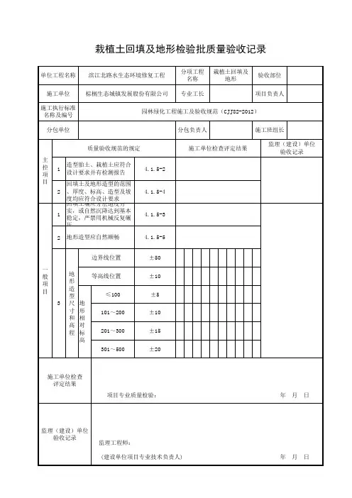
表C.0.1 检验批质量验收记录
植物材料检验批质量验收记录
植物材料检验批质量验收记录
植物材料检验批质量验收记录
苗木运输和假植检验批质量验收记录
树木栽植检验批质量验收记录
支撑检验批质量验收记录
大树挖掘包装检验批质量验收记录
大树吊运运输检验批质量验收记录
大树栽植检验批质量验收记录
铺设草地及草卷
铺设草地及草卷检验批质量验收记录
花卉栽植检验批质量验收记录
施工期植物养护检验批质量验收记录
卵石面层检验批质量验收记录
座椅(凳)标牌、果皮箱安装检验批质量验收记录
园林护栏检验批质量验收记录
喷灌喷头安装检验批质量验收记录
. . . .
. 资料. .. .。