锚具静载锚固性能试验加载步骤及测量项目
- 格式:docx
- 大小:301.64 KB
- 文档页数:2
锚具检测项目及标准锚具检测是确定锚具(如螺栓、螺母、膨胀螺栓等)性能和安全可靠性的重要过程。
在工程建设和维护中,锚具起着固定和连接构件的作用,因此其性能和质量的可靠性对于工程结构的安全性至关重要。
以下是锚具检测的常见项目及标准的参考内容。
1. 外观检查:外观检查主要包括外观的整体性、表面质量和表面处理等。
锚具表面应平整、无裂纹、无温度变形等缺陷。
此外,锚具的表面处理应符合相关标准要求,如螺栓表面的镀锌层应均匀、牢固。
2. 尺寸检测:尺寸检测主要包括锚具的直径、长度、螺纹等尺寸的测量。
锚具的尺寸应符合设计图纸和相关标准规定,以确保其能正确安装和连接。
3. 材质分析:材质分析是对锚具所使用的材质进行测试和评估。
锚具的材质应符合相关材料标准,如碳素钢螺栓应符合GB/T 699《碳素结构钢》标准。
对于某些特殊工况要求,锚具可能需要进行硬度测试,以确保其强度和耐久性。
4. 强度测试:强度测试是对锚具的抗拉、抗剪、抗扭等强度性能进行检测。
常见的强度测试方法包括拉伸试验、剪切试验、扭转试验等。
这些测试方法的参数和标准可以根据具体的锚具类型和应用领域来确定。
5. 防腐性能测试:防腐性能测试是对锚具抗腐蚀性能进行评估。
常见的防腐蚀方法有镀锌、热浸塑等,而这些方法的防腐性能可以通过盐雾试验、湿热试验等进行测试。
标准可以根据锚具的材质和应用领域来确定,如GB/T 10125《盐雾试验箱》标准等。
6. 安全性能测试:安全性能测试主要是对锚具在实际工况下的使用安全性进行评估。
这可以通过负荷试验、疲劳试验等进行测试。
负荷试验是将锚具按设计要求施加负荷,测试其承载能力是否满足要求;疲劳试验则是对锚具进行长时间的重复加载,以评估其在不同工况下的使用寿命。
综上所述,锚具检测项目及标准涉及外观检查、尺寸检测、材质分析、强度测试、防腐性能测试和安全性能测试等方面。
通过这些检测项目和标准的检验,可以保证锚具的质量和可靠性,最大限度地确保工程结构的安全性。
静载锚固试验流程下载温馨提示:该文档是我店铺精心编制而成,希望大家下载以后,能够帮助大家解决实际的问题。
文档下载后可定制随意修改,请根据实际需要进行相应的调整和使用,谢谢!并且,本店铺为大家提供各种各样类型的实用资料,如教育随笔、日记赏析、句子摘抄、古诗大全、经典美文、话题作文、工作总结、词语解析、文案摘录、其他资料等等,如想了解不同资料格式和写法,敬请关注!Download tips: This document is carefully compiled by the editor. I hope that after you download them, they can help yousolve practical problems. The document can be customized and modified after downloading, please adjust and use it according to actual needs, thank you!In addition, our shop provides you with various types of practical materials, such as educational essays, diary appreciation, sentence excerpts, ancient poems, classic articles, topic composition, work summary, word parsing, copy excerpts,other materials and so on, want to know different data formats and writing methods, please pay attention!静载锚固试验是评估混凝土结构稳定性和安全性的重要手段,通过对混凝土结构施加静载,在测定承载力的同时评估结构的变形情况,从而判断结构的可靠性和耐久性。
锚具静载锚固性能试验加载步骤及测量项目
High quality manuscripts are welcome to download
锚具静载锚固性能试验加载步骤及测量项目有哪些步骤:对于先安装锚具、夹具或连接器张拉预应力筋的预应力体系,可直接用试验机或试验台座加载。
加载之前必须先将各根预应力钢材的初应力调匀,初应力可取钢材抗拉强度标准值的5%~10%。
正确的加载步骤为,按预应力钢材抗拉强度标准值的20%、40%、60%、80%分四级等速加载,加载速度为100mpa/min,达到80%后,持荷1h,再逐步加载至破坏。
项目:
(1)有代表性的若干根预应力钢材与锚具、家夹具或连接器之间在预应力筋达到时的相对位移△a
(2)锚具、夹具或连接器若干有代表性的零件之间在预应力筋达到时的相对位移△b
(3)试件的实测极限拉力Fapu,得静载锚固效率系数。
锚索锚固试验检测方法我折腾了好久锚索锚固试验检测方法,总算找到点门道,今天就跟你唠叨唠叨。
说实话这事儿,我一开始也是瞎摸索。
我就知道这锚索锚固,得检测它牢不牢固,可咋检测呢?我当时想简单了,就感觉拉一拉,看看能承受多大的力不就得了。
结果呢,我光是随便找个工具拉一拉,数据乱得一塌糊涂。
这才明白,不能这么莽撞。
首先得有个专业的设备,就像是你要测量东西,得有个精确的尺子一样。
我们得用那种能精确测量拉拔力的仪器,这个仪器就像个大力士,能一点点拉锚索。
然后,测试前的准备工作可不能马虎。
就拿锚索周围的环境来说吧,得清理干净,不能有杂物影响检测结果。
我有一次没清理好,结果测出来的数据就很奇怪。
这就好比你称东西,秤盘子上有垃圾,称出来肯定不准。
还有啊,在实际检测的时候,得找准施加拉力的点。
我一开始也搞不清,这儿试试那儿试试,数据都不稳定。
后来才明白,这个点一定要保证和锚索的轴线在同一直线上,就好像射箭,你箭得沿着直线射出去才准。
再来说说数据记录这一块。
每次拉动一个幅度,就得记录下对应的拉力是多少。
我有时候光想着多拉几下看看,都忘记记录了,这可不行。
这个过程就像你数钱,你不能光忙着掏钱收钱,要一笔一笔记清楚。
不过呢,有一些地方我也不是特别确定。
比如说一些特殊环境下对锚索的影响在现有的检测方法里是不是考虑周全了。
但是目前这些常规的检测步骤、我算是有点经验了。
反正记住了按照正确的顺序来检测,清理环境、找准施力点、选对设备、仔细记录数据,这些做好了,基本上能有个还可以的检测结果。
如果有机会和其他懂的人聊聊,估计还能再学到不少新东西。
再给你个建议啊,要是你也在琢磨这事儿,多做几遍模拟检测是很有必要的。
我自己做了几次模拟的之后,心里就更有底了,正式做的时候就不会出太多岔子。
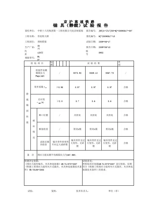
预应力筋——锚具组装件静载试验方法张少英【摘要】以新钢建设公司承建的新华公司办公楼无粘结预应力钢筋混凝土框架结构工程为例,根据《无粘结预应力混凝土结构技术规程》(JCJ92-2004)、《混凝土结构工程施工及验收规范》(GB50204-2002)的要求,对锚具静载试验进行了记录及探讨。
%Taking for example unbonded prestressed reinforced concrete frame construction engineering of office building of Xinhua Company undertaken by Xinyu Steel Building Company,this paper records and discusses the experiment of the static anchoring capacity for prestressed tendon anchorage assembly according to Specifications for Unbonded Prestressed Reinforced Concrete Frame Construction(JCJ92-2004) and Standards for Construction and Check and Acceptance of Reinforced Concrete Structure Engineering(GB50204-2002).【期刊名称】《新余学院学报》【年(卷),期】2012(017)002【总页数】2页(P111-112)【关键词】预应力筋;锚具;钢绞线【作者】张少英【作者单位】新余市工程质量检测中心,江西新余338000【正文语种】中文【中图分类】TU378预应力混凝土与钢筋混凝土相比,具有构件截面小、自重轻、刚度大、抗裂度高、耐久性好、材料省等优点。
静载锚固试验安全操作规程一、前言静载锚固试验是一种极为重要的施工试验,试验结果直接决定着工程质量和施工效果的成败。
围绕着如何保障静载锚固试验的安全性,制订出了相关的安全操作规程。
本文就是针对静载锚固试验安全操作规程进行详细的阐述,希望对广大从事该项工作的人员有所帮助。
二、试验前1、试验前应明确试验目的、试验设计及试验方案,撰写静载锚杆安装方案,并由专业负责人签字。
2、试验前应对锚杆进行全面、严格的检查,确认锚杆的质量符合规定要求,无任何缺陷。
3、组织人员根据试验要求和试验场地的实际情况制定具体施工方案,并明确责任分工和安全要求。
4、必须对试验现场做好全面的安全检查,对危险物品、安全隐患和不可避免的风险事项要做到预先排除或防范。
5、组织人员应该穿着符合规定的工作服、工作鞋、安全帽等安全防护用品,严禁穿拖鞋、凉鞋等不符合规定的服装进入试验现场。
三、施工安全1、必须根据实际情况选择安装静载锚杆的方法、技术方案,安全必须放在首位。
2、在施工过程中,必须时刻检查和评估形势,采取必要的安全措施,做好现场安全防护工作。
3、在施工过程中,责任人要跟踪监控工作进展情况,确保施工时间、施工质量和安全施工的顺利进行。
四、试验程序1、严格按照试验方案、试验程序执行试验,确保试验过程稳定,数据安全可靠。
2、在试验操作过程中严格注意力量、速度、时间的统一,保证不发生突发事件。
3、试验过程中要不断地对各项参数进行监测、测量,及时记录数据,并报告相关人员进行监督和管理。
五、试验后1、试验完成后,应及时对试验过程进行归档处理,留下详细的记录。
2、对于试验过程中出现的错误,应及时进行调查、整改和总结,以免再次出现。
3、对于试验的数据和结果,要及时归档保存,供后续工作的参考和依据。
4、对于试验过程中的问题和困难,要及时向相关负责人反馈,以便能够及时解决。
六、试验安全议题1、必须由专业人员对试验方案进行评估,并按照安全规范进行操作。
2、必须对试验前、中、后的安全问题进行全面的评估。
文件编号:作业指导书( 锚具检测)编写:日期:审核:日期:批准:日期:受控状态:持有者姓名:分发号:持有者部门:江苏省交通科学研究院有限公司(江苏省交通工程质量检测中心)目录一、锚具、夹具硬度试验(ZY02-1001-2008)1、检测设备及开展项目2、主要技术要求3、仪器设备操作规程及注意事项4、试验操作规程及注意事项5、检测数据处理6、测量不确定度报告7、原始记录8、检测报告二、锚具锚固系数试验(ZY02-1002-2008)同上三、锚具疲劳性能试验(ZY02-1003-2008)同上四、锚具周期荷载试验(ZY02-1004-2008)同上五、锚具辅助性试验(ZY02-1005-2008)同上一、锚具、夹具硬度试验(ZY02-1001-2008)1.检测设备及开展项目2 主要技术要求2.1环境要求试验一般在10~35℃室温进行。
对于精度要求较高的试验,室温应控制在23±5℃。
2.2硬度试验要求1.被测试件的表面应平整光洁,试件的支承面与试台保证良好密合。
2.试件应稳定地放在试台上,试验过程中试件不得移动,确保试验力垂直加于试件上。
3.在每个试样上的试验点数应不少于四点(第一点不记)。
4.被测试件最小厚度的确定取决于预期硬度值,试样或试验层厚度:洛氏硬度试验应不小于e的十倍,维氏硬度试验至少应为对角线长度的1.5倍。
试验后试件背面不得有显著变形痕迹。
5.在试验过程中,试验装置不应受到冲击和震动。
6.维氏硬度压痕对角线长度范围为0.020~1.400mm。
2.3其它要求1.应从每批中抽取5%的锚具零件且不应少于5套,按产品设计规定的表面位置和硬度范围做硬度检验。
2.有一个零件不合格时,则应另取双倍数量的零件重做检验;仍有一个不合格时,则应对本批产品逐个检验,合格者方可进入后续检验组批。
3.仪器操作规程及注意事项3.1 HBRVU—187.5型布洛维光学硬度计操作规程1.接通电源,调整开关至所需位置。
浅析静载锚固试验摘要:在预应力锚具组装件静载锚固性能检测工作的基础上,针对检测工作中经常遇到的一些问题如锚环、夹片洛氏硬度的检测方法、静载锚固试验方法,锚夹具的硬度、钢绞线、试验设备、试验环境等对预应力锚具组装件静载锚固性能试验的影响等进行了分析和探讨以供生产单位、施工单位及中心试验室进行静载锚固性能试验参考关键字:静载锚固,效率系数,总应变,组装件,洛氏硬度,最大抗拉力Analysis of Static Anchoring Performance TestMa LiCHECSC Highway Maintenance and Test Technology Co、Ltd..Abstract: In the pre-stressed anchor anchor assembly static load performance testing based on the work, the work for testing some of the problems frequently encountered, such as anchor ring, clip Rockwell hardness testing methods, static load test method anchor, anchor clamps hardness, strand, test equipment, test environment for pre-stressed anchor assembly static load test of the impact of anchor performance are analyzed and discussed for the production units, construction units and the central Laboratory for performance of static load test anchor referenceKeywords: static load anchoring, efficiency factor, the total strain, assembly, Rockwell hardness, nominal tensile strength引言随着工业的发展预应力混凝土达到了广泛应用,尤其在桥梁建设中起到了举足轻重的作用。
静载锚固性能测试机操作规程
1、使用前准备工作
接通试验机各项电源,预热三十分钟,确认放大器标定系数并调零。
2、操作步骤
2.1 打开计算机试验软件,输入委托信息。
开启油泵向张拉油缸供油,使活塞伸出10-20mm。
2.2 将预应力钢材从试验机中心穿过,在试验机两端装上与锚具相对应的挡板,并在两挡板外侧装试验锚具。
2.3 用张拉千斤顶对每根预应力钢材均匀张拉并顶紧,使每根预应力钢材受力均匀。
开启加载油泵分4 级等速张拉到80%后关闭加载油泵电源,持荷1 h 后再张拉至破坏。
3、保养及注意事项
3.1 保持试验机表面清洁。
3.2 测试完毕,应将全部键钮关闭,置于零位状态。
操作规程编号:LX-FS-A48831静载锚固试验安全操作规程标准范本In The Daily Work Environment, The Operation Standards Are Restricted, And Relevant Personnel Are Required To Abide By The Corresponding Procedures And Codes Of Conduct, So That The Overall BehaviorCan Reach The Specified Standards编写:_________________________审批:_________________________时间:________年_____月_____日A4打印/ 新修订/ 完整/ 内容可编辑静载锚固试验安全操作规程标准范本使用说明:本操作规程资料适用于日常工作环境中对既定操作标准、规范进行约束,并要求相关人员共同遵守对应的办事规程与行动准则,使整体行为或活动达到或超越规定的标准。
资料内容可按真实状况进行条款调整,套用时请仔细阅读。
1、张拉要先上好夹具,人员离开后开泵,发现滑动或其他问题时,要先停泵,处理好后才能重新进行操作。
2、油泵上的安全阀应调至最大工作油压不能自动打开的状态。
3、油压表安装必须紧密满扣,油泵与千斤顶之间系用的高压油管连同油路的各部接头,均须完整紧密,油路畅通,在最大工作油压下保持5分钟以上,均不得漏油。
若有损坏者及时更换。
4、预加压力时油泵应平稳且配合默契要有人统一指挥。
5、张拉时发现油泵油压千斤顶锚具等有异常情况时应停止张拉检查原因。
6、张拉作业区应标示明显的标记禁止非工作人员进入张拉区域。
7、张拉时安全阀应调至规定值后可开始张拉作业。
张拉时试验机两端正面不准站人,高压油泵应放在试验机的两侧或侧面,操作人员应站在预应力钢绞线位置的侧面。
请在该处输入组织/单位名称Please Enter The Name Of Organization / Organization Here。
预应力钢绞线静载锚固实验方式流程时刻:2015-05-15力学上的实验“静载锚固实验”是一项关键的重要实验,它在桥梁实验上占的地位是举足轻重的,但这项实验又是具有相当危险性的一项实验,因此我认真地探讨了好长时刻,我感觉我有必要把做这项实验的一些心得和广大的同行们请教、学习、一起研究,以平安地做好这一实验,减少在工作中显现危险的情形,我也专门针对平安方面提出了一些自己的明白得,希望能与大伙儿探讨能够研究出更为平安和合理的实验方式。
二、预应力钢绞线用锚具静载锚固实验静载锚固实验是为了查验锚固零件的机械性能,查验其在锚固进程中的靠得住性和适用性,和永久性的锚固性能,能够把力均匀地传递到预应力混凝土构件和钢构件中,而且不能有较大的变形也不能有横向和斜向的断裂,锚具还应有多次重复利用的能力,而这一切都要通过静载实验来查验其合格与否。
1.实验方式当一切都预备好时,就能够够做这项实验了,钢绞线由我方提供,在钢绞线与送检锚具设计品级相同的情形下,我方依照送检锚具的孔数,割取4米2的长度,在取钢绞线时要注意观看钢绞线不得有损伤的地址,不得有对焊接口,如此的钢绞线才能利用,然后观看室温和湿度看是不是知足实验要求的温湿度,温度没有特殊要求的话为10-35℃,当温湿度符合要求时,就能够够开始做实验了,先应该打硬度依照标准要求操作,当硬度符合要求时就能够够做静载实验了。
(1)实验前预备先检查各线路,上下位机线缆是不是都连接正确和牢靠,检查完都连接好时先打开电脑和智能数显搜集仪的开关,然后进入软件,双击软件图标输入用户名和密码后进入软件界面,点工具栏上新建实验图标,显现对话框选择实验类型为拉伸实验,选择实验为静载锚固实验,执行标准为预应力筋用锚具,然后输入这次实验的组号点确信,然后进入实验参数界面,在实验参数界面先输入试样参数和实验参数,在实验参数中《前输入预应力钢材根数为3根,单根试件公称截面积,实际平均极限抗拉力等,输入完后按回车键,然后把钢绞线3根揭开网盖穿进实验机两头,然后把张拉端一边千斤顶反复运行3次以排除空气,若是发觉有漏油的地址要及时拧紧,在伸千斤顶时产生的载荷要清零,在装夹试件之前对各传感器通道清零。
文件编号:ZY042-2012/0作业指导书静载锚固试验机检验细则编制:审核:批准:2012年102月19日发布2012年10月29日实施国家标准件产品质量监督检验中心受控状态:发放登记号:静载锚固试验检验细则1、目的指导、规范试验操作,使试验过程符合标准。
2、范围适用于锚具的静载锚固性能试验。
3、依据GB/T 5224-2003 预应力混凝土用钢绞线GB/T 14370-2000 预应力筋用锚具、夹具和连接器JGJ85-2002 预应力筋用锚具、夹具和连接器应用技术规程WJM-6500 微机静载锚固试验机用户手册4、允许条件4.1 试样预应力筋长度4~4.2m,必须用薄片砂轮机切割,切后不得散头,以免穿孔困难。
试验用的预应力筋-锚具、夹具或连接器组装件应由全部零件和预应力筋组装而成,组装时锚固零件必须檫拭干净,不得在锚固零件上添加影响锚固性能的物质。
4.2 设备4.2.1 设备及计量器具经过法定计量部门检定,并在检定有效期内。
4.2.2 经检查,试验设备完好。
4.3 人员试验员熟悉设备和仪器的性能、使用、维护,熟悉标准,并持有上岗证。
5. 实验步骤5.1 开启电源,启动电脑。
5.2 启动静载锚固试验软件,进行参数设置并输入试样信息。
5.3 打开控制箱电源,对“负荷”和“电源”消零。
5.4 安装预应力筋-锚固组装件,将各根预应力钢材的初应力调匀,初应力可取钢材抗拉强度标准值fptk的5%~10%。
5.5 正式加载,按预应力钢材抗拉强度标准值的20%、40%、60%、80%分4级等速加载,加载速度宜每分钟100Mpa。
达80%后持荷1h,随后逐步加载至破坏。
并观察持荷期间锚具、夹片或连接器的变形,试件的破坏部位和形式;测量有代表性零件间在0.8fptk时的相对位移△b、试验过程中若干根预应力钢材与锚具或连接器之间的相对位移△a、实测极限拉力Fapu、及达到实测极限拉力时的总应变6. 结果处理静载试验应连续进行3个组装件的试验,全部试验结果均应做出记录,并计算锚固效率系数和相应的总应变,3个试验结果均应满足标准要求,不得进行平均。
第二章1、在桥梁检测中对测量仪表有哪些基本要求答:1、测量仪表不影响桥梁结构工作性能和受力情况2、仪表性能满足检测的具体要求3、使用方便、工作可靠和经济耐用2、采用位移计量测挠度和应变时注意哪些事项答:1、作为不动位移计的不动支架,必须有足够的刚度,还要考虑温度变形的影响。
当测杆过长时造成柔性增大,在压力作用下产生变形影响量测精度。
2、位移计测杆与所量测的位移方向应完全一致。
3、位移计使用前、后要认真检查测杆上、下活动是否灵活。
4、在量测过程中经常注意即将产生的位移是否超过仪表量程,以免造成测杆与测点脱离接触或测杆被顶死。
千分表))安装方法及使用注意事项安装方法及使用注意事项??简述百分表((千分表3、简述百分表答:安装方法:百分表安装在表座上,表架安装在临时专门搭设的支架上,支架应具有一定刚度,并与被测结构物分开。
将测杆触头抵在侧点上,借助弹簧使其接触紧密。
注意事项:1、使用时,只能拿取外壳,不得任意推动测杆,避免磨损机件,影响放大倍数。
注意保护触头,触头上不得有痕迹。
2、安装时,要使测杆与欲测位移的方向一致,或使被测物体表面保持垂直,并注意位移的正反方向和大小,以便调节测杆,使百分表有适宜的测量范围。
3、百分表架要安设稳妥,表架上各个螺丝要拧紧,但当颈夹住百分表的轴颈时,不可加得过紧,否则会影响测杆移动。
4、百分表安装好,可用铅笔在表盘上轻轻敲击,看指针摆动情况。
若指针不动或绕某一固定值在小范围内左右摆动,说明安装正常。
5、百分表使用日久或经过拆洗修理后,必须进行标定,标定可在专门的百分表或千分表校正仪上进行。
5、如何消除温度变化对引伸仪量测精度的影响?答:方法一:在制作测点的同时制作一小试块,检测时放在结构附近,不受力,作为温度补偿块,检测结构应变时同时测定其变化,该变化值作为温度修正值。
方法二:利用结构材料的线膨胀系数计算相应的应变值作为温度修正值。
并说明贴结的主要技术指标??6、简述电阻应变片选用的原则简述电阻应变片选用的原则,,并说明贴结的主要技术指标答:原则:选用应变片时应根据应变片的初始参数及试件的受力状态、应变梯度、应变性质、工作条件、测试精度要求等综合考虑。
锚固力实验操作规程
1.实验标准
2.按MT146.1-2011标准。
3.实验设备
(1)锚索实验台。
要求:准确度1级。
(2)冲击钻850W,空载转速800r/min。
(3)实验条件
(4)环境温度:22±1℃。
(5)用锚固段最大径向尺寸与孔径差为4-6mm,锚长大于15d(d杆体直径)的杆体。
(6)用相应孔径的除锈厚壁管为锚固体,钢管长度应等于锚头长度再加50-150mm。
4.试验步骤
(1)将套筒放于工作台上,并用虎钳夹紧,将锚固剂放置套筒内,持冲击钻配套锚杆打入套筒内将锚杆边旋转搅拌边边推进到钢管底部。
搅拌时间超快速8-15s,其它20-35s,等待3-5分钟,插入锚索试验台,并锁紧螺母,置杆体脱出2-3厘米。
(2)按MT146.1-2011表3规定的龄期用锚索试验台进行锚固力测试。
5.锚固力检测作业完成后将锚索试验台等工具收好,
放回工具箱内。
检测成果及报告向负责人及有关领导签字确认。
6.注意事项
(1)拉拔锚杆时,人员应躲至千斤顶周围的安全地址。
(2)锚杆杆尾直径一旦呈现缩径时,应立即卸载。
(3)运用锚索试验台时,加压应缓慢均匀,通常不超越其描绘值的90%。
(4)高压软管应定时进行镇压实验,禁止运用不合格的软管。
(5)当图纸改变或资料改变时,应及时进行锚杆拉力实验。
(6)锚索试验台应统一管理、定时校验。
(7)切记做好实验记录。
(8)实验完毕,整理好实验室卫生。
锚具静载锚固性能试验加载步骤及测量项目
文件编码(008-TTIG-UTITD-GKBTT-PUUTI-WYTUI-8256)
锚具静载锚固性能试验加载步骤及测量项目有哪些步骤:对于先安装锚具、夹具或连接器张拉预应力筋的预应力体系,可直接用试验机或试验台座加载。
加载之前必须先将各根预应力钢材的初应力调匀,初应力可取钢材抗拉强度标准值的5%~10%。
正确的加载步骤为,按预应力钢材抗拉强度标准值的20%、40%、60%、80%分四级等速加载,加载速度为100mpa/min,达到80%后,持荷1h,再逐步加载至破坏。
项目:
(1)有代表性的若干根预应力钢材与锚具、家夹具或连接器之间在预应力筋达到时的相对位移△a
(2)锚具、夹具或连接器若干有代表性的零件之间在预应力筋达到时的相对位移△b
(3)试件的实测极限拉力Fapu,得静载锚固效率系数。