5S检查表格.doc
- 格式:doc
- 大小:149.12 KB
- 文档页数:4
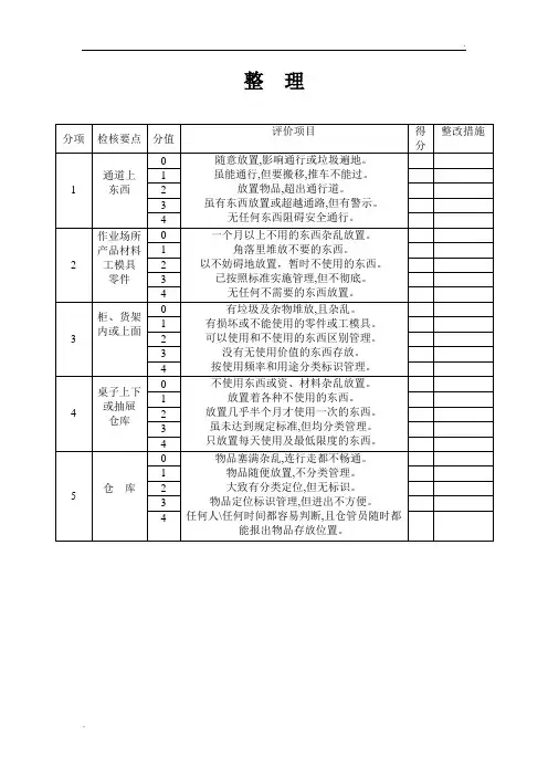
WORD格式整理分项检核要点分值评价项目得分整改措施0随意放置,影响通行或垃圾遍地。
虽能通行,但要搬移,推车不能过。
通道上1放置物品,超出通行道。
12 东西虽有东西放置或超越通路,但有警示。
3无任何东西阻碍安全通行。
4作业场所0一个月以上不用的东西杂乱放置。
1角落里堆放不要的东西。
产品材料22工模具以不妨碍地放置,暂时不使用的东西。
已按照标准实施管理,但不彻底。
零件3无任何不需要的东西放置。
43 柜、货架内或上面0有垃圾及杂物堆放,且杂乱。
1有损坏或不能使用的零件或工模具。
2可以使用和不使用的东西区别管理。
没有无使用价值的东西存放。
3按使用频率和用途分类标识管理。
44 桌子上下或抽屉仓库0不使用东西或资、材料杂乱放置。
放置着各种不使用的东西。
放置几乎半个月才使用一次的东西。
虽未达到规定标准,但均分类管理。
只放置每天使用及最低限度的东西。
12340物品塞满杂乱,连行走都不畅通。
1物品随便放置,不分类管理。
5 仓库23大致有分类定位,但无标识。
物品定位标识管理,但进出不方便。
任何人任何时间都容易判断,且仓管员随时都4整理分项检核要点分值评价项目得分整改措施0随意放置,影响通行或垃圾遍地。
虽能通行,但要搬移,推车不能过。
通道上1放置物品,超出通行道。
12 东西虽有东西放置或超越通路,但有警示。
3无任何东西阻碍安全通行。
4作业场所0一个月以上不用的东西杂乱放置。
1角落里堆放不要的东西。
产品材料22工模具以不妨碍地放置,暂时不使用的东西。
已按照标准实施管理,但不彻底。
零件3无任何不需要的东西放置。
43 柜、货架内或上面0有垃圾及杂物堆放,且杂乱。
1有损坏或不能使用的零件或工模具。
2可以使用和不使用的东西区别管理。
没有无使用价值的东西存放。
3按使用频率和用途分类标识管理。
44 桌子上下或抽屉仓库0不使用东西或资、材料杂乱放置。
放置着各种不使用的东西。
放置几乎半个月才使用一次的东西。
虽未达到规定标准,但均分类管理。
六、5S检查表(工厂现场诊断用)项目检查内容配分得分缺点事项(一) 1.是否定期实施红牌作战(清楚不必要品) 5整 2.有无不用或不急用的夹治具、工具 4 理 3.有无剩料等近期不用的物品 44.有无“不必要的隔间”影响现场视野 45.作业场所是否有明确的区别标志 3小计 20(二) 1. 仓库、储料室是否有规定? 4整 2. 料架是否定位化, 4顿 3. 工具是否易于取用,不用找寻? 54. 工具是否有颜色区分 45. 材料有无配置放置区,并加以管理 56. 废弃品或不良品放置是否有规定,并加以管理? 3小计 25(三) 1. 作业现场是否杂乱? 3清 2. 作业台是否杂乱? 3扫 3. 产品、设备有无脏污,附着灰尘? 34. 配置区划分线是否明确? 35. 作业段落或下班前有无清扫? 3小计 15(四) 1. 3S是否规划化? 5清 2. 机械设备是否定期点检? 2洁 3. 是否遵照规定的服装穿着? 34. 工作场所有无放置私人物品? 35. 吸烟场所有无规定,并被遵守? 2小计 15(五) 1. 有无日程管理表? 5教 2. 需要的护具有无使用? 4养 3. 有无遵照标准作业? 54. 有无异常发生时的对应措施? 35. 晨操是否积极参加? 36. 是否遵守开始、停止的规定? 5小计 25合计 100评语六、5S检查表(工厂现场诊断用)项目检查内容配分得分缺点事项(一) 1.是否定期实施红牌作战(清楚不必要品) 5整 2.有无不用或不急用的夹治具、工具 4 理 3.有无剩料等近期不用的物品 44.有无“不必要的隔间”影响现场视野 45.作业场所是否有明确的区别标志 3小计 20(二) 1. 仓库、储料室是否有规定? 4整 2. 料架是否定位化, 4顿 3. 工具是否易于取用,不用找寻? 54. 工具是否有颜色区分 45. 材料有无配置放置区,并加以管理 56. 废弃品或不良品放置是否有规定,并加以管理? 3小计 25(三) 1. 作业现场是否杂乱? 3清 2. 作业台是否杂乱? 3扫 3. 产品、设备有无脏污,附着灰尘? 34. 配置区划分线是否明确? 35. 作业段落或下班前有无清扫? 3小计 15(四) 1. 3S是否规划化? 5清 2. 机械设备是否定期点检? 2洁 3. 是否遵照规定的服装穿着? 34. 工作场所有无放置私人物品? 35. 吸烟场所有无规定,并被遵守? 2小计 15(五) 1. 有无日程管理表? 5教 2. 需要的护具有无使用? 4养 3. 有无遵照标准作业? 54. 有无异常发生时的对应措施? 35. 晨操是否积极参加? 36. 是否遵守开始、停止的规定? 5小计 25合计 100评语希望以上资料对你有所帮助,附励志名言3条::1、世事忙忙如水流,休将名利挂心头。
5S管理审查表格以及奖励处罚机制引言5S管理是一种提高工作环境组织和效率的方法,它包括整理、整顿、清扫、清洁和素养。
为了有效实施5S管理,我们需要建立一个审查表格,并制定奖励和处罚机制,以激励员工积极参与和遵守5S管理原则。
本文档将介绍5S管理审查表格以及奖励处罚机制的具体内容和实施方法。
5S管理审查表格目的5S管理审查表格的目的是帮助评估员工在工作场所中遵守5S原则的情况,从而发现问题,并促使改进。
内容该审查表格应包含以下内容:1. 整理(Seiri):对工作区域进行整理和分类的能力评估,例如清除无用物品和垃圾。
2. 整顿(Seiton):工作区域的布局和标识的评估,例如放置工具和设备的位置是否合理。
3. 清扫(Seiso):工作区域的清洁程度和维护评估,例如是否定期清洁工作区域。
4. 清洁(Seiketsu):个人和工作区域的清洁意识评估,例如员工的外观和工作区域的整洁度。
5. 素养(Shitsuke):员工对5S原则的积极态度评估,例如是否主动参与培训和改进活动。
评分标准每个5S原则都应有一个评分标准,用于评估员工的表现。
评分标准应根据具体工作环境和任务进行定制,以确保公平和准确。
审查频率建议定期进行5S管理审查,以便及时发现问题并采取改进措施。
审查频率可以根据具体情况进行调整,但建议每个月至少进行一次审查。
奖励处罚机制奖励机制为了鼓励员工积极参与和遵守5S管理原则,可以采取以下奖励机制:1. 奖励个人和团队:根据5S管理审查表格的评分结果,评选出表现优秀的个人和团队,并给予奖励,例如证书、奖金或额外的休假时间。
2. 奖励提案和改进:鼓励员工提出改善工作环境和效率的提案,并对采纳的提案给予奖励。
处罚机制为了确保员工遵守5S管理原则,需要设立相应的处罚机制,例如:1. 警告制度:在员工未能达到5S管理标准时,给予书面警告并记录在案。
2. 培训和教育:对未能达到标准的员工提供有针对性的培训和教育,以帮助他们理解和改善。
(附表
一)五S作业检查表口自主检查□外部稽核
受检部门: 外部稽核部门(自主检查免填): 检查日期:年月日
受检部门: 外部稽核部门(自主检查免填): 检查日期:年月日
废弃物分类作业检篁表
口外部稽核
受检部门: 外部稽核部门(自主检查免填): 检查日期:年月日
废弃物分类作照检鳖表
口外部稽核
受检部门: 外部稽核部门(自主检查免填): 检查日期:年月日
(附表三)
环境设施请修(请购)跟催表
(附表四)
(附表五)五S巡查评核表
评核人
员:
废弃物分类巡查评核表 五S 及废弃物分类异常通知及改善跟催表
部门收到本通知单后,
应r
・周内回复院区
五S 及废弃物分类异常通知及改善跟催表
案号: 责任部门: 拍照日: 年
部门收到本通知单后,
应于一周
表
附:
(⅛:
五S 及废弃物分类异常通知及改善跟催表
部门收到本通知单后
,
应于一周内回复院区
(附表八).及废弃物分类评核异常管制跟催表。