最新5s管理表格大全(整理版)
- 格式:doc
- 大小:225.50 KB
- 文档页数:13
5s管理表格大全(汇编)目录1、办公室5S检查表2、5S办公室每日清扫安排表3、5S不需要物品处理登记表4、5S会议记录表5、5S活动改善记录表6、5S活动改善通知单7、5S活动概况年表8、5S活动红色单9、5S活动检查表10、5S活动评分规定11、5S活动日常巡回检查表12、5S活动走廊看板13、5S检查评价表汇编14、5S纠正和预防措施改善书15、5S每日清扫值日表16、5S内部审核不符合项纠正表17、制定5S培训计划书18、5S清洁检核要点及评价表19、5S清洁自我查核表20、5S清扫检查要点21、5S清扫检核要点及评价表22、5S清扫时间安排表23、5S清扫时检查对策表24、5S清扫自我查核表25、5S区分必需品和非必需品26、5S上级巡回诊断表27、5S审核计划书28、5S审核总结报告29、生产现场5S检查表30、5S生产现场日常检查表31、5S素养检核要点及评价表32、5S素养自我查核表33、5S推进步骤图34、5S推行计划表35、5S问题改善通知单36、5S需要和不需要基准37、5S需要物品与不需要物品统计表38、5S要与不要清单表39、5S异常情况公布表40、5S异常情况汇总表41、5S运动12种浪费及改善提示42、5S运动审核标准及评估表43、5S运动推进计划书44、5S整顿检核要点及评价表45、5S整顿自我查核表46、5S整理检核要点及评价表47、5S整理整顿标准要求汇编(中英文)48、5S整理自我查核表49、5S制定办公室礼仪守则50、7S整理整顿标准及要求(中英文)51、办公区7S整理实施标准及要求(中英文)52、办公室5S活动标准表53、办公室5S活动清扫值日表54、办公室5S检查表55、仓库整理整顿标准(中英文)56、成立5S推进委员会57、生产车间5S实施计划58、生产车间整理整顿标准(中英文)59、生产现场5S检查表60、生活及公共区7S整理实施标准及要求61、整理和整顿活动检查表62、整理和整顿效果检查表63、清扫、清洁活动检查表64、清扫、清洁效果检查表65、修养效果检查表66、5S 审核清单67、5S整理保管场所分析表68、5S评分表69、5S申诉表70、各部门5S查检表范例办公室5S检查表活动检查内容配分得分缺点事项整理是否定期实施红牌作战(清除不必要物品) 4 有无档案规定,并被清楚了解 2 桌子、文件架是否为必要的最低限度 4 是否“没有必要的隔间”影响现场视野 2 桌子、文件架、通路是否有划分间隔 3小计15整顿建档规定是否确实执行 3 文件等是否有实施性定位化(颜色、斜线) 4 需要的文件、碟片、软件能否马上取出 2 书柜、书架是否有管理责任者 2 购置品有无规定放置处,并做补充规定 4小计15清扫地面上、桌面上是否杂乱 3 垃圾桶是否积得满满的 3 管路、配线是否杂乱 3 供应开水处有无管理者表示 3 墙壁、玻璃是否保持干净 3小计15清洁办公设备有否保持干净 3抽屉内是否杂乱 3 私人物品有无依规定放置 3 下班时桌面上是否整齐 3 门窗、天花板、玻璃、墙壁是否有灰尘 3小计15素养是否遵照规定穿着服装 3 待人接物是否热情,用语是否礼貌 3 接电话人不在,是否留有备忘记录 3 有无文件分发及传阅规则 3 晨操是否积极参加 3小计15评语5S办公室每日清扫安排表5S活动区域区域责任人值日检查内容电脑区机器是否干净、无灰尘检查区作业台、作业场所是否整齐计测区计测器摆放是否整齐,柜面是否保持干净休息区地面是否无杂物,休息凳是否整齐治具区治具是否摆放整齐、干净地面是否无杂物,除不良品外是否无其他零不良区件和杂物零件规格书柜内零件是否摆放整齐、标识明确文件柜及其他文件柜内是否干净,物品摆放是否整齐备注:1.此表的5S是由担当者每天进行实施。
5S管理表格大全(9个xls,7个doc)1_New
清扫10.地面、墙面、设备及料架应清洁无
积尘
4 11.通风要好、光线充足,室内应无积
水
4 12.文件、工艺流程卡、记录不肮脏、
破烂且无涂改现象
4
13.物料、设备、产品等应清洁无积尘 4
14.员工穿着就干净清洁且整齐 4
清洁15.坚持上下班各6S一分钏钟 4
16.定期进行6S活动 4
17.对不符合的情况及时纠正 4
素养18.言谈举止讲文明,员工统一关着装
及佩带上岗证
4
19.工作主动热情 4
20.有较强的时间观念,按时完成任务,不迟到早退
4 21.抓好精神文明,讲究行为元曲范 4
安全22.保证公司财产及员工人身安全,防
止出现安全事故
4 23.设备操作,保管人员对设备进行日
常维护、保养
4
24.注意安全生产,严格规程操作 4
25.消除防火、防盗隐患 4
评语总
分
100。
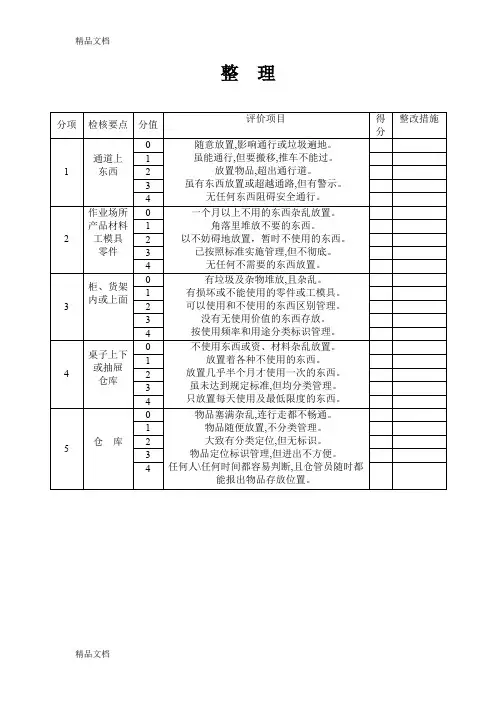
整理分项检核要点分值评价项目得分整改措施1 通道上东西0 随意放置,影响通行或垃圾遍地。
虽能通行,但要搬移,推车不能过。
放置物品,超出通行道。
虽有东西放置或超越通路,但有警示。
无任何东西阻碍安全通行。
12342 作业场所产品材料工模具零件0 一个月以上不用的东西杂乱放置。
角落里堆放不要的东西。
以不妨碍地放置,暂时不使用的东西。
已按照标准实施管理,但不彻底。
无任何不需要的东西放置。
12343 柜、货架内或上面0 有垃圾及杂物堆放,且杂乱。
有损坏或不能使用的零件或工模具。
可以使用和不使用的东西区别管理。
没有无使用价值的东西存放。
按使用频率和用途分类标识管理。
12344 桌子上下或抽屉仓库0 不使用东西或资、材料杂乱放置。
放置着各种不使用的东西。
放置几乎半个月才使用一次的东西。
虽未达到规定标准,但均分类管理。
只放置每天使用及最低限度的东西。
12345 仓库0 物品塞满杂乱,连行走都不畅通。
物品随便放置,不分类管理。
大致有分类定位,但无标识。
物品定位标识管理,但进出不方便。
任何人\任何时间都容易判断,且仓管员随时都能报出物品存放位置。
1234整顿分项检核要点配分评价项目得分整改措施1 设备仪器0 锈或不能使用的,都杂乱放置。
能使用与不能使用的都放在一起。
能使用的与不能使用的,均注明标识放置。
按使用频率及精密度分类管理。
在任何时间、任何人都能正常使用,处于一目了然状态。
12342 工模具等0 同上。
同上。
同上。
制作图形标识定位,以目视管理明晰。
不但任何人都一目了然,且用毕维护保养归位。
12343 零部件产品材料等0 不良品与良品放在同一区域。
不良品与良品虽分开放置,但无标识。
物品虽标识定位,但未考虑物品的定位安全。
产品柜、货架、桌面物品,放置定位标识。
以图形定位标识管理,使任何人都一目了然。
12344 图纸0 作废图纸与有效图纸存放一处。
以文件夹、图纸柜区分管理,但无标识。
虽然存放标识清楚,但未采用保护措施。
精心整理整理分项检核要点分值评价项目得分整改措施1 通道上东西0 随意放置,影响通行或垃圾遍地。
虽能通行,但要搬移,推车不能过。
放置物品,超出通行道。
虽有东西放置或超越通路,但有警示。
无任何东西阻碍安全通行。
12342 作业场所产品材料工模具零件0 一个月以上不用的东西杂乱放置。
角落里堆放不要的东西。
以不妨碍地放置,暂时不使用的东西。
已按照标准实施管理,但不彻底。
无任何不需要的东西放置。
12343 柜、货架内或上面0 有垃圾及杂物堆放,且杂乱。
有损坏或不能使用的零件或工模具。
可以使用和不使用的东西区别管理。
没有无使用价值的东西存放。
按使用频率和用途分类标识管理。
12344 桌子上下或抽屉仓库0 不使用东西或资、材料杂乱放置。
放置着各种不使用的东西。
放置几乎半个月才使用一次的东西。
虽未达到规定标准,但均分类管理。
只放置每天使用及最低限度的东西。
12345 仓库0 物品塞满杂乱,连行走都不畅通。
物品随便放置,不分类管理。
大致有分类定位,但无标识。
物品定位标识管理,但进出不方便。
任何人\任何时间都容易判断,且仓管员随时都能报出物品存放位置。
1234整顿分项检核要点配分评价项目得分整改措施1 设备仪器0 锈或不能使用的,都杂乱放置。
能使用与不能使用的都放在一起。
能使用的与不能使用的,均注明标识放置。
按使用频率及精密度分类管理。
在任何时间、任何人都能正常使用,处于一目了然状态。
12342 工模具0 同上。
同上。
同上。
12等 3 制作图形标识定位,以目视管理明晰。
不但任何人都一目了然,且用毕维护保养归位。
43 零部件产品材料等0 不良品与良品放在同一区域。
不良品与良品虽分开放置,但无标识。
物品虽标识定位,但未考虑物品的定位安全。
产品柜、货架、桌面物品,放置定位标识。
以图形定位标识管理,使任何人都一目了然。
12344 图纸0 作废图纸与有效图纸存放一处。
以文件夹、图纸柜区分管理,但无标识。
虽然存放标识清楚,但未采用保护措施。
办公室5s标准化管理完整表格办公室5s标准化管理完整表格编制日期审核日期批准日期总则1.1为加强公司办公环境的管理,在办公场内营造一个良好的工作环境,合理使用办公设备设施,保护公司财产,特制定本制度。
一、办公室管理规定办公环境要求1. .1办公环境的日常管理工作由行政部门负责。
1. .2办公环境要保持安静,禁止高声喧哗、打闹、嬉戏及做与工作无关之事。
1. .3办公室内的环境卫生由清洁人员负责清洁。
1. .4公司员工应自觉维护办公场所清洁卫生。
1. .5公司员工同样要爱护公司内的绿化,不得随意往植物上浇水,搬动所摆设的绿化。
1. .6公司员工下班离开岗位,办公桌上不允许摆放其它办公物品(电脑显示器、电话机除外),保持桌面清洁。
1. .7部门最后离开办公室的员工要负责关闭本部门的所有照明和空调设备。
1. .8行政部将不定期地组织环境检查,对违规员工规定进行处罚。
设备设施1. .1各部门要保证办公区域的设备设施的完好,做到人走关停所有设备电源。
1. .2行政部负责设备设施的日常维护、保养工作。
1. .3不得损坏办公场所的设备设施,若有遗失或损坏,将予以赔偿。
安全保卫1. .1行政部负责公司办公区域的安全保卫总监控工作,管理处保安部负责该项工作协助。
1. .2办公时间(上午8:30—下午17:00):由前台文员负责来宾的接待引导工作。
1. .3非办公时间(下午17:30—次日8:30及节假日):由管理处保安部负责指定专人在办公区域的安全保卫工作。
1. .4公司实施门禁系统管理,办公时间内员工应使用员工卡进入各办公区域,员工应妥善保管员工卡,如员工卡丢失要照价赔偿。
1. .5公司实施节假日值班制度,由行政部负责节假日的值班安排和监督工作,值班人员必须按时到岗,并认真履行值班职责。
检查各部门对各项安全制度、安全操作规程是否落实。
值班人员应认真填写值班记录,值班结束,将记录本置于前台,以便次日值班工作的衔接。
精选文档整理分项检核重点分值通道上112东西34作业场所0 1产品资料22工模具3零件4柜、货架132内或上边34桌子上下1 4或抽屉2库房3415库房234评论项目得整顿举措分任意搁置 , 影响通行或垃圾遍地。
虽能通行 , 但要搬移 , 推车不可以过。
搁置物件 , 高出通行道。
虽有东西搁置或超越通路, 但有警告。
无任何东西阻挡安全通行。
一个月以上不用的东西凌乱搁置。
角落里堆放不要的东西。
以不阻碍地搁置,临时不使用的东西。
已依据标准实行管理 , 但不完全。
无任何不需要的东西搁置。
有垃圾及杂物堆放 , 且凌乱。
有破坏或不可以使用的零件或工模具。
能够使用和不使用的东西差别管理。
没有无使用价值的东西寄存。
按使用频次和用途分类表记管理。
不使用东西或资、资料凌乱搁置。
搁置着各样不使用的东西。
搁置几乎半个月才使用一次的东西。
虽未达到规定标准 , 但均分类管理。
只搁置每日使用及最低限度的东西。
物件塞满凌乱 , 连行走都不通畅。
物件随意搁置 , 不分类管理。
大概有分类定位 , 但无表记。
物件定位表记管理 , 但出入不方便。
任何人任何时间都简单判断 , 且仓管员随时都能报出物件寄存地点。
整顿分项检核要配评论项目得分整顿举措点分0锈或不可以使用的,都凌乱搁置。
1能使用与不可以使用的都放在一同。
1设备2能使用的与不可以使用的,均注明表记搁置。
仪器3按使用频次及精细度分类管理。
4在任何时间、任何人都能正常使用,处于一目了然状态。
2工0同上。
模1具2等34零零件1 3产品2资料等341 4图纸2341文件23 5图书4资料精选文档同上。
同上。
制作图形表记定位,以目视管理清楚。
不只任何人都了如指掌,且用毕保护养护归位。
不良品与良品放在同一地区。
不良品与良品虽分开搁置,但无表记。
物件虽表记定位,但未考虑物件的定位安全。
产品柜、货架、桌面物件,搁置定位表记。
以图形定位表记管理,使任何人都了如指掌。
作废图纸与有效图纸寄存一处。
以文件夹、图纸柜划分管理,但无表记。
办公室5s管理制度检查表一、整理(Seiri)1、办公室内的文具、文件、资料是否摆放有序,是否有不必要的物品?2、工作桌面上是否只保留必需的物品,是否有不必要的文件和资料?3、办公桌、文件柜、书架上是否有过期的文件和资料,是否需要清理整理?4、是否配备了合适的收纳盒和文件袋,方便整理和分类文件和资料?二、清扫(Seiton)1、办公桌、文件柜、书架等家具是否经常清洁,是否保持整洁?2、是否定期清理办公室地板和窗户,保持办公室环境清洁?3、是否有专门负责清洁的保洁员,清扫工作是否有序、规范?4、是否保持工作台面整洁,不堆放杂物,保持办公用品清洁整齐?三、整顿(Seiton)1、办公桌、文件柜、书架等家具是否排列整齐,是否按照标准摆放?2、办公室内的工具、设备是否按照规定的位置摆放,方便取用?3、是否配备了合适的文件夹和标签,方便整理和分类文件和资料?4、办公室内的物品是否定期整理、检查,保持有序?四、清洁(Seiso)1、办公桌、文件柜、书架等家具是否经常擦洗,保持清洁?2、是否保持办公室内部的空气清新,保持空气流通?3、办公室内的垃圾桶是否经常清空,保持卫生?4、是否定期对办公室进行大扫除,保持整体清洁?五、素养(Seiketsu)1、员工是否遵守办公室的规章制度,保持良好的行为习惯?2、员工是否保持个人卫生,穿着整洁、形象良好?3、员工是否注重办公室环境的保护,爱护公共设施?4、员工是否注重团队合作,相互尊重、友好相处?六、检查评估1、检查人员是否对办公室5S管理制度执行情况进行定期检查和评估?2、是否对检查结果进行分析,针对问题制定改进措施?3、检查人员是否及时与员工沟通,提出改进意见和建议?4、是否建立了办公室5S管理制度的改进机制,不断提高管理水平?以上就是办公室5S管理制度检查表的内容,通过对办公室环境进行整理、清洁、整顿、清洁和素养的管理,可以提高办公室的管理效率和员工的工作满意度,希望以上内容对您有所帮助。
5S标准表格格式大全
1、红牌作战追踪记录表
部门:责任人:区域:
2、人员去向显示板
注:①、离开岗位人员填写;②、返回后擦掉。
3、物品清单
车间班组工具箱
4、文件/资料标识
注:斜线统一用蓝线,宽0.05厘米。
5、外出必备物品查核表
8、清扫值日表
9、5S培训计划
10、5S责任标签
11、班组5S评比宣传栏样式
12、各部门(班组)问题点改善表
13、心情管理板
注:心情可分高兴(红色)、平常(蓝色)、不高兴(黄色)三种,用磁扣表示。
必须在班会前做好。
14、库存物品揭示板
15、人员配置管理板
16、新员工介绍板
17、工模具交换管理板
18、设备管理板
保全类型保全周期保管员
最近故障
时间及内
容
备注
19、发货状态管理板
序号日期交货客户
A B C D
B
2、将每个客户给予代号,制成牌子;
3、已交货的将牌子翻转(正反面颜色不同),即可一目了然。
5s管理表格大全5s管理表格大全(汇编)目录1、办公室5S检查表2、5S办公室每日清扫安排表3、5S不需要物品处理登记表4、5S会议记录表5、5S活动改善记录表6、5S活动改善通知单7、5S活动概况年表8、5S活动红色单9、5S活动检查表10、5S活动评分规定11、5S活动日常巡回检查表12、5S活动走廊看板13、5S检查评价表汇编14、5S纠正和预防措施改善书15、5S每日清扫值日表16、5S内部审核不符合项纠正表17、制定5S培训计划书18、5S清洁检核要点及评价表19、5S清洁自我查核表20、5S清扫检查要点21、5S清扫检核要点及评价表22、5S清扫时间安排表23、5S清扫时检查对策表24、5S清扫自我查核表25、5S区分必需品和非必需品26、5S上级巡回诊断表27、5S审核计划书28、5S审核总结报告29、生产现场5S检查表30、5S生产现场日常检查表31、5S素养检核要点及评价表32、5S素养自我查核表33、5S推进步骤图34、5S推行计划表35、5S问题改善通知单36、5S需要和不需要基准37、5S需要物品与不需要物品统计表38、5S要与不要清单表39、5S异常情况公布表40、5S异常情况汇总表41、5S运动12种浪费及改善提示42、5S运动审核标准及评估表43、5S运动推进计划书44、5S整顿检核要点及评价表45、5S整顿自我查核表46、5S整理检核要点及评价表47、5S整理整顿标准要求汇编(中英文)48、5S整理自我查核表49、5S制定办公室礼仪守则50、7S整理整顿标准及要求(中英文)51、办公区7S整理实施标准及要求(中英文)52、办公室5S活动标准表53、办公室5S活动清扫值日表54、办公室5S检查表55、仓库整理整顿标准(中英文)56、成立5S推进委员会57、生产车间5S实施计划58、生产车间整理整顿标准(中英文)59、生产现场5S检查表60、生活及公共区7S整理实施标准及要求61、整理和整顿活动检查表62、整理和整顿效果检查表63、清扫、清洁活动检查表64、清扫、清洁效果检查表65、修养效果检查表66、5S 审核清单67、5S整理保管场所分析表68、5S评分表69、5S申诉表70、各部门5S查检表范例办公室5S检查表5S办公室每日清扫安排表5S不需要物品处理登记表5S会议记录表时间:__________________________________________________ 地点:__________________________________________________ 参加人员:______________________________________________ 记录:__________________________________________________使用说明目的:对会议进行记录,以便及时总结会议,并向有关人员颁布,传达会议精神,对会议中讨论的问题进行会后跟踪,滞后项目采取对策。
5S标准格式表格汇编1、红牌作战追踪记录表2、人员去向显示板注:①、离开岗位人员填写;②、返回后擦掉。
3、物品清单车间班组工具箱4、文件/资料标识注:斜线统一用蓝线,宽0.05厘米。
5、外出必备物品查核表8、清扫值日表9、5S培训计划10、5S责任标签11、班组5S评比宣传栏样式12、各部门(班组)问题点改善表13、心情管理板须在班会前做好。
14、库存物品揭示板15、人员配置管理板16、新员工介绍板学校格言17、刀具交换管理板刀具交换管理板(线名 设备名 ) 责任人:工具名 规 格 下次预定 交换时间 前次交换时间备 注18、设备管理板 设备名称 规 格 操作者 购买日期 厂 家 电 话 保全类型 保全周期保管员 最近故障时间及内容 备 注19、发货状态管理板 序号 日期 交 货 客 户注:1、每周依交货计划排入;2、将每个客户给予代号,制成牌子;3、已交货的将牌子翻转(正反面颜色不同),即可一目了然。
24、工序生产作业记录工序名称ABC DB25、工序生产管理板26、合理化建议书现场改善成果申报表员工多技能素质表部门班组名称班次填表人日期工位号`班组成员姓名更改日期多技能率处于学习阶段能保质保量完成工作能指导他人工作能独立发现改进措施并加以实施多技能率=班组成员掌握(能保质、保量完成工作)的工位数之和/(员工数×工位数)标签及目视板格式备注:凡是未定义部分,各单位可自己规定。
整分项检核重点通道上1东西作业场所产品资料2工模具零件柜、货架3内或上边桌子上下4或抽屉库房5仓库分值12341234123412341234理评论项目得整顿举措分任意搁置 ,影响通行或垃圾遍地。
虽能通行 ,但要搬移 ,推车不可以过。
搁置物件 ,高出通行道。
虽有东西搁置或超越通路,但有警告。
无任何东西阻挡安全通行。
一个月以上不用的东西凌乱搁置。
角落里堆放不要的东西。
以不阻碍地搁置,临时不使用的东西。
已依据标准实行管理 ,但不完全。
无任何不需要的东西搁置。
有垃圾及杂物堆放 ,且凌乱。
有破坏或不可以使用的零件或工模具。
能够使用和不使用的东西差别管理。
没有无使用价值的东西寄存。
按使用频次和用途分类表记管理。
不使用东西或资、资料凌乱搁置。
搁置着各样不使用的东西。
搁置几乎半个月才使用一次的东西。
虽未达到规定标准 ,但均分类管理。
只搁置每日使用及最低限度的东西。
物件塞满凌乱 ,连行走都不通畅。
物件随意搁置 ,不分类管理。
大概有分类定位 ,但无表记。
物件定位表记管理 ,但出入不方便。
任何人任何时间都简单判断 ,且仓管员随时都能报出物件寄存地点。
整顿分项配评价项目得分整顿举措检核重点分0锈或不可以使用的,都凌乱搁置。
1能使用与不可以使用的都放在一同。
1设备能使用的与不可以使用的,均注明表记搁置。
2仪器按使用频次及精细度分类管理。
34在任何时间、任何人都能正常使用,处于了如指掌状态。
工0同上。
2模1同上。
具2同上。
等3制作图形表记定位,以目视管理清楚。
4零零件1 3产品2资料等341 4图纸234文件12 5图书3资料4分项检核重点通1道作业2场所办公室3作业台玻璃窗4门框设备5仪器不只任何人都了如指掌,且用毕保护养护归位。
不良品与良品放在同一地区。
不良品与良品虽分开搁置,但无表记。
物件虽表记定位,但未考虑物件的定位安全。
产品柜、货架、桌面物件,搁置定位表记。
以图形定位表记管理,使任何人都了如指掌。
作废图纸与有效图纸寄存一处。
5S管理表格大全5S 審核清單機構名稱:工作地點:日期:時間:審核員姓名/簽署:以下5S審核清單可作為機構進行自我視察時的樣本,大家應因應機構的獨有情況而將審核項目作出適當更改後才使用。
1. 整理__________________ 公司的5S 推廣活動表__________________ 公司的5S 宣傳工具表公司的5S 訓練計劃表__________________ 公司的5S 訓練簽到記錄公司的5S 政策公司在香港從事業務年。
作為負責任的機構及香港的一份子,除了不斷提供高水準的服務和產品外,亦會致力確保所有僱員及受影響人仕的安全和健康。
本公司會致力透過推動5S,為僱員建立一個既安全又舒適的工作環境,並希望藉此促進同事間的互相了解,改善溝通及建立團隊精神。
本人負責領導推行公司的5S工作,所有僱員都要對工作場所整理負有責任,大家必須同心協力,不斷改善工作環境的安全及健康。
本公司會成為所有僱員提供足夠資料及訓練,以確保大家明白如何實踐良好工作場所整埋。
我們亦會定期公佈5S的執行進度及成效,促進全員一致投入工作場所的整理工作。
總經理公司年月日公司的5S目標¨消除不必要的浪費¨提高產品質素,減少產品出現疵點而要翻工¨建立一個安全及健康的工作環境¨增加工作效率¨加強員工的歸屬感和提高士氣¨促進同事間的互相了解,改善溝通及建立團隊精神¨¨¨公司的5S行動計劃表公司的5S執行委員會職能¨擬定5S行動計劃,這包括製定工作時間表¨協助訂立5S手冊及守則,為員工執行5S工作提供指引¨協助成立工作小組,確立每位員工執行5S的職責¨安排有關5S知識的培訓,並監察這些訓練是否有效¨舉辦促進5S的活動,例如工場整潔比賽、展覽會等¨監察5S的執行進行及成效¨¨¨__________________ 公司的清掃時間表__________________ 公司的清掃守則_______________ 公司的識別工作區域系統__________________ 公司的識別物品系統表公司分別需要和不需要物品的準則__________________ 公司工作環境的安全及健康問題公司清掃時檢查的對策表公司員工的5S職責1 姓名:________________________________________________________ 職位:________________________________________________________ 職責:________________________________________________________2 姓名:________________________________________________________ 職位:________________________________________________________ 職責:________________________________________________________3 姓名:________________________________________________________ 職位:________________________________________________________ 職責:________________________________________________________4 姓名:________________________________________________________ 職位:________________________________________________________ 職責:________________________________________________________5 姓名:________________________________________________________ 職位:________________________________________________________ 職責:________________________________________________________。
整理分项检核要点分值评价项目得分整改措施1 通道上东西0 随意放置,影响通行或垃圾遍地。
虽能通行,但要搬移,推车不能过。
放置物品,超出通行道。
虽有东西放置或超越通路,但有警示。
无任何东西阻碍安全通行。
12342 作业场所产品材料工模具零件0 一个月以上不用的东西杂乱放置。
角落里堆放不要的东西。
以不妨碍地放置,暂时不使用的东西。
已按照标准实施管理,但不彻底。
无任何不需要的东西放置。
12343 柜、货架内或上面0 有垃圾及杂物堆放,且杂乱。
有损坏或不能使用的零件或工模具。
可以使用和不使用的东西区别管理。
没有无使用价值的东西存放。
按使用频率和用途分类标识管理。
12344 桌子上下或抽屉仓库0 不使用东西或资、材料杂乱放置。
放置着各种不使用的东西。
放置几乎半个月才使用一次的东西。
虽未达到规定标准,但均分类管理。
只放置每天使用及最低限度的东西。
12345 仓库0 物品塞满杂乱,连行走都不畅通。
物品随便放置,不分类管理。
大致有分类定位,但无标识。
物品定位标识管理,但进出不方便。
任何人\任何时间都容易判断,且仓管员随时都能报出物品存放位置。
1234整顿分项检核要点配分评价项目得分整改措施1 设备仪器0 锈或不能使用的,都杂乱放置。
能使用与不能使用的都放在一起。
能使用的与不能使用的,均注明标识放置。
按使用频率及精密度分类管理。
在任何时间、任何人都能正常使用,处于一目了然状态。
12342 工模具等0 同上。
同上。
同上。
制作图形标识定位,以目视管理明晰。
不但任何人都一目了然,且用毕维护保养归位。
12343 零部件产品材料等0 不良品与良品放在同一区域。
不良品与良品虽分开放置,但无标识。
物品虽标识定位,但未考虑物品的定位安全。
产品柜、货架、桌面物品,放置定位标识。
以图形定位标识管理,使任何人都一目了然。
12344 图纸0 作废图纸与有效图纸存放一处。
以文件夹、图纸柜区分管理,但无标识。
虽然存放标识清楚,但未采用保护措施。
外层采用不易污迹或破损保护措施。
任何时间,都保护良好的使用状态。
12345 文件图书资料零乱放置桌面或文件柜中,无标识区别。
虽有标识,但存放无定位,需要花时间寻找。
个人文件与公司文件虽定位化,但在共同场所保管。
以电脑或文字处理机储存管理且检索方便。
以定位化日视管理,在任何时间、任何人都能马上取之使用(15秒内)。
1234清扫分项检核要点配分评价项目得分整改措施1 通道0 纸屑、垃圾随处可见。
虽无明显垃圾,但有细碎垃圾、灰尘。
每天都安排人员清扫。
不但干净,而且无坑凹积尘。
有使其不肮脏的预防对策。
12342 作业场所0 同上。
同上。
同上。
同上。
同上。
12343 办公室作业台0 文件、电话、工模具、零件表面有灰尘。
文件架、工模具、零件等下面积有灰尘。
虽有灰尘,但每天都清扫一次以上。
每天清扫,连抽屉也很干净。
随时检查桌、台各方位都很干净。
12344 玻璃窗门框0 任凭玻璃窗、门框破损状态。
玻璃污迹、窗框积有灰尘。
玻璃、窗框、门框上有灰尘。
玻璃、窗框、门框基本干净。
随时检查都很干净,并有保持干净状态对策。
12345设备仪器工模具0 有生锈污迹、斑点、积尘。
虽无锈迹,但沾有油污手垢。
用于操作或使用部位干净。
连设备运转时的切屑、油液处理很干净。
有防止污迹锈斑产生,保持干净对策。
1234清洁分项检核要点配分评价项目得分整改措施1 通道与作业区0 无标识区分。
虽区分,但不明晰。
虽区分明晰,但标识破损不堪。
各区域标识清晰。
任何人视之,均舒适清晰满意。
12342 地面0 表面积有油或水迹。
因为油、污水未及时擦净,留下污迹。
表面干净,但有凹坑积水。
视、摸、擦之均为干净状态。
有防止油液、污水不滴落地面之措施。
12343 办公桌作业台椅子0 污垢、灰尘明显,不便于使用。
虽经清扫、便留有污迹。
表面干净,挡架有积尘。
有定人定时清理制度。
任何人视之、摸之均为满意状态。
12344 厕所0 便器、洁具肮脏,不清洗。
虽经清洗,但留有污迹。
虽视之干净,便臭味明显。
有清洗作业标准,县城每天实施。
即干净无异味,有花饰点缀气氛。
12345 环境设施0 阴暗、气流不畅,墙地破损。
照明、采光、气流尚好,但墙地破损。
设施基本完好,但有缺损未及时整修。
有专人或定期点检维修制度。
始终保持通见流畅、采光明朗等设施完好状态。
1234素养分项检核要点配分评价项目得分整改措施1 规范制度0 完全没有5S制度和宣贯意识。
有5S制度目标,因宣教不力难以推行。
已贯彻实施,但无制定目标,效果欠佳。
明示5S实施计划,有定期检查制度。
目标明确,全员参与,有专管员追踪检核制度。
12342 日常活动0 完全没有推行。
虽然已推行,但无目标计划。
每天朝礼或交接班提示。
作业段落加以整理、整顿、清扫、保持清洁。
以目视管理方式,使全员都感到工作环境舒适满意。
12343 服饰0 服装,发饰肮脏且有异味。
服饰整洁,但拖鞋不干净。
服饰整洁,便缺员工牌及相关配饰。
服装,发饰清洁,有清洗规律制约。
服饰等在品质,安全,美观上都符合要求。
12344 语言行为0 没有礼貌用语,行为规范意识。
作业时间吃零食或谈讼论与工作无关话题。
平时已实施,但上下班不打招呼。
全员已推行,某些细节忽略未加注意。
礼貌用语,行为规范均满足纲领要求。
12345 时间管理0 大家对作业、会议,时间观念散漫。
偶尔有朝礼,会议,上班时间已到,还在作准备工作或迟到赶不上约定时间,但会提前联络在预定时间内,能按时完成任务。
没有无故迟到现象,并有相应制度约束。
1234TQC和5S比较区分TQC(品质侧)5S(环境侧)目的企业的体质改善管理对象品质(Output侧,结果)环境(Input侧,原因)目标达成的手段管理的体系化人管理的体系化(系统化、标准化)--软环境的改善--现场现物应有姿态的实现--硬环境的改善--小集团活动小组活动岗位活动活动一体化目标PPM之品质(不良品0)损耗、浪费的彻底排除(以0为目标)12种的浪费及改善提示浪费的型态例改善提示1.取放时的材料、工具的取放位置使易取、易放并标准化2.等待的出现等待时间多能化训练3.动作的材料、工具等的放置方法材料、工具放置方法之重新检讨,两手同时作业4.生产过多的预行生产设定标准中间制品量,到达标准量后即停止5.整修品、不良出现不良品工具、夹具之重新设计、防呆装置(Fool proof)品、退货的6.换模的更改生产项目时的时间换模方式之改进表的设计7.搬运的流程不顺搬运器具之设计8.加工方法的无意义的作业方法改良加工方法9.材料、副料的材料用量过多标准用量之决定10.转记的各种报表的整理、重记表格之重新设计、有效利用11.未清扫、废料、半成品堆积现象不用物品立刻丢弃,每项物品均需定位未整理的12.传达、联络规格变更时之联络联络、确认方法之重新检讨方式不良的5S上级巡回诊断表项目序号内容扣分1. 地上1.1地面1.1.1 地上不摆放不要品1.1.2 地上无垃圾1.1.3 地面保持清洁、干净1.1.4 地面上摆放的物品已定位1.1.5 地面上的定位保持完整1.1.6 暂放物有挂“暂放牌”1.2垃圾桶1.2.1 垃圾桶本身保持干净1.2.2 垃圾没有满出来1.3盆景、摆设1.3.1 盆景定期浇水,泥土没有干燥1.3.2 盆景叶子保持干净1.3.3 盆景无枯黄2. 办公设备2.1办公桌2.1.1 台面保持干净2.1.2 台面物品按定位摆放(除正在使用外)2.1.3 办公抽屉不杂乱2.1.4 办公桌按定位摆放2.2茶水处2.2.1 室内茶水处保持干爽2.2.2 室内、外茶水处保持整洁2.2.3 室内茶具齐备2.2.4 室外热水器保持正常有效状态,无漏水2.3其它办公设施2.3.1消毒柜、空调、电脑、照明灯、复印机、传真机、碎纸机等保持正常有效状态2.3.2 以上设施保持干净2.3.3 管路线、配线不杂乱┇┇┇┇┆NO 现象面要点主要对策灰尘、污垢、铁锈、纸屑、粉1 垃圾、脏污清扫尘、其他污染漏油、断油、油种错误、油量2 油修理、加油、换油、清扫不足3 温度、压力超高温、超压、温度、压力不修理至恢复原状为止清扫检查要点5S活动红色单品名:张贴日:填单人:责任单位:改善事项:未定位不清洁足、异常4 松动、松脱螺栓、螺帽、轮带、熔接松动、松脱锁紧、更换、复原修理5 破损导管弯折、破裂、开关破损、把手破损、回转处卡死更换、复原修理未区不安全分不合不要理改善期限:日备注:5S活动走廊5S活动走廊本月活动重点改善前后定点摄影红牌作战记录公告栏改善对策一览表需要和不需要基准类别基准分类要1、用的机器设备、电气装置;2、工作台、材料架、板凳;3、使用的工装、模具、夹具等;4、原材料、半成品、成品等;5、栈板、周转箱、防尘用具;6、办公用品、文具等;7、使用中的看板、海报等;8、各种清洁工具、用品等;9、文件和资料、图纸、表单、记录、档案等;10、作业指导书、作业标准书、检验用的样品等。
不要A、地板上1、杂物、灰尘、纸屑、油污等;2、不再使用的工装、模具、夹具等;3、不再使用的办公用品;4、破烂的垃圾筒、周转箱、纸箱等;5、呆滞物料等。
B、工作台1、过时的报表、资料;2、损坏的工具、样品等;3、多余的材料等;4、私人用品。
C、墙上1、蜘蛛网;2、老旧无用的标准书;3、老旧的海报标语;D、空中D、空中1、不再使用的各种挂具;3、无用的各种管线;4、无效的标牌、指示牌等。
制定“要”和“不要”的基准表,并召集相关部门开会讨论和决议准表,同时反省不要品产生的根源。