007.混凝土抗压强度检验(试验)委托单-标样概论
- 格式:doc
- 大小:2.30 MB
- 文档页数:100
关于进一步加强建设工程见证取样和送检工作的几点要求锡质监字〔2006〕07号各建设(监理)单位、施工单位、工程质量检测机构:建设工程实行见证取样和送检制度自正式实施以来已有较长时间,取得了一定的成绩,对保证工程质量发挥了积极的作用,但在具体实施过程中,尚存在一些薄弱环节。
为进一步完善建设工程见证取样送检工作,提高检测工作的公正性和准确性,保证工程质量,现根据建设部、省建设厅有关见证取样送检和建设工程质量检测的规定,结合当前我市实际情况,提出如下要求:1.见证取样送检工作应遵照建设部《建设工程质量检测管理办法》、《房屋建筑工程和市政基础设施工程实行见证取样和送检的规定》、《江苏省建设工程质量检测见证取样送检暂行规定》及其它国家和地方的有关法规文件、技术标准执行。
2.建设单位到工程质量监督部门办理监督手续后,应向工程所在地的工程质量监督部门和承接该工程质量检测的工程质量检测机构递交《见证取样送检人员授权委托书》(见附件表一)。
3.从事见证取样送检工作的相关人员应经过培训考核合格取得《无锡市建设工程质量检测见证取样培训合格证》后方可上岗,并应定期参加建设行政主管部门组织的学习和培训。
4.在施工过程中,建设(监理)单位见证人员应按照见证取样和送检计划,对施工现场的取样和送检进行见证,施工单位取样人员应按有关技术标准(规范)的规定从检测对象中抽取试样,在试样或其包装上作出标识、封志。
标识和封志应标明工程名称、取样部位、取样日期、样品名称和样品数量,并由见证人员和取样人员签字。
(见附件表二)5.见证取样的试块、试件和材料送检时,应由委托单位填写全市统一的材料见证取样送检委托单,委托单应有见证取样送检相关人员签字。
见证记录应归入施工技术档案。
(见附件表三、表四)6.预拌混凝土生产单位应参与相关见证取样送检工作,现场试验员(代表)应在材料见证取样送检委托单上签字,必要时,其它材料供应单位也可参加见证取样送检工作。
混凝土抗压强度试验委托合同单合同注册号:箱号:样品编号委托日期工程名称委托单位委托人电话建设单位施工单位监理单位见证人施工部位工程量3坍落度mm m搅拌方法□机械□人工捣固方法□机械□人工混凝土种类□预拌混凝土□现场搅拌混凝土设计强度等级生产单位成型日期试件规格□100mm× 100mm× 100mm □150 mm×150mm× 150mm□ 200 mm× 200mm×200mm 养护条件□标养□ 自然养护□同条件养护样品数量样品状态□立方体试块、完好□ 缺棱、掉角依据标准□GB/T50081-2002□其它:检测项目□立方体抗压强度□试验单砂率水灰比混凝土材料用量(kg/m 3)编号( %)配合比水泥砂石子水掺合料外加剂说明:1.有关委托单位和样品的信息由委托方填写,委托方对其真实性负责;样品状态由中心经手人填写,其他信息由双方商定。
2.见证取样时,见证取样人对样品的真实性负责。
3.当检验项目中有分包等其它情况时,应在备注栏中注明。
4.本委托合同单一经双方经手人签字确认即具有法律效力。
收样人:混凝土抗压强度试验任务单样品编号委托日期成型日期设计强度等级试件规格□100mm× 100mm× 100mm□ 150 mm× 150mm×150mm□ 200 mm× 200mm× 200mm依据标准□GB/T50081-2002□其它检测项目□立方体抗压强度□收样人:混凝土抗压强度试验报告领取单样品编号领取时间领取人收费金额交款情况□已交□未交□记账收款人:经办人:经办人:。
混凝土抗压检测委托书范本尊敬的XXX检测机构:您好!我单位(以下简称“委托方”)因工程需要,特委托贵机构对其所提供的混凝土试块进行抗压强度检测。
现将有关情况说明如下:一、工程概况1. 工程名称:XXXX工程2. 工程地点:XXXX地区3. 建设单位:XXXX公司4. 施工单位:XXXX公司5. 监理单位:XXXX公司二、试块信息1. 构件名称:混凝土试块2. 构件部位:XXXX部位3. 规格型号:XXXX4. 强度等级:XXXX5. 砼制作日期:XXXX年XX月XX日6. 养护方式:标准养护三、检测信息1. 检测参数:抗压强度2. 检测龄期:28天3. 检测依据:国家标准《普通混凝土力学性能试验方法标准》(GB/T 50081-2002)四、检测要求1. 请贵机构严格按照国家标准进行检测,并出具正式的检测报告。
2. 检测报告应包括试块抗压强度、试验日期、试验人员等信息。
3. 请贵机构在收到试块后尽快进行检测,并确保检测结果的准确性。
五、委托方责任1. 委托方应确保提供的试块符合国家标准和工程要求。
2. 委托方应提供试块的详细信息,并确保信息的准确性。
3. 委托方应对提供的试块负责,确保试块的质量和合法性。
六、其他事项1. 检测费用由委托方承担,具体费用请提前告知。
2. 检测过程中如出现任何问题,请及时与委托方联系。
3. 检测报告请邮寄至委托方地址,或由委托方派专人领取。
特此委托!委托单位:(盖章)联系人:(签名)联系电话:地址:日期:附件:1. 混凝土试块检测委托单2. 试块详细信息注:本委托书仅供参考,具体内容请根据实际情况进行修改。
如有需要,请咨询专业律师或相关机构。
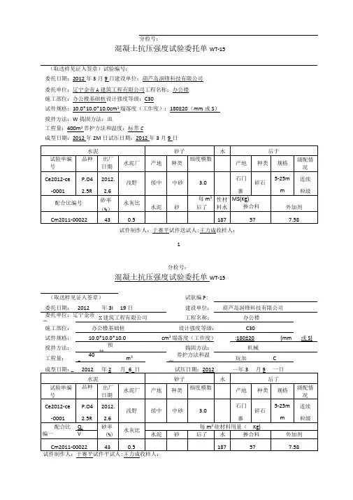
分检号:
混凝土抗压强度试验委托单WT-15
(取送样见证人签章)试验编号:
委托日期:2012年3月9日建设单位:葫芦岛润锋科技有限公司 委托单位:辽宁金帝A 建筑工程有限公司工程名称:办公楼 施工部位:办公楼基础桩设计强度等级:C30
试件规格:10.0*10.0*10.0cm 3塌落度(工作度):180±20(mm 或S ) 搅拌方法:W 捣固方法:皿
工程量:400m 3养护方法和温度:标养C
成型日期:2012年2M 日试压日期:2012年3月9日
试件制作人:于赛平试件送试人:王力成收样人:
1
分检号:
混凝土抗压强度试验委托单WT-15
(取送样见证人签章)
19日
试驮编P: 委托日期: 2012 年3I 建设单位:
葫芦岛润锋科技有限公司
委托单位:辽宁金帝堂
X 建筑工程有限公司 工程名称:
办公楼
施工部位: 办公楼基础桩
设计强度等级:
C30
试件规格:
10.0*10.0*10.0
cm 3塌落度(工作度)
:180±20
(mm
或S)
搅拌方法:
预
拌
捣固方法:
机械
工程量:
40
m 3
养护方法和温
度
玩加
C
试件制作人:于赛平试件平试人:王力成收样人:。
混凝土强度评定委托书尊敬的XXX检测机构:您好!我单位(以下简称“委托方”)因工程需要,特委托贵机构对其所需的混凝土强度进行评定。
为确保评定工作的准确性和公正性,现将相关事宜明确如下:一、委托内容1. 委托方提供混凝土试块,贵机构负责对试块进行强度评定。
2. 评定内容包括:立方体抗压强度、抗折强度等。
3. 委托方提供的试块数量为XX个。
4. 请贵机构按照《混凝土强度检验标准》(GB/T 50081-2002)进行评定。
二、时间要求1. 贵机构收到试块后,应在5个工作日内完成强度评定。
2. 请贵机构在强度评定完成后,及时向委托方出具评定报告。
三、费用及支付方式1. 委托方应支付给贵机构的检测费用为人民币XX元整(大写:人民币叁佰元整)。
2. 委托方在收到贵机构出具的评定报告后,一次性支付检测费用。
四、保密条款1. 贵机构在完成强度评定过程中,应对委托方提供的试块信息保密,不得泄露给第三方。
2. 双方应对评定过程中的技术交流、数据等信息予以保密,未经对方同意,不得向第三方披露。
五、争议解决1. 双方在履行本委托书过程中发生的争议,应首先通过友好协商解决。
2. 若协商不成,任何一方均有权向合同签订地人民法院提起诉讼。
六、其他约定1. 本委托书一式两份,双方各执一份。
2. 本委托书自双方签字(或盖章)之日起生效,有效期至委托内容完成之日止。
委托方(盖章):____________联系人:____________联系电话:____________地址:____________邮编:____________检测机构(盖章):____________联系人:____________联系电话:____________地址:____________邮编:____________签订日期:____年__月__日(注:本范本仅为参考,具体内容请根据双方实际情况进行调整。
)。
委托单编号:JDJE-TJ-001见证单位:山西锦通工程项目管理咨询有限公司见证人:见证日期:年月日委托单编号:JDJE-TJ-002见证单位:山西锦通工程项目管理咨询有限公司见证人:见证日期:年月日委托单编号:JDJE-TJ-003见证单位:山西锦通工程项目管理咨询有限公司见证人:见证日期:年月日委托单编号:JDJE-TJ-004见证单位:山西锦通工程项目管理咨询有限公司见证人:见证日期:年月日委托单编号:JDJE-TJ-005见证单位:山西锦通工程项目管理咨询有限公司见证人:见证日期:年月日委托单编号:JDJE-TJ-006见证单位:山西锦通工程项目管理咨询有限公司见证人:见证日期:年月日委托单编号:JDJE-TJ-007见证单位:山西锦通工程项目管理咨询有限公司见证人:见证日期:年月日委托单编号:JDJE-TJ-008见证单位:山西锦通工程项目管理咨询有限公司见证人:见证日期:年月日委托单编号:JDJE-TJ-009见证单位:山西锦通工程项目管理咨询有限公司见证人:见证日期:年月日委托单编号:JDJE-TJ-010见证单位:山西锦通工程项目管理咨询有限公司见证人:见证日期:年月日委托单编号:JDJE-TJ-011见证单位:山西锦通工程项目管理咨询有限公司见证人:见证日期:年月日委托单编号:JDJE-TJ-012见证单位:山西锦通工程项目管理咨询有限公司见证人:见证日期:年月日委托单编号:JDJE-TJ-013见证单位:山西锦通工程项目管理咨询有限公司见证人:见证日期:年月日委托单编号:JDJE-TJ-014见证单位:山西锦通工程项目管理咨询有限公司见证人:见证日期:年月日委托单编号:JDJE-TJ-015见证单位:山西锦通工程项目管理咨询有限公司见证人:见证日期:年月日委托单编号:JDJE-TJ-023见证单位:山西锦通工程项目管理咨询有限公司见证人:见证日期:年月日委托单编号:JDJE-TJ-024见证单位:山西锦通工程项目管理咨询有限公司见证人:见证日期:年月日委托单编号:JDJE-TJ-025见证单位:山西锦通工程项目管理咨询有限公司见证人:见证日期:年月日委托单编号:JDJE-TJ-026见证单位:山西锦通工程项目管理咨询有限公司见证人:见证日期:年月日委托单编号:JDJE-TJ-027见证单位:山西锦通工程项目管理咨询有限公司见证人:见证日期:年月日委托单编号:JDJE-TJ-028见证单位:山西锦通工程项目管理咨询有限公司见证人:见证日期:年月日委托单编号:JDJE-TJ-029见证单位:山西锦通工程项目管理咨询有限公司见证人:见证日期:年月日委托单编号:JDJE-TJ-030见证单位:山西锦通工程项目管理咨询有限公司见证人:见证日期:年月日委托单编号:JDJE-TJ-031见证单位:山西锦通工程项目管理咨询有限公司见证人:见证日期:年月日委托单编号:JDJE-TJ-032见证单位:山西锦通工程项目管理咨询有限公司见证人:见证日期:年月日委托单编号:JDJE-TJ-033见证单位:山西锦通工程项目管理咨询有限公司见证人:见证日期:年月日委托单编号:JDJE-TJ-034见证单位:山西锦通工程项目管理咨询有限公司见证人:见证日期:年月日委托单编号:JDJE-TJ-035见证单位:山西锦通工程项目管理咨询有限公司见证人:见证日期:年月日委托单编号:JDJE-TJ-036见证单位:山西锦通工程项目管理咨询有限公司见证人:见证日期:年月日委托单编号:JDJE-TJ-037见证单位:山西锦通工程项目管理咨询有限公司见证人:见证日期:年月日委托单编号:JDJE-TJ-038见证单位:山西锦通工程项目管理咨询有限公司见证人:见证日期:年月日委托单编号:JDJE-TJ-039见证单位:山西锦通工程项目管理咨询有限公司见证人:见证日期:年月日委托单编号:JDJE-TJ-040见证单位:山西锦通工程项目管理咨询有限公司见证人:见证日期:年月日委托单编号:JDJE-TJ-041见证单位:山西锦通工程项目管理咨询有限公司见证人:见证日期:年月日委托单编号:JDJE-TJ-042见证单位:山西锦通工程项目管理咨询有限公司见证人:见证日期:年月日委托单编号:JDJE-TJ-043见证单位:山西锦通工程项目管理咨询有限公司见证人:见证日期:年月日委托单编号:JDJE-TJ-044见证单位:山西锦通工程项目管理咨询有限公司见证人:见证日期:年月日委托单编号:JDJE-TJ-045见证单位:山西锦通工程项目管理咨询有限公司见证人:见证日期:年月日委托单编号:JDJE-TJ-046见证单位:山西锦通工程项目管理咨询有限公司见证人:见证日期:年月日委托单编号:JDJE-TJ-047见证单位:山西锦通工程项目管理咨询有限公司见证人:见证日期:年月日委托单编号:JDJE-TJ-048见证单位:山西锦通工程项目管理咨询有限公司见证人:见证日期:年月日委托单编号:JDJE-TJ-049见证单位:山西锦通工程项目管理咨询有限公司见证人:见证日期:年月日委托单编号:JDJE-TJ-050见证单位:山西锦通工程项目管理咨询有限公司见证人:见证日期:年月日委托单编号:JDJE-TJ-051见证单位:山西锦通工程项目管理咨询有限公司见证人:见证日期:年月日委托单编号:JDJE-TJ-054见证单位:山西锦通工程项目管理咨询有限公司见证人:见证日期:年月日委托单编号:JDJE-TJ-055见证单位:山西锦通工程项目管理咨询有限公司见证人:见证日期:年月日委托单编号:JDJE-TJ-056见证单位:山西锦通工程项目管理咨询有限公司见证人:见证日期:年月日委托单编号:JDJE-TJ-057见证单位:山西锦通工程项目管理咨询有限公司见证人:见证日期:年月日委托单编号:JDJE-TJ-058见证单位:山西锦通工程项目管理咨询有限公司见证人:见证日期:年月日委托单编号:JDJE-TJ-059见证单位:山西锦通工程项目管理咨询有限公司见证人:见证日期:年月日。
混凝土监测委托书混凝土监测委托书是在建筑工程中常见的一种文件,用于委托专业机构对混凝土在施工过程中的质量进行监测和检测。
这一关键的监测过程有助于确保建筑物的结构强度和耐久性,以及减少潜在的施工质量问题和安全隐患。
在摘要中,我将介绍混凝土监测委托书的重要性以及其基本内容要求。
随后,我将详细讨论混凝土监测委托书的主要结构和内容,包括委托方和委托对象的基本信息、监测的范围和要求、监测的方法和标准、监测结果的报告形式等方面。
最后,我将探讨混凝土监测委托书的执行过程和注意事项,以及相关法律法规的要求和规定。
混凝土监测委托书的重要性混凝土是建筑工程中常用的一种结构材料,其质量直接影响到建筑物的安全性和使用寿命。
因此,在混凝土施工过程中进行监测和检测是非常必要的,能够及时发现施工质量问题并采取有效措施加以解决。
混凝土监测委托书作为委托监测机构进行监测工作的依据,是保障施工质量和建筑安全的重要文件。
混凝土监测委托书的基本内容要求混凝土监测委托书通常包括以下基本内容要求:1. 委托方信息:包括委托单位名称、地址、联系人及联系方式等;2. 委托对象信息:包括监测机构名称、资质证书号码、地址、联系人及联系方式等;3. 监测范围和要求:明确监测的具体内容和范围,如混凝土配合比、坍落度、抗压强度等监测项目,以及监测的频率和要求等;4. 监测方法和标准:说明监测所采用的方法和标准,确保监测过程科学、规范和客观;5. 监测结果的报告形式:要求监测机构及时出具监测报告,并按照约定的形式提交给委托方。
混凝土监测委托书的主要结构和内容一个完整的混凝土监测委托书通常包括以下几个主要部分:1. 委托方信息:包括委托单位名称、地址、联系人及联系方式等;2. 委托对象信息:包括监测机构名称、资质证书号码、地址、联系人及联系方式等;3. 监测范围和要求:明确监测的具体内容和范围,包括监测项目、监测频率和要求等;4. 监测方法和标准:说明监测所采用的方法和标准,确保监测过程科学、规范和客观;5. 报告要求:要求监测机构及时出具监测报告,并按照约定的形式提交给委托方;6. 结束条件:规定监测工作结束的条件和流程;7. 其他约定事项:包括委托方和委托对象在监测工作中应遵守的其他规定和约定事项。
施工单位: 北京市海龙公路工程公司工程名称及部位: 北京市六环路(良乡-寨口)段公路工程第4# 合同段设计强度: C25 拟定强度: MPa要求坍落度: mm实测坍落度: mm 水泥品种及标号: 厂别出厂日期试验编号:砂子产地及品种: 细度模数含泥量% 试验编号石子产地及品种: 最大粒径mm含泥量: % 试验编号掺和料名称: 产地占水泥用量的% 外加剂名称: 产地占水泥用量% 施工配合比水灰比砂率%制模日期要求龄期 d 要求试验日期试块收到日期: 试块养护条件试验委托人混泥土抗压强度委托单委托编号: 试验编号:施工单位: 北京市海龙公路工程公司工程名称及部位: 北京市六环路(良乡-寨口)段公路工程第4# 合同段设计强度: 拟定强度: MPa要求坍落度: mm实测坍落度: mm 水泥品种及标号: 厂别出厂日期试验编号:砂子产地及品种: 细度模数含泥量% 试验编号石子产地及品种: 最大粒径mm含泥量: % 试验编号掺和料名称: 产地占水泥用量的% 外加剂名称: 产地占水泥用量% 施工配合比水灰比砂率%施工单位: 北京市海龙公路工程公司工程名称及部位: 北京市六环路(良乡-寨口)段公路工程第4# 合同段页岩砖厂路分离式立交桥桩基0-1#设计强度: C25 拟定强度: 33.2MPa要求坍落度: 180~220 mm实测坍落度: 200 mm 水泥品种及标号: P.0 42.5 厂别:新港皇牌出厂日期2008-12-26 试验编号: 2007-00120砂子产地及品种: 榆树庄中砂细度模数 2.4 含泥量 2.2 % 试验编号2007-00061石子产地及品种: 门头沟碎石最大粒径25 mm含泥量: 0.3 % 试验编号2007-00068 掺和料名称: Ⅰ级粉煤灰产地衡水衡冠占水泥用量的16 % 外加剂名称: RHF-3泵送剂产地宏伟科奥占水泥用量 2.2 % 施工配合比: 1:0.49:2.32:2.83 水灰比0.49 砂率45 %制模日期2008.1.12 要求龄期7 d 要求试验日期2008.1.19试块收到日期: 试块养护条件标养试验委托人李天瞿混泥土抗压强度委托单委托编号: 试验编号:施工单位: 北京市海龙公路工程公司工程名称及部位: 北京市六环路(良乡-寨口)段公路工程第4# 合同段页岩砖厂路分离式立交桥桩基0-1#设计强度: C25 拟定强度: 33.2MPa要求坍落度: 180~220 mm实测坍落度: 200 mm 水泥品种及标号: P.0 42.5 厂别:新港皇牌出厂日期2008-12-26 试验编号: 2007-00120砂子产地及品种: 榆树庄中砂细度模数 2.4 含泥量 2.2 % 试验编号2007-00061石子产地及品种: 门头沟碎石最大粒径25 mm含泥量: 0.3 % 试验编号2007-00068 掺和料名称: Ⅰ级粉煤灰产地衡水衡冠占水泥用量的16 % 外加剂名称: RHF-3泵送剂产地宏伟科奥占水泥用量 2.2 % 施工配合比: 1:0.49:2.32:2.83 水灰比0.49 砂率45 %施工单位: 北京市海龙公路工程公司工程名称及部位: 北京市六环路(良乡-寨口)段公路工程第4# 合同段页岩砖厂路分离式立交桥桩基0-2#设计强度: C25 拟定强度: 33.2MPa要求坍落度: 180~220 mm实测坍落度: 200 mm 水泥品种及标号: P.0 42.5 厂别:新港皇牌出厂日期2008-12-26 试验编号: 2007-00120砂子产地及品种: 榆树庄中砂细度模数 2.4 含泥量 2.2 % 试验编号2007-00061石子产地及品种: 门头沟碎石最大粒径25 mm含泥量: 0.3 % 试验编号2007-00068 掺和料名称: Ⅰ级粉煤灰产地衡水衡冠占水泥用量的16 % 外加剂名称: RHF-3泵送剂产地宏伟科奥占水泥用量 2.2 % 施工配合比: 1:0.49:2.32:2.83 水灰比0.49 砂率45 %制模日期2008.1.13 要求龄期7 d 要求试验日期2008.1.20试块收到日期: 试块养护条件标养试验委托人李天瞿混泥土抗压强度委托单委托编号: 试验编号:施工单位: 北京市海龙公路工程公司工程名称及部位: 北京市六环路(良乡-寨口)段公路工程第4# 合同段页岩砖厂路分离式立交桥桩基0-1#设计强度: C25 拟定强度: 33.2MPa要求坍落度: 180~220 mm实测坍落度: 200 mm 水泥品种及标号: P.0 42.5 厂别:新港皇牌出厂日期2008-12-26 试验编号: 2007-00120砂子产地及品种: 榆树庄中砂细度模数 2.4 含泥量 2.2 % 试验编号2007-00061石子产地及品种: 门头沟碎石最大粒径25 mm含泥量: 0.3 % 试验编号2007-00068 掺和料名称: Ⅰ级粉煤灰产地衡水衡冠占水泥用量的16 % 外加剂名称: RHF-3泵送剂产地宏伟科奥占水泥用量 2.2 % 施工配合比: 1:0.49:2.32:2.83 水灰比0.49 砂率45 %施工单位: 北京市海龙公路工程公司工程名称及部位: 北京市六环路(良乡-寨口)段公路工程第4# 合同段页岩砖厂路分离式立交桥桩基0-3#设计强度: C25 拟定强度: 33.2MPa要求坍落度: 180~220 mm实测坍落度: 190 mm 水泥品种及标号: P.0 42.5 厂别:新港皇牌出厂日期2008-12-26 试验编号: 2007-00120砂子产地及品种: 榆树庄中砂细度模数 2.4 含泥量 2.2 % 试验编号2007-00061石子产地及品种: 门头沟碎石最大粒径25 mm含泥量: 0.3 % 试验编号2007-00068 掺和料名称: Ⅰ级粉煤灰产地衡水衡冠占水泥用量的16 % 外加剂名称: RHF-3泵送剂产地宏伟科奥占水泥用量 2.2 % 施工配合比: 1:0.49:2.32:2.83 水灰比0.49 砂率45 %制模日期2008.1.13 要求龄期7 d 要求试验日期2008.1.20试块收到日期: 试块养护条件标养试验委托人李天瞿混泥土抗压强度委托单委托编号: 试验编号:施工单位: 北京市海龙公路工程公司工程名称及部位: 北京市六环路(良乡-寨口)段公路工程第4# 合同段页岩砖厂路分离式立交桥桩基0-1#设计强度: C25 拟定强度: 33.2MPa要求坍落度: 180~220 mm实测坍落度: 200 mm 水泥品种及标号: P.0 42.5 厂别:新港皇牌出厂日期2008-12-26 试验编号: 2007-00120砂子产地及品种: 榆树庄中砂细度模数 2.4 含泥量 2.2 % 试验编号2007-00061石子产地及品种: 门头沟碎石最大粒径25 mm含泥量: 0.5 % 试验编号2007-00068 掺和料名称: Ⅰ级粉煤灰产地衡水衡冠占水泥用量的16 % 外加剂名称: RHF-3泵送剂产地宏伟科奥占水泥用量 2.2 % 施工配合比: 1:0.49:2.32:2.83 水灰比0.49 砂率45 %施工单位: 北京市海龙公路工程公司工程名称及部位: 北京市六环路(良乡-寨口)段公路工程第4# 合同段页岩砖厂路分离式立交桥桩基2-4#设计强度: C25 拟定强度: 33.2MPa要求坍落度: 180~220 mm实测坍落度: 210 mm 水泥品种及标号: P.0 42.5 厂别:新港皇牌出厂日期2008-12-26 试验编号: 2007-00120砂子产地及品种: 榆树庄中砂细度模数 2.5 含泥量 1.1 % 试验编号2008-00001石子产地及品种: 门头沟碎石最大粒径25 mm含泥量: 0.3 % 试验编号2007-00068 掺和料名称: Ⅰ级粉煤灰产地衡水衡冠占水泥用量的16 % 外加剂名称: RHF-3泵送剂产地宏伟科奥占水泥用量 2.2 % 施工配合比: 1:0.49:2.32:2.83 水灰比0.49 砂率45 %制模日期2008.1.16 要求龄期7 d 要求试验日期2008.1.23试块收到日期: 试块养护条件标养试验委托人李天瞿混泥土抗压强度委托单委托编号: 试验编号:施工单位: 北京市海龙公路工程公司工程名称及部位: 北京市六环路(良乡-寨口)段公路工程第4# 合同段页岩砖厂路分离式立交桥桩基2-4#设计强度: C25 拟定强度: 33.2MPa要求坍落度: 180~220 mm实测坍落度: 210 mm 水泥品种及标号: P.0 42.5 厂别:新港皇牌出厂日期2008-12-26 试验编号: 2007-00120砂子产地及品种: 榆树庄中砂细度模数 2.5 含泥量 1.1 % 试验编号2008-00001石子产地及品种: 门头沟碎石最大粒径25 mm含泥量: 0.3 % 试验编号2007-00068 掺和料名称: Ⅰ级粉煤灰产地衡水衡冠占水泥用量的16 % 外加剂名称: RHF-3泵送剂产地宏伟科奥占水泥用量 2.2 % 施工配合比: 1:0.49:2.32:2.83 水灰比0.49 砂率45 %施工单位: 北京市海龙公路工程公司工程名称及部位: 北京市六环路(良乡-寨口)段公路工程第4# 合同段页岩砖厂路分离式立交桥桩基2-3#设计强度: C25 拟定强度: 33.2MPa要求坍落度: 180~220 mm实测坍落度: 200 mm 水泥品种及标号: P.0 42.5 厂别:新港皇牌出厂日期2008-12-26 试验编号: 2007-00120砂子产地及品种: 榆树庄中砂细度模数 2.5 含泥量 1.1 % 试验编号2008-00001石子产地及品种: 门头沟碎石最大粒径25 mm含泥量: 0.3 % 试验编号2007-00068 掺和料名称: Ⅰ级粉煤灰产地衡水衡冠占水泥用量的16 % 外加剂名称: RHF-3泵送剂产地宏伟科奥占水泥用量 2.2 % 施工配合比: 1:0.49:2.32:2.83 水灰比0.49 砂率45 %制模日期2008.1.17 要求龄期7 d 要求试验日期2008.1.24试块收到日期: 试块养护条件标养试验委托人李天瞿混泥土抗压强度委托单委托编号: 试验编号:施工单位: 北京市海龙公路工程公司工程名称及部位: 北京市六环路(良乡-寨口)段公路工程第4# 合同段页岩砖厂路分离式立交桥桩基2-3#设计强度: C25 拟定强度: 33.2MPa要求坍落度: 180~220 mm实测坍落度: 200 mm 水泥品种及标号: P.0 42.5 厂别:新港皇牌出厂日期2008-12-26 试验编号: 2007-00120砂子产地及品种: 榆树庄中砂细度模数 2.5 含泥量 1.1 % 试验编号2008-00001石子产地及品种: 门头沟碎石最大粒径25 mm含泥量: 0.3 % 试验编号2007-00068 掺和料名称: Ⅰ级粉煤灰产地衡水衡冠占水泥用量的16 % 外加剂名称: RHF-3泵送剂产地宏伟科奥占水泥用量 2.2 % 施工配合比: 1:0.49:2.32:2.83 水灰比0.49 砂率45 %施工单位: 北京市海龙公路工程公司工程名称及部位: 北京市六环路(良乡-寨口)段公路工程第4# 合同段页岩砖厂路分离式立交桥桩基2-2#设计强度: C25 拟定强度: 33.2MPa要求坍落度: 180~220 mm实测坍落度: 200 mm 水泥品种及标号: P.0 42.5 厂别:新港皇牌出厂日期2008-12-26 试验编号: 2007-00120砂子产地及品种: 榆树庄中砂细度模数 2.5 含泥量 1.1 % 试验编号2008-00001石子产地及品种: 门头沟碎石最大粒径25 mm含泥量: 0.3 % 试验编号2007-00068 掺和料名称: Ⅰ级粉煤灰产地衡水衡冠占水泥用量的16 % 外加剂名称: RHF-3泵送剂产地宏伟科奥占水泥用量 2.2 % 施工配合比: 1:0.49:2.32:2.83 水灰比0.49 砂率45 %制模日期2008.1.17 要求龄期7 d 要求试验日期2008.1.24试块收到日期: 试块养护条件标养试验委托人李天瞿混泥土抗压强度委托单委托编号: 试验编号:施工单位: 北京市海龙公路工程公司工程名称及部位: 北京市六环路(良乡-寨口)段公路工程第4# 合同段页岩砖厂路分离式立交桥桩基2-2#设计强度: C25 拟定强度: 33.2MPa要求坍落度: 180~220 mm实测坍落度: 200 mm 水泥品种及标号: P.0 42.5 厂别:新港皇牌出厂日期2008-12-26 试验编号: 2007-00120砂子产地及品种: 榆树庄中砂细度模数 2.5 含泥量 1.1 % 试验编号2008-00001石子产地及品种: 门头沟碎石最大粒径25 mm含泥量: 0.3 % 试验编号2007-00068 掺和料名称: Ⅰ级粉煤灰产地衡水衡冠占水泥用量的16 % 外加剂名称: RHF-3泵送剂产地宏伟科奥占水泥用量 2.2 % 施工配合比: 1:0.49:2.32:2.83 水灰比0.49 砂率45 %施工单位: 北京市海龙公路工程公司工程名称及部位: 北京市六环路(良乡-寨口)段公路工程第4# 合同段页岩砖厂路分离式立交桥桩基2-1#设计强度: C25 拟定强度: 33.2MPa要求坍落度: 180~220 mm实测坍落度: 190 mm 水泥品种及标号: P.0 42.5 厂别:新港皇牌出厂日期2008-12-26 试验编号: 2007-00120砂子产地及品种: 榆树庄中砂细度模数 2.5 含泥量 1.1 % 试验编号2008-00001石子产地及品种: 门头沟碎石最大粒径25 mm含泥量: 0.3 % 试验编号2007-00068 掺和料名称: Ⅰ级粉煤灰产地衡水衡冠占水泥用量的16 % 外加剂名称: RHF-3泵送剂产地宏伟科奥占水泥用量 2.2 % 施工配合比: 1:0.49:2.32:2.83 水灰比0.49 砂率45 %制模日期2008.1.17 要求龄期7 d 要求试验日期2008.1.24试块收到日期: 试块养护条件标养试验委托人李天瞿混泥土抗压强度委托单委托编号: 试验编号:施工单位: 北京市海龙公路工程公司工程名称及部位: 北京市六环路(良乡-寨口)段公路工程第4# 合同段页岩砖厂路分离式立交桥桩基2-1#设计强度: C25 拟定强度: 33.2MPa要求坍落度: 180~220 mm实测坍落度: 190 mm 水泥品种及标号: P.0 42.5 厂别:新港皇牌出厂日期2008-12-26 试验编号: 2007-00120砂子产地及品种: 榆树庄中砂细度模数 2.5 含泥量 1.1 % 试验编号2008-00001石子产地及品种: 门头沟碎石最大粒径25 mm含泥量: 0.3 % 试验编号2007-00068 掺和料名称: Ⅰ级粉煤灰产地衡水衡冠占水泥用量的16 % 外加剂名称: RHF-3泵送剂产地宏伟科奥占水泥用量 2.2 % 施工配合比: 1:0.49:2.32:2.83 水灰比0.49 砂率45 %。
(含抗压、抗折、抗冻、抗水渗透)见证人:见证人证书编号:见证日期:2019年11月10日取样人:证书编号:送样日期:2019年11月10日(含抗压、抗折、抗冻、抗水渗透)见证人:见证人证书编号:见证日期:2019年11月16日取样人:证书编号:送样日期:2019年11月16日(含抗压、抗折、抗冻、抗水渗透)见证人:见证人证书编号:见证日期:2019年11月20日取样人:证书编号:送样日期:2019年11月20日(含抗压、抗折、抗冻、抗水渗透)见证人:见证人证书编号:见证日期:2019年11月25日取样人:证书编号:送样日期:2019年11月25日(含抗压、抗折、抗冻、抗水渗透)见证人:见证人证书编号:见证日期:2019年11月28日取样人:证书编号:送样日期:2019年11月28日(含抗压、抗折、抗冻、抗水渗透)见证人:见证人证书编号:见证日期:2019年12月06日取样人:证书编号:送样日期:2019年12月06日送样人:收样人:接收日期:2019年12月06日(含抗压、抗折、抗冻、抗水渗透)见证人:见证人证书编号:见证日期:2019年11月21日取样人:证书编号:送样日期:2019年11月21日(含抗压、抗折、抗冻、抗水渗透)见证人:见证人证书编号:见证日期:2019年11月24日取样人:证书编号:送样日期:2019年11月24日(含抗压、抗折、抗冻、抗水渗透)见证人:见证人证书编号:见证日期:2019年11月28日取样人:证书编号:送样日期:2019年11月28日(含抗压、抗折、抗冻、抗水渗透)见证人:见证人证书编号:见证日期:2019年11月30日取样人:证书编号:送样日期:2019年11月30日(含抗压、抗折、抗冻、抗水渗透)见证人:见证人证书编号:见证日期:2019年12月04日取样人:证书编号:送样日期:2019年12月04日(含抗压、抗折、抗冻、抗水渗透)见证人:见证人证书编号:见证日期:2019年12月13日取样人:证书编号:送样日期:2019年12月13日(含抗压、抗折、抗冻、抗水渗透)见证人:见证人证书编号:见证日期:2019年12月13日取样人:证书编号:送样日期:2019年12月13日送样人:收样人:接收日期:2019年12月13日。
委托单编号:JDJE-TJ-001
见证单位:山西锦通工程项目管理咨询有限公司见证人:见证日期:年月日
委托单编号:JDJE-TJ-002
见证单位:山西锦通工程项目管理咨询有限公司见证人:见证日期:年月日
委托单编号:JDJE-TJ-003
见证单位:山西锦通工程项目管理咨询有限公司见证人:见证日期:年月日
委托单编号:JDJE-TJ-004
见证单位:山西锦通工程项目管理咨询有限公司见证人:见证日期:年月日
委托单编号:JDJE-TJ-005
见证单位:山西锦通工程项目管理咨询有限公司见证人:见证日期:年月日
委托单编号:JDJE-TJ-006
见证单位:山西锦通工程项目管理咨询有限公司见证人:见证日期:年月日
委托单编号:JDJE-TJ-007
见证单位:山西锦通工程项目管理咨询有限公司见证人:见证日期:年月日
委托单编号:JDJE-TJ-008
见证单位:山西锦通工程项目管理咨询有限公司见证人:见证日期:年月日
委托单编号:JDJE-TJ-009
见证单位:山西锦通工程项目管理咨询有限公司见证人:见证日期:年月日
委托单编号:JDJE-TJ-010
见证单位:山西锦通工程项目管理咨询有限公司见证人:见证日期:年月日
委托单编号:JDJE-TJ-011
见证单位:山西锦通工程项目管理咨询有限公司见证人:见证日期:年月日
委托单编号:JDJE-TJ-012
见证单位:山西锦通工程项目管理咨询有限公司见证人:见证日期:年月日
委托单编号:JDJE-TJ-013
见证单位:山西锦通工程项目管理咨询有限公司见证人:见证日期:年月日
委托单编号:JDJE-TJ-014
见证单位:山西锦通工程项目管理咨询有限公司见证人:见证日期:年月日
委托单编号:JDJE-TJ-015
见证单位:山西锦通工程项目管理咨询有限公司见证人:见证日期:年月日
委托单编号:JDJE-TJ-023
见证单位:山西锦通工程项目管理咨询有限公司见证人:见证日期:年月日
委托单编号:JDJE-TJ-024
见证单位:山西锦通工程项目管理咨询有限公司见证人:见证日期:年月日
委托单编号:JDJE-TJ-025
见证单位:山西锦通工程项目管理咨询有限公司见证人:见证日期:年月日
委托单编号:JDJE-TJ-026
见证单位:山西锦通工程项目管理咨询有限公司见证人:见证日期:年月日
委托单编号:JDJE-TJ-027
见证单位:山西锦通工程项目管理咨询有限公司见证人:见证日期:年月日
委托单编号:JDJE-TJ-028
见证单位:山西锦通工程项目管理咨询有限公司见证人:见证日期:年月日
委托单编号:JDJE-TJ-029
见证单位:山西锦通工程项目管理咨询有限公司见证人:见证日期:年月日
委托单编号:JDJE-TJ-030
见证单位:山西锦通工程项目管理咨询有限公司见证人:见证日期:年月日
委托单编号:JDJE-TJ-031
见证单位:山西锦通工程项目管理咨询有限公司见证人:见证日期:年月日
委托单编号:JDJE-TJ-032
见证单位:山西锦通工程项目管理咨询有限公司见证人:见证日期:年月日
委托单编号:JDJE-TJ-033
见证单位:山西锦通工程项目管理咨询有限公司见证人:见证日期:年月日
委托单编号:JDJE-TJ-034
见证单位:山西锦通工程项目管理咨询有限公司见证人:见证日期:年月日
委托单编号:JDJE-TJ-035
见证单位:山西锦通工程项目管理咨询有限公司见证人:见证日期:年月日
委托单编号:JDJE-TJ-036
见证单位:山西锦通工程项目管理咨询有限公司见证人:见证日期:年月日
委托单编号:JDJE-TJ-037
见证单位:山西锦通工程项目管理咨询有限公司见证人:见证日期:年月日
委托单编号:JDJE-TJ-038
见证单位:山西锦通工程项目管理咨询有限公司见证人:见证日期:年月日
委托单编号:JDJE-TJ-039
见证单位:山西锦通工程项目管理咨询有限公司见证人:见证日期:年月日
委托单编号:JDJE-TJ-040
见证单位:山西锦通工程项目管理咨询有限公司见证人:见证日期:年月日
委托单编号:JDJE-TJ-041
见证单位:山西锦通工程项目管理咨询有限公司见证人:见证日期:年月日
委托单编号:JDJE-TJ-042
见证单位:山西锦通工程项目管理咨询有限公司见证人:见证日期:年月日
委托单编号:JDJE-TJ-043
见证单位:山西锦通工程项目管理咨询有限公司见证人:见证日期:年月日
委托单编号:JDJE-TJ-044
见证单位:山西锦通工程项目管理咨询有限公司见证人:见证日期:年月日
委托单编号:JDJE-TJ-045
见证单位:山西锦通工程项目管理咨询有限公司见证人:见证日期:年月日
委托单编号:JDJE-TJ-046
见证单位:山西锦通工程项目管理咨询有限公司见证人:见证日期:年月日
委托单编号:JDJE-TJ-047
见证单位:山西锦通工程项目管理咨询有限公司见证人:见证日期:年月日
委托单编号:JDJE-TJ-048
见证单位:山西锦通工程项目管理咨询有限公司见证人:见证日期:年月日
委托单编号:JDJE-TJ-049
见证单位:山西锦通工程项目管理咨询有限公司见证人:见证日期:年月日
委托单编号:JDJE-TJ-050
见证单位:山西锦通工程项目管理咨询有限公司见证人:见证日期:年月日
委托单编号:JDJE-TJ-051
见证单位:山西锦通工程项目管理咨询有限公司见证人:见证日期:年月日
委托单编号:JDJE-TJ-054
见证单位:山西锦通工程项目管理咨询有限公司见证人:见证日期:年月日
委托单编号:JDJE-TJ-055
见证单位:山西锦通工程项目管理咨询有限公司见证人:见证日期:年月日
委托单编号:JDJE-TJ-056
见证单位:山西锦通工程项目管理咨询有限公司见证人:见证日期:年月日
委托单编号:JDJE-TJ-057
见证单位:山西锦通工程项目管理咨询有限公司见证人:见证日期:年月日
委托单编号:JDJE-TJ-058
见证单位:山西锦通工程项目管理咨询有限公司见证人:见证日期:年月日
委托单编号:JDJE-TJ-059
见证单位:山西锦通工程项目管理咨询有限公司见证人:见证日期:年月日。