隧道支护与衬砌(表)
- 格式:docx
- 大小:38.81 KB
- 文档页数:4
洞身衬砌(二)2. 装配式(拼接式)衬砌前面介绍整体式混凝土衬砌具有需要养生时间、受力较慢的缺点,那如果在稳定性很差的围岩中修隧道,需要支护结构(衬砌)能立即受力,怎么办呢,或者在西藏高寒地区,就地浇筑混凝土的强度难已达到混凝土强度要求,又怎么办呢?引出已经完成养生过程的衬砌装配式衬砌是按照衬砌的几何形状,将衬砌分成若干个部分在洞外或工厂成批预制好,再运到洞内运用机械拼装。
这种衬砌具备下列优点:◆一经装配成环,不需养生时间,即可承受围岩压力;◆预制的构件可以在工厂成批生产、在洞内可以机械化拼装,从而改善了劳动条件;◆拼装时,不需要临时支撑如拱架、模板等,从而节省大量的支撑材料及劳力;◆拼装速度因机械化而提高,缩短了工期,还有可能降低造价。
缺点:◆接缝多,整体性差◆抗渗性差◆需要坑道内有足够的拼装空间◆制备构件尺寸上要求一定的精度目前应用拼装式衬砌的典型是盾构法施工中的管片,那么管片长什么样,用什么材料做成,有哪些类型呢?平板型管片箱型管片管片按断面形式分分为平板型管片和箱型管片,箱型管片,单块管片重量较轻,但管片本身强度不如平板型,特别在盾构顶力作用下易开裂,因此一般用于较大直径的隧道;平板型管片则相反。
管片按材料分类可分为钢筋混凝土管片,钢管片,球墨铸铁管片和复合管片。
最常用的为钢筋混凝土管片。
盾构隧道衬砌的主体是管片拼装组成的管环,管环通常由A(标准块)、B(邻接块)和K(封顶快)组成,管环分块数为n=x+2+1。
3. 锚喷式衬砌(1)喷射混凝土喷射混凝土是指用喷射机将掺有速凝剂的混凝土拌和料和水汇合成为浆状,以一定压力高速喷射到坑道的岩壁上凝结而成的混凝土。
①喷射混凝土的特点◆充填裂隙加固围岩◆封闭围岩壁面防止风化◆喷射混凝土与围岩组成共同承载体系②喷射混凝土的优、缺点优点:◆柔性支护◆支护及时◆不用模板、拱架◆施工工艺简单缺点:回弹量大、止水性弱(2)锚杆是利用金属或其他高抗拉性能的材料制作的一种杆状构件。
1.1工程概况川藏公路二郎山隧道位于四川省雅安天全县与甘孜泸定县交界的二郎山地段, 东距成都约260km , 西至康定约97 km , 这里山势险峻雄伟, 地质条件复杂, 气候环境恶劣, 自然灾害频繁, 原有公路坡陡弯急, 交通事故不断, 使其成为千里川藏线上的第一个咽喉险道, 严重影响了川藏线的运输能力, 制约了川藏少数民族地区的经济发展。
二郎山隧道工程自天全县龙胆溪川藏公路K2734+ 560 (K256+ 560)处回头, 沿龙胆溪两侧缓坡展线进洞, 穿越二郎山北支山脉——干海子山, 于泸定县别托村和平沟左岸出洞, 跨和平沟经别托村展线至K2768+ 600 (K265+ 216) 与原川藏公路相接, 总长8166km , 其中二郎山隧道长4176 m , 别托隧道长104 m ,改建后可缩短运营里程2514 km , 使该路段公路达到三级公路标准, 满足了川藏线二郎山段的全天候行车。
1.2工程地质条件1.2.1 地形地貌二郎山段山高坡陡,地形险要,在地貌上位于四川盆地向青藏高原过渡的盆地边缘山区分水岭地带,隶属于龙门山深切割高中地区。
隧道中部地势较高。
隧址区地形地貌与地层岩性及构造条件密切相关。
由于区内地层为软硬相间的层状地层,构造为西倾的单斜构造,故地形呈现东陡西缓的单面山特征。
隧道轴线穿越部位,山体浑厚,东西两侧发育的沟谷多受构造裂隙展布方向的控制。
主沟龙胆溪、和平沟与支沟构成羽状或树枝状,横断面呈对称状和非对称状的“v ”型沟谷,纵坡顺直比降大,局部受岩性构造影响,形成陡崖跌水。
1.2.2 水文气象二郎山位于四川盆地亚热带季风湿润气候区与青藏高原大陆性干冷气候区的交接地带。
由于山系屏障,二郎山东西两侧气候有显著差异。
东坡潮湿多雨,西坡干燥多风,故有“康风雅雨”之称。
全年分早季和雨季。
夏、秋两季受东进的太平洋季风和南来的印度洋季风的控制,降雨量特别集中;冬春季节,则受青藏高原寒冷气候影响,多风少雨,气候严寒。
隧道工程衬砌施工工艺及技术要求隧道衬砌要遵循“仰拱超前、墙拱整体衬砌”的原则,初期支护完成后,为有效地控制其变形,仰拱尽量紧跟开挖面施工,仰拱填充采用栈桥平台以解决洞内运输问题,并进行全幅一次性施工。
仰拱施作完成后,利用多功能作业平台人工铺设防水板,绑扎钢筋后,采用液压整体式衬砌台车进行二次衬砌,采用拱墙一次性整体灌注施工。
混凝土在洞外采用拌和站集中拌和,混凝土搅拌运输车运至洞内,混凝土输送泵泵送入模。
衬砌施工工艺流程见图1。
1 衬砌模板模板衬砌台车必须按照隧道内净空尺寸进行设计与制造,钢结构及钢模必须具有足够的强度、刚度和稳定性。
衬砌台车经施工单位会同监理单位验收合格后方可投入使用。
模板台车长度宜为9~12m,工点设计应根据沉降缝、预留洞室和预埋管线位置综合确定。
模板台车侧壁作业窗宜分层布置,层高不宜大于1.5m,每层宜设置4~5个窗口,其净空不宜小于45cm×45cm。
拱顶部位应预留2~4个注浆孔。
模板安装必须稳固牢靠,接缝严密,不得漏浆。
模板台车的走行轨Ⅰ、Ⅱ级围岩段,宜设在底板垫层(10cm厚的C25钢筋混凝土)面上,Ⅲ~Ⅳ级围岩段,宜铺设在填充混凝土面上。
模板表面要光滑,与混凝土的接触面必须清理干净并涂刷隔离剂。
模板的安装允许偏差和检验方法见表1。
图1 衬砌施工工艺流程图表1 模板安装允许偏差和检验方法序号 项 目允许偏差(mm )检验方法 1 边墙角 ±15 尺量 2 起拱线 ±10 尺量 3 拱顶 +10、0 水准测量 4 模板表面平整度 5 2m 靠尺和塞尺5相邻浇筑段表面高低差±10尺量2 衬砌钢筋钢筋加工弯制前应调直,并将表面油渍、水泥浆和浮皮铁锈等均监控量测确定施作二衬时间 施工准备台车移位台车定位施作止水带隐蔽检查灌筑混凝土台车脱模退出养 护1.敷设防水板及盲沟2.中线水平放样3.铺设衬砌台车轨道1.水平定位立模2.拱部中心线定位3.边墙模板净空定位 1.清理基底2.装设钢制挡头模板3.装设止水条 1.自检2.监理工程师隐检洞外混凝土拌合混凝土运输混凝土泵送捣 固涂刷脱模剂应清除干净;加工后的钢筋表面不应有削弱钢筋截面的伤痕;利用冷拉方法矫直伸长率:Ⅰ级钢筋不得超过2%,Ⅱ级钢筋不得超过1%。
地下隧道衬砌盾构法隧道应用最多的是圆形断面,其衬砌结构有单层结构和双层结构。
单层结构多用装配式管片构筑,如图6.21(a)所示;双层结构是在管片衬砌(一次衬砌)内再整体套砌一层混凝土(二次衬砌),如图 6.21(b)所示。
盾构法隧道一般无需设置二次衬砌,只有当隧道功能有特殊要求时方采用双层结构,如穿越松软含水层时为防水防蚀、增加衬砌强度和刚度等。
图6.21 盾构隧道衬砌结构一般来说,一次衬砌是将称称作管片的预制件用螺栓等连接物拼装而成,二次衬砌是在一次衬砌的内侧现浇混凝土构成。
采用拼装式衬砌时,一次衬砌到隧道轴向(纵向)一定长度(通常1.0~2.0 m)的一段环状物称为管环;把管环沿周向分割成若干块弧形状板块,该弧状板块即称为管片。
为了提高盾构隧道的施工速度,管片事先在工厂采用设计的材料预制而成构件,构筑隧道时运至现场拼装为管环进而串接成一次衬砌。
一、管片的类型管片作为盾构开挖后的一次衬砌,它支撑作用于隧道上的土压和水压,防止隧道土体坍塌、变形及渗漏水,是隧道永久性结构物并且要承受盾构机推进时的推力以及其他荷载。
管片按位置不同有标准管片(A型管片,平面形状为矩形)、邻接管片(B型管片,平面形状为半梯形)和封顶管片(C型管片,有的称为K型管片,平面形状为梯形)三种。
直线段采用标准环管片,曲线施工和纠偏时将使用楔形环(分左转弯环和右转弯环)管片;按其形状分为板形管片和箱形管片,如图6.22所示;按制作材料分有球墨铸铁管片、钢管片、复合管片和钢筋混凝土管片等。
箱形管片是由主肋和接头板或纵向肋构成的凹形管片的总称。
平板形管片指具有实心断面的弧板状管片,一般由钢筋混凝土制作。
球墨铸铁管片强度高、质量轻、搬运安装方便、防水性能好,但加工设备要求高、造价大,不宜承受冲击荷载,已较少采用。
钢管片用型钢或钢板焊接加工而成,其强度高、延性好、运输安装方便,但易变形、易锈蚀、造价高,采用的也不多,仅在如平行隧道的联络通道口部的临时衬砌等特殊场合使用。
新建铁路北京至沈阳客运专线施工技术交底纪要JSTJ-7 标段工程工程:隧道衬砌工程编号:记录者:〔签字〕交底者:〔签字〕技术负责:〔签字〕技术部门:〔盖章〕日期:单位:中铁十六局集团第二工程京沈客专TJ-7标交底记录工程名称隧道工程分部〔分项〕工程衬砌交底工程二次衬砌图纸名称、图号隧道设计工点图隧道相关参考图交底记录:一、工程概况孙家杖子隧道:小苏营子隧道:采云堂隧道:五头山隧道隧道衬砌工程由模板、钢筋、混凝土、注浆、综合接地、沉降观测等分项工程组成。
本交底为明确隧道衬砌作业的工艺流程、操作要点和相应的工艺标准,指导、标准隧道衬砌施工,保证隧道的衬砌作业平安、质量。
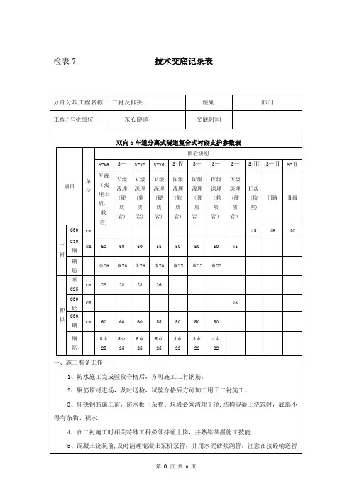
隧道复合式衬砌参数表如以下图:二、衬砌施工工艺流程二次衬砌工序安排采取先浇筑仰拱砼,再填充砼,仰拱全幅超前施工。
全幅仰拱施工完毕,并有36m以上超前于二衬,即可进行拱墙二衬施工。
拱墙衬砌采用12米模板台车衬砌。
衬砌混凝土采用2#拌合站集中拌合,混凝土罐车运输,泵送混凝土入模。
保证拱顶混凝土与围岩密贴。
混凝土采取插入式振捣器振捣,辅以附着式振捣器辅助振捣。
附属洞室采用衬砌台架和组合钢模板衬砌。
二次衬砌严格按设计和技术标准施工,保证“尺寸准确,强度合格,内实外美,不渗不漏,快速施工〞目标。
三、施工方法及工艺3.1 二衬施工要求〔1〕深埋隧道二次衬砌施作一般情况下应在围岩和初期支护变形根本稳定后进行,变形根本稳定应符合:隧道周边变形速率明显下降并趋于缓和;或水平收敛〔拱脚附近7d平均值〕小于,拱部下沉速度小于;或初期支护外表裂隙〔观察〕不再继续开展。
〔2〕浅埋隧道应及早施作二次衬砌,且二次衬砌应予以加强。
〔3〕围岩及初期支护变形过大或变形不收敛,又难以及时补强时,可提前施作二次衬砌,以改善施工阶段结构的受力状态,此时二次衬砌应予以加强。
〔4〕对二次衬砌完成的地段,应与设计单位密切配合,继续观察和监测隧道的稳定状态,防止二次衬砌的变形、开裂及侵限。
隧道⼯程⽀护及衬砌施⼯⽅法及要点隧道⼯程⽀护及衬砌施⼯⽅法及要点1.1.1洞⾝⽀护开挖后进⾏断⾯测量,对超⽋挖情况进⾏检查,将⽋挖部位处理到位,⽤⾼压风清洗岩⾯,清除松动的岩⽯。
(1)施⼯步骤:洞⾝开挖后初喷4cm混凝⼟,打设D25中空注浆锚杆,挂设钢筋⽹,安装钢架。
经监理⼯程师验收合格后⽅可采⽤湿喷⼯艺进⾏喷射混凝⼟作业。
(2)D25中空注浆锚杆规格及施⼯⽅法:采⽤D25中空注浆锚杆,长度为3m,设置间距为环向×纵向=1.0×0.6m,梅花形布置。
钻孔采⽤风动凿岩机,锚杆孔开孔前做好量测⼯作,按设计要求布孔并做好标记,开孔偏差不⼤于10cm;锚杆孔的孔轴⽅向垂直于岩层主要结构⾯。
(3)钢筋⽹规格及施⼯⽅法:挂设单层φ6钢筋⽹,⽹格间距为15× 15cm,相邻⽹⽚搭接1-2个⽹格。
按设计要求加⼯钢筋⽹,在加⼯棚分⽚预制,洞内铺挂。
(4)钢架规格及施⼯⽅法:V级围岩洞⼝段F-V-A型衬砌采⽤20a⼯字钢拱架,纵向间距0.6m,20a⼯字钢焊接在24×24×1.5cm钢板上,F-V-B型衬砌采⽤18a⼯字钢拱架,纵向间距0.6m,18a⼯字钢焊接在22×22×1.0cm钢板上,安装完后两钢板之间采⽤螺栓连接。
钢架间设纵向连接筋,环向间距1m(内外侧交错布置),钢架与纵向连接筋采⽤双⾯焊接,有效厚度部⼩于8mm。
上半园拱脚连接处每处各设两根(φ42×4、长度为4m)锁脚锚杆,紧贴钢架两侧向下倾⾓30°打设,并与钢架牢固焊接。
拱脚必须⽀⽴在基岩上不准悬空,若悬空必须⽤混凝⼟块塞紧。
拱架安装后必须保证垂直度,不能发⽣扭曲变形。
(5)喷射混凝⼟规格及施⼯⽅法, F-V-A型衬砌喷射混凝⼟厚度26cm,F-V-B型衬砌喷射混凝⼟厚度为24cm,先初喷4cm混凝⼟,拱架、锚杆、⽹⽚施作完后,进⾏复喷,复喷前埋设控制厚度标桩,间距2m,对岩⾯⽤⾼压风吹冲进⾏清洁。