NO7信令流程
- 格式:docx
- 大小:374.10 KB
- 文档页数:34
实验八、NO7 ISUP中继调试一、实验目的1、通过数据配置,了解NO7 ISUP中继电路的工作原理。
2、通过本实验,能够区别出ISUP数据和TUP数据制作的相同处和不同点。
3、熟悉7号信令中各个消息的含义4、对比两种7号信令的区别。
二、实验器材数字程控交换机、BAM。
电话机。
三、实验内容说明程控交换机2M接口在DDF架上的位置:交换机板位如下图所示:(SM模块)四、知识要点1、NO.7信令系统中,7号信令的基本概念,信令的分类。
2、7号信令的特点:共路信令,独立信令数据链路,在通话过程中可以发送传送。
3、7号信令网定义:7号信令的传送链路是独立于语音通道的,这些信令链路构成一个专用于信令传送的分组交换网,及7号信令网。
4、7号信令网的三要素:SP即信令点包含DPC、OPC; STP即信令转接点,是信令网中用于汇聚和转发7号信令的节点;SL即信令链路,用于连接信令节点之间的数据链路。
5、掌握CC08交换机中各部分单板在7号信令的7层结构中所起的作用。
6、部分7号信令的解释:IAM::初始地址消息; ACM:地址全消息ANC:应答计费消息;CLF,RLG等拆线消息7、7号自环数据的要点:a、增加虚拟局向及相关中继数据,需要偶数个PCM系统。
b、增加7号中继群时,需要进行CIC增加和减少变化,第一条增加32,第二条减少32。
c、增加N7LNK时,注意SLC和SSLC选择数据,第一条LINK的SLC=0,SSLC=1;那么第二条LINK的SLC=1,SSLC=0;d、需要进行号码处理,对出局字冠进行号码变换(号首处理或者中继承载),使拨的出局字冠变成本局号码接通。
8、注意和TUP数据制作的区别,主要区别在于增加7号LNK的中继设备标识,和增加7号中继群时候的电路类型选择。
五、数据规划 (硬件数据已加载但要求第二块中继板类型要修改成ISUP假设的数据如下:(本局用户数据可以先增加,也可以在本次实验中导入脚本)本实验采用自环方式实现七号信令ISUP呼叫,采用LAPN7上的6、7号链路。
NO.7信令技术·3.1 NO.7信令方式概述NO.7信令方式是一种在国际上通用的、标准的公共信道信令系统,它与以往任何一种电话网信令方式最大的不同之处就是采用了分层的功能结构和消息通信机制,最适于在现代数字通信网中使用。
NO.7信令在我国固定通信网和移动通信网中得到了越来越广泛的应用,目前,NO.7信令方式已经是我国通信网主要采用的信令方式。
3.1.1 NO.7信令功能结构NO.7信令系统由消息传递部分(MTP)和多个不同的用户部分(UP)组成,采用NO.7信令功能分级和OSI分层模式的混合结构,如图3-1所示。
消息传递部分的主要功能是作为一个消息传递系统,为用户部分提供信令消息的可靠传递,即确保消息无差错地由源端传送到目的地,它只负责消息的传递,并不处理消息本身的内容。
消息传递部分包括信令数据链路功能、信令链路功能和信令网功能。
用户部分包括电话用户部分(TUP)、ISDN用户部分(ISUP)等。
1.NO.7信令四个功能级第1级信令数据链路功能定义了信令数据链路的物理、电气和功能特性,确定与数据链路的连接方法。
信令数据链路的基本要求是透明性。
NO.7信令的基本速率是64Kbit/s,可以使用PCM系统中除TS0(CH0)以外的任何一个时隙(信道)作为信令数据链路。
我国目前定义的信令数据链路有3种:①4.8Kbit/s信令数据链路,采用模拟信道,不是通过数字交换网络连接,而是经MODERM与信令终端直接相连,;②64Kbit/s信令数据链路,采用数字信道,通过数字交换网络的半永久通路与信令终端连接;③2Mbit/s信令数据链路,称为高速NO.7信令数据链路,采用数字信道,将CH1~CH31合并,通过数字交换网络与信令终端连接,用于增强型STP。
第2级信令链路功能规定信令消息在一条信令数据链路上传递的功能和程序,保证信令消息比特流在相邻两信令点之间点到点的可靠传送。
包括信号单元分界、定位、检错、纠错、流量控制等;第3级信令网功能包括信令消息处理和信令网管理两部分。
七号信令的原理及应用分析一、什么是七号信令七号信令(Signaling System No. 7,简称SS7)是一种在电话网络中用于控制呼叫建立、呼叫释放和传递实时信令信息的协议。
它是一种分层的、分布式的、面向信道的通信体系结构,用于支持广域网和局域网之间以及局域网内部的信令传递。
二、七号信令的原理七号信令的核心原理是通过在电话网络中传递独立于语音通信的控制信息来实现呼叫的建立和释放。
它采用了分层的结构,将不同的控制信息分别封装在不同的信令单元中进行传输。
1. 信令单元层次结构七号信令的信令单元层次结构分为四层,按照从上到下的顺序分别为:•应用层(Application Layer):负责处理高层的业务逻辑和应用协议,如呼叫建立、呼叫转接等。
•传输层(Transport Layer):负责提供可靠的数据传输服务,如数据分段、差错检测和重传等。
•网络层(Network Layer):负责处理网络寻址和路由选择等问题,保证信令的正确传递。
•数据链路层(Data Link Layer):负责将传输层的数据封装成帧进行传输,并提供流量控制和差错检测等功能。
2. 信令传递过程七号信令的传递过程包括以下几个步骤:1.呼叫请求阶段:发起呼叫的一方向信令控制中心发送呼叫请求信令。
2.呼叫路由阶段:信令控制中心根据呼叫请求信令的目的号码,通过路由选择算法确定呼叫的路径。
3.呼叫建立阶段:选定路径后,信令控制中心向目标用户的信令控制中心发送呼叫建立信令。
4.呼叫确认阶段:目标用户收到呼叫建立信令后,向信令控制中心发送呼叫确认信令。
5.呼叫释放阶段:呼叫结束后,任何一方向信令控制中心发送呼叫释放信令,释放呼叫。
三、七号信令的应用七号信令作为电话网络中的核心协议,具有广泛的应用场景。
下面介绍几个常见的应用领域。
1. 呼叫业务七号信令在呼叫业务中起到关键作用,它能够实现呼叫的建立、路由选择、呼叫保持和呼叫释放等功能。
通过七号信令,用户可以方便地拨打电话、转接电话、保持通话等,提供了全面的呼叫控制能力。
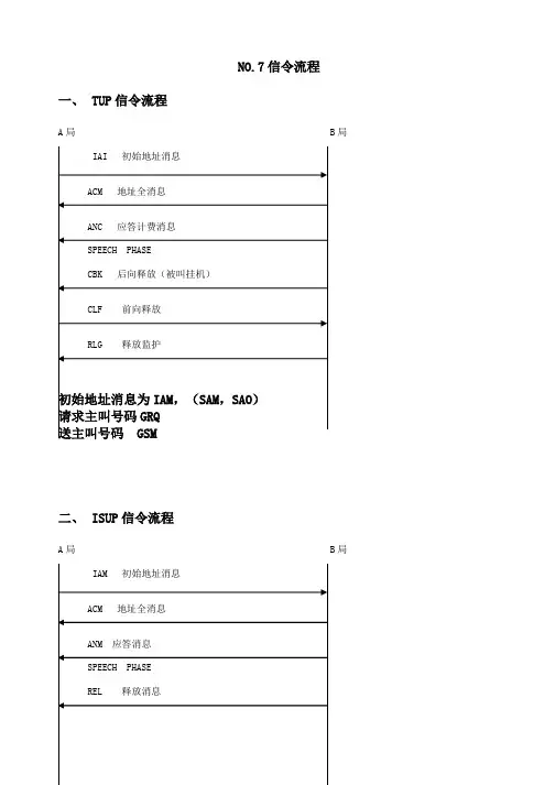
NO.7信令流程一、TUP信令流程A局 B局二、ISUP信令流程A局 B局RLC 释放完全消息三、MAP信令流程1.位置更新1.11内部位置更新imsi登记以TMSI获取数据未果,向用户请求IMSI登记2.移动主叫PSTN/ISDNMS MSC/VLRBSS通 话 状 态111. 在服务小区内(Cell), 移动用户通过随抢(Random Access) 方式, 在无线通道上请求一信道, 以用作信令信道.2. 建立移动用户和 MSC 的信令连接(MSC 和BSC 之间的SCCP 连接). 并且移动用户送出服务请求, 其中有用户的标识(IMSI 或TMSI) 服务的类型等.3. 对用户鉴权. 若是需对用户进行号码请求, 在鉴权前进行.4,5 若是系统设置加密, 则在此设定加密模式 , 并分配新的TMSI.6. 用户送出CALL_SET_UP 请求, 其中有被叫用户号码, 呼叫服务类别等, 从而真正启动呼叫建立过程.7. MSC 分配话务信道. 这是无线资源管理命令, MSC 实际上只分配指定了一条至BSC 的PCM 话路, 然后由BSS 再分配一条相应的至MS 的无线话路.8. MSC 向PSTN 建立话路.9. 若被叫用户空闲,PSTN 成功建立至被叫的话路, 在向被叫振铃的同时, 回送ACM 给MSC, MSC 送回铃音给主叫移动用户.10. 被叫摘机,PSTN 送应答信号给MSC, MSC 送CONNECT 至MS. 至此话路接通, 用户进入通话状态.11-14 是呼叫释放的示意. 这里假设是被叫先挂机:11. PSTN 通知MSC 被叫挂机(CLB 信号),MSC 前向拆除和PSTN 的话路.12. 通知MS 被叫挂机(Disconnect 信号), 释放呼叫.13. 释放PCM 话路和无线的话路和信令信道资源.14. 释放SCCP 连接.3.移动被叫AUTH_REQAUTH_RES加密TMSI_REAL_CMDTMSI_REAL_COMSET_UPCALL_CONFIRMASSIGN_REQASSIGN_COMALERT四、CAP1 预付费用户做主叫1.1 呼叫PSTN用户当主叫预付费用户在MSCa/VLR/SSP覆盖范围,由O-CSI触发业务见图1-1。
.3NO.7信令监测系统使用指导手册1、例行维护要求通过例行维护,保证系统运行稳定,各地信令数据能正常采集和上传,信令数据能正常分析处理。
记录附件1(NO.7信令监测系统例行维护记录表)。
1.1 日例行维护1.1.1 设备单板工作状态各种单板指示灯的状态说明:单板运行指示灯(绿色)闪烁正常;单板告警指示灯(红色)不亮。
异常情况处理方法:如果主备用的单板状态不正常,可以进行倒换、复位、更换操作。
非主备用单板状态不正常,可以进行复位、更换操作。
1.1.2 前端机状态启动工作站上的“系统维护管理”模块,检查前端机通讯状态、资源占用状态以及软件运行情况。
方法:查看前端机模块的状态,正常时为绿色。
为黄色时,检查网络连接是否正常、前端机是否启动;为灰色时,登录到“控制台-远端配置管理”模块,启动相应前端机的各运行程序。
查看前端机与前端服务器的连接,正常时连线为绿色。
双击前端机图标(或点击菜单项“查看-节点资源列表”),查看前端机CPU利用率、数据盘剩余空间和内存占用情况的相关信息。
CPU使用率一般应小于80%,物理内存+虚拟内存使用应低于总内存的80%,硬盘剩余空间应大于800M(前端机的安装盘D:\)。
1.1.3 前端服务器状态检查前端服务器通讯状态、资源占用状态以及软件运行情况。
方法:查看前端服务器模块状态是否为绿色,查看前端服务器与数据库服务器的连线是否为绿色;实时统计中是否有数据;实时监测告警界面是否能显示链路负荷信息;综合统计中是否有当天的入库数据统计结果。
1.1.4 数据库服务器工作状态(由省监控中心负责)·检查数据库服务器功能是否正常。
方法:启动工作站程序,检查是否能正常登陆数据库服务器,各种业务分析模块是否可以正常查询到相关的数据。
·检查数据库服务器性能是否正常。
方法:启动工作站上“系统维护管理”模块,双击“中心数据库群”,查看中心数据库和各业务数据库的CPU、内存使用情况、硬盘剩余空间,剩余空间一般不小于20%。
邮电通信网技术规范国内NO.7信令方式技术规范信令连接控制部分(SCCP)(暂行规定)GB010-95·内部文件·起草单位:邮电部电信传输研究所审查及归口管理单位:邮电部科学技术司批准部门:中华人民共和国邮电部NO.7信令方式技术体制规范包括以下几部分一、体制《NO.7信令网技术体制》二、技术规范1、国内NO.7信令方式技术规范-消息传递部分(MTP)2、国内NO.7信令方式技术规范-信令连接控制部分(SCCP)3、国内NO.7信令方式技术规范-事务处理能力部分(TCAP)4、国内NO.7信令方式技术规范-电话用户部分(TUP)5、国内NO.7信令方式技术规范-ISDN用户部分(ISUP)6、国内NO.7信令方式技术规范-移动应用部分(MAP)7、国内NO.7信令方式技术规范-智能网应用部分(INAP)8、国内NO.7信令方式技术规范-操作维护管理部分(OMAP)9、其它待定三、测试规范(上述各部分均有相应的测试规范)目录1、引言2、简述3、SCCP提供的业务和原语4、SCCP的消息和参数5、SCCP消息的格式和编码6、SCCP管理7、SCCP的程序8、SCCP程序的流程范例9、SCCP的系统容量和消息的传递时延10、附件1、引言本规范是根据ITU.T NO.7信令方式白皮书的下列建议制订的。
建议Q.711-SCCP提供的业务和对SCCP功能的一般说明。
建议Q.712-定义了一个协议元素集和它们在消息中的意义和位置。
建议Q.713-SCCP消息使用的格式和编码。
建议Q.714-SCCP程序的详细说明。
建议Q.716-SCCP的特性。
2、简述信令连接控制部分(Signalling connection Control Part)简称SCCP,为消息传递部分(MTP)提供附加功能,以便通过NO.7信令网,在电信网中的交换局和交换局、交换局和专用中心(例如:管理和维护中心)之间传递电路相关和非电路相关的信令信息和其它类型的信息,建立无连接和面向连接的网络业务。
No.7信令码流详解1.概述本文适用于中国国内CDMA网络中的交换设备。
本文应用了以下术语和定义:消息传递部分MTP:在信令网中提供可靠的信令消息传递,将用户发送的消息传送到用户指定的目的地信令点的指定用户部分,在系统或信令网故障情况下,采取必要措施,以便恢复信令消息的正常传递。
消息传递部分通常又可分为三个部分,即MTP1、MTP2、MTP3。
信令连接控制部分SCCP:为了满足新的用户部分对消息传递的进一步要求,CCITT补充了SCCP来弥补MTP在网络层功能的不足。
SCCP提供了较强的路由和寻址功能,叠加在MTP上,与MTP3一起共同完成OSI模型中网络层的功能。
事务处理能力应用部分TCAP:控制非话路相关信息在信令网中两个以上节点之间传输的功能集,为大量分散在信令网中的交换机和专用中心的应用提供功能和规程。
事务处理能力应用部分又可分为两个部分:事务子层和成分子层。
移动应用部分MAP:No.7信令系统的应用层协议,是事务处理能力应用部分TCAP的用户。
MAP的主要功能是在MSC和HLR、VLR等网络实体间交换与电路无关的数据和指令,从而支持移动用户漫游、频道切换和用户鉴权等功能。
2.消息结构MTP消息结构如图1所示。
SCCP消息结构图如2所示。
TCAP消息结构如图3所示。
a.消息信号单元MSUb.链路状态信号单元LSSUc.填充信号单元FISU图1 MTP消息结构图FSIO图2 SCCP消息结构图Transaction PortionDialogue PortionComponent Portion InvokeComponent图3 TCAP消息结构图3.原始码流(1)完整原始码流如图4所示。
图4 原始码流(2)SCCP参数解码对照表(3)TCAP参数解码对照表(4)MAP参数解码对照表4.SCCP消息类型表5.ANSI TCAP消息类型表6.ANSI TCAP成分类型表。
7号信令:又称为公共信道信令。
即以时分方式在一条高速数据链路上传送一群话路信令的信令方式,通常用于局间。
7号信令的特点:共路信令,独立信令数据链路,在通话过程中可以发送传送。
7号信令网:在我国使用的7号信令系统称为中国7号信令系统。
7号信令网是一个带外数据通信网,它叠加在运营者的交换网之上,是支撑网的重要组成部分。
在固定电话网或ISDN 网局间,完成本地、长途和国际的自动、半自动电话接续;在移动网内的交换局间提供本地、长途和国际电话呼叫业务,以及相关的移动业务,如短信等业务;为固定网和移动网提供智能网业务和其他增值业务;提供对运行管理和维护信息的传递和采集。
7号信令分层结构从软件层次区分,7号信令系统可以分成包含三个功能级消息传递部分(MTP )和作为第四个功能级的业务部分。
7号信号OSI 参考模型消息传递部分负责信令的正常传输,确保传输的信令不出现错误,为业务分系统提供服务。
消息传递部分可以细分为三个功能级:数据链路功能级(消息传递部份第一个功能级,MTP 1)、链路控制功能级(消息传递部分第二个功能级,MTP 2)和网络功能级(消息传递部分第三个功能级,MTP 3),这三个功能级分别对应了开放系统互联参考模型的物理层、链路层和网络层。
作为第四个功能级的业务分系统建立在网络功能级消息传递部分的基础上面,实现了各种和业务有关的协议和功能,包括电话用户部分(TUP )、ISDN 用户部分(ISUP )、信令连接控制部分(SCCP )、事务处理应用部分(TCAP )、移动应用部分(MAP )和操作维护应用部分(OMAP )等,这些协议和功能对应了开放系统互联参考模型的传输层、会话层、表示和应用层,还有网络层的一部分(比如信令连接控制部分就属于网络层)。
7号信令网的三要素:SP 即信令点包含DPC 、OPC; STP 即信令转接点,是信令网中用于汇聚和转发7号信令的节点;SL 即信令链路,用于连接信令节点之间的数据链路。
信令流程一、 TUP信令流程A局B局初始地址动静为IAM,〔SAM,SAO〕请求主叫号码GRQ送主叫号码 GSMA局B局1.位置更新1.11内部位置更新1.12外部位置更新 imsi登记TMSI登记以TMSI获取数据未果,向用户请求IMSI登记2.移动主叫PSTN/ISDNMS MSC/VLRBSS通 话 状 态111. 在服务小区内(Cell), 移动用户通过随抢(Random Access) 方式, 在无线通道上请求一信道, 以用作信令信道.2. 建立移动用户和MSC 的信令连接(MSC 和BSC 之间的SCCP 连接). 并且移动用户送出服务请求, 其中有用户的标识(IMSI 或TMSI) 服务的类型等.3. 对用户鉴权. 假设是需对用户进行号码请求, 在鉴权前进行. 4,5 假设是系统设置加密, 那么在此设定加密模式, 并分配新的TMSI.6. 用户送出CALL_SET_UP 请求, 其中有被叫用户号码, 呼叫服务类别等, 从而真正启动呼叫建立过程.7. MSC 分配话务信道. 这是无线资源管理命令, MSC 实际上只分配指定了一条至BSC 的PCM 话路, 然后由BSS 再分配一条相应的至MS 的无线话路.8. MSC 向PSTN 建立话路.9. 假设被叫用户空闲,PSTN 成功建立至被叫的话路, 在向被叫振铃的同时, 回送ACM 给MSC, MSC 送回铃音给主叫移动用户.10. 被叫摘机,PSTN 送应答信号给MSC, MSC 送CONNECT 至MS. 至此话路接通, 用户进入通话状态.11-14 是呼叫释放的示意. 这里假设是被叫先挂机:11. PSTN 通知MSC 被叫挂机(CLB 信号),MSC 前向拆除和PSTN 的话路.12. 通知MS 被叫挂机(Disconnect 信号), 释放呼叫.13. 释放PCM 话路和无线的话路和信令信道资源.14. 释放SCCP 连接.3.移动被叫四、 CAP信令流程1 预付费用户做主叫呼叫PSTN用户当主叫预付费用户在MSCa/VLR/SSP覆盖范围,由O-CSI触发业务见图1-1。
1)MSCa/VLR/SSP收到呼叫,按照主叫的签约信息O-CSI触发业务,直接将MSCa/VLR/SSP 地点位置的长途区号,放在IDP 动静中的Location Number 参数中,并向SCPa 发送IDP 动静。
2) SCPa 收到IDP 动静后,先阐发主叫用户帐户。
帐户有效那么按照 主叫用户拜访地的长途区号〔IDP 动静中的Location Number 参数〕和被叫长途区号确定主叫费率,并将余额折算成通话时长,发送RRBE 、AC 、FCI 和Continue 到MSCa/VLR/SSP 。
3) MSCa/VLR/SSP 按照 TUP 动静中的被叫号码进行接续。
4) 通话结束,主、被叫任一方挂机,MSCa/VLR/SSP 上报计费陈述和挂机事 件。
CAP 信令 :MAP 信令ISUP 信令 :图 1-1参数:〔注:以下参数在中国移动通信集团公司定义的<<预付费业务信令流程>>中为必选参数,参数不决义的见ETSI GSM09.78〔〕。
当不同厂家的SSP,SCP 设备进行信令交互时,非必选参数忽略不阐发.〕说明〔1〕:IDP操作中的TimeAndTimeZone参数中的时区局部的填写以15分钟为单元。
说明〔2〕:〞Max Call Period Duration〞和“Release if Duration Exceeded(play tone)〞参数的配置原那么上〞Max Call Period Duration〞为15分钟,但是假设用户最后一段通话时长小于等于1分钟时,为了用户在1分钟时仍然可以听到TONE音,需要将倒数第二段的通话时长由15分钟改为一个大于15分钟小于16分钟的数值,且变为最后一段通话时长。
“Release if Duration Exceeded(play tone)〞的配置原那么为:在用户可通话的最后一段时长,此参数为“TRUE〞;其他每段15分钟的通话过程中,此参数不呈现。
说明〔3〕:对于最后一个AC的上报,以下两种方式均认为是正确的:1、用TC-END上报ACR;2、用TC-continue上报ACR;在SSP用TC-continue上报ACR后,SSP可以用以下方式结束对话:1、TC-U-ABORT结束对话;2、从SCP接收到TC-END;3、SSP发送TC-END;4、SSP本端结束;在上述任何情况下,SCP均应能够正确处置。
说明〔4〕:关于RC操作中的释放原因的规定如下:1、到被叫用户的呼叫,SSP将收到的原因值放置到给SCP的ERB的原因中,SCP发送RC时,使用收到的原因值。
2、到话务员的呼叫,SCP发送RC时,采用正常-未指定。
3、由SCP倡议的呼叫释放,采用的原因均为正常-未指定。
1.2 呼叫普通GSM用户,当预付费用户在MSCa/VLR/SSP覆盖范围,由O-CSI触发业务.见图1-2。
1〕MSCa/VLR/SSP收到呼叫,按照主叫的签约信息O-CSI触发业务,将MSCa/VLR/SSP 地点位置的长途区号,放在IDP动静中的Location Number参数中,并向SCPa发送IDP动静。
2〕SCPa收到IDP动静后,先阐发主叫用户帐户。
帐户有效,那么转向3〕。
3〕SCPa按照主叫位置和被叫号码确定主叫费率,并将余额折算成通话时长,发送RRBE、AC、FCI和Continue到MSCa/VLR/SSP。
4) MSCa/VLR/SSP收到Continue动静后,向被叫的HLRb倡议SRI动静,得到被叫的MSRN,进行呼叫接续。
5〕通话结束,主、被叫任一方挂机,MSCa/VLR/SSP上报挂机事件和计费陈述。
CAP 信令 MAP 信令 ISUP 信令图1-22 预付费用户做被叫2.1 PSTN 或普通用户呼叫预付费用户PSTN 或普通GSM 用户呼叫预付费用户,按照 T -CSI 触发业务,见图2-1。
1) MSCa/VLR/SSP 收到PSTN 或GSM 用户倡议的呼叫后,判断出主叫用户不是预付费用户,那么向被叫HLRb 发送SRI 动静,假设被叫是预付费用户,那么返回签约信息O_CSI +T_CSI 。
2) MSCa/VLR/SSP 由T_CSI 数据中得到被叫SCPb 的地址,向SCPb 发送IDP 动静,因PSTN接入的GMSC 或普通GSM 的始发MSC 具有SSP 功能,故将GMSC/SSP 或始发MSC/SSP 地点位置长途区号放在IDP 动静中的参数Location number 中。
3) SCPb 收到IDP 动静后,先阐发被叫用户帐户。
假设帐户有效那么SCPb 按照 被叫归属地和被叫实际位置〔见Location Information 参数〕确定费率,并折算成通话时长,向MSCa/VLR/SSP 发送RRBE 、AC 和Connect 。
4) MSCa/VLR/SSP 收到Connect 动静后,向被叫HLRb 再次发送SRI 动静,此次SRI 动静按捺T -CSI ,得到被叫的MSRN 。
5) MSCa/VLR/SSP 按照 被叫的MSRN 进行接续。
6) 通话遏制,主、被叫任一方挂机, MSCa/VLR/SSP 上报挂机事件和计费陈述。
CAP 信令: MAP 信令:ISUP 信令:图2-1参数:IDP操作中的TimeAndTimeZone参数中的时区局部的填写以15分钟为单元。
说明〔4〕:关于RC操作中的释放原因的规定如下:1、到被叫用户的呼叫,SSP将收到的原因值放置到给SCP的ERB的原因中,SCP发送RC时,使用收到的原因值。
2、到话务员的呼叫,SCP发送RC时,采用正常-未指定。
3、由SCP倡议的呼叫释放,采用的原因均为正常-未指定。
3 预付费用户呼叫预付费用户3.1、主叫预付费用户在MSCa/VLR/SSP覆盖范围,由O-CSI触发业务,见图3-1。
1)MSCa/VLR/SSP收到呼叫,按照主叫的签约信息O-CSI触发业务,向主叫用户的SCPa 发送IDP动静,并将MSCa/VLR/SSP地点位置的长途区号,放在IDP动静中的Location Number参数中。
2〕SCPa按照主叫位置和被叫号码确定主叫用户的费率,并折算成通话时长,向MSCa/VLR/SSP发送RRBE、AC、FCI和Continue。
3) MSCa/VLR/SSP收到Continue动静后,向被叫HLR发送SRI动静,假设被叫是预付费用户,那么会返回签约信息O_CSI+T_CSI和被叫位置信息Location Information(Vlr-number)。
4〕MSCa/VLR/SSP向SCPb发送IDP动静,并将MSCa/VLR/SSP地点位置的长途区号,放在IDP 动静中的Location Number参数中,将被叫位置信息Location Information(Vlr-number)放在IDP动静中的Location Information中。
5〕SCPb收到IDP动静后,先阐发被叫用户帐户。
假设帐户有效那么SCPb按照从IDP得到的被叫位置信息Location Information确定被叫费率,并折算成通话时长,向MSCa/VLR/SSP发送RRBE、AC、FCI和connect。
7)MSCa/VLR/SSP向被叫HLRb再次发送SRI动静,此次SRI动静按捺T-CSI,得到被叫的漫游号码MSRN。
8)MSCa/VLR/SSP按照被叫的漫游号码MSRN进行接续。
9)通话遏制,主、被叫任一方挂机,MSCa/VLR/SSP别离向SCPa、SCPb上计费陈述和挂机事件。
MAP 信令:ISUP 信图3-14 无条件前转情况4.1 预付费用户做主叫,被叫普通GSM 用户无条件前转普通GSM/PSTN 用户当主叫预付费用户在MSCa/VLR/SSP 覆盖范围,由O -CSI 触发业务,见图4-1。
图4-1参数:拜见1.1。
4.2 预付费用户做主叫,被叫普通GSM用户无条件前转预付费用户当主叫预付费用户在MSCa/VLR/SSP覆盖范围内时,由O-CSI触发业务,见图4-2。
图4-2参数:拜见1.1和2.1。
4.3 普通GSM用户/PSTN用户做主叫,被叫普通用户无条件前转预付费用户A用户在MSCa/VLR/SSP覆盖范围内,呼叫普通用户,普通用户无条件前转预付费用户的信令流程,见图4-3图4-3 参数:拜见2.1。
第五节:几种底子呼叫流程1.主被叫信令流程1.1.呼叫2.公网呼叫Straight forward message flow of ISUP --> MS3.公网呼叫公网经G网转接Straight forward message flow of ISUP --> ISUP1.内部位置更新内部位置更新是指在同一MSC下不同LAC下进行从头登记的过程。