最新版水利水电工程质量评定表(渠道土方回填)填表样例
- 格式:doc
- 大小:1.30 MB
- 文档页数:115
水利水电工程表4.2 土料碾压筑堤单元工程施工质量验收评定表单位工程名称阿勒泰市克孜加尔灌区牧民定居饲草料地一干渠工程(二标段)工序编号 4.2分部工程名称土方回填工程施工单位新疆漠海工程建设有限责任公司单元工程名称、部位土方回填、3+400-3+500施工日期2013年4月5日~2013年4月7日项次工序名称、编号工序质量验收评定等级主要工序1土料碾压基面平整压实合格一般工序1土料摊铺合格施工单位自评意见各工序施工质量全部合格,其中优良工序占%,主要工序达到合格等级。
单元工程质量等级评定为:(签字)年月日监理机构复核评定意见经抽检并查验相关检验报告和检验资料,各工序施工质量全部合格,其中优良工序占%,主要工序达到等级。
单元工程质量等级评定为:(签字)年月日注:1.重要隐蔽单元工程和关键部位单元工程质量验收评定应有设计、建设等单位的代表签字,具体要求应满足SL 176-2007规定。
2.本表所填“单元工程量”不作为施工单位工程量结算计量的依据。
水利水电工程表4.2.1土料摊铺工序施工质量验收评定表单位工程名称阿勒泰市克孜加尔灌区牧民定居饲草料地一干渠工程(二标段)工序名称、编号4.2.1、土料摊铺分部工程名称土方回填工程施工单位新疆漠海工程建设有限责任公司单元工程名称、编号土方回填、C2-1施工日期2013年4月5日~2013年4月7日项次检验项目质量标准检查(测)记录或备查资料名称合格数合格率1土块直径符合表5.0.5-2的要求铺料厚度50cm、限制直径≤15cm;15cm、16cm、17cm、14cm、13cm、12cm、10cm、12cm、14cm、9cm880%主控项目2铺土厚度符合碾压试验或表5.0.5-2的要求;允许偏差为-5.0~0 cm18t振动碾、铺料厚度50cm;54cm、47cm、47cm、51cm、50cm、52cm、57cm、56cm、51cm、52cm880%1作业面分段长度人工作业不小于50m;机械作业不小于100m机械作业;100.5m、100.2m、100.1m、99.5m、99.3m、100.2m、100.0m、100.1m、100.1m、99.1m、770%人工铺料大于10cm;机械铺料大于30cm机械铺料;34cm、32cm、44cm、18cm、17cm、27cm、33cm、30cm、41cm、39cm770%防渗体: 0~10cm/一般项目2铺填边线超宽值包边盖顶:0~10cm/施工单位自评意见主控项目检验点100%合格,一般项目逐项检验点的合格率70 %,且不合格点不集中分布。
目录序号表号表格名称1 综表1 单位工程质量评定表2 综表2 分部工程施工质量评定表3 综表3 单位工程施工质量检测资料核查表4 表1 岩基开挖单元工程质量评定表5 表2 软基开挖单元工程质量评定表6 表3 隐蔽工程联合验收表7 表4 基础(隐蔽)工程验收表8 表5 混凝土单元工程质量评定表9 表5-1 混凝土基础面或施工缝处理工序质量评定表10 表5-2 模板工序质量评定表11 表5-3 钢筋工序质量评定表12 表5-4 止水及伸缩缝工序质量评定表13 表5-5 混凝土浇筑工序质量评定表14 表6 现浇砼单元工程质量检验评定表15 表7.1 土石坝坝基及岸坡处理单元工程质量评定表16 表7.1—1 坝基及岸坡清理工序质量评定表17 表7.1—2 防渗体岩基及岸坡开挖工序质量评定表18 表7.1—3 坝基及岸坡地质构造处理工序质量评定表19 表7.1—4 坝基及岸坡渗水处理工序质量评定表20 表7.2 土质防渗体填筑单元工程质量评定表21 表7.2—1 土石坝土质防渗体结合面处理工序质量评定表22 表7.2—2 土石坝土质防渗体卸料及铺填工序质量评定表23 表7.2—3 土石坝土质防渗体压实工序质量评定表24 表7.2—4 土石坝土质防渗体接缝处理工序质量评定表25 表7.11 反滤工程单元工程质量评定表26 表7.25 混凝土预制块质量评定表27 表8 浆砌石砌筑单元工程质量检验评定表28 表9浆(干)砌石护坡单元工程质量评定表29 表10浆砌预制块单元工程质量检验评定表30 表11预制构件单元工程质量检验评定表31 表12 预制构件安装单元工程质量检验评定表32 表15管床、管座单元工程质量评定表33 表16混凝土管道安装单元工程质量检验评定表34 表17 灌注桩单元工程质量评定表35 表18 隧洞洞身开挖单元工程质量评定表36 表19 喷锚支护单元工程质量检验评定表37 表19-1水工建筑物回填灌浆单元工程质量评定表39 表21隧洞(涵洞)洞身预制混凝土构件衬砌单元工程质量评定表40 表22 隧洞(涵洞)洞身混凝土浇筑单元工程质量评定表41 表23 土渠开挖单元工程质量评定表42 表24 石渠开挖单元工程质量评定表43 表25 岸坡清理及开挖单元工程质量评定表44 表26 土方回填单元工程质量评定表45 表27 灰土、砂石、砂和三合土基础单元工程质量检验评定表46 表29 预制混凝土板单元工程质量评定表47 表30 渠道混凝土板衬砌单元工程质量评定表48 表31 砂质量评定表49 表32 砂浆质量评定表50 表33 卵石(碎石)质量评定表51 表34 同一验收批砂浆强度检验评定报告52 表35 混凝土拌和质量评定表53 表35-1 砼拌和物质量评定表54 表35-2 混凝土试块质量评定表55 表36 混凝土试块试验强度统计质量评定报告56 表37 水泥品质评定表57 表38 钢筋质量评定表58 表39 栏杆梯步、金属盖板及灯饰单元工程质量评定表59 表41 施工日记60 表42 堤防(或坝体)填筑单元工程质量评定表61 表43 草土体、草帚单元工程质量评定表62 表44 铅丝笼、砼四角体、散抛石单元工程质量评定表63 表45 砌体勾缝单元工程质量检验评定表64 表47 现浇渠道砼单元工程质量评定表65 表49 土地整理开发单元工程质量评定表66 表50 四级公路与乡村道路单元工程质量评定表67 表53 反滤体单元工程质量检查评定表68 表54 岩石地基帷幕灌浆单元工程质量评定表69 表55 土渠开挖、(沟道清淤或开挖)质量评定表70 表56 田间配套工程闸门单元工程质量评定表71 表57 田间配套工程生产桥单元工程质量评定表72 表58 田间配套工程陡坡单元工程质量评定表73 表59 田间配套工程涵洞单元工程质量评定表74 表60 田间配套工程斗口(农口)单元工程质量评定表75 表63 建筑屋面单元工程质量评定表76 表64 建筑门窗单元工程质量评定表77 表65 建筑砌砖单元工程质量评定表78 表66 建筑地面单元工程质量评定表79 表67 室内外装饰单元工程质量评定表80 表69 水落斗、水落管单元工程质量检验评定表81 表70 工程报验单82 表71 沟道整治单元工程质量检验评定表83 表72 人饮工程输水管道安装单元工程质量评定表84 表73 分水井、检查井单元工程质量评定表85 表79 机井成井单元工程质量评定表86 表81 井孔水文地质柱状剖面图87 表83 抽水试验成果表88 表84 下管(套管、井管、滤水管)记录表89 表85 强夯法基础处理单元工程质量评定表90 表85-1 地基夯实法试验91 表86 砼管、预应力砼管及预防应力钢筒砼管单元工程质量评定表92 表86-1 预应力钢筒砼管接头水压试验原始记录93 表金-1 压力钢管制作单元工程质量评定表94 表金-3 压力钢管安装单元工程质量评定表95 表金-5 拦污栅安装单元工程质量评定表96 表金-7 金属结构防腐蚀表面处理、涂料涂装单元工程质量评定表97 表金-8 焊缝质量检查评定表98 表金-9 螺杆式启闭机安装单元工程质量评定表99 表金-11 启闭机械轨道安装单元工程质量评定表100 表金-12 桥式起重机安装单元工程质量检验评定表101 表金-13 平面闸门埋件安装单元工程质量评定表102 表金-14 平面闸门安装单元工程质量评定表103 表金-14-1 压力钢管岔管、弯管制作单元工程质量评定表水利水电工程单位工程质量评定表综表1工程项目名称施工单位单位工程名称施工日期自年月日至年月日单位工程量评定日期年月日序号分部工程名称质量等级序号分部工程名称质量等级合格优良合格优良1 82 93 104 115 126 137 14分部工程共个,全部合格,其中优良个,优良率%,主要分部工程优良率% 外观质量应得分,实得分,得分率%施工质量检验资料质量事故处理情况施工单位自评等级:评定人:项目经理(盖公章)年月日监理单位复核等级:复核人:总监或副总监:(盖公章)年月日项目法人认定等级:复核人:单位负责人:(盖公章)年月日工程质量监督机构核定等级:核定人机构负责人:(盖公章)年月日注:将表中主要分部工程用“△”符合标注水利水电工程分部工程施工质量评定表综表2单位工程名称施工单位分部工程名称施工日期自年月日至年月日分部工程量评定日期年月日项次单元工程类型工程量单元工程个数合格个数其中优良个数备注12345678910合计重要隐蔽单元工程、关键部位单元工程施工单位自评意见监理单位复核意见项目法人认定意见本分部工程的单元工程质量全部合格。
目录水利水电工程单位工程质量评定表综表1注:将表中主要分部工程用“△”符合标注水利水电工程分部工程施工质量评定表综表2注:表中主要单元工程用“△”符合标注水利水电工程单位工程施工质量检测资料核查表综表3岩基开挖单元工程质量评定表表1说明保证项目:检查数量:全数检查。
检验方法:1项观察和检查施工记录。
2项观察和用钢钎检查。
3项观察和检查施工记录和实地测绘图。
4项观察和尺量检查。
基本项目:检查数量:全数检查。
检验方法:检查施工记录,2项用坡度尺检查。
允许偏差项目:检查方法与数量:1、2、3项用皮尺、钢尺由中心线向两边量,每边不少于2点,每个基坑不少于10点,4项用水准仪测每个基坑不少于10点,5项用水准仪和2米直尺测,每个基坑不少于1点。
以上各项小基坑可适当减少。
软基开挖单元工程质量评定表表2注:括号内数字适于小基坑。
表2说明保证项目:检查数量:1、2项全数检查。
3、4、5、6项每20延长米检查1点,每坑不少于10点,小坑可适当减少。
检验方法:1、2项观察检查和检查取样验收记录。
3、6项尺量检查。
4项检查施工记录及尺量检查。
5项用水平仪或尺量检查。
允许偏差项目:检查方法与数量:1、2、3项用皮尺、钢尺由中心线向两边量,每边不少于2点,每个基坑不少于10点,小基坑可适当减少。
4项、5项用水准仪测量,每边不少于2点,基坑中间每隔20米测量1点,每个基坑不少于10点,小基坑可适当减少。
隐蔽工程联合验收表表3基础(隐蔽)工程验收表表4说明1.泵站基础开挖、封闭圈钢筋等关键部位的隐蔽工程,施工企业验收合格后,将此表送建设单位或监理,经建设单位或监理审核后通知有关部门进行联合检查验收,未经验收不得覆盖和进行下道工序施工。
2.其它部位的隐蔽工程,如渡槽井柱、渡槽基础、管道支墩……等,施工单位验收合格后,由现场监理、设计代表签证验收。
混凝土单元工程质量评定表表5表5说明一、单元工程划分、对于单元工程的划分,由建设(监理)单位组织设计及施工单位共同研究确定,并报质量监督机构认可。
水利水电工程施工质量验收评定表及填表说明二〇一三年十月编写说明为进一步加强水利水电工程施工质量管理,统一工程施工质量验收评定标准,规范工程验收评定工作,水利部于2012年9月以[2012]第57号公告发布了《水利水电工程单元工程施工质量验收评定标准》(SL631~637—2012)(以下简称《新标准》),包括土石方工程、混凝土工程、地基处理与基础工程、堤防工程、水工金属结构安装工程、水轮发电机组安装工程、水力机械辅助设备系统安装工程,自2012年12月开始实施。
新标准替代原《水利水电基本建设工程单元工程质量等级评定标准(试行)》(SDJ249.1~6—88)和《水利水电基本建设工程单元工程质量等级评定标准(七)——碾压式土石坝和浆砌石坝》(SL 38—92)、《堤防工程施工质量评定与验收规程(试行)》(SL 239—1999)。
为帮助我省广大工程技术人员学习领会和准确执行《新标准》,规范填写工程内业施工质量评定表,依据《新标准》,在借鉴其它省施工质量验收评定表的基础上,我们编制了电子版的《水利水电工程施工质量评定表及填表说明》,并刻录成光盘以方便大家在水利工程质量管理工作中使用。
全部表格共分三部分,总计463个表。
第一部分为工程项目、单位、分部工程质量评定表,共计17个表(电子版文件为表0),包含单位工程质量等级核定前需填写的8个附表。
第二部分为单元(工序)质量评定表,计435个表(电子版文件为表1~7)。
其中:表1.土石方工程50个表(电子版文件为表1),表2.混凝土工程60个表(电子版文件为表2),表3.地基处理与基础工程52个表(电子版文件为表3),表4.堤防工程58个表(电子版文件为表4),表5.水工金属结构安装工程50个表(电子版文件为表5),表6.水轮发电机组安装工程121个表(电子版文件为表6),表7.水力机械辅助设备系统安装工程44个表(电子版文件为表7),并逐个编写了填表说明。
水利水电工程
水利水电工程
水利水电工程
水利水电工程
水利水电工程
水利水电工程
水利水电工程
水利水电工程
水利水电工程
水利水电工程
水利水电工程
水利水电工程
水利水电工程
水利水电工程
水利水电工程
水利水电工程
水利水电工程
水利水电工程
水利水电工程
水利水电工程
水利水电工程
水利水电工程
水利水电工程
水利水电工程
水利水电工程
水利水电工程
水利水电工程
水利水电工程
水利水电工程
水利水电工程
水利水电工程
水利水电工程
水利水电工程
水利水电工程
水利水电工程
水利水电工程
水利水电工程
水利水电工程
水利水电工程
水利水电工程
水利水电工程
水利水电工程
水利水电工程
表4.2.2土料碾压工序施工质量验收评定表
水利水电工程
水利水电工程。
小型农田水利工程渠道外观质量评定表小型农田水利工程渠道外观质量评定表堤防工程外观质量评定表小型农田水利工程堤防外观质量评定表堤防单位工程外部尺寸质量检测评定表小型农田水利工程堤防单位工程外部尺寸质量检测评定表渠道单元工程质量评定表小型农田水利工程渠道单元工程质量评定表注:(1 )检测数量:总检查点不少于1/100m个;(2 )单元工程质量标准:合格为允许偏差不小于70%,优良为允许偏差不小于90%。
堤基清理单元工程质量评定表小型农田水利工程堤基清理单元工程质量评定表注:(1 )检测项目:①堤基清理范围应根据工程级别、沿堤长度每20—50m测量一次,每个单元工程不少于10次;②压实质量按清基面各每400—800m2取样一次测试干密度;(2)合格:检测项目达到质量标准,清理范围检测合格率不小于70%,压实质量合格率不小于80% ;优良检测项目达到质量标准,清理范围检测合格率不小于90%压实质量合格率不小于90% ;。
干砌石护坡单元工程质量评定表小型农田水利工程干砌石护坡单元工程质量评定表注:(1 )检测项目:①堤基清理范围应根据工程级别、沿堤长度每20—50m测量一次,每个单元工程不少于10次;②压实质量按清基面各每400—800m2取样一次测试干密度;(2)合格:检测项目达到质量标准,清理范围检测合格率不小于70%,压实质量合格率不小于80% ;优良检测项目达到质量标准,清理范围检测合格率不小于90%压实质量合格率不小于90% ;。
混凝土预制块护坡单元工程质量评定表小型农田水利工程混凝土预制块护坡单元工程质量评定表注:(1 )检测数量:坡面平整度沿堤线或每10—20m不少于1点。
(2)单无工程质量标准:合格为坡面平整度合格率不小于70%,优良为坡面平整合格率不小于90% ;第三十六节闸门安装工程质量评定表小型农田水利工程闸门安装工程质量评定表注:(1)检测数量:先宏观检查,没发现有明显不合格处,即进行抽样检查,总测点数不少于10个; ⑵单元工程质量标准:合格为允许偏差不小于70%,优良为允许偏差不小于90%。
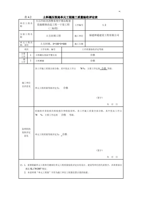
表4.2 土料碾压筑堤单元工程施工质量验收评定表单位工程名称大石凹防汛预警系统中继站配套设施维修改造工程一干渠工程(二标段)工序编号 4.2分部工程名称土方回填工程施工单位福建神通建设工程有限公司单元工程名称、部位土方回填、3+400-3+500 施工日期项次工序名称、编号工序质量验收评定等级主要工序1 土料碾压基面平整压实合格一般工序1 土料摊铺合格施工单位自评意见各工序施工质量全部合格,其中优良工序占76 %,主要工序达到合格等级。
单元工程质量等级评定为:合格(签字)年月日监理机构复核评定意见经抽检并查验相关检验报告和检验资料,各工序施工质量全部合格,其中优良工序占76 %,主要工序达到合格等级。
单元工程质量等级评定为:合格(签字)年月日注:1.重要隐蔽单元工程和关键部位单元工程质量验收评定应有设计、建设等单位的代表签字,具体要求应满足SL 176-2007规定。
2.本表所填“单元工程量”不作为施工单位工程量结算计量的依据。
单位工程名称大石凹防汛预警系统中继站配套设施维修改造工程一干渠工程(二标段)工序名称、编号 4.2.1、土料摊铺分部工程名称土方回填工程施工单位福建神通建设工程有限公司单元工程名称、编号土方回填、C2-1施工日期项次检验项目质量标准检查(测)记录或备查资料名称合格数合格率主控项目1 土块直径符合表5.0.5-2的要求铺料厚度50cm、限制直径≤15cm;15cm、16cm、17cm、14cm、13cm、12cm、10cm、12cm、14cm、9cm8 80%2 铺土厚度符合碾压试验或表5.0.5-2的要求;允许偏差为-5.0~0 cm18t振动碾、铺料厚度50cm;54cm、47cm、47cm、51cm、50cm、52cm、57cm、56cm、51cm、52cm8 80%一般项目1作业面分段长度人工作业不小于50m;机械作业不小于100m机械作业;100.5m、100.2m、100.1m、99.5m、99.3m、100.2m、100.0m、100.1m、100.1m、99.1m、7 70%2铺填边线超宽值人工铺料大于10cm;机械铺料大于30cm机械铺料;34cm、32cm、44cm、18cm、17cm、27cm、33cm、30cm、41cm、39cm7 70%防渗体: 0~10cm /包边盖顶:0~10cm/施工单位自评意见主控项目检验点100%合格,一般项目逐项检验点的合格率70%,且不合格点不集中分布。
精心整理水利水电工程表01水工建筑物外观质量评定表续表01(3)表中第13项混凝土表面缺陷指混凝土表面的蜂窝、麻面、挂帘、裙边,小于3cm的错台,局部凹凸及表面裂缝等,如无上述缺陷,该项得分率为100%,缺陷面积超过总面积5%者,该项得分为0。
(4)表中带括号的标准分为工作量大时的标准分。
表03分部工程质量评定表表04施工质量检验资料核查表续表04表05单位工程质量评定表表1.2岩石地基开挖单元工程质量评定表表1.4软基和岸坡开挖单元工程质量评定表表1.5-1基础面或混凝土施工缝处理工序质量评定表表1.5-2混凝土模板工序质量评定表表1.5-3混凝土钢筋工序质量评定表混凝土止水、伸缩缝和排水管安装工序质量评定表表1.5混凝土单元工程质量评定表表1.12基础排水单元工程质量评定表表1.17表1.18砂料质量评定表表1.19粗骨料质量评定表表1.20-1混凝土拌和物质量评定表表7.24水泥砂浆质量评定表表1.20混凝土拌和质量评定表表7.12垫层工程单元工程质量评定表水利水电工程表7.15浆砌石体基岩连接工程单元工程质量评定表表7.16-1水泥砂浆砌石体层面处理工序质量评定表表7.16-2水泥砂浆砌石体砌筑工序质量评定表表7.16水泥砂浆砌石体单元工程质量评定表表7.22-1浆砌石墩(墙)砌筑工序质量评定表表7.22浆砌石墩(墙)单元工程质量评定表表7.25混凝土预制块质量评定表表堤11混凝土预制块护坡单元工程质量评定表注:1、检验日期为终检日期,由施工单位负责填写;2、评定日期由项目法人(监理单位)负责填写。
表堤1堤基清理单元质量评定表注:1、检验日期为终检日期,由施工单位负责填写;2、评定日期由项目法人(监理单位)负责填写。
表堤6砂质土堤堤坡堤顶填筑单元工程质量评定表注:1、检验日期为终检日期,由施工单位负责填写;2、评定日期由项目法人(监理单位)负责填写。
3、△者为主要检查或检测项。
表堤9干砌石护坡单元工程质量评定表注:1、检验日期为终检日期,由施工单位负责填写;2、评定日期由项目法人(监理单位)负责填写。
水利水电工程施工质量评定表样表施工质量评定表样表〔2021版〕二零一四年三月目录第一部分土石方工程单元工程质量验收评定表………………………… 1~69 第二部分混凝土工程单元工程质量验收评定表…………………………70~175 第三部分提防工程单元工程质量验收评定表………………………… 176~241 第四部分地基处理与基础工程单元工程质量验收评定表…………… 242~278第五部分水工金属结构安装工程单元工程质量验收评定表………… 279~281第六部分水轮发电机组安装工程单元工程质量验收评定表………… 282~284第七部分水力机械辅助设备系统安装工程单元工程质量验收评定表… 285~287说明本表样是依照中华人民共和国水利部2021版«水利水电工程单元工程施工质量验收评定标准——土石方工程»〔SL631-2021〕、«水利水电工程单元工程施工质量验收评定标准——混凝土工程»〔SL632-2021〕、«水利水电工程单元工程施工质量验收评定标准——地基处理与基础工程»〔SL633-2021〕、«水利水电工程单元工程施工质量验收评定标准——堤防工程»〔SL634-2021〕、«水利水电工程单元工程施工质量验收评定标准——水工金属结构安装工程»、〔SL635-2021〕«水利水电工程单元工程施工质量验收评定标准——水轮发电机组安装工程»、〔SL636-2021〕«水利水电工程单元工程施工质量验收评定标准——水力机械辅助设备系统安装工程»〔SL637-2021〕等七项标准编制而成,各项目在使用过程中,应切实对比以上规范标准的要求,认真填写质量验收评定表格。
特此说明二零一四年三月单元工程施工质量验收评定表〔划分工序〕表A.0.1-2表4.2.3表土及土质岸坡清理施工质量验收评定表表4.2.3表4.2.4表4.2.4岩石岸坡开挖施工质量标准表4.3.3岩石岸坡开挖施工质量验收评定表表4.3.3岩石地基开挖施工质量标准表4.4.3表4.4.3地质缺陷处理施工质量标准表4.4.4表4.4.4岩石洞室开挖施工质量标准表5.2.2表5.2.2表5.3.3土质洞室开挖施工质量验收评定表表5.3.3结合面处理施工质量标准表6.2.4表6.2.4卸料及铺填施工质量标准表6.2.5卸料及铺填施工质量验收评定表表6.2.5土料压实施工质量标准表6.2.6土料压实施工质量验收评定表表6.2.6表6.2.7接缝处理施工质量验收评定表表6.2.7砂砾料铺填施工质量标准表6.3.4砂砾料铺填施工质量验收评定表表6.3.4砂砾料压实施工质量标准表6.3.5砂砾料压实施工质量验收评定表表6.3.5堆石料铺填施工质量标准表6.4.3堆石料铺填施工质量验收评定表表6.4.3堆石料压实施工质量标准表6.4.4堆石料压实施工质量验收评定表表6.4.4反滤〔过渡〕料铺填施工质量标准表6.5.3反滤〔过渡〕料铺填施工质量验收评定表表6.5.3反滤〔过渡〕料压实施工质量标准表6.5.4反滤〔过渡〕料压实施工质量验收评定表表6.5.4垫层料铺填施工质量标准表6.6.4。
水利工程土方回填评定表水利工程土方回填评定表本次评定的主要目的是确保水利工程土方回填施工的质量符合规范和工程设计要求。
评定将依据相关法规、技术标准和设计文件,对施工过程中的各个环节进行全面评估。
以下是本次评定的详细内容。
评定日期:XXXX年XX月XX日评定人:XXX一、土方回填评定结果本次评定的土方回填工程共分为三个区域,分别为A区、B区和C区。
经过对各区域的检查和评估,得出以下评定结果:A区:优良 B区:合格 C区:不合格二、评分细则1、土质选择(满分20分) a. 合格(10-20分):选择的土质符合设计要求,无杂质、淤泥等不适宜的物质。
b. 不合格(0-9分):选择的土质不符合设计要求,含有杂质、淤泥等不适宜的物质。
2、填筑厚度(满分20分) a. 合格(10-20分):填筑厚度符合设计要求,控制在允许误差范围内。
b. 不合格(0-9分):填筑厚度不符合设计要求,超过允许误差范围。
3、压实度(满分30分) a. 合格(15-30分):压实度符合设计要求,达到规定的压实度标准。
b. 不合格(0-14分):压实度不符合设计要求,未达到规定的压实度标准。
4、平整度(满分15分) a. 合格(7.5-15分):平整度符合设计要求,达到规定的平整度标准。
b. 不合格(0-7分):平整度不符合设计要求,未达到规定的平整度标准。
5、排水措施(满分15分) a. 合格(7.5-15分):排水措施合理,能够有效防止外部水对填筑面的侵蚀。
b. 不合格(0-7分):排水措施不合理,不能有效防止外部水对填筑面的侵蚀。
三、备注1、在A区,土质选择优良,填筑厚度和平整度均符合设计要求,压实度达到了95%以上的标准。
评为优良的主要原因是在这些方面表现突出。
2、在B区,虽然填筑厚度和平整度基本符合设计要求,但压实度仅为80%,低于规定的90%标准。
评为合格主要是因为压实度不达标。
3、在C区,选择的土质中含有大量杂质,且填筑厚度超出了允许误差范围,导致压实度和平整度均不符合设计要求。
新版水利水电工程单元工程施工质量验收评定表新版水利水电工程单元工程施工质量验收评定表水利水电工程单位工程名称单元工程量分部工程名称施工单位单元工程名称、部位施工日期年月日~ 年月日项次工序名称、编号工序质量验收评定等级1 表土及土质岸坡清理工序2 △软基或土质岸坡开挖工序施工单位自评意见各工序施工质量全部合格,其中优良工序占%,且主要工序达到等级。
单元工程质量等级评定为:(签字,加盖公章)年月日监理单位复核意见经抽查并查验相关检验报告和检验资料,各工序施工质量全部合格,其中优良工序占%,且主要工序达到等级。
单元工程质量等级评定为:(签字,加盖公章)年月日注1:对重要隐蔽单元工程和关键部位单元工程的施工质量验收评定应有设计、建设等单位的代表签字,具体要求应满足SL176的规定。
注2:本表所填“单元工程工程量”不作为施工单位工程量结算计量的依据。
水利水电工程单位工程名称工序编号分部工程名称施工单位单元工程名称、部位施工日期年月日~ 年月日项次检验项目质量标准检查(测)记录合格数(点)合格率(%)主控项目1 表土清理树木、草皮、树根、乱石、坟墓以及各种建筑物全部清除;水井、泉眼、地道、坑窖等洞穴的处理符合设计要求2 不良土质的处理淤泥、腐殖质土、泥炭土全部清除;对风化岩石、坡积物、残积物、滑坡体、粉土、细砂等处理符合设计要求3 地质坑、孔处理构筑物基础区范围内的地质探孔、竖井、试坑的处理符合设计要求;回填材料质量满足设计要求一般项目1 清理范围满足设计要求。
长、宽边线允许偏差:人工施工0~50cm,机械施工0~100cm2 土质岸边坡度不陡于设计边坡施工单位自评意见主控项目检验点100%合格,一般项目逐项检验点的合格率%,且不合格点不集中分布。
工序质量等级评定为:(签字,加盖公章)年月日监理单位复核意见经复核,主控项目检验点100%合格,一般项目逐项检验点的合格率%,且不合格点不集中分布。
工序质量等级评定为:(签字,加盖公章)年月日单位工程名称工序编号分部工程名称施工单位单元工程名称、部位施工日期年月日~ 年月日项次检验项目质量标准检验记录合格数(点)合格率(%)主控项目1 保护层开挖保护层开挖方式应符合设计要求,在接近建基面时,宜使用小型机具或人工挖除,不应扰动建基面以下的原地基2 建基面处理构筑物软基和土质岸坡开挖面平顺。
水利水电工程
水利水电工程
水利水电工程
水利水电工程
水利水电工程
水利水电工程
水利水电工程
水利水电工程
水利水电工程
水利水电工程
水利水电工程
水利水电工程
水利水电工程
水利水电工程
水利水电工程
水利水电工程
水利水电工程
水利水电工程
水利水电工程
水利水电工程
水利水电工程
水利水电工程
水利水电工程
水利水电工程
水利水电工程
水利水电工程
表4.2.1土料摊铺工序施工质量验收评定表
水利水电工程
水利水电工程
水利水电工程
水利水电工程
水利水电工程
水利水电工程
表4.2.1土料摊铺工序施工质量验收评定表
水利水电工程
水利水电工程
水利水电工程
水利水电工程
水利水电工程
水利水电工程
水利水电工程
水利水电工程
水利水电工程
水利水电工程
水利水电工程
水利水电工程
表4.2.1土料摊铺工序施工质量验收评定表。