瓦斯检查管理表格汇总
- 格式:doc
- 大小:176.50 KB
- 文档页数:12
xx煤矿
瓦斯抽放管路检查记录台帐
1 / 18
xx煤矿瓦斯抽放管路检查记录台帐
2 / 18
xx煤矿
瓦斯抽放钻孔施工原始记录表
3 / 18
煤矿瓦斯抽放钻孔施工原始记录表
4 / 18
煤矿
瓦斯抽放井下检测记录台帐
5 / 18
煤矿瓦斯抽放井下检测记录台帐
6 / 18
煤矿瓦斯抽放钻孔竣工台帐工作面名称:工作面预抽钻孔
7 / 18
8 / 18
XX煤矿
瓦斯抽放泵站运行记录表
煤矿瓦斯抽放泵抽采参数原始记录表
XX煤矿年度
瓦斯抽放量统计台帐
煤矿年月份瓦斯抽放量统计台帐
xx煤矿年度
风排瓦斯量统计台帐
煤矿年月份风排瓦斯量统计台帐
掘进工作面瓦斯抽放钻孔施工验收报表
采煤工作面瓦斯抽放钻孔施工验收报表。
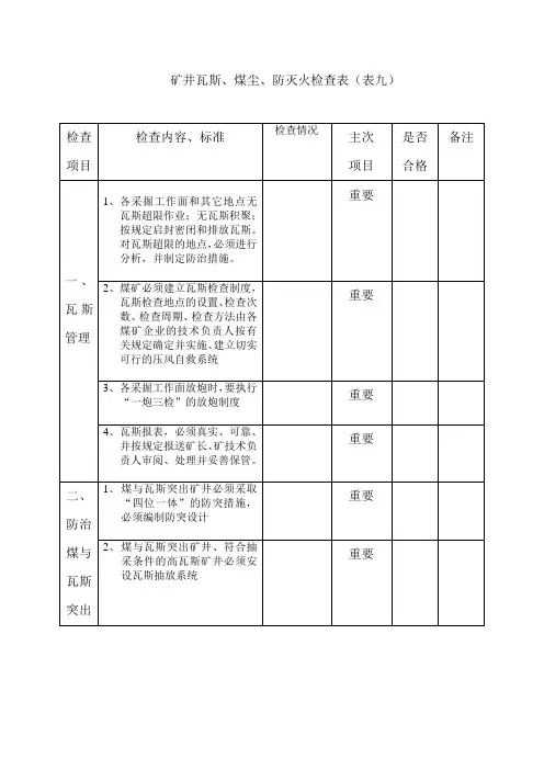
煤矿防治煤与瓦斯突出安全检查表煤矿防治煤与瓦斯突出安全检查表序号检查项目检查内容检查结果1防突管理突出矿井必须设置专门防突机构,掌握突出动态规律,制定防突计划和措施矿井在采掘过程中,只要发生过1次煤(岩)与瓦斯突出,即为突出矿井,发生突出的煤层为突出煤层。
新井建设期间必须根据揭穿各煤层的实际情况,重新验证层的突出危险性开采突出煤层时,必须采取综合防突措施突出矿井必须及时编制矿井瓦斯地质图,图中应标明采掘进度、被保护范围、煤层赋存条件、地质构造、突出点的位置、突出强度、瓦斯基本参数等,作为突出危险性区域预测和制定防治突出措施的依据对有突出危险的新建矿井,突出矿井的新水平、新采区,必须编制防治突出煤层突出的设计2开采保护层在突出矿井开采煤层群时,应优先选择开采保护层防治突出措施优先选择无突出危险的煤层作为保护层。
矿井中所有煤层都有突出危险时,应选择突出危险程度较小的煤层作保护层优先选择上保护层;选择下保护层开采时,不得破坏被保护层和开采条件开采保护层时,采空区内不得留有煤(岩)柱;特殊情况需留煤(岩)柱时,必须将煤(岩)柱的位置和尺寸准确地标在采掘平面图上。
每个被保护层的瓦斯地质图上,应标出煤(岩)柱的影响范围,在这个范围内进行采掘工作时,必须采取综合防治突出措施开采保护层时,应同时抽放被保护层的瓦斯开采近距高保护层时,必须采取措施严防被保护层初期卸压的瓦斯突然涌入保护层采掘工作面和误穿突出煤层正在开采的保护采煤工作面,必须超前被保护层的掘进工作面,其超前距离不小于保护层与被保护层之间法线距高的两倍,并不得小于30m保护层的开采厚度等于或小于0.5m、上保护层与突出煤层间距大于50m 或下保护层与突出煤层间距大于80m时,必须对保护层的保护效果进行检查3突出煤层采掘面防治瓦斯突出必须执行四位一体的综合防治突出措施在过突出孔洞及在其附近30m范围内进行采掘作业时岂知须加强支护突出煤层的采掘工作必须有经矿井技术负责人审批的防突出措施和设计主要巷道应布置在岩层或非突出煤层中在同一突出煤层的同一区段的集中应力影响范围内,不得布置两个工作面相向回采或掘进在突出煤层顶底板掘进岩巷时,必须定期验证地质资料,及时掌握工动态和围岩变化情况,防止误穿突出煤层开采突出煤层时,每个采掘工作面的专职瓦斯检查工必须随时检查瓦斯,掌握突出预兆在突出煤层中的突出危险区、突出威胁区严禁采用放顶煤采煤法、水力采煤灶台、非正规采煤法采煤、严禁使用风镐落煤井巷揭穿突出煤层和在突出煤层中进行采掘作业时,必须采取震动爆破、远距离爆破、避难硐室、反向风门、压风自救系统等安全防护措施;突出矿井的入井人员必须携带隔离式自救器4石门揭穿突出煤层石门揭穿突出煤导前,必须采取防治突出措施,经验措施有效后,可用远距离爆破或震动爆破揭穿煤层;若检验措施无效,应采取补充防治突出措施直至有效工作面与煤层间的岩柱尺寸应符合防突出措施要求在工作面距煤层法线距离5m以外,至少打两个穿透煤层全厚或见煤深度不少于10m的钻孔,测定煤层瓦斯压力或预测煤层突出危险性必须编制设计,采取综合防治突出措施,报企业技术负责人审批在工作前距煤层灶台线10m(地质构造复杂、围岩破碎区域20m)之外,至少打两个前探钻孔,掌握煤层赋予条件、地质构造、瓦斯情况等石门揭煤采用远距离爆破是地,必须制定包括爆破地点、避灾路线及停电、撤人和警式范围等的专门措施突出的煤必须及时清理,以防自燃引起瓦斯煤尘爆炸。
蒙华铁路瓦斯隧道安全管理相关记录表格表1.瓦斯检测日报表(每天一次)表2.有害气体超标应急处理记录台帐(动态管理)表3.瓦斯隧道多参环境检测日报表表4.瓦斯隧道一周瓦斯浓度最大值统计表5.瓦斯隧道超限汇总台账表6.瓦斯检测设备标准气样、检定校正(记录)台账表7.瓦斯隧道防爆设备专项检查记录表8.备用风机、电源测试记录表表9.隧道通风风速测量记录表表10.隧道(瓦检员)瓦斯检测检查记录手册表11.瓦斯检测记录表(对应检测手册)表12.隧道瓦斯检测系统异常原因分析记录表表13.瓦电、风电闭锁测试记录表14. “一炮三检”专用记录表表1 瓦斯检测日报表工点名称:标段:十标一工区施工单位:中铁一局四公司上报时间:20 年月日时分填报人:作业队长:分管副经理:安全总监:总工:项目经理:注:1.监测时间为瓦斯浓度异常开始时间,此时浓度值填入监测值栏内。
2.备注栏内所填写认为需要标注的情况说明,表2 有害气体超标应急处理记录台帐主管安全员:生产副经理:总工:项目经理:现场监理:备注:启动应急预案时,上表备注栏里必须由项目经理部签认备注意见及签名。
表3 瓦斯隧道多参环境检测日报表分部经理:技术负责人:制表人:表4 瓦斯隧道一周瓦斯浓度最大值统计统计:安全经理:总工程师:项目经理备注:1、以上数据依据瓦斯报统计情况统计。
2、黄色部分为超限数据。
表5 瓦斯隧道超限汇总台账表6 瓦斯检测设备标准气样、检定校正(记录)台账说明:1、校正探头、光干涉便携式瓦检仪、便携式都可以用此表;2、见证人一般为现场监理,必要时可以由主管部门或领导签认。
表7 瓦斯隧道防爆设备专项检查记录表8 备用风机、电源测试记录表现场负责人:注;可以同时试验风机与备用电源;单独试验某一项时,另外一项画斜线;测试频率为一月不少于一次。
表9 隧道通风风速测量记录表说明:1、每次放炮时间后对上述各部位进行风速测量2、每周做一份风速测定周报,并于周五12点前上报经理部调度、安质部,并在周交班会上进行通报表10 隧道瓦斯检测记录表日期:年月日表10 隧道瓦斯检测记录表日期:年月日工点名称:标段:蒙华十标一工区施工单位:中铁一局检测日期:检测人:主管安全员:作业队长:监理工程师:注:洞内任意处瓦斯浓度超过0.3%时,应加强通风监测;瓦斯浓度超过0.4%时,应停止工作,超限前后20米人员撤出,进行处理。
700×500 300块
此牌板适用于12小时制采、掘、开工作面、回风流及尾巷的瓦斯检查牌板
500×350 30块
700×500 300块
此牌板适用于总回风巷、硐室、闭前、风机前的瓦斯检查牌板
400×250 50块
温度传感器管理牌板
400×250 50块
500×450 150块
600×450 50块
()工作面钻孔观测牌板
600×450 100块
()工作面总管路抽放管理牌板
600×450 50块
抽放管路巡查牌板年月日班
500×350 60块
测风记录牌板年月日
600×450(工作面)300块
800×550(工作面)200块
规格填写:(长×宽×厚)600×450 50块
局部通风管理牌板年月日
700×500 100块
主、付风机自己制作“主、付”粘帖在风机上
规格填写:(高×宽)600×450 100块
规格填写:(高×宽)600×450 50块
规格填写:(高×宽×厚)600×450 150块
规格填写:指风门的大小(高×宽)600×450 100块
600×450 (100块)
备注:该牌板适用于对各地段防尘管路划分
400×300 (50块) 备注:该牌板适用于对各类机械及锚喷工作面除尘设施
400×300 (50块) 备注:该牌板适用于各类采煤、机掘设备
600×500 50块
规格500×400 50块
红底白字规格200×230 1-----20做20套
20---30做10套
规格600×500 100块
规格600×500 100块
规格600×500 10块。