振动给料机系列主要技术全参数
- 格式:doc
- 大小:1.03 MB
- 文档页数:10
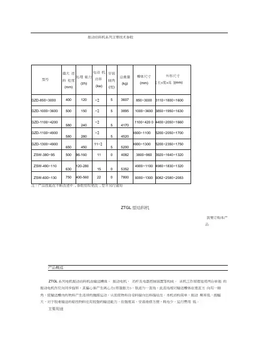
振动给料机系列主要技术参数ZTGL型给料机我要订购本产品产品概述ZTGL系列电机振动给料机由输送槽体、振动电机、吊杆及电器控制装置等构成。
该机工作原理是用两台单独的振动电机作反向同步旋转,其偏心体产生离心力(即激振力),轨迹为一直线,此直线相对输送槽体在垂直方向有一倾角,使输送槽内的物料产生连续的抛掷运动,从而使物料自受料端向出料端给出。
本机结构简单,振动频率低,振幅大,对于较难输送的粘性物料也有较强的输送能力,但强度高,安装维修方便,耗电少,运行费用低。
主要用途该机主要用于原煤或精选煤的均匀给料,也适用与其它尺寸不大于300mm块状物料。
能适应粘性不太大的物料的输送,用于煤矿、建材等行业。
技术参数参数| 型号ZTGL50 ZTGL60 ZTGL70 ZTGL90 ZTGL100 ZTGL110 ZTGL130 ZTGL150槽体尺寸长(mm)1400 1400 1400 1600 1600 1600 1800 1800 宽(mm)500 600 700 900 1000 1100 1300 1500 高(mm)258 258 258 258 308 308 308 308给料粒度(mm)0~150 0~150 0~200 0~300 0~300 0~300 0~300 0~300安装角度5~10 5~10 5~10 5~10 5~10 5~10 5~10 5~10 双振幅(mm)6~12 6~12 6~12 6~12 6~12 6~12 6~12 6~12料层厚度(mm)350 350 350 450 500 550 550 600给料量(t/h )精煤200~500 250~550 290~540 340~640 420~850原煤70~150 100~200 150~230 300~700 350~750 400~800 500~1000 600~1200型号ZT10-6 ZT10-6 ZT10-6 ZT10-6 ZT10-6 ZT10-6 ZT10-6 ZT10-6振动电机振次(r/min )960 960 960 960 960 960 960 960功率(kw)×2×2×2×2×2×2×2×2仓口尺寸(mm)600×400 600×500 600×600 800×800 900×900 1000×1000 1000×1200 1000×1400 单支点静负荷(N)1784 2294 2744 4323 6573 7214 8612 10368 单支点动负荷(N)192 192 192 205 298 336 280 304浏览次数:60 次我要订购本产品振动给料机主要技术参数型号料槽尺寸(mm)最大进料粒度(mm)生产能力(t/h)功率(kw) 机器重量(t)安装倾角外型尺寸(mm)GZD-850×3000 850×3000 400 120 ×25o 3110×1800×1600 GZD-1000×3600 1000×3600 500 150 ×25o 3850×1850×1630 GZD-1100×4200 1100×4200 580 240 ×25o 4400×2050×1660 GZD-1100×4900 1100×4900 580 280 ×25o 5200×2050×1700 GZD-1300×4900 1300×4900 650 450 11×25o 5200×2350×1750 注:远华机械保留更改产品设计与规格的权利,恕不另行通知。
GZY系列振动给料机产品使用说明书唐山矿山设备厂目录1.用途 (1)2.基本参数及主要尺寸 (1)3.结构特征 (1)4.安装 (4)5.试运转 (5)6.润滑 (6)7.设备的维护 (7)8.易损件 (7)1.用途GZY系列振动给料机主要用于0~500mm粒级的煤炭输送给料,也可用于矿石、砂石等其它散状物料的输送给料。
广泛用于煤炭、冶金、电力、化工、建材、交通等行业。
2.基本参数及主要尺寸基本参数及主要尺寸见表1。
3.结构特征给料机由给料槽体、激振器、弹簧吊挂装置、弹簧支座、传动装置等主要部件组成。
3.1给料槽体给料槽体是输送和给料的部件,它是钢板焊接结构。
槽体的两侧和底部焊有加强筋板及主梁。
两侧的前端和后端均焊有吊耳或端轴,以适应不同安装方式的要求。
3.2激振器激振器是给料机的关键部件,是给料机的振动源。
它与给料机槽体用高强度螺栓紧固在槽底的主梁上。
激振器的两根轴上装有相同质量的重块和齿轮副,由电动机通过弹性联轴器带动主传动轴,再由主动轴上的齿轮传动给被动轴,使两根轴同时反向旋转,而使槽体振动。
给料机的振幅可调,但出厂的给料机激振器均在制造厂调试好,一般用户在使用中不需再调整。
3.3给料机的传动装置振动给料机在电动机和激振器主传动轴上各安装一个半联轴器,两个半联轴器之间采用四块橡胶输送带组成挠性联接。
这种联接方式便于安装而且不会将振动传给电动机。
(根据用户要求了可采用三角带传动)因此电机不参振也正是本机最大特点。
3.4给料机的支撑与悬挂方式安装方式见图1、图2、图3、图4。
图1 I型支承图2 II型支承GZY系列振动给料机I型安装为悬挂式。
给料槽体两侧的前后均有吊耳或吊钩。
钢丝绳在吊耳的小轴上或吊钩上,上部与U型螺栓和弹簧联接,弹簧的底座固定在支架上。
电动机另设一支架固定。
图3 III型支承图4 IV型支承II型为座式安装,给料槽体两侧前后均有支承端轴,弹簧支座与端轴夹紧,支座紧固在平台上,电动机也安装在平台支架上。
给料机技术参数一、给料机的工作原理给料机是一种用来输送和给料的设备,广泛应用于矿山、冶金、建材、化工等行业。
其工作原理是通过振动力将物料从储料仓中输送到下游设备或生产线上。
二、给料机的类型根据不同的工作原理和使用场景,给料机可以分为多种类型,如振动给料机、螺旋给料机、刮板给料机等。
不同类型的给料机适用于不同的物料输送需求。
三、给料机的技术参数1. 输送能力:给料机的输送能力是指单位时间内输送的物料量,通常以吨/小时或立方米/小时来表示。
输送能力是选择给料机的重要参数之一,需根据实际生产需求来确定。
2. 振动频率:振动给料机的振动频率是指每分钟振动次数,通常以次/分钟来表示。
振动频率的选择应根据物料的特性和输送要求来确定,过低或过高的频率都会影响给料机的正常工作。
3. 振幅:振动给料机的振幅是指振动台板的最大位移,通常以毫米或厘米来表示。
振幅的选择应根据物料的粒度和流动性来确定,过大或过小的振幅都会影响给料机的输送效果。
4. 输送速度:给料机的输送速度是指物料在给料机中的移动速度,通常以米/秒来表示。
输送速度的选择应根据物料的粒度和输送距离来确定,过快或过慢的速度都会影响给料机的运行效果。
5. 功率:给料机的功率是指给料机所需的电力或动力,通常以千瓦或千瓦时来表示。
功率的选择应根据给料机的输送能力和工作效率来确定,过高的功率会增加能源消耗,过低的功率会影响给料机的正常工作。
6. 输送距离:给料机的输送距离是指物料从储料仓到目标设备或生产线的水平或垂直距离。
输送距离的选择应根据实际工地情况和生产需求来确定,过长或过短的输送距离都会影响给料机的输送效果。
7. 输送角度:给料机的输送角度是指物料在给料机中的倾斜角度,通常以度数来表示。
输送角度的选择应根据物料的流动性和输送要求来确定,过大或过小的输送角度都会影响给料机的工作效果。
8. 输送精度:给料机的输送精度是指物料在输送过程中的误差范围,通常以百分比或绝对值来表示。
一、用途、特点及技术性能(一)用途电磁振动给料机(简称电振机)是一种先进的给料装置,它适用于连续性生产的要求。
我公司生产的电振机与本公司生产的各类型电子秤配套使用,可构成一个闭环调节的自动给料、称量和配料设备。
因此,电振机可广泛用于水泥、矿山、冶金、煤场、化工、基建、码头以及制药、茶叶加工、瓷业等工业部门,在生产流程中能把非粘滞性的颗料或粉末物料从储料仓或料斗中定量、均匀、连续地送到受料装置中去。
(二)特点GZ系列电磁振动给料机特点:(1)体积小,重量轻,结构简单,安装方便,无转动、滑动零部件,不需进行润滑。
故障少,维护运行费用低。
(2)电磁振动给料机运用机械振动学的共振原理,使其工作在低临界近共振状态,低耗电。
(3)电磁振动给料机采用可控硅半波整流控制方式,流量调节方便,可实现集中控制和自动控制。
(4)工作时物料按抛物线轨迹连续跳跃向前运动,料槽磨损较小。
注:给料能力系指料槽水平安装时,物料假密度为1.6吨/m3设计指标;料槽下倾10度,给料能力将会增加。
附:根据用户的要求,我公司给料机主体配用筛槽的振动筛可满足冶金粉末物料的筛选和瓷业筛选,可筛200目内的粉末状物料。
其筛网由用户自己配备。
(三)技术性能二、机器结构和工作原理GZ型可控硅电磁振动给料机由电磁振动给料机和可控硅控制器两部分组成。
(一)GZ系列电磁振动给料机的结构和工作原理。
1、结构电磁振动给料机由以下主要部份组成(见图一);图一电振机简图Ⅰ料槽Ⅱ电磁振动器Ⅲ减振器2、工作原理如图二所示,它是一个双质定向强迫振动的弹性系统,由槽体(料槽)、连接叉和槽体中部分物料的质量组成质点M1;振动器壳体、铁芯、线圈等组成质点M2。
而M1和M2这两质点用一束弹簧板联系在一起,形成一个双质点定向强迫振动的弹性系统。
电磁振动器的线圈由单向交流电经可控硅整流所供电。
当可控硅在交流电的正半周触发导通时,线圈流过脉动电流,铁芯与衔铁之间产生脉电磁力,铁芯吸引衔铁。
振动给料机系列主要技术参数精选文档TTMS system office room 【TTMS16H-TTMS2A-TTMS8Q8-振动给料机系列主要技术参数型号最大进料粒度(mm)处理能力(t/h)电动机功率(kw)安装倾角(度)总重量(kg)槽体尺寸(mm)外形尺寸(长×宽×高)(mm)GZD-850×3000400 120 ×2 5 3607 850×30003110×1800×1600GZD-1000×3600500 150 ×2 5 3895 1000×36003850×1950×1630GZD-1100×4200580 240 ×2 5 4170 1100×42004400×2050×1660GZD-1100×4900580 280 ×2 5 4520 4900×11005200×2050×1700GZD-1300×4900650 450 11×2 5 5200 4900×13005200×2350×1750 ZSW-380×95500 96-160 11 0 4082 3800×9603920×1640×1320 ZSW-490×110630120-28015 0 5352 4900×11004980×1830×1320 ZSW-600×130750400-56022 0 7800 6000×13006082×2580×2083注:产品性能在不断改进中,参数如有更改,恕不另行通知ZTGL型给料机振动给料机主要技术参数GZD-1000×36001000×3600500 150 ×25o3850×1850×1630 GZD-1100×42001100×4200580 240 ×25o4400×2050×1660 GZD-1100×49001100×4900580 280 ×25o5200×2050×1700 GZD-1300×49001300×4900650 450 11×25o5200×2350×1750GZG系列自同步惯性振动给料机ZSW系列振动喂料机ZSW系列振动喂料机系直线式给料机,具有运转平稳、工作可靠、寿命长等特点,可为破碎机械连续、均匀喂料,并对物料进行粗筛分,广泛应用于选矿、建材、硅酸盐和化学工业中的碎石、筛分联合设备中。
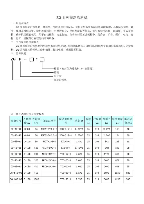
ZG系列振动给料机一、用途及特点ZG系列振动给料机是一种新型、节能通用给料设备。
该机采用新型振动电机做激振源,具有结构简单、紧凑,使用及维修方便,给料连续均匀,料槽磨损小,使用寿命长等优点,常与振动输送机、振动筛、斗式提升机、破碎机等配套使用,用于自动配称、定量包装、自动控制的工艺流程中,是冶金、矿山、煤矿、电力、建材、化工、机械等行业理想的给料设备。
二、工作原理机结构特点ZG系列振动给料机是利用新型振动电机驱动,使筛体沿槽体方向做周期直线往复振动来实现均匀、定量给料。
ZG系列振动给料机由给料槽体、振动电机、减振装置组成。
三、型号说明ZG F -- *槽长(密封型为进出料口中心距离)槽宽封闭型振动给料机四、敞开式给料机技术参数表参数型号入料粒度mm处理量t/h自振源型号振动电机型号功率KW振频HZ双振幅mm激振力KN参考重量kg单点动负荷NZG-35-90 0-60 25 WHZY-2*2.5-4 YZO-2.5-4 0.25*2 25 2-4 2.5*2 174 30 ZG-40-90 0-60 30 WHZY-2*2.5-4 YZO-2.5-4 0.25*2 25 2-4 2.5*2 184 30 ZG-45-90 0-100 50 WHZY-2*5-4 YZO-5-4 0.4*2 25 2-4 5*2 235 38 ZG-70-90 0-150 100 WHZY-2*8-4 YZO-8-4 0.75*2 25 2-4 8*2 342 50 ZG-80-90 0-150 200 WHZY-2*17-4 YZO-17-4 1.5*2 25 2-4 17*2 372 60 ZG-90-90 0-150 300 WHZY-2*20-4 YZO-20-4 2.0*2 25 2-4 20*2 606 80 ZG-95-90 0-150 400 WHZY-2*20-4 YZO-20-4 2.082 25 2-4 20*2 646 85 ZG-140-90 0-150 750 YZO-30-4 2.5*2 25 2-4 30*2 1030 180 ZG-160-90 0-150 1000 YZO-50-4 3.7*2 25 2-4 50*2 1156 200五、敞开式给料机外形尺寸表六、封闭式给料机技术参数表型号 L L1 L2 B B1 B2 H(自振源) H (振动电机) H1 H2 ZG-35-90 900 200 900 512 355 350 460 400 150220 ZG-40-90900200 900 550 405 400 460 400 150 280 ZG-45-90 1000 215 900 612 455 450 465 450 200 290 ZG-70-90 1124 262 1000 864 706 700 532 535 230 380 ZG-80-90 1281 351 1200 1008 806 800 550 634 250 400 ZG-90-90 1535 392 1500 1058 906 900 600 650 300 900 ZG-95-90 1535 392 1500 1158 956 950 600 650 300 900 ZG-140-90 1846 430 1800 1634 1408 1400 760 400 1160 ZG-160-90 184643018001834160816008325001175参数型号入料粒度mm 处理量t/h自振源型号振动电机型号 功率KW振频HZ 双振幅mm 激振力KN 参考重量kg 单点动负荷N七、封闭式给料机外形尺寸表ZG-35-90 0-60 25 WHZY-2*2.5-4 YZO-2.5-4 0.25*2 25 2-4 2.5*2 240 35 ZG-40-90 0-60 30 WHZY-2*2.5-4 YZO-2.5-4 0.25*2 25 2-4 2.5*2 256 35 ZG-45-900-10050 WHZY-2*5-4 YZO-5-4 0.4*2 25 2-4 5*2 295 45 ZG-70-100 0-150 100 WHZY-2*8-4YZO-8-40.75*2 25 2-4 8*2 39455 ZG-80-120 0-150 200 WHZY-2*17-4 YZO-17-4 1.5*2 25 2-4 17*2 432 65 ZG-90-150 0-150 300 WHZY-2*20-4 YZO-20-4 2.0*2 25 2-4 20*2 656 90 ZG-95-150 0-150 400 WHZY-2*20-4 YZO-20-42.0*2 25 4-6 20*2 694 100 ZG-140-180 0-150750YZO-30-4 2.5*2 25 4-6 30*2 1258 200 ZG-160-180 0-150 1000YZO-50-43.7*2254-650*21446200型号 L L1 L2 B B1 B2H(自振源) H (振动电机)H1 H2 J*J1 J2*J3ZG-35-90 900 200 730 512 355 350 460 400 150 220 300*200 350*120 ZG-40-90 900 200 755 601 405 400 460 400 150 280 350*200 400*120 ZG-45-90 910 225 675 701 506 500 465 450 200 290 450*200 500*160 ZG-70-90 1000 262 765 913 706 700 532 535 230 380 650*200 700*200 ZG-80-90 1181 351 859 1056 806 800 550 634 250 400 750*200 600*200 ZG-90-90 1456 392 1170 1058 906 900 600 650 300 900 800*400 900*260 ZG-95-90 1456 392 1170 1158 956 950 600 650 300 900 850*400 960*260 ZG-140-90 1676 492 1380 1884 1408 1400 720 760 400 1160 1300*500 1400*350 ZG-160-90 1752 510 1331 2230 1608 1600 815 832 500 1175 1400*500 1700*440。
振动给料机系列主要技术参数型号最大进料粒度(mm)处理能力(t/h)电动机功率(kw)安装倾角(度)总重量(kg)槽体尺寸(mm)外形尺寸(长×宽×高)(mm)GZD-850×3000 400 120 3.7×2 5 3607 850×3000 3110×1800×1600GZD-1000×3600500 150 5.5×2 5 3895 1000×3600 3850×1950×1630 GZD-1100×4200580 240 5.5×2 5 4170 1100×4200 4400×2050×1660 GZD-1100×4900580 280 7.5×2 5 4520 4900×1100 5200×2050×1700 GZD-1300×4900650 450 11×2 5 5200 4900×1300 5200×2350×1750 ZSW-380×95 500 96-160 11 0 4082 3800×960 3920×1640×1320ZSW-490×110 630 120-280 15 0 5352 4900×1100 4980×1830×1320ZSW-600×130 750 400-560 22 0 7800 6000×1300 6082×2580×2083注:产品性能在不断改进中,参数如有更改,恕不另行通知ZTGL型给料机我要订购本产品产品概述ZTGL系列电机振动给料机由输送槽体、振动电机、吊杆及电器控制装置等构成。
振动给料机系列主要技术全参数1.动力系统参数:振动给料机的动力系统主要由电机、减速器和振动器组成。
主要参数包括电机功率、转速、振动器振幅和频率等。
2.给料能力:给料能力是指振动给料机每单位时间内能够传送的物料数量。
它取决于设备的结构设计、振动力的大小以及物料的性质等因素。
3.输送速度:输送速度是指振动给料机传送物料的速度。
它可以通过调整振动器的振幅和频率来控制。
4.输送距离:输送距离是指物料从振动给料机的进料口传送到出料口的距离。
它取决于设备的长度和斜度。
5.输送角度:输送角度是指物料在振动给料机输送过程中的角度。
它可以通过调整振动角度来控制。
6.输送粒度:输送粒度是指振动给料机能够处理的物料粒度范围。
不同型号的振动给料机有不同的处理能力。
7.振动特性:振动特性是指振动给料机在工作过程中的振动特点。
包括振动频率、振幅、振动方向等。
8.结构材料:振动给料机的结构材料主要包括钢材、铸铁、不锈钢等。
不同的材料可以适应不同的工作环境和物料性质。
9.控制方式:振动给料机可以采用手动控制和自动控制两种方式。
自动控制方式可以实现设备的远程控制、自动停机等功能。
10.维护保养:振动给料机的维护保养主要包括清洗设备、润滑设备、检查电气设备等。
不同型号的振动给料机有不同的维护保养要求。
总之,振动给料机系列主要技术参数涵盖了动力系统参数、给料能力、输送速度、输送距离、输送角度、输送粒度、振动特性、结构材料、控制方式和维护保养等方面。
了解这些参数可以帮助用户选择适合自己需求的振动给料机。
GZG系列电机振动给料机GZG型系列电机振动给料机是我公司工程技术人员精主研制成功的新型给料设备,广泛应用于矿山、冶金、煤炭、建材、化工、电力、粮食等行业,用于把块状、颗粒状及粉状物料从贮料仓或其它贮料设备中均匀、连续或定量地给到受料设备中,适应于自动配料、定量包装和自动控制。
该产品体积小、噪音低、重量轻、耗电少、安装维修方便。
GZG系列电机振动给料机主要特点本振动给料机在使用过程中,可以调节激振力来改变和控制流量,因而调节方便,流量稳定,噪音低,耗电小,无冲料现象,同时本机具有重量轻,体积小,保养方便等特点,如采用封闭式结构,可防止粉尘外溢及环境污染。
GZG系列振动给料机有吊挂式和座式两种安装形式。
GZG系列振动给料机两台振动电机的电源为三相380V,50Hz。
空运转试车前,应检查各部位螺栓是否紧固,尤其是振动电机的地脚螺栓,连续运转4小时后各部位连接螺栓要重新紧固一次,一周内再紧固2-3次。
振动电机运转时,两台振动电机的旋转方向应相反。
空运转试车时,检查给料机运转情况是否平稳,并注意振动电机轴承的温升情况,连续运转4小时后,轴承最高温度不得超过75℃。
GZG系列电机振动给料机说明GZG系列电机振动给料机,可根据用户需要制成:下振式:振动电机置于给料机下面;上振式:振动电机置于给料机上面;调速式:振动电机的振频可在0~额定频率范围内无级调速;敞开式:给料机上面敞开,比较适于下振式;密封式:给料机除进出料口外,全部密封;基座式:对于大型(重型)给料机,一般采用座式结构。
新乡市鼎丰专业振动机械有限公司(原新乡市专业振动机械厂) 是一家专业的机械设备生产厂家,旗下产品有给料设备、筛分设备、振动平台、振动电机、输送设备、提升设备、过滤设备、磨破设备、混合设备、备件设备等等。
公司坚持科技创新,以人文为中心,打造新乡振动筛、新乡旋振筛等振动筛设备行业优质产品,新乡鼎丰坚持“以质量求生存,以信誉谋发展”的经营理念,设身处地的为广大振动筛、旋振筛、螺旋输送机、振动电机等产品的用户谋求利益,如有意向可点击咨询哦。
振动给料机振动给料机又称振动喂料机。
振动给料机在生产流程中,可把块状、颗粒状物料从贮料仓中均匀、定时、连续地给到受料装置中去,在砂石生产线中可为破碎机械连续均匀地喂料,并对物料进行粗筛分,广泛用于冶金、煤矿、选矿、建材、化工、磨料等行业的破碎、筛分联合设备中。
性能特点振动给料机结构简单,、喂料均匀,连续性能好,激振力可调;随时改变和控制流量,操作方便;偏心块为激振源,噪音低,耗电少,调节性能好,无冲料现象;若采用封闭式机身可防止粉尘污染振动平稳、工作可靠、寿命长;可以调节激振力,可随时改变和控制流量,调节方便稳定;振动电机为激振源,噪声低、耗电小、调节性能好,无冲料现象。
振动给料机结构简单,操作方便,不需润化,耗电量小;可以均匀地调节给矿量;因此已得到广泛应用。
一般用于松散物料。
根据设备性能要求,配置设计时应尽量减少物料对槽体的压力,按制造厂要求,仓料的有效排口不得大于槽宽的四分之一,物料的流动速度控制在6-18m/min.对给料量较大的物料,料仓底部排料处应设置足够高度的拦矿板;为不影响给料机的性能,拦矿板不得固定在槽体上。
为使料仓能顺利排出,料仓后壁倾角最好设计为55-65度。
用途振动给料机可把块状、颗粒状物料从料仓中均匀、连续地喂料到受料装置中。
在砂石生产线中可为破碎机连续均匀地喂料避免破碎机受料口的堵塞。
专为破碎筛分中粗破碎机前均匀输送大块物料设计。
振动给料机采用双偏心轴激振器的结构特点,保证设备能承受大块物料下落的冲击,给料能力大。
在生产流程中可以把块状、颗粒状物料从贮料仓中均匀、定时、连续地给到受料装置中去,从而防止受料装置因进料不均而产生死机的现象,延长了设备使用寿命。
给料机可分为钢板结构和篦条结构,钢板结构的给料机多用于砂石料生产线,将物料全部均匀地送入破碎设备;篦条结构的给料机可对物料进行粗筛分,使系统在配制上更经济合理,在破碎筛分中已作为必不可少的设备。
分类振动给料机按其结构和用途可分为三种类型:振动给料机GZD型、振动给料机ZSW型、振动给料机GZZ型。
振动给料机系列主要技术参数1. 转速:振动给料机的转速是指通过电机带动传动装置使给料槽或给料管进行往复振动的速度。
转速通常用转/分钟(rpm)表示。
2.频率:振动给料机的频率是指每分钟内进行往复振动的次数。
频率通常用赫兹(Hz)表示。
3. 振幅:振动给料机的振幅是指振动源产生的振动力对物料的传递效果。
振幅通常用毫米(mm)表示。
4.处理能力:振动给料机的处理能力是指单位时间内给料机所能处理的物料量。
处理能力通常用吨/小时(t/h)表示。
5.功率:振动给料机的功率是指驱动设备所需要的电能或机械能。
功率通常用千瓦(KW)表示。
6. 配料粒度:振动给料机的配料粒度是指物料送入给料机的最大粒度。
配料粒度通常用毫米(mm)表示。
7.斜度角度:振动给料机的斜度角度是指给料机的倾斜程度。
斜度角度通常用度(°)表示。
8.工作面积:振动给料机的工作面积是指物料通过给料机时所占据的水平面积。
工作面积通常用平方米(m²)表示。
9.电机功率:振动给料机的电机功率是指驱动振动源的电机的功率。
电机功率通常用千瓦(KW)表示。
10. 重量:振动给料机的重量是指整个设备本身的重量。
重量通常用千克(kg)表示。
11. 外形尺寸:振动给料机的外形尺寸是指设备的长、宽、高的尺寸。
外形尺寸通常用毫米(mm)表示。
12.材质:振动给料机的材质是指设备主要组成部分的材料。
常见的材质有碳钢、不锈钢等。
以上是振动给料机系列的一些主要技术参数,不同型号的振动给料机在这些参数上可能有所差异。
GZ系列电磁振动给料机说明书(一)用途和特点1、用途GZ系列电磁振动给料机广泛应用于矿山、冶金、煤炭、建料、轻工、化工、电力、机械、粮食等各行各业中,用于把块状、颗粒状及粉状物料从贮料仓或漏斗中均匀连续或定量地给到受料装置中去。
例如,向带式输送机、斗式提升机、筛分设备等给料;向破碎机、粉碎机等喂料,以及用于自动配料,定量包装等,并可用于自动控制的流程中,实现生产流程的自动化。
2、特点电磁振动给料机是一种新型的给料设备,它和其它给产设备相比具有以下特点:(1)体积小,重量轻,结构简单,安装方便,无转动部件不需润滑,维修方便,运行费用低。
(2)电磁振运给料机由于运用了机械振动学的共振原理?双质体在低临界近共振状态下工作,因而消耗电能少。
(3)由于可以瞬时地改变和启闭料流,所以给料量有较高的精度。
(4)本系列电振机的控制设备采用了可控硅半波整流线路;,因此在使用过程中可以通过调节可控硅开放角的办法方便地无给地调节给料量,并可以实现生产流程的集中控制和自动控制。
(5)由于给料槽中的物料在给料过程中连续地被抛起,并按抛物线的轨迹向前进行跳跃运动,因此给料槽摩损较小。
(6)本系列电振机不适用于具有防爆要求的场合。
(二)结构电磁振动给料机由以下产要部件组成(见图1)I、料槽Ⅱ、电磁振动器(详见图2)Ⅲ、减振器Ⅳ、控制箱图1 电振机简图(三)安装和调整l、安装(1)本系列电振机均为悬挂式安装,其中振动器的悬挂杠杆应垂直吊挂,为了减少给料机的横向摆动,给料槽悬挂吊杆应向外张开10。
布置。
四个悬挂吊杆吊挂在具有足够刚度的结构上,对于大型给料机为了维修和更换料槽方便,应布置移动滑架悬挂吊杆。
(2)安装时一般不受拆卸安装,安装后的给料要周围应有一定的游动间隙,使给料机处于自由状态。
(3)安装后的给料机横向应水平,以免给料机工作时物料向一侧偏移。
(4)按控制原理图进行接线,并进行接地保护。
(5)安装完的给料机在试运转前必须松开检修时用的联接叉定位螺栓,然后用螺母锁紧,参看图2。
ZG系列振动给料机一、zg系列振动给料机产品简介我们知道给料机是辅助型机械,需要辅助振动筛、提升机、破碎机等设备来开展作业。
因此给料机的发展趋势是要向更加节能、高效看齐,而zg系列振动给料机正是这么一种新型给料设备。
它以振动电机为激振源,给料均匀,连续性强,可以说的上是自动配称、定量包装、自动控制的绝佳助手。
二、zg系列振动给料机产品图片三、zg系列振动给料机产品结构本机是紧凑型机身,结构十分简单,一般只有三个部分,分别是料体、振动电机与减振装置。
四、zg系列振动给料机主要特点1、结构简单、紧凑,维修少,耗能低。
2、启动迅速,运行稳定。
3、给料原理先进,物料对槽体的磨损程轻,工作寿命长。
五、zg系列振动给料机技术参数型号给料粒度mm 生产能力t/h电机型号电压v 功率kw 振频H₂双振幅mm 激振力KNZG-25 <50 25 YZο-54 380 0.4*2 25 2-3 5*2 ZG-60 <70 60 YZο-8-4 380 0.75*2 25 2-4 8*2 ZG-80 <80 80 YZο-8-4 380 1.75*2 25 2-4 8*2 ZG-100 <100 100 YZο-10-6 380 1.0*2 16 2-5 10*2 ZG-200 <150 200 YZο-17-4 380 0.75*2 25 2-5 16*2 ZG-300 <150 300 YZο-17-4 380 0.75*2 25 3-6 16*2 ZG-400 <180 400 YZο-20-6 380 2.0*2 16 3-5 20*2 ZG-500 <500 500 YZο-30-4 380 2.5*2 25 3-5 30*2。
GZG系列自同步惯性振动给料机说明书南昌矿山机械有限公司目录一、用途与特点 (1)二、外形及安装尺寸 (1)图1 (2)表1 (3)表1续 (4)三、主要技术参数 (1)表2 (5)表2续 (6)四、型号 (7)五、电动机的使用和维修说明 (7)1、振动电机的使用条件 (7)2、安装前的准备 (7)3、安装与调整 (7)4、各规格振动电机主要技术参数 (9)5、振动电机的操作与使用注意事项 (11)6、维护与保养 (11)7、拆卸与组装 (11)8、贮存与运输 (13)一、用途及特点:GZG系列自同步惯性振动给料机广泛应用于矿山、冶金、煤炭、建材、轻工、化工、电力、粮食等行业中,用以把块状及粉状物料从贮料仓或漏斗中均匀连续或定量地给到受料装置中去。
例如向破碎、选煤、筛分、运输、包装机械等给料、配料等。
本系列给料机为普通槽型,用于无特殊要求的物料给料。
GZG系列自同步惯性振动给料机是一种经济技术指标先进的给料设备,和其它给料设备相比具有以下特点:1、体积小、重量轻、结构简单紧凑;2、安装、维修方便,运行费用低;3、效率高,给料能力大;4、噪音低,有利于改善工作环境;5、耗电小,功率因数高;6、本设备在运超共振状态下工作,因而振幅稳定,运行可靠,对各种物料适应性较强;7、加配电机调速器后不需调整偏心块即可方便地无级调节给料量。
二、外形及安装尺寸GZG系列自同步惯性振动给料机主要外形尺寸见表1,外形见图1 三、主要技术参数GZG系列自同步惯性振动给料机主要技术参数见表2。
表1 GZG系列自同步惯性振动给料机外形尺寸表1续表2 GZG系列自同步惯性振动给料机主要技术参数表2注:1、处理能力以堆比重1.6t/m3计算;2、型号末尾数字“3、4”为四级惯性电机“5、6”为六级惯性电机;3、型号末尾奇数“3、5”为轻型给料槽,偶数“4、6”为重型给料槽。
四、型号GZG系列自同步惯性振动给料机执行标准:JB/T7555—94《GZG惯性振动给料机》,振动电机符合标准JB5330—91《振动源三相异步电动机》。
GZ 系列电磁振动给料机使用说明书XX环保科技有限公司目录1、用途及特点 (1)2、基本技术参数 (1)3、外形及安装尺寸 (2)4、安装与调整…………………………………………………………………2-35、使用与维修…………………………………………………………………3-51. 用途及特点1.1 适用场合GZG 型振动给料机适用于冶金、煤炭、磨料、粮食、建材、电力及化工等行业,将块状、颗粒状、粉状物料均匀连续地送至受料设备中。
1.2 结构特点该机采用振动电机作为激振源,结构简单,易于维修。
吊挂装置采用橡胶弹簧,减振效果好,噪音小,工作可靠。
1.3 工作电压本机电机工作电压400V,频率50Hz。
2.基本技术参数3. 外形及安装尺寸(见下图)4. 安装与调整4.1 安装就位4.1.1 将给料机吊挂装置挂在事先准备好的挂钩上,将给料机机体挂在吊挂装置的挂钩上,机体倾斜角10~12 度。
4.1.2 给料机机体应左右水平,不得歪斜。
4.1.3 拆除机体与外界所有的刚性连接。
4.2 给料机试运转本机出厂前已进行过运行检查,在现场用户可按以下步骤进行试运转。
4.2.1 给料机安装完成后,应检查各部螺栓的紧固情况,检查各进料、出(接)料等辅件与给料机的相对位置,确保给料机机运行后无碰撞的可能。
4.2.2 检查电气接线正确无误。
4.2.3 接入电源,两振动电机转向应相反。
通电试运转,给料机应平稳起振。
4.2.4 加入物料后,物料应向出料端行进。
4.2.5 检查给料机所有螺栓的紧固情况。
4.2.6 检查给料机是否有异常噪声。
4.2.7 经以上检查运转正常,给料机安装即告完成。
4.3 给料机的调整4.3.1 振幅的调整在操作过程中如发现激振力的大小不能满足给料要求时,可以通过调整振动电机的偏心块夹角来改变给料机的激振力。
应注意四组偏心块应做相同调整。
4.3.2 还可以改变给料机机体的前倾角来调整其给料量。
5. 使用与维修5.1 给料机的起动和停车给料机一般情况下不允许带料开车,停机前不应有存留物料。
zsw系列振动给料机ZSW系列振动给料机简介ZSW系列振动给料机在生产流程中,用于把块状、颗粒状及粉状物从贮料仓库或漏斗中均匀连续或定量的给到受料设备中。
它已被广泛应用于冶金、煤矿、选矿、建材、化工、磨料等行业的破碎、筛分联合设备中。
ZSW系列振动给料机主要由弹簧支架、给料槽、振动器、弹簧及电机等组成.激振器是由两个成特定位置的偏心轴有齿轮啮合组成,装配时必须使两齿轮按标记相啮合,通过电机驱动,使两偏心轴旋转,从而产生巨大的合成直线激振力,使机体在支承弹簧上作强制振动,物料则以此振动为主动力,在料槽上作滑动及抛掷运动,从而使物料前移达到给料的目的.当物料通过槽体上的筛条时,较小的料通过筛条间隙落下,可不经过下道破碎工序,起到了筛分的效果.ZSW系列振动给料机又被称为筛分给料机,具有振动平稳、工作可靠、使用寿命长等特点,可为破碎机械连续、均匀未了,并对物料进行粗筛分.广泛应用于选矿、建材、冶金、硅酸盐、化工、水利水电、矿山等行业中的破碎、筛分联合设备中,并且可以向斗式提升机、破碎机、粉碎机、带式输送机等筛分输送设备喂料,以及用于自动配料,定量包装等,并可用自动控制的流程中,实现生产流程的自动化.ZSW系列振动给料机原理ZSW系列振动给料机是利用振动器中的偏心块旋转产生离心力,使筛厢、振动器等可动部分作强制的连续的圆或近似圆的运动。
物料则随筛厢在倾斜的筛面上作连续的抛掷运动,并连续均匀地将物料送至受料口内。
自同步惯性振动给料机是由给料槽体、激振器、弹簧支座、传动装置等组成。
槽体振动给料的振动源是激振器,激振器是由两根偏心轴(主、被动)和齿轮副组成,由电动机通过三角带驱动主动轴,再由主动轴上齿轮啮合被动轴转动,主、被动轴同时反向旋转,使槽体振动,使物料连续不断流动,达到输送物料的目的。
ZSW系列振动给料机特点1.直线运动轨迹振动平衡特殊栅条设计,可防止物料堵塞,栅条间隙可调。
2.可选装无极调速电机,便于控制给料量,无需频繁起动电机。
振动给料机系列主要技术参数
型号最大
进料
粒度
(mm)
处理
能力
(t/h)
电动机
功率
(kw)
安装
倾角
(度)
总重量
(kg)
槽体尺寸
(mm)
外形尺寸
(长×宽×高)(mm)
GZD-850×3000400 120 3.7×2 5 3607 850×30003110×1800×1600
GZD-1000×3600500 150 5.5×2 5 3895 1000×36003850×1950×1630
GZD-1100×4200580 240 5.5×2 5 4170 1100×42004400×2050×1660
GZD-1100×4900580 280 7.5×2 5 4520 4900×11005200×2050×1700
GZD-1300×4900650 450 11×2 5 5200 4900×13005200×2350×1750
ZSW-380×95500 96-160 11 0 4082 3800×9603920×1640×1320
ZSW-490×110630 120-280 15 0 5352 4900×11004980×1830×1320
ZSW-600×130750 400-560 22 0 7800 6000×13006082×2580×2083
注:产品性能在不断改进中,参数如有更改,恕不另行通知
ZTGL型给料机
我要订购本产
品
振动给料机主要技术参数
(mm)(t)
GZD-850×3000850×3000400 120 3.0×2 3.6 5o3110×1800×1600 GZD-1000×36001000×3600500 150 3.7×2 3.9 5o3850×1850×1630 GZD-1100×42001100×4200580 240 5.5×2 4.2 5o4400×2050×1660 GZD-1100×49001100×4900580 280 7.5×2 4.5 5o5200×2050×1700 GZD-1300×49001300×4900650 450 11×2 5.2 5o5200×2350×1750注:远华机械保留更改产品设计与规格的权利,恕不另行通知。
GZG系列自同步惯性振动给料机
<< 返回
ZSW系列振动喂料机
ZSW系列振动喂料机系直线式给料机,具有运转平稳、工作可靠、寿命长等特点,可为破碎机械连续、均匀喂料,并对物料进行粗筛分,广泛应用于选矿、建材、硅酸盐和化学工业中的碎石、筛分联合设备中。
外形尺寸及主要技术参考
1、衬板
2、主机板
3、振动器
4、电机、电机架
5、减振弹簧
型号料槽尺寸
(mm)
进料粒度
(mm)
给料能力
(t/h)
主轴转速
(r/min)
电机功
率(kw)
槽面倾
角(°)
主机重量
(不包括
外形尺寸mm
电机)
(kg)
ZSW-300×70 3000×700 ≤50060-120 350-800 7.5 0 3225 3075×1450×1250
ZSW-380×96 3800×960 ≤500100-160 350-800 11 0 4210 3882×1684×1340
ZSW-490×96 4900×960 ≤500120-200 350-800 15 0 5004 4957×1677×1365
ZSW-360×110 3600×1100 ≤500100-160 350-800 11 0 4321 3700×1805×1195
ZSW-490×110 4900×1100 ≤580200-300 350-800 15 0 6700 4957×1841×1365
ZSW-590×130 5900×1300 ≤700300-400 750 22 5 7900 4957×1841×1365
ZSW-600×110 6000×1100 ≤600400-500 350-800 22 0 8200 6000×1841×1365
注:本表处理能力是依据松散密度1.6t/m3的碎石给定
<< 返回
GZD系列振动喂料机
振动喂料机系直线振动式给料机,具有运转平稳、工作可靠、寿命长等特点,可为碎石机械连续、均匀喂料,并对
分。
广泛应用于选矿、建材、硅酸盐和化学工业中的碎石、筛分联合设备中。
技术参数
1、振动电机
2、减振弹簧
3、支架
4、机体
数
料槽尺寸(mm)进料粒度
(mm)
给料能力
(t/h)
主轴转速
(r/min)
电机功率
(kw)
槽面倾
角(°)
重量
(不包括电
机)(kg)
外形尺寸
(mm×mm×mm)
×250 750×2500 ≤30080 1000 1.5×2 0-10 1290 2580×1100×1400 ×300
900×3000 ≤450100 1000 3.7×2 0-10 1994 3200×1784×866 ×360
1000×3600 ≤500120 1000 5.5×2 0-10 2000 3900×1600×1500
ZSW系列振动喂料机
ZSW系列振动喂料机系直线式给料机,具有运转平稳、工作可靠、寿命长等特点,可为破碎机械连续、均匀
喂料,并对物料进行粗筛分,广泛应用于选矿、建材、硅酸盐和化学工业中的碎石、筛分联合设备中。
外形尺寸及主要技术参考
1、衬板
2、主机板
3、振动器
4、电机、电机架
5、减振弹簧
型号料槽尺寸
(mm)
进料粒度
(mm)
给料能力
(t/h)
主轴转速
(r/min)
电机功率
(kw)
槽面倾
角(°)
主机重量
(不包括
电机)(kg)
外形尺寸mm
ZSW-300×70 3000×700 ≤50060-120 350-800 7.5 0 3225 3075×1450×1250 ZSW-380×96 3800×960 ≤500100-160 350-800 11 0 4210 3882×1684×1340 ZSW-490×96 4900×960 ≤500120-200 350-800 15 0 5004 4957×1677×1365 ZSW-360×110 3600×1100 ≤500100-160 350-800 11 0 4321 3700×1805×1195 ZSW-490×110 4900×1100 ≤580200-300 350-800 15 0 6700 4957×1841×1365 ZSW-590×130 5900×1300 ≤700300-400 750 22 5 7900 4957×1841×1365 ZSW-600×110 6000×1100 ≤600400-500 350-800 22 0 8200 6000×1841×1365
注:本表处理能力是依据松散密度1.6t/m3的碎石给定
GZG系列自同步惯性振动给料机。