电线电缆培训资料..
- 格式:doc
- 大小:77.46 KB
- 文档页数:12
一、电线种类:1.电力电缆:产品主要用在发、配、输、变、供电线路中的强电电能传输,通过的电流大(几十安至几千安)、电压高(220V至35kV及以上)。
电力电缆本类产品主要特征是:在导体外挤(绕)包绝缘层,如架空绝缘电缆,或几芯绞合(对应电力系统的相线、零线和地线),如二芯以上架空绝缘电缆,或再增加护套层,如塑料/橡套电线电缆。
主要的工艺技术有拉制、绞合、绝缘挤出(绕包)、成缆、铠装、护层挤出等,各种产品的不同工序组合有一定区别。
产品主要用在发、配、输、变、供电线路中的强电电能传输,通过的电流大(几十安至几千安)、电压高(220V至500kV 及以上)。
2.通信电缆:按敷设和运行条件可分为架空电缆、自承式电缆、直埋电缆、管道电缆、水底电缆;按用途可分为:市内通信电缆、长途通信电缆、电话设备用通信电缆、数字通信电缆、射频电缆、海底通信电缆;按传输频谱可分为低频电缆、高频电缆、射频电线电缆;按电缆结构可分为对称电缆和同轴电缆。
3.光纤光缆4.电气装备用电线电缆:通用橡套、塑料电线电缆、屏蔽绝缘电线、舰船、车辆电线电缆、电机电器引接线、航空电线、机车车辆用电缆、矿用电缆、石油和地质勘探用电缆、电梯电缆、无线电装置用电缆、直流高压软电缆、千伏级架空绝缘电缆、核电站用电缆。
该类产品主要特征是:品种规格繁多,应用范围广泛,使用电压在1kV及以下较多,面对特殊场合不断衍生新的产品,如耐火线缆、阻燃线缆、低烟无卤/低烟低卤线缆、防白蚁、防老鼠线缆、耐油/耐寒/耐温/耐磨线缆、医用/农用/矿用线缆、薄壁电线等。
二、电线命名:我厂线缆用的主要材料是塑料与导体两大类。
一根或多根绝缘线芯,以及它们各自可能具有的包覆层,总保护层及外护层,电缆亦可有附加的没有绝缘的导体额定电压8.7/15kV阻燃铜芯交联聚乙烯绝缘钢带铠装聚氯乙烯护套电力电缆“额定电压8.7/15kV”——使用场合/电压等级“阻燃”——强调的特征“铜芯”——导体材料“交联聚乙烯绝缘”——绝缘材料“钢带铠装”——铠装层材料及型式(双钢带间隙绕包)“聚氯乙烯护套”——内外护套材料(内外护套材料均一样,省写内护套材料)主要型号民用线BV、RV,RVV,RVVP、RVS、RV-90(3C范围)汽车线AV、AVS、AVSS、QBV、FLRY-B、QB-B、QB-C、QVR、QVR-105UL 电子线UL 1015、UL 1007、UL 1500、UL 2468、UL 1028RV——聚氯乙烯绝缘单芯软线,最高使用温度65℃,最低使用温度-15℃,工作电压交流250V,直流500V,用作仪器和设备的内部接线。
1.作业指导书基本项目:2. 1.1文件编号、版本、页次产品规格。
1.2线材截面图标、物料清单及物料用量(插头用料实测确定)。
1.3工程流程图示(含成品图示)、工艺要求描述及模具、参考温度、参考线速度等基本参数。
1.4基本测试参数。
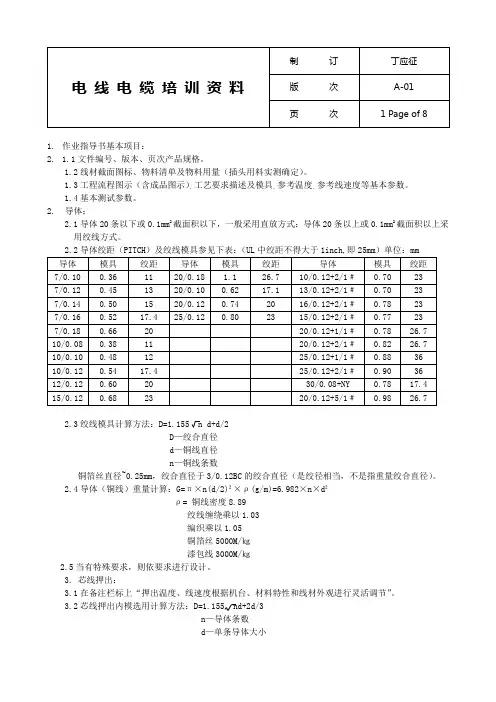
2. 导体:2.1导体20条以下或0.1mm2截面积以下,一般采用直放方式:导体20条以上或0.1mm2截面积以上采用绞线方式。
2.2导体绞距(PITCH)及绞线模具参见下表:(UL中绞距不得大于1inch,即25mm)单位:mm2.3绞线模具计算方法:D=1.155 n d+d/2D—绞合直径d—铜线直径n—铜线条数铜箔丝直径~0.25mm,绞合直径于3/0.12BC的绞合直径(是绞径相当,不是指重量绞合直径)。
2.4导体(铜线)重量计算:G=π×n(d/2)²×ρ(g/m)=6.982×n×d²ρ= 铜线密度8.89绞线缠绕乘以1.03编织乘以1.05铜箔丝5000M/㎏漆包线3000M/㎏2.5当有特殊要求,则依要求进行设计。
3. 芯线押出:3.1在备注栏标上“押出温度、线速度根据机台、材料特性和线材外观进行灵活调节”。
3.2芯线押出内模选用计算方法:D=1.155 nd+2d/3n—导体条数d—单条导体大小常用押出芯线内模选用标准:3.5押出PP芯线时,如成品需尾理或端子焊接,则明确注明PP中加1%软化剂。
3.6绝缘胶料用量计算方法:π(D²-D`²)ρ/4 (g/m)D—外径(绝缘)D`—圆环内径ρ—胶料密度(参考值PVC1.5 PP0.92 PE0.93 PU1.28)4.隔离:4.1缠绕铜线数与芯线径的关系:n=D= -d简化形式为:n= D= -d其中: D —芯线直径 d —铜线直径L —缠绕节距,一般为25,细芯线应减少。
4.2 缠绕材料用量:G =πn(d/2) ²ρ×(1.02~1.03) (g/m )铜箔丝5000M/㎏ 0.16 g/m 漆包线3000M/㎏ 0.33 g/m ρ= 铜线密度8.894.3 常用缠绕绞距:4.4编织遮蔽率:K (%)=(2F-F ²) ① Sina=NPd/Fл(D+d )d L 2+π2(D+d)2ndLπ L 2-n 2d 2π(D+d) dndπCosa=NDC/2π(D+2d)Fk —遮蔽率4.5编织重量计算(参考公式):G=πnd ²ρ/4Cos θn —编织总条数ρ— 铜线密度θ—倾斜角度d —编织铜线径4.6包带4.6.1常用包带材料有棉纸`单面铝箔`铝箔,加工方式分纵包`绞包两种方式。
电线电缆基础知识培训1. 介绍本文档提供了关于电线电缆的基础知识培训。
电线和电缆是电力传输和分配中不可或缺的组成部分,了解其基础知识可以帮助我们更好地使用和维护电力系统。
2.1 电线电线是指用作电流传输的一种导线,通常由金属材料制成,如铜、铝等。
电线常见于低压电力系统、通信系统和控制系统中。
2.2 电缆电缆是指由一根或多根绝缘导线组成,并包覆在一个绝缘层和护套中的电力传输设备。
电缆通常用于中高压电力系统以及需要长距离传输电能的场合。
3.1 按用途分类•供电电缆:用于输送电能,如低压电缆、中压电缆、高压电缆等。
•通信电缆:用于信号传输,如电话线、网络电缆等。
•控制电缆:用于控制电路,如仪表电缆、信号电缆等。
3.2 按导体材料分类•铜导电线电缆:使用铜作为导体材料,具有良好的导电性能和机械强度。
•铝导电线电缆:使用铝作为导体材料,相对较轻但导电性能稍差。
•其他导电线电缆:使用其他金属材料作为导体。
3.3 按绝缘材料分类•PVC绝缘电线电缆:使用聚氯乙烯(PVC)作为绝缘材料,具有良好的耐压性和绝缘性能。
•XLPE绝缘电线电缆:使用交联聚乙烯(XLPE)作为绝缘材料,具有更高的耐热性和电气性能。
•其他绝缘电线电缆:使用其他绝缘材料。
4. 电线和电缆的主要性能指标4.1 电阻电阻是电线电缆导体阻碍电流通过的程度,单位为欧姆(Ω)。
电线电缆的电阻应满足电力系统的设计要求。
4.2 绝缘电阻绝缘电阻是电线电缆绝缘层对电流的阻碍程度,单位为兆欧姆(MΩ)。
较高的绝缘电阻可以防止电线电缆发生漏电事故。
4.3 绝缘耐压绝缘耐压是指电线电缆绝缘层能承受的最高电压,单位为伏特(V)。
绝缘耐压的确定需要考虑电力系统的电压等级和安全要求。
4.4 耐热性能耐热性能指电线电缆可以承受的最高温度。
不同应用场景和电力系统需要根据工作环境和要求选择合适的耐热性能。
4.5 抗拉强度抗拉强度是指电线电缆在外力作用下不断变形或破坏的抗力。
线缆内部培训资料((数据电缆部分)线缆外部培训资料〔数据电缆局部〕线缆培训资料〔数据电缆局部〕一、线缆的分类二、 1.线: 可复杂的定义为金属导体外只要一层绝缘和没有绝缘的产品, 但不一定是只要单个金属导体, 如一些UL系列的排流线、钢芯铝绞线等都为多金属导体。
线可依据绝缘资料的不同分为橡胶电线、塑料电线、金属线等, 它们的相对功用可表述为: 橡胶电线耐磨、耐油、柔软性好、但加工不易;塑料电线耐磨性较差、大局部不耐油、柔软性相对较差、但加工方便;金属线就不具有以上的功用了。
目前运用相对较广的是塑料电线, 橡胶电线普通在相对较严厉的场所运用, 如电动机的电源线、矿用电线等, 金属线普通用于乡村或较落后地域的架空电源线。
三、2、缆:可定义为在传输媒介外有多层绝缘的产品, 也有单一和多个传输媒介。
和线一样依据绝缘的不同可分为橡胶电缆和塑料电缆, 他们的优缺陷及运用场所和线的一样。
另依据传输媒介的不同可分为金属缆和光缆, 金属缆是指传输媒介为金属的缆, 光缆是指传输媒介为光纤的缆, 金属缆由于如今普遍采用的传输媒介为铜, 所以也可简称为铜缆。
铜缆如今普通可分为两大类:力缆和信缆。
力缆是传输电能的电缆;信缆是传输脉冲电信号的电缆。
力缆依据耐压等级的不同可分为超高压电缆、高压电缆、高压电缆, 超高压电缆普通耐压在10KV以上, 高压电缆耐压在1KV至10KV, 高压电缆在1KV以下, 如再分详细一点还可把高压电缆分为民用级电缆, 耐压在380V以下;另也可依据绝缘的资料不同可分为橡胶力缆和塑胶力缆。
由于力缆如今与我们的联络不是很亲密, 所以不做详细的分解了。
信缆按用途和运用范围分为:1.市内通讯电缆:其中有纸绝缘市内通讯电缆, 聚乙烯或泡沫聚乙烯绝缘市内通讯电缆, 全填充市内通讯电缆, 自承式塑料绝缘市内通讯电缆, 铝芯聚乙烯绝缘市内通讯电缆, 塑料绝缘配线电缆等。
2.长途通讯电缆:其中包括纸绝缘低频通讯电缆, 纸绝缘高频对称通讯电缆, 塑料绝缘高频对称电缆, 小同轴综合通讯电缆, 中同轴综合通讯电缆, 电气化铁道通讯电缆, 防雷通讯电缆等。
一、问答题1、到目前为止,在电线电缆行业中所用试验电源有两种方式产生,请简述其方法。
答:一种用一般的调压器和升压变压器产生所需试验电压,此方式适合于试验电压不高,容量较小的试验。
另一种方式就是串联谐振方式产生试验电压。
2、请推导单臂电桥(惠斯登电桥)平衡公式:推导:由R1、R2、R0和Rx连接成一个四边形,每一边称为电桥一个臂,对角用A、C连接电源和限流电阻R,对角B、C之间连接用检流计G,调节R0。
使B、D两点的电位相等,此时检流计读数为0,故有RxR2=R1R0Rx=R!/R2R03、电线电缆对导体(线芯)的要求是什么?答:具有较高的导电率,足够的机械性能,耐化学稳定性,不易氧化以及便于加工和焊接等性能。
4、什么是不合格测量设备?答:不合格测量设备指已经损坏、过载或误操作、显示不正常、功能出现了可疑、超过了规定的检定(校准)周期,封缄的完整性已经被损坏等测量设备。
5、试验误差主要来自哪三方面?其性质又可分为哪些答:测量方法、测量仪器和测量者的测量要求。
其性质分:系统误差和偶然误差。
6、交流电压试验注意事项有几点?答(1)试验回路应有快速保护装置,以保证当试样击穿或样端部或终端发生沿表面闪络放电或内部击穿时能迅速切除试验电流;(2)试区周围应有金属接地栅栏、进出口门连锁、信号指示灯和“高压危险”警告牌安全措施;(3)试区应有接地极,接地电阻应小于4Ω,升压变压器的接地端和试样端或附加电极均应与接地可靠连接。
7、SI制是一种科学单位制,其构成原则有哪几点?答:(1)它是由基本单位、导出单位和词头组成;(2)一个物理量应只有一个单位;(3)SI制是“一惯性”的单位制8、结构尺寸检查的重要性是什么?答:对电线电缆而言,结构尺寸是为保证电缆完成其特定功能而设计的技术数据,只有在结构尺寸符合标准的前提下,才能进行其它试验,所以结构尺寸检查是非常重要的一项必不可少的检查项目。
9、影响绝缘电阻大小的因素有哪些?答:(1)材料本身原因;(2)材料存储原因;(3)结构偏离要求造成的原因;(4)测试技术造成的原因。
电线电缆培训资料引言电线电缆作为电力传输和通信领域中不可或缺的基础设施,在现代社会中扮演着重要的角色。
为了保证电线电缆的安全与可靠运行,培训电线电缆相关知识和技能是至关重要的。
本文档旨在提供一些关于电线电缆培训的资料,帮助读者了解电线电缆的基本知识、安装与维护相关技术以及遇到常见问题的解决方法。
1. 电线电缆基础知识1.1 电线与电缆的区别1.1.1 电线电线是一种导电材料,通常由金属(如铜或铝)制成,用来传输电能。
电线通常只有一个绝缘层,适用于单根导线的安装。
1.1.2 电缆电缆由多个电线组成,并且每个电线都有自己的绝缘层。
电缆的结构使得它能够传输更多的电力或信号,并且在一根电缆中可以包含不同的电线类型。
1.2 电线电缆的分类根据用途和结构的不同,电线电缆可以被分为多个类别。
常见的分类包括:•输电电缆:用于长距离传输电力,如电力输电线路中使用的高压电缆。
•控制电缆:用于控制电路传输信号和控制信号。
•通信电缆:用于传输音频、视频和数据信号,如网络电缆、电话线等。
•家用电缆:用于家庭中的电气设备连接,如插座电缆、灯具电缆等。
1.3 电线电缆的安全标准电线电缆的安全性是至关重要的,国际和国内有许多安全标准和规范需要遵循。
常见的电线电缆安全标准包括:•国际电工委员会(IEC)发布的标准,如IEC 60227(关于普通橡胶绝缘电缆)、IEC60228(关于铜导线的导体)、IEC 60502(关于额定电压1kV以上电力电缆)等。
•国家标准,如中国国家标准GB/T 5023(关于普通橡胶绝缘电缆)等。
在进行电线电缆安装和使用时,必须遵守这些标准,以确保电线电缆的安全性能。
2. 电线电缆的安装与维护2.1 电线电缆的安装电线电缆的正确安装至关重要,合理的安装方法可以确保电线电缆的正常运行和使用寿命。
以下是一些常见的电线电缆安装技巧:•熟悉安装环境:在开始安装之前,熟悉安装环境,了解电线电缆的敷设方式、敷设路径和敷设深度等要求。
电线电缆基础知识培训一、泛论电线电缆产品的种类有成千上万,应用在各行各业中。
它们总的用处有两种,一种是传输电流,一种是传输旌旗灯号。
传输电流类的电缆最重要操纵的技巧机能指标是导体电阻、耐压机能;传输旌旗灯号类的电缆重要操纵的技巧机能指标是传输机能——特点阻抗、衰减及串音等。
因此传输旌旗灯号重要也靠电流(电磁波)作载体,现在跟着科技成长能够用光波作载体来传输。
电缆总体来说能够分为六大年夜类:(1)裸线类(2)电磁线(漆包线)(3)电力电缆(4)电气设备用电线电缆(5)通信电线电缆(6)光缆我公司现在在做及发卖的主假如电气设备用电线电缆及电力电缆这两大年夜类。
以下我重要给大年夜家介绍一下这两大年夜类产品相干的差不多常识。
二、电缆全然构造一样电缆最全然的构造有导体、绝缘层及外护层,依照要求再增长一此构造,如樊篱层、内护层或铠装层等,为了电缆有圆整性再辅加一些填充材料。
导体是传输电流或旌旗灯号的载体,其他构造差不多上作防护用。
防护的机能依照电缆产品的须要总体上有三种,一种是爱护电缆本身各单位不互相或削减阻碍,如耐压,耐热,防电磁场产生的损耗,通信电缆防旌旗灯号互相干扰等。
另一种防护是爱护导体中的电流纰谬外部产生阻碍,如防止电流外泄,防电磁波外泄等;最后一种爱护外界纰谬电缆内部产生阻碍,如抗压、抗拉、耐热、耐候、耐燃、防水、抗电磁波干扰等。
以下对电力电缆的构造单位作一简单的介绍。
导体(或称导电线芯):其感化是传导电流。
有实芯和绞合之分。
材料有铜、铝、银、铜包钢、铝包钢等,重要用的是铜与铝。
铜的导电机能比铝要好得多。
铜导体的电阻率国度标准要求不小于0.017241Ω.mm2/m(20℃时),铝导体的的电阻率要求不小于0.028264Ω.mm2/m(20℃时)。
耐火层:只有耐火型电缆有此构造。
其感化是在火警中电缆能经受一准时刻,给们逃生时多一些用电的时刻。
现在应用的材料主假如云母带。
火警中,电缆会专门快燃烧,因云母带的云母片耐高温,且又有绝缘感化,在火警中能爱护导体运行一准时刻。
电线电缆知识培训概述电线电缆是现代生活中不可或缺的一部分,它们在各个领域都扮演着重要的角色。
本文将为您提供关于电线电缆的知识培训,包括电线电缆的定义、类型、用途以及安装和维护等方面的内容。
什么是电线电缆电线电缆是将导电材料包裹在绝缘材料中的一种电气导线。
它们主要用于输送电力或信号。
根据其用途和应用场景的不同,电线电缆可以分为多种类型。
电线电缆的类型1. 根据导体材料•铜导线:具有优良的导电性能和良好的机械强度,广泛应用于各个领域。
•铝导线:重量轻、成本低,但导电性能不如铜导线,常用于中低压输电线路。
•铜包铝导线:结合了铜和铝的优点,同时兼具导电性能和轻量化特点。
2. 根据绝缘材料•PVC绝缘:一种常用的绝缘材料,具有良好的耐热性和耐腐蚀性。
•XLPE绝缘:具有较高的绝缘强度和低介质损耗,适用于高压输电线路。
•交联聚乙烯绝缘:具有出色的绝缘性能和耐高温性能,广泛应用于高温环境。
3. 根据用途•动力电缆:主要用于输送电能,包括低压电缆、中压电缆和高压电缆等。
•通信电缆:用于传输信号和数据,如电话线、光纤电缆等。
•控制电缆:用于传输控制信号,广泛应用于自动化设备和工控系统中。
•电热电缆:主要用于供热、保温、防冻等特殊环境。
电线电缆的应用电线电缆在各个领域有着广泛的应用,包括建筑、交通、能源、通信、航空航天等。
以下是一些常见应用场景:1.建筑:电线电缆用于住宅、商业建筑和工业厂房的电力供应、照明和通信等。
2.交通:电线电缆用于交通信号灯、地铁、铁路和公路照明等系统。
3.能源:电线电缆用于电力输送和分配系统,包括发电厂、变电站和配电线路等。
4.通信:电线电缆用于电话、互联网和电视等通信网络的建设和维护。
5.航空航天:电线电缆用于飞机、卫星和航天器等航空航天设备中的电力和信号传输。
电线电缆的安装和维护电线电缆的安装和维护是确保其正常使用和延长寿命的关键。
以下是一些值得注意的事项:1.安装:安装电线电缆时,应按照相关的标准规范操作,正确选择电线电缆的规格和类型,避免超过其额定负荷以及过载等情况。
目录第一章概论一、电线电缆基本概念--------------------------------------------------------------------- (2)二、电线电缆产品的现状和未来发展趋势--------------------------------------------- (3)第二章电线电缆产品分类一、裸电线与裸导体制品-------------------------------------------------------------------(3)二、绕组线-------------------------------------------------------------------------------------(3)三、电力电缆----------------------------------------------------------------------------------(3)四、通信电缆和光缆-------------------------------------------------------------------------(4)五、电气装备用电缆-------------------------------------------------------------------------(5)第三章本公司产品品种、结构特征和工艺流程及主要性能指标一、本公司目前生产的产品大类----------------------------------------------------------(6)二、产品品种结构特征----------------------------------------------------------------------(7)三、工艺流程--------------------------------------------------------------------------------(10)四、工序加工特征及生产设备-----------------------------------------------------------(11)五、各产品主要性能项目-----------------------------------------------------------------(12)第一章概论一、电线电缆基本概念1、电线电缆定义用于传输电(磁)能、信息和实现电磁能转换的线材产品。
2、电线电缆结构模型(最简组成)一根或多根绝缘线芯,以及它们各自可能具有的包覆层、总保护层及外护套。
电缆也可以有附加的但没有绝缘的导体。
3、电线电缆分类(1)按用途可分为五类可分为裸电线、绕组线、电力电缆、通信电缆和光缆、电气装备用电线电缆。
(2)按工作电压分为四类超高压电力电缆、高压电缆、中低压电缆及低压电缆。
习惯上把工作电压在1000伏以下的称为低压电缆,1千伏至35千伏称为中低压电缆,而110千伏及以上称为高压电缆,把500千伏及以上称为超高压电缆。
(3)按绝缘材料分为四类塑料电缆、纸力缆、橡皮电缆、光纤缆。
当然,还可以有其它一些分类方法。
4、电线电缆的基本特性电线电缆最基本的性能是有效地传播电磁波。
就其本质而言,电线电缆是一种导波传输线。
电磁波在电缆中按规定的导向传播,并在沿线缆的传播过程中实现电磁场能量的转换。
同时为了确保电线电缆的有效性,不同的使用环境对电线电缆的耐高温、耐低温、耐油、抗弯、抗拉、抗压、阻燃、防火、防雷和防生物侵袭等,都会有相应的要求。
在电线电缆的标准和技术要求中,都对上述环境要求明确具体的测试及试验方法,以及相应的要求。
从而确保电线电缆产品在各种非常环境使用时的整体可靠性。
若要再具体描述,其主要性能有:(1)电性能A、导电性能——通常框定不同产品的直流电阻值来加以界定其导电性。
B、电气绝缘性能——绝缘电阻、介质损耗、介电常数、耐电压特性等。
C、传输性能——高频传输特性,如串音、衰减、抗干扰特性等。
(2)力学性能A、抗拉强度,断裂伸长率;B、弯曲性,弹性,柔软性;C、耐振动、耐磨以及耐冲击性等。
(3)热性能A、耐热等级,工作温度;B、载流量,最大短路电流;C、热变形,耐热冲击性等等。
(4)耐腐蚀性和耐气候性A、耐电化腐蚀;B、耐日光、耐寒、防霉、防潮性等。
(5)老化性能这是指在机械应力、电应力、热应力以及其它各种外加因素的作用下,产品及其组成材料保持其原有性能的能力。
(6)其它性能例如材料的硬度、相容性以及某些特殊使用特性(例如阻燃、防虫鼠白蚁等)。
5、电线电缆产品生产特点(1)原材料用量大、种类多、要求多,例如各种塑料、金属材料、其它非金属材料往往在电线电缆中得到广泛应用。
(2)工艺范围广,专用设备多;(3)生产过程连续性强;(4)主要涉及的通用工序有:拉丝、绞线、漆包、挤塑(挤橡)、成缆、铠装、编织等。
二、电线电缆产品的现状和未来发展趋势1、当今世界中,各行各业,上天入地下海以及人们日常生活起居方方面面都离不开电线电缆产品,真是随处可见、随处可及。
2、在人们生活中接触得到的电线电缆产品,越来越强调安全性及绿色环保性。
与人们休戚相关的照明电线、家用电器的电源线……都强调要通过3C认证(中国电线电缆产品强制性认证),并且在性能方面越来越强调可靠性以及绿色环保(即电线电缆万一遇火警条件下,或者其外护套着燃时低烟、少烟,或像耐火的电线产品,在着燃条件下仍可继续使用3-4小时,从而使大楼中的电梯、照明、空调、排风机……仍可继续工作,为人的逃生赢得宝贵的时间)。
3、在强电系统,电缆向更大截面更大传输功率方向发展;在弱电系统,电缆产品不仅要求传输数据图像,而且向多功能多用途方向发展。
4、电线电缆产品自身的特殊性能要求得到越来越强调,例如防虫咬,防鼠,防雷击,适用温差特别大场合,以及阻燃、防水、防火……,而这些性能得以实现的很大的关键在于电线电缆所用的材料性能得到深度挖掘或利用,或者是有更多更新的材料,这将给我们这个行业带来一次又一次新的变更。
第二章电线电缆产品分类一、裸电线与裸导体制品1、这是指没有绝缘、没有护套的导电线材,主要包括裸单线,裸绞线和型线材三个系列产品。
2、裸单线系列产品包括铜单线、铝单线、合金线、铜包钢、铝包钢线及镀锡铜线等。
裸单线按其韧练状态,又可将其分为硬的、半硬的和软的。
3、由裸电线加工而成的裸导体制品:主要有铝合金绞线、铝包钢绞线、钢芯铝绞线、铜铝扁线……等等。
二、绕组线1、绕组线是一种具有绝缘层的导电金属电线,用以绕制电工产品的线圈或绕组。
其作用是通过电流产生磁场,或切割磁力线产生感应电流,实现电能和磁能的相互转换,故又称为电磁线。
2、绕组线的绝缘线目前除采用天然材料(绝缘纸、天然丝、植物油等)外,主要采用有机合成高分子化合物(如聚脂、聚氨脂、聚酰亚胺、聚酰亚胺树脂等)和无机材料(如玻璃丝,氧化铝膜等)。
3、绕组线按照绝缘层的特点和用途,可分为漆包线、绕包线、特种绕组线、无机绝缘绕组线等等四大类。
三、电力电缆在电力系统中用于传送和分配电能的主要是电力电缆和架空电线。
电缆线路的建议费用通常都要高于架空线路。
电力电缆常用于城市的地下电网,发电站的引出线路,工矿企业的内部供电,以及过江、过海等水下输电线。
1、电力电缆的主要结构部件为:导体、绝缘层和护层。
除1~3KV电压级的产品外,均需有屏蔽层。
电缆线路中还必须配置各种中间连接装置和终端等附件。
2、电力电缆按电压级可分为中低压电缆(一般指35KV及以下)和高压电缆(一般为110KV及以上)。
随着电力工业的发展,将要求电力电缆的工作电压越来越高,传输容量日益增大。
目前投入运行的电力电缆的最高电压是500KV(即50万伏)。
3、电力电缆的品种及型号4、电力电缆的性能测试电力电缆的出厂与验收试验项目有:导体直流电阻,绝缘电阻,整盘电缆介质损耗角正切,交流短时耐压试验等。
四、通信电缆和光缆当今世界已步入信息时代,信息已成为经济发展的战略资源和独特的生产要素。
以远程通信网络、计算机、视像等多媒体终端相结合建立起来的现代信息传输系统和完备的信息服务体系。
已成为一个国家或地区经济发达程度的重要标志,因而受到世界各国的高度重视。
1、通信方式种类按信息发出信息的物理特征不同可分为电话、电报、电视、数据、图像等通信系统;按传输媒介或传输通道来分可分为有线和无线两大类,其中有线通信媒介包括通信电缆和通信光缆。
2、通信电缆品种规格3、通信电缆的主要电性能测试项目通信电缆主要电性能测试项目包括:导线直流电阻、绝缘电阻、交直流耐压测试、工作电容测试、串音衰减及串音防卫度测试,同轴电缆的衰减、屏蔽系数的测试等等。
4、光缆通信简述(1)光缆通信的三个基本构成部分:A、光发射端机;B、光缆传输线;C、光接受端机;(2)光缆通信依据传输信号的形成分为数字方式和模拟方式。
(3)作为光缆的主要组成部分光纤的传输特性包括:衰减特性和色散特性。
五、电气装备用电缆电气装备用电线电缆的使用范围很广,因而品种繁多,主要涉及供电、配电和用电所需要的各种能用或专用的电线电缆,以及控制、信号、仪表和测温等用途的电线电缆产品。
按照使用要求或使用场合的不同,电气装备用电线电缆产品工作电压450/750V及以下大致分类如下:通用橡皮绝缘电线(BX、BXF……)通用塑料绝缘电线(BV、BVV、RVV……)公路车辆用绝缘电线(QVR、QFR……)电机电器引接线(JV、JF、FXN……)航空电线(FN、FNP……)补偿导线(SC、KX、KC……)船用电缆(CEF、CEH、CEV……)石油和地质勘探用电缆(WTYP、WTXH……)电梯电缆(TVVB)直流高压软电缆(X-A、GYV……)千伏级架空绝缘电缆(JY、JV……)控制电缆和信号电缆(KVV、HVV、GYV……)核电站用电缆(POLV……)在上列产品中,本公司目前生产的品种主要是塑料绝缘电线电缆。
六、电线电缆的主要原材料:1、常见的导体有:无氧铜、铝、镀锡铜丝、镀银铜丝、镀镍铜丝2、常见的绝缘体有:聚氯乙烯(PVC)聚乙烯(PE)聚丙烯(PP)六、电线电缆中常用符号的含义:A表示安装线、聚氨脂B表示扁形、半硬等C表示自承式D表示耐冻H表示电话、合金、通讯电缆等I表示银导线J表示加强、绞合、局用K表示控制L表示铝等P表示屏蔽、聚丙烯、信号电缆等R表示软S表示射频,电视T表示电梯用等V表示聚氯乙烯塑料Y表示聚乙烯塑料第三章本公司产品品种、结构特征和工艺流程一、本公司目前生产的产品大类主要有1、电气装备用电线电缆:塑料绝缘电线电缆(450/750V及以下)A、安装用电缆(A VVR)B、连接用软电线(RVV)C、屏蔽电线(RVVP)D、固定敷设用电线(BV、BVV、BVR、……)E、KVV和KVVP控制电缆作为电气装备用电线电缆中的塑料绝缘电缆电线,严格讲,应该是“额定电压450/750V 及以下聚氯乙烯绝缘聚氯乙烯护套电缆电线”,属于国家强制性认证产品(即有可能对人身生命安全造成危害的产品),本公司上述2、(A、B、C、D)四大类产品均已在2004年9月份再次通过强制认证。