灯具可靠性(老化)检验标准
- 格式:doc
- 大小:82.00 KB
- 文档页数:4
灯具品质检验标准
一、安全性
1. 耐电压测试:在灯具上施加高于额定电压的电压,以检验灯具是否符合安全标准。
2. 泄漏电流测试:测量灯具在接通电源时的漏电流,以确保灯具在使用过程中不会对人体产生危害。
3. 防护等级测试:检验灯具的防水、防尘等性能,确保其在特定环境下能够正常工作。
二、发光效率
1. 光通量测试:测量灯具在特定电压和电流条件下的光通量,以评估其发光效率。
2. 功率因数测试:测量灯具的功率因数,以评估其对电力系统的负荷影响。
三、颜色偏差
1. 色温测试:测量灯具在不同温度下的色温,以评估其颜色偏差程度。
2. 显色指数测试:测量灯具在不同颜色下的显色指数,以评估其对物体颜色的还原能力。
四、外观质量
1. 外观检查:检查灯具表面是否平整、无划痕、无气泡等缺陷。
2. 材质检查:检查灯具所使用的材料是否符合设计要求,如耐热、耐寒、抗腐蚀等。
五、耐候性
1. 耐高温测试:将灯具放置在高温环境下,测试其性能是否稳定。
2. 耐低温测试:将灯具放置在低温环境下,测试其性能是否稳定。
3. 耐湿度测试:将灯具放置在高湿度环境下,测试其性能是否稳定。
六、寿命
1. 累计工作时间测试:测量灯具在额定电压和电流条件下的累计工作时间,以评估其寿命。
2. 疲劳测试:模拟灯具在实际使用过程中所承受的疲劳负荷,以检验其寿命和可靠性。
七、符合相关标准
1. 检验灯具是否符合国家或行业相关标准,如ISO认证、质量检测报告等。
2. 检验灯具是否符合设计要求,如结构、性能、外观等。
一、LED灯老化检测标准参考二、高低温试验箱技术规格三、高低温冲击试验箱技术规格四、高温老化试验箱技术规格LED灯老化检测标准参考一、高温高压及其冲击测试:针对对象:LED灯具(含LEDDriver的成品灯具)参照标准:行业经验测试方法:1,将5款LED灯具放置在一个室温为60℃的房间;2,通过调压器将LED灯具的输入电压调为最大额定输入电压的1.1倍;3,接通电源,点灯24H,并观察灯具是否有损坏、材料受热变形等异常现象;4,点灯测试后,通过继电器控制灯具在此环境下进行冲击测试,测试设置为:点灯20s、熄灯20s,循环100次。
测试要求:A,灯具在经过高温高压测试后,不能发生表面脱漆、变色、开裂、材料变形等异常现象;B,灯具在经过冲击测试后,不能发生漏电、点灯不亮等电气异常现象。
二、低温低压及其冲击测试:针对对象:LED灯具(含LEDDriver的成品灯具)参照标准:行业经验测试方法:1,将5款LED灯具放置在一个-15℃的环境下;2,通过调压器将LED灯具的输入电压调为最小额定输入电压的0.9倍;3,接通电源,点灯24H,并观察灯具是否有损坏、材料受热变形等异常现象;4,点灯测试后,通过继电器控制灯具在此环境下进行冲击测试,测试设置为:点灯20s、熄灯20s,循环100次。
测试要求:A,灯具在经过低温低压测试后,不能发生表面脱漆、变色、开裂、材料变形等异常现象;B,灯具在经过冲击测试后,不能发生漏电、点灯不亮等电气异常现象。
三、常温常压冲击测试:针对对象:LED灯具(含LEDDriver的成品灯具)参照标准:行业经验测试方法:1,将5款LED灯具放置在一个室温为25℃的环境下;2,按LED灯具的额定输入电压接通电源点灯;3,通过继电器控制灯具在常温常压下进行冲击测试,测试设置为:点灯30s、熄灯30s,循环10000次。
测试要求:A,灯具在经过常温常压冲击测试后,不能发生漏电、点灯不亮等电气异常现象。
灯具检验标准(一)外观检验:1、电镀类检验:A、电镀颜色要均匀(参照样品),不得有明显的色差。
B、电镀表面不得有刮伤、沙粒、吐酸、沙印、针孔、麻点、起泡、脱皮、发白、锈斑、黑点、明显的流漆、焊疤等现象。
C、亮度要接近镜面要求,不得有白雾状现象。
D、表面要光滑不得有粗糙感(手感)。
E、产品内面不得有明显黑、脏及氧化现象。
F、用白手套轻擦不得有轻微擦伤现象。
G、电镀丝牙良好,不得有变形之现象,能轻易锁进旋出。
H、附着力测试和硬度测试均需通过。
2、烤漆类之检验:A、参照样品,灯体不得有明显色差及光泽度差异,整体颜色要一致,不能有明显的差异。
B、不得有漏漆、脱漆、沙粒、脱皮、刮伤、起泡、擦伤现象。
C、喷漆要均匀、光滑,不得有结疤、流漆现象。
D、喷漆界限不得有溢出而造成其它方面不良情形。
E、内面不得有生锈情形。
F、不得变形、脱焊。
G、附着力测试和硬度测试均需通过。
H、.手工漆要有层次感。
(二)结构之检验:1、灯体尺寸与资料误差±1/2英寸,零件符合工程零件表,不得漏用。
2、组装后结构紧固,不得有松动现象,目视后处于同一水平,不得有歪斜现象。
3、有活动节的单吊灯档点必须有效。
4、吊链及受力牙管及各受力部位要能受足够重的力。
5、以上规定,灯重超过5.5KG要改用水晶吊环,欧规则要求通过地线导通测试。
(三)安全功能检验:1、100%的高压与极性测试、导通测试,欧规则要求通过地线导通测试。
2、如吊灯有开关,若开关拉动时应发出声音,不得自动回位,并且正极须经过开关,并测开关功能。
3、必须进行点亮测试。
4、灯头材质与合同相符,不得有破损现象、刮手、缺点、铜线外露现象。
5、灯头正,色板要有明显标志,弹片不得氧化,弹性须良好、不得松、不得与灯泡接触不良。
6、电线不得破皮、氧化,印刷字体用手擦不掉。
7、电线正负极须匹配,不得有污渍。
8、电线规格按照客人要求及所需瓦数确定,长度,出线依据客人要求。
9、一般电线应与灯体相配色,地线亦与灯体相配(如果客人有特别要求的一定按客人要求)。
LED灯具可靠性测试规范1、目的建立实验室LED灯具可靠性测试的标准与规范,完善产品测试标准,提高产品质量。
2、适用范围本标准适用于模组类、柔性灯带类以及直条灯类成品可靠性测试。
3、内容3.1 测试项目成品可靠性测试包含但不限于以下项目,在提交测试过程中根据实际情况在测试单中注明需要执行的测试项目。
基础参数测试:产品的基本参数;环境测试:温度循环、冷热冲击、高湿热循环、高温存储、低温存储、高温高湿储存、抗UV测试;寿命测试:常规衰减测试、高温高湿寿命测试、低温衰减测试、加速衰减测试、规定焊点温度下衰减测试;破坏性测试:通断电测试、过压/欠压测试、IP防护等级测试、输入输出短路测试、导线连接处抗拉力测试、灯带弯折性测试、极性保护测试、耐酸性测试、盐雾试验、静电测试;机械测试:振动测试、堆码测试、跌落测试。
3.2 测试要求类别试验项目试验设备试验条件持续时间样品数量测试部门基础参数电流/功率/光通量/显色指数/色温/压降和电流差/配光曲线电源积分球万用表室温下,产品在标配情况下点亮测试。
主要测试参数有:单个成品的电流、功率、光通量、显色指数、色温、产品级联后的的压降和首尾电流差。
产品配光曲线图(必要时)两个标准级联单位的成品质保中心实验室环境试验温度循环高低温交变湿热试验箱-40℃~25℃~100℃~25℃30分钟5分钟30分钟5分钟循环100回合5pcs/0.5m/<0.6m 冷热冲击-40-7015分钟 15分钟循环150回合5pcs/0.5m/<0.6m高湿热循环30℃~65℃RH=90% 24小时/1回合72h 5pcs0.5m/<0.6m高温存储Ta=80℃168h 5pcs/0.5m/<0.6m低温存储Ta=-40℃168h 5pcs/0.5m/<0.6m高温高湿存储Ta=70℃RH=90% 168h 5pcs/0.5m/<0.6m抗UV测试BE-UV-8 紫外线灯箱用强紫外线直接照射被测试件表面,加速表面的老化。
led灯具可靠性测试标准LED灯具可靠性测试标准。
LED灯具作为一种新型的照明产品,其在节能、环保、长寿命等方面具有很大优势,因此受到了越来越多消费者的青睐。
然而,由于LED灯具的特殊性,其可靠性测试标准显得尤为重要。
本文将从LED灯具可靠性测试的必要性、测试内容和方法等方面进行探讨。
首先,LED灯具可靠性测试的必要性不言而喻。
在实际使用过程中,LED灯具往往需要经受各种恶劣环境的考验,如高温、潮湿、振动等。
因此,只有通过严格的可靠性测试,才能保证LED灯具在各种极端条件下都能正常工作,从而保障用户的使用体验和产品的品质。
其次,LED灯具可靠性测试的内容主要包括对LED灯具的光电性能、电气性能、结构性能、环境适应性能等多个方面进行测试。
其中,光电性能测试包括光通量、发光效率、颜色均匀性等指标的测试;电气性能测试包括输入功率、功率因数、电压波动等指标的测试;结构性能测试包括外壳防护等指标的测试;环境适应性能测试包括高温、低温、湿热等环境条件下的测试。
通过对这些方面的测试,可以全面评估LED灯具的可靠性。
此外,LED灯具可靠性测试的方法也是至关重要的。
目前,常用的测试方法包括加速寿命试验、环境应力试验、可靠性评估试验等。
其中,加速寿命试验是通过对LED灯具进行高温、高湿、高压等条件下的长时间测试,来模拟LED灯具在实际使用过程中的老化情况;环境应力试验则是通过对LED灯具在各种恶劣环境条件下的测试,来评估LED灯具的环境适应性能;可靠性评估试验则是通过对LED灯具在规定条件下的测试,来评估LED灯具的可靠性水平。
通过这些测试方法,可以全面、准确地评估LED灯具的可靠性水平。
综上所述,LED灯具可靠性测试标准的制定和执行对于保障LED灯具产品质量、提升LED灯具的市场竞争力具有重要意义。
只有通过严格的测试,才能确保LED灯具在各种极端条件下都能正常工作,从而为用户带来更好的使用体验。
希望LED灯具行业能够加强对可靠性测试标准的重视,不断提升LED灯具的可靠性水平,为用户提供更加优质的产品和服务。
led灯老化测试标准LED灯老化测试标准。
LED灯具作为一种新型的照明产品,其使用寿命和性能稳定性一直备受关注。
为了确保LED灯具的质量和可靠性,需要进行严格的老化测试。
LED灯老化测试标准是评价LED灯具老化性能的重要依据,下面将介绍LED灯老化测试标准的相关内容。
首先,LED灯老化测试标准应包括测试的环境条件和测试的具体步骤。
测试的环境条件包括温度、湿度、电压、电流等参数,这些参数对LED灯具的老化过程具有重要影响。
测试的具体步骤包括灯具的安装、老化时间的设定、老化过程中的监测和记录等内容。
在测试过程中,需要严格按照标准要求进行操作,以确保测试结果的准确性和可靠性。
其次,LED灯老化测试标准应包括老化时间的要求和老化后的性能评价。
老化时间的要求是指LED灯具在规定的环境条件下需要进行的老化时间,一般情况下,老化时间越长,LED灯具的老化效果越明显。
老化后的性能评价包括光通量衰减、色温漂移、色彩保持指数等参数的测试和评估,这些参数能够直观地反映LED灯具老化后的性能变化。
此外,LED灯老化测试标准还应包括测试结果的判定标准和报告要求。
测试结果的判定标准是指根据测试数据对LED灯具的老化性能进行评价和判定,一般包括合格、不合格和待定三种判定结果。
报告要求是指在测试完成后,需要编制符合标准要求的测试报告,报告内容应包括测试的环境条件、测试的具体步骤、老化时间的要求、老化后的性能评价以及测试结果的判定等内容。
综上所述,LED灯老化测试标准是评价LED灯具老化性能的重要依据,其内容应包括测试的环境条件和具体步骤、老化时间的要求、老化后的性能评价、测试结果的判定标准和报告要求等内容。
只有严格按照标准要求进行测试,才能够准确评估LED灯具的老化性能,为LED照明产品的质量和可靠性提供保障。
第1页共1 页
老化检验标准
一、耐压测试
(1)支架灯具打耐压测试标准:DC1500V,5MA(注意非专业人员勿操作)。
二、高低压冲击测试
(1)通过调压器将LED灯具的输入电压调为最大额定输入电压的1.1倍(高压)和0.8倍(低压)。
(2)接通电源,高低压分别点灯15分钟,并观察灯具是否有损坏,材料受热变形等异常现象。
(3)点灯测试后,通过T2型LED电器老化控制器控制灯具在此环境下进行冲击测试,测试设置为:点灯5S、熄灯5S、循环90次。
(4)测试要求:灯具在经过高压冲击测试后,不能发生漏电,点灯不亮等电气异常现象。
三、额定电压冲击测试
(1)通过调压器将LED灯具的输入电压调为最大额定输入电压的1.0倍。
(2)接通电源,点灯30分钟,并观察灯具是否有损坏,材料受热变形等异常现象。
(3)点灯测试后,通过T2型LED电器老化控制器控制灯具在此环境下进行冲击测试,测试设置为:点灯5S、熄灯5S、循环180次。
(4)测试要求:灯具在经过高压冲击测试后,不能发生漏电,点灯不亮等电气异常现象。
四、本标准解释权归研发部。
五、生效日期2015年6月15日。
编制:孙玲玲审核:。
灯具老化试验标准
本标准规定了灯具老化试验的各项要求和测试方法,以确保灯具在各种环境条件下能够正常工作并保持安全可靠。
本标准适用于各类灯具产品的老化试验。
1.温度测试
目的:评估灯具在高温、低温环境下的工作性能和稳定性。
测试方法:将灯具放置在温度试验箱中,设定高温(如50℃)和低温(如-20℃)环境,保持2小时后取出,检查灯具是否有异常现象,如破裂、变形、漏电等。
2.湿度测试
目的:评估灯具在潮湿环境下的工作性能和稳定性。
测试方法:将灯具放置在湿度试验箱中,设定湿度为90%,保持24小时后取出,检查灯具是否有异常现象,如锈蚀、漏电等。
3.耐久性测试
目的:评估灯具在使用寿命范围内的性能衰减和稳定性。
测试方法:按照灯具额定功率的1.2倍加载,连续开启、关闭灯具,以模拟实际使用中的开关寿命,检查灯具是否有故障或性能下降。
4.可靠性测试
目的:评估灯具在连续工作下的稳定性和可靠性。
测试方法:将灯具放置在高温高湿环境下,连续开启24小时,然后关闭2小时,重复此操作直到达到预定的时间或次数,检查灯具是否有故障或性能下降。
5.能效测试
目的:评估灯具的能源利用效率和使用经济性。
测试方法:按照相关标准进行功率测量和光通量测量,计算能效比,以评估灯具的节能性能。
6.安全性测试
目的:评估灯具在使用过程中的安全性能和防护能力。
测试方法:通过短路、过载等异常情况下的保护装置测试,以及防触电、防火等安全防护测试,以确保灯具在使用过程中的安全可靠性。
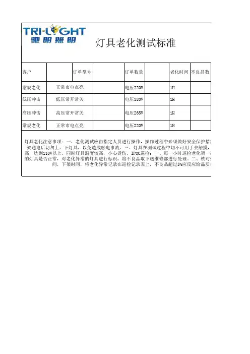
LED灯具老化测试规范一、目的规范LED老化测试流程,减少操作不当而引发的灯具损坏,提高LED灯老化测试的效率,保证灯具品质,防止安全事故的发生。
二、范围所有本公司生产的LED灯具的老化测试都适用于本检验规范。
三、环境需求温度为20℃~30℃。
四、测试工具老化架(要求老化架有直流电源和交流电源且供电安全接地)五、老化测试方法1.对于有防水要求的灯具,冲水后的灯具放在老化架上,根据产品的输入电压接在相应的电源座上。
2.打开老化测试架的开关,根据不同的输入电压闭合电源开关,检查每个灯具是否全部点亮,同时保证灯具在老化工程中满功率工作。
3.老化测试的时间不小于8小时,灯具在老化过程中,对于灯具进行不小于5次的通断电测试。
每次通电10秒,断电10秒,老化的时间观察灯具是否会发生:死灯,暗灯,闪灯,开关电源异音等不良现象。
4.老化测试完后,关闭各个老化测试架的开关,待灯具表面温度降低至常温后,将灯具从老化架取出,放到指定的地点待下一步工序使用。
5.老化过程中如发现以上描述的不良现象,立刻停止测试,将不良品从老化架取出,交维修部门进行处理。
6.品质部IPQC每2小时巡检一次老化架检查正在进行老化测试的灯具是否正常。
对老化异常的灯具进行标示,同时核对灯具老化的上架时间、下架时间,将老化异常记录在巡检记录表上,当老化异常比例超过3%,IPQC必须将异常情况反映给品质部。
六、安全作业注意事项1.老化测试要指定人员操作,操作过程中必须做好安全措施。
2.对AC220V输入的灯具在老化测试时灯具的接地线一定要接,绝对不可以不接地线进行测试。
3.在测试过程中,必须时刻注意灯具状况,要有专人定时进行巡检。
led老化测试标准LED老化测试标准。
LED(Light Emitting Diode)作为一种新型的照明光源,具有节能、环保、寿命长等优点,被广泛应用于室内照明、户外广告、汽车照明等领域。
然而,LED作为一种电子元件,其使用寿命与老化特性是需要进行严格测试和评估的。
因此,LED老化测试标准成为LED行业中的重要标准之一。
LED老化测试标准旨在评估LED在长时间使用后的性能衰减情况,以确定其使用寿命和稳定性。
在LED老化测试中,通常会考虑以下几个方面的指标:1. 亮度衰减,LED在长时间使用后,其亮度是否会逐渐衰减,以及衰减的速度如何;2. 色温变化,LED的色温是否会随着使用时间的增加而发生变化,以及变化的趋势如何;3. 光通量衰减,LED的光通量是否会随着使用时间的增加而逐渐减小,以及减小的速度如何;4. 色均匀性,LED发光面积内的颜色均匀性是否会随着使用时间的增加而发生变化,以及变化的程度如何;5. 光电参数变化,LED的电流、电压等光电参数是否会随着使用时间的增加而发生变化,以及变化的趋势如何。
在进行LED老化测试时,需要制定一系列的测试方法和标准,以确保测试结果的准确性和可比性。
一般来说,LED老化测试标准应包括以下内容:1. 测试设备,包括LED老化测试台、光度计、色温计、电流电压测试仪等测试设备的规格和型号;2. 测试条件,包括测试环境的温湿度、测试时间、测试电流等条件的设定;3. 测试方法,包括LED老化过程中各项指标的测试方法和步骤,以及测试数据的采集和处理方法;4. 测试要求,包括LED老化测试过程中各项指标应满足的要求和标准数值;5. 测试报告,包括测试结果的记录和分析,以及对测试结果的评价和结论。
在LED老化测试标准中,需要特别注意的是测试条件的设定和数据的采集处理方法。
测试条件的设定应尽可能接近实际使用环境,以确保测试结果的真实性和可靠性。
同时,数据的采集和处理方法应符合统计学原理,以确保测试结果的准确性和可比性。
norm/institution/metho d实施日期: 2012-06-01Effective Date编制:邹龙镳Prepared By审核:Checked核准:Approved1.0目的为验证产品、部件的相关特性,在经受外力、模拟运输、环境与使用不当时造成的损害。
尽可能地挖掘由设计、制造或机构、电子部分等引发的潜在性问题,使产品在投入量产前寻找改善方案,使存在的问题得到解决,从而保证产品较高的品质水准,降低生产及出货之不良风险度,以保证产品至客户端的使用质量。
2.0范围2.1 本规范适用于公司所有在研发及生产的部品及配件的可靠性试验,在研发、试产、量产等各个阶段均适用。
2.2本规范同样适用于公司所有外协制造厂商对本公司采购部品及配件的相应阶段产品的可靠性验证。
3.0职责3.1 品质管理单位3.1.1 订定可靠性测试之计划,并依计划执行各测试;3.1.2 撰写相应可靠性测试报告;3.1.3 产品或部件外测项目之送测。
3.2 生产制造单位提供相关阶段测试所需之样品。
3.3 研发工程单位3.3.1 提供相关阶段测试所需之样品。
3.3.2 针对测试中所发生之问题作出分析及改善对策,并于对策导入时初步验证。
3.4 其它单位提供测试所需之样品。
3.5 核决单位决议产品因可靠性测试中出现异常之处理方式。
4.0定义4.1 MTBF----(Mean Time Between Failure平均失效间隔时间):产品在操作或使用过程中,排除前置期的失效后,可持续提供使用者直到产品失效前的平均使用期,具体来说,是指相邻两次故障之间的平均工作时间,称为平均失效间隔时间,又称为平均故障间隔时间,或平均无故障工作时间。
4.2可靠性试验(Reliability Test)----即针对产品之功能、结构做特定之实验,籍由环境、机械应力等,对产品所设计之功能、结构等进行系列之验证,暴露和分析产品在不同环境和应力条件下的失效规律及有关的失效模式和失效机理,制定和改进纠正措施,达到改进产品之可靠性。
金属卤素灯老化试验标准一、试验目的金属卤素灯老化试验标准的目的是为了评估金属卤素灯在长期使用后的性能稳定性、寿命和可靠性,并提供生产、质检、购买等方面的参考依据。
二、试验范围本试验标准适用于各种金属卤素灯的老化试验,涵盖各种工业、商业、道路照明等应用领域的灯具。
三、试验条件1. 环境条件试验室环境温度应控制在25°C±2°C,相对湿度控制在60%±5%。
2. 电源电压和频率根据不同类型的金属卤素灯,提供符合产品规格要求的电源电压和频率。
3. 试验装置(1)灯具安装架:确保灯具以正确的姿势安装且不易移动。
(2)电源控制器:控制灯具通电时间和电流。
(3)计时装置:精确计时,记录灯具使用时间。
(4)辐射测量工具:用于在试验过程中测量灯具的光强和光谱等辐射参数。
四、试验步骤1. 灯具准备将要进行老化试验的灯具按照产品规格正确安装到灯具安装架上,并保证其完好无损。
2. 通电时间设置根据产品规格要求和灯具实际使用情况,设置每天通电的时间和通电周期。
3. 电流设置根据产品规格要求,调节电源控制器,提供符合要求的电流给试验灯具。
4. 辐射测量在试验过程中,使用辐射测量工具对灯具进行定期测量,记录光强、色温、光谱等辐射参数的变化。
5. 计时和记录使用计时装置确保试验灯具的通电时间准确无误,并记录每天通电时长。
6. 试验结束试验时间达到设定要求后,关闭电源,移除灯具。
五、试验评价指标1. 光通量保持率在试验结束后,测量灯具的光通量,并与初始光通量进行比较,计算出光通量保持率。
一般要求金属卤素灯的光通量保持率应达到80%以上。
2. 寿命以灯具工作时长和试验结束时的光通量保持率为基准,评估灯具的寿命。
一般要求金属卤素灯的寿命应在8000小时以上。
3. 老化过程中的性能稳定性通过对辐射参数的变化进行分析,评估灯具在老化过程中性能的稳定性。
主要观察光强、色温、光谱等参数是否有明显的变化或者偏离规格要求。
led老化测试标准LED老化测试标准。
LED(Light Emitting Diode)作为一种新型的光源,具有节能、环保、寿命长等优点,在照明、显示等领域得到了广泛应用。
然而,LED产品在长期使用过程中会出现光衰、色温漂移、光通量下降等老化现象,因此需要进行老化测试来评估其性能和可靠性。
本文将介绍LED老化测试的标准及相关内容。
首先,LED老化测试应该包括光衰测试、色温漂移测试、光通量衰减测试等内容。
光衰测试是指LED在一定时间内光通量的衰减情况,通过测量光通量随时间的变化来评估LED的老化情况。
色温漂移测试是指LED在使用过程中色温的变化情况,通过测量色温随时间的变化来评估LED的色温稳定性。
光通量衰减测试是指LED在一定时间内光通量的变化情况,通过测量光通量随时间的变化来评估LED的寿命。
其次,LED老化测试应该遵循相关的标准和规范,如国际电工委员会(IEC)发布的LED老化测试标准、美国照明工程学会(IES)发布的LED照明产品老化测试标准等。
这些标准和规范对LED老化测试的方法、设备、环境条件、测试参数等都有详细的规定,确保测试结果的准确性和可靠性。
另外,LED老化测试还应该考虑到实际应用环境的影响,如温度、湿度、电压波动等因素对LED老化的影响。
在进行老化测试时,需要模拟实际使用环境的条件,以便更准确地评估LED产品的性能和可靠性。
此外,LED老化测试的结果应该能够为LED产品的设计、制造和应用提供参考依据。
通过老化测试,可以评估LED产品的寿命、稳定性、可靠性等性能指标,为产品改进和优化提供数据支持,同时也可以为用户提供LED产品的性能参数,帮助用户选择合适的LED产品。
综上所述,LED老化测试是评估LED产品性能和可靠性的重要手段,应该遵循相关的标准和规范进行测试,并考虑实际应用环境的影响,以获得准确、可靠的测试结果,为LED产品的设计、制造和应用提供参考依据。
希望本文对LED老化测试标准有所帮助,谢谢阅读。
版本号:A/0***************有限公司灯具可靠性检验标准设计校对会签审核审批版本号:A/0一、目的:为了使本公司出厂灯具符合相关的法律/法规等品质要求,特制定此标准。
二、检验方法/工具:A、目视:离双目40cm与视线呈45度角;B、卡尺、卷尺;C、装配;D、拉力计;E、样品;F、电量测试仪;G、耐压测试仪;H、万用表(接地电阻测试仪);I、温度计;J、老化架;K、淋雨装置;L、环境试验箱;M、振动台。
三、检验方式说明:全检为该项目对产品的抽检数量实施100%检验(注:抽检数量按GB2828抽样表实施;抽样方式为单次正常抽样,Ⅱ级水准);允收水准AQL为CR=0 MA=0.65 MI=2.5抽样检验按GB2828特殊抽样表S-2实施,允收水准为0收1退四、本标准适用于新产品(或原有产品变化比较大,或重要元器件更改,影响性能),样机检验和新产品小批试产检验和量产产品首件确认的检验。
五、检验项目及判定标准:项目检验内容标准要求检验方式检验方法/工具缺陷分级全检抽样确认CR MA MI表面处理经过表面处理的产品颜色一致,无明显的色差,附着力良好;背面泡点直径≤2mm,面积≤2pcs/ cm²,且成散布状。
缺陷面积≤电镀件相应表面积的1/80。
√卡尺目视√电镀件无变形、表面无流油、机械划痕、杂色,起泡等不良现象√目视√喷粉件表面无桔皮、变形、机械划痕、起泡杂色等不良现象√目视√表面起皱无明显波浪状,无凹凸不平感√目视√表面尘点直径≤0.2mm,面积≤2pcs/ cm²,缺陷面积≤电镀件相应表面积的1/80,且成散布状。
;√目视√无披锋刮手现象。
,划伤,破损等现象;表面划痕长度≤5mm,面积≤2pcs/ cm²,缺陷面积≤电镀件相应表面积的1/80。
√手感√√整灯装配整灯无明显的变形,各紧固位置无松动,紧固牢固;√目视√整灯易安装,卡簧不松脱,安装出线口应的护套保护√实装√灯架电镀件,喷涂件无变形、生锈、披峰、凹凸不平等,外表面无流油、色差、手印等;机械刮痕≤5mm,表面针孔或黑点真径≤0.1mm内表面无漏底,镀层脱落,碰伤等不良。
版本号:A/0广东南浦照明电器有限公司
灯
具
可
靠
性
检
验
标
准
设计校对会签审核审批
版本号:A/0
一、目的:为了使本公司出厂灯具符合相关的法律/法规等品质要求,特制定此标准。
二、检验方法/工具:
A、目视:离双目40cm与视线呈45度角;
B、卡尺、卷尺;
C、装配;
D、拉力计;
E、样品;
F、电量测试仪;
G、耐压测试仪;
H、万用表(接地电阻测试仪);
I、温度计;
J、老化架;
K、淋
雨装置;L、环境试验箱;M、振动台。
三、检验方式说明:
全检为该项目对产品的抽检数量实施100%检验(注:抽检数量按GB2828抽样表实施;抽样方式为单次正常抽样,Ⅱ级水准);允收水准AQL为CR=0 MA=0.65 MI=2.5抽样检验按GB2828特殊抽样表S-2实施,允收水准为0收1退
四、本标准适用于新产品(或原有产品变化比较大,或重要元器件更改,影响性能),样机检验和新产品小批试产检验和量产产品首件确认的检验。
五、检验项目及判定标准:
项目检验内容标准要求
检验方式检验方法/
工具
缺陷分级
全检抽样确认CR MA MI
表
面
处
理
经过表面处理的产品颜色一
致,无明显的色差,附着力
良好;背面泡点直径≤2mm,
面积≤2pcs/ cm²,且成散布
状。
缺陷面积≤电镀件相应
表面积的1/80。
√
卡尺
目视
√
电镀件无变形、表面无流油、
机械划痕、杂色,起泡等不
良现象
√目视√
喷粉件表面无桔皮、变形、
机械划痕、起泡杂色等不良
现象
√目视√
表面起皱无明显波浪状,无
凹凸不平感
√目视√表面尘点直径≤0.2mm,面积
≤2pcs/ cm²,缺陷面积≤电
镀件相应表面积的1/80,且
成散布状。
;
√目视
√
无披锋刮手现象。
,划伤,破
损等现象;表面划痕长度≤
5mm,面积≤2pcs/ cm²,缺
陷面积≤电镀件相应表面积
的1/80。
√手感√√
整灯装配整灯无明显的变形,各紧固
位置无松动,紧固牢固;
√目视√
整灯易安装,卡簧不松脱,
安装出线口应的护套保护
√实装√
灯架电镀件,喷涂件无变形、生锈、
披峰、凹凸不平等,外表面无
流油、色差、手印等;机械
刮痕≤5mm,表面针孔或黑点
真径≤0.1mm内表面无漏底,
镀层脱落,碰伤等不良。
√目视/卡尺√
前卡后卡表面无生锈、局部弯曲等不
良,压入时圆弧与灯架内壁
接触紧密。
目视√
弹片、固定卡簧配用弹簧、弹片,弹性良好,表
面无生锈,涂层脱落现象。
√目视√
光源连接器陶瓷灯头表机无色差,接线长
度符合标准,铜丝外露≤
0.5mm,外纤维无破损松动,插
孔弹片弹性良好.。
√目视/卡尺√
技术指标测试测试工作电流,电压,功率,
功率因数,光效,光通量,
色温等符合工程技术资料要
求
√
智能电量
测试仪,远
方测试系
统
√
内部接线要求**在灯体内部因为考虑温度
问题,线材用高温线(如硅
胶线等)
导体的标称截面积不小于;
----普通灯具:0.75mm2
----其它灯具;1.0mm2
正常工作电流高于2A:
--标称面截面积:最小0.5mm2
--固定式灯具的通过式布线:
最小0.5平方mm2
-绝缘层标称厚度:最小
0.6MM(聚氯乙烯或橡皮)
正常工作电流低于2A有机
械保护的接线.
--标称面截面积:最小0.4
mm2-
--绝缘层标称厚度:最小
0.6MM(聚氯乙烯或橡皮
√千分尺√
爬电距离电气间隙爬电距离:
基本绝缘:≥1.7
附加绝缘::≥2.5
加强纸张:≥6.5
电气间隙:
基本绝缘:≥1.7
附加绝缘::≥3.6
加强纸张:≥6.5
√游标卡尺√
重要元器件温度在灯体点亮工作稳定后,灯
体表面(含金属部分)温度
不能超过60℃;开关三极管
温度不超过85℃,电解电容
不超过85℃
√温度计√
灯具启动测试灯具在工作电压范围低压处
启动3次(间隔20秒);(如
220V低压启动在198V试验)
√调压器√
产品老化试验把灯具放在老化架上老化
(有条件在高压条件下工
作)72小时工作正常;(有条
件可以一直点灯老化)
√老化架√
淋雨试验(灯具根据IP等级处理)按淋雨试验条件进行,试验
后灯具工作正常
√
淋雨试验
设备
√
振动试验根据国标要求进行,试验后
工作正常
√振动台√
冲击试验根据国标要求进行,试验后
工作正常
√
冲击试验
装置
√
电气强度带电部件与金属部件之间:
符合一类或二类电器要求
√
耐压测试
仪
√
接地电阻电流为10A的情况下接地电
阻要求小于0.1Ω√√
接地电阻
测试仪(万
用表)
√
防撕和包
装防撕标不可漏贴和多重粘贴
或破损,彩盒应盖到位,外
箱封口整齐
√目视√
包装可靠性检验整箱产品以一角三棱六面跌
落,要求箱内产品无损坏(包
括性能和外观),包装无严重
破损,跌落高度0.6m。
√
卷尺/跌落
测试/目视
√
备注:
I类电器:灯具的防触电保护不仅依靠基本绝缘,且还包括附加的安全措施,即把易触及的导电部部件连接到设施的固定线路中的保护接地导体上,使易触及的导电部件在万一基本绝缘失效时不致带电.
II类电器:防触电保护不仅依靠基本绝缘,且具有附加安全措施,例如双重绝缘或加强绝缘,但没有保护接地的措施或依赖安装条件。