简易数字式电阻、电容和电感测量仪设计报告
- 格式:doc
- 大小:797.50 KB
- 文档页数:9
简易数字式电阻、电感和电容测量仪摘要本系统主控制部分采用TI公司的16位超低功耗单片机MSP430F149。
以自制电源作为LRC测量模块和各个主要控制芯片的输入电源,测量原理是通过测量电阻、电容或者电感和标准电阻各自的引起的频率变化,利用频率与电阻、电容、电感的函数关系推算出电阻值、电容值或者电感值。
测量的原理是LM311组成的LC震荡器的震荡回路的频率由单片机采样,然后再依据震荡频率计算出对应的电容或电感值,以及由NE555多谐振荡电路实现对电阻的测量。
软件设计部分使用C语言编程编写了包括控制测量程、按键处理、电阻电感电容计算、液晶显示程序。
利用MSP430F149单片机控制测量和计算结果,测量结果采用12864液晶模块实时显示。
关键词: MSP430F149、NE555芯片、LRC测量、12864液晶目录1 系统总体方案设计 (1)1.1系统方案选择 (1)1.2系统软硬件总体设计 (1)1.2.1硬件部分 (1)1.2.2软件部分 (2)2系统模块设计 (3)2.1硬件模块设计 (3)2.1.1电感电容测量模块 (3)2.1.2电阻测量模块 (4)2.1.3主控制模块 (5)2.1.4 AD采样模块 (5)2.1.5 液晶显示模块 (5)2.2软件模块设计 (5)2.2.1 控制测量程序模块 (5)2.2.2按键处理程序模块 (6)2.2.3电阻电感电容计算程序 (7)2.2.4液晶显示程序模块 (7)3系统测试 (8)3.1测试原理 (8)3.2测试方法 (8)3.3测试结果 (8)3.4测试分析 (9)4系统总结 (9)参考文献: (10)1 系统总体方案设计1.1系统方案选择方案一.基于模拟电路的测量仪利用模拟电路,电阻可用比例运算器法和积分运算器法,电容可用恒流法和比较法,电感可用时间常数法和同步分离法等,虽然避免了编程的麻烦,但电路复杂,所用器件较多,灵活性差,测量精度低,现在已较少使用。
电阻、电容、电感测量仪摘要:基于对元器件参数测量设计的电阻、电容、电感测量仪系统由主控制器部分、A/D采样部分、语音播报部分和显示部分组成。
设计以单片机AT89S52为主控核心器件,利用继电器对凌阳单片机实现控制,使其对放置元件端口进行高速A/D采样和语音播报,同时终端控制LCD液晶显示器实时显示当前的电抗元件参数值和性质。
测试结果表明:系统整体运行稳定,人机界面友好。
关键词:参数测量A/D采样语音LCD1引言分析赛题,本电阻、电容、电感测量仪系统需要实现如下功能:1)能够自动辨识出被测元件是电阻、电容还是电感,并实时显示元件的阻值、容值和感值的大小。
2)能够实现电阻、电容和电感测量的自动切换,并实现量程的自动切换。
3)电阻、电容和电感的测量误差均小于0.5%。
基于以上分析,采用模块设计的方案实现系统的各项功能,系统主要由主控制器部分、数据测量部分、A/D采样部分、语音播报和显示部分,具体的实现方案如系统主框图1所示:图1 系统主框图2系统方案设计与论证2.1主控制器的选择在主控制器的选择上我们有以下两种方案:采用FPGA(现场可编程逻辑门阵列)作为系统的控制核心和基于单片机技术的控制方案。
上述两种控制方式除在处理方式和处理能力(速度)上的差异外,实现效果及复杂程度等方面也有显著的区别。
FPGA将器件功能在一块芯片上,其外围电路较少,集成度高。
而单片机技术成熟,开发过程中可以利用的资源和工具丰富、价格便宜、成本低。
鉴于本设计中实时显示,单片机的资源已经能满足设计的需求,而FPGA的高速处理的优势在这里却得不到充分体现,因此本设计的控制方案模块选用基于单片机控制方案。
我们选择技术成熟,性价比高的AT89S52单片机作为主控制器,同时采用凌阳其内部系统时钟频率为11.0592MHz,执行一个单周期指令所需时间为仅83nS,满足本系统的软件编写需求。
2.2 数据测量方案的选择目前常用的智能RLC测试方法主要是阻抗-相角法和V-I复数法。
简易数字式电阻、电容和电感测量仪设计摘要:本系统设计主要有控制模块、正弦信号产生模块、测量模块、显示模块组成。
以MSP430作为主控制器,通过SPWM产生频率可调的正弦波信号,标准正弦信号流经待测电感与标准电阻的串连电路,通过峰值检波得到测量电压值,利用电压比例计算的方法推算出电感值。
电容及电阻测量则是通过MSP430控制IO口电平对RC电路充放电测电阻电容。
通过单片机控制12864液晶显示屏显示测试元件类型以及元件参数,并通过手动拨码选择测量的量程,实现精确读数。
一、方案分析与论证1.系统设计方案分析:方案①:用恒流源测量电阻,NE555谐振测量电容以及用LC三点式震荡测量电感的方法。
方案②:用MSP430控制IO口电平对RC电路充放电测电阻电容,用电压比例法来测量电感。
多档位选择用拨码开关实现。
方案一原理简单,但焊接困难、调试复杂,同时考虑到系统的精度,最后选用方案二。
整体系统框图:2.单元电路分析:电阻测量方案分析:用MSP430的IO口产生不同的电平控制RC充放电,对不同的测量档位选取不同的电阻参考阻值。
具体档位分为:100-300Ω、300-20KΩ、20KΩ-200KΩ、200KΩ-1MΩ档位。
电容测量实现方案分析:用MSP430的IO口产生不同的电平控制RC充放电,对不同的测量档位选取不同的电阻参考阻值。
具体档位分为:100-300Ω、300-20KΩ、20KΩ-200KΩ、200KΩ-1MΩ档位。
电感实现方案分析:本设计采用电压比例法来测量电感。
由于电感属电抗元件 ,因此不能采用直流来产生测量信号 ,而只能采用交流信号在角频率为ω的交流信号的作用下 ,电感获得的电压为:(式中Lx为待测电感)标准元件的选择有许多种方法 ,但为了提高测量精度和降低成本 ,本设计采用了标准电阻 ,它获得的电压为:根据电压比例法 ,经过计算可得:(式中:、分别是、向量电压的模值)。
三、系统测试1、主要测试仪器数字万用表、YB1732B3A型直流稳压电源、精密数字电桥。
电阻电感电容测试仪的设计与制作论文编号B甲1301参赛题目电阻电感电容测试仪的设计与制作参赛学校山东理工大学学院电气与电子工程指导老师李震梅唐诗参赛队员姓名吴硕刚王鹿鹿张兵联系方式电阻电容电感测试仪的设计与制作摘要:本文设计了一种基于单片机的数字式RCL自动测量仪。
该系统由STC89C52、DDS、自校准电路、分压及R运算电路、频率测量及控制电路、高精度交流/有效值转换电路、DAC、译码控制电路、液晶显示电路等构成,采用AD9850产生高精度的正弦波信号,采用电压比例算法推算出电阻、电容值或者电感值。
测量电路由八级标准电阻、继电器和NEC5532组成,能自动选择相应的标准电阻挡级及标准信号源的频率,完成量程的自动转换。
用单片机控制测量和计算结果,运用自校准电路提高测量精度,采用1602液晶模块实时显示数值。
实验测试结果表明,本设计性能稳定,测量精度高,超过设计要求。
关键词: STC89C52,测量,DDS,显示,频率The Design and Manufacture of Resistance Capacitance & InductanceTest InstrumentThis paper presents a Digital Automatic RCL Meter based on MCU. This system consists of STC89C52, DDS, Self-calibration circuit, V oltage divider and RCL operation circuit, Frequency measurement and control circuit, High Precision AC / RMS conversion circuit, DAC, Decoding control circuit, and LCD display circuit. The high-precision sine wave signal was produced by AD9850, The resistance, capacitance and inductance can be calculated by voltage ratio algorithmThe measurement circuit consists of eight standard resistance, relays and NEC5532. It can automatically select the appropriate level of resistance and frequency of signal source, fulfill the automatic switch of measurement range.The measurement and calculation were controlled by chip microcomputer.The self-calibration circuit was used to improve the measurement accuracy. The real-time values were displayed by 1602 LCD module.The experimental results show that the performance of the system is stable with high accuracy; the capacity of the system is over the design requirements.Keywords: S TC89C52, measurement, DDS, dislay, frequency前言电阻、电容、电感精确测量仪是实验室及工程中经常遇到的常用仪器。
简易数字式电阻、电容和电感测量仪设计报告摘要:本系统利用TI公司的16位超低功耗单片机MSP430F149和ICL8038精密函数发生器实现对电阻、电容和电感参数的测量。
本系统以自制电源作为LRC数字电桥和各个主要控制芯片的输入电源,并采用ICL8038芯片产生高精度的正弦波信号流经待测的电阻、电容或者电感和标准电阻的串联电路,通过测量电阻、电容或者电感和标准电阻各自的电压,利用电压比例计算的方法推算出电阻值、电容值或者电感值。
利用MSP430F149单片机控制测量和计算结果,运用自校准电路提高测量精度,同时用差压法,消除了电源波动对结果的影响。
测量结果采用12864液晶模块实时显示。
实验测试结果表明,本系统性能稳定,测量精度高。
关键词:LRC 数字电桥、电压比例法、液晶模块、MSP430F149、电阻电容电感测量一、设计内容及功能1.1设计内容设计并制作一台简易数字式电阻、电容和电感参数测量仪,由测量对象、测量仪、LCD 显示和自制电源组成,系统模块划分如下图所示:1.2 具体要求1. 测量范围(1)基本测量范围:电阻100Ω~1MΩ;电容100pF~10000pF;电感100μH~10mH。
(2)发挥测量范围:电阻10Ω~10MΩ;电容50pF~10μF;电感50μH~1H。
2. 测量精度(1)基本测量精度:电阻±5% ;电容±10% ;电感±5% 。
(2)发挥测量精度:电阻±2% ;电容±8% ;电感±8% 。
3. 利用128*64液晶显示器,显示测量数值、类型和单位。
4. 自制电源5. 使用按键来设置测量的种类和单位1.3系统功能1. 基本完成以上具体要求2. 使用三个按键分别控制R、C、L的测试3. 采用液晶显示器显示测量结果二、系统方案设计与选择电阻、电容、电感测试仪的设计目前有多种方案可以实现,例如、使用可编程逻辑控制器(PLC)、振荡电路与单片机结合或CPLD与EDA相结合等等来实现。
简易电阻、电容和电感测试仪1.1 基本设计要求(1)测量范围:电阻100Ω~1MΩ;电容100pF~10000pF;电感100μH~10mH。
(2)测量精度:±5% 。
(3)制作4位数码管显示器,显示测量数值。
示意框图1.2 设计要求发挥部分(1)扩大测量范围;(2)提高测量精度;(3)测量量程自动转化。
摘要:本系统是依赖单片机MSP430建立的的,本系统利用555多谐振荡电路将电阻,电容参数转化为频率,而电感则是根据电容三点式振荡转化为频率,这样就能够把模拟量近似的转换为数字量,而频率f是单片机很容易处理的数字量,一方面测量精度高,另一方面便于使仪表实现自动化,而且单片机构成的应用系统有较大的可靠性。
系统扩展、系统配置灵活。
容易构成何种规模的应用系统,且应用系统较高的软、硬件利用系数。
单片机具有可编程性,硬件的功能描述可完全在软件上实现,而且设计时间短,成本低,可靠性高。
综上所述,利用振荡电路与单片机结合实现电阻、电容、电感测试仪更为简便可行,节约成本。
所以,本次设计选定以单片机为核心来进行。
关键词:430单片机,555多谐振荡电路,,电容三点式振荡一、系统方案电阻测量方案:555RC多谐振荡。
利用RC和555定时器组成的多谐振荡电路,通过测量输出振荡频率的大小即可求得电阻的大小,如果固定电阻值,该方案硬件电路实现简单,通过选择合适的电容值即可获得适当的频率范围,再交由单片机处理。
综合比较,本设计采用方案三,采用低廉的NE555构建RC多谐振荡电路,电路简单可行,单片机易控制。
电容测量方案:555RC多谐振荡同样利用RC和555定时器组成的多谐振荡电路,通过测量输出振荡频率的大小即可求得电容的大小,如果固定电阻值,该方案硬件电路实现简单,能测出较宽的电容范围,能够较好满足题目的要求。
采用低廉的NE555构建RC多谐振荡电路,电路简单可行,单片机易控制。
电感测量方案:电容三点式采用LC配合三极管组成三点式震荡振荡电路,通过测输出频率大小的方法来实现对电感值测量。
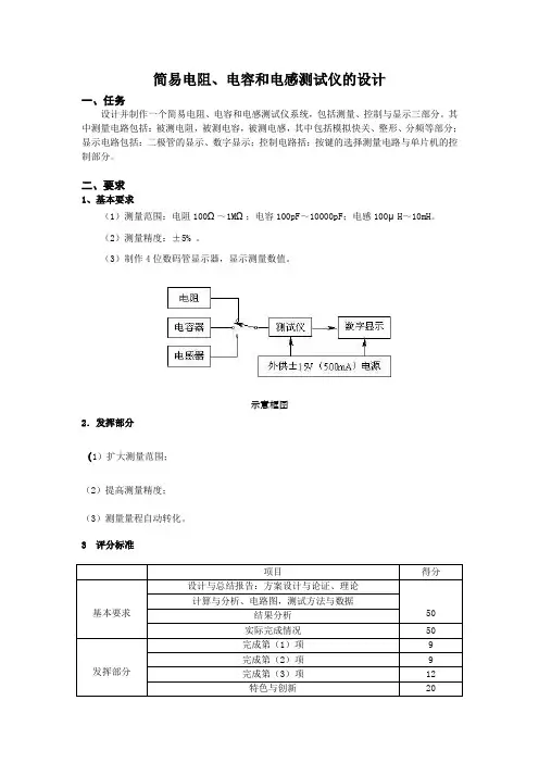
简易电阻、电容和电感测试仪的设计一、任务设计并制作一个简易电阻、电容和电感测试仪系统,包括测量、控制与显示三部分。
其中测量电路包括:被测电阻,被测电容,被测电感,其中包括模拟快关、整形、分频等部分;显示电路包括:二极管的显示、数字显示;控制电路括:按键的选择测量电路与单片机的控制部分。
二、要求1、基本要求(1)测量范围:电阻100Ω~1MΩ;电容100pF~10000pF;电感100μH~10mH。
(2)测量精度:±5% 。
(3)制作4位数码管显示器,显示测量数值。
示意框图2.发挥部分(1)扩大测量范围;(2)提高测量精度;(3)测量量程自动转化。
3 评分标准项目得分基本要求设计与总结报告:方案设计与论证、理论50 计算与分析、电路图,测试方法与数据结果分析实际完成情况50发挥部分完成第(1)项9 完成第(2)项9 完成第(3)项12 特色与创新20摘要:本文先对设计功能及要求进行了阐述,然后提出要完成该功能的设计方案,最后综合考虑之后选定方法,再对电阻,电容,电感的测量电路进行设计。
本设计是利用单片机来实现测试的,其中电阻和电容是采用555多谐振荡电路产生的,而电感则是根据电容三点式产生的,从而实现各个参数的测量。
在电阻的测量电路中,我们把它分为两档来进行测量,并用单片机来驱动继电器以实现,这样,一方面测量精度较高,另一方面便于使仪表实现智能、自动化。
关键词:单片机 555多谐振荡电容三点式继电器In this article, the function and the requirement of design were introduced, and then puts forward to want to complete the function, the design of the last comprehensive consideration selection methods, and then a resistor, capacitor, inductor measurement circuit design. This design is to realize the test using single chip computer, of which the resistor and capacitor is used more than 555 resonance swing circuitry, and inductance is produced according to the capacitance SanDianShi, so as to realize the measurement of each parameter. In the resistance and capacitance measurement circuit, we put it into two files to make the measurement, and single chip microcomputer to drive the relay to realize, so that, on the one hand, has high accuracy, on the other hand to make intelligent instrument and automation.Key words: more than 555 single chip microcomputer chip oscillation capacitance SanDianShi relay一、系统方案论证1.1 电阻测试模块电路方案一:电阻分压法。
编号:毕业设计题目:电阻、电容、电感测试仪院(系):应用科技学院专业:电子信息工程题目类型:☐理论研究☐实验研究☑工程设计☐工程技术研究☐软件开发在使用电子元器件时,首先需要了解参数。
采用传统的仪表进行测量时,首先要从电路板上焊开器件,再根据元件的类型,手动选择量程挡位进行测量,这样不仅麻烦而且破坏了电路板的美观。
基于单片机控制实现的RLC测量仪可以在线测量、智能识别、量程自动转换等多种功能,大大提高测量仪的测量速度和精度,扩大了测量范围。
因此这种RLC测量仪既可改善系统测量的性能,又保持了印刷电路的美观,较传统的测量仪还具有高度的智能仪和功能的集成化,在未来的应用中将具有广阔的前景。
本课题主要研究内容为设计一个基于单片机的RLC智能测量仪器,能够智能地识别出待测元件是电容、电感还是电阻;能精确测量出电阻、电容、电感的参数值,同时还能加入语音播报的功能;可以实现量程电阻的自动转换,无须人工选择档位;对测量仪进行扩充后还实现了二极管、三极管的测量。
关键词:RLC测量仪;AT89S52;NE555In the use of electronic components, the first need to understand ing the traditional instrument to measure, the first circuit board from a welding device, according to the type of components, manually select range Shift to measure, this is not only troublesome but also undermine The appearance of the circuit board. Based on SCM control to achieve the RLC-measuring instrument can measure, intelligent identification, range automatic conversion, and other features, thereby greatly increasing the meter measuring speed and accuracy, expanded the range. So this RLC measuring instrument can improve the performance measurement system, and maintain the appearance of the printed circuit, the more traditional measuring instrument also is highly intelligent and functional instrument of integration and application in the future will have broad prospects.The main topics for the design of research has been based on the RLC SCM smart measuring instruments, smart and able to identify components under test is capacitors, inductors or resistance; can be accurately measured resistors, capacitors, inductors of the parameters, while adding V oice of the broadcast function can be automatically converted range of the resistance, not artificial selection stalls; measuring instrument to carry out the expanded also to achieve the diodes, transistors measurement.Key words:RLC meter;AT89S52;NE555目录引言 (1)1 硬件电路 (2)1.1 设计要求 (2)1.2 电路方框图及说明 (2)1.3 各部分电路设计 (2)1.3.1 电阻测量电路 (2)1.3.2 电容测量电路 (3)1.3.3 电感测量电路 (4)1.3.4 多路选择开关电路 (4)1.3.5 按键及显示电路 (5)1.3.6 单片机模块 (6)1.3.7 量程选择模块 (7)1.3.8 电源模块 (8)2 软件部分 (8)2.1 主程序流程图 (8)2.2 程序清单 (9)3 相关元器件 (19)3.1 元件清单 (19)3.2 AT89S52资料 (20)3.3 ICM7218资料 (31)3.4 74LS390资料 (32)3.5 CD4052资料 (32)3.6 NE555资料 (33)3.7 共阳4位LED数码管资料 (39)3.8 三极管相关资料 (40)3.9 三端稳压管LM7805资料 (41)3.10 继电器资料 (42)4 调试总结 (43)5 结论 (44)谢辞 (45)参考文献 (46)附录 (47)引言测量电子元器件集中参数R、C、L的仪表种类较多,方法也各有不同,但都有其优缺点。
课程设计任务书学生姓名:专业班级:指导教师:工作单位:信息工程学院题目: 简易电阻、电容和电感测试仪设计初始条件:LM317 LM337NE555 NE5532STC89C52 TLC549 ICL7660 1602液晶要求完成的主要任务:1、测量范围:电阻100Ω-1MΩ;电容100pF-10000pF;电感100μH-10mH。
2、测量精度:5%。
3、制作1602液晶显示器,显示测量数值,并用发光二级管分别指示所测元件的类别。
时间安排:指导教师签名:年月日系主任(或责任教师)签名:__________ 年月日目录摘要 (4)ABSTRACT (5)1、绪论 (7)2、电路方案的比较与论证 (7)2.1电阻测量方案 (7)2.2电容测量方案 (9)2.3电感测量方案 (11)3、核心元器件介绍 (12)3.1LM317的介绍 (12)3.2LM337的介绍 (13)3.3NE555的介绍 (14)3.4NE5532的介绍 (17)3.5STC89C52的介绍 (18)3.6TLC549的介绍 (20)3.7ICL7660的介绍 (23)3.81602液晶的介绍 (24)4、单元电路设计 (26)4.1直流稳压电源电路的设计 (27)4.2电源显示电路的设计 (28)4.3电阻测量电路的设计 (29)4.4电容测量电路的设计 (30)4.5电感测量电路的设计 (31)4.6电阻、电容、电感显示电路的设计 (32)5、程序设计 (33)5.1中断程序流程图 (33)5.2主程序流程图 (34)6、仿真结果 (34)6.1电阻测量电路仿真 (34)6.2电容测量电路仿真 (35)6.3电感测量电路仿真 (36)7、调试过程 (37)7.1电阻、电容和电感测量电路调试 (37)7.2液晶显示电路调试 (38)8、实验数据记录 (38)心得体会 (40)参考文献 (41)附件 (42)附件1:电路图 (42)附件2:元件清单 (43)附件3:程序代码 (45)附件4:实物图 (64)摘要近几年来,电子行业的发展速度相当快,电子行业的公司企业数目也不断增多。
XXX 学院电子设计竞赛作品研究与设计报告作品名称:电阻、电容和电感测量仪的设计作者:指导老师:摘要:本系统是基于AT89S52单片机测量电阻、电容和电感的对应振荡电路所产生的频率,从而实现各个参数的测量。
其中电阻和电容是采用555多谐振荡电路产生的,而电感则是根据电容三点式产生的。
AT89S52的定时器可以利用外部时钟源来计数,这里我们将 RCL的测量电路产生的频率作为单片机AT89S52的时钟源,通过计数则可以计算出被测频率在通过该频率计算出各个参数。
此系统一方面实现了测量精度高,测量误差小,另一方面便于使仪表实现自动化,系统能自动识别电阻、电容和电感,并自动进行量程切换及在128*64液晶屏上显示其数值大小。
关键词:AT89S52555芯片74LS197分频电路CD4052多路开关目录1引言 (3)2方案设计 (4)2.1设计思路 (4)2.2方案比较与选择 (4)2.3硬件模块设计 (5) (5) (6) (7) (8) (9) (9) (10)2.4系统软件设计 (10)3数据测试及误差分析 (11)4结论 (13)参考文献 (14)附录 (15)1引言目前,市场上如万用表等测量电阻、电容和电感的元器件数不胜数,但是随着技术的进步,人们对元器件功能、精度和效率等的要求越来越高,为此,我们通过AT89S52单片机设计了测量电阻、电容和电感对应振荡电路所产生的频率实现各个参数的测量。
本系统分为四个部分,第一部分,通过555电路构成的多谐振电路将被测电阻转化为频率信号;第二部分,与第一部分相似也是采用555电路将电容转化为相应的频率信号输出;第三部分,采用电容的三点式振荡电路将电感转化为与之对应的频率信号输出;最后一部分,也就是显示部分,具体的讲就是用MSP430单片机运用一定的软件系统将输入的频率信号转化为相应的被测量的一个过程。
这四大版块共同构成了建议电阻电容和电感测试仪的整个电路系统。
元器件参数测量仪的设计1 .加深对电路分析、摹拟电路、数字逻辑电路、微处理器等相关课程理论知识的理解;2.掌握电子系统设计的根本方法和普通规则;3.熟练掌握电路仿真方法;4.掌握电子系统的制作和调试方法;1.设计并制作一个元器件参数测量仪。
2.〔根本要求〕电阻阻值测量, *围: 100 欧~1M 欧;3.〔根本要求〕电容容值测量, *围: 100pF~10 000pF;4.〔根本要求〕测量精度:正负 5% ;5.〔根本要求〕 4 位显示对应数值,并有发光二极管分别指示所测器件类型;6.〔提高要求〕增加电感参数的测量;7.〔提高要求〕增加三极管直流放大倍数的测量;8.〔提高要求〕扩大量程;9.〔提高要求〕提高测量精度;10.〔提高要求〕测量量程自动切换;电阻电容电感参数测量常用电桥法,该方法测量精度,但是电路复杂。
也可为简化起见,电阻测量也可采用简单的恒流法,电容采用 555 定时电路;在现代化生产、学习、实验之中,往往需要对*个元器件的具体参数发展测量,在这之中万用表以其简单易用,功耗低等优点被大多数人所选择使用。
然而万用表有一定的局限性,比方:不能够测量电感,而且容量稍大的电容也显得无能为力。
所以制作一个简单易用的电抗元器件测量仪是很有必要的。
现在国内外有不少仪器设备公司都致力于低功耗手持式电抗元器件测量仪的研究与制作,而且精度越来越高,低功耗越来越低,体积小越来越小向来是他们不断努力的方向。
该类仪器的根本工作原理是将电阻器阻值的变化量,电容器容值的变化量,电感器电感量的变化量通过一定的调理电路统统转换为电压的变化量或者频率的变化量等等,再通过高精度 AD 采集或者频率检测计算等方法来得到确定的数字量的值,进而确定相应元器件的具体参数。
2.1 电阻测量方案方案一:利用串联分压原理的方案根据串联电路的分压原理可知,串联电路上电压与电阻成正比关系。
测量待测电阻R*和电阻 R 上的电压,记为 U 和 U0 * 0.方案二:利用直流电桥平衡原理的方案R 2根据电路平衡原理, 不断调节电位器 R 3,使得电表指针指向正中间, 再测量电位器电阻值。
简易数字式电阻、电容和电感测量仪设计报告摘要:本系统利用TI公司的16位超低功耗单片机MSP430F149和ICL8038精密函数发生器实现对电阻、电容和电感参数的测量。
本系统以自制电源作为LRC数字电桥和各个主要控制芯片的输入电源,并采用ICL8038芯片产生高精度的正弦波信号流经待测的电阻、电容或者电感和标准电阻的串联电路,通过测量电阻、电容或者电感和标准电阻各自的电压,利用电压比例计算的方法推算出电阻值、电容值或者电感值。
利用MSP430F149单片机控制测量和计算结果,运用自校准电路提高测量精度,同时用差压法,消除了电源波动对结果的影响。
测量结果采用12864液晶模块实时显示。
实验测试结果表明,本系统性能稳定,测量精度高。
关键词:LRC 数字电桥、电压比例法、液晶模块、MSP430F149、电阻电容电感测量一、设计内容及功能1.1设计内容设计并制作一台简易数字式电阻、电容和电感参数测量仪,由测量对象、测量仪、LCD 显示和自制电源组成,系统模块划分如下图所示:1.2 具体要求1. 测量范围(1)基本测量范围:电阻100Ω~1MΩ;电容100pF~10000pF;电感100μH~10mH。
(2)发挥测量范围:电阻10Ω~10MΩ;电容50pF~10μF;电感50μH~1H。
2. 测量精度(1)基本测量精度:电阻±5% ;电容±10% ;电感±5% 。
(2)发挥测量精度:电阻±2% ;电容±8% ;电感±8% 。
3. 利用128*64液晶显示器,显示测量数值、类型和单位。
4. 自制电源5. 使用按键来设置测量的种类和单位1.3系统功能1. 基本完成以上具体要求2. 使用三个按键分别控制R、C、L的测试3. 采用液晶显示器显示测量结果二、系统方案设计与选择电阻、电容、电感测试仪的设计目前有多种方案可以实现,例如、使用可编程逻辑控制器(PLC)、振荡电路与单片机结合或CPLD与EDA相结合等等来实现。
简易电阻、电容和电感测试仪设计原理简易电阻、电容和电感测试仪一、任务设计并制作一台数字显示的电阻、电容和电感参数测试仪,示意框图如下:二、要求1.基本要求.基本要求(1)测量范围:电阻100Ω~1M Ω;电容100pF 100pF~~10000pF 10000pF;电感;电感100μH ~10mH 10mH。
(2)测量精度:±5% 。
)测量精度:±5% 。
(3)制作4位数码管显示器,显示测量数值,并用发光二极管分别指示所测元件的类型和单位。
三、设计步骤三、设计步骤1、分模块测量电路的设计原理(1)电阻测量电路的基本原理电阻测量仪的关键技术是电阻测量仪的关键技术是R X /V 转换器,转换器,R R X 即所需测量的电阻,无论电路多么复杂,总可以把与R X 相并联的元件等效为两只互相串联的电阻R 1和R 2。
由此构成三角形电阻网络,其原理图如下所示:上图中R 0为量程电阻,只要使R 1两端呈等电位,此时U R1=0=0,则,则R 1相当于开路,路,R R 2变成运放的负载电阻,变成运放的负载电阻,R R 1和R 2就不起分流作用,这样即可直接测就不起分流作用,这样即可直接测 R R X 的阻值。
的阻值。
E E 为测试电压,为测试电压,I I S 为测试电流,设流过R X 和R 1的电流分别为I X 和I 1,根据基尔霍夫定律可知:,根据基尔霍夫定律可知:I S =I X + I 1又根据“虚地”原理,则又根据“虚地”原理,则U R1= I 1 R 1=0故I 1=0=0,可忽略不计。
由此得到:,可忽略不计。
由此得到:,可忽略不计。
由此得到:I S =I X再考虑到C 点接地,则D 点为“虚地”,因此:点为“虚地”,因此:I S=E/ R0进而推导出:进而推导出: U X= I X R X= I S R X= (E/ R0)·R X显然,只要能得到RX 两端的电压UX,就能求出RX的值,即:的值,即: R X= U X/(E/ R0)= U X R0/ E这就是电阻测量的基本原理。
简易数字式电阻电容和电感测量仪设计方案设计一个简易的数字式电阻、电容和电感测量仪可以分为以下几个步骤:1.设计测量电路:首先,需要设计一个测量电路,电路可以使用基本的电压和电流测量技术。
电阻测量可以使用恒流法或恒压法,电容测量可以使用充放电法或交流法,电感测量可以使用交流法。
根据选择的测量方法设计合适的电路。
2.选取合适的传感器:为了实现数字化测量,需要选择合适的传感器。
电阻可以使用电阻表,电容可以使用电容计,电感可以使用电感表。
根据需要选择合适的传感器并进行调试和校准。
3.连接传感器与微控制器:将选取的传感器与微控制器进行连接,确保传感器的输出信号可以被微控制器读取。
可以使用模拟输入通道或数字接口来连接传感器和微控制器。
4.编写微控制器程序:根据测量电路和传感器的特性,编写微控制器的程序,实现测量功能。
程序中需要包括对传感器信号的处理、测量结果的计算和存储等功能。
5.设计用户界面:为了方便使用,可以设计一个简单的用户界面。
可以使用液晶显示屏、按键或触摸屏等组件来实现用户界面。
用户界面可以用来选择测量类型、显示测量结果等。
6.调试和测试:将硬件和软件部分进行集成,并进行调试和测试。
确保测量准确性和可靠性,对测量仪进行必要的校准和调整。
总结:设计一个简易的数字式电阻、电容和电感测量仪需要选择合适的测量电路和传感器,采集传感器信号并经过微控制器处理、计算和显示。
同时需要设计合适的用户界面,实现用户操作和结果显示。
最后进行调试和测试,确保测量仪的准确性和可靠性。
毕业设计(论文)任务书电气自动化专业级电气班设计(论文)题目:简易电阻、电容和电感参数测试仪的设计与制作学生姓名:起讫日期:年 4 月11 日年 5 月31 日指导老师:_ 职称_副教授__ 一、设计(论文)题目:简易电阻、电容和电感参数测试仪的设计与制作二、设计(论文)任务主要技术指标:1、设计任务:设计并制作一台数字显示的电阻器、电容器和电感器参数测试仪。
示意框图如下:电阻器电容器信号变换测试与显与处理示电感器直流电源频率2、设计主要技术指标:(1)、测量功能及量程范围电阻:100Ω—1MΩ 电容:100pF—10000pF 电感:100Μh—10mH (2)、测量精度显示为4 位LED有过量程指示;测量精度:±5三、设计(论文)基本要求:(包括:技术要求、工作要求、图纸要求、写作要求等)1、毕业设计(论文)要求(1)、资料收集,写出综述;(2)、电路原理分析;(3)、能够对做出的实物进行测量和调试。
(4)、写出测量的数据,并对所测得的数据进行分析。
(5)、能独立完成毕业设计(论文)课题所规定的各项任务,具有一定的综合分析问题和解决问题的能力,在毕业设计(论文)成果中能表现出某些自己的见解。
(6)、毕业设计(论文)说明书齐备,内容正确,概念清楚,条理分明,文章通顺,书写工整,图纸齐全,符合现行标准规定。
(7)、毕业设计(论文)成果必须采用计算机绘图,毕业设计(论文)说明书必须打印成册上交。
(8)、毕业答辩时能熟练地、正确地回答问题。
2、毕业设计(论文)内容评价、(1)完成情况:是否完成所给毕业设计(论文)题目的任务及完成的程度。
(2)、设计(论文)水平:分析、计算是否正确,资料引用正确与否,重点是否突出,图表是否符合标准,文字叙述是否简明清晰。
(3)、毕业设计(论文)方案的实用价值,对生产实际、科学技术发展的意义及作用。
(4)、毕业设计(论文)说明书的质量。
四、重点研究和解决的问题或指定的专题:1、重点研究的问题能够准确测量出电阻、电容、电感的数据,并使测量的数据误差小于技术参数2、重点解决的问题R、L、C 等参数的物理量到电量的转换;用汇编语言数据的算法,软件、硬件的调试和如何减小测量过程中的误差;单片机系统的设计与制作?濉⒂λ鸭 淖柿霞安慰嘉南祝?何立民主编.单片机应用技术选编(1)〔C〕北京:北京航空航天大学出版社,1993 -19992何立民主编.单片机高级教程.应用与设计〔M〕北京:北京航空航天大学生出版社,2002.83李广弟编.单片机基础〔M〕北京:北京航空航天出版社,1999.10 何立民编.MCS-51 系列单片机应用系统设计系统配置与接口技术〔M〕北京:北京航空航天大学出版社,1999.64张毅刚等编. MCS-51 单片机应用设计〔M〕哈尔滨工业大学出版社出版,19905周良权等编.模拟电子技术基础〔M〕高等教育出版社,19936余永权编.ATMEL 89 系统Flash 单片机原理与应用〔M〕电子工业出版社,19937全国大学生电子设计竞赛组委会.全国大学生电子设计竞赛获奖作品精选(1994-1999)〔M〕北京理工大学出版社,2003 年 3 月六、设计(论文)完成时应提交的文件:1、毕业设计说明书或论文2、毕业设计原件3、毕业设计任务书4、读书笔记七、进度计划安排:各阶段内容名称起止日期时间比例()1 下达任务书、学生收集、熟悉资料2005/4/11~2005/4/17 1周2 毕业实习、设计调研2005/4/18~2005/4/22 1周3 总体设计2005/4/23~2005/4/27 1周 4 硬件设计2005/4/27~2005/5/3 2周 5 软件设计2005/5/4~2005/5/10 1周6 电路制作2005/5/11~2005/5/16 1周7 系统调试2005/5/16~2005/5/23 0.5 周8 设计说明书与图纸输出2005/5/23~2005/5/27 1.5 周9 总结、准备设计答辩2005/5/27~2005/5/30 0.5 周10 毕业答辩2005/5/31~2005/6/2 0.5 周八、其他摘要RLC 参数的测量在学习和工作中常常用到.电阻、电容、电感的测量有模拟指针式和数字式测量仪器模拟指针式测电阻、电容、电感速度快但是读数的偏差很大加之它的体积大不易携带.而数字式测量仪不紧速度快测量精度高还有体积小等特点.这些特点主要是使用了单片机这一智能芯片它集中完成了控制、测量、计算使的电路简单、可靠. 设计的原理是把R、L、C 转换成频率信号f,转换的原理分别是RC 振荡电路和LC 电容三点式振荡电路。
... . .元器件参数测量仪的设计一、课程目的1.加深对电路分析、模拟电路、数字逻辑电路、微处理器等相关课程理论知识的理解;2.掌握电子系统设计的基本方法和一般规则;3.熟练掌握电路仿真方法;4.掌握电子系统的制作和调试方法;二、设计任务1.设计并制作一个元器件参数测量仪。
2.(基本要求)电阻阻值测量,围:100欧~1M欧;3.(基本要求)电容容值测量,围:100pF~10 000pF;4.(基本要求)测量精度:正负5% ;5.(基本要求)4位显示对应数值,并有发光二极管分别指示所测器件类型;6.(提高要求)增加电感参数的测量;7.(提高要求)增加三极管直流放大倍数的测量;8.(提高要求)扩大量程;9.(提高要求)提高测量精度;10.(提高要求)测量量程自动切换;三、任务说明:电阻电容电感参数测量常用电桥法,该方法测量精度,但是电路复杂。
也可为简化起见,电阻测量也可采用简单的恒流法,电容采用555定时电路;1、绪论在现代化生产、学习、实验当中,往往需要对某个元器件的具体参数进行测量,在这之中万用表以其简单易用,功耗低等优点被大多数人所选择使用。
然而万用表有一定的局限性,比如:不能够测量电感,而且容量稍大的电容也显得无能为力。
所以制作一个简单易用的电抗元器件测量仪是很有必要的。
现在国外有很多仪器设备公司都致力于低功耗手持式电抗元器件测量仪的研究与制作,而且精度越来越高,低功耗越来越低,体积小越来越小一直是他们不断努力的方向。
该类仪器的基本工作原理是将电阻器阻值的变化量,电容器容值的变化量,电感器电感量的变化量通过一定的调理电路统统转换为电压的变化量或者频率的变化量等等,再通过高精度AD采集或者频率检测计算等方法来得到确定的数字量的值,进而确定相应元器件的具体参数。
2、电路方案的比较与论证2.1电阻测量方案方案一:利用串联分压原理的方案图2-1串联分压电路图根据串联电路的分压原理可知,串联电路上电压与电阻成正比关系。
简易数字式电阻、电容和电感测量仪设计报告摘要:本系统利用TI公司的16位超低功耗单片机MSP430F149和ICL8038精密函数发生器实现对电阻、电容和电感参数的测量。
本系统以自制电源作为LRC数字电桥和各个主要控制芯片的输入电源,并采用ICL8038芯片产生高精度的正弦波信号流经待测的电阻、电容或者电感和标准电阻的串联电路,通过测量电阻、电容或者电感和标准电阻各自的电压,利用电压比例计算的方法推算出电阻值、电容值或者电感值。
利用MSP430F149单片机控制测量和计算结果,运用自校准电路提高测量精度,同时用差压法,消除了电源波动对结果的影响。
测量结果采用12864液晶模块实时显示。
实验测试结果表明,本系统性能稳定,测量精度高。
关键词:LRC 数字电桥、电压比例法、液晶模块、MSP430F149、电阻电容电感测量一、设计内容及功能1.1设计内容设计并制作一台简易数字式电阻、电容和电感参数测量仪,由测量对象、测量仪、LCD 显示和自制电源组成,系统模块划分如下图所示:测量对象LCD显示电阻/电容/电感简易的数字电阻、电容和电感测量仪自制电源1.2 具体要求1. 测量范围(1)基本测量范围:电阻100Ω~1MΩ;电容100pF~10000pF;电感100μH~10mH。
(2)发挥测量范围:电阻10Ω~10MΩ;电容50pF~10μF;电感50μH~1H。
2. 测量精度(1)基本测量精度:电阻±5% ;电容±10% ;电感±5% 。
(2)发挥测量精度:电阻±2% ;电容±8% ;电感±8% 。
3. 利用128*64液晶显示器,显示测量数值、类型和单位。
4. 自制电源5. 使用按键来设置测量的种类和单位1.3系统功能1. 基本完成以上具体要求2. 使用三个按键分别控制R、C、L的测试3. 采用液晶显示器显示测量结果二、系统方案设计与选择电阻、电容、电感测试仪的设计目前有多种方案可以实现,例如、使用可编程逻辑控制器(PLC)、振荡电路与单片机结合或CPLD与EDA相结合等等来实现。
在设计前本文对各种方案进行了比较:方案一.基于模拟电路的测量仪利用模拟电路,电阻可用比例运算器法和积分运算器法,电容可用恒流法和比较法,电感可用时间常数发和同步分离法等,虽然避免了编程的麻烦,但电路复杂,所用器件较多,灵活性差,测量精度低,现在已较少使用。
方案二.可编程逻辑控制器(PLC)此方案采用PLC对硬件进行控制,应用较为广泛。
它能够非常方便地集成到工业控制系统中。
其速度快,体积小,可靠性和精度都较好,在设计中可采用PLC对硬件进行控制,但是用PLC实现价格相对昂贵,因而成本过高。
方案三.采用CPLD或FPGA实现此方案则采用广泛应用的VHDL硬件电路描述语言,实现电阻,电容,电感测试仪的设计,利用MAXPLUSII集成开发环境进行综合、仿真,并下载到CPLD或FPGA可编程逻辑器件中,完成系统的控制作用。
但相对而言设计规模大,系统结构复杂。
方案四.利用LRC数字电桥与单片机结合利用LRC数字电桥将电阻、电容和电感参数转化为电压模拟信号,此模拟量由高精度AD转换芯片转换为数字量。
这样由单片机处理数字量,能够满足测量精度高、易于实现自动化测量等设计需要,而且单片机构成的应用系统有较大的可靠性、系统扩展、系统配置灵活,容易构成各种规模的系统。
通过对上述方案的比较,利用LRC数字电桥与单片机结合实现电阻、电容、电感测试仪更为简便可行,节约成本。
所以,本文选定以单片机为核心来实现对电阻、电容和电感测量的设计。
三、系统设计3.1系统总体设计本系统包括硬件设计和软件设计两部分内容。
硬件设计主要分为七部分:第一部分采用AMS1117芯片制作的电源,输出稳定的3.3V 电压。
第二部分为ICL8038芯片产生正弦波。
第三部分用RC和RL电路实现LRC数字电桥的功能。
第四部分是对正弦波进行精密滤波的功能。
第五部分利用MSP430F149单片机自带的AD实现模拟信号转换为数字信号的功能。
第六部分为MSP430F149单片机接收转换后的数字信号并做相应的处理,根据按键状态控制测量的类型和单位。
第七部分为测量结果显示部分,采用的是128*64液晶显示器。
系统硬件总体框图如下:图1 系统硬件总体框图软件由4 部分组成:(1) 控制测量程序,单片机控制测量程序不仅担负着量程的识别与转换,而且还负责数据的修正和传输;因此主控制器的工作状态直接决定着整个测量系统能否正常工作,所以控制测量程序对整个测量来说至关重要; (2) 按键处理程序,根据按键的状态做相应的功能设置; (3) 电阻电感电容计算程序,单片机根据A/ D 转换得到的电压值计算出电阻、电感或者电容值; (4) 液晶模块显示程序。
本系统的程序框图如图2 所示。
控制测量模块液晶显示模块按键处理模块计算模块控制结果图2 程序框图3.2系统模块设计3.2.1 电源模块输入的外部电源首先经过桥式整流、滤波电路滤波,再经过AMS1117芯片稳压成3.3V 的直流电压,向MSP430F149主控制器供电。
3.2.2 信号产生模块标准正弦波是保证测量仪的重要条件,特别是在测量电抗元件电容和电感时,正弦波的失真将产生难以修正的错误,直接影响测量精度,因此在该测量仪中为保证测量精度,采用了ICL8038芯片产生正弦波。
ICL8038精密函数发生器是采用肖特基势垒二极管等先进工艺制作成的单片集成电路芯片,电源电压范围宽、稳定度高、易用等优点,外部只需接入很少的元件即可工作,可产生多种频率正弦波,其函数波形的频率受内部或外部电压控制。
3.2.3 整流滤波模块整流滤波模块采用LM324的集成运放和LC 电路对LRC 测试模块产生的信号进行整流滤波,因为测试模块产生的信号是正弦波,而AD 采样没办法采集负信号,所以要通过整流滤波给后面的AD 采样。
因为整流滤波是高阻输入,但也不是无穷大,所以在做测试模块时,分压电阻最好小于100K 。
3.2.4 AD 采样模块本模块利用MSP430F149单片机自带的AD 转换功能把整流滤波后的模拟信号转换为单片机能够处理的数字信号,并传送给处理器。
3.2.5 主控制模块本模块采用低功耗的MSP430F149微处理器控制AD 装换,并对转换结果数据进行接收和处理;通过按键控制测量的类型和单位。
3.2.6 显示模块通过LCD 驱动程序对MSP430F149处理后的结果数据进行稳定显示,在测试期间显示能够保持稳定状态,当离开测试能够迅速归零。
四、理论分析与计算本系统主要的功能就是电阻、电容和电感的测量,因此对电阻、电容和电感测量的原理做详细的分析。
电阻高精度测量较好的方法之一是采用与标准电阻相比较的方法。
其主要原理:是在待测电阻x R 与标准电阻1R 的串联电路中加一电流I 。
这样x R 和1R 上将得到电压x V 和1V ,则测量电阻为:)/(11V V R R x x = (1)在设计中,我们采用了与测量电阻相同的测量方法——电压相除法来测量电容和电感。
由于电容和电感属电抗元件,因此不能采用直流来产生测量信号,而只能采用交流信号。
在角频率为w 的交流信号的作用下,电容和电感获得的电压分别为:x cx jwC I U/ = (2) x Lx jwL I U = (3)x C 、x L 为待测电容和电感。
这样一来,标准元件的选择就有许多种方法。
但为了提高测量精度和降低成本,该测量仪采用了标准电阻,且与电阻测量公用一套标准电阻。
所以有:1R I U RI = (4)经过计算可得:cx RI x U wR U C 1/=(5) RI Lx x wR U R L /1=(6) 其中RI U 、Cx U 和Lx U 分别为RI U 、Cx U 和Lx U 的模值。
由公式(5)、(6)式可见,为保证测量精度,必须保证电阻的精度和w 的高稳定值。
为此,我们在该设计中采用了高精度的ICL8038芯片产生正弦波,同时输出缓冲器采用了运算放大器。
为保证波形精度采用了闭环深度负反馈方式。
此外,本设计中还采用了运算放大器补偿实现无失真AC-DC 的转换,以确保测量精度。
五、系统硬件设计5.1 电源电路MSP430F149微处理器需要3.3V 电压供电,但是外部输入的电压通常不是3.3V 的电压源,所以需要设计电路把外部输入电压转换为稳定的3.3V 电压,如图3所示,采用的是AMS1117芯片,可以输出3.3V 电压,然后经过滤波输出稳定的3.3V 供给MSP430F149。
图3 稳压3.3V 产生电路5.2 LRC 测量电路如图4所示,LRC 各元件的测量是通过基本的RR 电路,RL 电路和RC 电路来进行的。
当探针的两端接电阻元件时,此电路就组成的是基本的RR 电路;当探针的两端接电容元件时,此电路就组成的是基本的RC 电路;当探针的两端接电感元件时,此电路就组成的是基本的RL 电路。
输入的正弦波可以接频率为100HZ 、1KZ 和10KHZ 。
图4 LRC测量电路5.3 整流滤波电路此电路采用LM324的集成运放和LC电路对LRC测试模块产生的信号进行整流滤波。
因为测试电路产生的信号是正弦波,而AD采样没办法采集负信号,所以要通过电路整流滤波给后面的AD采样,电路图如图5所示。
图5整流滤波电路整流滤波前的波形图如下图6所示。
图6整流滤波前的波形图整流滤波后的波形图如下图7所示。
图7整流滤波后的波形图六、系统软件设计6.1 控制测量程序模块单片机控制测量程序不仅担负着量程的识别与转换,而且还负责数据的修正和传输;因此主控制器的工作状态直接决定着整个测量系统能否正常工作,所以控制测量程序对整个测量来说至关重要。
控制测量流程图如图8所示。
初始化键分析,置状态R测试状态开始是L 测试状态C 测试状态显示结果结束键扫描选择档位计算数据否采样数据图8 控制测量程序流程图6.2 按键处理程序模块按键处理程序的主要功能是设置测量的类型和测量的档位,当有按键被按下时就执行相应的按键功能,流程如图9所示。
图9 按键处理程序流程图6.3电阻电感电容计算程序单片机根据A/ D 转换得到的电压值计算出电阻、电感或者电容值,该程序流程图如图10所示。
初始化测量设备开始采样计算结束返回结果图10电阻电感电容计算程序流程图6.4液晶显示程序模块该程序模块只有一个功能,就是对测量结果清晰正确的显示出来,并能够保持稳定。
程序流程图如图11所示。
开始结束初始化执行键功能有无按键操?有无LCD初始化开始设置显示地址送显示数据结束图11液晶显示程序模块流程图七、系统测试7.1 测试原理:在系统设计中,以MSP430F149单片机为核心的电阻、电容、电感测试仪,将电阻,电容,电感,使用对应的振荡电路转化为电压实现各个参数的测量。