汽车吊检查验收表
- 格式:doc
- 大小:134.50 KB
- 文档页数:7
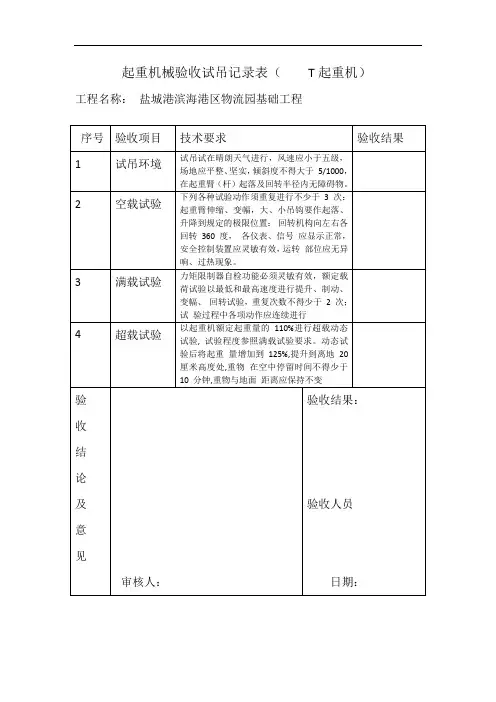
汽车、轮胎式起重机进场验收表工程名称使用单位设备型号设备编号所属单位进场日期年月日序号验收项目验收要求验收结果1资料应有年检报告、操作规程、使用说明书、操作人员证书2标牌应有产品铭牌、起重性能标牌、安全标志3钢结构主要结构件不得有可见裂纹、严重变形和腐蚀;主要结构件连接螺栓及销轴应齐全、紧固4吊钩无补焊痕迹;挂绳处断面磨损符合要求;整体外观无可见裂纹、破口;危险断面及钩筋处无明显变形;防脱钩保险装置齐全有效5钢丝绳钢丝绳符合GB/T5972中的要求;端部固定有防松和闩紧装置;绳筒上钢丝绳排列应整齐、最少余留圈数≥3圈6绳筒和滑轮绳筒两侧边缘高度超过最外层钢丝绳1.5倍直径;滑轮防钢丝绳跳槽装置应完整、可靠7机构和制动器有伤人可能的活动零部件外露部分应设防护罩;起升、变幅制动器灵敏可靠;回转机构应具有两个方向的可控滑转性能,行走时转台应能锁定8液压系统应设置防止过载的安全装置;平衡阀、液压锁与执行机构必须是刚性连接9操纵及电器系统紧急断电开关灵敏可靠;电器联接接触良好、防止松脱,导线、线束固定可靠;操纵手柄、踏板的用途标志应清楚;零位保护应齐全有效10安全装置和设施起重量显示器、水平仪、臂架角度指示器应设置;力矩限制器、起升高度限位、幅度限位应灵敏可靠;防臂架后倾装置应齐全有效;喇叭清晰有效;起升高度大于50米的应设置风速仪及报警装置;起重臂头部、转台尾部等突出部位应按规定涂刷警告图案使用单位验收意见总包单位验收意见监理单位验收意见验收人:日期:年月日验收人:日期:年月日验收人:日期:年月日。
起重装置大修检验记录表设备名称:起重装置设备型号:XXXX大修日期:XXXX年XX月XX日检验日期:XXXX年XX月XX日序号检验项目检验标准检验结果结论1 外观检查1.1 设备外观整洁,无明显损伤和变形1.2 涂层完好,无脱落、起泡等现象合格/不合格2 电气系统检查2.1 电气设备及元器件完好,无损坏、老化等现象2.2 接地电阻符合标准要求2.3 绝缘电阻符合标准要求合格/不合格3 液压系统检查3.1 液压元器件完好,无损坏、老化等现象3.2 液压油清洁度符合标准要求3.3 系统压力、流量符合设计要求合格/不合格4 钢丝绳及滑轮检查4.1 钢丝绳无断丝、磨损、变形等现象,符合报废标准4.2 滑轮转动灵活,无卡滞、磨损等现象合格/不合格5 安全保护装置检查5.1 超载限制器工作正常,动作准确可靠5.2 限位开关工作正常,动作准确可靠5.3 紧急停车开关工作正常,动作迅速有效合格/不合格6 操作性能检查6.1 起重装置各动作平稳、无异常声响和振动6.2 操作手柄、按钮等控制装置灵活可靠,无卡滞现象合格/不合格7 其他项目检查7.1 结构件无开裂、变形、严重磨损等现象,连接紧固可靠7.2 油漆、润滑等维护保养工作已完成,符合规定要求合格/不合格备注:本记录表为起重装置大修检验专用,检验项目和内容可根据实际情况进行调整。
检验人员需签字确认检验结果。
检验结论:合格/不合格(请在对应位置打√)。
若不合格,请说明原因并提出处理意见。
检验人员签字:XXX 日期:XXXX年XX月XX日填表说明:本表格中的检验项目和内容仅供参考,实际检验过程中可能需要根据具体情况进行调整。
检验人员在进行检验时应严格按照相关标准和规定进行操作,确保检验结果的准确性和可靠性。
工程名称:
说明:本表一式份,由施工单位填写。
施工单位、监理机构各1份。
设备名称:设备编号:
设备名称:设备编号:
说明:本表一式份,由施工单位填写,用于归档和备查。
施工单位、监理机构各1份。
设备名称:设备编号:
说明:本表一式份,由施工单位填写。
施工单位、监理机构各1份。
设备名称:设备编号:
说明:本表一式份,由施工单位填写。
施工单位、监理机构各1份。
设备名称:设备编号:
说明:本表一式份,由施工单位填写。
施工单位、监理机构各1份。
设备名称:设备编号:
说明:本表一式份,由施工单位填写。
施工单位、监理机构各1份。
表2-6-33 施工机械安装验收表(钢筋机械)设备名称:设备编号:
说明:本表一式份,由施工单位填写。
施工单位、监理机构各1份。
表2-6-34 施工机械安装验收表(木工设备)设备名称:设备编号:
说明:本表一式份,由施工单位填写。
施工单位、监理机构各1份。
表2-6-35 施工机械安装验收表(其他中小型)设备名称:设备编号:
说明:本表一式份,由施工单位填写。
施工单位、监理机构各1份。
说明:本表一式份,由施工单位填写。
施工单位、监理机构各1份。
施工现场机械检查记录表(月度)
施工现场机械检查记录表(月度)
施工现场机械检查记录表(月度)
施工现场机械检查记录表(月度)
施工现场机械检查记录表(月度)
挖掘机日常点检记录表
年月
挖掘机日常点检记录表
年月。