同步二进制可逆计数器(74LS191)
- 格式:ppt
- 大小:641.50 KB
- 文档页数:25
Hitachi CodeJEDECEIAJWeight (reference value)DP-16ConformsConforms1.07 gUnit: mmHitachi Code JEDEC EIAJ Weight (reference value)FP-16DA —Conforms 0.24 g*Dimension including the plating thicknessBase material dimension° – 8°Hitachi CodeJEDECEIAJWeight (reference value)FP-16DN Conforms Conforms 0.15 g*Dimension including the plating thickness Base material dimension° – 8°Cautions 1.Hitachi neither warrants nor grants licenses of any rights of Hitachi’s or any third party’s patent,copyright, trademark, or other intellectual property rights for information contained in this document.Hitachi bears no responsibility for problems that may arise with third party’s rights, includingintellectual property rights, in connection with use of the information contained in this document.2.Products and product specifications may be subject to change without notice. Confirm that you havereceived the latest product standards or specifications before final design, purchase or use.3.Hitachi makes every attempt to ensure that its products are of high quality and reliability. However,contact Hitachi’s sales office before using the product in an application that demands especially high quality and reliability or where its failure or malfunction may directly threaten human life or cause risk of bodily injury, such as aerospace, aeronautics, nuclear power, combustion control, transportation,traffic, safety equipment or medical equipment for life support.4.Design your application so that the product is used within the ranges guaranteed by Hitachi particularlyfor maximum rating, operating supply voltage range, heat radiation characteristics, installationconditions and other characteristics. Hitachi bears no responsibility for failure or damage when used beyond the guaranteed ranges. Even within the guaranteed ranges, consider normally foreseeable failure rates or failure modes in semiconductor devices and employ systemic measures such as fail-safes, so that the equipment incorporating Hitachi product does not cause bodily injury, fire or other consequential damage due to operation of the Hitachi product.5.This product is not designed to be radiation resistant.6.No one is permitted to reproduce or duplicate, in any form, the whole or part of this document withoutwritten approval from Hitachi.7.Contact Hitachi’s sales office for any questions regarding this document or Hitachi semiconductorproducts.Hitachi, Ltd.Semiconductor & Integrated Circuits.Nippon Bldg., 2-6-2, Ohte-machi, Chiyoda-ku, Tokyo 100-0004, Japan Tel: Tokyo (03) 3270-2111 Fax: (03) 3270-5109Copyright ' Hitachi, Ltd., 1999. All rights reserved. Printed in Japan.Hitachi Asia Pte. Ltd.16 Collyer Quay #20-00Hitachi Tower Singapore 049318Tel: 535-2100Fax: 535-1533URL NorthAmerica : http:/Europe : /hel/ecg Asia (Singapore): .sg/grp3/sicd/index.htm Asia (Taiwan): /E/Product/SICD_Frame.htm Asia (HongKong): /eng/bo/grp3/index.htm Japan : http://www.hitachi.co.jp/Sicd/indx.htmHitachi Asia Ltd.Taipei Branch Office 3F, Hung Kuo Building. No.167, Tun-Hwa North Road, Taipei (105)Tel: <886> (2) 2718-3666Fax: <886> (2) 2718-8180Hitachi Asia (Hong Kong) Ltd.Group III (Electronic Components)7/F., North Tower, World Finance Centre,Harbour City, Canton Road, Tsim Sha Tsui,Kowloon, Hong Kong Tel: <852> (2) 735 9218Fax: <852> (2) 730 0281 Telex: 40815 HITEC HXHitachi Europe Ltd.Electronic Components Group.Whitebrook ParkLower Cookham RoadMaidenheadBerkshire SL6 8YA, United KingdomTel: <44> (1628) 585000Fax: <44> (1628) 778322Hitachi Europe GmbH Electronic components Group Dornacher Stra§e 3D-85622 Feldkirchen, Munich Germany Tel: <49> (89) 9 9180-0Fax: <49> (89) 9 29 30 00Hitachi Semiconductor(America) Inc.179 East Tasman Drive,San Jose,CA 95134Tel: <1> (408) 433-1990Fax: <1>(408) 433-0223For further information write to:。
几种典型集成计数器
集成计数器在一些简洁小型数字系统中被广泛应用,由于它们具有体积小、功耗低、功能敏捷等优点。
集成计数器的类型许多,表1列举了若干集成计数器产品。
表1 几种集成计数器CP 脉冲
引入方式型号计数模式清零方式预置数方式同步741614位二进制加法异步(低电平)同步74HC1614位二进制加法异步(低电平)同步74HCT1614位二进制加法异步(低电平)同步74LS191单时钟4位二进制可逆无异步74LS193双时钟4位二进制可逆异步(高电平)异步74160十进制加法异步(低电平)同步74LS190单时钟十进制可逆无异步异步74LS293双时钟4位二进制加法异步无74LS290二-五-十进制加法异步异步
1。
August 1986Revised February 1999DM74LS191 Synchronous 4-Bit Up/Down Counter with Mode Control© 1999 Fairchild Semiconductor Corporation DS006405.prf DM74LS191Synchronous 4-Bit Up/Down Counter with Mode ControlGeneral DescriptionThe DM74LS191 circuit is a synchronous, reversible, up/down counter. Synchronous operation is provided by hav-ing all flip-flops clocked simultaneously, so that the outputs change simultaneously when so instructed by the steering logic. This mode of operation eliminates the output count-ing spikes normally associated with asynchronous (ripple clock) counters.The outputs of the four master-slave flip-flops are triggered on a LOW-to-HIGH level transition of the clock input, if the enable input is LOW. A HIGH at the enable input inhibits counting. Level changes at either the enable input or the down/up input should be made only when the clock input is HIGH. The direction of the count is determined by the level of the down/up input. When LOW, the counter counts up and when HIGH, it counts down.The counter is fully programmable; that is, the outputs may be preset to either level by placing a LOW on the load input and entering the desired data at the data inputs. The output will change independent of the level of the clock input. This feature allows the counters to be used as modulo-N divid-ers by simply modifying the count length with the preset inputs.The clock, down/up, and load inputs are buffered to lower the drive requirement; which significantly reduces the num-ber of clock drivers, etc., required for long parallel words.Two outputs have been made available to perform the cas-cading function: ripple clock and maximum/minimum count.The latter output produces a high-level output pulse with a duration approximately equal to one complete cycle of the clock when the counter overflows or underflows. The ripple clock output produces a low-level output pulse equal in width to the low-level portion of the clock input when an overflow or underflow condition exists. The counters can be easily cascaded by feeding the ripple clock output to the enable input of the succeeding counter if parallel clocking is used, or to the clock input if parallel enabling is used.The maximum/minimum count output can be used to accomplish look-ahead for high-speed operation.Featuress Counts binarys Single down/up count control line s Count enable control input s Ripple clock output for cascadings Asynchronously presettable with load control s Parallel outputss Cascadable for n-bit applications s Average propagation delay 20 ns s T ypical clock frequency 25 MHz s T ypical power dissipation 100 mWOrdering Code:Devices also available in Tape and Reel. Specify by appending the suffix letter “X” to the ordering code.Order Number Package NumberPackage DescriptionDM74LS191M M16A 16-Lead Small Outline Integrated Circuit (SOIC), JEDEC MS-012, 0.150” Narrow Body DM74LS191NN16E16-Lead Plastic Dual-In-Line Package (PDIP), JEDEC MS-001, 0.300” Wide 2D M 74L S 191Connection DiagramTiming DiagramDM74LS191Logic DiagramPin (16)= V CC , Pin (8) = GND 4D M 74L S 191Absolute Maximum Ratings (Note 1)Note 1: The “Absolute Maximum Ratings” are those values beyond which the safety of the device cannot be guaranteed. The device should not be operated at these limits. The parametric values defined in the Electrical Characteristics tables are not guaranteed at the absolute maximum ratings.The “Recommended Operating Conditions” table will define the conditions for actual device operation.Recommended Operating ConditionsNote 2: T A = 25°C and V CC = 5V .DC Electrical CharacteristicsNote 3: All typicals are at V CC = 5V, T A = 25°C.Note 4: Not more than one output should be shorted at a time, and the duration should not exceed one second.Note 5: I CC is measured with all inputs grounded and all outputs open.Storage Temperature Range −65°C to +150°CInput Voltage7VOperating Free Air Temp. Range 0°C to +70°CSupply Voltage7VSymbol ParameterMin Nom Max Units V CC Supply Voltage4.7555.25V V IH HIGH Level Input Voltage 2V V IL LOW Level Input Voltage 0.8V I OH HIGH Level Output Current −0.4mA I OL LOW Level Output Current 8mA f CLK Clock Frequency (Note 2)020MHz t W Pulse Width Clock 25ns(Note 2)Load35t SU Data Setup Time (Note 2)20ns t H Data Hold Time (Note 2)0ns t EN Enable Time to Clock (Note 2)30ns T AFree Air Operating Temperature70°CSymbol ParameterConditionsMinTyp MaxUnits(Note 3)V I Input Clamp VoltageV CC = Min, I I = − 18 mA −1.5VV OH HIGH Level OutputV CC = Min, I OH = Max Mil 2.5 3.4VoltageV IL = Max, V IH = Min Com2.73.4VV OLLOW Level OutputV CC = Min, I OL = Max 0.250.4VoltageV IL = Max, V IH = Min 0.350.5V I OL = 4 mA, V CC = Min0.250.4I I Input Current @ Max V CC = Max Enable 0.3mA Input VoltageV I = 7V Others 0.1I IH HIGH Level InputV CC = Max Enable 60µA CurrentV I = 2.7V Others 20I IL LOW Level InputV CC = Max Enable −1.08mA Current V I = 0.4V Others −0.4I OS Short Circuit V CC = Max Mil −20−100mA Output Current (Note 4)Com−20−100I CCSupply CurrentV CC = Max (Note 5)2035mADM74LS191 AC Electrical CharacteristicsFrom (Input)R L= 2 kΩSymbol Parameter To (Output)C L= 15 pF C L= 50 pF UnitsMin Max Min Maxf MAX Maximum Clock2020MHzFrequencyt PLH Propagation Delay Time Load to3343ns LOW-to-HIGH Level Output Any Qt PHL Propagation Delay Time Load to5059ns HIGH-to-LOW Level Output Any Qt PLH Propagation Delay Time Data to2226ns LOW-to-HIGH Level Output Any Qt PHL Propagation Delay Time Data to5062ns HIGH-to-LOW Level Output Any Qt PLH Propagation Delay Time Clock to2024ns LOW-to-HIGH Level Output Ripple Clockt PHL Propagation Delay Time Clock to2433ns HIGH-to-LOW Level Output Ripple Clockt PLH Propagation Delay Time Clock to2429ns LOW-to-HIGH Level Output Any Qt PHL Propagation Delay Time Clock to3645ns HIGH-to-LOW Level Output Any Qt PLH Propagation Delay Time Clock to4247ns LOW-to-HIGH Level Output Max/Mint PHL Propagation Delay Time Clock to5265ns HIGH-to-LOW Level Output Max/Mint PLH Propagation Delay Time Up/Down to4550ns LOW-to-HIGH Level Output Ripple Clockt PHL Propagation Delay Time Up/Down to4554ns HIGH-to-LOW Level Output Ripple Clockt PLH Propagation Delay Time Down/Up to3336ns LOW-to-HIGH Level Output Max/Mint PHL Propagation Delay Time Down/Up to3342ns HIGH-to-LOW Level Output Max/Mint PLH Propagation Delay Time Enable to3336ns LOW-to-HIGH Level Output Ripple Clockt PHL Propagation Delay Time Enable to3342ns HIGH-to-LOW Level Output Ripple ClockF a irch ild d o e s n o t a ssu m e a n y re spo n sib ility fo r u se o f a n y circu itry de scrib e d , n o circu it pa ten t lice nse s a re im p lie d a nd F a irch ild re se rv e s the rig h t a t a n y tim e w ith ou t n o tice to cha n g e sa id circu itry an d sp e cifica tio n s.D M 74L S 191 S y n c h r o n o u s 4-B i t U p /D o w n C o u n t e r w i t h M o d e C o n t r o lLIFE SUPPORT POLICYFAIRCHILD’S PRODUCTS ARE NOT AUTHORIZED FOR USE AS CRITICAL COMPONENTS IN LIFE SUPPORT DEVICES OR SYSTEMS WITHOUT THE EXPRESS WRITTEN APPROVAL OF THE PRESIDENT OF FAIRCHILD SEMICONDUCTOR CORPORATION. As used herein:1.Life support devices or systems are devices or systemswhich, (a) are intended for surgical implant into thebody, or (b) support or sustain life, and (c) whose failureto perform when properly used in accordance withinstructions for use provided in the labeling, can be rea-sonably expected to result in a significant injury to the user.2. A critical component in any component of a life support device or system whose failure to perform can be rea-sonably expected to cause the failure of the life support device or system, or to affect its safety or Physical Dimensions inches (millimeters) unless otherwise noted16-Lead Small Outline Integrated Circuit (SOIC), JEDEC MS012, 0.150” Narrow BodyPackage Number M16A16-Lead Plastic Dual-In-Line Package (PDIP), JEDEC MS-001, 300” WidePackage Number N16E。
常用74系列标准数字电路的中文名称资料2010-11-30 00:047400 TTL 2输入端四与非门7401 TTL 集电极开路2输入端四与非门7402 TTL 2输入端四或非门7403 TTL 集电极开路2输入端四与非门7404 TTL 六反相器7405 TTL 集电极开路六反相器7406 TTL 集电极开路六反相高压驱动器7407 TTL 集电极开路六正相高压驱动器7408 TTL 2输入端四与门7409 TTL 集电极开路2输入端四与门7410 TTL 3输入端3与非门74107 TTL 带清除主从双J-K触发器74109 TTL 带预置清除正触发双J-K触发器7411 TTL 3输入端3与门74112 TTL 带预置清除负触发双J-K触发器7412 TTL 开路输出3输入端三与非门74121 TTL 单稳态多谐振荡器74122 TTL 可再触发单稳态多谐振荡器74123 TTL 双可再触发单稳态多谐振荡器74125 TTL 三态输出高有效四总线缓冲门74126 TTL 三态输出低有效四总线缓冲门7413 TTL 4输入端双与非施密特触发器74132 TTL 2输入端四与非施密特触发器74133 TTL 13输入端与非门74136 TTL 四异或门74138 TTL 3-8线译码器/复工器74139 TTL 双2-4线译码器/复工器7414 TTL 六反相施密特触发器74145 TTL BCD—十进制译码/驱动器7415 TTL 开路输出3输入端三与门74150 TTL 16选1数据选择/多路开关74151 TTL 8选1数据选择器74153 TTL 双4选1数据选择器74154 TTL 4线—16线译码器74155 TTL 图腾柱输出译码器/分配器74156 TTL 开路输出译码器/分配器74157 TTL 同相输出四2选1数据选择器74158 TTL 反相输出四2选1数据选择器7416 TTL 开路输出六反相缓冲/驱动器74160 TTL 可预置BCD异步清除计数器74161 TTL 可予制四位二进制异步清除计数器74162 TTL 可预置BCD同步清除计数器74163 TTL 可予制四位二进制同步清除计数器74164 TTL 八位串行入/并行输出移位寄存器74165 TTL 八位并行入/串行输出移位寄存器74166 TTL 八位并入/串出移位寄存器74169 TTL 二进制四位加/减同步计数器7417 TTL 开路输出六同相缓冲/驱动器74170 TTL 开路输出4×4寄存器堆74173 TTL 三态输出四位D型寄存器74174 TTL 带公共时钟和复位六D触发器74175 TTL 带公共时钟和复位四D触发器74180 TTL 9位奇数/偶数发生器/校验器74181 TTL 算术逻辑单元/函数发生器74185 TTL 二进制—BCD代码转换器74190 TTL BCD同步加/减计数器74191 TTL 二进制同步可逆计数器74192 TTL 可预置BCD双时钟可逆计数器74193 TTL 可预置四位二进制双时钟可逆计数器74194 TTL 四位双向通用移位寄存器74195 TTL 四位并行通道移位寄存器74196 TTL 十进制/二-十进制可预置计数锁存器74197 TTL 二进制可预置锁存器/计数器7420 TTL 4输入端双与非门7421 TTL 4输入端双与门7422 TTL 开路输出4输入端双与非门74221 TTL 双/单稳态多谐振荡器74240 TTL 八反相三态缓冲器/线驱动器74241 TTL 八同相三态缓冲器/线驱动器74243 TTL 四同相三态总线收发器74244 TTL 八同相三态缓冲器/线驱动器74245 TTL 八同相三态总线收发器74247 TTL BCD—7段15V输出译码/驱动器74248 TTL BCD—7段译码/升压输出驱动器74249 TTL BCD—7段译码/开路输出驱动器74251 TTL 三态输出8选1数据选择器/复工器74253 TTL 三态输出双4选1数据选择器/复工器74256 TTL 双四位可寻址锁存器74257 TTL 三态原码四2选1数据选择器/复工器74258 TTL 三态反码四2选1数据选择器/复工器74259 TTL 八位可寻址锁存器/3-8线译码器7426 TTL 2输入端高压接口四与非门74260 TTL 5输入端双或非门74266 TTL 2输入端四异或非门7427 TTL 3输入端三或非门74273 TTL 带公共时钟复位八D触发器74279 TTL 四图腾柱输出S-R锁存器7428 TTL 2输入端四或非门缓冲器74283 TTL 4位二进制全加器74290 TTL 二/五分频十进制计数器74293 TTL 二/八分频四位二进制计数器74295 TTL 四位双向通用移位寄存器74298 TTL 四2输入多路带存贮开关74299 TTL 三态输出八位通用移位寄存器7430 TTL 8输入端与非门7432 TTL 2输入端四或门74322 TTL 带符号扩展端八位移位寄存器74323 TTL 三态输出八位双向移位/存贮寄存器7433 TTL 开路输出2输入端四或非缓冲器74347 TTL BCD—7段译码器/驱动器74352 TTL 双4选1数据选择器/复工器74353 TTL 三态输出双4选1数据选择器/复工器74365 TTL 门使能输入三态输出六同相线驱动器74365 TTL 门使能输入三态输出六同相线驱动器74366 TTL 门使能输入三态输出六反相线驱动器74367 TTL 4/2线使能输入三态六同相线驱动器74368 TTL 4/2线使能输入三态六反相线驱动器7437 TTL 开路输出2输入端四与非缓冲器74373 TTL 三态同相八D锁存器74374 TTL 三态反相八D锁存器74375 TTL 4位双稳态锁存器74377 TTL 单边输出公共使能八D锁存器74378 TTL 单边输出公共使能六D锁存器74379 TTL 双边输出公共使能四D锁存器7438 TTL 开路输出2输入端四与非缓冲器74380 TTL 多功能八进制寄存器7439 TTL 开路输出2输入端四与非缓冲器74390 TTL 双十进制计数器74393 TTL 双四位二进制计数器7440 TTL 4输入端双与非缓冲器7442 TTL BCD—十进制代码转换器74352 TTL 双4选1数据选择器/复工器74353 TTL 三态输出双4选1数据选择器/复工器74365 TTL 门使能输入三态输出六同相线驱动器74366 TTL 门使能输入三态输出六反相线驱动器74367 TTL 4/2线使能输入三态六同相线驱动器74368 TTL 4/2线使能输入三态六反相线驱动器7437 TTL 开路输出2输入端四与非缓冲器74373 TTL 三态同相八D锁存器74374 TTL 三态反相八D锁存器74375 TTL 4位双稳态锁存器74377 TTL 单边输出公共使能八D锁存器74378 TTL 单边输出公共使能六D锁存器74379 TTL 双边输出公共使能四D锁存器7438 TTL 开路输出2输入端四与非缓冲器74380 TTL 多功能八进制寄存器7439 TTL 开路输出2输入端四与非缓冲器74390 TTL 双十进制计数器74393 TTL 双四位二进制计数器7440 TTL 4输入端双与非缓冲器7442 TTL BCD—十进制代码转换器74447 TTL BCD—7段译码器/驱动器7445 TTL BCD—十进制代码转换/驱动器74450 TTL 16:1多路转接复用器多工器74451 TTL 双8:1多路转接复用器多工器74453 TTL 四4:1多路转接复用器多工器7446 TTL BCD—7段低有效译码/驱动器74460 TTL 十位比较器74461 TTL 八进制计数器74465 TTL 三态同相2与使能端八总线缓冲器74466 TTL 三态反相2与使能八总线缓冲器74467 TTL 三态同相2使能端八总线缓冲器74468 TTL 三态反相2使能端八总线缓冲器74469 TTL 八位双向计数器7447 TTL BCD—7段高有效译码/驱动器7448 TTL BCD—7段译码器/内部上拉输出驱动74490 TTL 双十进制计数器74491 TTL 十位计数器74498 TTL 八进制移位寄存器7450 TTL 2-3/2-2输入端双与或非门74502 TTL 八位逐次逼近寄存器74503 TTL 八位逐次逼近寄存器7451 TTL 2-3/2-2输入端双与或非门74533 TTL 三态反相八D锁存器74534 TTL 三态反相八D锁存器7454 TTL 四路输入与或非门74540 TTL 八位三态反相输出总线缓冲器7455 TTL 4输入端二路输入与或非门74563 TTL 八位三态反相输出触发器74564 TTL 八位三态反相输出D触发器74573 TTL 八位三态输出触发器74574 TTL 八位三态输出D触发器74645 TTL 三态输出八同相总线传送接收器74670 TTL 三态输出4×4寄存器堆7473 TTL 带清除负触发双J-K触发器7474 TTL 带置位复位正触发双D触发器7476 TTL 带预置清除双J-K触发器7483 TTL 四位二进制快速进位全加器7485 TTL 四位数字比较器7486 TTL 2输入端四异或门7490 TTL 可二/五分频十进制计数器7493 TTL 可二/八分频二进制计数器7495 TTL 四位并行输入\输出移位寄存器7497 TTL 6位同步二进制乘法器SN74LSOO四2输入与非门SN74LSO2四2输入或非门SN74LS04六反相器SN74LS06六反相缓冲器/驱动器SN74LS08四2输入与非门SN74LS10三3输入与非门SN74LS12三3输入与非门SN74LS14六反相器.斯密特触发SN74LS16六反相缓冲器/驱动器SN74LS20双4输入与门SN74LS22双4输入与门SN74LS26四2输入与非门SN74LS28四输入端或非缓冲器SN74LS32四2输入或门SN74LS37四输入端与非缓冲器SN74LS40四输入端与非缓冲器SN74LS47BCD-七段译码驱动器SN74LS49BCD-七段译码驱动器SN74LS54四输入与或非门SN74LS63六电流读出接口门SN74LS74双D触发器SN74LS76双J-K触发器SN74LS83双J-K触发器SN74LS86四2输入异或门SN74LS904位十进制波动计数器SN74LS9212分频计数器SN74LS965位移位寄存器SN74LS109正沿触发双J-K触发器SN74LS113双J-K负沿触发器SN74LS121单稳态多谐振荡器SN74LS123双稳态多谐振荡器SN74LS125三态缓冲器SN74LS1313-8线译码器SN74LS137地址锁存3-8线译码器SN74LS139双2-4线译码-转换器SN74LS14710-4线优先编码器SN74LS153双4选1数据选择器SN74LS155双2-4线多路分配器SN74LS157四2选1数据选择器SN74LS160同步BDC十进制计数器SN74LS162同步BDC十进制计数器SN74LS1648位串入并出移位寄存SN74LS1668位移位寄存器SN74LS1694位可逆同步计数器SN74LS17216位多通道寄存器堆SN74LS1746D型触发器SN74LS176可预置十进制计数器SN74LS182超前进位发生器SN74LS18964位随机存储器SN74LS191二进制同步可逆计数器SN74LS193二进制可逆计数器SN74LS195并行存取移位寄存器SN74LS197可预置二进制计数器SN74LS2383-8线译码/多路转换器SN74LS241八缓冲/驱动/接收器SN74LS243四总线收发器SN74LS245八总线收发器SN74LS248BCD-七段译码驱动器SN74LS251三态8-1数据选择器SN74LS256双四位选址锁存器SN74LS258四2选1数据选择器SN74LS260双5输入或非门SN74LS266四2输入异或非门SN74LS275七位树型乘法器SN74LS279四R-S触发器SN74LS2834位二进制全加器SN74LS2934位二进制计数器SN74LS365六缓冲器带公用启动器SN74LS367六总线三态输出缓冲器SN74LS3738D锁存器SN74LS3754位双稳锁存器SN74LS386四2输入异或门SN74LS393双4位二进制计数器SN74LS5748位D型触发器SN74LS6848位数字比较器SN74LSO1四2输入与非门SN74LS05六反相器SN74LS07六缓冲器/驱动器SN74LS09四2输入与非门SN74LS11三3输入与非门SN74LS13三3输入与非门SN74LS15三3输入与非门SN74LS17六反相缓冲器/驱动器SN74LS21双4输入与门SN74LS25双4输入与门SN74LS27三3输入与非门SN74LS30八输入端与非门SN74LS33四2输入或门SN74LS38双2输入与非缓冲器SN74LS42BCD-十进制译码器SN74LS48BCD-七段译码驱动器SN74LS51三3输入双与或非门SN74LS55四4输入与或非门SN74LS73双J-K触发器SN74LS754位双稳锁存器SN74LS78双J-K触发器SN74LS854位幅度比较器SN74LS884位全加器SN74LS918位移位寄存器SN74LS93二进制计数器SN74LS954位并入并出寄存器SN74LS107双J-K触发器SN74LS112双J-K负沿触发器SN74LS114双J-K负沿触发器SN74LS122单稳态多谐振荡器SN74LS124双压控振荡器SN74LS126四3态总线缓冲器SN74LS132二输入与非触发器SN74LS136四异或门SN74LS1383-8线译码/转换器SN74LS145BCD十进制译码/驱动器SN74LS1488-3线优先编码器SN74LS1518选1数据选择器SN74LS1544-16线多路分配器SN74LS156双2-4线多路分配器SN74LS158四2选1数据选择器SN74LS1614位二进制计数器SN74LS1634位二进制计数器SN74LS1658位移位寄存器SN74LS1684位可逆同步计数器SN74LS1704x4位寄存器堆SN74LS1734D型寄存器SN74LS1754D烯触发器SN74LS181运算器/函数发生器SN74LS183双进位保存全价器SN74LS190同步BCD十进制计数器SN74LS192BCD-同步可逆计数器SN74LS194双向通用移位寄存器SN74LS196可预置十进制计数器SN74LS221双单稳态多谐振荡器SN74LS240八缓冲/驱动/接收器SN74LS242四总线收发器SN74LS244八缓冲/驱动/接收器SN74LS247BCD-七段译码驱动器SN74LS249BCD-七段译码驱动SN74LS253双三态4-1数据选择器SN74LS257四3态2-1数据选择器SN74LS2598位可寻址锁存器SN74LS2612x4位二进制乘发器SN74LS273八进制D型触发器SN74LS276四J-K触发器SN74LS2809位奇偶数发生校检器SN74LS290十进制计数器SN74LS2954位双向通用移位寄存器SN74LS366六缓冲器带公用启动器SN74LS368六总线三态输出反相器SN74LS3748D触发器SN74LS3778位单输出D型触发器SN74LS390双十进制计数器SN74LS5738位三态输出D型锁存器SN74LS6708位数字比较器SN74HC00 四2输入与非门SN74HC02 四2输入或非门SN74HC03 四2输入或非门SN74HC04 六反相器SN74HC05 六反相器SN74HC08 四2输入与门SN74HC10 三3输入与非门SN74HC11 三3输入与门SN74HC14 六反相器/斯密特触发SN74HC20 双四输入与门SN74HC21 双四输入与非门SN74HC27 三3输入与非门SN74HC30 八输入端与非门SN74HC32 四2输入或门SN74HC42 BCD十进制译码器SN74HC73 双J-K触的器SN74HC74 双D型触发器SN74HC76 双J-K触的器SN74HC86 四2输入异或门SN74HC107 双J-K触发器SN74HC113 双J-K负沿触发器SN74HC123 双稳态多谐振荡器SN74HC125 三态缓冲器SN74HC126 四三态总线缓冲器SN74HC132 二输入与非缓冲器SN74HC137 二输入与非缓冲器SN74HC138 3-8线译码/解调器SN74HC139 双2-4线译码/解调器SN74HC148 8选1数据选择器SN74HC151 双4选1数据选择器SN74HC154 4-16线多路分配器SN74HC157 四2选1数据选择器SN74HC161 4位二进制计数器SN74HC163 4位二进制计数器SN74HC164 8位串入并出移位寄存器SN74HC165 8位移位寄存器SN74HC173 4D型触发器SN74HC174 6D触发器SN74HC175 4D型触发器SN74HC191 二进制同步可逆计数器SN74HC221 双单稳态多谐振荡器SN74HC238 3-8线译码器SN74HC240 八缓冲器SN74HC244 八总线3态输出缓冲器SN74HC245 八总线收发器SN74HC251 三态8-1数据选择器SN74HC259 8位可寻址锁存器SN74HC266 四2输入异或非门SN74HC273 8D型触发器SN74HC367 六缓冲器/总线驱动器SN74HC368 六缓冲器/总线驱动器SN74HC373 8D锁存器SN74HC374 8D触发器SN74HC393 双4位二进制计数器SN74HC541 8位三态输出缓冲器SN74HC573 8位三态输出D型锁存器SN74HC574 8D型触发器SN74HC595 8位移位寄存器/锁存器SN74HC4028 7级二进制串行加数器SN74HC4046 锁相环SN74HC4050 六同相缓冲器SN74HC4051 8选1模拟开关SN74HC4053 三2选1模拟开关SN74HC4060 14位计数/分频/振荡器SN74HC4066 四双相模拟开关SN74HC4078 3输入端三或门SN74HC4511 7段锁存/译码驱动器SN74HC4520 双二进制加法计数器74F00 高速四2输入与非门74F02 高速四2输入或非门74F04 高速六反相器74F08 高速四2输入与门74F10 高速三3输入与门74F14 高速六反相斯密特触发74F32 高速四2输入或门74F38 高速四2输入或门74F74 高速双D型触发器74F86 高速四2输入异或门74F139 高速双2-4线译码/驱动器74F151 高速双2-4线译码/驱动器74F153 高速双4选1数据选择器74F157 高速双4选1数据选择器74F161 高速6D型触发器74F174 高速6D型触发器74F175 高速4D型触发器74F244 高速八总线3态缓冲器74F245 高速八总线收发器74F373 高速8D锁存器SN74HCT04 六反相器SN7404 六反相器 SN74HC00 四2输入与非门SN7406 六反相缓冲器/驱动器 SN74HC02 四2输入或非门SN7407 六缓冲器/驱动器 SN74HC03 四2输入或非门SN7414 六缓冲器/驱动器 SN74HC04 六反相器SN7416 六反相缓冲器/驱动器 SN74HC05 六反相器SN7440 六反相缓冲器/驱动器 SN74HC08 四2输入与门SN7497 六反相缓冲器/驱动器 SN74HC10 三3输入与非门74F00 高速四2输入与非门 SN74HC14 六反相器/斯密特触发74F02 高速四2输入或非门 SN74HC20 双四输入与门74F04 高速六反相器 SN74HC21 双四输入与非门74F08 高速四2输入与门 SN74HC27 三3输入与非门74F10 高速三3输入与门 SN74HC30 八输入端与非门74F14 高速六反相斯密特触发 SN74HC32 四2输入或门74F32 高速四2输入或门 SN74HC42 BCD十进制译码器74F38 高速四2输入或门 SN74HC73 双J-K触的器74F74 高速双D型触发器 SN74HC74 双D型触发器74F86 高速四2输入异或门 SN74HC76 双J-K触的器74F139 高速双2-4线译码/驱动器 SN74HC86 四2输入异或门74F151 高速双2-4线译码/驱动器 SN74HC107 双J-K触发器74F153 高速双4选1数据选择器 SN74HC113 双J-K负沿触发器74F157 高速双4选1数据选择器 SN74HC123 双稳态多谐振荡器74F161 高速6D型触发器 SN74HC125 三态缓冲器74F174 高速6D型触发器 SN74HC126 四三态总线缓冲器74F175 高速4D型触发器 SN74HC132 二输入与非缓冲器74F244 高速八总线3态缓冲器 SN74HC137 二输入与非缓冲器74F245 高速八总线收发器 SN74HC138 3-8线译码/解调器74F373 高速8D锁存器 SN74HC139 双2-4线译码/SN74HCT04 六反相器 SN74HC151 双4选1数据选择器CD4001 4二输入或非门 SN74HC157 四2选1数据选择器CD4002 双4输入或非门 SN74HC161 4位二进制计数器CD4006 18位静态移位寄存器 SN74HC163 4位二进制计数器CD4007 双互补对加反相器 SN74HC164 8位串入并出移位寄存器CD4009 六缓冲器/转换-倒相 SN74HC165 8位移位寄存器CD4010 六缓冲器/转换-正相 SN74HC173 4D型触发器CD4011 四2输入与非门 SN74HC174 6D触发器CD4012 双4输入与非门 SN74HC175 4D型触发器CD4013 置/复位双D型触发器 SN74HC191 二进制同步可逆计数器CD4014 8位静态同步移位寄存 SN74HC221 双单稳态多谐振荡器CD4015 双4位静态移位寄存器 SN74HC238 3-8线译码器CD4016 四双向模拟数字开关 SN74HC240 八缓冲器CD4017 10译码输出十进制计数器 SN74HC244 八总线3态输出缓冲器CD4018 可预置1/N计数器 SN74HC245 八总线收发器CD4019 四与或选择门 SN74HC251 三态8-1数据选择器CD4020 14位二进制计数器 SN74HC259 8位可寻址锁存器CD4021 8位静态移位寄存器 SN74HC266 四2输入异或非门CD4022 8译码输出8进制计数器 SN74HC273 8D型触发器CD4023 三3输入与非门 SN74HC367 六缓冲器/总线CD4024 7位二进制脉冲计数器 SN74HC368 六缓冲器/总线驱动器CD4025 三3输入与非门 SN74HC373 8D锁存器CD4026 十进制/7段译码/驱动 SN74HC374 8D触发器CD4027 置位/复位主从触发器 SN74HC393 双4位二进制计数器CD4028 BCD十进制译码器 SN74HC541 8位三态输出缓冲器CD4029 4位可预置可逆计数器 SN74HC573 8位三态输出D型锁存器CD4030 四异或门 SN74HC574 8D型触发器CD4031 64位静态移位寄存器 SN74HC595 8位移位寄存器/锁存器CD4032 三串行加法器 SN74HC4028 7级二进制串行加数器CD4033 十进制计数器/7段显示 SN74HC4046 锁相环CD4034 8位静态移位寄存器 SN74HC4050 六同相缓冲器CD4035 4位并入/并出移位寄存器 SN74HC4051 8选1模拟开关CD4038 3位串行加法器 SN74HC4053 三2选1模拟开关CD4040 12位二进制计数器 SN74HC4060 14位计数/分频/振荡器CD4041 四原码/补码缓冲器 SN74HC4066 四双相模拟开关CD4042 四时钟D型锁存器 SN74HC4078 3输入端三或门CD4043 四或非R/S锁存器 SN74HC4511 7段锁存/译码驱动器CD4044 四与非R/S锁存器 SN74HC4520 双二进制加法计数器。
实验九可逆计数器的功能测试及应用实验内容:1.测试74LS190和73LS191的逻辑功能,并用数码管显示,验证结果是否正确,分别画出各单元的电路图,写出各自的状态转换图。
74LS190测试电路如下图所示:(图示为加法计数状态)结果:电路能够实现十进制同步加减计数功能,当U’/D=0时,进行加法计数,在跳到0时,RCO出现短暂低电平状态,所接灯泡熄灭,MAX/MIN出现短暂高电平状态,灯发亮。
当U’/D=1时,实现减法计数,在由跳到0时,RCO短暂低电平状态所接灯泡短暂熄灭,MAX/MIN 短暂高电平状态,灯发亮。
其余时候RCO均处于高电平状态,灯亮,MAX/MIN均处于低电平状态,灯灭。
状态转换图:(顺时针方向为加法计数,逆时针方向为减法计数)74LS191测试电路如下:(图示为减法计数状态)结果:电路能够实现二进制同步加减计数功能,当U’/D=0时,进行加法计数,在跳到0时,RCO出现短暂低电平状态所接灯泡短暂熄灭,MAX/MIN出现短暂高电平状态灯短暂发亮。
当U’/D=1时,实现减法计数,在由跳到0时,RCO出现短暂低电平状态所接灯泡短暂熄灭,MAX/MIN出现短暂高电平状态,灯短暂发亮。
状态转换图:(顺时针方向为加法计数,逆时针方向为减法计数)2.测试74LS192和74LS193的逻辑功能,并用数码管显示,验证是否正确。
画出测试电路图。
74LS192测试电路:(图示为加法计数状态)结果:74LS192为双时钟同步十进制可逆计数器。
当UP接脉冲,DOWN 接1时,电路工作在加法计数状态,CO在计数跳到0时出现短暂的低电平状态,灯泡熄灭。
当UP接1,DOWN接脉冲时,电路工作在减法计数状态,BO在计数跳至0时出现短暂的低电平状态灯泡熄灭。
其余时候BO、CO均处于高电平,灯泡亮。
74LS193测试电路:(图示为减法计数状态)结果:74LS193为双时钟同步二进制可逆计数器。
当UP接脉冲,DOWN 接1时,电路工作在加法计数状态,CO在计数跳到0时出现短暂的低电平状态,灯泡熄灭。
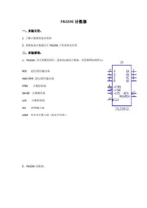
74LS191计数器一、实验目的:1. 了解计数器的基本原理2. 掌握集成计数器芯片74LS191工作原理及应用二、实验原理:1、74LS191 为可预置的四位二进制加/减法计数器,其管脚图如图所示:RCO 进位/借位输出端MAX /MIN 进位/借位输出端CTEN 计数控制端QA-QD 计数输出端U/D 计数控制端CLK 时钟输入端LOAD 异步并行置入端(低电平有效)。
2、74LS191功能表:三、实验内容:1. 利用同步二进制可逆计数器74LS191接成同步八进制计数器。
设计思路:74LS191是16进制同步计数器,要做8进制计时器,就要在输出为8时给输入端置0。
于是的8进制计数器真值表。
由真值表的逻辑函数式:Y=O’3于是得设计电路:2. 试用二进制计数器74LS191接成24秒倒计时器。
设计说明:首先将开关j1置地端,这时给组合逻辑电路置入“24”。
然后将j1置VCC,电路开始倒计时。
计时过程中将j1置地可以暂停计时,j1置VCC后继续计时。
当计时结束后(即为“00”时)停止计时。
若要重新计时,只需重新启动即可。
右边的组合逻辑电路的功能是让计时器在“00”时停止计时。
四、实验分析:1、本实验让我进一步了解了74LS191计数器的基本原理。
基本掌握集成计数器芯片74LS191工作原理及应用。
2、在设计24秒倒计时计数器时最开始找不到方法。
经过自己的努力,渐渐地思路清晰起来,经过多次尝试,基本实现了设计的要求。
3、在设计过程中,与同学间的交流很重要,他们的建议会给人很大的启发和灵感。
74ls191设计6进制
74LS191是一种集成电路,它是一个可编程的4位二进制同步计数器。
它可以被配置为计数二进制数或六进制数。
要将74LS191配置为六进制计数器,我们需要将其工作模式设置为六进制模式。
这可以通过对控制引脚进行适当的输入设置来实现。
首先,我们需要将输入模式选择引脚(MODE SELECT)连接到逻辑低电平(GND),以选择计数器的工作模式为六进制。
接下来,我们需要设置四个使能引脚(ENABLE)的状态,以控制计数器的计数行为。
对于六进制计数,我们需要将使能引脚E1和E3连接到逻辑高电平(VCC),而E2和E4连接到逻辑低电平(GND)。
最后,我们需要将时钟引脚(CLOCK)连接到外部时钟源。
计数器将根据时钟信号的上升沿进行计数。
当74LS191被配置为六进制计数器时,其四个输出引脚(QA,QB,QC和QD)将依次输出从0到5的六进制计数序列。
输出会在每个时钟上升沿发生一次变化。
需要注意的是,为了正确地使用74LS191进行六进制计数,我们还需要在电路中提供适当的电源和连接引脚的电路。
这包括提供正电源(VCC)和接地引脚(GND)。
此外,我们还需要将四个输出引脚连接到适当的显示装置或其他外部电路,以显示或进一步处理计数器的输出。
希望以上的解释对你有所帮助,并能满足你对准确无误、易于理解的解答要求。
请记得使用word格式进行排版。
如果你还有其他问题,欢迎继续提问。
74ls系列芯⽚功能和参数详细介绍74、74HC、74LS系列芯⽚资料系列电平典型传输延迟ns 最⼤驱动电流(-Ioh/Lol)mAAHC CMOS 8.5 -8/8AHCT COMS/TTL 8.5 -8/8HC COMS 25 -8/8HCT COMS/TTL 25 -8/8ACT COMS/TTL 10 -24/24F TTL 6.5 -15/64ALS TTL 10 -15/64LS TTL 18 -15/24注:同型号的74系列、74HC系列、74LS系列芯⽚,逻辑功能上是⼀样的。
74LSxx的使⽤说明如果找不到的话,可参阅74xx 或74HCxx的使⽤说明。
有些资料⾥包含了⼏种芯⽚,如74HC161资料⾥包含了74HC160、74HC161、74HC162、74HC163四种芯⽚的资料。
找不到某种芯⽚的资料时,可试着查看⼀下临近型号的芯⽚资料。
7400 QUAD 2-INPUT NAND GATES 与⾮门7401 QUAD 2-INPUT NAND GATES OC 与⾮门7402 QUAD 2-INPUT NOR GATES 或⾮门7403 QUAD 2-INPUT NAND GATES 与⾮门7404 HEX INVERTING GATES 反向器7406 HEX INVERTING GATES HV ⾼输出反向器7408 QUAD 2-INPUT AND GATE 与门7409 QUAD 2-INPUT AND GATES OC 与门7410 TRIPLE 3-INPUT NAND GATES 与⾮门7411 TRIPLE 3-INPUT AND GATES 与门74121 ONE-SHOT WITH CLEAR 单稳态74132 SCHMITT TRIGGER NAND GATES 触发器与⾮门7414 SCHMITT TRIGGER INVERTERS 触发器反向器74153 4-LINE TO 1 LINE SELECTOR 四选⼀74155 2-LINE TO 4-LINE DECODER 译码器74180 PARITY GENERATOR/CHECKER 奇偶发⽣检验74191 4-BIT BINARY COUNTER UP/DOWN 计数器7420 DUAL 4-INPUT NAND GATES 双四输⼊与⾮门7426 QUAD 2-INPUT NAND GATES 与⾮门7427 TRIPLE 3-INPUT NOR GATES 三输⼊或⾮门7430 8-INPUT NAND GATES ⼋输⼊端与⾮门7432 QUAD 2-INPUT OR GATES ⼆输⼊或门7438 2-INPUT NAND GATE BUFFER 与⾮门缓冲器7445 BCD-DECIMAL DECODER/DRIVER BCD译码驱动器7474 D-TYPE FLIP-FLOP D型触发器7475 QUAD LATCHES 双锁存器7476 J-K FLIP-FLOP J-K触发器7485 4-BIT MAGNITUDE COMPARATOR 四位⽐较器7486 2-INPUT EXCLUSIVE OR GATES 双端异或门74HC00 QUAD 2-INPUT NAND GATES 双输⼊与⾮门74HC02 QUAD 2-INPUT NOR GATES 双输⼊或⾮门74HC03 2-INPUT OPEN-DRAIN NAND GATES 与⾮门74HC04 HEX INVERTERS 六路反向器74HC05 HEX INVERTERS OPEN DRAIN 六路反向器74HC08 2-INPUT AND GATES 双输⼊与门74HC107 J-K FLIP-FLOP WITH CLEAR J-K触发器74HC109A J-K FLIP-FLOP W/PRESET J-K触发器74HC11 TRIPLE 3-INPUT AND GATES 三输⼊与门74HC112 DUAL J-K FLIP-FLOP 双J-K触发器74HC113 DUAL J-K FLIP-FLOP PRESET 双JK触发器74HC123A RETRIGGERABLE MONOSTAB 可重触发单稳74HC125 TRI-STATE QUAD BUFFERS 四个三态门74HC126 TRI-STATE QUAD BUFFERS 六三态门74HC132 2-INPUT TRIGGER NAND 施密特触发与⾮门74HC133 13-INPUT NANDGATES ⼗三输⼊与⾮门74HC137 3-TO-8 DECODERS W/LATCHES 3-8线译码器74HC138 3-8 LINE DECODER 3线⾄8线译码器74HC139 2-4 LINE DECODER 2线⾄4线译码器74HC14 TRIGGERED HEX INVERTER 六触发反向器74HC147 10-4 LINE PRIORITY ENCODER 10-4编码器74HC148 8-3 LINE PRIORITY ENCODER 8-3编码器74HC149 8-8 LINE PRIORITY ENCODER 8-8编码器74HC151 8-CHANNEL DIGITAL MUX 8通道多路器74HC153 DUAL 4-INPUT MUX 双四输⼊多路器74HC154 4-16 LINE DECODER 4线⾄16线译码器74HC155 2-4 LINE DECODER 2线⾄4线译码器74HC157 QUAD 2-INPUT MUX 四个双端多路器74HC161 BINARY COUNTER ⼆进制计数器74HC163 DECADE COUNTERS ⼗进制计数器74HC164 SERIAL-PARALLEL SHIFT REG 串⼊并出74HC165 PARALLEL-SERIAL SHIFT REG 并⼊串出74HC166 SERIAL-PARALLEL SHIFT REG 串⼊并出74HC173 TRI-STATE D FLIP-FLOP 三态D触发器74HC174 HEX D FLIP-FLOP W/CLEAR 六D触发器74HC175 HEX D FLIP-FLOP W/CLEAR 六D触发器74HC181 ARITHMETIC LOGIC UNIT 算术逻辑单元74HC182 LOOK AHEAD CARRYGENERATR 进位发⽣器74HC190 BINARY UP/DN COUNTER ⼆进制加减计数器74HC191 DECADE UP/DN COUNTER ⼗进制加减计数器74HC192 DECADE UP/DN COUNTER ⼗进制加减计数器74HC193 BINARY UP/DN COUNTER ⼆进制加减计数器74HC194 4BIT BI-DIR SHIFT 4位双向移位寄存器74HC195 4BIT PARALLEL SHIFT 4位并⾏移位寄存器74HC20 QUAD 4-INPUT NAND GATE 四个四⼊与⾮门74HC221A NON-RETRIG MONOSTAB 不可重触发单稳74HC237 3-8 LINE DECODER 地址锁3线⾄8线译码器74HC242/243 TRI-STAT TRANSCEIVER 三态收发器74HC244 OCTAL 3-STATE BUFFER ⼋个三态缓冲门74HC245 OCTAL 3-STATE TRANSCEIVER 三态收发器74HC251 8-CH 3-STATE MUX 8路3态多路器74HC253 DUAL 4-CH 3-STATE MUX 4路3态多路器74HC257 QUAD 2-CH 3-STATE MUX 4路3态多路器74HC258 2-CH 3-STATE MUX 2路3态多路器74HC259 3-8 LINE DECODER 8位地址锁存译码器74HC266A 2-INPUT EXCLUSIVE NOR GATE 异或⾮74HC27 TRIPLE 3-INPUT NOR GATE三个3输⼊或⾮门74HC273 OCTAL D FLIP-FLOP CLEAR 8路D触发器74HC280 9BIT ODD/EVEN GENERATOR 奇偶发⽣器74HC283 4BIT BINARY ADDER CARRY 四位加法器74HC299 3-STATE UNIVERSAL SHIFT 三态移位寄存74HC30 8-INPUT NAND GATE 8输⼊端与⾮门74HC32 QUAD 2-INPUT OR GATE 四个双端或门74HC34 NON-INVERTER ⾮反向器74HC354 8-CH 3-STATE MUX 8路3态多路器74HC356 8-CH 3-STATE MUX 8路3态多路器74HC365 HEX 3-STATE BUFFER 六个三态缓冲门74HC366 3-STATE BUFFER INVERTER 缓冲反向器74HC367 3-STATE BUFFER INVERTER 缓冲反向器74HC368 3-STATE BUFFER INVERTER 缓冲反向器74HC373 3-STATE OCTAL D LATCHES 三态D型锁存器74HC374 3-STATE OCTAL D FLIPFLOP 三态D触发器74HC393 4-BIT BINARY COUNTER 4位⼆进制计数器74HC4016 QUAD ANALOG SWITCH 四路模拟量开关74HC4020 14-Stage Binary Counter 14输出计数器74HC4017 Decade Counter/Divider with 10 Decoded Outputs ⼗进制计数器带10个译码输出端74HC4040 12 Stage Binary Counter 12出计数器74HC4046 PHASE LOCK LOOP 相位监测输出器74HC4049 LEVEL DOWN CONVERTER 电平变低器74HC4050 LEVEL DOWN CONVERTER 电平变低器74HC4051 8-CH ANALOG MUX 8通道多路器74HC4052 4-CH ANALOG MUX 4通道多路器74HC4053 2-CH ANALOG MUX 2通道多路器74HC4060 14-STAGE BINARY COUNTER 14阶BIN计数74HC4066 QUAD ANALOG MUX 四通道多路器74HC4075 TRIPLE 3-INPUT OR GATE 3输⼊或门74HC42 BCD TO DECIMAL BCD转⼗进制译码器74HC423A RETRIGGERABLE MONOSTAB 可重触发单稳74HC4511 BCD-7 SEG DRIVER/DECODER 7段译码器74HC4514 4-16 LINE DECODER 4⾄16线译码器74HC4538A RETRIGGERAB MONOSTAB 可重触发单稳74HC4543 LCD BCD-7 SEG LCD⽤的BCD-7段译码驱动74HC51 AND OR GATE INVERTER 与或⾮门74HC521 8BIT MAGNITUDE COMPARATOR 判决定路74HC533 3-STATE D LATCH 三态D锁存器74HC534 3-STATE D FLIP-FLOP 三态D型触发器74HC540 3-STATE BUFFER 三态缓冲器74HC541 3-STATE BUFFER INVERTER三态缓冲反向器74HC58 DUAL AND OR GATE 与或门74HC589 3STATE 8BIT SHIFT 8位移位寄存三态输出74HC594 8BIT SHIFT REG 8位移位寄存器74HC595 8BIT SHIFT REG 8位移位寄存器出锁存74HC597 8BIT SHIFT REG 8位移位寄存器⼊锁存74HC620 3-STATE TRANSCEIVER 反向3态收发器74HC623 3-STATE TRANSCEIVER ⼋路三态收发器74HC640 3-STATE TRANSCEIVER 反向3态收发器74HC643 3-STATE TRANSCEIVER ⼋路三态收发器74HC646 NON-INVERT BUS TRANSCEIVER 总线收发器74HC648 INVERT BUS TRANCIVER 反向总线收发器74HC688 8BIT MAGNITUDE COMPARATOR 8位判决电路74HC7266 2-INPUT EXCLUSIVE NOR GATE 异或⾮门74HC73 DUAL J-K FLIP-FLOP W/CLEAR 双JK触发器74HC74A PRESET/CLEAR D FLIP-FLOP 双D触发器74HC75 4BIT BISTABLE LATCH 4位双稳锁存器74HC76 PRESET/CLEAR JK FLIP-FLOP 双JK触发器74HC85 4BIT MAGNITUDE COMPARATOR 4位判决电路74HC86 2INPUT EXCLUSIVE OR GATE 2输⼊异或门74HC942 BAUD MODEM 300BPS低速调制解调器74HC943 300 BAUD MODEM 300BPS低速调制解调器74LS00 QUAD 2-INPUT NAND GATES 与⾮门74LS02 QUAD 2-INPUT NOR GATES 或⾮门74LS03 QUAD 2-INPUT NAND GATES 与⾮门74LS04 HEX INVERTING GATES 反向器74LS05 HEX INVERTERS OPEN DRAIN 六路反向器74LS08 QUAD 2-INPUT AND GATE 与门74LS09 QUAD 2-INPUT AND GATES OC 与门74LS10 TRIPLE 3-INPUT NAND GATES 与⾮门74LS109 QUAD 2-INPUT AND GATES OC 与门74LS11 TRIPLE 3-INPUT AND GATES 与门74LS112 DUAL J-K FLIP-FLOP 双J-K触发器74LS113 DUAL J-K FLIP-FLOP PRESET 双JK触发器74LS114 NEGATIVE J-K FLIP-FLOP 负沿J-K触发器74LS122 Retriggerable Monostab 可重触发单稳74LS123 Retriggerable Monostable 可重触发单稳74LS125 TRI-STATE QUAD BUFFERS 四个三态门74LS13 QUAL 4-in NAND TRIGGER 4输⼊与⾮触发器74LS160 BCD DECADE 4BIT BIN COUNTERS 计数器74LS136 QUADRUPLE 2-INPUT XOR GATE 异或门74LS138 3-8 LINE DECODER 3线⾄8线译码器74LS139 2-4 LINE DECODER 2线⾄4线译码器74LS14 TRIGGERED HEX INVERTER 六触发反向器74HC147 10-4 LINE PRIORITY ENCODER 10-4编码器74HC148 8-3 LINE PRIORITY ENCODER 8-3编码器74HC149 8-8 LINE PRIORITY ENCODER 8-8编码器74LS151 8-CHANNEL DIGITAL MUX 8通道多路器74LS153 DUAL 4-INPUT MUX 双四输⼊多路器74LS155 2-4 LINE DECODER 2线⾄4线译码器74LS156 2-4 LINE DECODER/DEMUX 2-4译码器74LS157 QUAD 2-INPUT MUX 四个双端多路器74LS158 2-1 LINE MUX 2-1线多路器74LS160A BINARY COUNTER ⼆进制计数器74LS161A BINARY COUNTER ⼆进制计数器74LS162A BINARY COUNTER ⼆进制计数器74LS163A DECADE COUNTERS ⼗进制计数器74LS164 SERIAL-PARALLEL SHIFT REG 串⼊并出74LS168 BI-DIRECT BCD TO DECADE 双向计数器74LS1694BIT UP/DN BIN COUNTER 四位加减计数器74LS173 TRI-STATE D FLIP-FLOP 三态D触发器74LS174 HEX D FLIP-FLOP W/CLEAR 六D触发器74LS175 HEX D FLIP-FLOP W/CLEAR 六D触发器74LS190 BINARY UP/DN COUNTER ⼆进制加减计数器74LS191 DECADE UP/DN COUNTER ⼗进制加减计数器74LS192 DECADE UP/DN COUNTER ⼗进制加减计数器74LS193BINARY UP/DN COUNTER ⼆进制加减计数器74LS194A 4BIT BI-DIR SHIFT 4位双向移位寄存器74LS195A 4BIT PARALLEL SHIFT4位并⾏移位寄存器74LS20 QUAD 4-INPUT NAND GATE 四个四⼊与⾮门74LS21 4-INPUT AND GATE 四输⼊端与门74LS240 OCTAL 3-STATE BUFFER ⼋个三态缓冲门74LS244 OCTAL 3-STATE BUFFER ⼋个三态缓冲门74LS245 OCTAL 3-STATE TRANSCEIVER 三态收发器74LS253 DUAL 4-CH 3-STATE MUX 4路3态多路器74LS256 4BIT ADDRESS LATCH 四位可锁存锁存器74LS257 QUAD 2-CH 3-STATE MUX 4路3态多路器74LS258 2-CH 3-STATE MUX 2路3态多路器74LS27 TRIPLE 3-INPUT NOR GATES 三输⼊或⾮门74LS279 QUAD R-S LATCHES 四个RS⾮锁存器74LS28 QUAD 2-INPUT NOR BUFFER 四双端或⾮缓冲74LS283 4BIT BINARY ADDER CARRY 四位加法器74LS30 8-INPUT NAND GATES ⼋输⼊端与⾮门74LS32 QUAD 2-INPUT OR GATES ⼆输⼊或门74LS352 4-1 LINE SELECTOR/MUX 4-1线选择多路器74LS365 HEX 3-STATE BUFFER 六个三态缓冲门74LS367 3-STATE BUFFER INVERTER 缓冲反向器74LS368A 3-STATE BUFFER INVERTER 缓冲反向器74LS373 OCT LATCH W/3-STATE OUT三态输出锁存器74LS76 Dual JK Flip-Flop w/set 2个JK触发器74LS379 QUAD PARALLEL REG 四个并⾏寄存器74LS38 2-INPUT NAND GATE BUFFER 与⾮门缓冲器74LS390 DUAL DECADE COUNTER 2个10进制计数器74LS393 DUAL BINARY COUNTER 2个2进制计数器74LS42 BCD TO DECIMAL BCD转⼗进制译码器74LS48 BCD-7 SEG BCD-7段译码器74LS49 BCD-7 SEG BCD-7段译码器74LS51 AND OR GATE INVERTER 与或⾮门74LS540 OCT Buffer/Line Driver 8路缓冲驱动器74LS541 OCT Buffer/LineDriver 8路缓冲驱动器74LS74 D-TYPE FLIP-FLOP D型触发器74LS682 8BIT MAGNITUDE COMPARATOR 8路⽐较器74LS684 8BIT MAGNITUDE COMPARATOR 8路⽐较器74LS75 QUAD LATCHES 双锁存器74LS83A 4BIT BINARY ADDER CARRY 四位加法器74LS85 4BIT MAGNITUDE COMPARAT 4位判决电路74LS86 2INPUT EXCLUSIVE OR GATE 2输⼊异或门74LS90 DECADE/BINARY COUNTER ⼗/⼆进制计数器74LS95B4BIT RIGHT/LEFT SHIFT 4位左右移位寄存74LS688 8BIT MAGNITUDE COMPARAT 8位判决电路74LS136 2-INPUT XOR GATE 2输⼊异或门74LS651 BUS TRANSCEIVERS 总线收发器74LS653 BUS TRANSCEIVERS 总线收发器74LS670 3-STATE 4-BY-4 REG 3态4-4寄存器74LS73A DUAL J-K FLIP-FLOP W/CLEAR 双JK触发器。
74LS系列芯片功能反相器驱动器LS04 LS05 LS06 LS07 LS125 LS240 LS244 LS245 与门与非门LS00 LS08 LS10 LS11 LS20 LS21 LS27 LS30 LS38 或门或非门与或非门LS02 LS32 LS51 LS64 LS65异或门比较器LS86译码器LS138 LS139寄存器LS74 LS175 LS37374系列::74LS00 TTL 2输入端四与非门74LS01 TTL 集电极开路2输入端四与非门74LS02 TTL 2输入端四或非门74LS03 TTL 集电极开路2输入端四与非门74LS04 TTL 六反相器74LS05 TTL 集电极开路六反相器74LS06 TTL 集电极开路六反相高压驱动器74LS07 TTL 集电极开路六正相高压驱动器74LS08 TTL 2输入端四与门74LS09 TTL 集电极开路2输入端四与门74LS10 TTL 3输入端3与非门74LS107 TTL 带清除主从双J-K触发器74LS109 TTL 带预置清除正触发双J-K触发器74LS11 TTL 3输入端3与门74LS112 TTL 带预置清除负触发双J-K触发器74LS12 TTL 开路输出3输入端三与非门74LS121 TTL 单稳态多谐振荡器74LS122 TTL 可再触发单稳态多谐振荡器74LS123 TTL 双可再触发单稳态多谐振荡器74LS125 TTL 三态输出高有效四总线缓冲门74LS126 TTL 三态输出低有效四总线缓冲门74LS13 TTL 4输入端双与非施密特触发器74LS132 TTL 2输入端四与非施密特触发器74LS133 TTL 13输入端与非门74LS136 TTL 四异或门74LS138 TTL 3-8线译码器/复工器74LS139 TTL 双2-4线译码器/复工器74LS14 TTL 六反相施密特触发器74LS145 TTL BCD—十进制译码/驱动器74LS15 TTL 开路输出3输入端三与门74LS150 TTL 16选1数据选择/多路开关74LS151 TTL 8选1数据选择器74LS153 TTL 双4选1数据选择器74LS154 TTL 4线—16线译码器74LS155 TTL 图腾柱输出译码器/分配器74LS156 TTL 开路输出译码器/分配器74LS157 TTL 同相输出四2选1数据选择器74LS158 TTL 反相输出四2选1数据选择器74LS16 TTL 开路输出六反相缓冲/驱动器74LS160 TTL 可预置BCD异步清除计数器74LS161 TTL 可予制四位二进制异步清除计数器74LS162 TTL 可预置BCD同步清除计数器74LS163 TTL 可予制四位二进制同步清除计数器74LS164 TTL 八位串行入/并行输出移位寄存器74LS165 TTL 八位并行入/串行输出移位寄存器74LS166 TTL 八位并入/串出移位寄存器74LS169 TTL 二进制四位加/减同步计数器74LS17 TTL 开路输出六同相缓冲/驱动器74LS170 TTL 开路输出4×4寄存器堆74LS173 TTL 三态输出四位D型寄存器74LS174 TTL 带公共时钟和复位六D触发器74LS175 TTL 带公共时钟和复位四D触发器74LS180 TTL 9位奇数/偶数发生器/校验器74LS181 TTL 算术逻辑单元/函数发生器74LS185 TTL 二进制—BCD代码转换器74LS190 TTL BCD同步加/减计数器74LS191 TTL 二进制同步可逆计数器74LS192 TTL 可预置BCD双时钟可逆计数器74LS193 TTL 可预置四位二进制双时钟可逆计数器74LS194 TTL 四位双向通用移位寄存器74LS195 TTL 四位并行通道移位寄存器74LS196 TTL 十进制/二-十进制可预置计数锁存器74LS197 TTL 二进制可预置锁存器/计数器74LS20 TTL 4输入端双与非门74LS21 TTL 4输入端双与门74LS22 TTL 开路输出4输入端双与非门74LS221 TTL 双/单稳态多谐振荡器74LS240 TTL 八反相三态缓冲器/线驱动器74LS241 TTL 八同相三态缓冲器/线驱动器74LS243 TTL 四同相三态总线收发器74LS244 TTL 八同相三态缓冲器/线驱动器74LS245 TTL 八同相三态总线收发器74LS247 TTL BCD—7段15V输出译码/驱动器74LS248 TTL BCD—7段译码/升压输出驱动器74LS249 TTL BCD—7段译码/开路输出驱动器74LS251 TTL 三态输出8选1数据选择器/复工器74LS253 TTL 三态输出双4选1数据选择器/复工器74LS256 TTL 双四位可寻址锁存器74LS257 TTL 三态原码四2选1数据选择器/复工器74LS258 TTL 三态反码四2选1数据选择器/复工器74LS259 TTL 八位可寻址锁存器/3-8线译码器74LS26 TTL 2输入端高压接口四与非门74LS260 TTL 5输入端双或非门74LS266 TTL 2输入端四异或非门74LS27 TTL 3输入端三或非门74LS273 TTL 带公共时钟复位八D触发器74LS279 TTL 四图腾柱输出S-R锁存器74LS28 TTL 2输入端四或非门缓冲器74LS283 TTL 4位二进制全加器74LS290 TTL 二/五分频十进制计数器74LS293 TTL 二/八分频四位二进制计数器74LS295 TTL 四位双向通用移位寄存器74LS298 TTL 四2输入多路带存贮开关74LS299 TTL 三态输出八位通用移位寄存器74LS30 TTL 8输入端与非门74LS32 TTL 2输入端四或门74LS322 TTL 带符号扩展端八位移位寄存器74LS323 TTL 三态输出八位双向移位/存贮寄存器74LS33 TTL 开路输出2输入端四或非缓冲器74LS347 TTL BCD—7段译码器/驱动器74LS352 TTL 双4选1数据选择器/复工器74LS353 TTL 三态输出双4选1数据选择器/复工器74LS365 TTL 门使能输入三态输出六同相线驱动器74LS365 TTL 门使能输入三态输出六同相线驱动器74LS366 TTL 门使能输入三态输出六反相线驱动器74LS367 TTL 4/2线使能输入三态六同相线驱动器74LS368 TTL 4/2线使能输入三态六反相线驱动器74LS37 TTL 开路输出2输入端四与非缓冲器74LS373 TTL 三态同相八D锁存器74LS374 TTL 三态反相八D锁存器74LS375 TTL 4位双稳态锁存器74LS377 TTL 单边输出公共使能八D锁存器74LS378 TTL 单边输出公共使能六D锁存器74LS379 TTL 双边输出公共使能四D锁存器74LS38 TTL 开路输出2输入端四与非缓冲器74LS380 TTL 多功能八进制寄存器74LS39 TTL 开路输出2输入端四与非缓冲器74LS390 TTL 双十进制计数器74LS393 TTL 双四位二进制计数器74LS40 TTL 4输入端双与非缓冲器74LS42 TTL BCD—十进制代码转换器74LS352 TTL 双4选1数据选择器/复工器74LS353 TTL 三态输出双4选1数据选择器/复工器74LS365 TTL 门使能输入三态输出六同相线驱动器74LS366 TTL 门使能输入三态输出六反相线驱动器74LS367 TTL 4/2线使能输入三态六同相线驱动器74LS368 TTL 4/2线使能输入三态六反相线驱动器74LS37 TTL 开路输出2输入端四与非缓冲器74LS373 TTL 三态同相八D锁存器74LS374 TTL 三态反相八D锁存器74LS375 TTL 4位双稳态锁存器74LS377 TTL 单边输出公共使能八D锁存器74LS378 TTL 单边输出公共使能六D锁存器74LS379 TTL 双边输出公共使能四D锁存器74LS38 TTL 开路输出2输入端四与非缓冲器74LS380 TTL 多功能八进制寄存器74LS39 TTL 开路输出2输入端四与非缓冲器74LS390 TTL 双十进制计数器74LS393 TTL 双四位二进制计数器74LS40 TTL 4输入端双与非缓冲器74LS42 TTL BCD—十进制代码转换器74LS447 TTL BCD—7段译码器/驱动器74LS45 TTL BCD—十进制代码转换/驱动器74LS450 TTL 16:1多路转接复用器多工器74LS451 TTL 双8:1多路转接复用器多工器74LS453 TTL 四4:1多路转接复用器多工器74LS46 TTL BCD—7段低有效译码/驱动器74LS460 TTL 十位比较器74LS461 TTL 八进制计数器74LS465 TTL 三态同相2与使能端八总线缓冲器74LS466 TTL 三态反相2与使能八总线缓冲器74LS467 TTL 三态同相2使能端八总线缓冲器74LS468 TTL 三态反相2使能端八总线缓冲器74LS469 TTL 八位双向计数器74LS47 TTL BCD—7段高有效译码/驱动器74LS48 TTL BCD—7段译码器/内部上拉输出驱动74LS490 TTL 双十进制计数器74LS491 TTL 十位计数器74LS498 TTL 八进制移位寄存器74LS50 TTL 2-3/2-2输入端双与或非门74LS502 TTL 八位逐次逼近寄存器74LS503 TTL 八位逐次逼近寄存器74LS51 TTL 2-3/2-2输入端双与或非门74LS533 TTL 三态反相八D锁存器74LS534 TTL 三态反相八D锁存器74LS54 TTL 四路输入与或非门74LS540 TTL 八位三态反相输出总线缓冲器74LS55 TTL 4输入端二路输入与或非门74LS563 TTL 八位三态反相输出触发器74LS564 TTL 八位三态反相输出D触发器74LS573 TTL 八位三态输出触发器74LS574 TTL 八位三态输出D触发器74LS645 TTL 三态输出八同相总线传送接收器74LS670 TTL 三态输出4×4寄存器堆74LS73 TTL 带清除负触发双J-K触发器74LS74 TTL 带置位复位正触发双D触发器74LS76 TTL 带预置清除双J-K触发器74LS83 TTL 四位二进制快速进位全加器74LS85 TTL 四位数字比较器74LS86 TTL 2输入端四异或门74LS90 TTL 可二/五分频十进制计数器74LS93 TTL 可二/八分频二进制计数器74LS95 TTL 四位并行输入\输出移位寄存器74LS97 TTL 6位同步二进制乘法器反相器:Vcc 6A 6Y 5A 5Y 4A 4Y 六非门74LS04┌┴—┴—┴—┴—┴—┴—┴┐ 六非门(OC门) 74LS05 _ │14 13 12 11 10 9 8│ 六非门(OC高压输出) 74LS06 Y = A )││ 1 2 3 4 5 6 7│└┬—┬—┬—┬—┬—┬—┬┘1A 1Y 2A 2Y 3A 3Y GND驱动器:Vcc 6A 6Y 5A 5Y 4A 4Y┌┴—┴—┴—┴—┴—┴—┴┐│14 13 12 11 10 9 8│Y = A )│ 六驱动器(OC高压输出) 74LS07│ 1 2 3 4 5 6 7│└┬—┬—┬—┬—┬—┬—┬┘1A 1Y 2A 2Y 3A 3Y GNDVcc -4C 4A 4Y -3C 3A 3Y┌┴—┴—┴—┴—┴—┴—┴┐_ │14 13 12 11 10 9 8│Y =A+C )│ 四总线三态门74LS125│ 1 2 3 4 5 6 7│└┬—┬—┬—┬—┬—┬—┬┘-1C 1A 1Y -2C 2A 2Y GNDVcc -G B1 B2 B3 B4 B8 B6 B7 B8┌┴—┴—┴—┴—┴—┴—┴—┴—┴—┴┐ 8位总线驱动器74LS245│20 19 18 17 16 15 14 13 12 11│)│ DIR=1 A=>B│ 1 2 3 4 5 6 7 8 9 10│ DIR=0 B=>A└┬—┬—┬—┬—┬—┬—┬—┬—┬—┬┘DIR A1 A2 A3 A4 A5 A6 A7 A8 GND页首非门,驱动器与门,与非门或门,或非门异或门,比较器译码器寄存器正逻辑与门,与非门:Vcc 4B 4A 4Y 3B 3A 3Y┌┴—┴—┴—┴—┴—┴—┴┐│14 13 12 11 10 9 8│Y = AB )│ 2输入四正与门74LS08│ 1 2 3 4 5 6 7│└┬—┬—┬—┬—┬—┬—┬┘1A 1B 1Y 2A 2B 2Y GNDVcc 4B 4A 4Y 3B 3A 3Y┌┴—┴—┴—┴—┴—┴—┴┐__ │14 13 12 11 10 9 8│Y = AB )│ 2输入四正与非门74LS00│ 1 2 3 4 5 6 7│└┬—┬—┬—┬—┬—┬—┬┘1A 1B 1Y 2A 2B 2Y GNDVcc 1C 1Y 3C 3B 3A 3Y┌┴—┴—┴—┴—┴—┴—┴┐___ │14 13 12 11 10 9 8│Y = ABC )│ 3输入三正与非门74LS10│ 1 2 3 4 5 6 7│└┬—┬—┬—┬—┬—┬—┬┘1A 1B 2A 2B 2C 2Y GNDVcc H G Y┌┴—┴—┴—┴—┴—┴—┴┐│14 13 12 11 10 9 8│)│ 8输入与非门74LS30│ 1 2 3 4 5 6 7│ ________└┬—┬—┬—┬—┬—┬—┬┘ Y = ABCDEFGHA B C D E F GND页首非门,驱动器与门,与非门或门,或非门异或门,比较器译码器寄存器正逻辑或门,或非门:Vcc 4B 4A 4Y 3B 3A 3Y┌┴—┴—┴—┴—┴—┴—┴┐ 2输入四或门74LS32│14 13 12 11 10 9 8│)│ Y = A+B│ 1 2 3 4 5 6 7│└┬—┬—┬—┬—┬—┬—┬┘1A 1B 1Y 2A 2B 2Y GNDVcc 4Y 4B 4A 3Y 3B 3A┌┴—┴—┴—┴—┴—┴—┴┐ 2输入四或非门74LS02│14 13 12 11 10 9 8│ ___)│ Y = A+B│ 1 2 3 4 5 6 7│└┬—┬—┬—┬—┬—┬—┬┘1Y 1A 1B 2Y 2A 2B GNDVcc 2Y 2B 2A 2D 2E 1F┌┴—┴—┴—┴—┴—┴—┴┐ 双与或非门74S51│14 13 12 11 10 9 8│ _____)│ 2Y = AB+DE│ 1 2 3 4 5 6 7│ _______└┬—┬—┬—┬—┬—┬—┬┘ 1Y = ABC+DEF1Y 1A 1B 1C 1D 1E GNDVcc D C B K J Y┌┴—┴—┴—┴—┴—┴—┴┐ 4-2-3-2与或非门74S64 74S65(OC门)│14 13 12 11 10 9 8│ ______________)│ Y = ABCD+EF+GHI+JK│ 1 2 3 4 5 6 7│└┬—┬—┬—┬—┬—┬—┬┘A E F G H I GND页首非门,驱动器与门,与非门或门,或非门异或门,比较器译码器寄存器2输入四异或门74LS86Vcc 4B 4A 4Y 3Y 3B 3A┌┴—┴—┴—┴—┴—┴—┴┐│14 13 12 11 10 9 8│)│ _ _│ 1 2 3 4 5 6 7│ Y=AB+AB└┬—┬—┬—┬—┬—┬—┬┘1A 1B 1Y 2Y 2A 2B GND8*2输入比较器74LS688_Vcc Y B8 A8 B7 A7 B6 A6 B5 A5┌┴—┴—┴—┴—┴—┴—┴—┴—┴—┴┐ 8*2输入比较器74LS688│20 19 18 17 16 15 14 13 12 11│)││ 1 2 3 4 5 6 7 8 9 10│└┬—┬—┬—┬—┬—┬—┬—┬—┬—┬┘CE A1 B1 A2 B2 A3 B3 A4 B4 GND_Y=A1⊙B1+A2⊙B2+A3⊙B3+A4⊙B4+A5⊙B5+A6⊙B6+A7⊙B7+A8⊙B8 页首非门,驱动器与门,与非门或门,或非门异或门,比较器译码器寄存器3-8译码器74LS138Vcc -Y0 -Y1 -Y2 -Y3 -Y4 -Y5 -Y6 __ _ _ _ __ _ _ __ _ _ __ _┌┴—┴—┴—┴—┴—┴—┴—┴┐ Y0=A B C Y1=A B B Y2=A B C Y3=A B C │16 15 14 13 12 11 10 9 │)│ __ _ _ __ _ __ _ __│ 1 2 3 4 5 6 7 8│ Y4=A B C Y5=A B C Y6=A B C Y7=A B C└┬—┬—┬—┬—┬—┬—┬—┬┘A B C -CS0 -CS1 CS2 -Y7 GND双2-4译码器74LS139Vcc -2G 2A 2B -Y0 -Y1 -Y2 -Y3 __ __ __ __ __ __ __ __┌┴—┴—┴—┴—┴—┴—┴—┴┐ Y0=2A 2B Y1=2A 2B Y2=2A 2B Y3=2A 2B │16 15 14 13 12 11 10 9 │)│ __ __ __ __ __ __ __ __│ 12 3 4 5 6 7 8│ Y0=1A 1B Y1=1A 1B Y2=1A 1B Y3=1A 1B└┬—┬—┬—┬—┬—┬—┬—┬┘-1G 1A 1B -Y0 -Y1 -Y2 -Y3 GND8*2输入比较器74LS688_Vcc Y B8 A8 B7 A7 B6 A6 B5 A5┌┴—┴—┴—┴—┴—┴—┴—┴—┴—┴┐ 8*2输入比较器74LS688│20 19 18 17 16 15 14 13 12 11│)││ 1 2 3 4 5 6 7 8 9 10│└┬—┬—┬—┬—┬—┬—┬—┬—┬—┬┘CE A1 B1 A2 B2 A3 B3 A4 B4 GND_Y=A1⊙B1+A2⊙B2+A3⊙B3+A4⊙B4+A5⊙B5+A6⊙B6+A7⊙B7+A8⊙B8寄存器:Vcc 2CR 2D 2Ck 2St 2Q -2Q┌┴—┴—┴—┴—┴—┴—┴┐ 双D触发器74LS74│14 13 12 11 10 9 8 │)││ 1 2 3 4 5 6 7│└┬—┬—┬—┬—┬—┬—┬┘1Cr 1D 1Ck 1St 1Q -1Q GNDVcc 8Q 8D 7D 7Q 6Q 6D 5D 5Q ALE┌┴—┴—┴—┴—┴—┴—┴—┴—┴—┴┐ 8位锁存器74LS373│20 19 18 17 16 15 14 13 12 11│)││ 1 2 3 4 5 6 7 8 9 10│└┬—┬—┬—┬—┬—┬—┬—┬—┬—┬┘-OE 1Q 1D 2D 2Q 3Q 3D 4D 4Q GND74HC系列功能表集成电路-74HC系列型号器件名称厂牌[数据表] 74HC00 四2输入端与非门 TI74HC01 四2输入端与非门(OC)74HC02 四2输入端或非门 TI74HC03 四2输入端与非门(OC) TI74HC04 六反相器 TI74HC05 HEX INVERTERS74HC08 四2输入端与门 TI74HC09 QUADRUPLE 2-INPUT POSITIVE-AND74HC10 三3输入端与非门 TI74HC11 三3输入端与门 TI74HC14 双4输入端与非门 TI74HC20 双4输入端与非门 TI74HC21 双4输入端与门 TI74HC27 三3输入端或非门 TI74HC30 8输入端与非门 TI74HC32 四2输入端或门 TI74HC42 4线-10线译码器(BCD输入) TI74HC73 DUAL J-K FLIP-FLOP TI74HC74 双上升沿D型触发器 TI74HC75 4-BIT BISTABLE LATCH TI74HC85A 四位数值比较器 TI74HC86 四2输入端异或门 TI74HC93 双4输入端与非门 TI74HC107 双主-从J-K触发器 TI74HC109 双J-K触发器 TI74HC112 双下降沿J-K触发器 TI型号器件名称厂牌[数据表]74HC123 可重触发双稳态触发器 TI74HC125 四总线缓冲器 TI74HC126 四总线缓冲器74HC132 四2输入端与非门74HC133 13-INPUT POSITIVE-NAND74HC137 地址锁存3线-8线译码器74HC138 3线-8线译码器74HC139 双2线-4线译码器74HC147 10线-4线优先编码器74HC148 8-LINE TO 3-LINE PRIORITY ENCODERS 74HC151 8-INPUT MULTIPLEXER74HC153 DUAL 4-INPUT MULTIPLEXER74HC154 4线-16线译码器74HC157 四2选1数据选择器74HC158 四2选1数据选择器74HC160 DECADE COUNTER74HC161 4位二进制同步计数器74HC162 DECADE COUNTER74HC163 4-BIT BINARY PRESETTABLE COUNTER74HC164 8位移位寄存器74HC165 8位并行输入/串行输出寄存器74HC166 8位并行输入/串行输出移位寄存器 TI,PHI 74HC173 4位D型寄存器 TI74HC174 HEX D-TYPE FLIP-FLOP WITH RESET TI74HC175 四上升沿D型触发器 TI74HC190 十进制同步加/减计数器 TI74HC191 4位二进制同步加/减计数器 TI74HC192 BCD二进制同步加/减计数器 TI型号器件名称厂牌[数据表]74HC193 可预置4位二进制加/减计数器 TI74HC194 4位并入/串入-并出/串出移位寄存 TI74HC195 4位移位寄存器 TI74HC221 双单稳态触器 TI74HC237 3-8线译码器(带地址锁存) TI74HC238 3-8线译码器 TI74HC239 双2-4线译码器74HC240 八反相缓冲/线驱动/线接收器 TI74HC241 八缓冲/线驱动/线接收器 TI74HC243 四总线收发器 TI74HC244 八缓冲/线驱动/线接收器 TI,FSC74HC245 八双向总线发送/接发器 TI,FSC74HC251 8选1数据选择器74HC253 双4选1数据选择器74HC257 四2选1数据选择器74HC258 四2选1数据选择器74HC259 8位可寻址锁存器74HC266 QUADRUPLE 2-INPUT EXCLUSIVE-NOR 74HC273 八D触发器74HC280 9位奇偶产生器/校验器 TI74HC283 4位二进制超位全加器74HC297 DIGITAL PHASE-LOCKED-LOOP74HC299 8位双向通用移位/存储寄存器型号器件名称厂牌[数据表]74HC354 带锁存三态8-1多路转换开关74HC365 六总线驱动器74HC366 六反相总线驱动器74HC367 六总线驱动器74HC368 六反相总线驱动器74HC373 六D型锁存器74HC374 六上升沿D型触发器74HC375 4-BIT BISTABLE LATCH74HC377 六上升沿D型触发器74HC378 6-BIT D-TYPE FLIP-FLOP74HC379 QUADRUPLE D-TYPE FLIP-FLOP74HC390 双十进制计数器74HC393 双4位二进制计数器74HC4002 高速CMOS双4输入端或非门74HC4015 高速CMOS双4位串入/并出移位寄存器74HC4016 高速CMOS四传输门74HC4017 高速CMOS十进制计数/分配器74HC4020 高速CMOS14级串行二进制计数/分频器74HC4024 高速CMOS7级二进制串行计数/分频器74HC4040 高速CMOS12级二进制串行计数/分频器74HC4046A 高速CMOS锁相环74HC4049 高速CMOS六反相缓冲/变换器74HC4050 高速CMOS六同相缓冲/变换器CD系列芯片功能CD4000 双3输入端或非门+单非门TICD4001 四2输入端或非门HIT/NSC/TI/GOLCD4002 双4输入端或非门NSCCD4006 18位串入/串出移位寄存器NSCCD4007 双互补对加反相器NSCCD4008 4位超前进位全加器NSCCD4009 六反相缓冲/变换器NSCCD4010 六同相缓冲/变换器NSCCD4011 四2输入端与非门HIT/TICD4012 双4输入端与非门NSCCD4013 双主-从D型触发器FSC/NSC/TOSCD4014 8位串入/并入-串出移位寄存器NSCCD4015 双4位串入/并出移位寄存器TICD4016 四传输门FSC/TICD4017 十进制计数/分配器FSC/TI/MOTCD4018 可预制1/N计数器NSC/MOTCD4019 四与或选择器PHICD4020 14级串行二进制计数/分频器FSCCD4021 08位串入/并入-串出移位寄存器PHI/NSCCD4022 八进制计数/分配器NSC/MOTCD4023 三3输入端与非门NSC/MOT/TICD4024 7级二进制串行计数/分频器NSC/MOT/TICD4025 三3输入端或非门NSC/MOT/TICD4026 十进制计数/7段译码器NSC/MOT/TICD4027 双J-K触发器NSC/MOT/TICD4028 BCD码十进制译码器NSC/MOT/TICD4029 可预置可逆计数器NSC/MOT/TICD4030 四异或门NSC/MOT/TI/GOLCD4031 64位串入/串出移位存储器NSC/MOT/TICD4032 三串行加法器NSC/TICD4033 十进制计数/7段译码器NSC/TICD4034 8位通用总线寄存器NSC/MOT/TICD4035 4位并入/串入-并出/串出移位寄存NSC/MOT/TI CD4038 三串行加法器NSC/TICD4040 12级二进制串行计数/分频器NSC/MOT/TICD4041 四同相/反相缓冲器NSC/MOT/TICD4042 四锁存D型触发器NSC/MOT/TICD4043 4三态R-S锁存触发器("1"触发) NSC/MOT/TI CD4044 四三态R-S锁存触发器("0"触发) NSC/MOT/TI CD4046 锁相环NSC/MOT/TI/PHICD4047 无稳态/单稳态多谐振荡器NSC/MOT/TICD4048 4输入端可扩展多功能门NSC/HIT/TICD4049 六反相缓冲/变换器NSC/HIT/TICD4050 六同相缓冲/变换器NSC/MOT/TICD4051 八选一模拟开关NSC/MOT/TICD4052 双4选1模拟开关NSC/MOT/TICD4053 三组二路模拟开关NSC/MOT/TICD4054 液晶显示驱动器NSC/HIT/TICD4055 BCD-7段译码/液晶驱动器NSC/HIT/TI CD4056 液晶显示驱动器NSC/HIT/TICD4059 “N”分频计数器NSC/TICD4060 14级二进制串行计数/分频器NSC/TI/MOT CD4063 四位数字比较器NSC/HIT/TICD4066 四传输门NSC/TI/MOTCD4067 16选1模拟开关NSC/TICD4068 八输入端与非门/与门NSC/HIT/TICD4069 六反相器NSC/HIT/TICD4070 四异或门NSC/HIT/TICD4071 四2输入端或门NSC/TICD4072 双4输入端或门NSC/TICD4073 三3输入端与门NSC/TICD4075 三3输入端或门NSC/TICD4076 四D寄存器CD4077 四2输入端异或非门HITCD4078 8输入端或非门/或门CD4081 四2输入端与门NSC/HIT/TICD4082 双4输入端与门NSC/HIT/TICD4085 双2路2输入端与或非门CD4086 四2输入端可扩展与或非门CD4089 二进制比例乘法器CD4093 四2输入端施密特触发器NSC/MOT/ST CD4094 8位移位存储总线寄存器NSC/TI/PHICD4095 3输入端J-K触发器CD4096 3输入端J-K触发器CD4097 双路八选一模拟开关CD4098 双单稳态触发器NSC/MOT/TICD4099 8位可寻址锁存器NSC/MOT/STCD40100 32位左/右移位寄存器CD40101 9位奇偶较验器CD40102 8位可预置同步BCD减法计数器CD40103 8位可预置同步二进制减法计数器CD40104 4位双向移位寄存器CD40105 先入先出FI-FD寄存器CD40106 六施密特触发器NSC\TICD40107 双2输入端与非缓冲/驱动器HAR\TICD40108 4字×4位多通道寄存器CD40109 四低-高电平位移器CD40110 十进制加/减,计数,锁存,译码驱动STCD40147 10-4线编码器NSC\MOTCD40160 可预置BCD加计数器NSC\MOTCD40161 可预置4位二进制加计数器NSC\MOTCD40162 BCD加法计数器NSC\MOTCD40163 4位二进制同步计数器NSC\MOTCD40174 六锁存D型触发器NSC\TI\MOTCD40175 四D型触发器NSC\TI\MOTCD40181 4位算术逻辑单元/函数发生器CD40182 超前位发生器CD40192 可预置BCD加/减计数器(双时钟) NSC\TI CD40193 可预置4位二进制加/减计数器NSC\TICD40194 4位并入/串入-并出/串出移位寄存NSC\MOT CD40195 4位并入/串入-并出/串出移位寄存NSC\MOT CD40208 4×4多端口寄存器型号器件名称厂牌备注CD4501 4输入端双与门及2输入端或非门CD4502 可选通三态输出六反相/缓冲器CD4503 六同相三态缓冲器CD4504 六电压转换器CD4506 双二组2输入可扩展或非门CD4508 双4位锁存D型触发器CD4510 可预置BCD码加/减计数器CD4511 BCD锁存,7段译码,驱动器CD4512 八路数据选择器CD4513 BCD锁存,7段译码,驱动器(消隐)CD4514 4位锁存,4线-16线译码器CD4515 4位锁存,4线-16线译码器CD4516 可预置4位二进制加/减计数器CD4517 双64位静态移位寄存器CD4518 双BCD同步加计数器CD4519 四位与或选择器CD4520 双4位二进制同步加计数器CD4521 24级分频器CD4522 可预置BCD同步1/N计数器CD4526 可预置4位二进制同步1/N计数器CD4527 BCD比例乘法器CD4528 双单稳态触发器CD4529 双四路/单八路模拟开关CD4530 双5输入端优势逻辑门CD4531 12位奇偶校验器CD4532 8位优先编码器CD4536 可编程定时器CD4538 精密双单稳CD4539 双四路数据选择器CD4541 可编程序振荡/计时器CD4543 BCD七段锁存译码,驱动器CD4544 BCD七段锁存译码,驱动器CD4547 BCD七段译码/大电流驱动器CD4549 函数近似寄存器CD4551 四2通道模拟开关CD4553 三位BCD计数器CD4555 双二进制四选一译码器/分离器CD4556 双二进制四选一译码器/分离器CD4558 BCD八段译码器CD4560 "N"BCD加法器CD4561 "9"求补器CD4573 四可编程运算放大器CD4574 四可编程电压比较器CD4575 双可编程运放/比较器CD4583 双施密特触发器CD4584 六施密特触发器CD4585 4位数值比较器CD4599 8位可寻址锁存器。
74系列::74LS00 TTL 2输入端四与非门输入端四与非门74LS01 TTL 集电极开路2输入端四与非门输入端四与非门74LS02 TTL 2输入端四或非门输入端四或非门74LS03 TTL 集电极开路2输入端四与非门输入端四与非门74LS04 TTL 六反相器六反相器74LS05 TTL 集电极开路六反相器集电极开路六反相器74LS06 TTL 集电极开路六反相高压驱动器集电极开路六反相高压驱动器74LS07 TTL 集电极开路六正相高压驱动器集电极开路六正相高压驱动器74LS08 TTL 2输入端四与门输入端四与门74LS09 TTL 集电极开路2输入端四与门输入端四与门74LS10 TTL 3输入端3与非门与非门74LS107 TTL 带清除主从双J-K触发器触发器74LS109 TTL 带预置清除正触发双J-K触发器触发器 74LS11 TTL 3输入端3与门与门74LS112 TTL 带预置清除负触发双J-K触发器触发器 74LS12 TTL 开路输出3输入端三与非门输入端三与非门74LS121 TTL 单稳态多谐振荡器单稳态多谐振荡器74LS122 TTL 可再触发单稳态多谐振荡器可再触发单稳态多谐振荡器74LS123 TTL 双可再触发单稳态多谐振荡器双可再触发单稳态多谐振荡器 74LS125 TTL 三态输出高有效四总线缓冲门三态输出高有效四总线缓冲门 74LS126 TTL 三态输出低有效四总线缓冲门三态输出低有效四总线缓冲门 74LS13 TTL 4输入端双与非施密特触发器输入端双与非施密特触发器74LS132 TTL 2输入端四与非施密特触发器输入端四与非施密特触发器74LS133 TTL 13输入端与非门输入端与非门74LS136 TTL 四异或门四异或门74LS138 TTL 3-8线译码器/复工器复工器74LS139 TTL 双2-4线译码器/复工器复工器74LS14 TTL 六反相施密特触发器六反相施密特触发器74LS145 TTL BCD—十进制译码/驱动器驱动器74LS15 TTL 开路输出3输入端三与门输入端三与门74LS150 TTL 16选1数据选择/多路开关多路开关74LS151 TTL 8选1数据选择器数据选择器74LS153 TTL 双4选1数据选择器数据选择器74LS154 TTL 4线—16线译码器线译码器74LS155 TTL 图腾柱输出译码器/分配器分配器74LS156 TTL 开路输出译码器/分配器分配器74LS157 TTL 同相输出四2选1数据选择器数据选择器74LS158 TTL 反相输出四2选1数据选择器数据选择器74LS16 TTL 开路输出六反相缓冲/驱动器驱动器74LS160 TTL 可预置BCD异步清除计数器异步清除计数器74LS161 TTL 可予制四位二进制异步清除计数器可予制四位二进制异步清除计数器 74LS162 TTL 可预置BCD同步清除计数器同步清除计数器74LS163 TTL 可予制四位二进制同步清除计数器可予制四位二进制同步清除计数器 74LS164 TTL 八位串行入/并行输出移位寄存器并行输出移位寄存器 74LS165 TTL 八位并行入/串行输出移位寄存器串行输出移位寄存器 74LS166 TTL 八位并入/串出移位寄存器串出移位寄存器74LS169 TTL 二进制四位加/减同步计数器减同步计数器74LS17 TTL 开路输出六同相缓冲/驱动器驱动器74LS170 TTL 开路输出4×4寄存器堆寄存器堆74LS173 TTL 三态输出四位D型寄存器型寄存器74LS174 TTL 带公共时钟和复位六D触发器触发器74LS175 TTL 带公共时钟和复位四D触发器触发器74LS180 TTL 9位奇数/偶数发生器/校验器校验器74LS181 TTL 算术逻辑单元/函数发生器函数发生器74LS185 TTL 二进制—BCD代码转换器代码转换器74LS190 TTL BCD同步加/减计数器减计数器74LS191 TTL 二进制同步可逆计数器二进制同步可逆计数器74LS192 TTL 可预置BCD双时钟可逆计数器双时钟可逆计数器74LS193 TTL 可预置四位二进制双时钟可逆计数器可预置四位二进制双时钟可逆计数器 74LS194 TTL 四位双向通用移位寄存器四位双向通用移位寄存器74LS195 TTL 四位并行通道移位寄存器四位并行通道移位寄存器74LS196 TTL 十进制/二-十进制可预置计数锁存器十进制可预置计数锁存器 74LS197 TTL 二进制可预置锁存器/计数器计数器74LS20 TTL 4输入端双与非门输入端双与非门74LS21 TTL 4输入端双与门输入端双与门74LS22 TTL 开路输出4输入端双与非门输入端双与非门74LS221 TTL 双/单稳态多谐振荡器单稳态多谐振荡器74LS240 TTL 八反相三态缓冲器/线驱动器线驱动器74LS241 TTL 八同相三态缓冲器/线驱动器线驱动器74LS243 TTL 四同相三态总线收发器四同相三态总线收发器74LS244 TTL 八同相三态缓冲器/线驱动器线驱动器74LS245 TTL 八同相三态总线收发器八同相三态总线收发器74LS247 TTL BCD—7段15V输出译码/驱动器驱动器74LS248 TTL BCD—7段译码/升压输出驱动器升压输出驱动器74LS249 TTL BCD—7段译码/开路输出驱动器开路输出驱动器74LS251 TTL 三态输出8选1数据选择器/复工器复工器74LS253 TTL 三态输出双4选1数据选择器/复工器复工器 74LS256 TTL 双四位可寻址锁存器双四位可寻址锁存器74LS257 TTL 三态原码四2选1数据选择器/复工器复工器 74LS258 TTL 三态反码四2选1数据选择器/复工器复工器 74LS259 TTL 八位可寻址锁存器/3-8线译码器线译码器74LS26 TTL 2输入端高压接口四与非门输入端高压接口四与非门74LS260 TTL 5输入端双或非门输入端双或非门74LS266 TTL 2输入端四异或非门输入端四异或非门74LS27 TTL 3输入端三或非门输入端三或非门74LS273 TTL 带公共时钟复位八D触发器触发器74LS279 TTL 四图腾柱输出S-R锁存器锁存器74LS28 TTL 2输入端四或非门缓冲器输入端四或非门缓冲器74LS283 TTL 4位二进制全加器位二进制全加器74LS290 TTL 二/五分频十进制计数器五分频十进制计数器74LS293 TTL 二/八分频四位二进制计数器八分频四位二进制计数器74LS295 TTL 四位双向通用移位寄存器四位双向通用移位寄存器74LS298 TTL 四2输入多路带存贮开关输入多路带存贮开关74LS299 TTL 三态输出八位通用移位寄存器三态输出八位通用移位寄存器74LS30 TTL 8输入端与非门输入端与非门74LS32 TTL 2输入端四或门输入端四或门74LS322 TTL 带符号扩展端八位移位寄存器带符号扩展端八位移位寄存器74LS323 TTL 三态输出八位双向移位/存贮寄存器存贮寄存器 74LS33 TTL 开路输出2输入端四或非缓冲器输入端四或非缓冲器74LS347 TTL BCD—7段译码器/驱动器驱动器74LS352 TTL 双4选1数据选择器/复工器复工器74LS353 TTL 三态输出双4选1数据选择器/复工器复工器 74LS365 TTL 门使能输入三态输出六同相线驱动器门使能输入三态输出六同相线驱动器 74LS365 TTL 门使能输入三态输出六同相线驱动器门使能输入三态输出六同相线驱动器 74LS366 TTL 门使能输入三态输出六反相线驱动器门使能输入三态输出六反相线驱动器 74LS367 TTL 4/2线使能输入三态六同相线驱动器线使能输入三态六同相线驱动器 74LS368 TTL 4/2线使能输入三态六反相线驱动器线使能输入三态六反相线驱动器 74LS37 TTL 开路输出2输入端四与非缓冲器输入端四与非缓冲器74LS373 TTL 三态同相八D锁存器锁存器74LS374 TTL 三态反相八D锁存器锁存器74LS375 TTL 4位双稳态锁存器位双稳态锁存器74LS377 TTL 单边输出公共使能八D锁存器锁存器74LS378 TTL 单边输出公共使能六D锁存器锁存器74LS379 TTL 双边输出公共使能四D锁存器锁存器74LS38 TTL 开路输出2输入端四与非缓冲器输入端四与非缓冲器74LS380 TTL 多功能八进制寄存器多功能八进制寄存器74LS39 TTL 开路输出2输入端四与非缓冲器输入端四与非缓冲器74LS390 TTL 双十进制计数器双十进制计数器74LS393 TTL 双四位二进制计数器双四位二进制计数器74LS40 TTL 4输入端双与非缓冲器输入端双与非缓冲器74LS42 TTL BCD—十进制代码转换器十进制代码转换器74LS352 TTL 双4选1数据选择器/复工器复工器74LS353 TTL 三态输出双4选1数据选择器/复工器复工器 74LS365 TTL 门使能输入三态输出六同相线驱动器门使能输入三态输出六同相线驱动器 74LS366 TTL 门使能输入三态输出六反相线驱动器门使能输入三态输出六反相线驱动器 74LS367 TTL 4/2线使能输入三态六同相线驱动器线使能输入三态六同相线驱动器 74LS368 TTL 4/2线使能输入三态六反相线驱动器线使能输入三态六反相线驱动器 74LS37 TTL 开路输出2输入端四与非缓冲器输入端四与非缓冲器74LS373 TTL 三态同相八D锁存器锁存器74LS374 TTL 三态反相八D锁存器锁存器74LS375 TTL 4位双稳态锁存器位双稳态锁存器74LS377 TTL 单边输出公共使能八D锁存器锁存器74LS378 TTL 单边输出公共使能六D锁存器锁存器74LS379 TTL 双边输出公共使能四D锁存器锁存器74LS38 TTL 开路输出2输入端四与非缓冲器输入端四与非缓冲器74LS380 TTL 多功能八进制寄存器多功能八进制寄存器74LS39 TTL 开路输出2输入端四与非缓冲器输入端四与非缓冲器74LS390 TTL 双十进制计数器双十进制计数器74LS393 TTL 双四位二进制计数器双四位二进制计数器74LS40 TTL 4输入端双与非缓冲器输入端双与非缓冲器74LS42 TTL BCD—十进制代码转换器十进制代码转换器74LS447 TTL BCD—7段译码器/驱动器驱动器74LS45 TTL BCD—十进制代码转换/驱动器驱动器74LS450 TTL 16:1多路转接复用器多工器多路转接复用器多工器74LS451 TTL 双8:1多路转接复用器多工器多路转接复用器多工器74LS453 TTL 四4:1多路转接复用器多工器多路转接复用器多工器74LS46 TTL BCD—7段低有效译码/驱动器驱动器74LS460 TTL 十位比较器十位比较器74LS461 TTL 八进制计数器八进制计数器74LS465 TTL 三态同相2与使能端八总线缓冲器与使能端八总线缓冲器 74LS466 TTL 三态反相2与使能八总线缓冲器与使能八总线缓冲器74LS467 TTL 三态同相2使能端八总线缓冲器使能端八总线缓冲器74LS468 TTL 三态反相2使能端八总线缓冲器使能端八总线缓冲器74LS469 TTL 八位双向计数器八位双向计数器74LS47 TTL BCD—7段高有效译码/驱动器驱动器74LS48 TTL BCD—7段译码器/内部上拉输出驱动内部上拉输出驱动 74LS490 TTL 双十进制计数器双十进制计数器74LS491 TTL 十位计数器十位计数器74LS498 TTL 八进制移位寄存器八进制移位寄存器74LS50 TTL 2-3/2-2输入端双与或非门输入端双与或非门74LS502 TTL 八位逐次逼近寄存器八位逐次逼近寄存器74LS503 TTL 八位逐次逼近寄存器八位逐次逼近寄存器74LS51 TTL 2-3/2-2输入端双与或非门输入端双与或非门74LS533 TTL 三态反相八D锁存器锁存器74LS534 TTL 三态反相八D锁存器锁存器74LS54 TTL 四路输入与或非门四路输入与或非门74LS540 TTL 八位三态反相输出总线缓冲器八位三态反相输出总线缓冲器74LS55 TTL 4输入端二路输入与或非门输入端二路输入与或非门74LS563 TTL 八位三态反相输出触发器八位三态反相输出触发器74LS564 TTL 八位三态反相输出D触发器触发器74LS573 TTL 八位三态输出触发器八位三态输出触发器74LS574 TTL 八位三态输出D触发器触发器74LS645 TTL 三态输出八同相总线传送接收器三态输出八同相总线传送接收器74LS670 TTL 三态输出4×4寄存器堆寄存器堆74LS73 TTL 带清除负触发双J-K 触发器触发器74LS74 TTL 带置位复位正触发双D 触发器触发器74LS76 TTL 带预置清除双J-K 触发器触发器74LS83 TTL 四位二进制快速进位全加器四位二进制快速进位全加器74LS85 TTL 四位数字比较器四位数字比较器74LS86 TTL 2输入端四异或门输入端四异或门74LS90 TTL 可二/五分频十进制计数器五分频十进制计数器74LS93 TTL 可二/八分频二进制计数器八分频二进制计数器74LS95 TTL 四位并行输入\输出移位寄存器输出移位寄存器74LS97 TTL 6位同步二进制乘法器位同步二进制乘法器在MISC 库中库中PS:1。
74LS系列通用逻辑电路功能表注:同型号的74系列、74HC系列、74LS系列芯片,逻辑功能上是一样的。
74LSxx 的使用说明如果找不到的话,可参阅74xx或74HCxx的使用说明74LS00 TTL 2输入端四与非门74LS01 TTL 集电极开路2输入端四与非门74LS02 TTL 2输入端四或非门74LS03 TTL 集电极开路2输入端四与非门74LS122 TTL 可再触发单稳态多谐振荡器74LS123 TTL 双可再触发单稳态多谐振荡器74LS125 TTL 三态输出高有效四总线缓冲门74LS126 TTL 三态输出低有效四总线缓冲门74LS13 TTL 4输入端双与非施密特触发器74LS132 TTL 2输入端四与非施密特触发器74LS133 TTL 13输入端与非门74LS136 TTL 四异或门74LS138 TTL 3-8线译码器/复工器74LS139 TTL 双2-4线译码器/复工器74LS14 TTL 六反相施密特触发器74LS145 TTL BCD—十进制译码/驱动器74LS15 TTL 开路输出3输入端三与门74LS150 TTL 16选1数据选择/多路开关74LS151 TTL 8选1数据选择器74LS153 TTL 双4选1数据选择器74LS154 TTL 4线—16线译码器74LS155 TTL 图腾柱输出译码器/分配器74LS156 TTL 开路输出译码器/分配器74LS157 TTL 同相输出四2选1数据选择器74LS158 TTL 反相输出四2选1数据选择器74LS16 TTL 开路输出六反相缓冲/驱动器74LS160 TTL 可预置BCD异步清除计数器74LS161 TTL 可予制四位二进制异步清除计数器74LS162 TTL 可预置BCD同步清除计数器74LS163 TTL 可予制四位二进制同步清除计数器74LS164 TTL 八位串行入/并行输出移位寄存器74LS165 TTL 八位并行入/串行输出移位寄存器74LS166 TTL 八位并入/串出移位寄存器74LS169 TTL 二进制四位加/减同步计数器74LS17 TTL 开路输出六同相缓冲/驱动器74LS170 TTL 开路输出4×4寄存器堆74LS173 TTL 三态输出四位D型寄存器74LS174 TTL 带公共时钟和复位六D触发器74LS175 TTL 带公共时钟和复位四D触发器74LS180 TTL 9位奇数/偶数发生器/校验器74LS181 TTL 算术逻辑单元/函数发生器74LS185 TTL 二进制—BCD代码转换器74LS190 TTL BCD同步加/减计数器74LS191 TTL 二进制同步可逆计数器74LS192 TTL 可预置BCD双时钟可逆计数器74LS193 TTL 可预置四位二进制双时钟可逆计数器74LS194 TTL 四位双向通用移位寄存器74LS195 TTL 四位并行通道移位寄存器74LS196 TTL 十进制/二-十进制可预置计数锁存器74LS197 TTL 二进制可预置锁存器/计数器74LS20 TTL 4输入端双与非门74LS21 TTL 4输入端双与门74LS22 TTL 开路输出4输入端双与非门74LS221 TTL 双/单稳态多谐振荡器74LS240 TTL 八反相三态缓冲器/线驱动器74LS241 TTL 八同相三态缓冲器/线驱动器74LS243 TTL 四同相三态总线收发器74LS244 TTL 八同相三态缓冲器/线驱动器74LS245 TTL 八同相三态总线收发器74LS247 TTL BCD—7段15V输出译码/驱动器74LS248 TTL BCD—7段译码/升压输出驱动器74LS249 TTL BCD—7段译码/开路输出驱动器74LS251 TTL 三态输出8选1数据选择器/复工器74LS253 TTL 三态输出双4选1数据选择器/复工器74LS256 TTL 双四位可寻址锁存器74LS257 TTL 三态原码四2选1数据选择器/复工器74LS258 TTL 三态反码四2选1数据选择器/复工器74LS259 TTL 八位可寻址锁存器/3-8线译码器74LS26 TTL 2输入端高压接口四与非门74LS260 TTL 5输入端双或非门74LS266 TTL 2输入端四异或非门74LS27 TTL 3输入端三或非门74LS273 TTL 带公共时钟复位八D触发器74LS279 TTL 四图腾柱输出S-R锁存器74LS28 TTL 2输入端四或非门缓冲器74LS283 TTL 4位二进制全加器74LS290 TTL 二/五分频十进制计数器74LS293 TTL 二/八分频四位二进制计数器74LS295 TTL 四位双向通用移位寄存器74LS298 TTL 四2输入多路带存贮开关74LS299 TTL 三态输出八位通用移位寄存器74LS30 TTL 8输入端与非门74LS32 TTL 2输入端四或门74LS322 TTL 带符号扩展端八位移位寄存器74LS323 TTL 三态输出八位双向移位/存贮寄存器74LS33 TTL 开路输出2输入端四或非缓冲器74LS347 TTL BCD—7段译码器/驱动器74LS352 TTL 双4选1数据选择器/复工器74LS353 TTL 三态输出双4选1数据选择器/复工器74LS365 TTL 门使能输入三态输出六同相线驱动器74LS365 TTL 门使能输入三态输出六同相线驱动器74LS366 TTL 门使能输入三态输出六反相线驱动器74LS367 TTL 4/2线使能输入三态六同相线驱动器74LS368 TTL 4/2线使能输入三态六反相线驱动器74LS37 TTL 开路输出2输入端四与非缓冲器74LS373 TTL 三态同相八D锁存器74LS374 TTL 三态反相八D锁存器74LS375 TTL 4位双稳态锁存器74LS377 TTL 单边输出公共使能八D锁存器74LS378 TTL 单边输出公共使能六D锁存器74LS379 TTL 双边输出公共使能四D锁存器74LS38 TTL 开路输出2输入端四与非缓冲器74LS380 TTL 多功能八进制寄存器74LS39 TTL 开路输出2输入端四与非缓冲器74LS390 TTL 双十进制计数器74LS393 TTL 双四位二进制计数器74LS40 TTL 4输入端双与非缓冲器74LS42 TTL BCD—十进制代码转换器74LS352 TTL 双4选1数据选择器/复工器74LS353 TTL 三态输出双4选1数据选择器/复工器74LS365 TTL 门使能输入三态输出六同相线驱动器74LS366 TTL 门使能输入三态输出六反相线驱动器74LS367 TTL 4/2线使能输入三态六同相线驱动器74LS368 TTL 4/2线使能输入三态六反相线驱动器74LS37 TTL 开路输出2输入端四与非缓冲器74LS373 TTL 三态同相八D锁存器74LS374 TTL 三态反相八D锁存器74LS375 TTL 4位双稳态锁存器74LS377 TTL 单边输出公共使能八D锁存器74LS378 TTL 单边输出公共使能六D锁存器74LS379 TTL 双边输出公共使能四D锁存器74LS38 TTL 开路输出2输入端四与非缓冲器74LS380 TTL 多功能八进制寄存器74LS39 TTL 开路输出2输入端四与非缓冲器74LS390 TTL 双十进制计数器74LS393 TTL 双四位二进制计数器74LS40 TTL 4输入端双与非缓冲器74LS42 TTL BCD—十进制代码转换器74LS447 TTL BCD—7段译码器/驱动器74LS45 TTL BCD—十进制代码转换/驱动器74LS450 TTL 16:1多路转接复用器多工器74LS451 TTL 双8:1多路转接复用器多工器74LS453 TTL 四4:1多路转接复用器多工器74LS46 TTL BCD—7段低有效译码/驱动器74LS460 TTL 十位比较器74LS461 TTL 八进制计数器74LS465 TTL 三态同相2与使能端八总线缓冲器74LS466 TTL 三态反相2与使能八总线缓冲器74LS467 TTL 三态同相2使能端八总线缓冲器74LS468 TTL 三态反相2使能端八总线缓冲器74LS469 TTL 八位双向计数器74LS47 TTL BCD—7段高有效译码/驱动器74LS48 TTL BCD—7段译码器/内部上拉输出驱动74LS490 TTL 双十进制计数器74LS491 TTL 十位计数器74LS498 TTL 八进制移位寄存器74LS50 TTL 2-3/2-2输入端双与或非门74LS502 TTL 八位逐次逼近寄存器74LS503 TTL 八位逐次逼近寄存器74LS51 TTL 2-3/2-2输入端双与或非门74LS533 TTL 三态反相八D锁存器74LS534 TTL 三态反相八D锁存器74LS54 TTL 四路输入与或非门74LS540 TTL 八位三态反相输出总线缓冲器74LS55 TTL 4输入端二路输入与或非门74LS563 TTL 八位三态反相输出触发器74LS564 TTL 八位三态反相输出D触发器74LS573 TTL 八位三态输出触发器74LS574 TTL 八位三态输出D触发器74LS645 TTL 三态输出八同相总线传送接收器74LS670 TTL 三态输出4×4寄存器堆74LS73 TTL 带清除负触发双J-K触发器74LS74 TTL 带置位复位正触发双D触发器74LS76 TTL 带预置清除双J-K触发器74LS83 TTL 四位数字比较器74。
常用74系列标准数字电路的中文名称资料7400 TTL 2输入端四与非门7401 TTL 集电极开路2输入端四与非门7402 TTL 2输入端四或非门7403 TTL 集电极开路2输入端四与非门7404 TTL 六反相器7405 TTL 集电极开路六反相器7406 TTL 集电极开路六反相高压驱动器7407 TTL 集电极开路六正相高压驱动器7408 TTL 2输入端四与门7409 TTL 集电极开路2输入端四与门7410 TTL 3输入端3与非门74107 TTL 带清除主从双J-K触发器74109 TTL 带预置清除正触发双J-K触发器7411 TTL 3输入端3与门74112 TTL 带预置清除负触发双J-K触发器7412 TTL 开路输出3输入端三与非门74121 TTL 单稳态多谐振荡器74122 TTL 可再触发单稳态多谐振荡器74123 TTL 双可再触发单稳态多谐振荡器74125 TTL 三态输出高有效四总线缓冲门74126 TTL 三态输出低有效四总线缓冲门7413 TTL 4输入端双与非施密特触发器74132 TTL 2输入端四与非施密特触发器74133 TTL 13输入端与非门74136 TTL 四异或门74138 TTL 3-8线译码器/复工器74139 TTL 双2-4线译码器/复工器7414 TTL 六反相施密特触发器74145 TTL BCD—十进制译码/驱动器7415 TTL 开路输出3输入端三与门74150 TTL 16选1数据选择/多路开关74151 TTL 8选1数据选择器74153 TTL 双4选1数据选择器74154 TTL 4线—16线译码器74155 TTL 图腾柱输出译码器/分配器74156 TTL 开路输出译码器/分配器74157 TTL 同相输出四2选1数据选择器74158 TTL 反相输出四2选1数据选择器7416 TTL 开路输出六反相缓冲/驱动器74160 TTL 可预置BCD异步清除计数器74161 TTL 可予制四位二进制异步清除计数器74162 TTL 可预置BCD同步清除计数器74163 TTL 可予制四位二进制同步清除计数器74164 TTL 八位串行入/并行输出移位寄存器74165 TTL 八位并行入/串行输出移位寄存器74166 TTL 八位并入/串出移位寄存器74169 TTL 二进制四位加/减同步计数器7417 TTL 开路输出六同相缓冲/驱动器74170 TTL 开路输出4×4寄存器堆74173 TTL 三态输出四位D型寄存器74174 TTL 带公共时钟和复位六D触发器74175 TTL 带公共时钟和复位四D触发器74180 TTL 9位奇数/偶数发生器/校验器74181 TTL 算术逻辑单元/函数发生器74185 TTL 二进制—BCD代码转换器74190 TTL BCD同步加/减计数器74191 TTL 二进制同步可逆计数器74192 TTL 可预置BCD双时钟可逆计数器74193 TTL 可预置四位二进制双时钟可逆计数器74194 TTL 四位双向通用移位寄存器74195 TTL 四位并行通道移位寄存器74196 TTL 十进制/二-十进制可预置计数锁存器74197 TTL 二进制可预置锁存器/计数器7420 TTL 4输入端双与非门7421 TTL 4输入端双与门7422 TTL 开路输出4输入端双与非门74221 TTL 双/单稳态多谐振荡器74240 TTL 八反相三态缓冲器/线驱动器74241 TTL 八同相三态缓冲器/线驱动器74243 TTL 四同相三态总线收发器74244 TTL 八同相三态缓冲器/线驱动器74245 TTL 八同相三态总线收发器74247 TTL BCD—7段15V输出译码/驱动器74248 TTL BCD—7段译码/升压输出驱动器74249 TTL BCD—7段译码/开路输出驱动器74251 TTL 三态输出8选1数据选择器/复工器74253 TTL 三态输出双4选1数据选择器/复工器74256 TTL 双四位可寻址锁存器74257 TTL 三态原码四2选1数据选择器/复工器74258 TTL 三态反码四2选1数据选择器/复工器74259 TTL 八位可寻址锁存器/3-8线译码器7426 TTL 2输入端高压接口四与非门74260 TTL 5输入端双或非门74266 TTL 2输入端四异或非门7427 TTL 3输入端三或非门74273 TTL 带公共时钟复位八D触发器74279 TTL 四图腾柱输出S-R锁存器7428 TTL 2输入端四或非门缓冲器74283 TTL 4位二进制全加器74290 TTL 二/五分频十进制计数器74293 TTL 二/八分频四位二进制计数器74295 TTL 四位双向通用移位寄存器74298 TTL 四2输入多路带存贮开关74299 TTL 三态输出八位通用移位寄存器7430 TTL 8输入端与非门7432 TTL 2输入端四或门74322 TTL 带符号扩展端八位移位寄存器74323 TTL 三态输出八位双向移位/存贮寄存器7433 TTL 开路输出2输入端四或非缓冲器74347 TTL BCD—7段译码器/驱动器74352 TTL 双4选1数据选择器/复工器74353 TTL 三态输出双4选1数据选择器/复工器74365 TTL 门使能输入三态输出六同相线驱动器74365 TTL 门使能输入三态输出六同相线驱动器74366 TTL 门使能输入三态输出六反相线驱动器74367 TTL 4/2线使能输入三态六同相线驱动器74368 TTL 4/2线使能输入三态六反相线驱动器7437 TTL 开路输出2输入端四与非缓冲器74373 TTL 三态同相八D锁存器74374 TTL 三态反相八D锁存器74375 TTL 4位双稳态锁存器74377 TTL 单边输出公共使能八D锁存器74378 TTL 单边输出公共使能六D锁存器74379 TTL 双边输出公共使能四D锁存器7438 TTL 开路输出2输入端四与非缓冲器74380 TTL 多功能八进制寄存器7439 TTL 开路输出2输入端四与非缓冲器74390 TTL 双十进制计数器74393 TTL 双四位二进制计数器7440 TTL 4输入端双与非缓冲器7442 TTL BCD—十进制代码转换器74352 TTL 双4选1数据选择器/复工器74353 TTL 三态输出双4选1数据选择器/复工器74365 TTL 门使能输入三态输出六同相线驱动器74366 TTL 门使能输入三态输出六反相线驱动器74367 TTL 4/2线使能输入三态六同相线驱动器74368 TTL 4/2线使能输入三态六反相线驱动器7437 TTL 开路输出2输入端四与非缓冲器74373 TTL 三态同相八D锁存器74374 TTL 三态反相八D锁存器74375 TTL 4位双稳态锁存器74377 TTL 单边输出公共使能八D锁存器74378 TTL 单边输出公共使能六D锁存器74379 TTL 双边输出公共使能四D锁存器7438 TTL 开路输出2输入端四与非缓冲器74380 TTL 多功能八进制寄存器7439 TTL 开路输出2输入端四与非缓冲器74390 TTL 双十进制计数器74393 TTL 双四位二进制计数器7440 TTL 4输入端双与非缓冲器7442 TTL BCD—十进制代码转换器74447 TTL BCD—7段译码器/驱动器7445 TTL BCD—十进制代码转换/驱动器74450 TTL 16:1多路转接复用器多工器74451 TTL 双8:1多路转接复用器多工器74453 TTL 四4:1多路转接复用器多工器7446 TTL BCD—7段低有效译码/驱动器74460 TTL 十位比较器74461 TTL 八进制计数器74465 TTL 三态同相2与使能端八总线缓冲器74466 TTL 三态反相2与使能八总线缓冲器74467 TTL 三态同相2使能端八总线缓冲器74468 TTL 三态反相2使能端八总线缓冲器74469 TTL 八位双向计数器7447 TTL BCD—7段高有效译码/驱动器7448 TTL BCD—7段译码器/内部上拉输出驱动74490 TTL 双十进制计数器74491 TTL 十位计数器74498 TTL 八进制移位寄存器7450 TTL 2-3/2-2输入端双与或非门74502 TTL 八位逐次逼近寄存器74503 TTL 八位逐次逼近寄存器7451 TTL 2-3/2-2输入端双与或非门74533 TTL 三态反相八D锁存器74534 TTL 三态反相八D锁存器7454 TTL 四路输入与或非门74540 TTL 八位三态反相输出总线缓冲器7455 TTL 4输入端二路输入与或非门74563 TTL 八位三态反相输出触发器74564 TTL 八位三态反相输出D触发器74573 TTL 八位三态输出触发器74574 TTL 八位三态输出D触发器74645 TTL 三态输出八同相总线传送接收器74670 TTL 三态输出4×4寄存器堆7473 TTL 带清除负触发双J-K触发器7474 TTL 带置位复位正触发双D触发器7476 TTL 带预置清除双J-K触发器7483 TTL 四位二进制快速进位全加器7485 TTL 四位数字比较器7486 TTL 2输入端四异或门7490 TTL 可二/五分频十进制计数器7493 TTL 可二/八分频二进制计数器7495 TTL 四位并行输入\输出移位寄存器7497 TTL 6位同步二进制乘法器SN74LSOO四2输入与非门SN74LSO2四2输入或非门SN74LS04六反相器SN74LS06六反相缓冲器/驱动器SN74LS08四2输入与非门SN74LS10三3输入与非门SN74LS12三3输入与非门SN74LS14六反相器.斯密特触发SN74LS16六反相缓冲器/驱动器SN74LS20双4输入与门SN74LS22双4输入与门SN74LS26四2输入与非门SN74LS28四输入端或非缓冲器SN74LS32四2输入或门SN74LS37四输入端与非缓冲器SN74LS40四输入端与非缓冲器SN74LS47BCD-七段译码驱动器SN74LS49BCD-七段译码驱动器SN74LS54四输入与或非门SN74LS63六电流读出接口门SN74LS74双D触发器SN74LS76双J-K触发器SN74LS83双J-K触发器SN74LS86四2输入异或门SN74LS904位十进制波动计数器SN74LS9212分频计数器SN74LS965位移位寄存器SN74LS109正沿触发双J-K触发器SN74LS113双J-K负沿触发器SN74LS121单稳态多谐振荡器SN74LS123双稳态多谐振荡器SN74LS125三态缓冲器SN74LS1313-8线译码器SN74LS13313输入与非门SN74LS137地址锁存3-8线译码器SN74LS139双2-4线译码-转换器SN74LS14710-4线优先编码器SN74LS153双4选1数据选择器SN74LS155双2-4线多路分配器SN74LS157四2选1数据选择器SN74LS160同步BDC十进制计数器SN74LS162同步BDC十进制计数器SN74LS1648位串入并出移位寄存SN74LS1668位移位寄存器SN74LS1694位可逆同步计数器SN74LS17216位多通道寄存器堆SN74LS1746D型触发器SN74LS176可预置十进制计数器SN74LS182超前进位发生器SN74LS18964位随机存储器SN74LS191二进制同步可逆计数器SN74LS193二进制可逆计数器SN74LS195并行存取移位寄存器SN74LS197可预置二进制计数器SN74LS2383-8线译码/多路转换器SN74LS241八缓冲/驱动/接收器SN74LS243四总线收发器SN74LS245八总线收发器SN74LS248BCD-七段译码驱动器SN74LS251三态8-1数据选择器SN74LS256双四位选址锁存器SN74LS258四2选1数据选择器SN74LS260双5输入或非门SN74LS266四2输入异或非门SN74LS275七位树型乘法器SN74LS279四R-S触发器SN74LS2834位二进制全加器SN74LS2934位二进制计数器SN74LS365六缓冲器带公用启动器SN74LS367六总线三态输出缓冲器SN74LS3738D锁存器SN74LS3754位双稳锁存器SN74LS386四2输入异或门SN74LS393双4位二进制计数器SN74LS5748位D型触发器SN74LS6848位数字比较器SN74LSO1四2输入与非门SN74LS03四2输入与非门SN74LS05六反相器SN74LS07六缓冲器/驱动器SN74LS09四2输入与非门SN74LS11三3输入与非门SN74LS13三3输入与非门SN74LS15三3输入与非门SN74LS17六反相缓冲器/驱动器SN74LS21双4输入与门SN74LS25双4输入与门SN74LS27三3输入与非门SN74LS30八输入端与非门SN74LS33四2输入或门SN74LS38双2输入与非缓冲器SN74LS42BCD-十进制译码器SN74LS48BCD-七段译码驱动器SN74LS51三3输入双与或非门SN74LS55四4输入与或非门SN74LS73双J-K触发器SN74LS754位双稳锁存器SN74LS78双J-K触发器SN74LS854位幅度比较器SN74LS884位全加器SN74LS918位移位寄存器SN74LS93二进制计数器SN74LS954位并入并出寄存器SN74LS107双J-K触发器SN74LS112双J-K负沿触发器SN74LS114双J-K负沿触发器SN74LS122单稳态多谐振荡器SN74LS124双压控振荡器SN74LS126四3态总线缓冲器SN74LS132二输入与非触发器SN74LS136四异或门SN74LS1383-8线译码/转换器SN74LS145BCD十进制译码/驱动器SN74LS1488-3线优先编码器SN74LS1518选1数据选择器SN74LS1544-16线多路分配器SN74LS156双2-4线多路分配器SN74LS158四2选1数据选择器SN74LS1614位二进制计数器SN74LS1634位二进制计数器SN74LS1658位移位寄存器SN74LS1684位可逆同步计数器SN74LS1704x4位寄存器堆SN74LS1734D型寄存器SN74LS1754D烯触发器SN74LS181运算器/函数发生器SN74LS183双进位保存全价器SN74LS190同步BCD十进制计数器SN74LS192BCD-同步可逆计数器SN74LS194双向通用移位寄存器SN74LS196可预置十进制计数器SN74LS221双单稳态多谐振荡器SN74LS240八缓冲/驱动/接收器SN74LS242四总线收发器SN74LS244八缓冲/驱动/接收器SN74LS247BCD-七段译码驱动器SN74LS249BCD-七段译码驱动SN74LS253双三态4-1数据选择器SN74LS257四3态2-1数据选择器SN74LS2598位可寻址锁存器SN74LS2612x4位二进制乘发器SN74LS273八进制D型触发器SN74LS276四J-K触发器SN74LS2809位奇偶数发生校检器SN74LS290十进制计数器SN74LS2954位双向通用移位寄存器SN74LS366六缓冲器带公用启动器SN74LS368六总线三态输出反相器SN74LS3748D触发器SN74LS3778位单输出D型触发器SN74LS390双十进制计数器SN74LS5738位三态输出D型锁存器SN74LS6708位数字比较器SN74HC00 四2输入与非门SN74HC02 四2输入或非门SN74HC03 四2输入或非门SN74HC04 六反相器SN74HC05 六反相器SN74HC08 四2输入与门SN74HC10 三3输入与非门SN74HC11 三3输入与门SN74HC14 六反相器/斯密特触发SN74HC20 双四输入与门SN74HC21 双四输入与非门SN74HC27 三3输入与非门SN74HC30 八输入端与非门SN74HC32 四2输入或门SN74HC42 BCD十进制译码器SN74HC73 双J-K触的器SN74HC74 双D型触发器SN74HC76 双J-K触的器SN74HC86 四2输入异或门SN74HC107 双J-K触发器SN74HC113 双J-K负沿触发器SN74HC123 双稳态多谐振荡器SN74HC125 三态缓冲器SN74HC126 四三态总线缓冲器SN74HC132 二输入与非缓冲器SN74HC137 二输入与非缓冲器SN74HC138 3-8线译码/解调器SN74HC139 双2-4线译码/解调器SN74HC148 8选1数据选择器SN74HC151 双4选1数据选择器SN74HC154 4-16线多路分配器SN74HC157 四2选1数据选择器SN74HC161 4位二进制计数器SN74HC163 4位二进制计数器SN74HC164 8位串入并出移位寄存器SN74HC165 8位移位寄存器SN74HC173 4D型触发器SN74HC174 6D触发器SN74HC175 4D型触发器SN74HC191 二进制同步可逆计数器SN74HC221 双单稳态多谐振荡器SN74HC238 3-8线译码器SN74HC240 八缓冲器SN74HC244 八总线3态输出缓冲器SN74HC245 八总线收发器SN74HC251 三态8-1数据选择器SN74HC259 8位可寻址锁存器SN74HC266 四2输入异或非门SN74HC273 8D型触发器SN74HC367 六缓冲器/总线驱动器SN74HC368 六缓冲器/总线驱动器SN74HC373 8D锁存器SN74HC374 8D触发器SN74HC393 双4位二进制计数器SN74HC541 8位三态输出缓冲器SN74HC573 8位三态输出D型锁存器SN74HC574 8D型触发器SN74HC595 8位移位寄存器/锁存器SN74HC4028 7级二进制串行加数器SN74HC4046 锁相环SN74HC4050 六同相缓冲器SN74HC4051 8选1模拟开关SN74HC4053 三2选1模拟开关SN74HC4060 14位计数/分频/振荡器SN74HC4066 四双相模拟开关SN74HC4078 3输入端三或门SN74HC4511 7段锁存/译码驱动器SN74HC4520 双二进制加法计数器74F00 高速四2输入与非门74F02 高速四2输入或非门74F04 高速六反相器74F08 高速四2输入与门74F10 高速三3输入与门74F14 高速六反相斯密特触发74F32 高速四2输入或门74F38 高速四2输入或门74F74 高速双D型触发器74F86 高速四2输入异或门74F139 高速双2-4线译码/驱动器74F151 高速双2-4线译码/驱动器74F153 高速双4选1数据选择器74F157 高速双4选1数据选择器74F161 高速6D型触发器74F174 高速6D型触发器74F175 高速4D型触发器74F244 高速八总线3态缓冲器74F245 高速八总线收发器74F373 高速8D锁存器SN74HCT04 六反相器。