锅炉型号命名守则
- 格式:doc
- 大小:26.50 KB
- 文档页数:4
DZL4-1.25-AII指单锅筒纵置式链条炉排锅炉,额定蒸发量为4吨,额定工作压力1.25兆帕,燃用二类烟煤.LHG指立式火管固定炉排锅炉,LSG指立式水管固定炉排锅炉,A指烟煤,AI,AII,AIII分别指一类,二类,三类烟煤,QXL指强制循环链条炉排锅炉以下文章出自:锅炉参数说明时间:2010-07-15 09:04:34 来源:互联网作者:访问量:13目前市面上的工业锅炉分为三大类;蒸汽锅炉、热水锅炉、有机热载体炉。
一、蒸汽锅炉型号由三部分组成,各部分之间由短横线相连△△△××-××/×××-××123 456注释:1—锅炉型式 2—燃烧方式 3—额定蒸发量(t/h)4—额定蒸汽压力 5—过热蒸汽温度 6—燃料种类二、热水锅炉型号由三部分组成,各部分之间由短横线相连△△△××-××/×××-××123 456注释:1—锅炉型式 2—燃烧方式 3—额定热功率(MW)4—允许工作压力(MPa) 5—出/进水水温 6—燃料种类其中锅炉形式的代号锅炉型式立式水管卧式外燃立式火管卧式内燃单锅筒立式单锅筒纵置式单锅筒横置式双锅筒纵置式双锅筒横置式代号LSWWLHWNDLDZDHSZSH其中燃烧方式的代号燃烧方式固定炉排固定双层炉排活动手摇炉排链条炉排往复炉排抛煤机振动炉排下饲炉排沸腾炉排半沸腾炉排室燃炉旋风炉倒转炉排加抛煤机代号GCHLWPZAFBSXD其中燃烧种类的代号(一)燃料种类Ⅰ类劣质煤Ⅱ类劣质煤Ⅰ类无烟煤Ⅱ类无烟煤Ⅲ类无烟煤Ⅰ类烟煤Ⅱ类烟煤Ⅲ类烟煤褐煤型煤代号LⅠLⅡWⅠWⅡWⅢAⅠAⅡAⅢHX其中燃烧种类代号(二)燃料种类贫煤木柴稻糠甘蔗渣柴油重油天然气焦炉煤气液化石油气油母页岩其他燃料代号PMDGYCYYQTQJQYYMT三、有机热载体炉分为液相炉和气相炉,型号由二部分组成,各部分之间由短横线相连△△△-△△123 45注释:1—炉型号代号 2—燃烧设备代号 3—炉体安置型式代号4—额定热功率(KW) 5—燃料代号其中炉型号代号炉类型液相炉气相炉代号YQ其中燃烧设备代号燃烧设备类型链条炉排抛煤机炉排其他炉排油燃烧器气燃烧器代号LPGYQ其中炉体安置型式代号炉体安置型式立式卧式其他代号LWQ文章转自锅炉吧以下文章出自:工业锅炉产品型号说明时间:2008-10-17 04:59:13 来源:锅炉吧作者:锅炉吧访问量:112 工业锅炉产品型号由三部分组成,各部分之间用短横线相连。
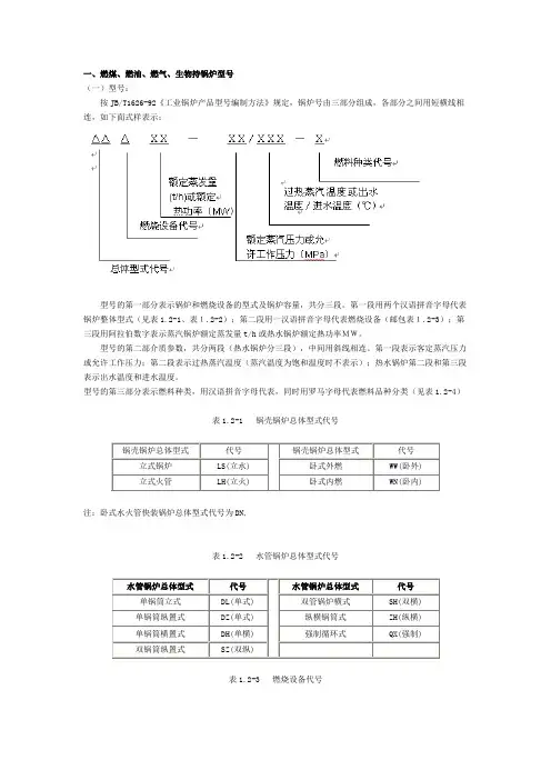
锅炉型号一、燃煤、燃油、燃气、生物持锅炉型号(一)型号:按JB/T1626-92《工业锅炉产品型号编制方法》规定,锅炉号由三部分组成,各部分之间用短横线相连,如下面式样表示:型号的第一部分表示锅炉和燃烧设备的型式及锅炉容量,共分三段。
第一段用两个汉语拼音字母代表锅炉整体型式(见表1.2-1、表1.2-2);第二段用一汉语拼音字母代表燃烧设备(邮包表1.2-3);第三段用阿拉伯数字表示蒸汽锅炉额定蒸发量t/h或热水锅炉额定热功率MW。
型号的第二部介质参数,共分两段(热水锅炉分三段),中间用斜线相连。
第一段表示客定蒸汽压力或允许工作压力;第二段表示过热蒸汽温度(蒸汽温度为饱和温度时不表示);热水锅炉第二段和第三段表示出水温度和进水温度。
型号的第三部分表示燃料种类,用汉语拼音字母代表,同时用罗马字母代表燃料品种分类(见表1.2-4)表1.2-1 锅壳锅炉总体型式代号注:卧式水火管快装锅炉总体型式代号为DN,表1.2-2 水管锅炉总体型式代号表1.2-3 燃烧设备代号注:煤粉炉和燃油燃气锅炉属室燃炉,烯烧设备代号为S。
表1.2-4 燃料品种代号注:①小型燃油燃气锅炉一般适用多种燃料,故燃料代号通常均写成Y或Q②在锅炉型号表示方法中,对常压热水锅炉,只须在型式代号之前加上常压代号C,并取消允许工作压力,其他表示方法不变。
(二)型号举例(见表1.2-5)表1.2-5 型号举例对于国外进口的锅炉,各国型号不一样,没有统一规定,可根据其产品样本、图纸资料、产品质量证明书等识别。
二、电站锅炉型号②电站锅炉型号表示汉及其说明电站锅炉型号由三部分组成,各部之间用短横线相连。
详见下面电站锅炉型号表示法及其说明:第一部分 第二部分 第三部分第一部分:制造工厂代号,用两个汉语拼音表示。
如上海锅炉厂为SG 。
第二部分:锅炉基本参数,前面数字表示蒸发量(t/h ),后面数字表示出口蒸汽压力(工作压力)。
第三部分:锅炉设计顺序号,如:DG-120/39-1,表示东方锅炉厂制造,蒸发量为120t/h ,过热蒸汽压力为3.82Mpa (39kgf/cm2)的锅炉,第一次设计。
某热电公司设备命名编号管理标准设备命名编号管理标准1.范围1.1本标准规定了新疆金川热电生产设备命名与编号管理职能、管理内容与要求、检查与考核等。
1.2本标准适用于新疆金川热电的生产设备命名与编号管理工作。
2.管理内容与要求2.1 设备命名2.1.1设备命名的原则:2.1.1.1 主设备:从固定端(本厂安装的第一台机组)向扩建端顺延。
依次命名为1号机组、2号机组或者#1机组、#2机组。
相应设备命名为1号锅炉、1号汽轮机、1号发电机、1号主变;2号锅炉、2号汽轮机、2号发电机、2号主变或者#1锅炉、#1汽轮机、#1发电机、#1主变;#2锅炉、#2汽轮机、#2发电机、#2主变。
2.1.1.2 辅助设备:2.1.1.2.1 凡设计中已命名,且实际安装与之相符合的,以设计院命名为准。
2.1.1.2.2凡设计院在设计中没有命名的,按下列原则命名:2.1.1.2.3上下排列的同类设备,由下至上依次顺延命名。
2.1.1.2.4与主设备排列方向一致的,由固定端向扩建端顺延命名。
2.1.1.2.5关于在工艺系统上按流程属串联方式排列的同类设备,命名按介质流向进行。
2.1.2设备命名的基本方法2.1.2.1主设备按单元制,用阿拉伯数字进行编号,比如:1号机、2号炉、2号主变,或者#1机、#2炉、#2主变。
从固定端向扩建端排列。
2.1.2.2辅助设备编号与它的主机组编号一致。
2.1.2.3如有二台及以上设备者(按固定端向扩建端方向排列),则应在编号后加大写英文字母进行区分,比如:1号A送风机或者#1A送风机、2号B凝聚水泵或者#2B凝聚水泵。
2.1.2.4如有二台及以上设备者(按介质流向排列),则应用编号进行区分,比如:#1机#1低压加热器、#1机#2高压加热器。
2.1.2.5辅助设备的从属设备,除了与其所在的辅助设备编号相一致外,还应在编号后面加大写英文字母进行区分,比如:#1A给水泵A润滑油泵、#1汽轮机A顶轴油泵。
锅炉型号一、燃煤、燃油、燃气、生物持锅炉型号(一)型号:按JB/T1626-92《工业锅炉产品型号编制方法》规定,锅炉号由三部分组成,各部分之间用短横线相连,如下面式样表示:型号的第一部分表示锅炉和燃烧设备的型式及锅炉容量,共分三段。
第一段用两个汉语拼音字母代表锅炉整体型式(见表1.2-1、表1.2-2);第二段用一汉语拼音字母代表燃烧设备(邮包表1.2-3);第三段用阿拉伯数字表示蒸汽锅炉额定蒸发量t/h或热水锅炉额定热功率MW。
型号的第二部介质参数,共分两段(热水锅炉分三段),中间用斜线相连。
第一段表示客定蒸汽压力或允许工作压力;第二段表示过热蒸汽温度(蒸汽温度为饱和温度时不表示);热水锅炉第二段和第三段表示出水温度和进水温度。
型号的第三部分表示燃料种类,用汉语拼音字母代表,同时用罗马字母代表燃料品种分类(见表1.2-4)表1.2-1 锅壳锅炉总体型式代号注:卧式水火管快装锅炉总体型式代号为DN,表1.2-3 燃烧设备代号注:煤粉炉和燃油燃气锅炉属室燃炉,烯烧设备代号为S。
表1.2-4 燃料品种代号注:①小型燃油燃气锅炉一般适用多种燃料,故燃料代号通常均写成Y或Q②在锅炉型号表示方法中,对常压热水锅炉,只须在型式代号之前加上常压代号C,并取消允许工作压力,其他表示方法不变。
(二)型号举例(见表1.2-5)表1.2-5 型号举例量证明书等识别。
二、电站锅炉型号②电站锅炉型号表示汉及其说明电站锅炉型号由三部分组成,各部之间用短横线相连。
详见下面电站锅炉型号表示法及其说明:第三部分第二部分:锅炉基本参数,前面数字表示蒸发量(t/h),后面数字表示出口蒸汽压力(工作压力)。
第三部分:锅炉设计顺序号,如:DG-120/39-1,表示东方锅炉厂制造,蒸发量为120t/h,过热蒸汽压力为3.82Mpa(39kgf/cm2)的锅炉,第一次设计。
三、锅炉的类别、参数及型号(一)锅炉及其分类锅炉也称蒸汽发生器,是利用燃料或工业生产中余热的热能,将工质加热到一定温度和压力的换热设备。
DZL4-1.25-AII指单锅筒纵置式链条炉排锅炉,额定蒸发量为4吨,额定工作压力1.25兆帕,燃用二类烟煤.LHG指立式火管固定炉排锅炉,LSG指立式水管固定炉排锅炉,A指烟煤,AI,AII,AIII分别指一类,二类,三类烟煤,QXL指强制循环链条炉排锅炉以下文章出自:锅炉参数说明时间:2010-07-15 09:04:34 来源:互联网作者:访问量:13目前市面上的工业锅炉分为三大类;蒸汽锅炉、热水锅炉、有机热载体炉。
一、蒸汽锅炉型号由三部分组成,各部分之间由短横线相连△△△××-××/×××-××123 456注释:1—锅炉型式 2—燃烧方式 3—额定蒸发量(t/h)4—额定蒸汽压力 5—过热蒸汽温度 6—燃料种类二、热水锅炉型号由三部分组成,各部分之间由短横线相连△△△××-××/×××-××123 456注释:1—锅炉型式 2—燃烧方式 3—额定热功率(MW)4—允许工作压力(MPa) 5—出/进水水温 6—燃料种类其中锅炉形式的代号锅炉型式立式水管卧式外燃立式火管卧式内燃单锅筒立式单锅筒纵置式单锅筒横置式双锅筒纵置式双锅筒横置式代号LSWWLHWNDLDZDHSZSH其中燃烧方式的代号燃烧方式固定炉排固定双层炉排活动手摇炉排链条炉排往复炉排抛煤机振动炉排下饲炉排沸腾炉排半沸腾炉排室燃炉旋风炉倒转炉排加抛煤机代号GCHLWPZAFBSXD其中燃烧种类的代号(一)燃料种类Ⅰ类劣质煤Ⅱ类劣质煤Ⅰ类无烟煤Ⅱ类无烟煤Ⅲ类无烟煤Ⅰ类烟煤Ⅱ类烟煤Ⅲ类烟煤褐煤型煤代号LⅠLⅡWⅠWⅡWⅢAⅠAⅡAⅢHX其中燃烧种类代号(二)燃料种类贫煤木柴稻糠甘蔗渣柴油重油天然气焦炉煤气液化石油气油母页岩其他燃料代号PMDGYCYYQTQJQYYMT三、有机热载体炉分为液相炉和气相炉,型号由二部分组成,各部分之间由短横线相连△△△-△△123 45注释:1—炉型号代号 2—燃烧设备代号 3—炉体安置型式代号4—额定热功率(KW) 5—燃料代号其中炉型号代号炉类型液相炉气相炉代号YQ其中燃烧设备代号燃烧设备类型链条炉排抛煤机炉排其他炉排油燃烧器气燃烧器代号LPGYQ其中炉体安置型式代号炉体安置型式立式卧式其他代号LWQ文章转自锅炉吧以下文章出自:工业锅炉产品型号说明时间:2008-10-17 04:59:13 来源:锅炉吧作者:锅炉吧访问量:112 工业锅炉产品型号由三部分组成,各部分之间用短横线相连。
天然气锅炉命名
我国工业燃气锅炉产品的型号的编制方法是依据JB1626标准规定进行的。
其型号由三部分组成。
各部分之间用短线隔开。
表示方法如下:
靠前部分分三段,分别表示锅炉型号(用汉语拼音字母代号)、燃烧方式(用汉语拼音字母代号)和蒸发量(用阿拉伯数字表示,单位为t/h;热水锅炉为供热量,单位为MW;余热锅炉以受热面表示,单位为m2)。
第二部分表示工质参数,对工业蒸汽锅炉,分额定蒸汽压力和额定蒸汽温度两段,中间以斜线相隔,常用单位分别为MPa和℃、蒸汽温度为饱和温度时,型号第二部分无斜线和第二段。
对热水锅炉,第二部分由三段组成,分别为额定压力、出水温度和进水温度,段与段之间用斜线隔开。
第三部分表示燃料种类及设计次序,共两段:靠前段表示燃料种类(用汉语拼音字母代号,见表),第二段表示设计次序(用阿拉伯数字表示),原型设计无第二段
举例:
(1)DZL4—1.0—AⅡ,表示单锅筒纵置式链条炉排额定蒸发量为4吨/小时,蒸汽压力为1.0MPa,蒸汽温度为饱和温度,燃用Ⅱ类烟煤,原型设计的燃气蒸气锅炉。
(2)SHS10-1.25/250-W2,表示双锅筒横置式室燃锅炉,蒸发量10t/h,压力1.25MPa,过热蒸汽温度250℃,燃用无烟煤,第二次设
计。
(3)WNS0.7-1.0/95/70-Q,表示卧式内燃室燃气锅炉,额定热功率0.7MW,额定出水压力1.0MPa,额定出水温度95℃,回水温度70℃,燃用气体燃料,原型设计。
热电分厂设备命名和编号的原则
为便于生产管理,避免误操作事故的发生,现再次对热电分厂各设备的名称统一命名,规定如下:
1、主设备按自然顺序由固定端向扩建端依次编号,锅炉、汽轮机、发电机、主变压器依次编号为#1锅炉,#1汽轮机、#1发电机、#1主变压器;
2、辅助设备同一功能有数台的,按实际安装的位置由固定端向扩建端依次编号,另一方向按由汽机向锅炉方向编号;
3、辅助设备凡有流程关系的,按介质流向依次编号,无流程关系的,按其实际位置编号,如汽机的高、低压加热器,应按水的介质流向编号;
4、主要辅助设备随主机编号,全名称由三部分组成,第一部分为主设备名称,第二部分为同一功能设备的编号,第三部分为该辅助设备的名称;若一台主要设备仅有一台该功能辅助设备的,则该设备由两部分组成,如:#1机盘车电机;若有数台同一功能的则这些设备的第二部分按ABCD依次编号,如:#1炉A一次风机,#1炉B 一次风机;
5、主蒸汽和再热蒸汽管道按甲侧和乙侧命名;
6、公用系统设备有数台的由1号起按由固定端向扩建端编号或汽机向锅炉方向编号,分别编为#1、#2、#3、#4……等;
7、输煤皮带按煤流方向由1号起开始编号;两条皮带分别编为A皮带和B皮带;
8、阀门根据其在系统中的地位命名,同一功能的两个阀门串联使用的,按介质流向,前为一次门,后为二次门;
9、所有厂用电动机随所驱动的转动机械编号和命名;
10、锅炉吹灰器、给煤机按#1#2#3……等编号。
如#1炉#1给煤机,#1炉#13吹灰器等;
11、同一系统流程中所有设备编号时不得出现既有#1、#2又有甲、乙或A、B的。
热电分厂
2012年7月20日。
徐州华润电力有限公司生产设备命名及编号原则第一章目的为加强设备命名管理,统一和规范全厂设备命名,特制定本原则。
第二章基本原则(一)按平面布置为从南到北、从东到西,上下层布置从下向上依次进行编号。
(二)四角布置的锅炉喷燃器以东南角为#1,俯视顺时针方向依次编号。
(三)按介质流向依次编号。
(四)设备名称采用汉语名称。
(五)设备编号采用数字或数字与字母相结合方式。
(六)公用系统区域按数字排序编号。
如:#1、#2机组集控室为#1集控室,三期集控室为#3集控室;一期、二期循环水预处理为#1循环水预处理,三期为#2循环水预处理。
(七) 4台机组及以上公用系统设备按数字排序编号。
如:#1深井泵、……、#9深井泵。
(八)两台机组公用系统设备,设备序列号前需加字母,给予区分。
一期空压机,编码为A+设备序列号+设备名称,二期空气压缩机,编码为B+设备序列号+设备名称,三期空气压缩机,编码为C+设备序列号+设备名称。
(九)个别设备编号不能满足上述原则者,以具体说明的原则为准。
第三章机务部分(锅炉、汽机)(一)主机按“设备编号+设备名称”进行。
如#1 锅炉,#1汽轮机。
(二)属于某一主机的设备,按“主机号+设备代号+设备名称”,如#1炉北侧一次风机编号:“#12一次风机”。
(三)喷燃器东南角最下层为#1炉A1。
如东南角C层喷嘴编号为“#1炉C1喷嘴”,BC层二次风喷嘴则为“#1炉BCl二次风喷嘴”。
(四)阀门编号按“机(炉)号+系统设备简称+阀门编号+阀门名称”。
编号尽量用汉字表示。
若阀门相同,则应有顺序号,若为单独一个阀门,直接用汉字说明。
系统划分得越小,描述越准确越好,如:“#1炉进油流量表前阀”“#1炉进油#2旁路阀”“#15低加进口电动门”(五)阀门编号中,要体现阀门的性质,统一规定为:手动阀-不另作说明电动截止阀-统称“电动阀”电动调整阀-统称“电调阀”气动截止阀-统称“气动阀”气动调整阀-统称“气调阀”(六)关于门和阀的标准称呼,统一为:1)遵守约定俗成的习惯叫法。
一、燃煤、燃油、燃气、生物持锅炉型号(一)型号:按JB/T1626-92《工业锅炉产品型号编制方法》规定,锅炉号由三部分组成,各部分之间用短横线相连,如下面式样表示:型号的第一部分表示锅炉和燃烧设备的型式及锅炉容量,共分三段。
第一段用两个汉语拼音字母代表锅炉整体型式(见表1.2-1、表1.2-2);第二段用一汉语拼音字母代表燃烧设备(邮包表1.2-3);第三段用阿拉伯数字表示蒸汽锅炉额定蒸发量t/h或热水锅炉额定热功率MW。
型号的第二部介质参数,共分两段(热水锅炉分三段),中间用斜线相连。
第一段表示客定蒸汽压力或允许工作压力;第二段表示过热蒸汽温度(蒸汽温度为饱和温度时不表示);热水锅炉第二段和第三段表示出水温度和进水温度。
型号的第三部分表示燃料种类,用汉语拼音字母代表,同时用罗马字母代表燃料品种分类(见表1.2-4)表1.2-1 锅壳锅炉总体型式代号注:卧式水火管快装锅炉总体型式代号为DN,表1.2-2 水管锅炉总体型式代号表1.2-3 燃烧设备代号注:煤粉炉和燃油燃气锅炉属室燃炉,烯烧设备代号为S。
表1.2-4 燃料品种代号注:①小型燃油燃气锅炉一般适用多种燃料,故燃料代号通常均写成Y或Q②在锅炉型号表示方法中,对常压热水锅炉,只须在型式代号之前加上常压代号C,并取消允许工作压力,其他表示方法不变。
(二)型号举例(见表1.2-5)表1.2-5 型号举例对于国外进口的锅炉,各国型号不一样,没有统一规定,可根据其产品样本、图纸资料、产品质量证明书等识别。
锅炉产品系列备注锅炉命名规则JB/T1626-2002燃烧设备代号燃料种类代号固定炉排GⅠ类烟煤AⅠ固定双层炉排CⅡ类烟煤AⅡ链条炉排L油Y室燃炉S气Q锅炉类别锅炉本体型式代号锅壳锅炉立式水管LS立式火管LH常压立式水管CSL水管锅炉单锅筒立式DZ余热锅炉命名规则JB/T9560-1999余热载体类别余热载体量名称代号单位名称单位气体Q(气)千立方米每小时×103m3/h1)液体Y(液)吨每小时t/h固体G(固)吨每小时t/h烟气分类特性代号含尘类C(尘)腐蚀类F(腐)粘结类Z(粘)注: 补燃代号以字母B表示电站锅炉产品型号编制方法JB/T 1617-1999 (代替JB1617-75)1.范围本标准规定了锅炉产品型号的编制方法。
工业锅炉产品型号说明---------------------------------------工业锅炉产品型号由三部分组成,各部分之间用短横线相连。
如下图所示:(1)型号的第一部分表示锅炉型式、燃烧方式和额定蒸发量或额定供热量。
共分三段:第一段用两个汉语拼音字母代表锅炉总体型式(见表1-3、表1-4);第二段用一个汉语拼音字母代表燃烧方式(见表1-5);第三段用阿拉伯数字表示蒸汽锅炉额定蒸发量为若干吨/时或热水锅炉额定供热量为若干10000千卡/时。
各段连续书写,互相衔接。
(2)型号的第二部分表示介质参数。
共分两段:中间以斜线相连。
第一段用阿拉伯数字表示介质出口压力为若干千克力/厘米2;第二段用阿拉伯数字表示过热蒸汽温度或出水温度/回水温度。
蒸汽温度为饱和温度时,型号的第二部分无斜线和第二段。
表1-3 锅壳锅炉锅炉总体型式代号立式水管LS(立水)立式火管LH(立火)卧式外燃WW(卧式)卧式内燃WN(卧内)表1-4 水管锅炉锅炉总体型式代号单锅筒立式DL(单立)单锅筒纵置式DZ(单纵)单锅筒横置式DH(单横)双锅筒纵置式SZ(双纵)双锅筒横置式SH(双横)纵横锅筒式ZH(纵横)强制循环式QX(强循)(3)型号的第三部分表示燃料种类和设计次序,共分两段:第一段汉语拼音字母代表燃料,同时以罗马数字代表燃料分类与其并列(见表1-6)。
如同时使用几种燃料,主要燃料放在前面;第二段以阿拉伯数字表示设计次序,和第一段连续顺序书写,原型设计无第二段。
表1-5燃烧方式代号固定炉排G(固)活动手摇炉排H(活)链条炉排J(链)往复推动炉排W(往)抛煤机P(抛)倒转炉排加抛煤机D(倒)振动炉排Z(振)下饲炉排A(下)沸腾炉F(沸)半沸腾炉B(半)室燃炉S(室)旋风炉X(旋)表1-6燃料品种代号Ⅰ类石煤煤矸石SⅠⅡ类石煤煤矸石SⅡⅢ类石煤煤矸石SⅢⅠ类无烟煤WⅠⅡ类无烟煤WⅡⅢ类无烟煤WⅢⅠ类烟煤AⅠⅡ类烟煤AⅡⅢ类烟煤AⅢ褐煤H贫煤P木柴M稻糠 D甘蔗渣G油Y气Q油母页岩YM2、举例(1)DZL4-13WⅡ表示单锅筒纵置式链条炉排,额定蒸发量为4t/h,蒸汽压力为13kgf/cm2,蒸汽温度为饱和温度,燃用Ⅱ类无烟煤,原型设计的蒸汽锅炉。
一、燃煤、燃油、燃气、生物持锅炉型号(一)型号:按JB/T1626-92《工业锅炉产品型号编制方法》规定,锅炉号由三部分组成,各部分之间用短横线相连,如下面式样表示:型号的第一部分表示锅炉和燃烧设备的型式及锅炉容量,共分三段。
第一段用两个汉语拼音字母代表锅炉整体型式(见表1.2-1、表1.2-2);第二段用一汉语拼音字母代表燃烧设备(邮包表1.2-3);第三段用阿拉伯数字表示蒸汽锅炉额定蒸发量t/h或热水锅炉额定热功率MW。
型号的第二部介质参数,共分两段(热水锅炉分三段),中间用斜线相连。
第一段表示客定蒸汽压力或允许工作压力;第二段表示过热蒸汽温度(蒸汽温度为饱和温度时不表示);热水锅炉第二段和第三段表示出水温度和进水温度。
型号的第三部分表示燃料种类,用汉语拼音字母代表,同时用罗马字母代表燃料品种分类(见表1.2-4)表1.2-1 锅壳锅炉总体型式代号注:卧式水火管快装锅炉总体型式代号为DN,表1.2-2 水管锅炉总体型式代号表1.2-3 燃烧设备代号注:煤粉炉和燃油燃气锅炉属室燃炉,烯烧设备代号为S。
表1.2-4 燃料品种代号注:①小型燃油燃气锅炉一般适用多种燃料,故燃料代号通常均写成Y或Q②在锅炉型号表示方法中,对常压热水锅炉,只须在型式代号之前加上常压代号C,并取消允许工作压力,其他表示方法不变。
(二)型号举例(见表1.2-5)表1.2-5 型号举例对于国外进口的锅炉,各国型号不一样,没有统一规定,可根据其产品样本、图纸资料、产品质量证明书等识别。
20吨锅炉就是14兆瓦功率。
在北方新住宅区节能型房子的热指标50瓦1平方米,这样计算可以带动20多万平方米。
锅炉产品系列。
锅炉型号一、燃煤、燃油、燃气、生物持锅炉型号(一)型号:按JB/T1626-92《工业锅炉产品型号编制方法》规定,锅炉号由三部分组成,各部分之间用短横线相连,如下面式样表示:型号的第一部分表示锅炉和燃烧设备的型式及锅炉容量,共分三段。
第一段用两个汉语拼音字母代表锅炉整体型式(见表1.2-1、表1.2-2);第二段用一汉语拼音字母代表燃烧设备(邮包表1.2-3);第三段用阿拉伯数字表示蒸汽锅炉额定蒸发量t/h或热水锅炉额定热功率MW。
型号的第二部介质参数,共分两段(热水锅炉分三段),中间用斜线相连。
第一段表示客定蒸汽压力或允许工作压力;第二段表示过热蒸汽温度(蒸汽温度为饱和温度时不表示);热水锅炉第二段和第三段表示出水温度和进水温度。
型号的第三部分表示燃料种类,用汉语拼音字母代表,同时用罗马字母代表燃料品种分类(见表1.2-4)②在锅炉型号表示方法中,对常压热水锅炉,只须在型式代号之前加上常压代号C,并取消允许工作压力,其他表示方法不变。
(二)型号举例(见表1.2-5)品质量证明书等识别。
二、电站锅炉型号②电站锅炉型号表示汉及其说明电站锅炉型号由三部分组成,各部之间用短横线相连。
详见下面电站锅炉型号表示法及其说明:第一部分第二部分第三部分力)。
第三部分:锅炉设计顺序号,如:DG-120/39-1,表示东方锅炉厂制造,蒸发量为120t/h,过热蒸汽压力为3.82Mpa(39kgf/cm2)的锅炉,第一次设计。
三、锅炉的类别、参数及型号(一)锅炉及其分类锅炉也称蒸汽发生器,是利用燃料或工业生产中余热的热能,将工质加热到一定温度和压力的换热设备。
锅炉用途广泛,型式众多,一般可按下列方法分类:1、按用途分类电站锅炉:大多为大容量、高参数锅炉,火室燃烧,热效率高,出口工质为过热蒸汽。
工业锅炉:用于工业生产和采暖,大多为低压、低温、小容量锅炉,火床燃烧居多,热效率较低;出口工质为蒸汽的称为蒸汽工业锅炉,出口工质为热水的称为热水锅炉。
一、燃煤、燃油、燃气、生物持锅炉型号(一)型号:按JB/T162692《工业锅炉产品型号编制方法》规定,锅炉号由三部分组成,各部分之间用短横线相连,如下面式样表示:型号的第一部分表示锅炉和燃烧设备的型式及锅炉容量,共分三段。
第一段用两个汉语拼音字母代表锅炉整体型式(见表1.21、表1.22);第二段用一汉语拼音字母代表燃烧设备(邮包表1.23);第三段用阿拉伯数字表示蒸汽锅炉额定蒸发量t/h或热水锅炉额定热功率MW。
型号的第二部介质参数,共分两段(热水锅炉分三段),中间用斜线相连。
第一段表示客定蒸汽压力或允许工作压力;第二段表示过热蒸汽温度(蒸汽温度为饱和温度时不表示);热水锅炉第二段和第三段表示出水温度和进水温度。
型号的第三部分表示燃料种类,用汉语拼音字母代表,同时用罗马字母代表燃料品种分类(见表1.24)表1.21 锅壳锅炉总体型式代号注:卧式水火管快装锅炉总体型式代号为DN,表1.22 水管锅炉总体型式代号表1.23 燃烧设备代号注:煤粉炉和燃油燃气锅炉属室燃炉,烯烧设备代号为S。
表1.24 燃料品种代号注:①小型燃油燃气锅炉一般适用多种燃料,故燃料代号通常均写成Y或Q②在锅炉型号表示方法中,对常压热水锅炉,只须在型式代号之前加上常压代号C,并取消允许工作压力,其他表示方法不变。
(二)型号举例(见表1.25)表1.25 型号举例对于国外进口的锅炉,各国型号不一样,没有统一规定,可根据其产品样本、图纸资料、产品质量证明书等识别。
锅炉产品系列燃烧设备代号燃料种类代号固定炉排G Ⅰ类烟煤AⅠ固定双层炉排CⅡ类烟煤AⅡ链条炉排L油Y 室燃炉S气Q锅炉类别锅炉本体型式代号锅壳锅炉立式水管LS 立式火管LH 常压立式水管CSL水管锅炉单锅筒立式DZ余热载体类别余热载体量名称代号单位名称单位气体Q(气)千立方米每小时×103m3/h1)液体Y(液)吨每小时t/h固体G(固)吨每小时t/h烟气分类特性代号含尘类C(尘)腐蚀类F(腐)粘结类Z(粘)注: 补燃代号以字母B表示电站锅炉产品型号编制方法JB/T 16171999 (代替 JB161775)1.范围本标准规定了锅炉产品型号的编制方法。
一、燃煤、燃油、燃气、生物持锅炉型号(一)型号:按JB/T162692《工业锅炉产品型号编制方法》规定,锅炉号由三部分组成,各部分之间用短横线相连,如下面式样表示:型号的第一部分表示锅炉和燃烧设备的型式及锅炉容量,共分三段。
第一段用两个汉语拼音字母代表锅炉整体型式(见表1.21、表1.22);第二段用一汉语拼音字母代表燃烧设备(邮包表1.23);第三段用阿拉伯数字表示蒸汽锅炉额定蒸发量t/h或热水锅炉额定热功率MW。
型号的第二部介质参数,共分两段(热水锅炉分三段),中间用斜线相连。
第一段表示客定蒸汽压力或允许工作压力;第二段表示过热蒸汽温度(蒸汽温度为饱和温度时不表示);热水锅炉第二段和第三段表示出水温度和进水温度。
型号的第三部分表示燃料种类,用汉语拼音字母代表,同时用罗马字母代表燃料品种分类(见表1.24)表1.21 锅壳锅炉总体型式代号注:卧式水火管快装锅炉总体型式代号为DN,表1.22 水管锅炉总体型式代号表1.23 燃烧设备代号注:煤粉炉和燃油燃气锅炉属室燃炉,烯烧设备代号为S。
表1.24 燃料品种代号注:①小型燃油燃气锅炉一般适用多种燃料,故燃料代号通常均写成Y或Q②在锅炉型号表示方法中,对常压热水锅炉,只须在型式代号之前加上常压代号C,并取消允许工作压力,其他表示方法不变。
(二)型号举例(见表1.25)表1.25 型号举例对于国外进口的锅炉,各国型号不一样,没有统一规定,可根据其产品样本、图纸资料、产品质量证明书等识别。
锅炉产品系列Q8CLSG0.2390/20AIILSG0.330.04AII3LSG0.50.1AⅡLWS0.50.8YQQ5/7000.40.4CLSG0.1390/20AIILSG0.070.04AII3LSG0.060.6AIIQC10/75010.8CLSG0.690/20AIILSG0.20.04AIILSG0.50.4AIIQC6/5000.50.5LSG0.260.04AⅡLHG0.50.4WIIY310.8Y10.30.5备注锅炉命名规则 JB/T1626燃烧设备代号燃料种类代号固定炉排GⅠ类烟煤AⅠ固定双层炉排CⅡ类烟煤AⅡ链条炉排L油Y室燃炉S气Q锅炉类别锅炉本体型式代号锅壳锅炉立式水管LS立式火管LH常压立式水管CSL水管锅炉单锅筒立式DZ余热锅炉命名规则 JB/T95601999余热载体类别余热载体量名称代号单位名称单位气体Q(气)千立方米每小时×103m3/h1)液体Y(液)吨每小时t/h固体G(固)吨每小时t/h烟气分类特性代号含尘类C(尘)腐蚀类F(腐)粘结类Z(粘)注: 补燃代号以字母B表示电站锅炉产品型号编制方法JB/T 16171999 (代替 JB161775)1.范围本标准规定了锅炉产品型号的编制方法。
锅炉型号代号的意义解释
工业锅炉分为四大类;蒸汽锅炉、热水锅炉、汽水两用型、有机热载体导热油炉。
蒸汽锅炉按燃烧介质的不同分为燃煤蒸汽锅炉,燃油蒸汽锅炉,电加热蒸汽锅炉及其它;热水锅炉按燃烧介质分为燃煤热水锅炉,燃油热水锅炉,电热水锅炉及其它。
—燃料种类举例。
DZL4-1.25-193-AII代表卧式快装燃煤蒸汽锅炉,DZ代表锅炉型式-单筒纵置式,L代表机械链条炉排,其额定蒸发量4t/h,额定工作压力1.25Mpa,饱和蒸汽温度193℃,A||代表二类烟煤为燃烧介质。
燃料种类。
举例CLSG0.7-95/70-AII代表立式常压燃煤热水锅炉,C代表常压,LS代表锅炉型式-立式水管型,G代表固定炉排,其额定功率是0.7Mw,出进水温度分别是95-70℃,AII代表燃烧介质是||类烟煤。
注释:1KW);5—燃料代号。
举例YGL-1400代表立式有机热载体导热油炉其功率是1400Kw/h(相当于120x104Kcal/h,也叫120万大卡每小时)。
[炉型号代号分为液相炉(Y)、气相炉(Q)。
燃烧设备代号分为油燃烧器(Y)、气燃烧器(Q)、链条L及其它G。
六、锅炉燃烧种类代号
压力0.4Mpa,额定蒸汽温度170℃,燃烧介质二类烟煤。
锅炉型号命名守则
工业锅炉产品型号说明
---------------------------------------
工业锅炉产品型号由三部分组成,各部分之间用短横线相连。
如下图所示:
(1)型号的第一部分表示锅炉型式、燃烧方式和额定蒸发量或额定供热量。
共分三段:第一段用两个汉语拼音字母代表锅炉总体型式(见表1-3、表1-4);第二段用一个汉语拼音字母代表燃烧方式(见表1-5);第三段用阿拉伯数字表示蒸汽锅炉额定蒸发量为若干吨/时或热水锅炉额定供热量为若干10000千卡/时。
各段连续书写,互相衔接。
(2)型号的第二部分表示介质参数。
共分两段:中间以斜线相连。
第一段用阿拉伯数字表示介质出口压力为若干千克力/厘米2;第二段用阿拉伯数字表示过热蒸汽温度或出水温度/回水温度。
蒸汽温度为饱和温度时,型号的第二部分无斜线和第二段。
表1-3 锅壳锅炉
锅炉总体型式代号
立式水管LS(立水)
立式火管LH(立火)
卧式外燃WW(卧式)
卧式内燃WN(卧内)
表1-4 水管锅炉
锅炉总体型式代号
单锅筒立式DL(单立)
单锅筒纵置式DZ(单纵)
单锅筒横置式DH(单横)
双锅筒纵置式SZ(双纵)
双锅筒横置式SH(双横)
纵横锅筒式ZH(纵横)
强制循环式QX(强循)
(3)型号的第三部分表示燃料种类和设计次序,共分两段:第一段汉语拼音字母代表燃料,同时以罗马数字代表燃料分类与其并列(见表1-6)。
如同时使用几种燃料,主要燃料放在前面;第二段以阿拉伯数字表示设计次序,和第一段连续顺序书写,原型设计无第二段。
表1-5
燃烧方式代号
固定炉排G(固)
活动手摇炉排H(活)
链条炉排J(链)
往复推动炉排W(往)
抛煤机P(抛)
倒转炉排加抛煤机D(倒)
振动炉排Z(振)
下饲炉排A(下)
沸腾炉F(沸)
半沸腾炉B(半)
室燃炉S(室)
旋风炉X(旋)
表1-6
燃料品种代号
Ⅰ类石煤煤矸石SⅠ
Ⅱ类石煤煤矸石SⅡ
Ⅲ类石煤煤矸石SⅢ
Ⅰ类无烟煤WⅠ
Ⅱ类无烟煤WⅡ
Ⅲ类无烟煤WⅢ
Ⅰ类烟煤AⅠ
Ⅱ类烟煤AⅡ
Ⅲ类烟煤AⅢ
褐煤H
贫煤P
木柴M
稻糠 D
甘蔗渣G
油Y
气Q
油母页岩YM
2、举例
(1)DZL4-13WⅡ
表示单锅筒纵置式链条炉排,额定蒸发量为4t/h,蒸汽压力为13kgf/cm2,蒸汽温度为饱和温度,燃用Ⅱ类无烟煤,原型设计的蒸汽锅炉。
(2)SZS10-16/350-YQ2
表示双锅筒纵置式室燃,额定蒸发量为10t/h,蒸汽压力为16kgf/cm2,过热蒸汽温度为365摄氏度,燃油、燃气并用,以油为主,第二次设计的蒸汽锅炉。
(3)SHS20-25/400-H
表示双锅筒置式室燃,额定蒸发量为20t/h,蒸汽压力为25kgf/cm2,过热蒸汽温度为400摄氏度,燃用褐煤煤粉,原型设计的蒸汽锅炉。
(4)QXS120-7/130-70-Y
表示强制循环式室燃,额定供热量为120*10000kcal/h,供水压力为7kgf/cm2,供水温度为130摄氏度,回水温度为70摄氏度,燃油,原型设计的热锅炉。
3、我国工业锅炉基本类型
我国目前工业锅炉产品按原机械工业产品分类要求,工业锅炉作为一大类,其下有8类产品。
(1)手烧炉
(2)链条炉
(3)往复炉
(4)倒转炉排加抛煤机炉
(5)沸腾炉
(6)煤粉炉
(7)油、气炉
(8)热水锅炉
每一类炉子又有若干系列,所谓系列就是工业锅炉型号编制方法中第一部分的型式代号和燃烧方式代号,两者合并一起作为一个系列。
如:“SHL”代表双锅筒横置式链条炉系列;“WNL”代表卧式内燃链条炉系列;“DZW”代表单锅筒纵置式往复炉系列。
每一个系列内有若干品种,所谓品种就是指不同的燃料品种。
如“Ⅰ类无烟煤、Ⅱ类无烟煤”等。
每一个品种内有若干规格。
所谓规格就是指不同的锅炉出国和不同的蒸汽和热水的参数。
炉子的系列、品种、规格的数量随着产品的发展、淘汰而增加、减少。
目前,锅炉共有30余系列,70余品种。
250余规格。