BOM表的命名规则定义
- 格式:doc
- 大小:161.00 KB
- 文档页数:4
BOM版本控制要求1. 目的本文档旨在详细说明BOM(Bill of Materials,物料清单)版本控制的要求和流程,以确保产品设计和生产过程中物料清单的准确性和可追溯性。
2. 适用范围本要求适用于所有产品开发、生产和维护过程中的BOM版本控制。
3. 术语和定义- BOM:Bill of Materials,物料清单,用于描述产品组成和生产过程中所需原材料、组件、零件和装配关系的一种文档。
- 版本控制:对BOM文档进行管理和跟踪,确保不同版本的BOM文档可以被正确地标识、存储、检索和使用。
4. BOM版本命名规则BOM版本的命名应遵循以下规则:- 以“V”开头,后面跟着一位数字,表示BOM的版本号。
例如:V1、V2等。
- 如果需要表示修订号,可以在版本号后面加上一位数字,例如:V1、V2、V3等。
- 命名应简洁明了,易于理解和识别。
5. BOM版本控制流程5.1 创建BOM在创建BOM文档时,应确保所有物料、组件、零件和装配关系准确无误。
创建完成后,对BOM文档进行版本控制。
5.2 修改BOM当BOM文档需要进行修改时,应按照以下步骤进行:1. 在原BOM文档旁边创建一个新的修订版本,命名规则遵循上述规则。
2. 对新的修订版本进行修改,并记录修改内容和原因。
3. 审核修订版本,确保修改正确无误。
4. 批准修订版本后,将新的修订版本标记为有效版本。
5. 对原BOM文档进行版本控制,记录修订版本的信息。
5.3 发布BOM发布BOM文档时,应确保以下步骤被遵循:1. 选择最新的有效版本BOM文档进行发布。
2. 在发布的BOM文档中,注明发布日期、版本号和修订号。
3. 将发布的BOM文档分发给相关部门和人员,例如生产、采购、质量控制等。
5.4 废止BOM当BOM文档不再使用时,应将其废止。
废止操作如下:1. 在废止的BOM文档旁边注明废止日期和原因。
2. 将废止的BOM文档归档,以便日后查询和追溯。
BOM版本的控制与管理准则1. 目的本准则旨在规范产品Bill of Materials(BOM)版本的管理,确保BOM信息的准确性、完整性和及时性,以支持生产、质量控制、采购和产品开发等相关部门的正常运作。
2. 适用范围本准则适用于所有涉及BOM版本管理的部门和人员,包括产品开发、生产、采购、质量控制、仓库管理等。
3. BOM定义BOM是产品的结构分解,它展示了产品的所有组件、子组件和原材料,以及它们之间的装配关系。
BOM包括制造产品所需的所有物料和相关信息,如物料的规格、数量、单位等。
4. BOM版本控制4.1 BOM版本命名规则- BOM版本号由数字和字母组成,按照"主版本号.次版本号.修订号"的格式命名。
- 主版本号:产品重大更改时递增。
- 次版本号:产品功能增强或小规模修改时递增。
- 修订号:产品小规模修改或修正时递增。
4.2 BOM版本发布- BOM版本发布前,需经过相关部门(如产品开发、生产、采购等)的审核和批准。
- 发布新的BOM版本时,必须注明生效日期,并通知相关部门。
4.3 BOM版本变更- BOM变更需填写《BOM变更申请表》,并经过相关部门的审核和批准。
- 变更申请批准后,更新BOM版本,并注明变更内容和生效日期。
5. BOM版本管理5.1 BOM文件的存储和保护- BOM文件应存储在安全可靠的存储系统中,确保数据不被未经授权的人员访问和修改。
- 定期备份BOM文件,以防数据丢失或损坏。
5.2 BOM版本追踪- 记录BOM版本的发布、变更和作废等历史信息,以便追踪和管理。
- 保留历史版本的BOM文件,以供参考和追溯。
5.3 BOM版本的使用和分发- 确保各部门使用的是最新有效的BOM版本。
- 在分发BOM文件时,确保相关人员在合适的环境中访问和编辑文件。
6. 培训和沟通- 对涉及BOM版本管理的部门和人员进行培训,确保他们了解和遵守本准则。
- 定期召开会议,讨论BOM版本管理的问题和改进措施,保持沟通畅通。
bom表的定义原则和建立原则以BOM表的定义原则和建立原则为标题,本文将介绍BOM表的定义原则和建立原则。
一、BOM表的定义原则BOM表,即Bill of Materials,是一种用于描述产品组成结构的清单。
它记录了产品的各个组成部分及其数量关系,是产品设计、生产和管理中重要的工具。
BOM表的定义原则如下:1. 完整性原则:BOM表应该包含产品的所有组成部分,不遗漏任何一个部分。
只有确保完整性,才能准确地了解产品的组成结构。
2. 一致性原则:BOM表中的信息应该与产品设计文件、工艺流程等其他相关文档保持一致。
只有保持一致,才能避免因信息不一致而导致的生产问题。
3. 可读性原则:BOM表应该具备良好的可读性,清晰地呈现产品的组成结构。
可以使用合适的标题、编号、分级等方式,使BOM 表易于理解和使用。
4. 规范性原则:BOM表应该符合公司或行业的规范要求。
可以根据需要制定相应的标准,统一BOM表的格式和内容,提高工作效率和信息交流的准确性。
5. 精确性原则:BOM表中的信息应该准确无误,避免出现错误或遗漏。
可以通过与设计、工艺等相关人员的沟通和确认,确保BOM表的准确性。
二、BOM表的建立原则建立BOM表是一个复杂而重要的过程,需要遵循以下原则:1. 产品结构分析:首先要对产品进行结构分析,确定产品的各个组成部分以及它们之间的关系。
可以根据产品的功能、形态、材料等方面对其进行分类和划分。
2. 组件标识:为每个组成部分进行标识,可以使用编号、名称、描述等方式进行标识。
标识应该具备唯一性和可识别性,方便对组件进行识别和管理。
3. 关系建立:建立组成部分之间的关系,包括上下级关系和数量关系。
可以使用树状结构、层次结构等方式表示组成关系,使用数量字段表示数量关系。
4. 数据录入:将产品结构和关系信息录入到BOM表中。
可以使用电子表格软件或专业的BOM管理系统进行录入,确保数据的准确性和可读性。
5. 数据维护:BOM表是一个动态的文档,需要及时进行维护和更新。
BOM编写规则和管理办法一、导言BOM (Bill of Materials),即物料清单,是制造过程中用于列出所需零部件及其相关信息的清单。
BOM编写规则和管理办法的制定,有助于确保BOM的准确性和一致性,提高生产效率和产品质量。
本文将介绍BOM编写规则和管理办法的相关内容。
二、BOM编写规则1.命名规则BOM应根据制定的命名规则进行命名。
命名规则应包含产品名称、版本号、日期等要素,以便在不同时间和项目中进行区分和识别。
2.结构规则BOM应根据产品结构进行组织,清晰地反映产品的组成关系。
可使用层级结构、组装结构、材料结构等方式,确保每个零部件的位置和作用清晰明确。
3.编号规则每个零部件应具有唯一的编号,编号规则应明确简洁。
可以使用数字、字母或组合进行编号,避免使用容易混淆的符号或字符。
此外,编号应具有增量属性,以便根据编号快速定位和查找零部件。
4.属性规则每个零部件应包含正确的属性信息,如零部件名称、规格、数量、单位、供应商等。
属性规则应明确,避免信息重复或缺失。
可根据实际需要设定必填属性和选填属性。
5.更新规则BOM应及时更新,确保与产品设计文档、工艺文件和生产实际情况保持一致。
任何变更都应在BOM中进行记录和更新,避免出现版本混乱或错误装配的情况。
三、BOM管理办法1.责任部门制定BOM编写规则和管理办法的责任部门应明确,并明确其职责和权限。
责任部门应有专职人员负责BOM的编写和管理工作,确保BOM的准确性和一致性。
2.BOM验证BOM应经过验证,确保其准确性和可行性。
验证过程包括与产品设计、工艺过程、供应商等进行核对,确保BOM的完整性和正确性。
验证结果应进行记录和存档。
3.权限管理BOM的编写和修改权限应进行限制和管理。
只有经过培训和审批的人员才能进行BOM的编写和修改,避免未经授权的人员进行随意更改。
4.版本管理BOM应进行版本管理,确保每个BOM具有唯一的版本号,并能够追踪和比对不同版本之间的差异。
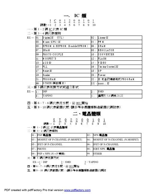
一. IC 類I C 0 1 2 0 0 1 0 1碼數→1 2 3 4 5 6 7 8 9 10一、第1、2碼IC代表IC類二、第3、4碼代表類別EX→01 : Digital IC (TTL) 02 : Linear IC03 : Micro (CPU) IC 04 : PWM05 : EPROM & EEPROM (Double EPROM) 06 : DRAM07 : SRAM 08 : REGULA TOR09 : PHOTO COUPLE 10 : CONVERTER11 : MOSFET’S 12 : FLASH13 : AUDIO 14 : VIDEO15 : PLL 16 : Timing Control IC17 : Reset IC 18 : OP19 : Scaler 20 : Power21 : PROGRAM 22 : IC包含已燒錄完成PROGRAM99 : OTHER(其他類IC) XX : xxxx… IC三、第5碼代表包裝方式或組立形式EX→ 1 : DIP 2 : SMD3 : TAPING4 : 僅用於3,4碼為21,22四、第6、7、8碼代表流水號,從001開始五、第9、10碼代表廠商代號:(請參考半導體類製造廠商代碼附表)二、電晶體類S T 0 2 2 0 0 1 0 1碼數→ 1 2 3 4 5 6 7 8 9 10一、第1、2碼ST 代表電晶體類二、第3、4 碼代表類別01 : PNP電晶體02 : NPN電晶體03 : MOSFET OF P-CHANNEL (P-MOSFET) 04 : MOSFET OF N-CHANNEL (N-MOSFET)05 : JFET OF P-CHANNEL 06 : JFET OF N-CHANNEL07 : PHOTO 08 : IGBT NPN 電晶體09 : PNP + NPN (N + P雙向) 99 OTHER三、第 5 碼代表包裝方式EX→1:DIP 2:SMD 3:TAPING四、第6、7、8碼代表流水號,從001開始五﹑第9、10 碼代表廠商代號:(請參考半導體類製造廠商代碼附三、極體類D 0 5 2 0 0 0 1 0 1碼數→1 2 3 4 5 6 7 8 9 10一、第1碼D代表二極體類二、第2、3碼代表類別01 : LED (發光二極體) 02 : ULTRA FAST (超快速)03 : FAST (快速)04 : GENERAL (一般)05 : ZENER (曾納)06 : BRIDGE RECTIFER (橋式整流)07 : SCHOTTKY (硝特基)08 : DIAC09 : SCR10 : TRIAC11 : IR12 : SWITCH (High Switch)13 : THYRISTORS99 : 表示其它三、第4代表包裝方式或組立形式1:D:DIP 包裝2:SMD 包裝3:臥式散裝包裝4:立式散裝包裝5:臥式TAPING包裝(A T) 6:立式TAPING包裝四、第5碼代表二極體成型加工(Forming with Kink)腳距0:Diode’s Lead Wire不需成型加工(Forming with Kink),此碼皆以0表示1:Pitch 5.0mm 2:Pitch 7.5mm 3:Pitch 10mm4:Pitch 12.5mm 5:Pitch 15.0mm 6:Pitch 17.5mm7:Pitch 20.0mm 8:Pitch 22.5mm 9:Pitch 25.0mm五、第6、7、8碼代表流水號,從001開始五、第9、10碼代表廠商代號:(請參考半導體類製造廠商代碼附表)四、電阻類R H 1 0 2 5 5 3 0 0碼數→1 2 3 4 5 6 7 8 9 10一、第1碼R代表電阻二、第2碼代表電阻的材質A : 金屬皮膜電阻(Metal Film)---(MF)且為Chip Res.C : 碳膜電阻(Carbon Film)---(CF)F : 保險絲型電阻(Fusible)---(FS)G : Metal Glass---(MG)H : 晶片電阻(Chip)---(CHIP)L : 繞線無感電阻(Wire Winding -Non Inductive)---(WW-N)M : 金屬皮膜電阻(Metal Film)---(MF)N : 負溫度特性熱敏電阻---(NTC)O : 金屬氧化皮膜電阻(Metal Oxide Film)---(MOF)P : 正溫度特性熱敏電阻---(PTC)T : 排阻(Network)---(NTWK)W : 繞線有感電阻(Wire Winding-Inductive)---(WW-I)S : 水泥電阻(Cement)---(CMT)三、第3、4、5碼代表電阻值(單位:Ω),3、4碼表示數值,第5碼表示倍數(乘冪),FOR E-24 Series +5﹪之電阻。
BOM版本管理的操作规定1. 简介本文档旨在规定BOM(Bill of Materials)版本管理的操作规定,确保团队成员按照统一的流程进行版本管理,避免出现错误和混乱。
2. 版本命名规则为了方便识别和管理,BOM版本应采用统一的命名规则。
版本命名规则如下:- 主版本号:表示产品的重大改进或功能变更,当产品有重大变化时才增加。
- 子版本号:表示产品的小改进或功能增加,当产品有较小变化时增加。
- 修订号:表示产品的错误修复或其他细微调整,当产品有修复或调整时增加。
例如,一个BOM版本号为1.0.1,表示主版本号为1,子版本号为0,修订号为1。
3. 版本管理流程为了确保BOM版本管理的顺利进行,以下是版本管理的具体流程:3.1 创建新版本- 当需要创建新版本时,首先应进行需求分析和功能评估,确保新版本的合理性和可行性。
- 在确认需求后,由项目经理或相关负责人创建新的BOM版本,并将其命名为合适的版本号。
3.2 版本开发- 在新版本创建后,团队成员根据需求文档和设计规范进行开发工作。
- 开发过程中,及时进行代码提交和版本控制,确保代码的可追溯性和安全性。
3.3 版本测试- 开发完成后,由测试团队进行版本测试,包括功能测试、性能测试、兼容性测试等。
- 测试人员应记录测试结果,并及时与开发团队沟通和解决存在的问题。
3.4 版本发布- 在版本通过测试后,由项目经理或相关负责人决定是否发布版本。
- 发布版本前,应进行最终的版本审核和确认,确保版本的稳定性和质量。
- 版本发布后,需要通知相关人员,并记录版本发布的时间和相关信息。
3.5 版本维护- 发布后的版本需要进行维护和支持,包括错误修复、功能更新等。
- 每个版本的维护周期应根据实际情况确定,并及时进行版本更新和发布。
4. 版本管理工具为了更好地进行BOM版本管理,可以借助版本管理工具来帮助团队进行版本控制和协作。
常用的版本管理工具有Git、SVN等,可以根据团队的实际情况选择合适的工具进行使用。
XXXXXXXXX公司物料编码原则5.1 产品编号原则:5.1.1产品分类:备注:产品大分类类别号由二位数字组成,本分类中未列出之类别,今后可根据产品的发展,再做具体规定。
产品二级分类为罗牙代码。
5.1.2 产品成品编码规则如下:产品大分类 第二级分类类别 代码扫把类 01 用字母A-Z 表示各类型的罗牙,无罗牙用“X ”表示(具体见罗牙分类表)拖把类 02 铲类 03 刷子类 04 柄类 05... ...名称 无罗牙/切平 美牙 德牙 意牙 开锥 代码XAGIT罗牙详细数据查阅:罗牙类型代码对照表.xls产品搭配标识对照表:搭配方式配柄组合扎绳无搭配代码H A B X5.1.4 成品编号举例:如:11115号扫把配柄,出018商标客户成品编号为: 9.01.1.11115H018015.2半成品原则:5.2.1 定义:公司的产品增加客户包材出货,定义为成品,按成品编码规则编码。
未增加客户包材的产品,定义为半成品,按半成品编码规则编码。
5.2.2半成品编码规则如下:5.2.3 半成品编号举例:如:11113开锥木柄半成品编号为: 8.05.T.111130111115 美牙扫把头,半成品编号为:8.01.A.111150111118绑拖把,半成品编号为:8.02.X.1111801公司物料分类:名称原材料-注塑原材料-植丝原材料-装配包材类耗材类设备类标识码 1 2 3 4 5 65.3 原材料-注塑5.3.1 原材料-注塑,编号原则:大分类为1字开头5.3.2 定义:注塑车间注塑时所需要的原材料5.3.3 注塑原材料分类:第一级分类第二级分类第三级分类类别代码类别代码类别代码原材料-注塑1色粉类01 无分类0塑胶原料02PP黑料 1硅胶料 2PP新料 35.3.4注塑车间原材料编码规则如下:5.3.5注塑车间原材料编号举例:如:色粉,编号为: 1.01.0.001003 PP新料,编号为:1.02.3.0035.4 原材料-植丝5.4.1 原材料-植丝,编号原则:大分类为2字开头5.4.2 定义:植丝车间植丝时所需要的原材料5.4.3 植丝原材料分类:第一级分类第二级分类第三级分类类别代码类别代码类别代码原材料-植丝2扫把胶头01用字母A-Z表示各类型的罗牙,无罗牙用“X”表示(具体见罗牙分类表)胶丝类02复合丝 1PP丝 25.4.4植丝车间胶头类编码规则如下:5.4.5胶头类编码举例:如:11115意牙扫把头的塑胶胶头,编码为:2.01.I.1111501 5.4.6植丝车间胶丝类编码规则如下:5.4.7胶丝类编码举例:如:复合胶丝,长160mm,口径0.25mm,编码为: 2.03.1.25160015.5 原材料-装配5.5.1 原材料-装配,编号原则:大分类为3字开头5.5.2 定义:装配车间装配时所需要的原材料5.5.3 装配原材料分类:第一级分类第二级分类第三级分类类别代码类别代码类别代码原材料-装配 3 扫把配件01无罗牙X意牙I美牙 A 拖把配件02无罗牙X意牙I美牙 A 柄类配件05抽耳 1外置罗牙 2其它 3 通用件09 螺丝 15.5.4柄配件(抽耳/外置罗牙)编码规则如下:抽耳详细最新数据查阅:抽耳款式对照表.xls5.5.5抽耳,外置罗牙编码举例:如:6号抽耳,编号为:3.03.1.601外置塑胶长美牙,编号为:3.03.2.M01 5.5.6通用件编码规则如下:5.5.7通用件编码举例:如:大扁自攻,5*20螺丝,编号为:3.09.1.0520015.5.8装配车间其它配件编码规则如下:备注:物料配件流水号指组成产品的,归属于装配车间的配件流水代码,如11115扫把头由上吸壳,下吸壳,胶头,胶丝四个原材料组成,归属装配车间的有上吸壳,下吸壳,流水代码分别为01,02。
BOM版本管理的操作规定1. 目的为了确保产品生产过程的准确性和追溯性,规范BOM(Bill of Materials,物料清单)版本的管理,提高生产效率,降低生产成本,特制定本规定。
2. 适用范围本规定适用于公司所有涉及BOM版本管理的相关部门及人员。
3. BOM版本管理流程3.1 BOM编制1. 设计部门根据产品设计要求,制定初步BOM表。
2. 采购部门、生产部门、质量部门等相关部门对初步BOM表进行审核,确保物料的可用性、生产可行性及质量要求。
3. 经过审核无误后,由设计部门负责人发布正式BOM表。
3.2 BOM版本控制1. BOM版本采用递增方式命名,如V1.0、V1.1等。
2. 每次BOM更新时,需在版本号后添加更新标记,如V1.0_1、V1.1_1等。
3. 更新BOM时,需填写《BOM版本更新申请表》,经相关部门审核批准后方可进行。
3.3 BOM发布与修订1. 设计部门负责人将审核通过的BOM表发布至相关部门。
2. 生产、采购、质量等部门根据BOM表进行生产、采购、检验等工作。
3. 如发现BOM表存在问题,需及时提出修订申请,经设计部门负责人批准后进行修订。
3.4 BOM版本追溯与记录1. 相关部门应保存所有BOM版本的相关记录,包括《BOM版本更新申请表》、审核记录等。
2. 生产过程中,各环节应记录所使用的BOM版本,确保生产追溯性。
4. 权限与责任4.1 设计部门1. 负责BOM表的编制、发布和修订。
2. 负责对BOM表的技术问题进行解答和指导。
4.2 采购部门1. 负责根据BOM表进行物料采购。
2. 负责对采购物料的质量进行把控。
4.3 生产部门1. 负责根据BOM表进行生产。
2. 负责对生产过程中的BOM版本进行记录。
4.4 质量部门1. 负责对BOM表的质量进行审核。
2. 负责对生产过程中的质量问题进行跟踪和处理。
5. 违规处理违反本规定的行为,公司将根据情节严重程度对相关人员进行通报批评、罚款、降职等处理,造成严重后果的,依法承担相应责任。
《BOM》反馈表编号规则
为规范反馈BOM的错误和使各班组统一其反馈编号,现对《BOM》反馈表的编号进行规定,具体如下:
说明:
一、编号代表:
①代表为品检部用字母P表示;
②代表原材料检验班,检验一组用F、检验二组用G、检验三组用C表示;
③代表年份,如2012年用2表示;
④代表月份,如1月、12月用01和12表示;
⑤代表流水号,范围为001-999;
二、各班组的《BOM》反馈表由班组的资料管理员处统一登记,检验员编写
编号参照《BOM》反馈表上个编号。
三、例子:
PC411001表示品检部原材料检2012年12月份反馈的《BOM》表。
四、以上规定从2012年12月8日执行!
品管部
2012年12月8日。
BOM表详解我现在的公司主要做OEM,但是发现国内好多设计公司都不能建立一个合理的BOM 表,在转入生产时产生了不少不必要的麻烦,所以我写此文章,让大家明白BOM的建立目的和方法,及在一个产品生命周期中所扮演的角色。
BOM全称Bill Of Material,即物料清单的意思。
顾名思义,一个产品的BOM说明了这个产品总共需要多少零配件来组装。
根据BOM,才能去采购物料,才能安排生产的flow chart。
BOM的开头需要注明1.产品型号2. 版本号3. 制定日期4. 文档编号5.总的页数。
每个产品在整个生命周期中都是会不断优化设计或扩充功能等等,版本号就是用来区分每个版本,在这里我要强调的是当一个新版本确定后,老版本就必须标注为过期文档封存,停止使用。
如果发现新版本还不如老版本,要停用新版本,启用老版本,那么请给老版本确定一个更新的版本号。
例如一开始为版本A,后来升级到版本B,后来发现版本B不如A,要重新用A,那么请将A定义为版本C,虽然A和C的内容是相同的,但是如果不定义为C而仍称A,那么A再做第二次设计优化后的版本号会造成管理的混乱,产品的BOM表发布必须由研发部发出,至少要由研发工程师、研发部主管每级签核确认,以确保BOM的正确性。
BOM和产品的关系只能是多个BOM对应一个产品,而不能一个BOM对应多个产品,哪怕这两个产品仅仅是一张标签内容的不同。
有的读者可能不明白产品型号和BOM版本之间的区别,在这里我要强调一下,产品型号是因为市场需求制定的,而BOM是为产品型号而定的。
例如,一家公司开发出了一个产品叫做“001”,甲公司要求帮他做贴牌,就把这个产品定为“甲字001”,乙公司也要,于是又出来一个“乙字001”,虽然“甲字001”和“乙字001”完全是相同的,只是一个商标的不同。
那么在生产时,就要为“甲字001”和“乙字001”各建一个BOM表,如果甲公司对“甲字001”要优化而乙公司觉得“乙字001”很不错没有必要改,就可以很容易的升级“甲字001”的BOM版本,而“乙字001”的BOM版本不需变化。
BOM版本控制要求1. 目的本文档旨在详细说明BOM(物料清单)版本控制的要求,以确保产品设计和生产过程中BOM的准确性和一致性。
所有涉及BOM的团队成员必须遵循本文档的规定。
2. 适用范围本文档适用于所有涉及BOM管理的相关部门,包括设计、工程、生产、采购和质量控制。
3. BOM定义BOM(物料清单)是生产一个产品所需的所有组件、子组件、原材料和装配关系的清单。
BOM是产品设计和生产过程中的关键文件,用于指导生产、采购和库存管理。
4. BOM版本控制4.1 BOM版本命名规则- 版本号采用X.Y.Z格式,其中X表示主版本号,Y表示次版本号,Z表示修订号。
- 每次对BOM进行修改时,必须 increments the修订号Z。
- 当修改涉及到产品重大更改时,应increments the次版本号Y。
- 当修改涉及到产品架构或核心功能的更改时,应 incrementsthe主版本号X。
4.2 BOM版本发布- 每个版本的BOM都应经过严格的审核和批准流程。
- 审核和批准流程应包括相关团队的参与,如设计、工程、生产、采购和质量控制。
- 批准后的BOM版本应由负责人进行发布,并确保所有相关方都能访问到最新版本。
4.3 BOM版本变更管理- 任何对BOM的修改都应记录在案,包括修改原因、修改内容和修改日期。
- 修改后的BOM应进行重新审核和批准,确保更改的正确性和合理性。
- 更改应由负责人进行跟踪和监督,确保所有相关方都了解最新的BOM版本。
5. 权限和培训5.1 权限- 只有经过授权的人员才能对BOM进行修改和发布。
- 授权人员应对BOM的准确性和一致性负责。
5.2 培训- 所有涉及BOM管理的团队成员应接受相关培训,了解BOM 版本控制的要求和流程。
- 培训应包括BOM的定义、版本控制规则、审核和批准流程以及变更管理等。
6. 记录和文档6.1 记录- 所有BOM版本应进行记录,包括版本号、发布日期、审核和批准人员等信息。
关于BOM版本管理的制度1. 目的为了规范产品生命周期中的物料清单(Bill of Materials, BOM)管理,确保BOM的准确性和及时更新,提高生产效率和产品质量,特制定本制度。
2. 适用范围本制度适用于公司所有涉及BOM版本管理的相关部门及人员,包括产品研发、生产、采购、质量控制等。
3. BOM定义BOM是产品结构中各个组成物料的详细清单,包括原材料、组件、子装配件及工艺路线等。
它描述了产品的制造过程和所需的物料。
4. BOM管理流程4.1 BOM编制产品研发部门负责新产品的BOM编制工作,应确保BOM信息的准确、完整。
BOM编制应遵循公司内部指导文件《产品设计文件编制规范》。
4.2 BOM审核BOM编制完成后,由研发部门负责人进行初步审核,再由生产、采购、质量控制等相关部门进行专业审核。
审核内容应包括:BOM的准确性、完整性、工艺可行性、物料来源等。
4.3 BOM发布BOM经过审核无误后,由研发部门负责人进行发布,并通知生产、采购、质量控制等相关部门。
4.4 BOM修订当产品设计变更、生产异常、物料替代等导致BOM变更时,研发部门应立即进行BOM修订,并重新走审核、发布流程。
5. BOM版本控制5.1 版本命名BOM版本命名规则:主版本号+修订号,如V1.0、V1.1等。
5.2 版本控制研发部门应建立BOM版本控制文档,记录BOM各个版本的发布时间、修订内容、修订人等信息。
5.3 版本切换生产、采购、质量控制等部门在接到新的BOM版本后,应立即进行版本切换,确保生产、采购、检验等活动使用的是最新有效的BOM。
6. 责任与考核6.1 各部门应严格按照本制度进行BOM管理,确保生产、检验等活动正常进行。
6.2 对于违反本制度,导致生产异常、质量问题等情况的,公司将追究相关责任人的责任。
7. 附则本制度自发布之日起执行,如有与本制度冲突的,以本制度为准。
公司有权对本制度进行修订,修订后的制度自发布之日起执行。
物料编码、BOM 规则
一、 物料编码规则:
整体规则:1-2-6
规则描述:
1)、编码全部采取阿拉伯数字;
2)、整体原则是3级9位,具体原则是:1-2-6
第一位:代表大类,按照公司目前的物料类别进行如下定义: 1:代表PCB ;
2:代表IC ;
3:代表SMT XX;
4:代表DIP电子料;
5:代表DIP CONNECTOR接插件;
6:代表包材;
7:代表成品/半成品;
8:代表辅料
9,0:暂时预留;
第二位,第三位:代表大类下的小类,比如:100:代表PCB大类下的MB小类;
101:代表PCB大类下的VGA小类;
102:代表PCB大类下的LAN小类;
其他依此类推;
特别说明:7代表成品/半成品,作如下规定:700:代表包装完成后的成品;
701:代表SMT完成后的半成品;
702:代表插件完成后的半成品;
第四位到第九位:表示流水号:
二、BOM创建规则:
1、BOM模型:
1
A1
2
A2 3
A
4
5
其中;
A1:代表SMT完成后的半成品;1,2代表完成SMT需要的原材料;A2:代表插件完成后的半成品;3,4代表插件类原材料;
A :代表包装完成后的成品;5代表包装材料。
BOM版本管理的实施规定1. 背景在产品制造过程中,BOM(物料清单)是一个重要的管理工具,用于记录产品的组成部分和相关信息。
由于产品的不断迭代和改进,BOM的版本管理变得至关重要,以确保正确的物料和信息被使用。
2. 目的本文档的目的是制定BOM版本管理的实施规定,旨在确保BOM的准确性、一致性和可追溯性,以支持产品制造过程的顺利进行。
3. 实施规定3.1 BOM版本命名规则BOM的版本应按照一定的命名规则进行标识,以便于识别和管理。
以下是建议的命名规则:- 主版本号(Major Version Number):表示重大的变更或改进,从1开始递增。
- 次版本号(Minor Version Number):表示小的修订或调整,从0开始递增。
- 修订号(Revision Number):表示错误修复或其他细微变更,从0开始递增。
示例:BOM版本号可以表示为1.0.0,表示主版本号为1,次版本号为0,修订号为0。
3.2 BOM版本控制流程为确保BOM的版本管理,以下流程应被采取:1. BOM创建:在产品开发阶段,根据产品设计和规格,创建初始版本的BOM。
2. BOM变更:当有必要对BOM进行修改时,应按照变更管理流程进行。
变更需求应经过评审和批准,修改后的BOM版本号应更新。
3. BOM发布:经过验证和审批后,BOM应发布到制造部门和相关利益相关者。
4. BOM备份:每个BOM版本应备份并妥善保存,以便追溯和回溯需要。
5. BOM更新通知:每次BOM更新后,应及时通知相关利益相关者,以确保他们使用的是最新版本的BOM。
3.3 BOM版本管理责任BOM版本管理涉及多个部门和角色的协同工作。
以下是各个角色的责任:- 产品开发部门:负责创建和维护BOM的初始版本,并进行必要的变更。
- 变更管理团队:负责评审和批准BOM的变更请求。
- 制造部门:负责使用最新版本的BOM进行产品制造,确保物料的准确性和可用性。