QJQ1151-2011_汽车用干式空气滤清器总成技术条件_20111219
- 格式:pdf
- 大小:201.52 KB
- 文档页数:14
目次前言 (ii)1 适用范围 (1)2 规范性引用文件 (1)3 术语和定义 (1)4 技术要求 (3)5 试验条件 (3)6 试验仪器和设备 (4)7 试验方法 (4)8 标志、包装、运输、贮存 (7)附录A(规范性附录)颗粒过滤器(DPF)称重方法和电加热炉再生或清洁方法 (8)附录B(资料性附录)后处理装置一般资料及试验结果记录 (9)环境保护产品技术要求 柴油车排气后处理装置1 适用范围本标准规定了柴油车排气后处理装置的技术要求和试验方法。
本标准适用于柴油车发动机排气后处理装置,包括氧化型催化转化器(DOC)、颗粒过滤器(DPF)、选择性催化还原装置(SCR)。
由以上基本后处理装置单元衍生组合的装置参照本标准执行。
2 规范性引用文件本标准内容引用了下列文件或其中的条款。
凡是不注日期的引用文件,其有效版本适用于本标准。
GB 17691 车用压燃式、气体燃料点燃式发动机与汽车排气污染物排放限值及测量方法(中国Ⅲ、Ⅳ、Ⅴ阶段)GB 18352.3 轻型汽车污染物排放限值及测量方法(中国Ⅲ、Ⅳ阶段) GB 11122 柴油机油GB/T 5181 汽车排放术语和定义GB/T 18297 汽车发动机性能试验方法GB/T 18377 汽油车用催化转化器的技术要求和试验方法 3 术语和定义下列术语和定义适用于本标准。
3.1 柴油车排气后处理装置 aftertreatment devices for diesel vehicle exhaust指安装在柴油车发动机排气系统中,能通过各种理化作用来降低排气中污染物排放量的装置。
3.2 氧化型催化转化器 diesel oxidation catalyst (简称DOC)指安装在柴油车发动机排气系统中,通过催化氧化反应,能降低排气中一氧化碳(CO )、总碳氢化合物(THC )和颗粒物(PM )中可溶性有机成分等污染物排放量的排气后处理装置。
3.3 颗粒过滤器 diesel particulate filter (简称DPF )指安装在发动机排气系统中,通过过滤来降低排气中颗粒物的装置。
目录一、产品特点二、空气滤清器的更换周期三、空气滤清器的维护与保养四、空气滤清器的安装使用注意事项五、空气滤清器的相关知识六、空气滤清器的使用误区及鉴别方法七、空气滤清器的常见故障及解决方法八、营销话术一、感谢您使用一汽备品——原厂原配,爱车首选本产品具有以下特点:1.良好的产品加工工艺;滤纸和塑料边框一体化压制成型,在安装和使用中不会出现开裂漏气的情况。
普通空气滤清器加工精度低,非一体化成型,极易开裂。
2.高效的过滤介质,过滤精度高;使用了高精密度的过滤材料不但过滤精度高。
可过滤99.9%的灰尘、油烟和轮胎磨损颗粒。
3.最佳的过滤效果和使用寿命;过滤材料材质厚实,手感细腻,纤维体致密,排列整齐,硬度和韧性均较高,不容易起皱,透气性和过滤能力强且使用寿命长。
4.产品性能经过严格检测,可靠性强。
由特别开发的发泡材料制成的的密封材料,能确保持续密封,让所有的空气都经过过滤以后再流入发动机。
这种密封材料抗老化和化学影响,在温度变化下能保持稳定。
其几何形状设计的灵活保证与密封面完全有效的密封。
二、空气滤清器更换周期通常建议每行驶1.5万公里更换一次。
经常在恶劣环境中工作的车辆(工地、沙漠、多沙尘地区等)建议不超过一万公里更换一次。
三、空气滤清器的维护与保养注意必须定期检查和保养空气滤清器(至少每5000公里检查保养一次)如发现已有严重的堵塞,或者有变形起皱、水润迹象、滤芯破损、或滤芯上下端面曲翘不平,或有橡胶密封圈老化变形、破损的情况出现则需要立即更换新的滤清器。
对于能继续使用的空气滤清器,可使用振动法、软刷刷除法(要顺着其皱折刷)或压缩空气反吹法(注意气压不能过高,一般不超过2-3公斤,以免造成滤纸变形)清除附着在纸滤芯表面的灰尘、污物。
温馨提示:即使每次都能精心维护,但由于材料会逐渐老化,纸滤芯不可能完全恢复原来的过滤性能,其进气阻力会增高。
所以达到更换里程以后就应该更换空气滤清器,以保证发动机稳定工作。
QC/T 770—2019(2006-12-17发布,2006-05-01实施)前言根据全国主要汽车制造单位的主要车型对空气滤清器性能要求的调查结果,根据近年来我国主要引进车型有关空气滤清器的技术文件并以空气滤清器当代世界水平为目标制订了本标准。
本标准的试验用灰尘采用国际标准 ISO 12103-1:2019《道路车辆-滤清器评估用试验灰尘-第1部分:亚利桑纳试验灰尘》规定的ISO 12103-A2和IISO 12103-A4灰尘。
本标准的附录A和附录B是规范性附录。
本标准由全国汽车标准化技术委员会提出并归口。
本标准起草单位:重庆汽车研究所(排放与节能试验研究部)、蚌埠金威滤清器有限公司、成都市泽仁实业有限责任公司、柳州日高滤清器有限责任公司、成都万友滤机有限公司和南充市攀峰滤清器有限公司。
本标准主要起草人:王志伟、罗宏伟、施旭文、彭晓刚、韦宏、王珂、沈刚、林进修。
QC/T 770—2019汽车用干式空气滤清器总成技术条件Specifications for dry type air cleaner assembly of automobiles1 范围本标准规定了汽车用干式空气滤清器总成的技术要求、试验方法和检验规则以及标志、包装、运输和储存。
本标准适用于体积流量为4000m3/h以下的汽车(不含乘用车)干式空气滤清器总成(以下简称总成)。
工程机械、农林机械、船舶和固定动力用的干式空气滤清器也可参照使用。
2 规范性引用文件下列文件中的条款通过本标准的引用而成为本标准的条款。
凡是注日期的引用文件,其随后所有的修改单(不包括勘误的内容)或修订版均不适用于本标准,然而,鼓励根据本标准达成协议的各方研究是否可使用这些文件的最新版本。
凡是不注日期的引用文件,其最新版本适用于本标准。
GB/T 2828.1 计数抽样检验程序第1部分:按接收质量限(AQL)检索的逐批检验抽样计划GB/T 3730.1-2019 汽车和挂车类型的术语和定义QC/T 32-2019 汽车用空气滤清器试验方法3术语和定义QC/T 32-2019和GB/T 3730.1-2019确立的术语和定义适用于本标准。
空气滤芯空气滤清器的类型根据滤清原理,空气滤清器可分为过滤式、离心式、油浴式、复合式几种。
发动机中常用的空气滤清器主要有惯性油浴式空气滤清器、纸质干式空气滤清器、聚氨酯滤芯空气滤清器等几种。
惯性油浴式空气滤清器先后经过惯性式滤清、油浴式滤清、过滤式滤清三级滤清,后两种空气滤清器主要通过滤芯过滤式滤清。
惯性油浴式空气滤清器具有进气阻力小,能适应多尘多沙工作环境,使用寿命长等优点,以前在多种型号的汽车、拖拉机发动机上采纳。
但这种空气滤清器滤清效率较低、重量大、成本高、维护不便,在汽车发动机中已渐渐被淘汰。
纸质干式空气滤清器的滤芯采纳经过树脂处理的微孔滤纸制成,滤纸多孔、疏松、折叠,有肯定的机械强度和抗水性,具有滤清效率高、结构简洁、重量轻、成本低、保养便利等优点,是前目应用广泛的汽车用空气滤清器。
聚氨酯滤芯空气滤清器的滤芯采纳松软、多孔、海绵状的聚氨酯制成,吸附力量强,这种空气滤清器具有纸质干式空气滤清器的优点,但机械强度低,在轿车发动机中使用较为广泛。
后两种空气滤清器的缺点是使用寿命较短,在恶劣环境条件下工作不行靠。
优缺点各种空气滤清器各有优缺点,但不行避开地都存在进气量与滤清效率之间的冲突。
随着对空气滤清器的深化讨论,对空气滤清器的要求也越来越高。
消失了一些新型空气滤清器,如纤维滤芯空气滤清器、复式过滤材料空气滤清器、消声空气滤清器、恒温空气滤清器等,以满意发动机工作的需要。
安装使用1.在安装时,空气滤清器与发动机进气管之间无论是采纳法兰、橡胶管联接还是直接联接,都必需严密牢靠,防止漏气,滤芯两端面必需安装橡胶垫圈;固定空气滤清器外罩的翼形螺母不能拧得过紧,以免压坏纸滤芯。
2.在维护时,纸滤芯千万不能放在油中清洗,否则纸滤芯会失效,还简单引起飞车事故。
保养时,只能使用振动法、软刷刷除法(要顺着其皱折刷)或压缩空气反吹法清除附着在纸滤芯表面的灰尘、污物。
对粗滤器部分,应准时清除集尘部位,叶片和旋风管等处的灰尘。
中华人民共和国汽车行业标准QC/T 29032一91汽车用空气滤清器堵塞报警传感器1 主题内容与适用范围本标准规定了汽车空气滤清器堵塞报警传感器(以下简称堵塞报警器)的型式、安装方式、技术要求、试验方法、检验规则、标志、包装、运输及贮存。
本标准适用于安装在汽车发动机空气滤清器管路上的堵塞报警传感器。
2 引用标准GB 1414管路旋入端用普通螺纹尺寸系列GB 2423.4电工电子产品基本环境试验规程试验Db:交变湿热试验方法GB 2423.17电工电子产品基本环境试验规程试验ka:盐雾试验方法GB 2828逐批检查计数抽样程序及抽样表ZB T04 00260°牙型角时制锥螺纹ZB T35 001汽车电气设备基本技术条件3 参数与安装方式3.1 堵塞报警器的参数堵塞报警器的参数应符合表1的规定。
报警真空度值,由供需双方商定。
3.2 堵塞报警器的安装方式a.采用外壳连续螺纹搭铁的单线制。
其螺纹尺寸应符合ZB T04 002或GB1414的规定;b.电源接线采用双线制,其安装方式由供需双方商定。
4 技术要求4.1 堵塞报警器应符合本标准要求,并应按照规定程序批准的图样及设计文件制造。
4.2 工作环境堵塞报警器的工作环境温度为-18~+75℃,相对湿度不大于90%。
4.3 外观4.3.1 电镀层应均匀、牢固、无气泡、起皮、脱落和结晶粗糙等现象。
4.3.2 堵塞报警器的塑料件表面应光洁、平整,不得有毛刺、裂纹、分层及气泡等缺陷。
4.4 性能4.4.1 基本误差堵塞报警器在环境温度为23±5℃、相对湿度为60%±15%、气压为96±10kPa (以下简称常温常湿常压)时,报警真空度的基本误差为±0.6kPa。
4.4.2 接触电阻引起内部电压降当堵塞报警器接线端与负载搭铁端之间的电压为15V(或30V),负载功率5W 时,由接触电阻所引起的内部电压降不得大于表2规定的数值。
汽车空气过滤器性能标准与试验方法〔参考 QCT970-2023 乘用车空气滤清器技术条件〕1.1空滤器原始进气阻力标准:在额定空气体积流量下,空滤器原始进气阻力小于或等于 2.0kPa。
试验方法:按 QC/T 32-2023 中 7.1 中的规定。
1.2滤芯原始进气阻力标准:在额定空气体积流量下,滤芯原始进气阻力小于或等于 0.5kPa。
试验方法:按 QC/T 32-2023 中 7.2 中的规定。
1.3原始滤清效率标准:在额定空气体积流量下,空滤器/滤芯原始滤清效率应按表 1 的规定。
试验方法:按 QC/T 32-2023 中 7.3 中的规定.1.4全寿命滤清效率标准:在额定空气体积流量下,当进气阻力增量到达规定值 2.0kPa 时,空滤器/滤芯全寿命滤清效率应按表 2 的规定。
试验方法:按 QC/T 32-2023 中 7.5/7.6 中的规定.1.5储灰量标准:在额定空气体积流量下,当进气阻力增量到达规定值 2.0kPa 时,空滤器/滤芯储灰量应按表 3 的规定。
试验方法:按 QC/T 32-2023 中 7.5/7.6 中的规定。
1.6滤芯解体压力标准:滤芯解体压力不低于 10kpa。
试验方法:按 ISO 5011-2023 中 6.6 的规定。
1.7干式空滤器/干式滤芯进气阻力复原率标准:对完毕储灰量试验的滤芯进展复原性处理后,干式空滤器/干式滤芯进气阻力复原率应不低于 80%。
试验方法:按 QC/T 32-2023 第 8 章的规定。
1.8密封性标准:空滤器各密封部位应密封牢靠,在滤清效率试验或储灰量试验完毕后,马上拆检,空滤器各密封部位不应有漏灰痕迹。
试验方法:按 QC/T 32-2023 中 7.7 的规定。
1.9环境密封性标准:空滤器在 5kPa 真空度作用下,清洁空气侧环境空气泄漏量应不大于 100L/h。
试验方法:1.按图 A.1 所示将被试验的空滤器与试验装置稳妥连接,空滤器进气口及非清洁空气侧全部可能的进气局部应严格密封。
国内外汽车空调滤清器试验标准解析作者:殷尉边嘉宸何雍奥来源:《时代汽车》2019年第09期摘要:本文主要介绍了国内外空调滤清器常用标准,代表性的有:ISO/TS 11155-1:2001《道路车辆乘驾室用空气滤清器第1部分:粉尘过滤测试》、EN779:2012《一般通风用空气滤清器-过滤性能的测定》EN1822-1:2009《高效空气滤清器第1部分:分级、性能试验、标识》GB/T 32085.1-2015《汽车空调滤清器第1部分:粉尘过滤测试》QC/T 795.1-2007《道路车辆乘驾室用空气滤清器第1部分粉尘过滤测试》QC/T 998-2015《汽车空调滤清器技术条件》,从试验环境、试验流量、测试项目、试验粉尘及分级效率测试粒径、滤清器分级对以上标准进行总结分析。
关键词:汽车;空调滤清器;试验标准;对比分析1 前言中国快速的城市化进程对脆弱的城市生态系统产生了巨大的影响。
世界卫生组织的空气质量指南指出,中国85个城市PM 2.5浓度大于10μg/m3,这些城市主要分布在中国中东部地区。
城市PM 2.5与城市人口之间存在显着正相关,城市PM 2.5与城市第二产业之间存在显着正相关,因此,城市工业越发达,PM 2.5浓度越高[1]。
现代生活离不开交通工具,作为保有量最多的汽车更是生活中不可或缺的交通工具。
随着汽车技术的不断发展,除了关注汽车的性能、舒适性,人们现在的关注点更倾向于健康。
车厢内的空气质量成为亟待解决的一大难题。
汽车空调是影响车内空气质量的直接因素,空气经过汽车空调进入车厢,影响车厢内的温湿度及空气清洁度。
目前,基本所有车型都为汽车空调配备了空调滤清器,空调滤清器能减少进入车厢内气体的污染程度。
2 空调滤清器原理最早的空调滤清器出现在二十世纪80年代,发展到今天,它不但可以保护乘客吸入花粉和灰尘,还可以对气体污染物进行过滤。
目前大多数空调系统匹配的滤清器有两种,一种是单功效的颗粒滤清器,它可以使过滤大颗粒污染物如灰尘、柴油烟灰、花粉颗粒等;另一种是多功效的活性炭滤清器,在具有单效空调滤清器的功能的同时,还能通过活性炭吸附空气中的甲苯、丁烷、氮氧化物等有害气体。
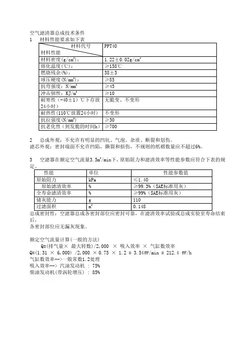
空气滤清器总成技术条件
2 总成外观:不允许有明显的凹坑、气泡、杂质、断裂和划伤。
滤芯外观:密封端面不允许凹陷,撕裂和损伤,不规则的纸褶数量应不超过6%。
3 空滤器在额定空气流量3.5m3/min下,原始阻力和滤清效率等性能参数应符合下表的规
后,
各密封部位应无漏灰现象。
额定空气流量计算(一般的方法)
Q=(排气量×最大转数)/2,000×吸入效率×气缸数效率
Q=(1.31 × 6,000) /2,000 ×0.75 × 1.2 = 3.54㎥/min = 212.4 ㎥/h
气缸数效率-->一般常数1.2处理
吸入效率--> 汽油发动机 : 75%
柴油发动机(带涡轮增压) : 85%
附页二
1、以上两种种产品管内表面应洁净、沉积物量不应超过0.194g/m2。
2、性能应符合下表。
3、耐热性100℃/70h无裂纹发生及异常现象。
4、耐臭氧性50pphm×40℃×70h无裂纹及异常现象。
5、耐寒性-35℃×70h无裂纹出现。
注:试验方法按国标执行。
精心整理空气滤清器基本知识空气滤清器的作用是清除流入发动机进气系统的砂粒和尘土,保养发动机的气缸、活塞及活塞环,延长发动机的使用寿命。
按照杂质被清除的方式,空气滤清器可分为三类:●惯性式:利用气流在急速改变流动方向时,因尘粒具有较大的惯性而被清除较大的颗粒。
●油浴式:空气进入滤芯前,被甩出大颗粒尘土被油液粘附。
●过滤式:碰撞,使尘土被阻挡或粘附在滤芯上,土最有效。
合式的空气滤清器。
即:,它具有重量轻、体积小、成本低、制造方便等一系列优点。
干式空气滤清器的主要性能指标有:额定流量、粗滤效率、原始滤清效率、原始阻力、试验室试验寿命。
■额定流量空气滤清器的额定流量是指空气滤清器产品图样所规定的,在标准大气状况下通过空气滤清器出气口的空气流量,它应与发动机在标定功率下所需供气量相匹配。
单位:立方米/小时(m3/h)。
发动机的额定空气流量可根据其工作容积、额定转速和充气系数等来确定,其计算方法如下:四冲程发动机Q=0.5×10-3.Vn.N.η.ε二冲程发动机Q=10-3.Vn.N.η.ε式中: Q………额定空气流量(m3/min)Vn……..发动机工作容积(L)N………发动机额定转速(r/min)η……….发动机充气系数ε………发动机脉冲系数,见表四冲程发动机:η=0.9表1二冲程发动机:η充气系数。
,柴油机0.08m3约0.06m3/min)增压柴油机….每1Kw约0.09m3/min(1Ps约0.065m3/min)汽油机……….每1Kw约0.07m3/min(1Ps约0.05m3/min)■粗滤效率在额定空气流量下,粗滤器分离出粉尘的能力,以百分数表示。
ηc= (△Mc/Mg) ×100%式中:ηc…….粗滤效率,%;△Mc…….粗滤器集尘装置在加粉尘前后的质量增量,g;Mg………加粉尘量,g粗滤器是利用惯性或离心方法在滤芯前去除一部分粉尘的装置。
粗滤器的型式有:帽式粗滤器盆式粗滤器叶片环式和切向进气式粗滤器旋流管式粗滤器。
1法规校核无无2重大历史问题无无3功能校核1.总成原始进气阻力:空抽10min后,按额定流量的40%、60%、80%、100%、120%测取和记录各点下的压力降;(不大于1.8Kpa;)2.原始滤清效率:用270目石英砂,0.5g/m^3的浓度加灰,加灰量为20g或6倍于每分钟体积流量(m^3/min)(二者取大值);纸式滤芯:99.5%;无纺布:99%3.寿命终了滤清效率:实验终止条件:原始进气阻力增加2Kpa或在额定空气流量下的滤清效率下降到99%;((纸质:99%;无纺布:98.5%)4.储灰能力: (一倍的额定空气体积流量)合格品≥ 0.6Q;一等品≥ 0.8Q5.总成实验室寿命:总成寿命应不小于4h(B为实验过程中总的加灰量,g;qve为额定空气流量,m^3/h;)6.额定空气流量:7密封性:在原始滤清效率试验或总成寿命结束后,检测各密封部位有无漏灰现象;8.进气阻力复原率小于规定值:≥ 85%9.滤芯面积: A=qνe/k;k─表面空气体积流量系数,通常在0.01~0.035之间;A1─纸质滤芯有效过滤面积,cm²;滤芯时的实际过滤面积应是:A=(1.5-2)A110.滤芯折距: 折距(t ) 通在2.5~3.5mm,折距又由滤纸的厚度δ限制,t最小值为2δ,通常t≥3δ以上.11.折数: 折数=L/t=A/2×折高×折宽12.折高:不得大于55mm(纸质)13.空滤体积:4~5倍的发动机排量;14.空滤滤芯离下壳体要保持一定距离:15.空滤下壳体要在最低点位置开直径2mm的排尘孔;1.原始滤清效率是否达到规定要求;2.总成原始阻力是否达到要求;3.总成实验室寿命值是否达到要求;4.各密封部位应无漏灰现象;5.要求进气阻力复原率大于规定值。
6.整个进气系统的真空度(流量/进气截面积是否满足要求)4布置校核1.引气口布置:1)引气管口布置在远离前舱位置,进气口处温度不宜过高,不要高于环境温度15度;2)进气口应避免吸入雨、雪及发动机排出的废气;3)进气口应避开机仓的负压区,集尘区,甩泥区,轿车空滤器的进气口一般置于汽车的前脸;2. 空气滤清器体积:4~5倍的发动机排量;3.是否有足够进风量,过渡风道是否平顺4.设计空滤进气口的位置时,要考虑后面引气管的走向及布置;是否满足目标要求5安装机构校核1.目前空滤器上下壳体一般都是两种固定方式:1.自攻螺钉固定;2.钢丝卡扣式固定;3.钢板弹簧卡子固定4.下壳体固定点位置埋螺母,通过螺栓固定。