C型钢规格型号及技术参数.docx
- 格式:docx
- 大小:103.94 KB
- 文档页数:3
截面高度H 截面宽度B卷边宽度C厚度tY轴距离z0偏心距e 截面面积A惯性矩Ix 惯性矩Iy1 槽80x40x15x2.0 80 40 152 14.52 33.6 347 341600 77900 462 1129000002 槽100x50x15x2.5 100 50 15 2.5 17.06 39.4 523 813400 171900 1090 3528000003 槽120x50x20x2.5 120 50 20 2.5 17.06 40.3 598 1294000 209600 1246 6609000004 槽120x60x20x3.0 120 60 20 3 21.06 48.7 765 1706800 373600 2296 11532000005 槽140x60x20x3.0 140 60 20 3 19.64 46.1 825 2454200 394900 2476 15898000006 槽150x50x20x1.6 150 50 20 1.6 15.24 27.2 422 1362930 141870 360 6638300007 槽150x50x20x2.0 150 50 20 2 15.24 27.2 528 1703660 177330 700 6297900008 槽150x50x20x2.5 150 50 20 2.5 15.24 27.2 660 2129580 221660 1380 10372300009 槽150x50x20x3.0 150 50 20 3 15.24 27.2 792 2555490 266000 2380 124453000010 槽150x60x20x1.6 150 60 20 1.6 19 45 451 1514130 214620 390 99587000011 槽150x60x20x2.0 150 60 20 2 19 45 564 1892660 268520 750 124484000012 槽150x60x20x2.5 150 60 20 2.5 19 45 705 2365830 335650 1470 155605000013 槽150x60x20x3.0 150 60 20 3 19 45 846 2838990 402780 2540 186726000014 槽160x60x20x2.0 160 60 20 2 18.41 44 582 2195200 274190 780 141725000015 槽160x60x20x2.5 160 60 20 2.5 18.41 44 728 2744000 342730 1520 177166000016 槽160x60x20x3.0 160 60 20 2.5 18.41 44 874 3292800 411280 2620 212588000017 槽160x70x20x3.0 160 70 20 3 22.24 52.5 742 3736400 604200 2836 307050000018 槽180x60x20x2.0 160 60 20 2 17.33 42.1 619 2861760 284520 830 180435000019 槽180x60x20x2.5 160 60 20 2.5 17.33 42.1 774 3602200 355650 1610 225544000020 槽180x60x20x3.0 160 60 20 3 17.33 42.1 926 4322640 426780 2790 270652000021 槽180x70x20x2.0 180 70 20 2 21.1 50 687 3439300 451800 870 255475000022 槽180x70x20x2.2 180 70 20 2.2 21.1 50 752 3749000 489700 1254 285654000023 槽180x70x20x2.5 180 70 20 2.5 21.1 50 848 4202000 544200 1710 319343000024 槽180x70x20x3.0 180 70 20 3 21.1 50 983 4730880 609240 2950 383212000025 槽200x65x20x2.0 200 65 20 2 18.1 44 673 3850560 353370 900 269349000026 槽200x65x20x2.5 200 65 20 2.5 18.1 44 842 4813200 441720 1760 336686000027 槽200x65x20x3.0 200 65 20 3 18.1 44 1010 5775840 530060 3030 404023000028 槽200x70x20x2.0 200 70 20 2 20 44 727 4400400 467100 920 318550000029 槽200x70x20x2.2 200 70 20 2.2 20 48 796 4798700 506400 1200 354852000030 槽200x70x20x2.5 200 70 20 2.5 20 48 898 5382100 562700 1800 398187000031 槽200x70x20x3.0 200 70 20 3 20 48 1037 6027840 629540 3120 477824000032 槽220x70x20x2.5 220 70 20 2.5 19 46 910 6263600 539850 1900 487715000033 槽220x70x20x3.0 220 70 20 3 19 46 1092 7516320 647820 3280 585258000034 槽220x70x20x3.2 220 70 20 3.2 19 46 1165 8017410 691000 3980 624267000035 槽220x75x20x2.0 220 75 20 2 20.8 51 787 5744500 568800 1290 410923000036 槽220x75x20x2.2 220 75 20 2.2 20.8 51 862 6268500 617100 1760 460930200037 槽220x75x20x2.5 220 75 20 2.5 20.7 51 973 7037600 686600 1950 570718000038 槽220x75x20x3.0 220 75 20 3 20.7 51 1119 7621240 761170 3360 684862000039 槽220x75x20x3.2 220 75 20 3.2 20.7 51 1194 8342660 811910 4080 730520000040 槽250x70x20x2.5 250 70 20 2.5 17.6 44 978 8441830 560030 2040 642760000041 槽250x70x20x3.0 250 70 20 3 17.6 44 1174 10130190 672040 3530 771312000042 槽250x70x20x3.2 250 70 20 3.2 17.6 44 1252 10805540 716840 4280 822732000043 槽250x80x20x2.5 250 80 20 2.5 21 51 1024 9098080 766550 2140 872101000044 槽250x80x20x3.0 250 80 20 3 21 51 1229 10917690 919850 3690 10465300000各行数字含义(以最后一行为例):槽250x80x20x3.0:截面高度H=250mm;截面宽度B=80mm;卷边宽度C=20mm;厚度t=3mm;Y轴距离z0=21mm;偏心距e=51mm;截面面积A=1229mm2;惯性矩Ix=10917690mm4;惯性矩Iy=919850mm4;截面模量Wx=87342mm3;截面模量Wy=15591mm3;回转半径ix=94.3mm;回转半径iy=27.4mm;抗扭惯性矩It=3690mm4;扇形惯性矩Iw=10465300000mm4;单位重量=A*7850/1000000=9.648Kg/m;1,槽80x40x15x2.0,80,40,15,2,14.52,33.6,347,341600,77900,462,1129000002,槽100x50x15x2.5,100,50,15,2.5,17.06,39.4,523,813400,171900,1090,352800000 3,槽120x50x20x2.5,120,50,20,2.5,17.06,40.3,598,1294000,209600,1246,660900000 4,槽120x60x20x3.0,120,60,20,3,21.06,48.7,765,1706800,373600,2296,1153200000 5,槽140x60x20x3.0,140,60,20,3,19.64,46.1,825,2454200,394900,2476,1589800000 6,槽150x50x20x1.6,150,50,20,1.6,15.24,27.2,422,1362930,141870,360,663830000 7,槽150x50x20x2.0,150,50,20,2,15.24,27.2,528,1703660,177330,700,6297900008,槽150x50x20x2.5,150,50,20,2.5,15.24,27.2,660,2129580,221660,1380,1037230000 9,槽150x50x20x3.0,150,50,20,3,15.24,27.2,792,2555490,266000,2380,1244530000 10,槽150x60x20x1.6,150,60,20,1.6,19,45,451,1514130,214620,390,99587000011,槽150x60x20x2.0,150,60,20,2,19,45,564,1892660,268520,750,124484000012,槽150x60x20x2.5,150,60,20,2.5,19,45,705,2365830,335650,1470,1556050000 13,槽150x60x20x3.0,150,60,20,3,19,45,846,2838990,402780,2540,186726000014,槽160x60x20x2.0,160,60,20,2,18.41,44,582,2195200,274190,780,1417250000 15,槽160x60x20x2.5,160,60,20,2.5,18.41,44,728,2744000,342730,1520,1771660000 16,槽160x60x20x3.0,160,60,20,2.5,18.41,44,874,3292800,411280,2620,2125880000 17,槽160x70x20x3.0,160,70,20,3,22.24,52.5,742,3736400,604200,2836,3070500000 18,槽180x60x20x2.0,160,60,20,2,17.33,42.1,619,2861760,284520,830,1804350000 19,槽180x60x20x2.5,160,60,20,2.5,17.33,42.1,774,3602200,355650,1610,2255440000 20,槽180x60x20x3.0,160,60,20,3,17.33,42.1,926,4322640,426780,2790,2706520000 21,槽180x70x20x2.0,180,70,20,2,21.1,50,687,3439300,451800,870,255475000022,槽180x70x20x2.2,180,70,20,2.2,21.1,50,752,3749000,489700,1254,2856540000 23,槽180x70x20x2.5,180,70,20,2.5,21.1,50,848,4202000,544200,1710,3193430000 24,槽180x70x20x3.0,180,70,20,3,21.1,50,983,4730880,609240,2950,3832120000 25,槽200x65x20x2.0,200,65,20,2,18.1,44,673,3850560,353370,900,269349000026,槽200x65x20x2.5,200,65,20,2.5,18.1,44,842,4813200,441720,1760,3366860000 27,槽200x65x20x3.0,200,65,20,3,18.1,44,1010,5775840,530060,3030,4040230000 28,槽200x70x20x2.0,200,70,20,2,20,44,727,4400400,467100,920,318550000029,槽200x70x20x2.2,200,70,20,2.2,20,48,796,4798700,506400,1200,3548520000 30,槽200x70x20x2.5,200,70,20,2.5,20,48,898,5382100,562700,1800,3981870000 31,槽200x70x20x3.0,200,70,20,3,20,48,1037,6027840,629540,3120,4778240000 32,槽220x70x20x2.5,220,70,20,2.5,19,46,910,6263600,539850,1900,4877150000 33,槽220x70x20x3.0,220,70,20,3,19,46,1092,7516320,647820,3280,5852580000 34,槽220x70x20x3.2,220,70,20,3.2,19,46,1165,8017410,691000,3980,6242670000 35,槽220x75x20x2.0,220,75,20,2,20.8,51,787,5744500,568800,1290,4109230000 36,槽220x75x20x2.2,220,75,20,2.2,20.8,51,862,6268500,617100,1760,4609302000 37,槽220x75x20x2.5,220,75,20,2.5,20.7,51,973,7037600,686600,1950,570718000038,槽220x75x20x3.0,220,75,20,3,20.7,51,1119,7621240,761170,3360,6848620000 39,槽220x75x20x3.2,220,75,20,3.2,20.7,51,1194,8342660,811910,4080,7305200000 40,槽250x70x20x2.5,250,70,20,2.5,17.6,44,978,8441830,560030,2040,6427600000 41,槽250x70x20x3.0,250,70,20,3,17.6,44,1174,10130190,672040,3530,7713120000 42,槽250x70x20x3.2,250,70,20,3.2,17.6,44,1252,10805540,716840,4280,8227320000 43,槽250x80x20x2.5,250,80,20,2.5,21,51,1024,9098080,766550,2140,8721010000 44,槽250x80x20x3.0,250,80,20,3,21,51,1229,10917690,919850,3690,10465300000各行数字含义(以最后一行为例):槽250x80x20x3.0:截面高度H=250mm;截面宽度B=80mm;卷边宽度C=20mm;厚度t=3mm;Y轴距离z0=21mm;偏心距e=51mm;截面面积A=1229mm2;惯性矩Ix=10917690mm4;惯性矩Iy=919850mm4;截面模量Wx=87342mm3;截面模量Wy=15591mm3;回转半径ix=94.3mm;回转半径iy=27.4mm;抗扭惯性矩It=3690mm4;扇形惯性矩Iw=10465300000mm4;单位重量=A*7850/1000000=9.648Kg/m;。
c型钢规格型号及参数C型钢是一种常见的钢材,具有广泛的应用领域。
本文将介绍C型钢的规格型号及参数,并探讨其在建筑、机械制造等行业中的应用。
C型钢是一种具有"C"形截面的钢材,常用于建筑结构中的梁柱、承重墙等部位。
C型钢的规格型号主要包括C100、C120、C140、C160等多种。
其中,数字代表C型钢底部宽度的厘米数,例如C100表示底部宽度为100毫米的C型钢。
除了底部宽度,C型钢的高度和厚度也是其参数的重要指标。
C型钢的高度和厚度决定了其承载能力和使用范围。
一般来说,C 型钢的高度越大,承载能力越强。
而厚度则会影响其刚度和稳定性。
因此,在选择C型钢时,需要根据实际使用情况和设计要求综合考虑这些参数。
C型钢具有许多优点,使其在建筑、机械制造等领域得到广泛应用。
首先,C型钢的截面形状使其重量轻、强度高,可以减少结构自重,提高整体的抗震性能。
其次,C型钢制作工艺简单,可以根据需求进行切割、焊接等加工,方便快捷。
此外,C型钢的使用寿命长,不易受腐蚀和变形,具有较好的耐久性。
在建筑领域,C型钢常用于制作钢结构框架,如厂房、仓库等。
C 型钢的轻量化特性使得建筑物整体重量减小,减少对地基的压力,降低了建筑成本。
同时,C型钢的高强度可以确保建筑物的稳定性和安全性。
在机械制造领域,C型钢常用于制作机械零部件和支撑结构。
其高强度和刚性使得C型钢能够承受较大的载荷,保证机械设备的正常运行。
此外,C型钢的加工性能好,可以根据需要进行切割、钻孔等加工,方便了机械制造过程。
除了建筑和机械制造,C型钢还广泛应用于其他领域。
例如,它可以用于制作太阳能支架、电力塔架等。
C型钢的轻量化特性和耐久性使其成为这些领域的理想选择。
C型钢是一种常见的钢材,具有广泛的应用领域。
通过对其规格型号及参数的了解,可以根据实际需求选择合适的C型钢。
在建筑、机械制造等行业中,C型钢的轻量化、高强度和加工性能使其成为首选材料,为各种工程提供了可靠的支撑和保障。
C型钢规格型号及技术参数C型钢主要是用来搭建钢构造的,除了檩(lin)条外,还可以作钢构造支架、横梁、拉筋等。
这也就引出来了钢构造这个名词。
钢构造的组成,主要有:门式构造〔钢梁、钢柱〕,这是主构造,次构造主要有:隅撑、程度支撑、柱间支撑、拉条、系杆等。
通过螺栓的刚性连接,搭建成整体的框架构造,然后通过维护材料进展密封。
为了盈利,首先是进货渠道,其次是销量的大小,再次是对消费过程中的把控。
现规格的方式:高〔h〕x宽(b)x小边高(c)x厚(t)尺寸面积重量重心弯心断面参数〔mm〕CM2 Kg/m CM CM CM4 CM3 CM CM4 CM CM3 CM3H B C t A m ex ey e0 Ix Wx rx ly ry Wymax Wymin80 45 10 2.00 3.57 2.80 1.71 3.75 3.93 31.98 8.53 2.99 10.08 1.68 5.91 3.61 80 45 10 2.30 4.05 3.18 1.70 3.75 3.89 35.78 9.54 2.97 11.18 1.66 6.56 4.00 80 45 10 2.50 4.36 3.42 1.70 3.75 3.86 38.18 10.18 2.96 11.85 1.65 6.97 4.23 80 45 10 2.75 4.73 3.72 1.70 3.75 3.83 41.03 10.94 2.94 12.63 1.63 7.44 4.51 80 45 10 3.00 5.10 4.01 1.69 3.75 3.80 43.70 11.65 2.93 13.33 1.62 7.87 4.75 100 50 15-20 2.00 4.47 3.51 1.86 5.00 4.38 69.62 13.92 3.95 16.44 1.92 8.86 5.23 100 50 15-20 2.30 5.08 3.99 1.85 5.00 4.34 78.35 15.67 3.93 18.35 1.90 9.91 5.83 100 50 15-20 2.50 5.48 4.30 1.85 5.00 4.32 83.92 16.78 3.91 19.55 1.89 10.57 6.21 100 50 15-20 2.75 5.97 4.69 1.85 5.00 4.28 90.63 18.13 3.90 20.96 1.87 11.34 6.65 100 50 15-20 3.00 6.45 5.07 1.84 5.00 4.25 97.03 19.41 3.88 22.27 1.86 12.07 7.06 120 50 15-20 2.00 4.87 3.82 1.71 6.00 4.11 106.94 17.82 4.69 17.57 1.90 10.27 5.34 120 50 15-20 2.30 5.54 4.35 1.71 6.00 4.08 120.58 20.10 4.66 19.62 1.88 11.49 5.96 120 50 15-20 2.50 5.98 4.70 1.71 6.00 4.05 129.33 21.55 4.65 20.91 1.87 12.26 6.35 120 50 15-20 2.75 6.52 5.12 1.70 6.00 4.02 139.89 23.31 4.63 22.43 1.85 13.17 6.80 120 50 15-20 3.00 7.05 5.54 1.70 6.00 3.99 150.02 25.00 4.61 23.85 1.84 14.02 7.23 140 60 15-20 2.00 5.67 4.45 1.98 7.00 4.77 173.04 24.72 5.53 28.65 2.25 14.49 7.12 140 60 15-20 2.30 6.46 5.07 1.97 7.00 4.73 195.70 27.96 5.50 32.11 2.23 16.28 7.97 140 60 15-20 2.50 6.98 5.48 1.97 7.00 4.71 210.33 30.05 5.49 34.31 2.22 17.41 8.51 140 60 15-20 2.75 7.62 5.98 1.97 7.00 4.68 228.10 30.59 5.47 36.92 2.20 18.77 9.16 140 60 15-20 3.00 8.25 6.48 1.96 7.00 4.64 245.28 35.04 5.45 39.40 2.18 20.06 9.76 160 60 15-20 2.00 6.07 4.76 1.85 8.00 4.54 236.56 29.57 6.24 29.96 2.22 16.17 7.22160 60 15-20 2.30 6.92 5.43 1.85 8.00 4.50 267.81 33.48 6.22 33.60 2.20 18.16 8.09 160 60 15-20 2.50 7.48 5.87 1.85 8.00 4.48 288.05 36.01 6.21 35.90 2.19 19.43 8.64 160 60 15-20 2.75 8.17 6.42 1.84 8.00 4.45 312.66 39.08 6.19 38.64 2.17 20.95 9.30 160 60 15-20 3.00 8.85 6.95 1.84 8.00 4.41 336.52 42.07 6.17 41.24 2.16 22.40 9.92 160 70 15-20 2.00 6.47 5.08 2.24 8.00 5.42 261.52 32.69 6.36 43.42 2.59 19.40 9.12 160 70 15-20 2.30 7.38 5.79 2.23 8.00 5.38 296.41 37.05 6.34 48.82 2.57 21.85 10.24 160 70 15-20 2.50 7.98 6.27 2.23 8.00 5.35 319.05 39.88 6.32 52.26 2.56 23.42 10.96 160 70 15-20 2.75 8.72 6.85 2.23 8.00 5.32 346.66 43.33 6.30 56.38 2.54 25.31 11.81 160 70 15-20 3.00 9.45 7.42 2.22 8.00 5.29 373.50 46.69 6.29 60.32 2.53 27.12 12.63 180 70 15-20 2.00 6.87 5.39 2.11 9.00 5.19 343.90 38.21 7.08 45.14 2.56 21.35 9.24 180 70 15-20 2.30 7.84 6.16 2.11 9.00 5.15 390.09 43.34 7.05 50.76 2.54 24.06 10.38 180 70 15-20 2.50 8.48 6.66 2.11 9.00 5.13 420.11 46.68 7.04 54.34 2.53 25.79 11.11 180 70 15-20 2.75 9.27 7.28 2.10 9.00 5.09 456.77 50.75 7.02 58.64 2.51 27.87 11.98 180 70 15-20 3.00 10.05 7.89 2.10 9.00 5.06 492.47 54.72 7.00 62.74 2.50 29.87 12.81 200 75 15-20 2.00 7.47 5.86 2.19 10.00 5.40 459.63 45.96 7.85 55.19 2.72 25.25 10.39 200 75 15-20 2.30 8.53 6.70 2.18 10.00 5.37 521.93 52.19 7.82 61.13 2.70 28.48 11.68 200 75 15-20 2.50 9.23 7.25 2.18 10.00 5.34 562.51 56.25 7.81 66.58 2.69 30.55 12.51 200 75 15-20 2.75 10.10 7.93 2.18 10.00 5.31 612.18 61.22 7.79 71.59 2.67 33.05 13.51 200 75 15-20 3.00 10.95 8.60 2.17 10.00 5.28 660.66 66.07 7.77 77.03 2.65 35.46 14.46 250 75 15-20 2.00 8.47 6.65 1.94 12.50 4.93 776.45 62.12 9.58 59.02 2.64 30.43 10.62 250 75 15-20 2.30 9.68 7.60 1.94 12.50 4.90 882.83 70.63 9.55 66.46 2.62 34.32 11.95 250 75 15-20 2.50 10.48 8.23 1.93 12.50 4.87 952.29 76.18 9.53 71.22 2.61 36.82 12.80 250 75 15-20 2.75 11.47 9.01 1.93 12.50 4.84 1037.50 83.00 9.51 76.95 2.59 39.84 13.82 250 75 15-20 3.00 12.45 9.78 1.93 12.50 4.81 1120.90 89.67 9.49 82.43 2.57 42.74 14.80 300 80 15-20 2.5 12.5 9.61 1.89 15.00 4.462 1588.59 105.9 11.38 93.48 2.76 48.08 15.30 300 80 15-20 3 14.64 11.49 1.89 15.00 4.54 1889.75 125.98 11.36 109.92 2.74 56.00 18.16 300 100 15-20 2.75 14.54 11.41 1.90 15.00 6.00 1982.84 132.18 11.67 176.71 3.48 67.70 23.91 300 100 15-20 3 15.84 12.43 1.90 15.00 6.10 2154.38 143.62 11.66 191.18 3.47 73.20 25.87C型材的截面图型及几何尺寸一、截面图形:二、几何尺寸:板材厚度明细表C型钢根本尺寸与主要参数国标GB/T6725-2002名称尺寸惯性矩cm4l回转半矩截面模数cm4 h×b×c×t h b c t lx ly rx ry wx wy 80×40×15×2.5 80 40 15 2.5 41.39 9.326 3.117 1.479 10.35 6.432 100×50×20×2.5 100 50 20 2.5 84.93 19.89 3.925 1.899 16.99 10.73 120×50×20×2.5 120 50 20 2.5 130.7 21.26 4.633 1.880 21.78 12.44 140×50×20×2.5 140 50 20 2.5 188.5 22.42 5.380 1.885 26.93 74.12 140×60×20×2 140 60 20 2 219.848 25.733 5.345 1.828 31.406 7.532 150×50×20×2 150 50 20 2 370.766 39.975 5.713 1.874 49.435 23.678 150×60×20×2 150 60 20 2 357.227 70.223 5.974 2.671 46.830 28.327 160×60×20×2 160 60 20 2 339.955 47.989 6.182 2.172 42.494 10.109 160×60×20×3 160 60 20 3 339.955 41.99 6.182 2.172 42.49 22.74 160×70×20×3 160 70 20 3 376.9 61.27 6.300 2.540 47.11 27.48 180×60×20×2180 60 20 2 449.695 43.611 6.881 2.143 49.966 10.235 180×60×20×3180 60 20 3 449.6 43.61 6.881 2.143 49.97 25.07 180×70×20×2 180 70 20 2 496.693 63.712 7.074 2.512 55.188 13.019 180×70×20×3 180 70 20 3 496.6 63.71 7.014 2.512 55.19 30.25 200×60×20×2 200 60 20 2 573.425 45.014 7.569 2.112 57.842 10.342 200×60×20×3 200 60 20 3 578.4 45.04 7.569 2.112 57.84 27.38注:特殊规格型钢可在以下尺寸中任意调节h:50~400(mm) b:30—110(mm) t:1.5~5.0(mm)并可消费不等边C型钢C280*80*30*3.0 分别给你解读:C 表示檩条截面形式,分为C型Z型H型,280表示截面的高度h,80表示翼缘的宽度b,30表示自由边长a,3.0表示檩条厚度t 。
常用c型钢尺寸及理论质量指南常用C型钢尺寸及理论质量指南C型钢是一种常用于建筑和制造行业的结构钢材,由于其特殊的形状,能够提供良好的承载和抗压强度。
本文将介绍常用C型钢的尺寸规格和理论质量指南,以帮助读者在选择和使用C型钢时更加便捷和准确。
C型钢尺寸规格C型钢根据其截面形状和尺寸分为不同的型号,常见的有C100、C150、C200等。
以下是常用C型钢的尺寸规格表:型号截面高度(mm)上缘宽度(mm)腰厚(mm)沿长厚度(mm)C100 100 50 10 6C150 150 70 15 8C200 200 80 20 10以上尺寸仅供参考,具体尺寸应根据实际需求和标准进行选择。
理论质量指南C型钢的理论质量可以根据其尺寸和材料密度进行计算。
常用的C型钢材料是普通碳素结构钢,其密度通常为7850 kg/m³。
下面是C型钢不同尺寸规格的理论质量计算公式:理论质量(kg/m)= C型钢截面面积(mm²)×材料密度(kg/m³)/ 10^6根据以上公式,我们可以计算出常用C型钢的理论质量如下:- C100: 理论质量≈ 10.9 kg/m- C150: 理论质量≈ 16.1 kg/m- C200: 理论质量≈ 22.9 kg/m需要注意的是,以上理论质量指南仅为计算结果,实际应用时可能会受到制造和加工等因素的影响。
结论本文介绍了常用C型钢的尺寸规格和理论质量指南。
这些信息对于建筑和制造行业中选择和使用C型钢具有重要的指导意义。
在实际应用中,还应参考相关标准和技术要求,以确保C型钢的性能和质量达到要求。
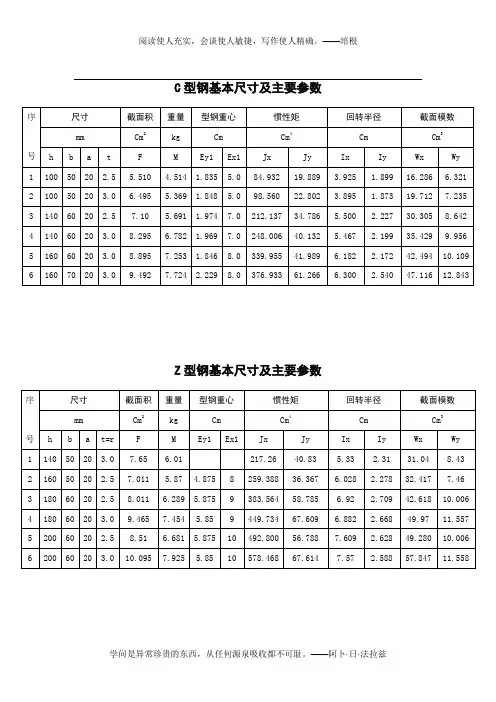
C型钢基本尺寸及主要参数Z型钢基本尺寸及主要参数C型钢基本尺寸及主要参数型号每米重(kg) 型号每米重(kg)C 80 × 50 × 20 × 2.25 3.886 C 180 × 60 × 20 × 3.08.007C 80 × 50 × 20 × 2.50 4.318 C 180 × 70 × 20 × 3.08.478C 80 × 50 × 20 × 2.75 4.749 C 180 × 80 × 20 × 3.08.949C 80 × 50 × 20 × 3.00 5.181 C 200 × 50 × 20 × 2.56.673C 100 × 50 × 20 ×2.25 4.239 C 200 × 60 × 20 × 2.57.065C 100 × 50 × 20 × 2.50 4.710 C 200 × 70 × 20 × 2.57.458C 100 × 50 × 20 × 2.75 5.181 C 200 × 80 × 20 × 2.57.850C 100 × 50 × 20 × 3.00 5.652 C 200 × 50 × 20 × 3.08.007C 120 × 50 × 20 × 2.25 4.592 C200 × 60 × 20 × 3.08.478C 120 × 50 × 20 × 2.50 5.103 C 200 × 70 × 20 × 3.08.949C 120 × 50 × 20 × 2.75 5.613 C 200 × 80 × 20 × 3.09.420C 120 × 50 × 20 × 3.00 6.123 C 220 × 50 × 20 × 2.57.065C 140 × 50 × 20 × 2.50 5.495 C 220 × 60 × 20 × 2.57.458C 140 × 60 × 20 × 2.50 5.888 C 220 × 70 × 20 × 2.57.850C 140 × 50 × 20 × 3.00 6.594 C 220 × 80 × 20 × 2.58.243C 140 × 60 × 20 × 3.00 7.065 C 220 × 50 × 20 × 3.08.478C 160 × 50 × 20 × 2.50 5.888 C 220 × 60 × 20 × 3.08.949C 160 × 60 × 20 × 2.50 6.280 C 220 × 70 × 20 × 3.09.420C 160 × 70 × 20 × 2.50 6.673 C 220 × 80 × 20 × 3.09.891C 160 × 50 × 20 × 3.00 7.065 C 240 × 50 × 20 × 2.57.458C 160 × 60 × 20 × 3.00 7.536 C 240 × 60 × 20 × 2.57.850C 160 × 70 × 20 × 3.00 8.007 C 240 × 70 × 20 × 2.58.243C 180 × 50 × 20 × 2.50 6.280 C 240 × 80 × 20 × 2.58.635C 180 × 60 × 20 × 2.50 6.673 C 240 × 50 × 20 × 3.08.949C 180 × 70 × 20 × 2.50 7.065 C 240 × 60 × 20 × 3.09.420C 180 × 80 × 20 × 2.50 7.458 C 240 × 70 × 20 × 3.09.891C 180 × 50 × 20 × 3.00 7.536 C 240 × 80 × 20 × 3.010.362钢材理论重量计算钢材理论重量计算的计量单位为公斤(kg )。
C型钢基本尺寸及主要参数Z型钢基本尺寸及主要参数C型钢基本尺寸及主要参数型号每米重(kg) 型号每米重(kg) C 80 × 50 × 20 × 2.25 3.886 C 180 × 60 × 20 × 3.0 8.007 C 80 × 50 × 20 × 2.50 4.318 C 180 × 70 × 20 × 3.0 8.478 C 80 × 50 × 20 × 2.75 4.749 C 180 × 80 × 20 × 3.0 8.949 C 80 × 50 × 20 × 3.00 5.181 C 200 × 50 × 20 × 2.5 6.673 C 100 × 50 × 20 ×2.25 4.239 C 200 × 60 × 20 × 2.5 7.065 C 100 × 50 × 20 × 2.50 4.710 C 200 × 70 × 20 × 2.5 7.458 C 100 × 50 × 20 × 2.75 5.181 C 200 × 80 × 20 × 2.5 7.850 C 100 × 50 × 20 × 3.00 5.652 C 200 × 50 × 20 × 3.0 8.007 C 120 × 50 × 20 × 2.25 4.592 C200 × 60 × 20 × 3.0 8.478 C 120 × 50 × 20 × 2.50 5.103 C 200 × 70 × 20 × 3.0 8.949 C 120 × 50 × 20 × 2.75 5.613 C 200 × 80 × 20 × 3.0 9.420 C 120 × 50 × 20 × 3.00 6.123 C 220 × 50 × 20 × 2.5 7.065 C 140 × 50 × 20 × 2.50 5.495 C 220 × 60 × 20 × 2.5 7.458 C 140 × 60 × 20 × 2.50 5.888 C 220 × 70 × 20 × 2.5 7.850 C 140 × 50 × 20 × 3.00 6.594 C 220 × 80 × 20 × 2.5 8.243 C 140 × 60 × 20 × 3.00 7.065 C 220 × 50 × 20 × 3.0 8.478 C 160 × 50 × 20 × 2.50 5.888 C 220 × 60 × 20 × 3.0 8.949 C 160 × 60 × 20 × 2.50 6.280 C 220 × 70 × 20 × 3.0 9.420 C 160 × 70 × 20 × 2.50 6.673 C 220 × 80 × 20 × 3.0 9.891 C 160 × 50 × 20 × 3.00 7.065 C 240 × 50 × 20 × 2.5 7.458 C 160 × 60 × 20 × 3.00 7.536 C 240 × 60 × 20 × 2.5 7.850 C 160 × 70 × 20 × 3.00 8.007 C 240 × 70 × 20 × 2.5 8.243 C 180 × 50 × 20 × 2.50 6.280 C 240 × 80 × 20 × 2.5 8.635 C 180 × 60 × 20 × 2.50 6.673 C 240 × 50 × 20 × 3.0 8.949 C 180 × 70 × 20 × 2.50 7.065 C 240 × 60 × 20 × 3.0 9.420 C 180 × 80 × 20 × 2.50 7.458 C 240 × 70 × 20 × 3.0 9.891 C 180 × 50 × 20 × 3.00 7.536 C 240 × 80 × 20 × 3.0 10.362钢材理论重量计算钢材理论重量计算的计量单位为公斤( kg )。
C型钢基本尺寸及主要参数Z型钢基本尺寸及主要参数C型钢基本尺寸及主要参数型号每米重(kg) 型号每米重(kg)C 80 × 50 × 20 × 2.25 3.886 C 180 × 60 × 20 × 3.0 8.007C 80 × 50 × 20 × 2.50 4.318 C 180 × 70 × 20 × 3.0 8.478C 80 × 50 × 20 × 2.75 4.749 C 180 × 80 × 20 × 3.0 8.949C 80 × 50 × 20 × 3.00 5.181 C 200 × 50 × 20 × 2.5 6.673 C 100 × 50 × 20 ×2.25 4.239 C 200 × 60 × 20 × 2.5 7.065 C 100 × 50 × 20 × 2.50 4.710 C 200 × 70 × 20 × 2.5 7.458 C 100 × 50 × 20 × 2.75 5.181 C 200 × 80 × 20 × 2.5 7.850 C 100 × 50 × 20 × 3.00 5.652 C 200 × 50 × 20 × 3.0 8.007 C 120 × 50 × 20 × 2.25 4.592 C200 × 60 × 20 × 3.0 8.478 C 120 × 50 × 20 × 2.50 5.103 C 200 × 70 × 20 × 3.0 8.949 C 120 × 50 × 20 × 2.75 5.613 C 200 × 80 × 20 × 3.0 9.420 C 120 × 50 × 20 × 3.00 6.123 C 220 × 50 × 20 × 2.5 7.065 C 140 × 50 × 20 × 2.50 5.495 C 220 × 60 × 20 × 2.5 7.458 C 140 × 60 × 20 × 2.50 5.888 C 220 × 70 × 20 × 2.5 7.850 C 140 × 50 × 20 × 3.00 6.594 C 220 × 80 × 20 × 2.5 8.243 C 140 × 60 × 20 × 3.00 7.065 C 220 × 50 × 20 × 3.0 8.478 C 160 × 50 × 20 × 2.50 5.888 C 220 × 60 × 20 × 3.0 8.949 C 160 × 60 × 20 × 2.50 6.280 C 220 × 70 × 20 × 3.0 9.420 C 160 × 70 × 20 × 2.50 6.673 C 220 × 80 × 20 × 3.0 9.891 C 160 × 50 × 20 × 3.00 7.065 C 240 × 50 × 20 × 2.5 7.458 C 160 × 60 × 20 × 3.00 7.536 C 240 × 60 × 20 × 2.5 7.850 C 160 × 70 × 20 × 3.00 8.007 C 240 × 70 × 20 × 2.5 8.243 C 180 × 50 × 20 × 2.50 6.280 C 240 × 80 × 20 × 2.5 8.635 C 180 × 60 × 20 × 2.50 6.673 C 240 × 50 × 20 × 3.0 8.949 C 180 × 70 × 20 × 2.50 7.065 C 240 × 60 × 20 × 3.0 9.420 C 180 × 80 × 20 × 2.50 7.458 C 240 × 70 × 20 × 3.0 9.891 C 180 × 50 × 20 × 3.00 7.536 C 240 × 80 × 20 × 3.0 10.362钢材理论重量计算钢材理论重量计算的计量单位为公斤( kg )。
C型钢基本尺寸与主要参数国标GB/T6725-2002名称尺寸惯性矩cm4l回转半矩截面模数cm4h×b×c×t h b c t lx ly rx ry wx wy80×40×15×2.5 80 40 15 2.5 41.39 9.326 3.117 1.479 10.35 6.432 100×50×20×2.5 100 50 20 2.5 84.93 19.89 3.925 1.899 16.99 10.73 120×50×20×2.5 120 50 20 2.5 130.7 21.26 4.633 1.880 21.78 12.44 140×50×20×2.5 140 50 20 2.5 188.5 22.42 5.380 1.885 26.93 74.12 140×60×20×2 140 60 20 2 219.848 25.733 5.345 1.828 31.406 7.532 150×50×20×2 150 50 20 2 370.766 39.975 5.713 1.874 49.435 23.678 150×60×20×2 150 60 20 2 357.227 70.223 5.974 2.671 46.830 28.327 160×60×20×2 160 60 20 2 339.955 47.989 6.182 2.172 42.494 10.109 160×60×20×3 160 60 20 3 339.955 41.99 6.182 2.172 42.49 22.74 160×70×20×3 160 70 20 3 376.9 61.27 6.300 2.540 47.11 27.48 180×60×20×2 180 60 20 2 449.695 43.611 6.881 2.143 49.966 10.235 180×60×20×3 180 60 20 3 449.6 43.61 6.881 2.143 49.97 25.07注:特殊规格型钢可在下列尺寸中任意调节h:50~400(mm) b:30—110(mm) t:1.5~5.0(mm)并可生产不等边C型钢Z型钢基本尺寸与主要参数国标GB/T6725-2002Z型钢结构图Z型钢实物图名称尺寸惯性矩cm4l回转半矩cm截面模数cm4h×b×c×t h b c t lx ly rv wx wy 100×40×20×2.0 100 40 20 2.0 60.62 17.2 1.256 12.12 40 100×40×20×2.5 100 40 20 2.5 73.05 20.32 1.234 14.61 55 120×50×20×2.0 120 50 20 2.0 107.77 30.51 1.519 17.96 67 120×50×20×2.5 120 50 20 2.5 130.7 36.36 1.497 21.78 77 120×50×20×3.0 120 50 20 3.0 152.11 41.55 1.474 25.35 86 140×50×20×2.5 140 50 20 2.5 188.5 36.36 1.503 26.93 7.458 140×50×20×3 140 50 20 3 219.8 41.55 1.48 31.47 8.567 160×60×20×2.5 160 60 20 2.5 290.3 58.78 1.767 36.29 10.00 160×70×20×2.5 160 70 20 2.5 321.4 88.57 2.014 40.17 12.88 160×70×20×3.0 160 70 20 3.0 376.9 102.3 1.99 47.11 17.94 180×70×20×2.5 180 70 20 2.5 422.9 88.58 2.028 46.99 12.88注:特殊Z型钢规格可在下列尺寸中任意调节:80~300(mm) b:40~100(mm) t:1.5~5.0(mm)并可生产不等边Z型钢方矩形管基本尺寸与主要参数国标GB/J6728-2002GB/T6725-2002方矩管规格(mm) 方矩管规格(mm)50×30×(3—3.5) 200× 150×850×50×(3—3.5) 200× 150×1060×60×(3—4) 200× 150× 1270×70×(3—4) 200×200×(5—6) 80×40×(3—4) 200×200×880×80×(3—4) 200×200× 10100×100×(3—4) 200×200× 12100× 100×5 250×150×(5—6) 100× 100×6 250× 150×8100× 100×7 250× 150× 10120×60×(3—4) 250× 150× 12120×60×5 250×200×(5—8) 120×80×(3—4) 250×200×(10—12) 120×80×5 250×250×6120×80×6 250×250×(8—10) 120×80×8 250×250× 12125×75×(3—4) 300×150×(5—6) 125×75×5 300× 150×8150×75×(3—4) 300× 150× 10150×75×5 300× 150× 12150×100×(3—5) 300×200×(6—8) 150× 100×6 300×200× 10150× 100×8 300×200× 12120×120×(3—6) 300×300×(6—8) 125×125×(4—6) 300×300×(10—12) 140×140×(4—6) 350× 150×6140× 140×8 350× 150×8140×160×(5—6) 350× 150× 10彩钢压型板图例与主要参数国标GC/T-8691-2000彩钢压型板图例与主要参数国标GC/T-8691-2000。
c型钢规格表
C型钢是一种用来制造轻型建筑结构和管道系统等结构件的常见钢材类型。
通常,C型钢有若干不同的规格。
下面是C型钢的主要规格表。
1. 宽度:根据使用要求,C型钢可以从76mm至152mm不等。
2. 厚度:根据使用要求,C型钢的厚度可以从2mm至12mm不等。
3.长度:根据使用要求,C型钢的长度可以在1m到16m不等。
4.价格:根据规格,C型钢的价格从几十元至上百元不等。
5.硬度:根据使用要求,C型钢的硬度可以从柔软至坚固,具体取决于用于建造的目的。
6.材质:C型钢主要由碳钢、不锈钢和合金钢等材料制成。
7.标准:C型钢通常依据国际标准、国家标准或企业标准来制造。
c型钢规格型号C型钢规格型号是指C型钢的不同规格和型号。
C型钢是一种常用的钢材,具有截面形状为C型的特点,广泛应用于建筑、桥梁、机械制造等领域。
不同规格和型号的C型钢适用于不同的工程需求,下面将介绍几种常见的C型钢规格型号。
一、C型钢规格型号:C100×50×20×2.0C100×50×20×2.0是一种常见的C型钢规格型号,表示C型钢的截面尺寸为100mm×50mm,腰板厚度为2.0mm,腿板宽度为20mm。
这种规格型号的C型钢适用于一些轻型建筑结构,如轻型钢结构房屋、轻型钢结构仓库等。
二、C型钢规格型号:C160×60×20×2.5C160×60×20×2.5是另一种常见的C型钢规格型号,表示C型钢的截面尺寸为160mm×60mm,腰板厚度为 2.5mm,腿板宽度为20mm。
这种规格型号的C型钢适用于一些中型建筑结构,如中型钢结构厂房、中型钢结构桥梁等。
三、C型钢规格型号:C200×80×20×3.0C200×80×20×3.0是另一种常见的C型钢规格型号,表示C型钢的截面尺寸为200mm×80mm,腰板厚度为 3.0mm,腿板宽度为20mm。
这种规格型号的C型钢适用于一些大型建筑结构,如大型钢结构厂房、大型钢结构桥梁等。
不同规格和型号的C型钢具有不同的承重能力和适用范围,选择合适的C型钢规格型号对于工程的安全和稳定性至关重要。
在选择C 型钢规格型号时,需要考虑工程的具体要求,如跨度、荷载等,以及钢材的强度和刚度等参数。
C型钢规格型号对于工程建设起着重要的作用,选择合适的规格型号能够确保工程的安全和稳定性。
在使用C型钢时,还需要注意材料的质量和加工工艺,以确保C型钢的使用效果和寿命。
希望通过本文的介绍,读者能够对C型钢规格型号有更深入的了解,从而更好地应用于实际工程中。
C型钢规格型号及技术参数尺寸面积重量重心( mm )CM 2Kg/m CMH B C t A m ex ey 804510 2.00 3.57 2.80 1.71 3.75 804510 2.30 4.05 3.18 1.70 3.75 804510 2.50 4.36 3.42 1.70 3.75 804510 2.75 4.73 3.72 1.70 3.75 804510 3.00 5.10 4.01 1.69 3.75 1005015-20 2.00 4.47 3.51 1.86 5.00 1005015-20 2.30 5.08 3.99 1.85 5.00 1005015-20 2.50 5.48 4.30 1.85 5.00 1005015-20 2.75 5.97 4.69 1.85 5.00 1005015-20 3.00 6.45 5.07 1.84 5.00 1205015-20 2.00 4.87 3.82 1.71 6.00 1205015-20 2.30 5.54 4.35 1.71 6.00 1205015-20 2.50 5.98 4.70 1.71 6.00 1205015-20 2.75 6.52 5.12 1.70 6.00 1205015-20 3.007.05 5.54 1.70 6.00 1406015-20 2.00 5.67 4.45 1.987.00 1406015-20 2.30 6.46 5.07 1.977.00 1406015-20 2.50 6.98 5.48 1.977.00 1406015-20 2.757.62 5.98 1.977.00 1406015-20 3.008.25 6.48 1.967.00 1606015-20 2.00 6.07 4.76 1.858.00 1606015-20 2.30 6.92 5.43 1.858.00 1606015-20 2.507.48 5.87 1.858.00 1606015-20 2.758.17 6.42 1.848.00 1606015-20 3.008.85 6.95 1.848.00 1607015-20 2.00 6.47 5.08 2.248.00 1607015-20 2.307.38 5.79 2.238.00 1607015-20 2.507.98 6.27 2.238.00 1607015-20 2.758.72 6.85 2.238.00 1607015-20 3.009.457.42 2.228.00 1807015-20 2.00 6.87 5.39 2.119.00 1807015-20 2.307.84 6.16 2.119.00 1807015-20 2.508.48 6.66 2.119.00 1807015-20 2.759.277.28 2.109.00 1807015-20 3.0010.057.89 2.109.00 2007515-20 2.007.47 5.86 2.1910.00 2007515-20 2.308.53 6.70 2.1810.00 2007515-20 2.509.237.25 2.1810.00 2007515-20 2.7510.107.93 2.1810.00 2007515-20 3.0010.958.60 2.1710.00 2507515-20 2.008.47 6.65 1.9412.50 2507515-20 2.309.687.60 1.9412.50 2507515-20 2.5010.488.23 1.9312.50 2507515-20 2.7511.479.01 1.9312.50 2507515-20 3.0012.459.78 1.9312.50 3008015-20 2.512.59.61 1.8915.00 3008015-20314.6411.49 1.8915.00 30010015-20 2.7514.5411.41 1.9015.00 30010015-20315.8412.43 1.9015.00弯心断面参数CM CM 4CM 3CM CM 4CM CM 3CM 3 e0Ix Wx rx ly ry Wymax Wymin 3.9331.988.53 2.9910.08 1.68 5.91 3.61 3.8935.789.54 2.9711.18 1.66 6.56 4.00 3.8638.1810.18 2.9611.85 1.65 6.97 4.23 3.8341.0310.94 2.9412.63 1.637.44 4.513.8043.7011.65 2.9313.33 1.627.874.754.3869.6213.92 3.9516.44 1.928.865.23 4.3478.3515.67 3.9318.35 1.909.91 5.83 4.3283.9216.78 3.9119.55 1.8910.57 6.21 4.2890.6318.13 3.9020.96 1.8711.34 6.65 4.2597.0319.41 3.8822.27 1.8612.077.06 4.11106.9417.82 4.6917.57 1.9010.27 5.34 4.08120.5820.10 4.6619.62 1.8811.49 5.96 4.05129.3321.55 4.6520.91 1.8712.26 6.35 4.02139.8923.31 4.6322.43 1.8513.17 6.803.99150.0225.004.6123.85 1.8414.027.234.77173.0424.725.5328.65 2.2514.497.12 4.73195.7027.96 5.5032.11 2.2316.287.97 4.71210.3330.05 5.4934.31 2.2217.418.51 4.68228.1030.59 5.4736.92 2.2018.779.16 4.64245.2835.04 5.4539.40 2.1820.069.76 4.54236.5629.57 6.2429.96 2.2216.177.22 4.50267.8133.48 6.2233.60 2.2018.168.09 4.48288.0536.01 6.2135.90 2.1919.438.64 4.45312.6639.08 6.1938.64 2.1720.959.304.41336.5242.07 6.1741.24 2.1622.409.925.42261.5232.696.3643.42 2.5919.409.12 5.38296.4137.05 6.3448.82 2.5721.8510.24 5.35319.0539.88 6.3252.26 2.5623.4210.96 5.32346.6643.33 6.3056.38 2.5425.3111.81 5.29373.5046.69 6.2960.32 2.5327.1212.63 5.19343.9038.217.0845.14 2.5621.359.24 5.15390.0943.347.0550.76 2.5424.0610.38 5.13420.1146.687.0454.34 2.5325.7911.11 5.09456.7750.757.0258.64 2.5127.8711.98 5.06492.4754.727.0062.74 2.5029.8712.81 5.40459.6345.967.8555.19 2.7225.2510.39 5.37521.9352.197.8261.13 2.7028.4811.68 5.34562.5156.257.8166.58 2.6930.5512.51 5.31612.1861.227.7971.59 2.6733.0513.51 5.28660.6666.077.7777.03 2.6535.4614.46 4.93776.4562.129.5859.02 2.6430.4310.62 4.90882.8370.639.5566.46 2.6234.3211.95 4.87952.2976.189.5371.22 2.6136.8212.80 4.841037.5083.009.5176.95 2.5939.8413.82 4.811120.9089.679.4982.43 2.5742.7414.80 4.4621588.59105.911.3893.48 2.7648.0815.30 4.541889.75125.9811.36109.92 2.7456.0018.16 6.001982.84132.1811.67176.71 3.4867.7023.91 6.102154.38143.6211.66191.18 3.4773.2025.87C型材的截面图型及几何尺寸一、截面图形:二、几何尺寸:C 型檩条断面尺寸型号断面尺寸( mm )hH B B C tC8080404015-20 2.0-3.0C100100505015-20 2.0-3.0C120120505015-20 2.0-3.0孔距可调C140140505015-20 2.0-3.0孔距可调C160160505015-20 2.0-3.0孔距可调C160160606015-20 2.0-3.0孔距可调C180180606015-20 2.0-3.0孔距可调C200200606015-20 2.0-3.0孔距可调C220220606015-20 2.0-3.0孔距可调C220220707015-20 2.0-3.0孔距可调C250250707015-20 2.0-3.0孔距可调C250250808015-20 2.0-3.0孔距可调C300300808015-20 2.0-3.0孔距可调备注以上规格 C 型钢材质均采用Q195-Q235(可冲中孔)板材厚度明细表板材名称镀锌板厚度0.170.20.230.250.270.30.350.40.450.470.50.60.650.70.750.80.850.91.01.1板材名称厚度0.230.250.280.3260.376国产0.426(彩涂板)0.4760.50.5260.60.70.80.2860.3260.376进口0.426(彩涂板)0.4760.5260.576板材名称厚度0.350.40.45国产0.50.6(彩涂板)0.70.81.01.2空白板材名称铝板空白厚度0.30.350.40.450.50.60.70.80.91.01.52.02.53.0。