的压力容器设计储罐液氨
- 格式:doc
- 大小:354.50 KB
- 文档页数:23
燕京理工学院Yanching Institute of Technology (2018)届本科生化工设备机械基础大作业题目:50立方米液氨储罐设计学院:化工与材料工程学院专业:应用化学1402学号:140140059 :震指导教师:周莉莉教研室主任(负责人):顾明广2017年6月20日目录课程设计任务书................................................................................................................... - 3 - 50m³液氨储罐设计..................................................................................................... - 3 - 课程设计容............................................................................................................................ - 5 - 液氨物化性质及介绍.................................................................................................. - 5 - 第一章设备的工艺计算........................................................................................... - 6 -1.1设计储存量..................................................................................................... - 6 -1.2 设备的选型的轮廓尺寸的确定............................................................. - 6 -1.3 设计压力的确定 ........................................................................................ - 7 -1.4 设计温度的确定 ........................................................................................ - 8 -1.5 主要元件材料的选择 ............................................................................... - 8 -第二章设备的机械设计........................................................................................... - 9 -2.1 设计条件(见表2-1和表2-2)......................................................... - 9 -2.2 结构设计.................................................................................................... - 10 -2.2.1 材料选择........................................................................................... - 10 -2.2.2 筒体和封头结构设计.................................................................... - 10 -2.2.3 法兰的结构设计 ............................................................................. - 11 -2.2.4 人孔、液位计结构设计................................................................ - 13 -2.2.5 支座结构设计................................................................................ - 15 -2.2.6 焊接接头设计及焊接材料的选取........................................... - 20 -2.3 开孔补强计算............................................................................................. - 21 -2.3.1补强设计方法判别.......................................................................... - 22 -2.3.2有效补强围........................................................................................ - 22 -2.3.3 有效补强面积.................................................................................. - 23 -2.3.4接管的多余面积 .............................................................................. - 23 -2.3.5补强面积............................................................................................ - 24 -第三章液面计的选用........................................................................................... - 24 - 第四章视镜的选用................................................................................................ - 24 - 第五章安全阀的选用........................................................................................... - 25 - 第六章焊接接头的设计 ...................................................................................... - 25 - 第七章垫片及螺栓的选择.................................................................................. - 25 - 课程设计总结............................................................................................................. - 26 - 参考文献 .............................................................................................................. - 27 -课程设计任务书50m³液氨储罐设计一、课程设计要求:1.按照国家最新压力容器标准、规进行设计,掌握典型过程设备设计的全过程。
液氨(无水)储罐设计要点摘要:本文主要介绍了液氨储罐在设计过程中工作压力、设计压力、安全阀整定压力、最高允许工作压力的确定、设备选材原则及相应的技术条件要求等。
简介:液氨,又称为无水氨,呈无色液体状,有强烈刺激性气味。
氨作为一种重要的化工原料,为运输及储存便利,通常将气态的氨气通过加压或冷却得到液态氨。
存储液氨的压力容器,主要应用的场合有医院、制冷业、气体生产厂等场合,它可以为这些企业提供存储的载体,在使用过程中安全可靠、降低成本。
1.设计数据:根据客户提供要求,本罐为常温储存液化气体储罐,无保冷措施,介质为无水液氨,最低设计金属温度-9℃,设计使用年限10年,固定卧式安装,设备公称直径DN1400,容积V=5m³。
2.液氨储罐过程设计要点2.1设计压力、温度确定常温储存液化气体的设计压力,应当以规定温度下的工作压力为基础来确定,根据TSG 21-2016《固定式压力容器安全技术监察规程》条款3.1.9.3规定,液氨临界温度≥50℃,无保冷措施,以液氨50℃饱和蒸气压设为工作压力,液氨50℃饱和蒸气压Pw=1.93MPa,设计压力确定Pc=(1.05~1.1)Pw ≈2.2MPa。
2.2设备材料选择原则根据液氨介质特性含水量不高于0.2%,且有可能受空气中O₂或CO₂污染,使用温度高于-5℃,属于液氨应力腐蚀环境。
对本设备根据设计压力、温度、介质特性,主体板材选用GB/T713-2017《锅炉和压力容器用钢板》低合金钢Q345R,供货状态正火;根据介质危害程度,最低设计金属温度,本设计选用符合GB/T9948的钢管,材料选择10#钢,供货状态正火;法兰锻件根据压力、介质不允许微量泄漏等特性,依照HG/T20592-2009《钢制管法兰、垫片、紧固件》选择带颈对焊法兰,公称压力等级PN40,材质为16MnⅡ锻件,密封面形式凹凸面。
2.3最高允许工作压力的引入及计算过程根据HG/T20660-2017《压力容器中化学介质毒性危害和爆炸危险程度分类标准》氨属于中毒危害介质,泄漏时易挥发可燃气体,爆炸极限为16%~25%,属于易爆介质,对于盛装不允许有微量泄漏的压力容器,应进行泄漏试验,该设备选择气密性试验,试验压力等于设计压力,并且试验时,需要将安全附件装配齐全,为了确保泄漏性试验顺利进行,所以引入最高允许工作压力,最高允许工作压力[PMAWP]是根据容器各受压元件有效厚度计算得到的,考虑了该元件承受的所有载荷,取各受压元件承受最高允许工作压力的最小值;综上各压力之间关系:工作压力Pw<设计压力Pc<安全阀整定压力Pz<最高允许工作压力。
液氨储罐规范要求液氨储罐是一种常见的储存液氨的容器,它在工业生产和特定领域中起着重要作用。
为了确保液氨储罐的安全运营,各国都出台了液氨储罐规范要求。
下面将介绍一些常见的液氨储罐规范要求。
首先,液氨储罐的设计和制造必须符合相关的标准和规范。
常见的液氨储罐标准包括美国焊接与销路学会(AWS)的AWSD1.1/D1.1M、美国石化协会(API)的API STD 620以及欧洲标准化委员会(EN)的EN 14620等。
这些标准对液氨储罐的材料、结构、尺寸、焊接等方面提出了具体要求,以确保液氨储罐的安全性和可靠性。
其次,液氨储罐必须符合相应的压力容器标准。
液氨储罐一般属于高压容器,其内部容纳的液氨气体压力较高。
因此,液氨储罐的制造必须符合国家压力容器的标准要求,如中国的GB150《钢制压力容器》和美国的ASME Boiler and Pressure Vessel Code等。
这些标准对液氨储罐的材料、焊接、压力试验等方面提出了具体要求,以保障液氨储罐的使用安全。
第三,液氨储罐的运输、安装和使用必须遵循相关的安全规定。
在运输过程中,液氨储罐必须采取适当的措施,如加装防护罩、限制车速等,以防止碰撞和倾覆。
安装液氨储罐时,必须严格按照规范要求进行,确保储罐的稳定性和安全性。
在使用过程中,必须定期对液氨储罐进行检查和维护,以防止泄漏和其他安全事故的发生。
最后,液氨储罐在使用前必须经过相应的安全评估和审批。
安全评估是对液氨储罐的设计、制造和使用过程进行综合分析,评估其安全性和风险等级。
根据评估结果,相关部门会对液氨储罐的使用进行批准和审批,以确保其符合安全规范和标准要求。
综上所述,液氨储罐规范要求是为了确保液氨储罐的安全运营而制定的。
液氨储罐设计和制造必须符合相关的标准和规范,同时也必须符合压力容器标准。
液氨储罐的运输、安装和使用必须按照安全规定进行,同时在使用前也必须经过安全评估和审批。
只有严格按照规范要求操作,才能保证液氨储罐的安全和可靠性。
液氨储罐规范要求液氨储罐是一种用来储存液氨的设备,具有重要的安全性要求。
为了确保储罐的安全运行,汇总了以下关于液氨储罐规范的要求。
1.设计要求液氨储罐的设计应符合相关标准和规范,如GB150-2011《钢制压力容器》、GB50128-2014《石油化工工程设计规范》等。
设计时需要考虑液氨的性质、容量、工艺要求等因素,确保储罐具备足够的强度和密封性。
2.材料要求液氨储罐的材料一般采用优质的碳钢或低合金钢,符合GB/T700-2006《碳素结构钢》等标准。
材料的选择应考虑抗腐蚀性、强度和可焊性等因素。
液氨与空气接触时会产生化学反应,因此需要对液氨储罐内壁进行合理的涂层或腐蚀防护处理。
3.施工要求液氨储罐的施工应符合相关标准和规范,如GB50236-98《焊接钢结构工程施工质量验收标准》等。
施工过程中需要确保焊缝的质量和可靠性,所有焊工必须具有相应的焊接资质。
储罐的平直度、圆度和尺寸等应符合设计要求,并且需要进行各项试验和检查,确保储罐的完整性和安全性。
4.安全设施液氨储罐应配备相应的安全设施,如安全阀、压力表、温度计、液位计等。
这些设备的选型和安装位置应符合相关规范要求,能够及时监测储罐内的压力、温度和液位等参数,并在达到预警值时触发相应的警报或自动控制系统。
5.操作和维护液氨储罐的操作和维护应符合相关的操作规程和标准。
操作人员必须接受专门的培训,了解液氨性质和相关安全知识,熟悉储罐的操作程序和急救措施。
定期检查和维护储罐,清理储罐内部和外部的杂物,并进行必要的检修和更换设备。
6.安全防护措施液氨储罐的周围应建立相应的安全防护设施,如安全围栏、报警装置、泄漏控制系统等。
应采取必要的防火和防爆措施,以防止在储罐周围发生火灾或爆炸事故。
同时,应定期进行安全评估和隐患排查,对存在的安全风险进行有效的控制和处理。
综上所述,液氨储罐的规范要求包括设计要求、材料要求、施工要求、安全设施、操作和维护、安全防护措施等方面。
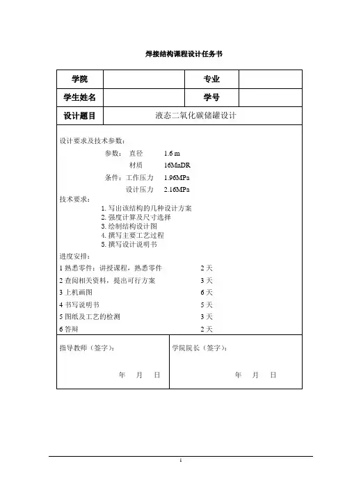
《化工设备机械基础》课程设计设计题目: 液氨贮罐设计2011年12月制附:设计任务书一、设计题目10.0m3液氨贮罐的设计二、设计参数及要求一、设计参数液氨压力:16Kg/cm²;温度:40℃;公称容积:10.0m³操作容积:9.0m³介质: 液氨设计利用年限:10年建议利用材料:16MnR二、设计要求按照设计参数, 对液氨贮罐的主要元件(筒体、封头)进行正确的强度、刚度和稳定性计算和结构设计;对贮罐的附件进行选型;熟悉贮罐质量的查验方式;绘制出贮罐的装配图;三、设计内容一、概述二、罐体的设计(1)罐体的PN、DN肯定(2)筒体壁厚的设计(3)封头壁厚的设计(4)筒体长度的设计3、罐体的压力实验(1)罐体的水压实验(2)罐体的气压实验4、罐体附件的选型及尺寸设计(1)工艺接管的设计(2)支座的设计(3)人孔的设计(4)液面计的设计五、罐体的开孔及补强的计算(1)允许开孔的范围(2)开孔补强的设计计算(3)补强圈的设计5、设计结果汇总6、10.0m3液氨贮罐装配图7、设计评述四、图纸要求10.0m3液氨贮罐装配图,A1号图纸五、参考资料[1] 汤善甫、朱思明等编.化工设备机械基础[M] . 上海:华东理工大学出版社.[2] 化工设备设计手册.材料与零部件(上). 上海科学技术出版社.1981[3] 广西大学《实用机械零部件手册》编写组. 实用机械零件手册.广西科学技术出版社附:目录一、液氨储罐的工艺设计计算 (1)1、罐体的设计 (1)、罐体的PN、DN肯定 (1)1.1.1、罐体DN的肯定 (1)1.1.2、釜体PN的肯定 (1)、筒体壁厚的设计 (1)1.2.1、设计参数的肯定 (1)1.2.2、筒体壁厚的设计 (1)1.2.3、刚度条件设计筒体的最小壁厚 (1)、罐体封头壁厚的设计 (2)2.3.1、设计参数的肯定 (2)2.3.2、封头的壁厚设计 (2)2.3.3、封头的直边、体积及重量的肯定 (2)、筒体的长度设计及重量的肯定 (2)、贮罐的压力实验 (3)、罐体的水压实验 (3)1.6.1、液压实验压力的肯定 (3)1.6.2、液压实验的强度校核 (3)1.6.3、压力表的量程、水温的要求 (3)1.6.4、液压实验的操作进程 (3)、罐体的气压实验 (3)1.7.1、气压实验压力的肯定 (3)1.7.2、气压实验的强度校核 (3)1.7.3、压力表的量程、气温的要求 (4)1.7.4、气压实验的操作进程 (4)2、罐体的开孔与补强 (4)、开孔补强的设计准则 (4)、开孔补强的计算 (4)2.2.1、开孔补强的有关计算参数 (4)2.2.2、补强圈的设计 (5)3、罐体附件的选型及尺寸设计 (5)、工艺接管的设计 (5)3.1.1、液氨进料管 (5)3.1.2、液氨出料管 (5)3.1.3、排污管 (5)3.1.4、安全阀接口管 (6)3.1.5、压力表接口管 (6)、支座的设计 (6)、鞍座的计算 (6)、安装位置 (7)、人孔的设计 (7)、液面计的设计 (7)二、设计结果一览表 (8)三、课程设计总结 (9)四、参考资料 (10)一、液氨储罐的工艺设计计算1、罐体的设计、罐体的PN、DN肯定1.1.1、罐体DN的肯定液氨贮罐的长径比L/D i一般取3~,本设计取L/D i=,由V=(πDi2/4) L=10和L/D i =,得:D i==1569mm。
第一章绪论1. 1设计任务设计一液氨贮罐。
工艺条件:温度为40℃,氨饱和蒸气压,容积为20m3, 使MPa1.55用年限15年。
1.2设计要求及成果1. 确定容器材质;2. 确定罐体形状及名义厚度;3. 确定封头形状及名义厚度;4. 确定支座,人孔及接管,以及开孔补强情况5. 编制设计说明书以及绘制设备装配图1张(A1)。
1.3技术要求(一)本设备按GBl50-1998《钢制压力容器》进行制造、试验和验收(二)焊接材料,对接焊接接头型式及尺寸可按GB985-80中规定(设计焊接接头系数?)0.?1(三)焊接采用电弧焊,焊条型号为E4303(四)壳体焊缝应进行无损探伤检查,探伤长度为100%第二章设计参数确定2.1 设计温度?题目中给出设计温度取40C2.2 设计压力在夏季液氨储罐经太阳暴晒,随着气温的变化,储罐的操作压力也在不断变化。
通过查阅资料可知包头最高气温为40.4℃,通过查表可知,在40℃时液氨的饱和蒸汽压(绝对压力)为1.55MPa,密度为580kg/m3,而容器设计时必须考虑在工作情况下可能遇到的工作压力和相对应的温度两者相结合中最苛刻工作压力来确定设计压力。
一般是指容器顶部最高压力与相应的设计温度一起作为设计载荷条件,其值不低于工作压力。
此液氨储罐采用安全法,依据《化工设备机械基础》若储罐采用安全法时设计压力应PP?1.05PP?1.55MPa采用最大工作压力的倍,取设计压力(已知表压)所以1.11?05.www。
MPa6?1.P?1.05P w2.3 腐蚀余量?,若设计寿命为1516MnR耐氨腐蚀,其年,则查《腐蚀数据手册》ymm/?0.1?? mm1.5?0.1C???1522.4焊缝系数该容器属中压贮存容器,技《压力容器安全技术监察规程》规定,氨属中度毒性介质,容器筒体的纵向焊接接头和封头基本上都采用双面焊或相当于双面焊的全焊透的??得选取按下表选择:有规考虑到压制封头胎具的规格及标准件配套选用的需要,mm2400D?定。
低温液氨储罐设计标准是什么
低温液氨储罐设计标准通常是根据国际上公认的工程规范和安全标准制定的,其中包括以下几个方面:
1. 国际标准:设计低温液氨储罐通常参照国际标准,比如美国石油学会(API)的API 620标准和API 625标准,以及欧洲压力容器规范(EN 13445)、国际化学工程师学会(AIChE)的标准等。
2. 压力容器代码:低温液氨储罐按照压力容器的设计、制造和安装相关代码进行设计,比如美国的ASME BPVC(Section VIII, Division 1)、中国的GB150标准等。
3. 材料标准:低温液氨储罐的材料选择需要符合特定的标准,一般使用高强度低合金(HSLA)钢或不锈钢等耐腐蚀材料。
常用的材料标准包括ASTM(美国材料与试验协会)的
A516/A516M,A537/A537M和A553/A553M等。
4. 安全设计:低温液氨储罐的设计必须考虑到安全因素,包括防爆、防火、防腐蚀等。
通常需要设计安全阀、溢流装置、泄漏检测系统等设施,以确保罐内压力、温度和液位在安全范围内。
5. 环境保护:低温液氨储罐设计还需符合环境保护要求,对于罐体和管道的绝热措施、废气回收和处理等方面都需要考虑。
6. 结构设计:低温液氨储罐的结构设计需要满足设计寿命、工
作条件和荷载要求,包括内外罐壁的厚度设计、支撑结构、排液系统等。
7. 检验与验收标准:低温液氨储罐的制造和安装需要进行严格的检验和验收,一般依据相关的检验标准,比如API标准和ASME标准。
总之,低温液氨储罐的设计标准是一个综合性的指导体系,结合不同国家和地区的要求和具体情况制定,以确保低温液氨储罐在设计、制造和使用过程中的安全性、稳定性和可靠性。
液氨储罐设计规范
液氨储罐是用来储存液体氨的设备,它在多个行业中被广泛应用,包括化工、冶金、制冷等领域。
为了确保储罐的安全运行,设计规范起着重要的作用。
下面将介绍一些液氨储罐的设计规范。
1. 储罐设计应符合当地相关法律法规和标准要求,包括安全生产法、压力容器安全技术监察条例等。
2. 储罐的选型应根据工艺要求和实际情况来确定,包括储存容量、工作压力、材料选择等。
3. 材料选择要考虑液氨的腐蚀性,通常使用碳钢、不锈钢等具有良好耐腐蚀性的材料。
4. 储罐的结构要牢固,通常采用圆筒形状,底部为锥形或球形。
5. 储罐的尺寸要根据液氨的储存容量和实际情况来设计,要保证结构的合理性和安全性。
6. 储罐应配备安全阀、液位计、压力表等安全设备,以确保储罐内的压力和液位在安全范围内。
7. 储罐与其它设备之间的连接要通过合适的管道和阀门来实现,要保证密封性和可靠性。
8. 储罐周围应设有防火设施,以防止火灾事故的发生。
9. 储罐应定期进行检查和维修,包括外观检查、材料检测、泄漏检测等,以确保其安全运行。
10. 储罐应配备适当的防护措施,如防护栏杆、警示标识等,
以确保操作人员的安全。
总之,液氨储罐的设计应遵循相关的法律法规和标准要求,要保证其在使用过程中的安全性和可靠性。
通过合理的结构设计、材料选择和安全设备配置,可以有效地预防事故的发生,确保液氨储罐的正常运行。
储罐的设计还需要考虑运输、储存和使用中的安全性。
总的来说,液氨储罐设计应考虑到液氨的特性和使用条件,确保其在使用中的安全性和可靠性。
目录第一章工艺设计1.1任务书*************************************** 1.2储量***************************************** 1.3备的选型及轮廓尺寸*************************** 第二章机械设计2.1结构设计2.1.1筒体及封头设计材料的选择**********************************筒体壁厚的设计计算**************************封头壁厚的设计计算*************************** 2.1.2接管及接管法兰设计接管尺寸选择*********************************管口表及连接标准*****************************接管法兰的选择 *****************************紧固件的选择 ******************************* 2.1.3人孔的结构设计密封面的选择 ******************************人孔的设计********************************2.1.4 核算开孔补强**************************** 2.1.5支座的设计支座的选择**********************************支座的位置********************************** 2.1.6液面计及安全阀选择2.1.7总体布局2.1.8焊接接头设计2.2强度校核小结课程设计任务书一、绪论1、任务说明设计一个容积为103m的液液氨储罐,采用常规设计方法,综合考虑环境条件、液体性质等因素并参考相关标准,按工艺设计、设备结构设计、设备强度计算的设计顺序,分别对储罐的筒体、封头、鞍座、人孔、接管进行设计,然后采用SW6-1998对其进行强度校核,最后形成合理的设计方案。
设计任务书设计题目:液氨储罐设计设计任务:试设计一液氨储罐,完成主体设备的工艺设计和附属设备的选型设计。
包括筒体、封头、零部件的材料的选择及结构的设计;罐的制造施工及焊接形式等;设计计算及相关校核;各设计的参考标准;附CAD图。
已知工艺参数如下:最高使用温度:T=50℃;公称直径:DN=3000㎜;筒体长度(不含封头):Lo=5900㎜。
目录设计任务书1 前言 (1)2 设计选材及结构 (2)2.1 工艺参数的设定 (2)2.1.1设计压力 (2)2.1.2筒体的选材及结构 (2)2.1.3封头的结构及选材 (2)3 设计计算 (4)3.1 筒体壁厚计算 (4)3.2封头壁厚计算 (4)3.3压力试验 (5)4 附件的选择 (6)4.1人孔的选择 (6)4.2人孔补强的计算 (7)4.3进出料接管的选择 (9)4.4液面计的设计 (10)4.5安全阀的选择 (10)4.6排污管的选择 (10)4.7 鞍座的选择 (11)4.7.1鞍座结构和材料的选取 (11)4.7.2容器载荷计算 (12)4.7.3鞍座选取标准 (12)4.7.4鞍座强度校核 (13)5 容器焊缝标准 (14)5.1压力容器焊接结构设计要求 (14)5.2筒体与椭圆封头的焊接接头 (14)5.3管法兰与接管的焊接接头 (14)5.4接管与壳体的焊接接头 (14)6 筒体和封头的校核计算 (16)6.1 筒体轴向应力校核 (16)6.1.1由弯矩引起的轴向应力 (16)6.1.2 由设计压力引起的轴向应力 (17)6.1.3 轴向应力组合与校核 (17)6.2筒体和封头切向应力校核 (18)7 总结 (19)参考文献 (20)1 前言本设计是针对《化工设备机械基础》这门课程所安排的一次课程设计,是对这门课程的一次总结,要综合运用所学的知识并查阅相关书籍完成设计。
本设计的液料为液氨,它是一种无色液体。
氨作为一种重要的化工原料,应用广泛。
分子式NH3,分子量17.03,相对密度0.7714g/L,熔点-77.7℃,沸点-33.35℃,自燃点651.11℃,蒸汽压1013.08kPa(25.7℃)。
蒸汽与空气混合物爆炸极限16~25%(最易引燃浓度17%)。
氨在20℃水中溶解度34%,25℃时,在无水乙醇中溶解度10%,在甲醇中溶解度16%,溶于氯仿、乙醚,它是许多元素和化合物的良好溶剂。
水溶液呈碱性。
液态氨将侵蚀某些塑料制品,橡胶和涂层。
遇热、明火,难以点燃而危险性较低; 但氨和空气混合物达到上述浓度范围遇明火会燃烧和爆炸,如有油类或其它可燃性物质存在,则危险性更高。
设计基本思路:本设计综合考虑环境条件、介质的理化性质等因素,结合给定的工艺参数,机械按容器的选材、壁厚计算、强度核算、附件选择、焊缝标准的设计顺序,分别对储罐的筒体、封头、人孔接管、人孔补强、接管、管法兰、液位计、鞍座、焊接形式进行了设计和选择。
设备的选择大都有相应的执行标准,设计时可以直接选用符合设计条件的标准设备零部件,也有一些设备没有相应标准,则选择合适的非标设备。
各项设计参数都正确参考了行业使用标准或国家标准,这样让设计有章可循,并考虑到结构方面的要求,合理地进行设计。
2 设计选材及结构2.1 工艺参数的设定2.1.1设计压力根据《化学化工物性数据手册》查得50℃蒸汽压为2032.5kpa,可以判断设计的容器为储存内压压力容器,按《压力容器安全技术监察规程》规定,盛装液化气体无保冷设施的压力容器,其设计压力应不低于液化气50℃时的饱和蒸汽压力,可取液氨容器的设计压力为2.16 Mpa,属于中压容器。
而且查得当容器上装有安全阀时,取1.05~1.3倍的最高工作压力作为设计压力;所以取2.16 Mpa的压力合适。
papa<≤6.0MM10p属于中压容器[5]。
设计温度为50摄氏度,在-20~200℃条件下工作属于常温容器。
2.1.2筒体的选材及结构根据液氨的物性选择罐体材料,碳钢对液氨有良好的耐蚀性腐蚀率在0.1㎜/年以下,且又属于中压储罐,可以考虑20R和16MnR这两种钢材。
如果纯粹从技术角度看,建议选用20R类的低碳钢板,16MnR钢板的价格虽比20R贵,但在制造费用方面,同等重量设备的计价,16MnR钢板为比较经济。
所以在此选择16MnR钢板作为制造筒体和封头材料。
钢板标准号为GB6654-1996。
筒体结构设计为圆筒形。
因为作为容器主体的圆柱形筒体,制造容易,安装内件方便,而且承压能力较好,这类容器应用最广[1,5]。
2.1.3封头的结构及选材封头有多种形式,半球形封头就单位容积的表面积来说为最小,需要的厚度是同样直径圆筒的二分之一,从受力来看,球形封头是最理想的结构形式,但缺点是深度大,直径小时,整体冲压困难,大直径采用分瓣冲压其拼焊工作量也较大。
椭圆形封头的应力情况不如半球形封头均匀,但对于标准椭圆形封头与厚度相等的筒体连接时,可以达到与筒体等强度。
它吸取了蝶形封头深度浅的优点,用冲压法易于成形,制造比球形封头容易,所以选择椭圆形封头,结构由半个椭球面和一圆柱直边段组成。
查椭圆形封头标准(JB/T4737-95)表2.1 椭圆封头标准公称直径DN 曲面高度h1 直边高度h2 内表面积Fi/m2 容积V/m3 3000 750 50 10.2 3.89封头取与筒体相同材料[1,5]。
3 设计计算3.1 筒体壁厚计算查 《压力容器材料使用手册-碳钢及合金钢》得16MnR 的密度为7.85t/m 3,熔点为1430℃,许用应力[]tσ列于下表:表3.1 16MnR 许用应力钢号板厚/㎜在下列温度(℃)下的许用应力/ Mpa≤20100 150 200 250 300 16MnR6~16 170 170 170 170 156 144 16~3616316316315914713436~60 157 157 157 150 138 125 >60~100153153150141128116圆筒的计算压力为2.16 Mpa,容器筒体的纵向焊接接头和封头的拼接接头都采用双面焊或相当于双面焊的全焊透的焊接接头,取焊接接头系数为1.00,全部无损探伤。
取许用应力为163 Mpa 。
壁厚:[]1.0206.121163230006.122D =-⨯⨯⨯=-=cti c p p φσδ㎜ (3.1)钢板厚度负偏差0.8C 1=,查材料腐蚀手册得50℃下液氨对钢板的腐蚀速率小于0.05㎜/年,所以双面腐蚀取腐蚀裕量2C 2=㎜。
所以设计厚度为:81.2212=++=C C d δδ㎜圆整后取名义厚度24㎜。
3.2 封头壁厚计算标准椭圆形封头a:b=2:1封头计算公式 :[]ctic p p 5.02D -=φσδ (3.2)可见封头厚度近似等于筒体厚度,则取同样厚度。
因为封头壁厚≥20㎜则标准椭圆形封头的直边高度50h 0=㎜[1,4].3.3 压力试验水压试验,液体的温度不得低于5℃;试验方法:试验时容器顶部应设排气口,充液时应将容器内的空气排尽,试验过程中,应保持容器外表面的干燥。
试验时压力应缓慢上升,达到规定试验压力后,保压时间一般不少于30min 。
然后将压力降至规定试验压力的80%,并保持足够长的时间以便对所有焊接接头和连接部位进行检查。
如有渗漏,修补后重新试验。
水压试验时的压力[][]Mpa pt7.216.225.125.1p T =⨯==σσ (3.3)水压试验的应力校核: 水压试验时的应力()()[]()44.177124212430007.22D T T =-⨯-+⨯=+=e e i p δδσMpa (3.4)水压试验时的许用应力为Mpa s 5.29232500.19.09.0=⨯⨯=φσS T 0.9φσσ<故筒体满足水压试验时的强度要求[1]。
4 附件选择4.1人孔选择人孔的作用:为了检查压力容器在使用过程中是否产生裂纹、变形、腐蚀等缺陷。
人孔的结构:既有承受压力的筒节、端盖、法兰、密封垫片、紧固件等受压元件,也有安置与启闭端盖所需要的轴、销、耳、把手等非受压件。
人孔类型:从是否承压来看有常压人孔和承压人孔。
从人孔所用法兰类型来看,承压人孔有板式平焊法兰人孔、带颈平焊法兰人孔和带颈对焊法兰人孔,在人孔法兰与人孔盖之间的密封面,根据人孔承压的高低、介质的性质,可以采用突面、凹凸面、榫槽面或环连接面。
从人孔盖的开启方式及开启后人孔盖的所处位置看,人孔又可分为回转盖人孔、垂直吊盖人孔和水平吊盖人孔三种。
人孔标准HG21524-95规定PN≥1.0Mpa时只能用带颈平焊法兰人孔或带颈对焊法兰人孔。
容器上开设人孔规定当Di>1000时至少设一个人孔,压力容器上的开孔最好是圆形的,人孔公称直径最小尺寸为φ400㎜。
综合考虑选择水平吊盖带颈对焊法兰人孔(HG21524-95),公称压力PN2.5、公称直径DN450、H1=320、RF型密封面、采用Ⅵ类20R材料、垫片采用外环材料为低碳钢、金属带为0Cr19Ni9、非金属带为柔性石墨、C型缠绕垫。
标记为:人孔RFⅥ(W·C-1220)450-2.5HG21524-95总质量为256kg.法兰标准号为HGJ50~53-91,垫片标准号为HGJ69~72-91,法兰盖标准HGJ61~65-91材料为20R,螺柱螺母标准HGJ75-91螺柱材料40Cr螺母材料45,吊环转臂和材料Q235-A·F,垫圈标准为GB95-85材料100HV,螺母标准GB41-86,吊钩和环材料Q235-A·F,无缝钢管材料为20,支承板材料为20R[2,3,5]。
尺寸表如下表4.1 人孔标准尺寸表密封面型式PN/MpaDN dw×s d D D1 H1 H2总质量kg突面 2.5 450 480×12 450 670 600 320 214 2564.2 人孔补强的计算开孔补强结构:压力容器开孔补强常用的形式可分为补强圈补强、厚壁管补强、整体锻件补强三种。
补强圈补强是使用最为广泛的结构形式,它具有结构简单、制造方便、原材料易解决、安全、可靠等优点。
在一般用途、条件不苛刻的条件下,可采用补强圈补强形式。
但必须满足规定的条件。
压力容器开孔补强的计算方法有多种,为了计算方便,采用等面积补强法,即壳体截面因开孔被削弱的承载面积,必须由补强材料予以等面积的补偿。
当补强材料与被削弱壳体的材料相同时,则补强面积等于削弱的面积。
补强材料采用16MnR 。
1、 内压容器开孔后所需的补强面积()r et f d -+=12A δδδ (4.1)式中 开孔直径:6.4618.224562=⨯+=+=C d d i ㎜;强度削弱系数:[][]82.0163/133===tt nrf σσ壳体开孔处的计算厚度1.020=δ㎜ 接管有效厚度:2.98.212=-=-=C nt et δδ㎜则 ()38.930416313312.901.20201.206.461A =-⨯⨯⨯+⨯=㎜2 2、有效补强面积即已有的加强面积壳体开孔后,在有效补强范围内,可作为补强的截面积(包括来自壳体、接管、焊缝金属、补强元件)321A A A A e ++= (4.2)筒体上多余金属面积:()()()()r e et e f ----=12d -B A 1δδδδδ (4.3)有效补强宽度 B=2d筒体的有效厚度 2.218.224=-=e δ㎜ 所以()()()27.545163133101.202.212.9201.202.216.4611=-⨯-⨯⨯--⨯=A ㎜2人孔接管上多余的面积:()()r et r t et f C h f h 221222A -+-=δδδ (4.4)外侧有效高度:43.746.461121=⨯==d h nt δ㎜内侧有效高度即实际内伸高度 02=h 接管计算厚度:[]()73.316.2113322448016.22=-⨯⨯-⨯=-=ctn i c t p d p φσδ㎜ 所以()36.66416313373.32.96.4611222=⨯-⨯⨯⨯=A ㎜2焊缝金属截面积:1441212212A 3=⨯⨯⨯=㎜2则 63.135314436.66427.545A 321=++=++=A A A e ㎜2 比较的 e A A >满足以下条件的可选用补强圈补强:刚材的标准常温抗拉强度540≤b σMpa ;补强圈厚度应小于或等于壳体壁厚的1.5倍;壳体名义厚度38≤n δ㎜;设计压力Mpa 4<;设计温度350≤℃。