50立方米液氨储罐设计说明书张震140140059
- 格式:doc
- 大小:2.06 MB
- 文档页数:19
中北大学课程设计说明书学生姓名:学号:学院:机械与动力工程学院专业:题目:(50)M3液氯储罐设计指导教师:职称:2014年06月16日中北大学课程设计任务书2013/2014 学年第二学期学院:机械与动力工程学院专业:学生姓名:学号:课程设计题目:(50)M3液氯储罐设计起迄日期:课程设计地点:校内指导教师:基层教学组织负责人:下达任务书日期: 2014年06月16日课程设计任务书课程设计任务书课程设计任务书目录第一章工艺设计1.1存储量 (1)1.2设备的选型及轮廓尺寸 (1)第二章机械设计2.1结构设计2.1.1筒体及封头设计材料的选择 (2)壁厚的设计计算 (4)2.1.2接管及接管法兰设计接管法兰的选择 (4)垫片的选择 (6)螺栓的选择 (6)人孔的选择 (7)视镜的选用 (9)液面计的选用 (9)安全阀的选用 (9)支座结构设计及位置的确定 (9)焊接接头的设计 (12)2.1.3核算开孔补强 (13)2.1.4总体布局 (15)2.1.5焊接结构设计及焊条的选择 (15)2.2强度校核 (17)参考文献 (29)第一章 工艺设计1.1 存储量盛装液化气体的压力容器设计存储量t V W ρφ=式中:W ——储存量,t ; φ——装载系数; V ——压力容器容积;t ρ——设计温度下的饱和溶液的密度,3m t;将数据代入得到W=φV ρt =0.9*50*1.314=59.13t1.2 设备的选型及轮廓尺寸筒体直径一般由工艺条件决定,但是要符合压力容器的公称直径。
标准椭圆型封头是中低压容器经常采用的封头形式。
封头公称直径必须与筒体的公称直径相一致。
根据公式 π/4*D i 2L=Vg (1+5%); 其中V g =50m 3 , 取 L/D i =4 得D i =2556.6mm,圆整得D i =2600mm.查标准JB/T4746-2002《钢制压力容器用封头》中表B.1 EHA 椭圆形封头内表面积、容积,如下表: EHA 椭圆形封头内表面积、容积由Vg=V封头+V筒体则:50*1.05=π/4*D i2*L+2V封计算得L=8941.6mm,取L=9000mmL/D i=9000/2600=3.46在3<3.46<6,设计合理计算容积V计=π/4*D i2*L+2V封=52.81m3工作容积V g=φV计=0.9×52.81=47.529m3直边段高度为690-2600/4=40mm第二章机械设计2.1 结构设计2.1.1筒体及封头设计.材料的选择设计温度系指容器在正常操作情况下,在相应设计压力下,设定受压元件的金属温度,其值不得低于元件金属可能达到的最高金属温度,对于0°C以下的金属温度,则设计温度不高于元件金属可能达到的最低金属温度,容器的设计温度是指壳体的设计温度,可知器设计温度选取的依据:其值不得低于最高金属温度或不得高于最低金属温度(0°C以下),最高工作温度为45°C,则设计温度取50°C。
燕京理工学院Yanching Institute of Technology(2018)届本科生化工设备机械基础大作业题目:液氨储罐的设计学院:化工与材料工程学院专业:应用化学学号: ********* 姓名:游超杰指导教师:***2017年6月30日目录1、设计任务书 (1)2、前言 (2)3.设计方案 (3)3.1设计依据及原则 (3)3.2、设计要求 (3)技术特性表 (3)4、设计计算 (5)4.1、圆筒厚度设计 (5)4.2、封头壁厚设计 (6)4.3、水压试验及强度校核 (6)5、选择人孔并核算开孔补强 (7)5.1、人孔参数确定 (7)5.2、开孔补强的计算 (8)6、接口管设计 (10)6.1、进料管 (10)6.2、出料管 (10)6.3、液位计接口管 (10)6.4、放空阀接口管 (11)6.5、安全阀接口管 (11)6.6、排污管 (11)6.7、压力表接口 (11)7、鞍座负载设计 (11)首先粗略计算鞍座负荷 (11)7.1、罐体质量m1 (12)7.2、封头质量m2 (12)7.3、液氨质量m3 (12)7.4、附件质量m4 (12)8、设计汇总 (13)1、设计任务书课题:液氨储罐的设计(家乡衡水)设计内容:根据既定的工艺参数设计一台液氨储罐已知工艺参数:最高使用温度T=40℃罐体容积V=12mm3此时氨的饱和蒸汽压P=1.55MPa具体的内容包括:1.筒体材料选择2.罐的结构及尺寸(内径、长度)形状(卧式、球形、立式),罐体厚度,封头形状及厚度,支座的选择,人孔及接管,开孔补强下达时间:2017年6月16日完成时间:2017年6月30日2、前言本次课程设计是化工与材料工程学院,应用化学专业对化工设备机械基础这门课程进行的。
课设题目为液氨储罐的课程设计。
液氨,又称为无水氨,是一种无色液体。
氨作为一种重要的化工原料,应用广泛,为运输及储存便利,通常将气态的氨气通过加压或冷却得到液态氨。
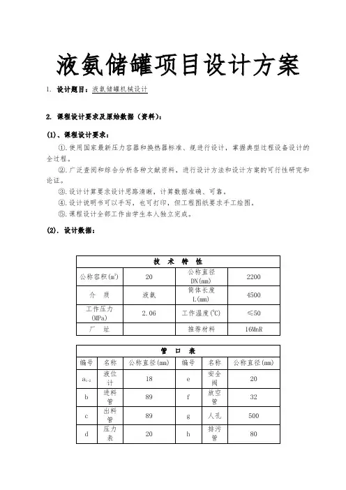
液氨储罐项目设计方案1.设计题目:液氨储罐机械设计2. 课程设计要求及原始数据(资料):(1)、课程设计要求:①.使用国家最新压力容器和换热器标准、规进行设计,掌握典型过程设备设计的全过程。
②.广泛查阅和综合分析各种文献资料,进行设计方法和设计方案的可行性研究和论证。
③.设计计算要求设计思路清晰,计算数据准确、可靠。
④.设计说明书可以手写,也可打印,但工程图纸要求手工绘图。
⑤.课程设计全部工作由学生本人独立完成。
(2). 设计数据:3. 工艺条件图4. 计算及说明部分容(设计容):1 绪论1.1 液氨储罐的设计背景1.2 液氨储罐的分类及选型2 材料及结构的选择与论证2.1 工艺参数的设定2.1.1设计压力2.1.2筒体的选材及结构2.1.3封头的结构及选材3 设计计算3.1 筒体壁厚计算3.2 封头壁厚计算3.3 压力试验4 附件的选择4.1 人孔的选择4.2 人孔补强的计算4.3 进出料接管的选择4.4 液面计的设计4.5 安全阀的选择4.6 排污管的选择4.7 真空表选择4.8 鞍座的选择4.8.1 鞍座结构和材料的选取4.8.2 容器载荷计算4.8.3 鞍座选取标准4.8.4 鞍座强度校核5 容器焊缝标准5.1 压力容器焊接结构设计要求5.2 筒体与椭圆封头的焊接接头5.3 管法兰与接管的焊接接头5.4 接管与壳体的焊接接头6 筒体和封头的校核计算6.1 筒体轴向应力校核6.1.1 由弯矩引起的轴向应力6.1.2 由设计压力引起的轴向应力6.1.3 轴向应力组合与校核6.2 筒体和封头切向应力校核7 总结8 参考文献5.绘图部分容:总装配图一(A1图纸)6.设计期限:1周(2013 年06月24日~ 2013年 06月30日)7、设计参考进程:(1)设计准备工作、选择容器的型式和材料半天(2)设计计算筒体、封头、选择附件并核算开孔补强等一天(3)绘制装配图二天(4)编写计算说明书一天(5)答辩半天8.参考资料:(1)国家质量技术监督局,GB150-1998《钢制压力容器》,中国标准,1998;(2)国家质量技术监督局,《压力容器安全技术监察规程》,中国劳动社会保障,1999(3)《金属化工设备·零部件》第四卷(4)中华人民国化学工业部,中华人民国待业标准《钢制管法兰、垫片、紧固件》,1997(5)《化工设备机械基础课程设计指导书》(图书馆借阅书号:TQ 05/51)(6)刁玉纬王立业,《化工设备机械基础》,理工大学,2003年第五版;(7)多民俞惠敏,《化工过程设备机械基础》,,2007;(8)董大勤,《化工设备机械基础》,化学工业,1994年第二版;(9)汤善甫朱思明,《化工设备机械基础》,华东理工大学,2004年第二版;发给学生(签名):指导教师:年月日目录1绪论 (1)1.1 液氨储罐的设计背景 (1)1.2 液氨储罐的分类及选型 (1)2 材料及结构的选择与论证 (3)2.1 工艺参数的设定 (3)2.1.1设计压力 (3)2.1.2筒体的选材及结构 (3)2.1.3封头的结构及选材 (3)3 设计计算 (5)3.1 筒体壁厚计算 (5)3.2 封头壁厚计算 (5)3.3 筒体长度确定 (6)3.4 压力试验 (7)4 附件的选择 (8)4.1 人孔的选择 (8)4.2 人孔补强的计算 (9)4.3 进出料接管的选择 (11)4.4 液面计的设计 (12)4.5 安全阀的选择 (13)4.6 排污管的选择 (13)4.7 真空表的选择 (13)4.8 鞍座的选择 (14)4.8.1 鞍座结构和材料的选取 (14)4.8.2 容器载荷计算 (14)4.8.3 鞍座选取标准 (15)4.8.4 鞍座强度校核 (16)5 容器焊缝标准 (17)5.1 压力容器焊接结构设计要求 (17)5.2 筒体与椭圆封头的焊接接头 (17)5.3 管法兰与接管的焊接接头 (17)5.4 接管与壳体的焊接接头 (18)6 筒体和封头的校核计算 (19)6.1 筒体轴向应力校核 (19)6.1.1 由弯矩引起的轴向应力 (19)6.1.2 由设计压力引起的轴向应力 (20)6.1.3 轴向应力组合与校核 (20)6.2 筒体和封头切向应力校核 (21)7 总结 (22)8 参考文献 (23)1 绪论1、1 液氨储罐的设计背景本设计是针对《化工设备机械基础》这门课程所安排的一次课程设计,是对这门课程的一次总结,要综合运用所学的知识并查阅相关书籍完成设计。
1.工艺设计......................................... 错误!未定义书签。
1.1设计储量 ............................................. 错误!未定义书签。
1.2初步设计 ............................................. 错误!未定义书签。
2.机械设计......................................... 错误!未定义书签。
2.1设计条件 .............................................. 错误!未定义书签。
2.1设计原始数据 ..................................... 错误!未定义书签。
2.2.1设计温度 .......................................... 错误!未定义书签。
2.2.2设计压力 .......................................... 错误!未定义书签。
2.2结构设计 ............................................. 错误!未定义书签。
2.2.1筒体和封头结构设计....................... 错误!未定义书签。
2.2.2 人孔设计 ......................................... 错误!未定义书签。
2.2.4接管及法兰设计 .............................. 错误!未定义书签。
2.2.5补强设计 .......................................... 错误!未定义书签。
2.2.6鞍座设计 .......................................... 错误!未定义书签。
目录1、设计任务书 (1)2、前言 (2)3.设计方案 (3)3.1设计依据及原则 (3)3.2、设计要求 (3)技术特性表 (3)4、设计计算 (5)4.1、圆筒厚度设计 (5)4.2、封头壁厚设计 (6)4.3、水压试验及强度校核 (6)5、选择人孔并核算开孔补强 (7)5.1、人孔参数确定 (7)5.2、开孔补强的计算 (8)6、接口管设计 (10)6.1、进料管 (10)6.2、出料管 (10)6.3、液位计接口管 (10)6.4、放空阀接口管 (11)6.5、安全阀接口管 (11)6.6、排污管 (11)6.7、压力表接口 (11)7、鞍座负载设计 (11)首先粗略计算鞍座负荷 (11)7.1、罐体质量m1 (12)7.2、封头质量m2 (12)7.3、液氨质量m3 (12)7.4、附件质量m4 (12)8、设计汇总 (13)1、设计任务书课题:液氨储罐的设计(家乡衡水)设计内容:根据既定的工艺参数设计一台液氨储罐已知工艺参数:最高使用温度T=40℃罐体容积V=12mm3此时氨的饱和蒸汽压P=1.55MPa具体的内容包括:1.筒体材料选择2.罐的结构及尺寸(内径、长度)形状(卧式、球形、立式),罐体厚度,封头形状及厚度,支座的选择,人孔及接管,开孔补强下达时间:完成时间:2、前言本次课程设计是化工与材料工程学院,应用化学专业对化工设备机械基础这门课程进行的。
课设题目为液氨储罐的课程设计。
液氨,又称为无水氨,是一种无色液体。
氨作为一种重要的化工原料,应用广泛,为运输及储存便利,通常将气态的氨气通过加压或冷却得到液态氨。
液氨在工业上应用广泛,而且具有腐蚀性,且容易挥发,所以其化学事故发生率相当高。
气氨相对密度(空气=1):0.59,分子量为17.04.液氨的密度是NH30.562871Kg/L(50℃) 。
自燃点:651.11℃饱和蒸汽压:2.033MPa熔点(℃):-77.7 爆炸极限:16%~25%沸点(℃):-33.4 1%水溶液PH值:11.7比热kJ(kg·K):氨(液体)4.609 氨(气体)2.179 蒸汽与空气混合物爆炸极限16~25%(最易引燃浓度17%)。
目录第一章绪论 (2)设计任务 (2)设计思想 (3)设计特点 (2)第二章材料及结构的选择与论证 (2)材料选择 (2)结构选择与论证 (2)第三章设计计算 (4)筒体厚度设计 (4)封头壁厚设计 (4)水压试验及强度校核 (4)人孔并核算开孔补强 (5)核算承载能力并选择鞍座 (7)液面计选择 (7)压力表选择 (8)接口管选择 (8)设计小结 (9)第四章主要参考资料 (9)附于储罐装配图与储罐零件图于本书末前言本说明书为《31m3液氨储罐设计说明书》。
本文采用分析设计方法,综合考虑环境条件、液体性质等因素并参考相关标准,按工艺设计、设备结构设计、设备强度计算的设计顺序,分别对储罐的筒体、封头、鞍座、人孔、接管进行设计,然后采用1SW6-1998对其进行强度校核,最后形成合理的设计方案。
目录附:设计任务书 (2)第一章绪论 (3)(一)设计任务 (3)(二)设计思想 (3)(三)设计特点 (3)第二章材料及结构的选择与论证 (3)(一)材料选择 (3)(二)结构选择与论证 (3)第三章设计计算 (5)(一)计算筒体的壁厚 (5)(二)计算封头的壁厚 (6)(三)水压试验及强度校核 (6)(四)选择人孔并核算开孔补强 (7)(五)核算承载能力并选择鞍座 (9)(六)选择液面计 (9)(七)选择压力计 (10)(八)选配工艺接管 (10)第四章设计汇总 (11)第五章结束语 (12)第六章参考文献 (13)第一章绪论(一)设计任务:针对化工厂中常见的液氨储罐,完成主体设备的工艺设计和附属设备的选型设计,绘制总装配图和零件图,并编写设计说明书。
(二)设计思想:综合运用所学的机械基础课程知识,本着认真负责的态度,对储罐进行设计。
在设计过程中综合考虑了经济性,实用性,安全可靠性。
各项设计参数都正确参考了行业使用标准或国家标准,这样让设计有章可循,并考虑到结构方面的要求,合理地进行设计。
(三)设计特点:容器的设计一般由筒体、封头、法兰、支座、接口管及人孔等组成。
50立方米液氨储罐设计说明书50立方米液氨储罐是一种用于储存液氨的设备,具有广泛的应用领域,包括化工、农业、制冷等行业。
本设计说明书将详细介绍50立方米液氨储罐的结构、性能、操作要点以及安全措施,以供相关人员参考和指导。
首先,介绍储罐的结构。
50立方米液氨储罐由罐体、密封装置、进出料口、排气装置、压力表等组成。
罐体采用钢材制成,经过特殊防腐处理,确保其在长期存储液氨的环境下不受腐蚀。
密封装置采用可靠的螺栓紧固和软管连接,以保证液氨不泄漏。
进出料口和排气装置在设计上考虑了便捷性和安全性,使得装卸操作更加方便,并能有效消除气体积压。
其次,介绍储罐的性能特点。
50立方米液氨储罐具有良好的密封性能、耐腐蚀性和抗震性。
密封装置的选材和结构设计保证了液氨的密封性,有效防止液氨的挥发和泄漏。
同时,储罐的钢材材质和结构设计考虑了液氨的腐蚀性,能够在长期使用中保持稳定性。
此外,储罐经过专业设计,在地震等外力作用下能够保持稳定,保护液氨的安全。
然后,介绍储罐的操作要点。
在使用50立方米液氨储罐时,需要按照相关操作规程进行操作。
首先,操作人员需要了解储罐的结构和性能特点,熟悉液氨的特性和储罐的操作要点。
其次,操作人员需要正确连接进出料口和排气装置,确保液氨的输送畅通。
操作过程中,需要注意操作规程,确保操作的安全性和可靠性。
最后,介绍储罐的安全措施。
50立方米液氨储罐在储存液氨的同时,也需要考虑安全问题。
操作人员需严格遵守有关安全操作规程,穿戴相应的个人防护装备。
储罐周围应设有安全警示标志,以引起人们的注意和警惕。
定期对储罐进行检查和维护,确保其安全使用。
综上所述,本设计说明书详细介绍了50立方米液氨储罐的结构、性能、操作要点和安全措施。
鉴于液氨储存的重要性和风险性,操作人员在使用储罐时应该严格按照说明书操作,并加强安全意识和防护措施,确保液氨的安全储存和使用。
5000立方米液氨储罐施工方案1 工程概况内蒙古天野化工30 万吨/年合成氨厂新建一台5000立方米液氨储罐,是为了满足液氨的储存、装运、缓冲及平衡作用而设置的;该罐为直经为φ20900mm 的低温液氨储罐。
由于新罐没有设计图纸,参照原来5000立方米液氨储罐图纸,其规格技术参数见下表:物料名称: 液氨全容积:7400m3操作温度: - 36℃主体材料:16MnDR设计温度:- 40℃试验压力:0.0125MPa+充水操作压力:300-700 mmH2O 柱气密试验: 820mmH2O柱设计压力: +1000/-150 mmH2O柱2编制依据2.1 《石油化工立式圆筒形钢制焊接储罐设计规范》SH3046 – 92;2.2 《钢制低温压力容器技术规定》HGJ19 – 89;2.3 《圆筒形钢制焊接储罐施工及验收规范》HGJ210 – 83;2.4 《立式圆筒形钢制焊接油罐施工及验收规范》GB50128-20XX;2.5 《石油化工设备安装工程质量检验评定标准》SH3514-2001;2.6 《钢制压力容器焊接规程》JB/T4709-2000;2.7 《石油化工施工安全技术规程》H3505-99;2.8 《压力容器无损检测》JB4730-94;2.9 《补强圈》JB/T4736-20XX;2.10类似工程的施工技术资料。
3施工准备工作3.1 技术准备3.1.1 熟悉图纸、规范等有关技术资料,进行图纸会审,编制施工方案并及时报批;3.1.2 根据图纸制定排版图,并提出材料计划,再根据到货的材料规格来修定排版图;3.1.3 查找公司相关材料的焊接工艺评定资料,制定焊接工艺卡,以指导现场焊接施工。
如果没有适合的焊接工艺评定报告,应进行焊接工艺评定试验。
3.1.4 对施工人员进行技术交底和HSE教育。
3.2施工人员准备3.2.1 组建精干高效的项目经理部,各类技术和管理人员配制齐全,管理机构能够正常运作;3.2.2主要作业人员见下表:序工种数量持证上岗要求备注1 铆工15 上岗前进行培训从事高处作业的人员必须经过体检。
湖北大学化学化工学院化工设备机械基础课程设计计算说明书课程设计题目:液氨储罐设计一、设计任务书 (1)二、液氨储罐设计参数的确定 (2)1、根据要求选择罐体和封头的材料 (2)2、确定设计温度与设计压力 (2)3、其他设计参数 (2)三、筒体和封头壁厚的计算 (2)1、筒体壁厚的计算 (2)1.1设计参数的确定 (3)四、罐体的开孔与补强 (4)1、开孔补强的设计准则 (4)2、开孔补强的计算..................................42.1、开孔补强的有关计算参数.......................52.2、补强圈的设计. (5)五、选择鞍座并核算承载能力 (5)一、设计任务书试设计一液氨储罐,其公称容积、储罐内径、罐体(不包括封头)长度见下表。
使用地点:家乡--湖北省十堰市竹溪县。
技术特性表16MnR钢板为比较经济。
所以在此选择16MnR钢板作为制造筒体和封头材料。
2、确定设计温度与设计压力液氨储罐通常置于室外,虽然设计有保温措施,但罐内液氨的温度和压力还是可能直接受到大气温度的影响,在夏季液氨储罐经太阳暴晒,液氨温度可达40℃,随着气温的变化,储罐的操作压力也在不断变化.根据《化学化工物性数据手册》查得40℃饱和蒸汽压为1.55MPa,可以判定设计的容器为储存内压压力容器,按《压力容器安全技术监察规程》规定,盛装液化气体无保冷设施的压力容器,其设计压力应不低于液化气40℃时的饱和蒸汽压力,可取液氨的设计压力为1.70MPa,当液化气体储罐安装有安全阀时,设计压力可取最大操作压力的1.05-1.10倍,所以1.7MPa合适。
0.6MPa≤p≤10MPa 属于中压容器。
3、其他设计参数容器公称直径见技术特性表即公称直径DN=2.0m;罐体和封头的材料为钢板厚度负偏差C1=0.8mm,查材料腐蚀手册得40℃下液氨对钢板的腐蚀速率小于0.05mm/年,所以双面腐蚀取腐蚀裕量C2=2mm所以设计厚度为:δd=δ+C2+C1=10.05+0.8+2=12.85mm圆整后取名义厚度14mm.1.3刚度条件设计筒体的最小壁厚因为Di=2000mm<3800mm,所以δmin=2Di/1000=4.0mm,另加C2=2mm,所以δd=6.0mm。
50M3液氯储罐安全压强设计方案书课程设计任务书课程设计任务书目录第一章工艺设计1.1存储量 (1)1.2设备的选型及轮廓尺寸 (1)第二章机械设计2.1结构设计2.1.1筒体及封头设计材料的选择 (2)壁厚的设计计算 (4)2.1.2接管及接管法兰设计接管法兰的选择 (4)垫片的选择 (6)螺栓的选择 (6)人孔的选择 (7)视镜的选用 (9)液面计的选用 (9)安全阀的选用 (9)支座结构设计及位置的确定 (9)焊接接头的设计 (12)2.1.3核算开孔补强 (13)2.1.4总体布局 (15)2.1.5焊接结构设计及焊条的选择 (15)2.2强度校核 (17)参考文献 (29)第一章 工艺设计1.1 存储量盛装液化气体的压力容器设计存储量t V W ρφ=式中:W ——储存量,t ; φ——装载系数; V ——压力容器容积;t ρ——设计温度下的饱和溶液的密度,3m t;将数据代入得到W=φV ρt =0.9*50*1.314=59.13t1.2 设备的选型及轮廓尺寸筒体直径一般由工艺条件决定,但是要符合压力容器的公称直径。
标准椭圆型封头是中低压容器经常采用的封头形式。
封头公称直径必须与筒体的公称直径相一致。
根据公式 π/4*D i 2L=Vg (1+5%); 其中V g =50m 3 , 取 L/D i =4 得D i =2556.6mm,圆整得D i =2600mm.查标准JB/T4746-2002《钢制压力容器用封头》中表B.1 EHA 椭圆形封头表面积、容积,如下表: EHA 椭圆形封头表面积、容积由 Vg=V封头+V筒体则:50*1.05=π/4*D i2*L+2V封计算得L=8941.6mm,取L=9000mmL/D i=9000/2600=3.46在3<3.46<6,设计合理计算容积V计=π/4*D i2*L+2V封=52.81m3工作容积V g=φV计=0.9×52.81=47.529m3直边段高度为690-2600/4=40mm第二章机械设计2.1 结构设计2.1.1筒体及封头设计.材料的选择设计温度系指容器在正常操作情况下,在相应设计压力下,设定受压元件的金属温度,其值不得低于元件金属可能达到的最高金属温度,对于0°C以下的金属温度,则设计温度不高于元件金属可能达到的最低金属温度,容器的设计温度是指壳体的设计温度,可知器设计温度选取的依据:其值不得低于最高金属温度或不得高于最低金属温度(0°C以下),最高工作温度为45°C,则设计温度取50°C。
50立方液氮储罐基础设计液氮储罐是一种用于储存液态氮的设备,广泛应用于各个领域,如医疗、科研、工业等。
在设计50立方液氮储罐的基础时,需要考虑多个因素,包括基础材料选择、基础结构设计、土壤承载力分析等。
基础材料选择是设计液氮储罐基础时的重要一步。
由于液氮的低温性质,基础材料需要具备良好的抗冻性和耐低温性能。
常用的基础材料包括混凝土和钢材。
混凝土具有较好的耐低温性能和抗冻性能,适合用于液氮储罐基础的建造。
钢材则通常用于加固基础结构,以提高其整体的强度和稳定性。
基础结构设计是液氮储罐基础设计的关键。
基础结构的设计需要考虑到液氮储罐的重量和土壤的承载力。
一般来说,液氮储罐的基础结构采用浅基础,如扩底基础或钢筋混凝土底板。
在设计过程中,需要进行土壤承载力分析,确定基础的尺寸和厚度,以确保基础能够承受液氮储罐的重量,并保证其稳定性和安全性。
在进行液氮储罐基础设计时,还需要考虑到周边环境的因素。
例如,基础设计中需要考虑到地震、风载等自然灾害因素对基础的影响。
此外,还需要考虑到基础的排水功能,以防止液氮储罐周围的水分渗入,并影响基础的稳定性。
为了保证液氮储罐的正常使用和维护,基础设计中还需要考虑到液氮储罐的排放管道和检修孔的设置。
排放管道用于排放液氮过程中产生的气体,而检修孔则用于维护和检修液氮储罐。
这些管道和孔洞需要在基础设计中合理布置,方便使用和维护。
50立方液氮储罐基础设计需要考虑到基础材料选择、基础结构设计、土壤承载力分析等多个因素。
通过合理设计和施工,可以确保液氮储罐的稳定性和安全性,为相关领域的使用提供良好的基础设施支持。
同时,在设计过程中还需要考虑到周边环境的因素,以及液氮储罐的排放管道和检修孔的设置,以提高储罐的使用便利性和维护性。
过程装备基础课程设计:计算说明书SPECIFICATION学院:化学化工学院专业班级:姓名:目录一、设计条件表----------------------------------------------------- 1二、管口表----------------------------------------------------------- 1三、封头设计-------------------------------------------------------- 1四、筒体长度确定-------------------------------------------------- 2五、设备的设计计算---------------------------------------------- 2六、开孔及开孔补强------------------------------3七、卧式容器应力校核-------------------------------------------- 5八、零部件设计----------------------------------------------------- 51、支座设计--------------------------------------------------------------52、人孔其法兰设计------------------------------------------------------73、液氨入口接管与其法兰设计------------------------------------- 74、液氨出口接管及其法兰设计---------------------------------------75、气氨出口接管及其法兰设计-------------------------------------- 76、安全阀接口管及其法兰设计------------------------------------- 77、压力表接管及其法兰设计----------------------------------------- 78、放空口接管及其法兰设-------------------------------------------- 89、排污管及其法兰设计------------------------------------------------810、液位计及其法兰的选择------------------------------------------- 8九、焊接接头设计--------------------------------------------------9 参考资料-------------------------------------------------------------1150 m3液氨储罐设计计算说明书一、设计条件表序号 项目 数值单位 备注1 名称 液氨储罐 2 用途 液氨储存 3 最高工作压力 1.952 MPa 由介质温度确定4 工作温度 -20~48 ℃ 5 公称容积(Vg)50 m 3 6 装量系数 0.85 7 工作介质 液氨 8使用地点太原市(室外)二、管口表符号 ITEM 公称尺寸 N.SIZE 公称压力 PN 连接标准 CONNECT.STD 法兰型式 TYPE 密封面形式 FACING 用途或名称 SERVICE 设备中心线至法栏面距离/mm a 40 2.5 HG20594-97 带颈对焊 FM 液氨进口管 \ b 40 2.5 HG20594-97 带颈对焊 FM 出口管 \ c 25 2.5 HG20594-97 带颈对焊 FM 放空口 \ d 80 2.5 HG20594-97 带颈对焊 FM 安全阀 \ e 600 2.5 HG20594-97 带颈对焊 FM 人孔 \ f 32 2.5 HG20594-97 带颈对焊 FM 排污口 \ g 40 2.5 HG20594-97 带颈对焊 FM 液氨出口 \ h 25 2.5 HG20594-97 带颈对焊 FM 压力表接口 \ I1-2202.5HG20594-97带颈对焊FM液面计\三、封头设计1、选用标准椭圆形封头2、确定EHA 椭圆形封头内表面积及容积 (1)确定封头的大概直径因为:逻V =503m ,筒体长为L:D i ≈3 设:L=3D i 则:L D V i π41=逻, 于是 mm V D i 2769343≈=π逻 (2)选取EHA 椭圆形封头的直径将圆筒直径圆整为mm DN 2700=,得38055.2mV =封头,则389.448055.22502=⨯-=-=封头逻筒体(实)V V V m 3解得mm L ='实,将其圆整为mm L 8100=实。
燕京理工学院Yanching Institute of Technology(2018)届本科生化工设备机械基础大作业题目: 50立方米液氨储罐设计学院:化工与材料工程学院专业:应用化学1402学号: 140140059 :震指导教师:周莉莉教研室主任(负责人):顾明广2017年6月20日目录课程设计任务书 (3)50m³液氨储罐设计 (3)课程设计容 (3)液氨物化性质及介绍 (4)第一章设备的工艺计算 (4)1.1设计储存量 (4)1.2 设备的选型的轮廓尺寸的确定 (4)1.3 设计压力的确定 (5)1.4 设计温度的确定 (5)1.5 主要元件材料的选择 (5)第二章设备的机械设计 (6)2.1 设计条件(见表2-1和表2-2) (6)2.2 结构设计 (7)2.2.1 材料选择 (7)2.2.2 筒体和封头结构设计 (7)2.2.3 法兰的结构设计 (7)2.2.4 人孔、液位计结构设计 (9)2.2.5 支座结构设计 (11)2.2.6 焊接接头设计及焊接材料的选取 (14)2.3 开孔补强计算 (15)2.3.1补强设计方法判别 (15)2.3.2有效补强围 (16)2.3.3 有效补强面积 (17)2.3.4接管的多余面积 (17)2.3.5补强面积 (17)第三章液面计的选用 (18)第四章视镜的选用 (18)第五章安全阀的选用 (18)第六章焊接接头的设计 (18)第七章垫片及螺栓的选择 (18)课程设计总结 (19)参考文献 (19)课程设计任务书50m³液氨储罐设计一、课程设计要求:1.按照国家最新压力容器标准、规进行设计,掌握典型过程设备设计的全过程。
2.设计计算采用手算,要求设计思路设计思路清晰,计算数据准确、可靠。
3.独立完成。
二、原始数据1、设备工艺、结构设计;2、设备强度计算与校核;3、技术条件编制;4、绘制设备总装配图;5、编制设计说明书。
四、学生应交出的设计文件(论文):1.设计说明书一份;2.总装配图一 (A3图纸一)课程设计容液氨物化性质及介绍液氨,又称为无水氨,是一种无色液体,有强烈刺激性气味。
氨作为一种重要的化工原料,为运输及储存便利,通常将气态的氨气通过加压或冷却得到液态氨。
液氨在工业上应用广泛,具有腐蚀性且容易挥发,所以其化学事故发生率很高。
液氨分子式NH3,分子量17.03,相对密度0.7714g/L ,熔点-77.7℃,沸点-33.35℃,自燃点651.11℃,蒸汽压1013.08kPa(25.7℃)。
蒸汽与空气混合物爆炸极限为16—25%(最易引燃浓度为17%)氨在20℃水中溶解度34%;25℃时,在无水乙醇中溶解度10%;在甲醇中溶解度16%,溶于氯仿、乙醚,它是许多元素和化合物的良好溶剂。
水溶液呈碱性。
液态氨将侵蚀某些塑料制品,橡胶和涂层。
遇热、明火,难以点燃而危险性极低,但氨和空气混合物达到上述浓度围遇火和燃烧或爆炸,如有油类或其它可燃物存在则危险性极高。
第一章 设备的工艺计算工艺设计的容是根据设计任务提供的原始数据和生产工艺要求,通过计算和选型确定设备的轮廓尺寸。
1.1设计储存量t V W ρφ=式中:W ——储存量,t ; φ——装量系数; V ——压力容器容积;m 3t ρ——设计温度下的饱和溶液的密度,3m tW=0.85×50×0.563=23.93 t1.2 设备的选型的轮廓尺寸的确定根据设计要求,本设计为卧式容器,筒体采用圆筒形,封头采用标准椭圆形封头由已知数据计算出筒体的基本参数如下:表1-1 筒体基本参数椭圆形封头基本参数如下表:V计=π/4×DN2×L+V封×2=π/4×2.6²×8.4+2.5131×2=47.10m³实际工作容积V工=V计×f=47.10×0.85=40.03m³1.3 设计压力的确定液氨在40℃的饱和蒸汽压为1.55 MPa,由于按《压力容器安全技术监察规程》规定,盛装液化气体无保冷设施的压力容器,其设计压力应不低于液化气40℃时的饱和蒸汽压力Pv=1.55Mpa,大气压Pa=0.1Mpa. 而最高工作压力指容器顶部在正常工作过程中可能产生的最高表压可取液氨容器的设计压力为最大工作压力的1.1倍。
即P=(1.55-0.1)×1.1=1.6水压试验 Pt=1.25×1.6=2.0Mpa1.4 设计温度的确定设计温度系指容器在正常操作情况下,在相应设计压力下,设定受压元件的金属温度,其值不得低于元件金属可能达到的最高金属温度,对于0℃以下的金属温度,则设计温度不高于元件金属可能达到的最低金属温度,容器的设计温度是指壳体的设计温度,可知器设计温度选取的依据是:其值不得低于最高金属温度或不得高于最低金属温度(0℃以下)。
省市当地最高工作温度为-15℃-35℃,则设计温度取40℃。
1.5 主要元件材料的选择液氨属于液化气体,查阅文献,可知属于第一组介质查第一组介质—压力容器类别划分图,可知50m³液氨储罐属于第II类压力容器。
第二章设备的机械设计2.1 设计条件(见表2-1和表2-2)容备注工作介质液氨工作压力 Mpa 1.54设计压力 Mpa 1.6工作温度℃-15—35设计温度℃40) m350公称容积(Vg)m347.1计算容积(V计工作容积(V)m340.03工装量系数 f 0.85介质密度(ρ)t/m³0.563kg/L材质Q345R保温要求无保温层表2-2管口表接管代号公称尺寸连接尺寸标准连接面形式用途或名称a DN450 HG20592 WN450-2.5MFM FM 人孔b DN15 G1/2 FM 压力表口c DN50 HG20592 WN50-2.5FM FM 气相出口d DN80 HG20592 WN50-2.5FM FM 安全阀排气口2.2 结构设计2.2.1 材料选择根据液氨的物性选择罐体材料,碳钢对液氨有良好的耐蚀性腐蚀率在0.1㎜/年以下,且又属于中压储罐,可以考虑20R和16MnR这两种钢材,综合考虑经济因素,根据GB150-1998表4-1,选用筒体材料为低合金钢(16MnR)Q345(钢材标准为GB6654)[σ]t=163 Mpa。
Q345(16MnR)适用围:用于介质含有少量硫化物,具有一定腐蚀性,壁厚较大(≥8mm)的压力容器。
2.2.2 筒体和封头结构设计由表1-1可知筒体公称直径DN=2600mm ,长度L=8400mm由表1-2可知EHA标准椭圆形封头公称直径DN=2600mm 总深度H=690mm2.2.3 法兰的结构设计法兰有设备法兰和管法兰,设备筒体和封头焊接在一起,所以不需要设备法兰,只有管法兰。
(1)公称压力确定计算压力是指在相应的设计温度下,用以确定组件最危险截面厚度的压力,其中包括液柱静压力。
通常情况下,计算压力等于设计压力与液柱静压力之和,当组件所承受的液柱静压力小于5%设计时,可忽略不计。
经查《压力容器安全技术监察规程》得液氨的设计压力P设=1.1×P工作=1.10×(2.059-0.1)=2.16Mpa液柱静压力ρgh=562.871×9.8×2600=0.0143Mpa,(2)法兰类型、密封面形式选择液氨易挥发,为强渗透性的中度危害介质,查文献可知须采用带颈对焊型管法兰,面封面采用凹凸面密封。
(3)法兰尺寸查阅文献可知各法兰详细尺寸及法兰质量,详细见下图2-2和表2-3图2-2表2-3 PN25带颈对焊钢制法兰单位: mm接管代号公称尺寸DN 钢管外径A1连接尺寸法兰厚度C法兰颈法兰高度H法兰质量M(kg) 法兰外径D螺栓孔中心圆直径K螺栓孔直径L螺栓孔数量n(个)螺栓ThN S≥H1≥RB 80 89 200 160 18 8 M16 24 105 3.2 12 8 58 5.02.2.4 人孔、液位计结构设计(1)人孔设计人孔的作用:为了检查压力容器在使用过程中是否产生裂纹、变形、腐蚀等缺陷以及装拆设备的部零件。
人孔的结构:人孔为组合件,包括承压零件筒节、端盖、法兰、密封垫片、紧固件等受压元件,以及人孔启闭所需要的轴、销、耳、把手等非受压件。
圆形人孔的公称直径规定为400~600mm容器公称直径大于或等于1000mm且筒体与封头为焊接连接时,至少设一个人孔。
卧式容器的筒体长度大于等于6000mm,应考虑设置2个以上人孔。
综合考虑,选择回转该带颈对焊法兰人孔,公称压力PN2.5,公称直径DN450,MFM型密封面,材料选用16MnR标记为:人孔 MFMⅢ s-35CM (NM-XB350) A 450-2.5 HG/T 21518-2005查阅文献,得本次选用回转盖带颈对焊法兰人孔结构尺寸,见下图2-3和表2-4图2-3 回转盖带颈对焊法兰人孔结构图(2)液位计的选择液位计是用以指示容器物料液面的装置,液位计的种类很多,常见的有许多包括玻璃管液面计、玻璃板液面计、浮标液面计、防霜液面计、磁性液位计等其中:玻璃管液面计和玻璃板液面计适用于工作温度在0℃以上;浮标液面计适用于常压设备;防霜液面计适用于液体温度在0℃一下的液体测量;液氨储罐工作温度在-20~50℃,设计压力为1.23MPa,以上三种都不适合。
磁性液位计适用于PN=1.6~16MPa,-40~300℃,液体密度≥0.45g/cm³,适合于液氨储罐根据设计要求选择磁性液位计,标记如下:HG/T 21584-95 UZ2.5M-1400-0.6 BF321C2.2.5 支座结构设计容器支座有鞍式支座、腿式支座、支承式支座、耳式支座和裙式支座。
腿式支座和支承式支座用于低矮立式设备的支承,耳式支座用于中小型立式圆筒形容器的悬挂式支承,裙式支座用于高大型高塔的支承,鞍式支座是卧式容器经常采用的支座形式,本设计也采用鞍式支座。
置于支座上的卧式容器,其情况和梁相似,有材料力学分析可知,梁弯曲产生的应力与支点的数目和位置有关。
当尺寸和载荷一定时多支点在梁产生的应力较小,因此支座数目似乎应该多些好。
对于大型卧式容器而言,一般情况采用双支座。
此外,卧式容器由于温度或载荷变化时都会产生轴向的伸缩,因此容器两端的支座不能都固定在基础上,必须有一端能在基础上滑动,以避免产生过大的附加应力。
通常的做法是将一个支座上的地脚螺栓孔做成长圆形,并且螺母不上紧,使其成为活动支座,而另一支座仍为固定支座。
所以本设计就采用这种双支座结构。
查阅文献,可知一边为F 型,一边为S 型。
鞍座的材料除垫板外都为Q235-B ,加强垫板的材料与设备壳体材料相同为Q345R 。