镗床作业指导书
- 格式:doc
- 大小:20.50 KB
- 文档页数:1
镗床保养作业指导书引言概述:镗床是一种常见的金属加工设备,用于加工各种孔和表面。
为了确保镗床的正常运行和延长设备的使用寿命,定期进行保养是非常重要的。
本文将介绍镗床保养的作业指导书,匡助操作人员正确进行保养工作。
一、清洁保养1.1 清洁镗床表面:使用干净的软布擦拭镗床表面,确保表面干净无尘。
1.2 清洁导轨:定期清洁镗床导轨上的油污和杂质,使用专用的导轨清洁剂进行清洁。
1.3 清洁冷却液系统:定期清洁镗床的冷却液系统,避免冷却液中的杂质阻塞管道。
二、润滑保养2.1 润滑导轨:定期给镗床导轨加注润滑油,确保导轨表面润滑,减少磨损。
2.2 润滑主轴:定期给镗床主轴加注润滑油,确保主轴正常运转,延长主轴使用寿命。
2.3 润滑传动系统:定期检查传动系统的润滑情况,及时添加润滑油,避免传动系统因磨擦而损坏。
三、检查保养3.1 定期检查电气系统:检查镗床的电气系统是否正常,如有异常及时修理或者更换损坏部件。
3.2 定期检查液压系统:检查液压系统的工作情况,确保液压系统正常运行。
3.3 定期检查冷却系统:检查冷却系统的工作状态,确保冷却系统正常运行,避免因过热导致设备损坏。
四、调试保养4.1 定期检查镗床的加工精度:使用测量仪器检测镗床的加工精度,及时调整镗床参数,确保加工精度达标。
4.2 定期检查镗床的运行状态:观察镗床的运行状态,如有异常声音或者震动,及时停机检修,避免设备故障。
4.3 定期检查镗床的安全保护装置:检查镗床的安全保护装置是否完好,确保操作人员的安全。
五、备件更换5.1 定期更换易损件:定期更换镗床易损件,如刀具、导轨滑块等,确保设备正常运转。
5.2 定期更换滤芯:定期更换镗床冷却液系统中的滤芯,避免杂质阻塞管道。
5.3 定期更换润滑油:定期更换镗床润滑油,确保设备的润滑系统正常运行。
结论:镗床保养是保证设备正常运行和延长设备使用寿命的重要工作。
通过定期清洁、润滑、检查、调试和备件更换,可以有效地保养镗床设备,提高生产效率,降低维修成本,延长设备的使用寿命。
镗床保养作业指导书标题:镗床保养作业指导书引言概述:镗床是一种常见的金属加工设备,用于加工各种孔径的工件。
为了保证镗床的正常运行和延长其使用寿命,正确的保养是至关重要的。
本文将详细介绍镗床保养的重要性以及具体的作业指导。
一、保持清洁1.1 定期清理切削液槽:切削液槽是镗床中最容易积累污垢的地方,应定期清理。
首先,关闭镗床电源,并将切削液排空。
然后,使用清洁剂和刷子彻底清洗切削液槽,确保其内部干净无污垢。
最后,重新注入新的切削液。
1.2 清理刀具和夹具:在使用镗床后,应立即清理刀具和夹具。
使用刷子和清洁剂将刀具表面和夹具上的切屑和污垢清除干净。
同时,检查刀具和夹具是否有磨损或损坏,并及时更换。
1.3 清洁导轨和滑动表面:导轨和滑动表面是镗床运行时的重要部分,应保持干净和润滑。
使用清洁剂和软布擦拭导轨和滑动表面,确保其光滑无尘。
然后,在导轨和滑动表面上涂抹适量的润滑油,以减少摩擦和磨损。
二、润滑保养2.1 润滑油更换:定期更换镗床内部的润滑油是保持其正常运行的关键。
根据镗床的使用频率和工作环境,制定合理的润滑油更换周期。
在更换润滑油时,首先关闭镗床电源,并将旧油排空。
然后,使用专用的润滑油加注器将新润滑油注入润滑油箱中,确保润滑系统正常运行。
2.2 润滑点润滑:除了更换润滑油,还需要定期对镗床的润滑点进行润滑。
润滑点通常包括导轨、滑动表面、主轴、齿轮等部位。
使用专用的润滑脂或润滑油,按照镗床制造商的建议,在润滑点上滴注适量的润滑剂,以确保各个部位的润滑效果。
2.3 润滑系统检查:定期检查镗床的润滑系统是否正常工作,包括润滑油泵、油管、油嘴等部件。
确保润滑系统无堵塞、漏油等问题,并及时修理或更换损坏的部件。
三、定期检查3.1 检查电气系统:定期检查镗床的电气系统是否正常工作,包括电源线、开关、保险丝等。
确保电气系统无短路、断路等问题,并及时修理或更换损坏的部件。
3.2 检查传动系统:定期检查镗床的传动系统是否正常工作,包括主轴、齿轮、皮带等。
镗工安全工作业指导书1 范围本标准规定了机械设备活动操作程序要求。
本标准适用于公司各单位。
2 规范性引用文件下列文件对于本文件的应用是必不可少的。
凡是注日期的引用文件,仅所注日期的版本适用于本文件。
凡是不注日期的引用文件,其最新版本(包括所有的修改单)适用于本文件。
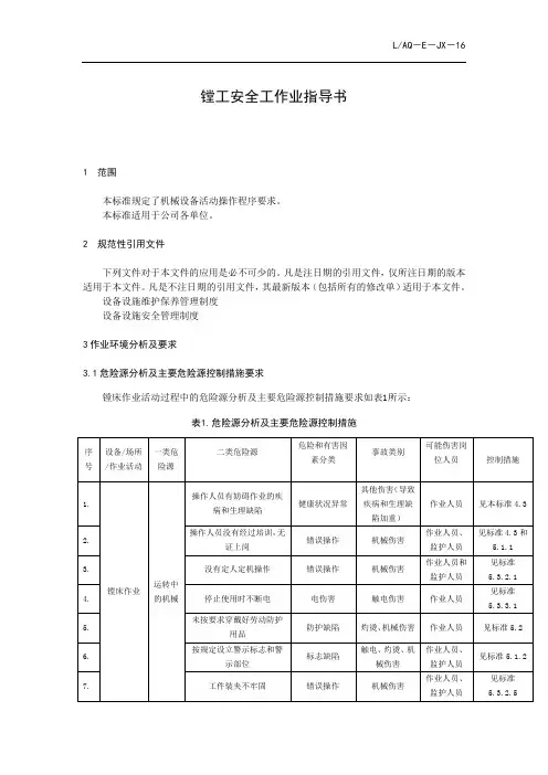
设备设施维护保养管理制度设备设施安全管理制度3作业环境分析及要求3.1危险源分析及主要危险源控制措施要求镗床作业活动过程中的危险源分析及主要危险源控制措施要求如表1所示:表1.危险源分析及主要危险源控制措施3.2职业危害分析及控制措施要求职业危害分析及控制措施要求如表2所示:表2.职业危害分析及控制措施要求4工作程序4.1工作前4.1.1正确穿戴工作服,即应做到“三紧”,领口紧、袖口紧、下摆紧。
4.1.2.正确穿戴劳保鞋。
4.1.3.开机后,应让机床空载运行2-3分钟,观察机床有无异常,检查安全防护装置是否灵敏可靠,均正常可靠,方可进行工作。
4.2 工作中4.2.1工作过程中,应集中注意力。
4.2.2.严禁酒后作业。
4.2.3.严禁戴手套操作机床。
4.2.4工作前、中、后,必须保持机床周围环境的洁净。
4.2.5.工件、夹具、刀具必须装卡牢固。
4.2.6.吊运工件时,应与天车工密切配合,严禁戴手套指挥天车。
4.2.7天车吊物经过身边时,应主动避让。
4.2.8.机床在工作状态下,严禁变速。
4.2.9.不准使用未经处理的饮料瓶。
4.2.10严禁无证进行操作天车、叉车、接拆电线、电气焊的特种作业。
4.2.11.使用手持砂轮机、风管时,必须正确佩戴防护眼镜。
4.2.12.在机床上进行上下工件、换置刀具、紧固调整工件、测量工件等工作时必须停机。
4.2.13.严禁在机床开动时,擦拭、保养机床。
4.2.14加工时,必须根据材料的硬度,选择合适的吃刀量和进给速度。
4.2.15.拽拉铁屑时必须用专用工具,严禁用手拽拉。
4.2.16.设备发生异常时,应立即停车检查,故障排除后方可继续工作。
关键工序作业指导书(镗床)设计审核会签批准年月关键工序作业指导书(镗床)1准备工作1.1准备图纸、作业指导书,掌握需要加工的尺寸和技术要求;1.2准备量具、刀具和夹具;1.3准备必要的记录表格,如数据表等;1.4对机床各润滑点加油,保持机床处于良好的润滑状态。
2机床空运转和工装安装2.1启动机床按钮,让机床主运动进行空运转不少于5分钟,主轴在低速档工作;2.2进行工作台的纵向自动进给运动,行程不少于工作台纵向行程的三分之二。
2.3对机床进行日点检,点检内容包括机床主运动系统、电气系统、润滑系统、进给运动系统,检查主轴垂向行程不得有爬行的现象,检查数字显示系统,工作应正常、正确;并将检查情况记录在设备日常检查表上,如果检查发现问题及时汇报,问题解决后方可进行加工。
2.4将专用工装(靠山)固定在镗床的工作台面上,将百分表固定在镗床的床身上,将百分表的表头触及靠山基准面中间位置的平面上,前后移动工作台,调节靠山,使百分表两端基本相等,误差可控制在0.20mm以内。
2.5将百分表固定在镗床的主轴箱上,将百分表的表头触及靠山基准面中间位置的平面上,上下移动主轴箱,调整靠山,使百分表两端基本相等,误差可控制在0.20mm以内。
2.6将靠山坚固在工作台上,紧固后需要进行2.4,2.5的复测。
3装夹工件3.1将镗床工作台面及靠山基准面清理干净,将辅助角架夹具固定在镗床工作台面上,使辅助角架夹具上的夹紧螺丝与靠山基准面留有大于工件厚度的空;3.2将靠山基准面清理干净,安装工件,使工件基准面紧靠靠山面,旋紧辅助角架夹具上的螺丝,将工件可靠紧固在工装和工作台上;3.3必要时,按2.4,2.5的方法复检工件平面与镗床横向及垂直移动的平行度,应不大于0.20mm。
4.加工4.1以工件的基本面加工面为基准,确定两孔的位置,由镗床数字显示器确定。
4.2粗镗时选用粗镗刀,刀杆的长度必须大于滑块的厚度,刀杆的直径要比毛坯工件孔的直径小;4.3粗镗刀的刀头选用白钢刀,第一吃刀量为10-12mm,镗床的走刀量选择每转0.26mm,主轴的转速选用每分钟63转。
镗工安全作业指导书一、镗工的定义镗工是一种机械加工工艺,通过在物体上使用特殊的刀具,使得物体表面变成平整的或规定的形状。
它是一种精密加工工艺,广泛应用于制造业中。
二、镗工作业的安全注意事项1. 工作前的准备(1) 熟悉工作内容,了解工作步骤和所用工具。
(2) 穿戴统一的工作服和劳保用品,如头盔、手套、护目镜等。
(3) 仔细检查工作台和设备是否正常运行,如有异常应及时报修。
(4) 掌握紧急停机装置的位置和使用方法。
2. 机械设备的安全操作(1) 使用镗床前,应确保床身牢固,刀具夹紧设备正常。
(2) 镗刀刀杆要插入主轴够深,只能露出最小工作长度。
(3) 在镗床加工时,切削液要适量,不可溅到电路和电源上。
(4) 加工过程中,不能翻修和涂油镗刀、清扫切屑机床。
(5) 加工中须将电路电源和气源的主开关关断。
3. 作业操作的安全注意事项(1) 严禁戴手套和长袖衣服进行镗工作业,以免被卷入刀具。
(2) 进行维修和刀具更换时,必须停止机器运行,确保安全。
(3) 镗刀杆不能过长,以免不稳定或碰撞到其他装置。
(4) 镗床作业时,应确保工件夹持牢固,避免工件脱落撞到人。
4. 防护设施和防护用品的使用(1) 加工过程中,必须佩戴护目镜、防尘面罩和耳塞。
(2) 机床边缘应设立明显的警示标志,并保持清晰可见。
(3) 对重要部位进行防护,如工作台封闭、切尘系统等。
(4) 定期检查和维护防护设施,确保其正常使用。
5. 废料处理(1) 镗床加工后的废料应及时处理,不得随意丢弃。
(2) 废料应收集到指定的容器中,以免对工作环境造成污染。
三、紧急情况的处理1. 发生事故时,应立即按下紧急停机装置,切断电源。
2. 遇到紧急情况,应立即停止工作,大声呼救,并寻找专业人员处理事故。
3. 在紧急情况下,切勿慌乱行动,应根据实际情况进行安全疏散,并遵守指导人员的指挥。
四、镗工作业的安全培训1. 进行入岗前安全培训,包括工作流程、安全操作规范等内容。
镗床保养作业指导书引言概述:镗床是一种常见的机床,用于加工内孔。
为了保证镗床的正常运行和延长其使用寿命,定期进行保养是非常重要的。
本文将详细介绍镗床保养的作业指导书,包括四个部分:润滑保养、清洁保养、紧固保养和定期检查。
一、润滑保养1.1 定期检查润滑系统:确保润滑系统正常运行,润滑油是否充足,油品是否符合要求。
1.2 清洁润滑部件:使用干净的布或刷子清洁润滑部件,确保无杂质和污垢。
1.3 更换润滑油:按照规定的时间间隔更换润滑油,确保润滑油的质量和性能。
二、清洁保养2.1 清洁工作台面:定期清洁工作台面,保持干净整洁,防止碎屑和杂物对镗床的影响。
2.2 清洁导轨和丝杠:使用专用清洁剂清洁导轨和丝杠,确保其表面光滑无污染。
2.3 清洁冷却系统:定期清洗冷却系统,防止冷却液中的杂质堵塞管道,影响冷却效果。
三、紧固保养3.1 检查紧固件:定期检查各个紧固件的紧固情况,确保无松动和脱落。
3.2 调整紧固件:如发现有松动的紧固件,及时进行调整,确保各部件的连接紧密可靠。
3.3 使用锁紧剂:对于易松动的紧固件,可以使用锁紧剂进行固定,增强紧固效果。
四、定期检查4.1 检查电气系统:定期检查电气系统的接线是否正常,开关按钮是否灵敏,电缆是否磨损。
4.2 检查液压系统:检查液压系统的油路是否畅通,阀门是否正常,油管是否有泄漏。
4.3 检查主轴和刀具:定期检查主轴和刀具的磨损情况,如有需要及时更换或修复。
结论:通过定期进行润滑保养、清洁保养、紧固保养和定期检查,可以保证镗床的正常运行和延长其使用寿命。
在进行保养作业时,务必遵循操作规程,注意安全,确保操作正确。
只有做好保养工作,才能保证镗床的性能稳定和加工质量。
镗床保养作业指导书引言概述:镗床是一种常见的机械设备,用于加工大型工件的内孔。
为了保证镗床的正常运行和延长其使用寿命,进行定期的保养是非常重要的。
本文将详细介绍镗床保养的作业指导书,包括五个大点的内容:润滑保养、清洁保养、紧固保养、电气保养和安全保养。
正文内容:一、润滑保养1.1 选择合适的润滑油:根据镗床的不同部位和工作环境,选择适合的润滑油,如机油、润滑脂等。
1.2 润滑油的添加:根据使用手册的要求,定期检查润滑油的油位,并进行添加或者更换。
注意避免过量或者不足的添加。
二、清洁保养2.1 定期清洁:使用干净的布或者刷子清洁镗床的各个部位,特殊是切削区域和润滑系统。
2.2 清除切屑:在加工过程中,切屑会积聚在镗床内部,定期清除切屑,避免对机床产生不良影响。
2.3 保持清洁环境:保持镗床周围的工作环境清洁整洁,避免灰尘和杂物进入镗床内部。
三、紧固保养3.1 检查紧固件:定期检查镗床的紧固件,如螺栓、螺母等,确保其紧固可靠,防止松动。
3.2 罗纹处理:对于容易松动的罗纹部位,可以使用罗纹锁固剂进行处理,增加紧固件的抗松动能力。
四、电气保养4.1 定期检查电气系统:检查镗床的电气系统,包括电缆、接线端子等,确保其正常工作。
4.2 清洁电气元件:定期清洁镗床的电气元件,如开关、继电器等,避免灰尘和污垢影响其正常运行。
五、安全保养5.1 定期检查安全装置:检查镗床的各种安全装置,如防护罩、急停按钮等,确保其完好有效。
5.2 培训操作人员:定期对操作人员进行安全操作培训,提高其安全意识和操作技能。
5.3 定期检查消防设备:检查镗床周围的消防设备,确保其正常运行,防止火灾事故的发生。
总结:镗床保养是保证设备正常运行和延长寿命的关键。
通过定期的润滑保养、清洁保养、紧固保养、电气保养和安全保养,可以有效地保护镗床,提高其工作效率和可靠性。
在保养过程中,要注意选择合适的润滑油、定期清洁各个部位、检查紧固件、维护电气系统和确保安全装置的正常运行。
1.目的:明确工作职责,确保加工的合理性、正确性及可操作性。
规范安全操作,防患于未然,杜绝安全隐患以达到安全生产并保证加工质量。
2.范围:适用于所有镗床加工作业3.职责:指导镗床操作者加工及设备维护、保养等工作。
4. 工作流程4.2.基本作业:4.2.1.开机前对机床进行检查:开机前检查机床各手柄位置及传动部位是否合理,并擦拭各滑动导轨,加施润滑油,各油池、油盒、弹子油盅等按规定进行加油。
4.2.2.遛车,检查主轴箱油泵及油位:主轴箱手柄挂到最低档,开机运行3分钟。
并查看油窗油位是否达到了1/3油窗位置,否则通知有关人员按规定加油。
4.2.3.查看当班作业计划:按作业计划顺序及进度要求进行作业,以满足生产进度的需要。
4.2.4.阅读图纸及工艺:熟读图纸及加工工艺,确定加工基准和加工步骤;计算、核对加工中所需相关坐标尺寸,加工所需工、量具等。
4.2.5.自检待加工件;校对工、量具:按图纸及工艺领取待加工件,是否符合要求;领取加工所需工、量具并进行校对。
本序加工前有划线序的,加工前应检查所划线是否符合加工要求。
4.2.6.自检:所有工件加工完了以后都要进行自检,发现问题须马上解决。
4.2.7.首件检验:在批量生产中,必须进行首件检查,合格后方能继续加工。
4.2.8.送检:工件加工完以后及时送检,不得锈蚀,送检过程中避免磕碰,并在图纸上加工工艺栏及轮班作业计划签字(外加工件附送货单及自检报告)送检。
4.2.9.当班下班前,需将工、量具擦拭干净,送还工具室;擦拭机床清扫机床周围所负责区域,工作台台面涂上一层防锈油,且关闭机床电源。
5.工艺守则5.1.工件的装夹与定位5.1.1.在卧式镗床工作台上装夹工件时,工件应尽量靠近主轴箱安装。
5.1.2.装夹刚性差的工件时,应加辅助支撑,并且夹紧力要适当,以防工件装夹变形。
5.1.3.在落地镗床上加工大型工件时,要考虑工件装夹位置,以保证各加工面都能加工到,并使主轴尽量少伸出。
镗床保养作业指导书一、引言镗床是一种用来加工圆孔的机床,时常用于创造汽车发动机缸体、气缸套等零部件。
为了确保镗床的正常运行和延长其使用寿命,必须进行定期的保养和维护。
本文将详细介绍镗床的保养作业指导,以确保镗床的正常运行和保持其良好的工作状态。
二、保养作业指导1. 清洁工作1.1 每天工作结束后,应使用刷子温和枪清洁镗床的外表面,包括床身、导轨、工作台等部位,确保无灰尘和杂物。
1.2 定期清洁镗床内部的冷却液槽和油槽,清除其中的废渣和杂质,避免对镗床内部零部件的损坏。
1.3 清洁镗床的冷却系统,确保冷却液的流通畅通,避免因冷却不良导致的工件加工质量下降。
2. 润滑工作2.1 定期检查润滑系统的油位,确保油液充足,如果油位不足应及时添加。
2.2 定期更换润滑系统中的润滑油,根据使用情况和厂家要求,选择合适的润滑油进行更换。
2.3 润滑系统的滑动部件,如滑块、导轨等,应定期涂抹润滑油,确保其运行顺畅。
3. 检查工作3.1 定期检查镗床的各个部位是否松动,如螺丝、螺母等,如有松动应及时紧固。
3.2 定期检查镗床的传动系统,如皮带、齿轮等,确保其正常运转,如有异常应及时修理或者更换。
3.3 定期检查镗床的电气系统,如机电、开关等,确保其正常工作,如有故障应及时修理或者更换。
4. 维护工作4.1 定期对镗床进行润滑维护,包括清洁润滑系统、更换润滑油、涂抹润滑油等。
4.2 定期对镗床进行紧固维护,包括检查各个部位的紧固件、传动系统等,确保其稳定性和可靠性。
4.3 定期对镗床进行电气维护,包括检查电气系统的工作状态、更换损坏的零部件等。
5. 安全工作5.1 操作镗床时,必须戴好防护眼镜和工作手套,避免因操作不当导致的伤害。
5.2 镗床的维护和保养工作必须由专业人员进行,不得擅自操作,以免发生意外事故。
5.3 镗床的工作环境必须保持干燥和通风良好,避免因潮湿和缺氧导致的设备故障和人身伤害。
三、总结本文详细介绍了镗床的保养作业指导,包括清洁工作、润滑工作、检查工作、维护工作和安全工作。
镗床保养作业指导书一、引言镗床是一种用来加工内孔的机床,广泛应用于制造业中。
为了确保镗床的正常运行和延长其使用寿命,进行定期的保养和维护工作是非常重要的。
本文将详细介绍镗床保养的步骤和注意事项,以帮助操作人员正确进行保养作业。
二、保养步骤1. 清洁工作(1) 使用清洁布或刷子清除镗床表面的灰尘和污垢。
(2) 使用专用清洁剂清洗镗床导轨和滑块,确保其表面干净。
(3) 检查镗床的电源线和插头是否有损坏,如有损坏应及时更换。
2. 润滑工作(1) 根据镗床的使用手册,选择适当的润滑油或润滑脂。
(2) 在镗床导轨和滑块上涂抹润滑剂,确保润滑油或润滑脂均匀分布。
(3) 检查润滑系统的油位,如发现不足应及时添加。
3. 检查工作(1) 检查镗床的各个部件是否有松动或损坏,如有应及时紧固或更换。
(2) 检查镗床的刀具和夹具是否磨损,如有磨损应及时更换。
(3) 检查镗床的电气系统是否正常,如有异常应及时修复。
4. 调整工作(1) 根据镗床的使用要求,调整镗床的工作台高度和角度。
(2) 根据加工要求,调整镗床的进给速度和切削深度。
5. 防锈工作(1) 在不使用镗床的情况下,使用防锈剂对镗床的表面进行喷涂,以防止生锈。
(2) 定期检查防锈剂的涂覆情况,如有需要应及时重新喷涂。
三、保养注意事项1. 在进行保养作业前,务必切断镗床的电源,以确保操作人员的安全。
2. 在进行润滑工作时,应注意使用适量的润滑剂,避免过多或过少。
3. 在进行检查工作时,应仔细观察镗床的各个部件,如发现异常应及时处理。
4. 在进行调整工作时,应根据加工要求和使用手册的要求进行操作,避免误调导致问题。
5. 在进行防锈工作时,应注意选择适合的防锈剂,并按照说明进行使用。
四、保养记录为了方便追踪镗床的保养情况,建议每次进行保养作业时记录以下信息:1. 保养日期2. 保养人员3. 保养内容4. 发现的问题和处理方法5. 润滑剂和防锈剂的使用情况五、结论通过定期的保养和维护工作,可以确保镗床的正常运行和延长其使用寿命。
镗床保养作业指导书一、引言镗床是一种常用的金属加工设备,用于加工各种孔的内表面。
为了确保镗床的正常运行和延长其使用寿命,进行定期的保养是非常重要的。
本文将提供一份详细的镗床保养作业指导书,以帮助操作人员正确进行保养作业。
二、保养前准备1. 确保镗床处于停机状态,并断开电源。
2. 检查镗床的工作环境是否整洁,清除废料和杂物。
3. 准备所需的保养工具和材料,如润滑油、清洁剂、擦布等。
三、保养步骤1. 清洁外表面使用清洁剂和擦布清洁镗床的外表面,包括机身、导轨、工作台等。
确保清洁彻底,以防止灰尘和污垢对设备的正常运行产生影响。
2. 润滑系统保养2.1 检查润滑系统的油位,确保油位在正常范围内。
如需要添加润滑油,应使用规定的型号和规格。
2.2 清洁润滑系统的滤芯,并更换新的滤芯。
滤芯应定期更换,以保证润滑系统的正常运行。
2.3 检查润滑系统的管道是否有漏油现象,如有漏油应及时修复。
2.4 润滑系统的泵应定期检查和维护,确保其正常工作。
3. 电气系统保养3.1 检查电气系统的接线是否牢固,如有松动应及时拧紧。
3.2 检查电气元件的工作状态,如发现异常应及时更换或修复。
3.3 清洁电气系统的接触器和继电器,确保其正常工作。
4. 传动系统保养4.1 检查传动系统的皮带是否松弛或磨损,如有问题应及时调整或更换。
4.2 检查传动系统的齿轮和链条是否润滑,如需要润滑应添加适量的润滑油。
5. 冷却系统保养5.1 检查冷却系统的水泵是否正常工作,如有异常应及时修复或更换。
5.2 清洁冷却系统的水管和散热器,确保其通畅无阻。
6. 定期检查6.1 每周进行一次全面的检查,包括各个系统的工作状态、紧固件的松动情况等。
6.2 每月进行一次维护保养,包括清洁、润滑、更换滤芯等。
6.3 每年进行一次大修,对镗床进行全面的检修和维护,确保其性能和精度。
四、保养记录每次进行保养时,应记录下保养的日期、保养内容和保养人员的签名。
这些记录可以帮助跟踪镗床的保养情况,及时发现问题并采取措施解决。
镗床保养作业指导书一、引言镗床是一种用于加工中空或盲孔的金属切削机床。
为了确保镗床的正常运行和延长其使用寿命,进行定期的保养和维护是非常重要的。
本文将详细介绍镗床的保养作业指导,包括保养前的准备工作、保养过程中的注意事项以及保养后的处理措施。
二、保养前的准备工作1. 确认镗床的型号和规格,了解其工作原理和结构特点。
2. 检查保养所需的工具和设备是否齐全,并确保其正常运行。
3. 关闭镗床的电源,并确保其处于停止状态。
4. 清理镗床的工作区域,确保没有杂物和障碍物。
三、保养过程中的注意事项1. 清洁:使用软布或刷子清洁镗床的外表面和内部部件,特别是切削刃和导轨等易受污染的部位。
注意不要使用含有腐蚀性物质的清洁剂。
2. 润滑:根据镗床的要求,对润滑部位进行润滑。
使用适当的润滑剂,并确保润滑剂的质量和数量符合要求。
注意清洁润滑部位,去除旧润滑剂和杂质。
3. 检查:检查镗床的各个部件是否正常运行,特别是传动装置、电气系统和液压系统等。
如发现异常情况,及时采取措施进行修复或更换。
4. 调整:根据需要,对镗床的各项参数进行调整,确保其工作精度和稳定性。
注意使用合适的工具和仪器,并按照相关操作规程进行调整。
5. 测试:在保养完成后,进行功能测试和质量检查,确保镗床的性能和工作效果符合要求。
四、保养后的处理措施1. 清理:清理保养过程中产生的杂物和废料,注意分类处理,确保环境整洁。
2. 记录:对保养过程进行详细记录,包括保养日期、保养内容、使用的工具和润滑剂等。
并将记录存档,以备日后参考。
3. 故障排除:如在保养过程中发现故障或问题,应及时进行排查和处理。
如无法解决,应及时向专业维修人员寻求帮助。
4. 周期性保养:根据镗床的使用情况和要求,制定合理的周期性保养计划,并按计划进行保养工作,以确保镗床的长期稳定运行。
五、总结镗床的保养作业是确保其正常运行和延长使用寿命的重要工作。
通过本文的指导,我们了解了保养前的准备工作、保养过程中的注意事项以及保养后的处理措施。
镗床作业指导书1 目的以职业健康安全管理体系和环境管理体系为依据,对实际存在的和潜在的不符合采取纠正和预防措施,以减少和预防事故的发生,特制定本作业指导书。
2 适用范围本作业指导书只适用于镗床操作者在工作中必须遵循的作业指导文件。
3 总则3.1 本规程适用于金属切削机床进行加工作业的所有作业人员。
3.2 使用金属切削机床作业人员除遵守本作业指导书外,还须遵守《生产设备作业安全总则》有关规定。
4 操作规程4.1 装卡畸形工件时,要用天车吊住,待卡安好后可放下,在卸活时先用天车吊住,方可松开压板螺丝。
4.2 镗孔时镗杆销子要和镗杆一样平,刀杆顶丝销子要经常检查,以防止松动。
4.3 镗杆旋转中严禁将头伸到镗孔内看加工情况或用手摸,更不准隔着镗杆取东西,防止绞住衣袖造成事故。
4.4 使用偏心盘镗活时,要经常检查,防止甩出伤人。
4.5 加工较高的工件应搭设安全架,并要保持稳固。
4.6 用回转台转动工件时,必须将工作台开到床中心位置进行,防止转动中挤伤人或损坏设备。
4.7 加工中查看中心孔歪正,要停车。
刀具钻头上铰着大量铁屑时一定要停车处理。
4.8 压力容器应注意下列事项:4.8.1 了解容器在运行中的最高容许压力和最高容许温度。
4.8.2 掌握容器的正常操作方法,熟悉容器的操作程序和安全注意事项。
4.8.3 能检查判断容器所安装的安全装置是否正常好用。
4.8.4 在出现故障时,能及时正确地采取紧急措施。
4.8.5 会作好容器的维护保养工作。
4.9 对机床加工后产生的铁屑及时回收,保持生产作业环境整洁,减少污染。
4.10 机床使用的冷却液做到循环使用,产生的废机油进行回收,经过滤重新使用,降低消耗、节约能源、减少污染。
4.11 对擦洗机床用的棉纱,定量发放,减少人为的浪费。
对使用后棉纱进行回收,降低污染。
镗床保养作业指导书一、引言镗床是一种常用的机械加工设备,用于加工内孔和外圆。
为了确保镗床的正常运行和延长其使用寿命,定期进行保养是非常重要的。
本作业指导书旨在提供详细的镗床保养方法和步骤,以确保设备的高效运行和安全性。
二、保养前准备1. 确保镗床处于停机状态,并断开电源。
2. 准备所需的工具和材料,包括清洁布、润滑油、刷子等。
三、镗床保养步骤1. 清洁工作a. 使用清洁布或刷子清除镗床表面的灰尘和污垢。
b. 清洁镗床导轨和滑块,确保其表面干净。
c. 检查镗床的电线和电源插头是否有损坏,如有损坏应及时更换。
2. 润滑工作a. 检查润滑油的油位,确保足够的润滑油供应。
b. 使用润滑油刷或喷雾器将润滑油均匀地涂抹在镗床导轨和滑块上。
c. 检查润滑系统的工作状态,确保润滑油能够顺畅地流动。
3. 部件检查a. 检查镗床刀具和夹具的磨损程度,如有需要,及时更换。
b. 检查镗床主轴和传动系统的紧固情况,确保其稳定性。
c. 检查镗床的切削液供应系统,确保其正常工作。
4. 定期维护a. 按照镗床制造商提供的维护手册,定期进行维护工作,如更换滤清器、清洗冷却系统等。
b. 检查镗床的电气系统,确保电路连接良好,没有松动或腐蚀现象。
c. 定期检查镗床的精度和性能,如有异常情况,及时调整或修复。
四、安全注意事项1. 在进行保养工作时,务必确保镗床处于停机状态,并断开电源,以避免发生意外伤害。
2. 使用润滑油时,注意防止油液溅到皮肤或眼睛,如有不慎接触,应立即用清水冲洗。
3. 在清洁镗床表面时,避免使用尖锐物品,以免划伤设备外壳。
4. 在检查和更换刀具、夹具等部件时,使用工具时要小心谨慎,避免造成伤害。
五、总结镗床保养是确保设备正常运行和延长使用寿命的重要工作。
本作业指导书提供了详细的保养步骤和安全注意事项,希望能够帮助操作人员正确进行镗床保养工作。
定期保养镗床,不仅可以提高生产效率,还能减少故障发生的可能性,确保设备的安全和稳定运行。
文件编号﹕
版本﹕A 第 1 页,共1页
镗床作业指导书制订日期﹕
1.目的:
明确工作职责,确保加工的合理性、正确性及可操作性。
规范安全操作,防患于未然,杜绝安全隐患以达到安全生产并保证加工质量。
2. 范围:
1.本守则适用于镗床加工工艺操作。
2.镗床操作人员应进行《安全技术操作规程》、图样、技术要求、操作技巧和相关质量体系文件的培训,镗床工应持岗操作合格证上岗。
3. 材料:
3.1【镗床保养记录】 (KJ-19-01)
3.2【镗床保养卡】 (KJ-19-02)
4.工作流程:
4.1镗床操作人员应了解和熟悉镗床的结构、性能。
4.2准备工作:
4.2.1熟悉图样和工艺要求。
4.2.2选择磨制好合适的工具。
4.3工艺要求及工艺过程。
4.3.1工作的装夹:
4.3.1.1在卧式镗床工作台上装夹工件时,工件应尽量靠边近主轴箱安装。
4.3.1.2装夹刚性差的工件时,应加辅助支承,并且夹紧力要适当,以防工件装夹变形。
4.3.1.3在落地镗床上加工大型工件时,要考虑工件装夹位置,以保证各加工面都能加工,并使机床主轴尽量少伸出。
4.4刀具的装夹
在装夹镗刀杆及刀盘时,需擦净锥柄及机床主轴孔。
装镗刀杆时拉紧螺钉应拧紧,装刀盘时必须事先用对刀装置调整好。
5.镗削加工:
5.1镗孔前,应将回转台及床头箱位置锁紧。
5.2在镗(扩)铸、锻件毛坯孔前,应在精镗孔前镗槽。
5.3当孔内需镗环形槽(退刀槽除外)时,应在精镗孔前镗槽。
5.4镗削有位置公差要求的孔或孔组时,应先镗基准孔,再以其为基准依次加工其余各孔。
5.5用悬伸镗刀杆镗削深孔或镗削距离较大的同轴孔时,镗刀杆的悬伸长度不宜过长,否则应在适当位置增加辅助支承或用后立式支承。
5.6在镗床工作台上需将工件调头镗削时,在调头前应在工作台或工件上做出辅助定位面,以便调头后找正。
5.7在镗床上用铰刀精铰孔时,应先镗后铰。
5.8精铰孔时应先试镗,测量合格后才能继续加工。
5.9使用带导柱铰刀时,必须注意导柱部分的清洁和润滑,防止卡死;使用浮动铰刀时,必须注意刀体与刀杆方孔浮动要灵活,镗刀杆和镗套之间润滑要充足。
5.10镗盲孔或台阶孔时,走刀终了应稍稍停片刻再退刀。