3503-J603仪表管道压力试验记录
- 格式:doc
- 大小:52.00 KB
- 文档页数:1
管道系统水压试验记录GD-C4-646管道系统压力试验记录74-2014时分至年 月 日号/制造厂商/其他要素:系统材质(min)120120120120120120120查,应不渗不漏;同时检查各连接处不得渗漏。
员管道系统压力试验记录年 月日建设单位:中国石油内蒙古阿拉善销售分公司施工单位:新疆中油建筑安装工程有限责任公司使用介质:空气试验部位油气回收管道管道名称规格单位数量试验过程油气回收管道DN50米 连接好试压泵,将另板封堵。
先启动试压泵使0.2MPa进行预试验,观察象,然后逐步缓慢增加压至0.45MPa时,进行检查未漏现象,继续以0.1MPa逐稳压3min,直至升压至10min,再将压力降至0.6 M 检查各焊口及法兰连接处无泄漏、压降现象。
系统。
油气回收管道DN80米油气回收管道DN100米集液罐DN325个质量标准依据:《工业金属管道工程施工质量验收规范》(GB50235—2002)系统整体压力试验记录2024年 7月 18日建设单位:内蒙古高速石油销售规范有限责任公司施工单位:内蒙古建设股份有限公司使用介质:空气试验部位汽油罐及油气回收管道整体系统管道名称规格单位数量试验过程及检查油气回收整体系统 连接好试压泵,将加用丝堵封堵。
关闭所有球压泵使试验压力升至0.0验,观察未发现异常现象慢增加压力,当压力升至行检查未发现异状及泄漏级升压至0.1MPa时,。
用法兰连接处,稳压,观察现象。
系统气压试验合格。
质量标准依据:《工业金属管道工程施工质量验收规范》(GB50235—2002)工程名称:第八加油站油气回收改造工作压力0.6MPa分部分项工程名称:油气回收管道试验压力0.8MPa管道试验时间2024年月日— 2024年月日试验过程施工单位复查意见建设单位验收意见连接好试压泵,将另一端临时用盲板封堵。
先启动试压泵使试验压力升至0.2MPa进行预试验,观察未发现异常现象,然后逐步缓慢增加压力,当压力升至0.45MPa时,进行检查未发现异状及泄漏现象,继续以0.1MPa逐级升压,每级稳压3min,直至升压至0.8MPa,稳压10min,再将压力降至0.6 MPa。
管道系统压力试验记录一、基本要求1 压力试验应编制试验方案,并应报有关单位审批。
试验前应进行技术、安全交底。
2 压力试验前应划定试验区、设置安全标志,应有专人值守。
站内、检查室和沟槽中应有可靠的排水系统。
试验现场应进行清理,具备检查的条件。
3 安全阀爆破片与仪表组件等应拆除或已加盲板隔离。
加盲板处应有明显标记,并应做记录。
安全阀应处于全开,填料应密实。
焊接质量外观和无损检验应合格。
4 按照设计参数要求,压力试验应按强度试验、严密性试验的顺序进行,试验介质宜采用清洁水。
5 当设计无要求时,强度试验压力应为1.5倍设计压力,且不得小于0.6MPa。
严密性试验压力应为1.25倍设计压力,且不得小于0.6Mpa。
当设备有特殊要求时,试验压力应按产品说明书或根据设备性质确定。
二、强度试验准备1 强度试验应在试验段内的管道接口防腐、保温及设备安装前进行。
2 管道自由端临时加固装置应安装完成,并经设计核算与检查确认安全可靠。
试验管道与其他管线应隔开。
3 压力表应经校验,精度不小于1.0级,量程应为试验压力的1.5~2 倍,数量不少于2 块,并应分别安装在试验泵出口和试验系统末端。
压力表三、严密性试验准备1 严密性试验应在试验范围内的管道工程全部安装完成后进行。
2 横向型、铰接型补偿器在严密性试验前不宜进行预变位。
3 管道支架已安装调整完毕,固定支架的混凝土已达到设计强度,回填土及填充物已满足设计要求。
管道自由端临时加固装置已安装完成,并经设计核算与检查确认安全可靠。
试验管道与无关系统应隔开。
4 试验用的压力表应经校验,其精度不得小于1.5级,量程应为试验压力的1.5~2 倍,数量不得少于2 块,并应分别安装在试验泵出口和试验系统末端。
四、压力试验要点1 试验温度不宜低于5 ℃。
温度较低时应有防冻措施。
2 当管道充水时应将管道及设备中的空气排尽。
3 当运行管道与试验管道的温度差大于100℃时,应采取安全的措施。
附录 E(规性附录)交工技术文件电气安装工程用表MMM附录F(规性附录)交工技术文件仪表安装工程用表附录G(规性附录)交工技术文件压力容器现场组焊安装工程用表900/ 18090/ 270SH/T 3503—J703球形储罐预制件检查记录赤道带/温带板工程名称:单位工程名称:设备名称设备位号产品编号公称容积 m3直径mm 厚度mm 执行标准检查数量检查比例% 项目单位允许偏差值设计值球壳板编号及实侧值球壳板与样板间隙E mm ≤3坡口钝边A mm ±1.5坡口深度 t mm ±1.5坡口角度α(°)±2.5长度方向弦长L1 mm ±2.5L2 mm ±2.5宽度方向弦长B3 mm ±2B2 mm ±2对角线弦长C1 mm ±3C2mm ±3两条对角线间距h mm 5带支柱赤道板支柱直线度mm支柱轴线位移mm支柱断口周长mm检测部位示意图外观检查:结论:建设/监理单位总承包单位施工单位专业工程师:日期:年月日专业工程师:日期:年月日施工班组长:质量检查员:专业工程师:日期:年月日SH/T 3503—J704球形储罐预制件检查记录极板/极中板工程名称:单位工程名称:设备名称设备位号产品编号公称容积 m3直径 mm 厚度mm 执行标准检查数量检查比例% 项目单位允许偏差值设计值球壳板编号及实侧值球壳板与样板间隙E mm ≤3开孔处球壳曲率mm ≤3坡口钝边A mm ±1.5坡口深度 t mm ±1.5坡口角度α(°)±2.5直径D mm ±2检测部位示意图管口编号管口位置偏差mm管口高度偏差Lmm法兰水平度mm/m允许值实测值允许值实测值允许值实测值径向周向径向周向外观检查:结论:建设/监理单位总承包单位施工单位专业工程师:日期:年月日专业工程师:日期:年月日施工班组长:质量检查员:专业工程师:日期:年月日SH/T 3503—J705球形储罐预制件检查记录支柱工程名称:单位工程名称:设备名称设备位号产品编号公称容积 m3直径mm 厚度mm 执行标准检查数量检查比例%支柱编号支柱全长直线度emm支柱长度Hmm支柱与底板垂直度mm分段支柱断口周长mm备注允许偏差实测值允许偏差实测值允许偏差实测值上段下段径向周向检测部位示意图外观检查:结论:建设/监理单位总承包单位施工单位专业工程师:日期:年月日专业工程师:日期:年月日施工班组长:质量检查员:专业工程师:日期:年月日SH/T 3503—J706 球形储罐组装尺寸检查记录工程名称:单位工程名称:设备名称设备位号产品编号公称容积 m3直径mm 厚度mm 检查样板半径R样 mm 检查样板弦长L mm检查项目允许值mm焊缝编号及实测值mm组对间隙M a b c组对错边n a b c组对棱角E abc检测部位示意图结论:建设/监理单位总承包单位施工单位专业工程师:日期:年月日专业工程师:日期:年月日施工班组长:质量检查员:专业工程师:日期:年月日SH/T 3503—J707球形储罐组装尺寸检查记录(续)工程名称:单位工程名称:设备名称设备位号产品编号公称容积m3直径mm 厚度mm检测部位示意图检查项目允许值mm实测值mm 赤道截面最大直径与设计直径之差赤道截面最小直径与设计直径之差两极间直径与设计直径之差赤道截面最大直径与最小直径之差赤道截面最大直径与两极间直径之差赤道截面最小直径与两极间直径之差赤道线水平度支柱焊缝与对接焊缝最小距离相邻对接焊缝最小距离项目管口编号管口水平度ΔH,mm 允许值实测值管口位置mm 允许值实测值结论:建设/监理单位总承包单位施工单位专业工程师:日期:年月日专业工程师:日期:年月日施工班组长:质量检查员:专业工程师:日期:年月日SH/T 3503—J708 球形储罐支柱检查记录工程名称:单位工程名称:设备名称设备位号产品编号公称容积 m3直径mm 厚度mm 检查时机支柱编号支柱全长直线度mm支柱垂直度mm允许偏差值实测值允许偏差值径向实测值周向实侧值径向周向a1 a2a1-a2a1a2a1-a212345678910结论:检测部位示意图建设/监理单位总承包单位施工单位建设/监理单位总承包单位施工单位专业工程师:日期:年月日专业工程师:日期:年月日施工班组长:质量检查员:专业工程师:日期:年月日SH/T 3503—J710 封头/过渡段组装尺寸检查记录工程名称:单位工程名称:设备名称设备位号产品编号封头/过渡段规格材质执行标准检查项目允许值mm焊缝编号及实测值 mm组对间隙M a b c组对错边n a b c组对棱角E 检查样板长度L=mm abc封头/过渡段规格整体检查样板检查形状偏差大值椭圆度上端小值下端检测部位示意图结论:建设/监理单位总承包单位施工单位。
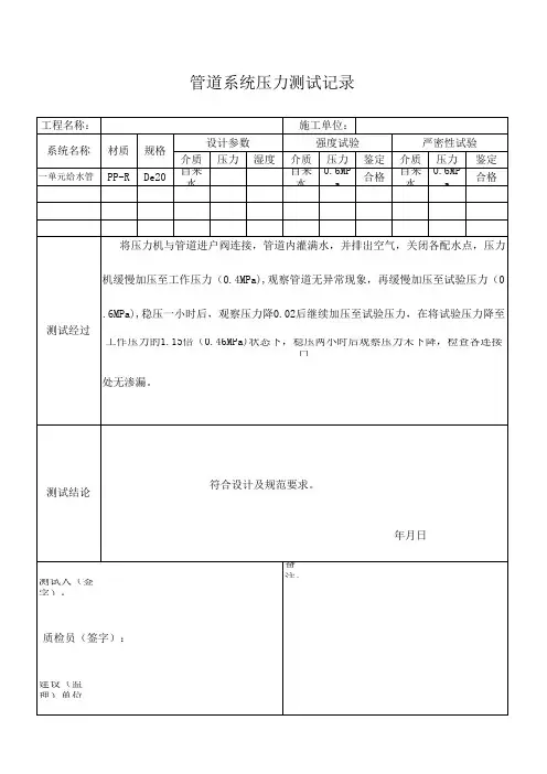
管道系统压力试验记录
微灌、喷灌、滴灌系统,都是通过管网将“有压水”传输到灌水器。
管网中的压力对灌溉系统至关重要,直接影响灌溉效果。
而在实际工程应用中,会使用压力表监测、显示系统管网压力。
管道灌溉系统中常用的压力表有普通压力表、电接点压力表、远传压力表、耐震压力表、数显压力表等。
1. 普通压力表
普通压力表属于就地指示型压力表,就地显示压力的大小,不带远程传送显示、调节功能。
2. 电接点压力表
电接点压力表除了显示压力指针外,还有上、下限设定指针,当达到设定时,压力指针上的触点与上限或下限设定指针触点相连,发出报警信号。
3. 远传压力表
远传压力表显示系统压力,并能通过仪表内部安装的电位器式传感器,把被测量以电量值的方式传至远端监测点的二次仪表上,以实现集中监测和远距离控制。
输出的信号为模拟信号。
4. 耐震压力表
耐震压力表是在普通压力表的基础上,内部填充阻尼液并加装缓冲机构,减轻环境剧烈振动、介质的脉冲,对仪表的影响。
例如:普通压力表加装阻尼液之后就叫做耐震压力表;电接点压力表加装阻尼液之后就叫做耐震电接点压力表。
耐震压力表适用于有机械震动的工作环境。