脑血管造影检查、神经介入治疗手术记录单
- 格式:doc
- 大小:34.00 KB
- 文档页数:1
介入检查、治疗、手术护理记录单
科室床号姓名性别:男女年龄:岁住院号
术前诊断手术时间年月日介入检查、治疗名称
手术类别平诊□急诊□门诊□麻醉方式:局麻□全麻□
手术开始时间手术结束时间患者离开时间
术前交接备皮□备用药物□药物过敏史:无□有□
HbsAg:阴性□阳性□抗-HIV:阴性□阳性□抗-HCV:阴性□阳性□处理:常规□标准预防□穿刺针种类:留置针□头皮针□
患者意识:清醒□谵妄□嗜睡□昏迷□
所带管路:微量泵□引流管□尿管□
术中护理手术物品灭菌标识是否达标:是□否□吸氧:有□无□手术穿刺部位:左□右□动脉□静脉□股□桡□颈内□锁骨下□
血压:/ mmHg 心率:次/分呼吸:次/分
尿量ml 输液ml 其它:
术后交接血压:/ mmHg 心率:次/分呼吸:次/分意识:清醒□谵妄□嗜睡□昏迷□带气管插管□
静脉通道:通畅□不通畅□
创口敷料:干燥□渗血□渗液□
切口以外皮肤情况:同术前□有变化□部位特征面积
物品交接:X光片子□病历□药物□其他□
签名:导管室护士病区护士。
2010- - -:00 全脑血管造影手术记录
病人仰卧于检查床上,双腹股沟及会阴区常规消毒铺无菌巾。
取右侧腹股沟韧带下方2cm股动脉搏动最明显处为穿刺点,1%利多卡因行穿刺点局部浸润麻醉,以Seldinger技术穿刺右股动脉成功后,留置5F血管鞘。
在泥鳅导丝导引下,将5F猪尾造影导管送到主动脉弓,行弓上血管造影,成功后将猪尾造影导管撤退至T12椎体水平,行肾动脉及腹主动脉造影,完毕后退出猪尾造影导管。
在泥鳅导引导丝引导下插入单弯导管,送至主动脉弓,在导丝引导下超选进入弓上血管内造影。
成功后退出单弯造影导管,拔出血管鞘,动脉压迫器压迫股动脉止血,送患者安全返回病房。
嘱卧床及右下肢制动8小时,观察右侧股动脉穿刺点渗血及右足背动脉搏动Q1h,监测生命体征。
医生签名:2010---9:00 副主任医师查房记录
副主任医师查房后指出患者脑血管造影术后第一天,患者神志清楚,精神可,生命体征平稳,右侧股动脉穿刺点敷料清洁干燥在位,未见渗血,局部无青紫压痛,右侧足背动脉搏动良好,继续卧床,右下肢制动,防穿刺并发症。
观察病情变化。
医生签名:
上级医生签名:
2010---9:30
患者术后第二天,右侧股动脉压迫器已拆除,右侧股动脉穿刺点无青紫肿胀,无压痛,右下肢活动可,右足背动脉搏动良好,患者可下床活动,治疗同前。
医生签名:。
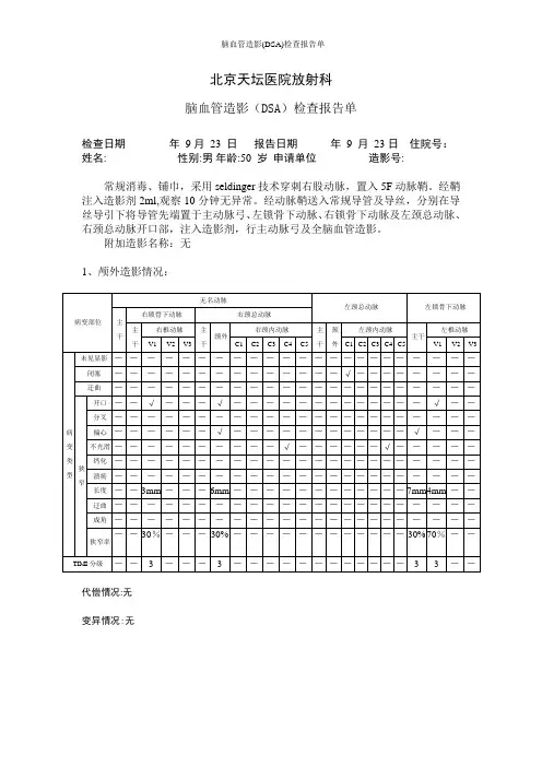
北京天坛医院放射科脑血管造影(DSA)检查报告单检查日期年9月23 日报告日期年9 月23日住院号:姓名: 性别:男年龄:50 岁申请单位造影号:常规消毒、铺巾,采用seldinger技术穿刺右股动脉,置入5F动脉鞘。
经鞘注入造影剂2ml,观察10分钟无异常。
经动脉鞘送入常规导管及导丝,分别在导丝导引下将导管先端置于主动脉弓、左锁骨下动脉、右锁骨下动脉及左颈总动脉、右颈总动脉开口部,注入造影剂,行主动脉弓及全脑血管造影。
附加造影名称:无1、颅外造影情况:代偿情况:无变异情况:无2、颅内造影情况病变部位右颈内动脉左颈内动脉左椎V4 右椎V4基底动脉C6 C7 A1 M1 C6 C7 A1 M1 近中远P病变类型未见显影--√-----------闭塞--------------迂曲--------------狭窄开口--------------分叉--------------偏心---√----√-√---不光滑--------------钙化--------------溃疡--------------长度---7mm ----3mm -3mm ---迂曲--------------成角--------------狭窄率---60%----30%-30%---TIMI分级--- 3 ---- 3 - 3 ---Mori分型--- B ---- A - A ---代偿情况:右大脑中动脉→前交通→左侧大脑前动脉及大脑中动脉部分供血区(2级)左侧大脑后动脉→软脑膜动脉→左侧大脑中动脉部分供血区(2级)基底动脉→后交通→左侧大脑中动脉部分供血区(2级)变异情况:左大脑前动脉双干其它: 无3、Willis’s环:造影提示:完整□、不完整□其他血管走行正常、管壁光滑、血流通畅、管腔未见狭窄及扩张。
印象:1.左侧颈内动脉C1段闭塞。
2.左侧椎动脉开口部狭窄狭窄率70%3. 左侧锁骨下动脉多发斑块。
4.右椎开口部狭窄狭窄率30%。
术后小结—肝癌基本信息: XX手术名称、方式:肝动脉腔内栓塞术 +腹腔动脉化疗灌注术麻醉方式:局部浸润麻醉手术经过:术中详见手术记录。
术程顺利,术中患者生命体征平稳。
术中出血约10ml,术后患者安返病房。
术后诊断:直肠癌切除术后、肝转移性恶性肿瘤术后处理及注意事项:注意观察穿刺点情况和右侧足背动脉搏动,并注意监测各项生命体征,行护肝、镇痛、镇吐等对症治疗。
患者今日上午局麻在介入手术室行经右股动脉穿刺插管肝动脉栓塞化疗术,术程顺利,无并发症。
详情见手术记录。
注意观察穿刺点情况和右侧足背动脉搏动,并注意监测各项生命体征,行护肝对症治疗;术后诊断:肝癌。
患者今日上午在介入手术室行局麻下经右股动脉穿刺插管肝动脉化疗术,术程顺利,无并发症。
详情见手术记录。
注意观察穿刺点情况和右侧足背动脉搏动,右下肢制动8小时,并注意监测各项生命体征,行护肝对症治疗。
患者今日凌晨急诊全麻在DSA室行腹主动脉及双侧髂动脉取栓及右侧髂动脉成型术,术中切开双侧股动脉,取出大量血栓,并于右侧髂动脉植入2枚血管支架,术程顺利,无并发症,术毕安抚病房,行抗凝、抗炎、保护肾功能等对症治疗,监测生命体征。
患者今日上午在介入手术室局麻下行经皮穿刺左下肢静脉曲张泡沫硬化治疗术,术程顺利,无并发症。
详情见手术记录。
注意观察穿刺点情况和侧足背动脉搏动,左下肢制动2小时,并注意监测各项生命体征,行抗血小板等对症治疗。
患者今日上午局麻在介入手术室行经左下肢静脉造影及下腔静脉滤器置入术,术中见左下肢深静脉大量血栓形成,于下腔静脉内置入一枚腔静脉滤器,术程顺利,无并发症。
详情见手术记录。
注意观察穿刺点情况和右侧足背动脉搏动,并注意监测各项生命体征,行抗凝,溶栓对症治疗。
肾造瘘患者今日上午在介入手术室局麻下行经皮穿刺右肾造瘘置管术,术程顺利,术中于右肾及输尿管上段置入一枚10F多侧孔引流管,无并发症。
详情见手术记录。
术毕安返病房,平卧24小时,注意观察穿刺点及引流管情况,并注意监测各项生命体征,行止血对症治疗。
术后小结—肝癌基本信息:XX手术名称、方式:肝动脉腔内栓塞术+腹腔动脉化疗灌注术麻醉方式:局部浸润麻醉手术经过:术中详见手术记录。
术程顺利,术中患者生命体征平稳。
术中出血约10ml,术后患者安返病房。
术后诊断:直肠癌切除术后、肝转移性恶性肿瘤术后处理及注意事项:注意观察穿刺点情况和右侧足背动脉搏动,并注意监测各项生命体征,行护肝、镇痛、镇吐等对症治疗。
患者今日上午局麻在介入手术室行经右股动脉穿刺插管肝动脉栓塞化疗术,术程顺利,无并发症。
详情见手术记录。
注意观察穿刺点情况和右侧足背动脉搏动,并注意监测各项生命体征,行护肝对症治疗;术后诊断:肝癌。
患者今日上午在介入手术室行局麻下经右股动脉穿刺插管肝动脉化疗术,术程顺利,无并发症。
详情见手术记录。
注意观察穿刺点情况和右侧足背动脉搏动,右下肢制动8小时,并注意监测各项生命体征,行护肝对症治疗。
患者今日凌晨急诊全麻在DSA室行腹主动脉及双侧髂动脉取栓及右侧髂动脉成型术,术中切开双侧股动脉,取出大量血栓,并于右侧髂动脉植入2枚血管支架,术程顺利,无并发症,术毕安抚病房,行抗凝、抗炎、保护肾功能等对症治疗,监测生命体征。
患者今日上午在介入手术室局麻下行经皮穿刺左下肢静脉曲张泡沫硬化治疗术,术程顺利,无并发症。
详情见手术记录。
注意观察穿刺点情况和侧足背动脉搏动,左下肢制动2小时,并注意监测各项生命体征,行抗血小板等对症治疗。
患者今日上午局麻在介入手术室行经左下肢静脉造影及下腔静脉滤器置入术,术中见左下肢深静脉大量血栓形成,于下腔静脉内置入一枚腔静脉滤器,术程顺利,无并发症。
详情见手术记录。
注意观察穿刺点情况和右侧足背动脉搏动,并注意监测各项生命体征,行抗凝,溶栓对症治疗。
肾造瘘患者今日上午在介入手术室局麻下行经皮穿刺右肾造瘘置管术,术程顺利,术中于右肾及输尿管上段置入一枚10F多侧孔引流管,无并发症。
详情见手术记录。
术毕安返病房,平卧24小时,注意观察穿刺点及引流管情况,并注意监测各项生命体征,行止血对症治疗。
术后小结—肝癌根本信息:XX手术名称.方法:肝动脉腔内栓塞术+腹腔动脉化疗灌注术麻醉方法:局部浸润麻醉手术经由:术中详见手术记载.术程顺遂,术中患者性命体征安稳.术中出血约10ml,术后患者安返病房.术后诊断:直肠癌切除术后.肝转移性恶性肿瘤术后处理及留意事项:留意不雅察穿刺点情形和右侧足背动脉搏动,并留意监测各项性命体征,行护肝.镇痛.镇吐等对症治疗.患者今日上午局麻在介入手术室行经右股动脉穿刺插管肝动脉栓塞化疗术,术程顺遂,无并发症.详情见手术记载.留意不雅察穿刺点情形和右侧足背动脉搏动,并留意监测各项性命体征,行护肝对症治疗;术后诊断:肝癌.患者今日上午在介入手术室行局麻下经右股动脉穿刺插管肝动脉化疗术,术程顺遂,无并发症.详情见手术记载.留意不雅察穿刺点情形和右侧足背动脉搏动,右下肢制动8小时,并留意监测各项性命体征,行护肝对症治疗.患者今日清晨急诊全麻在DSA室行腹自动脉及双侧髂动脉取栓及右侧髂动脉成型术,术中切开双侧股动脉,掏出大量血栓,并于右侧髂动脉植入2枚血管支架,术程顺遂,无并发症,术毕安慰病房,行抗凝.抗炎.呵护肾功效等对症治疗,监测性命体征.患者今日上午在介入手术室局麻下行经皮穿刺左下肢静脉曲张泡沫硬化治疗术,术程顺遂,无并发症.详情见手术记载.留意不雅察穿刺点情形和侧足背动脉搏动,左下肢制动2小时,并留意监测各项性命体征,行抗血小板等对症治疗.患者今日上午局麻在介入手术室行经左下肢静脉造影及下腔静脉滤器置入术,术中见左下肢深静脉大量血栓形成,于下腔静脉内置入一枚腔静脉滤器,术程顺遂,无并发症.详情见手术记载.留意不雅察穿刺点情形和右侧足背动脉搏动,并留意监测各项性命体征,行抗凝,溶栓对症治疗.肾造瘘患者今日上午在介入手术室局麻下行经皮穿刺右肾造瘘置管术,术程顺遂,术中于右肾及输尿管上段置入一枚10F多侧孔引流管,无并发症.详情见手术记载.术毕安返病房,平卧24小时,留意不雅察穿刺点及引流管情形,并留意监测各项性命体征,去处血对症治疗.患者今日上午在介入手术室局麻下行经皮穿刺左肾造瘘置管术,术程顺遂,术中于左肾及输尿管上段置入一枚10F多侧孔引流管,无并发症.详情见手术记载.术毕安返病房,平卧24小时,留意不雅察穿刺点及引流管情形,并留意监测各项性命体征,去处血对症治疗.术后小结—脑血管今日约15:00到15:55在介入手术室行局麻下全脑血管造影术,术程顺遂,无并发症.详情见手术记载.嘱回病房后卧床24小时,留意不雅察穿刺点情形和右侧足背动脉搏动,并留意监测各项性命体征.患者今日约下昼全麻在介入手术室行全脑血管造影+动脉瘤栓塞术,术中行支架帮助栓塞动脉瘤,术程顺遂,无并发症.详情见手术记载.嘱回病房后卧床24小时,留意不雅察穿刺点情形和右侧足背动脉搏动,并留意监测各项性命体征,行抗凝.抗血小板.抗脑血管痉挛等对症治疗.患者今日约上午局麻在介入手术室行左枕叶AVM栓塞术,术中栓塞2条大脑后动脉供血动脉,术程顺遂,无并发症.详情见手术记载.嘱回病房后卧床24小时,留意不雅察穿刺点情形和右侧足背动脉搏动,并留意监测各项性命体征,行脱水.掌握血压.抗脑血管痉挛等对症治疗.食管球囊扩大术后患者今日上午局麻在DSA室行食管狭小球囊扩大术,术中见吻合口显著狭小,行5x25球囊反复扩大食管3次,术程顺遂,详见手术记载,术毕安返病房,去处血对症治疗,监测性命体征,进食流质.术后小结—肾造瘘今日上午约10:10到10:45在介入手术室行局麻下经皮左肾穿刺造瘘术,术程顺遂,无并发症.详情见手术记载.嘱回病房后卧床24小时,留意不雅察穿刺点情形和引流管护理,并留意监测各项性命体征.患者今日上午局麻在介入手术室行经皮右肾穿刺造瘘术,术中于右肾及右输尿管上段置入一枚10F引流管,术程顺遂,无并发症.详情见手术记载.嘱回病房后卧床12小时,留意不雅察穿刺点情形和引流管护理,并留意监测各项性命体征,去处血对症治疗;术后诊断:右肾结石.术后小结---粒子小结今日上午约11:30到12:10在CT室行经皮肝穿刺粒子植入术,共植入I125粒子30粒.术程顺遂,无并发症.术中预防性静脉打针蛇毒血凝酶1单位.详情见手术记载.嘱回病房后卧床24小时,予以护肝.对症处理,留意医护人员及患者家眷的射线防护,并亲密监测各项性命体征术后小结—下肢动脉患者今日正午在介入手术室局麻下行左侧下肢动脉造影+血管成形术,术程顺遂,无并发症.术中植入一枚6x10血管支架,详情见手术记载.术毕安返病房,左下肢制动12小时,留意不雅察穿刺点情形和双侧足背动脉搏动,并留意监测各项性命体征,行抗凝.抗血小板.活血等对症治疗.术后小结—下肢静脉造影+滤器患者今日上午局麻在介入手术室行左侧下肢静脉造影+下腔静脉滤器植入术,术程顺遂,无并发症.详情见手术记载.术毕安返病房,留意不雅察穿刺点情形和右侧足背动脉搏动,并留意监测各项性命体征,行抗凝.溶栓对症治疗.术后小结—PTCD今日清晨在介入手术室行PTCD术,术程顺遂,术中在右肝管和肝总管内放置8F外引流管一条.嘱回病房后留意监测各项性命指征,不雅察引流量,防止消失轻微的并发症.患者仰卧DSA台上,肝区消毒.铺巾,右侧9-10肋间隙腋中线为穿刺点局麻,采取cook公司PTCD微穿刺套装,穿刺右侧肝内胆管,造影示肝内胆管及胆总管扩大,引入微导丝,经导丝引入5F导管至肝总管,造影示胆总管中下段狭小,内见不规矩结石负影,经泥鳅导丝合营,成功将导丝引入十二指肠,经导丝在右肝管.肝总管及胆总管内置10.2F表里结合引流管,经引流管内造影,可见:右肝管.肝总管及胆总管显影,十二指肠亦显影.全部术程顺遂,术中患者无不适,术毕固定引流管接袋,安返病房.术后小结—肝囊肿今日上午约8:50到9:35在介入手术室行经皮肝囊肿酒精消融术,术程顺遂,无并发症.详情见手术记载.嘱回病房后留意不雅察穿刺点情形和引流管护理,并留意监测各项性命体征.患者今日上午局麻在介入手术室行经皮右肝囊肿酒精消融术,术中抽出清澈液体约150ml,术程顺遂,无并发症.详情见手术记载.术毕安返病房,嘱俯卧4小时,留意不雅察穿刺点情形,并留意监测各项性命体征,行护肝对症治疗.术后小结---输液港今日上午约10:10到11:10在介入手术室行局麻下经皮输液港植入术,术程顺遂,无并发症.详情见手术记载.嘱回病房后卧床24小时,留意不雅察穿刺点情形,并留意监测各项性命体征,术区增强换药.肺活检记载今日正午12:30至12:45患者在介入手术室行右上肺肿物穿刺活检术.患者呈仰卧位,右侧胸部消毒铺巾,选择第3-4肋间腋中线为穿刺点,2%利多卡因5ml局麻后,采取20G一次性穿刺活检枪在透视定位下穿刺右上肺肿块,共穿刺二次,掏出组织粒2条,已送病检.术中病人无特别不适.术后不雅察20分钟,未见气胸.肺出血等并发症,病人安返病房.术后卧床24小时,亲密不雅察呼吸.血压等性命体征.右肾造瘘患者俯卧DSA台上,右肾区消毒.铺巾,右12肋下右侧腋后线为穿刺点,局麻,21G细针穿刺右肾下盏,造影示右输尿管上段结石,右肾肾盂肾盏显著扩大积液,经21G细针套管置入微导丝于右肾盂内,交流应用19G套管针经微导丝穿刺右肾下盏,造影证实地位优越后,导丝合营,成功将导丝引入膀胱,扩大穿刺通道,经导丝引入一枚7F多侧孔引流管,引流管超出结石,远端位于右侧输尿管上段,复查造影示引流管地位优越,引流畅畅,术程顺遂,术中患者无不适,术毕固定引流管接袋,安返病房.患者俯卧DSA台上,右肾区消毒.铺巾,右12肋下右侧腋后线为穿刺点,局麻,21G细针穿刺右肾下盏,造影示右输尿管启齿处结石负影,19G套管针穿刺右肾下盏,造影证实地位优越后,多处测验测验,未能将导丝引入输尿管,遂将导丝引入右肾上盏,扩大穿刺通道,经导丝引入一枚10F多侧孔引流管,引流管远端位于右右肾上盏,复查造影示引流管地位优越,引流畅畅,术程顺遂,术中患者无不适,术毕固定引流管接袋,安返病房.右肾造瘘---中盏和下盏患者俯卧DSA台上,右肾区消毒.铺巾,右11-12肋下右侧腋后线为穿刺点,局麻,21G细针穿刺右肾中盏,造影见右侧输尿管显影;19G套管针穿刺右肾中盏,造影证实地位优越后,导丝合营,成功将导丝引入膀胱,扩大穿刺通道,经导丝引入一枚10F多侧孔引流管,远端位于右侧输尿管上段,复查造影示引流管地位优越,引流畅畅.同法,以右11-12肋下右侧腋后线为穿刺点,穿刺右肾上盏,经右肾上盏.肾盂和右侧输尿管上段置入EV套管,造影示EV套管地位优越,引流畅畅.术程顺遂,术中患者无不适,术毕固定引流管接袋,安返病房.左肾造瘘---肾盏极端扩大---导管置入左肾盏患者俯卧DSA台上,左肾区消毒.铺巾,左12肋下左侧腋后线为穿刺点,局麻,21G细针穿刺左肾中盏造影,可见左肾盂肾盏重度扩大,左侧输尿管上段见结石影,中下段输尿管未见显影;采取19G套管针穿刺左肾中盏,造影证实地位优越后,送入导丝进入左输尿管,扩大通道,经导丝置入一根10F多侧孔引流管,引流管远端位于左肾盂内,复查造影,示引流管地位优越,引流畅畅.术程顺遂,术中患者无不适,术毕固定引流管接袋,安返病房.左肾造瘘---中盏和下盏患者俯卧DSA台上,左肾区消毒.铺巾,选择左11-12肋下腋后线为穿刺点,1%利多卡因5ml局麻,21G细针穿刺左肾下盏造影,可见左肾盂肾盏极端扩大,左输尿管上段见一结石梗阻;此时患者诉左肾区胀痛,穿刺针见深红色液体流出,患者心率降至40次/分钟,血压正常,斟酌有血管毁伤,立刻赐与阿托品0.5mgiv.蛇毒血凝酶1单位iv,心率恢复至75次/分钟,出血停滞.随后改换穿刺点,采取19G套管针穿刺左肾下盏,造影证实地位优越后,送入导丝进入左输尿管,但我能超出结石.扩大通道,经导丝置入一根10F多侧孔引流管,引流管远端位于左肾下盏内.全部术程顺遂,术中出血约20ml,患者血压稳固在正常规模.术毕固定引流管接袋,安返病房.患者俯卧DSA台上,左肾区消毒.铺巾,左11-12肋下左侧腋后线为穿刺点,局麻,21G细针穿刺左肾中盏,造影见左侧输尿管显影;19G套管针穿刺左肾中盏,造影证实地位优越后,导丝合营,成功将导丝引入膀胱,扩大穿刺通道,经导丝引入一枚10F多侧孔引流管,远端位于左侧输尿管上段,复查造影示引流管地位优越,引流畅畅.同法,以左12肋下左侧腋后线为穿刺点,穿刺左肾下盏,经左肾下盏.肾盂和左肾上盏置入EV套管.术程顺遂,术中患者无不适,术毕固定引流管接袋,安返病房.左肾造瘘---上盏和下盏患者俯卧DSA台上,左肾区及引流管消毒.铺巾,经左侧肾造瘘管注入造影剂艰苦,遂采取导丝反复疏浚左侧肾造瘘管后,注入造影剂,可见造瘘管远端位于左肾盏内,遂引入导丝将肾造瘘管远端位于左肾盂内,经造瘘管内流出淡黄色尿液约180ml.固定引流管.术程顺遂,术中患者无不适,术毕固定引流管接袋,安返病房.左肾造瘘---调管术患者俯卧DSA台上,左肾区消毒.铺巾,左12肋下左侧腋后线为穿刺点,局麻,21G细针穿刺左肾中盏,造影示左肾盂结石负影,19G 套管针穿刺左肾中盏,造影证实地位优越后,导丝合营,成功将导丝引入膀胱,扩大穿刺通道,经导丝引入一枚10F多侧孔引流管,引流管超出结石,远端位于左侧输尿管上段,复查造影示引流管地位优越,引流畅畅,术程顺遂,术中患者无不适,术毕固定引流管接袋,安返病房.左肾造瘘-取石患者俯卧DSA台上,左肾区消毒.铺巾,左12肋下左侧腋后线为穿刺点,局麻,21G细针穿刺左肾中盏,造影示左肾盂结石负影,19G套管针穿刺左肾中盏,造影证实地位优越后,导丝合营,成功将导丝引入膀胱,扩大穿刺通道,经导丝引入一枚10F多侧孔引流管,引流管超出结石,远端位于左侧输尿管上段,复查造影示引流管地位优越,引流畅畅,术程顺遂,术中患者无不适,术毕固定引流管接袋,安返病房.患者俯卧DSA台上,左肾区消毒.铺巾,左12肋下左侧腋后线为穿刺点,局麻,21G细针穿刺左肾中盏,造影示左输尿管上段结石负影,引入微导管,经微导丝置入19G套管针,拔出针心及微导丝,造影证实地位优越后,经泥鳅导丝合营,成功将导丝引入膀胱,扩大穿刺通道,经导丝引入一枚10F多侧孔引流管,引流管远端位于左侧输尿管上段结石上方,复查造影示引流管地位优越,引流畅畅,术程顺遂,术中患者无不适,术毕固定引流管接袋,安返病房.左肾造瘘---中盏和下盏患者俯卧DSA台上,左肾区消毒.铺巾,左12肋下左侧腋后线为穿刺点,局麻,21G细针穿刺左肾中盏,造影示左肾盂及左输尿管上段显影,遂采取19G套管针穿刺左肾中盏,造影可见:左肾盂及肾盏显影,左输尿管全程显影,成功将导丝引入膀胱,扩大穿刺通道,经导丝引入一枚10F多侧孔引流管,远端位于左侧输尿管上段,复查造影示引流管地位优越,引流畅畅,术毕固定引流管接袋.同法,以左12肋下左侧腋后线为穿刺点,穿刺左肾下盏,在左肾下盏置入EV套管.术程顺遂,术中患者无不适,术毕固定引流管接袋,安返病房.左肾造瘘—急性肾衰患者俯卧DSA台上,左肾区消毒.铺巾,左12肋下左侧腋后线为穿刺点,局麻,21G细针穿刺左肾中盏,造影示左肾盂及左输尿管上段显影,遂采取19G套管针穿刺左肾中盏,造影可见:左肾盂及肾盏显影,左输尿管中上段亦显影,左输尿管盆腔段未见显影,成功将导丝引入膀胱,扩大穿刺通道,经导丝引入一枚10F多侧孔引流管,远端位于左侧输尿管上段,复查造影示引流管地位优越,引流畅畅,术程顺遂,术中患者无不适,术毕固定引流管接袋,安返病房.左肾囊肿患者俯卧DSA台上,左肾区消毒.铺巾,左12肋下左侧腋后线偏背侧2cm为穿刺点,局麻,21G细针穿刺左肾下部,造影示左肾外下极直径约 5.5cm的囊肿,遂采取19G套管针穿刺左肾下部,造影可见:左肾下部囊肿,可见尿液流出,抽出约100ml淡黄色囊液,迟缓注入95%酒精,反复冲洗,直至冲洗液清澈,病人无特别不适.术程顺遂,拔出套管,方纱笼罩穿刺点,病人安返病房.肝囊肿—左叶患者仰卧DSA台上,中上腹部消毒.铺巾,剑突下近中线穿刺点局麻,采取21G细针穿刺肝左叶囊肿,可见清澈囊液流出,注入造影剂可见类圆形囊肿显影,遂采取19G套管针穿刺肝左叶囊肿,引流出囊液约50ml,采取95%酒精反复冲洗,直至囊液清澈为止.同法,左侧10-11肋间隙腋中线为穿刺点局麻,采取21G细针穿刺肝左叶囊肿,注入造影剂伟大囊肿显影,遂采取19G套管针穿刺肝左叶囊肿,引流出约220ml清澈囊液,迟缓注入95%酒精,反复冲洗,直至冲洗液清澈,病人无特别不适.术程顺遂,拔出套管,方纱笼罩穿刺点,病人安返病房.右肝囊肿患者仰卧DSA台上,肝区消毒.铺巾,右侧腋中线10-11肋间隙为穿刺点局麻,采取21G细针穿刺肝右叶囊肿,可见清澈囊液流出,注入造影剂可见类圆形囊肿显影,遂采取19G套管针穿刺肝右叶囊肿,引入导丝,经导丝注入猪尾导管,抽出清澈囊液约150ml后,采取95%酒精反复冲洗,直至囊液清澈为止.病人无特别不适.术程顺遂,拔出导管,方纱笼罩穿刺点,病人安返病房.无水酒精消融患者仰卧DSA台上,右侧颈部消毒.铺巾,右侧颈部肿块穿刺局麻,采取9号打针针不合偏向穿刺共注入无水酒精10ml+碘油3ml.病人无特别不适.术程顺遂,方纱笼罩穿刺点,病人安返病房.血管瘤直接穿刺患者俯卧DSA手术台上,左侧背部消毒铺巾,左侧腋后线肿块凸起显著处局麻,7号头皮针穿刺血管瘤,回抽见血液,注入造影剂行血管瘤造影,清楚显示瘤巢及供血动脉,引流静脉,注入平阳霉素4mg.1:4配比的聚桂醇泡沫硬化剂10ml,同法穿刺另一处,注入平阳霉素4mg.聚桂醇泡沫硬化剂8ml,术程顺遂,术中患者无不适,术毕拔针,包扎伤口,安慰病房.肝囊肿—左叶患者呈仰卧位,赐与心电监护,通例左侧胁肋部消毒铺巾,在X线透视下选择腋中线第10-11肋间为穿刺点,采取21G细针穿刺左肝囊肿,见清澈囊液流出后,注入造影剂可见肝左叶伟大囊肿,直径约10cm.采取19GEV穿刺套管针穿刺肝左叶囊肿,抽出350ml囊液后,反复应用95%酒精冲洗囊腔,直至冲洗液变清.病人无特别不适.术程顺遂,方纱笼罩穿刺点,病人安返病房.右肾囊肿×3.2cm.采取19GEV穿刺套管针穿刺右肾囊肿,抽出15ml囊液后,反复应用95%酒精冲洗囊腔,直至冲洗液变清.病人无特别不适.术程顺遂,方纱笼罩穿刺点,病人安返病房.肝脓肿—左叶患者仰卧DSA台上,中上腹部消毒.铺巾,左9-10肋下左侧腋中线偏后侧为穿刺点,采取21G细针穿刺肝左叶脓腔,可见脓液流出;遂采取19G套管针穿刺肝左叶脓肿,拔出针芯,可见黄色粘稠脓液流出,抽出约80ml黄色粘稠脓液,做厌氧和需氧菌造就,引入导丝,经导丝引入8.5F外引流管,经引流管反复冲洗甲硝唑,至至冲洗液清澈,病人无特别不适.术程顺遂,固定引流管,方纱笼罩穿刺点,病人安返病房.肝脓肿—右叶患者仰卧DSA台上,中上腹部消毒.铺巾,右9-10肋下腋中线为穿刺点,采取21G细针穿刺膈下脓腔,可见黄色脓液流出;遂采取19G套管针穿刺肝右叶脓肿,拔出针芯,可见黄色粘稠脓液流出,抽出约210ml黄色粘稠脓液,做厌氧和需氧菌造就,引入导丝,经导丝引入8.5F外引流管,经引流管用甲硝唑200ml+庆大霉素16万单位反复冲洗脓腔,至冲洗液清澈,病人无特别不适.术程顺遂,固定引流管,方纱笼罩穿刺点,病人安返病房.左肾动脉造影+左肾造瘘管调剂术患者呈仰卧位,赐与心电监护,通例双侧腹股沟区和会阴部消毒铺巾,左股动脉腹股沟韧带区局麻,穿刺左股动脉后置入5F血管鞘,行左肾动脉造影,可见:左肾动脉稍渺小,本质期左肾下极显示稍欠佳,未见显著出血现象,遂行猪尾巴造影,可见:左肾动脉显影,未见副肾动脉显影.经左肾造瘘管造影,可见:造瘘管远端位于肾盂内,未见四周静脉显影.遂引入导丝至膀胱内,经导丝将原造瘘管置入输尿管下段.术毕拔管,榨取止血,加压包扎.病人安返病房.左肾动脉造影+肾动脉出血止血患者呈仰卧位,赐与心电监护,通例双侧腹股沟区和会阴部消毒铺巾,左股动脉腹股沟韧带区局麻,穿刺左股动脉后置入5F血管鞘,行左肾动脉造影,可见:左肾动脉中部分支可见假性动脉瘤,并可见动静脉瘘,动脉期肾静脉和下腔静脉显影.遂超选择该假性动脉瘤供血动脉,释放3mm×3cm钢圈两个,并迟缓注入少许明胶海绵颗粒,复查造影未见假性动脉瘤显影,左肾动脉各个分支未见显著出血现象,未见造影剂滞留和外溢.术毕拔管,榨取止血,加压包扎.病人安返病房左肾动脉出血---PVA患者呈仰卧位,赐与心电监护,通例双侧腹股沟区和会阴部消毒铺巾,右股动脉腹股沟韧带区局麻,穿刺右股动脉后置入5F血管鞘,行左肾动脉造影及分支超选择造影,可见:左肾动脉上部分支走形形态大致正常,未见显著造影剂滞留及外溢现象;左肾动脉下部分支大约造瘘管留置处见渺小动脉呈截断状,并可见动静脉瘘,似见造影剂滞留,遂超选择该分支动脉,注入数粒PVA700um,再次造影未见动静脉瘘,未见造影剂滞留和外溢.术毕拔管,榨取止血,加压包扎.病人安返病房.左肾动脉狭小—支架植入术×8mm,左肾显著萎缩变小,遂引入5F导管,行左肾动脉造影,可见:左肾动脉中远段和重要分支走形形态大致正常,本质期肾脏未见显著平常现象.全身肝素化,引入6F指引诱管至左肾动脉肇端段,.014微导丝成功超出狭小进入左肾动脉分支,造影证实地位优越,测量左肾动脉大小,在左肾动脉狭小段置入5mm×18mm支架一枚,定位精确后,成功释放,复查造影可见支架地位优越,左肾动脉血流正常,未见显著扩大和狭小.术毕拔管,榨取止血,加压包扎.病人安返病房.右肾动脉造影—未见出血患者呈仰卧位,赐与心电监护,通例双侧腹股沟区和会阴部消毒铺巾,右股动脉腹股沟韧带区局麻,穿刺右股动脉后置入5F血管鞘,行右肾动脉及重要分支超选择DSA造影,可见:右肾动脉骨干及重要分支走形形态大致正常,未见显著造影剂外溢和滞留,各个分支未见显著出血现象,未见显著静脉早显和动静脉瘘现象.术毕拔管,榨取止血,加压包扎.病人安返病房.肝癌手术记载患者今日上午在介入手术室行局麻下经右股动脉穿刺插管肝动脉化疗术,术程顺遂,无并发症.详情见手术记载.留意不雅察穿刺点情形和右侧足背动脉搏动,右下肢制动8小时,并留意监测各项性命体征,行护肝对症治疗.肝癌手术记载+PVA颗粒患者呈仰卧位,赐与心电监护,通例双侧腹股沟区和会阴部消毒铺巾,右股动脉腹股沟韧带区局麻,穿刺右股动脉后置入5F血管鞘,行腹腔干动脉及肝总动脉DSA造影,可见:肝动脉增粗迂曲,本质期肝左叶见结节状肿瘤染色,可见静脉早显及动静脉瘘,遂采取微导管超选择插管肿瘤的供血动脉内,迟缓注入适量PVA700um适量+THP10mg+MMC2mg+艾恒50mg的混悬液,复查造影可见肿瘤染色和动静脉瘘显著削减.在肝总动脉内迟缓灌注艾恒50mg,THP20mg和MMC4mg,术中患者无特别不适.术毕拔管,榨取止血,加压包扎.病人安返病房.肝癌手术记载---肠系膜上动脉供血患者呈仰卧位,赐与心电监护,通例双侧腹股沟区和会阴部消毒铺巾,右股动脉腹股沟韧带区局麻,穿刺右股动脉后置入5F血管鞘,行腹腔干动脉及肠系膜动脉DSA造影,可见:腹腔动脉单独发出脾动脉,肝动脉由肠系膜动脉发出,本质期于右肝叶见多半结节状肿瘤染色,多半病灶并融会成团,未见显著静脉早显及动静脉瘘,遂采取微导管超选择插管肿瘤的供血动脉内,迟缓注入适量LP5ml+THP30mg+MMC6mg的混悬液,可见瘤灶内碘油沉积优越,复查造影可见肿瘤染色显著削减消掉.在肝总动脉内迟缓灌注卡铂0.3,术中患者无特别不适.术毕拔管,榨取止血,加压包扎.病人安返病房.肝癌手术记载-1患者呈仰卧位,赐与心电监护,通例双侧腹股沟区和会阴部消毒铺。
术后小结—肝癌基本信息:XX手术名称、方式:肝动脉腔内栓塞术+腹腔动脉化疗灌注术麻醉方式:局部浸润麻醉手术经过:术中详见手术记录。
术程顺利,术中患者生命体征平稳。
术中出血约10ml,术后患者安返病房。
术后诊断:直肠癌切除术后、肝转移性恶性肿瘤术后处理及注意事项:注意观察穿刺点情况和右侧足背动脉搏动,并注意监测各项生命体征,行护肝、镇痛、镇吐等对症治疗。
患者今日上午局麻在介入手术室行经右股动脉穿刺插管肝动脉栓塞化疗术,术程顺利,无并发症。
详情见手术记录。
注意观察穿刺点情况和右侧足背动脉搏动,并注意监测各项生命体征,行护肝对症治疗;术后诊断:肝癌。
患者今日上午在介入手术室行局麻下经右股动脉穿刺插管肝动脉化疗术,术程顺利,无并发症。
详情见手术记录。
注意观察穿刺点情况和右侧足背动脉搏动,右下肢制动8小时,并注意监测各项生命体征,行护肝对症治疗。
患者今日凌晨急诊全麻在DSA室行腹主动脉及双侧髂动脉取栓及右侧髂动脉成型术,术中切开双侧股动脉,取出大量血栓,并于右侧髂动脉植入2枚血管支架,术程顺利,无并发症,术毕安抚病房,行抗凝、抗炎、保护肾功能等对症治疗,监测生命体征。
患者今日上午在介入手术室局麻下行经皮穿刺左下肢静脉曲张泡沫硬化治疗术,术程顺利,无并发症。
详情见手术记录。
注意观察穿刺点情况和侧足背动脉搏动,左下肢制动2小时,并注意监测各项生命体征,行抗血小板等对症治疗。
患者今日上午局麻在介入手术室行经左下肢静脉造影及下腔静脉滤器置入术,术中见左下肢深静脉大量血栓形成,于下腔静脉内置入一枚腔静脉滤器,术程顺利,无并发症。
详情见手术记录。
注意观察穿刺点情况和右侧足背动脉搏动,并注意监测各项生命体征,行抗凝,溶栓对症治疗。
肾造瘘患者今日上午在介入手术室局麻下行经皮穿刺右肾造瘘置管术,术程顺利,术中于右肾及输尿管上段置入一枚10F多侧孔引流管,无并发症。
详情见手术记录。
术毕安返病房,平卧24小时,注意观察穿刺点及引流管情况,并注意监测各项生命体征,行止血对症治疗。
术后小结—肝癌基本信息:XX手术名称、方式:肝动脉腔栓塞术+腹腔动脉化疗灌注术麻醉方式:局部浸润麻醉手术经过:术中详见手术记录。
术程顺利,术中患者生命体征平稳。
术中出血约10ml,术后患者安返病房。
术后诊断:直肠癌切除术后、肝转移性恶性肿瘤术后处理及注意事项:注意观察穿刺点情况和右侧足背动脉搏动,并注意监测各项生命体征,行护肝、镇痛、镇吐等对症治疗。
患者今日上午局麻在介入手术室行经右股动脉穿刺插管肝动脉栓塞化疗术,术程顺利,无并发症。
详情见手术记录。
注意观察穿刺点情况和右侧足背动脉搏动,并注意监测各项生命体征,行护肝对症治疗;术后诊断:肝癌。
患者今日上午在介入手术室行局麻下经右股动脉穿刺插管肝动脉化疗术,术程顺利,无并发症。
详情见手术记录。
注意观察穿刺点情况和右侧足背动脉搏动,右下肢制动8小时,并注意监测各项生命体征,行护肝对症治疗。
患者今日凌晨急诊全麻在DSA室行腹主动脉及双侧髂动脉取栓及右侧髂动脉成型术,术中切开双侧股动脉,取出大量血栓,并于右侧髂动脉植入2枚血管支架,术程顺利,无并发症,术毕安抚病房,行抗凝、抗炎、保护肾功能等对症治疗,监测生命体征。
患者今日上午在介入手术室局麻下行经皮穿刺左下肢静脉曲泡沫硬化治疗术,术程顺利,无并发症。
详情见手术记录。
注意观察穿刺点情况和侧足背动脉搏动,左下肢制动2小时,并注意监测各项生命体征,行抗血小板等对症治疗。
患者今日上午局麻在介入手术室行经左下肢静脉造影及下腔静脉滤器置入术,术中见左下肢深静脉大量血栓形成,于下腔静脉置入一枚腔静脉滤器,术程顺利,无并发症。
详情见手术记录。
注意观察穿刺点情况和右侧足背动脉搏动,并注意监测各项生命体征,行抗凝,溶栓对症治疗。
肾造瘘患者今日上午在介入手术室局麻下行经皮穿刺右肾造瘘置管术,术程顺利,术中于右肾及输尿管上段置入一枚10F多侧孔引流管,无并发症。
详情见手术记录。
术毕安返病房,平卧24小时,注意观察穿刺点及引流管情况,并注意监测各项生命体征,行止血对症治疗。
术后小结—肝癌之羊若含玉创作根本信息:XX手术名称、方法:肝动脉腔内栓塞术+腹腔动脉化疗灌注术麻醉方法:局部浸润麻醉手术经由:术中详见手术记载.术程顺利,术中患者生命体征平稳.术中出血约10ml,术后患者安返病房.术后诊断:直肠癌切除术后、肝转移性恶性肿瘤术后处理及注意事项:注意不雅察穿刺点情况和右侧足背动脉搏动,并注意监测各项生命体征,行护肝、镇痛、镇吐等对症治疗.患者今日上午局麻在介入手术室行经右股动脉穿刺插管肝动脉栓塞化疗术,术程顺利,无并发症.详情见手术记载.注意不雅察穿刺点情况和右侧足背动脉搏动,并注意监测各项生命体征,行护肝对症治疗;术后诊断:肝癌.患者今日上午在介入手术室行局麻下经右股动脉穿刺插管肝动脉化疗术,术程顺利,无并发症.详情见手术记载.注意不雅察穿刺点情况和右侧足背动脉搏动,右下肢制动8小时,并注意监测各项生命体征,行护肝对症治疗.患者今日清晨急诊全麻在DSA室行腹主动脉及双侧髂动脉取栓及右侧髂动脉成型术,术中切开双侧股动脉,取出大量血栓,并于右侧髂动脉植入2枚血管支架,术程顺利,无并发症,术毕安慰病房,行抗凝、抗炎、呵护肾功效等对症治疗,监测生命体征.患者今日上午在介入手术室局麻下行经皮穿刺左下肢静脉曲张泡沫硬化治疗术,术程顺利,无并发症.详情见手术记载.注意不雅察穿刺点情况和侧足背动脉搏动,左下肢制动2小时,并注意监测各项生命体征,行抗血小板等对症治疗.患者今日上午局麻在介入手术室行经左下肢静脉造影及下腔静脉滤器置入术,术中见左下肢深静脉大量血栓形成,于下腔静脉内置入一枚腔静脉滤器,术程顺利,无并发症.详情见手术记载.注意不雅察穿刺点情况和右侧足背动脉搏动,并注意监测各项生命体征,行抗凝,溶栓对症治疗.肾造瘘患者今日上午在介入手术室局麻下行经皮穿刺右肾造瘘置管术,术程顺利,术中于右肾及输尿管上段置入一枚10F多侧孔引流管,无并发症.详情见手术记载.术毕安返病房,平卧24小时,注意不雅察穿刺点及引流管情况,并注意监测各项生命体征,行止血对症治疗.患者今日上午在介入手术室局麻下行经皮穿刺左肾造瘘置管术,术程顺利,术中于左肾及输尿管上段置入一枚10F多侧孔引流管,无并发症.详情见手术记载.术毕安返病房,平卧24小时,注意不雅察穿刺点及引流管情况,并注意监测各项生命体征,行止血对症治疗.术后小结—脑血管今日约15:00到15:55在介入手术室行局麻下全脑血管造影术,术程顺利,无并发症.详情见手术记载.嘱回病房后卧床24小时,注意不雅察穿刺点情况和右侧足背动脉搏动,并注意监测各项生命体征.患者今日约下午全麻在介入手术室行全脑血管造影+动脉瘤栓塞术,术中行支架帮助栓塞动脉瘤,术程顺利,无并发症.详情见手术记载.嘱回病房后卧床24小时,注意不雅察穿刺点情况和右侧足背动脉搏动,并注意监测各项生命体征,行抗凝、抗血小板、抗脑血管痉挛等对症治疗.患者今日约上午局麻在介入手术室行左枕叶AVM栓塞术,术中栓塞2条大脑后动脉供血动脉,术程顺利,无并发症.详情见手术记载.嘱回病房后卧床24小时,注意不雅察穿刺点情况和右侧足背动脉搏动,并注意监测各项生命体征,行脱水、掌握血压、抗脑血管痉挛等对症治疗.食管球囊扩大术后患者今日上午局麻在DSA室行食管狭窄球囊扩大术,术中见吻合口显著狭窄,行5x25球囊重复扩大食管3次,术程顺利,详见手术记载,术毕安返病房,行止血对症治疗,监测生命体征,进食流质.术后小结—肾造瘘今日上午约10:10到10:45在介入手术室行局麻下经皮左肾穿刺造瘘术,术程顺利,无并发症.详情见手术记载.嘱回病房后卧床24小时,注意不雅察穿刺点情况和引流管护理,并注意监测各项生命体征.患者今日上午局麻在介入手术室行经皮右肾穿刺造瘘术,术中于右肾及右输尿管上段置入一枚10F引流管,术程顺利,无并发症.详情见手术记载.嘱回病房后卧床12小时,注意不雅察穿刺点情况和引流管护理,并注意监测各项生命体征,行止血对症治疗;术后诊断:右肾结石.术后小结---粒子小结今日上午约11:30到12:10在CT室行经皮肝穿刺粒子植入术,共植入I125粒子30粒.术程顺利,无并发症.术中预防性静脉注射蛇毒血凝酶1单位.详情见手术记载.嘱回病房后卧床24小时,予以护肝、对症处理,注意医护人员及患者家眷的射线防护,并亲密监测各项生命体征术后小结—下肢动脉患者今日中午在介入手术室局麻下行左侧下肢动脉造影+血管成形术,术程顺利,无并发症.术中植入一枚6x10血管支架,详情见手术记载.术毕安返病房,左下肢制动12小时,注意不雅察穿刺点情况和双侧足背动脉搏动,并注意监测各项生命体征,行抗凝、抗血小板、活血等对症治疗.术后小结—下肢静脉造影+滤器患者今日上午局麻在介入手术室行左侧下肢静脉造影+下腔静脉滤器植入术,术程顺利,无并发症.详情见手术记载.术毕安返病房,注意不雅察穿刺点情况和右侧足背动脉搏动,并注意监测各项生命体征,行抗凝、溶栓对症治疗.术后小结—PTCD今日清晨在介入手术室行PTCD术,术程顺利,术中在右肝管和肝总管内放置8F外引流管一条.嘱回病房后注意监测各项生命指征,不雅察引流量,防止出现严重的并发症.患者仰卧DSA台上,肝区消毒、铺巾,右侧9-10肋间隙腋中线为穿刺点局麻,采取cook公司PTCD微穿刺套装,穿刺右侧肝内胆管,造影示肝内胆管及胆总管扩大,引入微导丝,经导丝引入5F导管至肝总管,造影示胆总管中下段狭窄,内见不规矩结石负影,经泥鳅导丝合营,成功将导丝引入十二指肠,经导丝在右肝管、肝总管及胆总管内置10.2F表里结合引流管,经引流管内造影,可见:右肝管、肝总管及胆总管显影,十二指肠亦显影.整个术程顺利,术中患者无不适,术毕固定引流管接袋,安返病房.术后小结—肝囊肿今日上午约8:50到9:35在介入手术室行经皮肝囊肿酒精消融术,术程顺利,无并发症.详情见手术记载.嘱回病房后注意不雅察穿刺点情况和引流管护理,并注意监测各项生命体征.患者今日上午局麻在介入手术室行经皮右肝囊肿酒精消融术,术中抽出清亮液体约150ml,术程顺利,无并发症.详情见手术记载.术毕安返病房,嘱俯卧4小时,注意不雅察穿刺点情况,并注意监测各项生命体征,行护肝对症治疗.术后小结---输液港今日上午约10:10到11:10在介入手术室行局麻下经皮输液港植入术,术程顺利,无并发症.详情见手术记载.嘱回病房后卧床24小时,注意不雅察穿刺点情况,并注意监测各项生命体征,术区增强换药.肺活检记载今日中午12:30至12:45患者在介入手术室行右上肺肿物穿刺活检术.患者呈仰卧位,右侧胸部消毒铺巾,选择第3-4肋间腋中线为穿刺点,2%利多卡因5ml局麻后,采取20G一次性穿刺活检枪在透视定位下穿刺右上肺肿块,共穿刺二次,取出组织粒2条,已送病检.术中病人无特殊不适.术后不雅察20分钟,未见气胸、肺出血等并发症,病人安返病房.术后卧床24小时,亲密不雅察呼吸、血压等生命体征.右肾造瘘患者俯卧DSA台上,右肾区消毒、铺巾,右12肋下右侧腋后线为穿刺点,局麻,21G细针穿刺右肾下盏,造影示右输尿管上段结石,右肾肾盂肾盏显著扩大积液,经21G细针套管置入微导丝于右肾盂内,交流使用19G套管针经微导丝穿刺右肾下盏,造影证实位置优越后,导丝合营,成功将导丝引入膀胱,扩大穿刺通道,经导丝引入一枚7F多侧孔引流管,引流管越过结石,远端位于右侧输尿管上段,复查造影示引流管位置优越,引流畅畅,术程顺利,术中患者无不适,术毕固定引流管接袋,安返病房.患者俯卧DSA台上,右肾区消毒、铺巾,右12肋下右侧腋后线为穿刺点,局麻,21G细针穿刺右肾下盏,造影示右输尿管启齿处结石负影,19G套管针穿刺右肾下盏,造影证实位置优越后,多处测验测验,未能将导丝引入输尿管,遂将导丝引入右肾上盏,扩大穿刺通道,经导丝引入一枚10F多侧孔引流管,引流管远端位于右右肾上盏,复查造影示引流管位置优越,引流畅畅,术程顺利,术中患者无不适,术毕固定引流管接袋,安返病房.右肾造瘘---中盏和下盏患者俯卧DSA台上,右肾区消毒、铺巾,右11-12肋下右侧腋后线为穿刺点,局麻,21G细针穿刺右肾中盏,造影见右侧输尿管显影;19G套管针穿刺右肾中盏,造影证实位置优越后,导丝合营,成功将导丝引入膀胱,扩大穿刺通道,经导丝引入一枚10F多侧孔引流管,远端位于右侧输尿管上段,复查造影示引流管位置优越,引流畅畅.同法,以右11-12肋下右侧腋后线为穿刺点,穿刺右肾上盏,经右肾上盏、肾盂和右侧输尿管上段置入EV套管,造影示EV套管位置优越,引流畅畅.术程顺利,术中患者无不适,术毕固定引流管接袋,安返病房.左肾造瘘---肾盏极端扩大---导管置入左肾盏患者俯卧DSA台上,左肾区消毒、铺巾,左12肋下左侧腋后线为穿刺点,局麻,21G细针穿刺左肾中盏造影,可见左肾盂肾盏重度扩大,左侧输尿管上段见结石影,中下段输尿管未见显影;采取19G套管针穿刺左肾中盏,造影证实位置优越后,送入导丝进入左输尿管,扩大通道,经导丝置入一根10F多侧孔引流管,引流管远端位于左肾盂内,复查造影,示引流管位置优越,引流畅畅.术程顺利,术中患者无不适,术毕固定引流管接袋,安返病房.左肾造瘘---中盏和下盏患者俯卧DSA台上,左肾区消毒、铺巾,选择左11-12肋下腋后线为穿刺点,1%利多卡因5ml局麻,21G细针穿刺左肾下盏造影,可见左肾盂肾盏极端扩大,左输尿管上段见一结石梗阻;此时患者诉左肾区胀痛,穿刺针见深红色液体流出,患者心率降至40次/分钟,血压正常,斟酌有血管损伤,立刻赐与阿托品0.5mgiv、蛇毒血凝酶1单位iv,心率恢复至75次/分钟,出血停止.随后改换穿刺点,采取19G套管针穿刺左肾下盏,造影证实位置优越后,送入导丝进入左输尿管,但我能越过结石.扩大通道,经导丝置入一根10F多侧孔引流管,引流管远端位于左肾下盏内.整个术程顺利,术中出血约20ml,患者血压稳定在正常规模.术毕固定引流管接袋,安返病房.患者俯卧DSA台上,左肾区消毒、铺巾,左11-12肋下左侧腋后线为穿刺点,局麻,21G细针穿刺左肾中盏,造影见左侧输尿管显影;19G套管针穿刺左肾中盏,造影证实位置优越后,导丝合营,成功将导丝引入膀胱,扩大穿刺通道,经导丝引入一枚10F多侧孔引流管,远端位于左侧输尿管上段,复查造影示引流管位置优越,引流畅畅.同法,以左12肋下左侧腋后线为穿刺点,穿刺左肾下盏,经左肾下盏、肾盂和左肾上盏置入EV套管.术程顺利,术中患者无不适,术毕固定引流管接袋,安返病房.左肾造瘘---上盏和下盏患者俯卧DSA台上,左肾区及引流管消毒、铺巾,经左侧肾造瘘管注入造影剂艰苦,遂采取导丝重复疏通左侧肾造瘘管后,注入造影剂,可见造瘘管远端位于左肾盏内,遂引入导丝将肾造瘘管远端位于左肾盂内,经造瘘管内流出淡黄色尿液约180ml.固定引流管.术程顺利,术中患者无不适,术毕固定引流管接袋,安返病房.左肾造瘘---调管术患者俯卧DSA台上,左肾区消毒、铺巾,左12肋下左侧腋后线为穿刺点,局麻,21G细针穿刺左肾中盏,造影示左肾盂结石负影,19G套管针穿刺左肾中盏,造影证实位置优越后,导丝合营,成功将导丝引入膀胱,扩大穿刺通道,经导丝引入一枚10F多侧孔引流管,引流管越过结石,远端位于左侧输尿管上段,复查造影示引流管位置优越,引流畅畅,术程顺利,术中患者无不适,术毕固定引流管接袋,安返病房.左肾造瘘-取石患者俯卧DSA台上,左肾区消毒、铺巾,左12肋下左侧腋后线为穿刺点,局麻,21G细针穿刺左肾中盏,造影示左肾盂结石负影,19G套管针穿刺左肾中盏,造影证实位置优越后,导丝合营,成功将导丝引入膀胱,扩大穿刺通道,经导丝引入一枚10F多侧孔引流管,引流管越过结石,远端位于左侧输尿管上段,复查造影示引流管位置优越,引流畅畅,术程顺利,术中患者无不适,术毕固定引流管接袋,安返病房.患者俯卧DSA台上,左肾区消毒、铺巾,左12肋下左侧腋后线为穿刺点,局麻,21G细针穿刺左肾中盏,造影示左输尿管上段结石负影,引入微导管,经微导丝置入19G套管针,拔出针心及微导丝,造影证实位置优越后,经泥鳅导丝合营,成功将导丝引入膀胱,扩大穿刺通道,经导丝引入一枚10F多侧孔引流管,引流管远端位于左侧输尿管上段结石上方,复查造影示引流管位置优越,引流畅畅,术程顺利,术中患者无不适,术毕固定引流管接袋,安返病房.左肾造瘘---中盏和下盏患者俯卧DSA台上,左肾区消毒、铺巾,左12肋下左侧腋后线为穿刺点,局麻,21G细针穿刺左肾中盏,造影示左肾盂及左输尿管上段显影,遂采取19G套管针穿刺左肾中盏,造影可见:左肾盂及肾盏显影,左输尿管全程显影,成功将导丝引入膀胱,扩大穿刺通道,经导丝引入一枚10F多侧孔引流管,远端位于左侧输尿管上段,复查造影示引流管位置优越,引流畅畅,术毕固定引流管接袋.同法,以左12肋下左侧腋后线为穿刺点,穿刺左肾下盏,在左肾下盏置入EV套管.术程顺利,术中患者无不适,术毕固定引流管接袋,安返病房.左肾造瘘—急性肾衰患者俯卧DSA台上,左肾区消毒、铺巾,左12肋下左侧腋后线为穿刺点,局麻,21G细针穿刺左肾中盏,造影示左肾盂及左输尿管上段显影,遂采取19G套管针穿刺左肾中盏,造影可见:左肾盂及肾盏显影,左输尿管中上段亦显影,左输尿管盆腔段未见显影,成功将导丝引入膀胱,扩大穿刺通道,经导丝引入一枚10F多侧孔引流管,远端位于左侧输尿管上段,复查造影示引流管位置优越,引流畅畅,术程顺利,术中患者无不适,术毕固定引流管接袋,安返病房.左肾囊肿患者俯卧DSA台上,左肾区消毒、铺巾,左12肋下左侧腋后线偏背侧2cm为穿刺点,局麻,21G细针穿刺左肾下部,造影示左肾外下极直径约 5.5cm的囊肿,遂采取19G套管针穿刺左肾下部,造影可见:左肾下部囊肿,可见尿液流出,抽出约100ml淡黄色囊液,迟缓注入95%酒精,重复冲洗,直至冲洗液清亮,病人无特殊不适.术程顺利,拔出套管,方纱笼罩穿刺点,病人安返病房.肝囊肿—左叶患者仰卧DSA台上,中上腹部消毒、铺巾,剑突下近中线穿刺点局麻,采取21G细针穿刺肝左叶囊肿,可见清亮囊液流出,注入造影剂可见类圆形囊肿显影,遂采取19G套管针穿刺肝左叶囊肿,引流出囊液约50ml,采取95%酒精重复冲洗,直至囊液清亮为止.同法,左侧10-11肋间隙腋中线为穿刺点局麻,采取21G细针穿刺肝左叶囊肿,注入造影剂伟大囊肿显影,遂采取19G套管针穿刺肝左叶囊肿,引流出约220ml清亮囊液,迟缓注入95%酒精,重复冲洗,直至冲洗液清亮,病人无特殊不适.术程顺利,拔出套管,方纱笼罩穿刺点,病人安返病房.右肝囊肿患者仰卧DSA台上,肝区消毒、铺巾,右侧腋中线10-11肋间隙为穿刺点局麻,采取21G细针穿刺肝右叶囊肿,可见清亮囊液流出,注入造影剂可见类圆形囊肿显影,遂采取19G套管针穿刺肝右叶囊肿,引入导丝,经导丝注入猪尾导管,抽出清亮囊液约150ml后,采取95%酒精重复冲洗,直至囊液清亮为止.病人无特殊不适.术程顺利,拔出导管,方纱笼罩穿刺点,病人安返病房.无水酒精消融患者仰卧DSA台上,右侧颈部消毒、铺巾,右侧颈部肿块穿刺局麻,采取9号注射针不合偏向穿刺共注入无水酒精10ml+碘油3ml.病人无特殊不适.术程顺利,方纱笼罩穿刺点,病人安返病房.血管瘤直接穿刺患者俯卧DSA手术台上,左侧背部消毒铺巾,左侧腋后线肿块突出显著处局麻,7号头皮针穿刺血管瘤,回抽见血液,注入造影剂行血管瘤造影,清晰显示瘤巢及供血动脉,引流静脉,注入平阳霉素4mg、1:4配比的聚桂醇泡沫硬化剂10ml,同法穿刺另一处,注入平阳霉素4mg、聚桂醇泡沫硬化剂8ml,术程顺利,术中患者无不适,术毕拔针,包扎伤口,安慰病房.肝囊肿—左叶患者呈仰卧位,赐与心电监护,通例左侧胁肋部消毒铺巾,在X线透视下选择腋中线第10-11肋间为穿刺点,采取21G 细针穿刺左肝囊肿,见清亮囊液流出后,注入造影剂可见肝左叶伟大囊肿,直径约10cm.采取19GEV穿刺套管针穿刺肝左叶囊肿,抽出350ml囊液后,重复使用95%酒精冲洗囊腔,直至冲洗液变清.病人无特殊不适.术程顺利,方纱笼罩穿刺点,病人安返病房.右肾囊肿×3.2cm.采取19GEV穿刺套管针穿刺右肾囊肿,抽出15ml囊液后,重复使用95%酒精冲洗囊腔,直至冲洗液变清.病人无特殊不适.术程顺利,方纱笼罩穿刺点,病人安返病房.肝脓肿—左叶患者仰卧DSA台上,中上腹部消毒、铺巾,左9-10肋下左侧腋中线偏后侧为穿刺点,采取21G细针穿刺肝左叶脓腔,可见脓液流出;遂采取19G套管针穿刺肝左叶脓肿,拔出针芯,可见黄色粘稠脓液流出,抽出约80ml黄色粘稠脓液,做厌氧和需氧菌造就,引入导丝,经导丝引入8.5F外引流管,经引流管重复冲洗甲硝唑,至至冲洗液清亮,病人无特殊不适.术程顺利,固定引流管,方纱笼罩穿刺点,病人安返病房.肝脓肿—右叶患者仰卧DSA台上,中上腹部消毒、铺巾,右9-10肋下腋中线为穿刺点,采取21G细针穿刺膈下脓腔,可见黄色脓液流出;遂采取19G套管针穿刺肝右叶脓肿,拔出针芯,可见黄色粘稠脓液流出,抽出约210ml黄色粘稠脓液,做厌氧和需氧菌造就,引入导丝,经导丝引入8.5F外引流管,经引流管用甲硝唑200ml+庆大霉素16万单位重复冲洗脓腔,至冲洗液清亮,病人无特殊不适.术程顺利,固定引流管,方纱笼罩穿刺点,病人安返病房.左肾动脉造影+左肾造瘘管调剂术患者呈仰卧位,赐与心电监护,通例双侧腹股沟区和会阴部消毒铺巾,左股动脉腹股沟韧带区局麻,穿刺左股动脉后置入5F血管鞘,行左肾动脉造影,可见:左肾动脉稍细小,实质期左肾下极显示稍欠佳,未见显著出血征象,遂行猪尾巴造影,可见:左肾动脉显影,未见副肾动脉显影.经左肾造瘘管造影,可见:造瘘管远端位于肾盂内,未见周围静脉显影.遂引入导丝至膀胱内,经导丝将原造瘘管置入输尿管下段.术毕拔管,压迫止血,加压包扎.病人安返病房.左肾动脉造影+肾动脉出血止血患者呈仰卧位,赐与心电监护,通例双侧腹股沟区和会阴部消毒铺巾,左股动脉腹股沟韧带区局麻,穿刺左股动脉后置入5F血管鞘,行左肾动脉造影,可见:左肾动脉中部分支可见假性动脉瘤,并可见动静脉瘘,动脉期肾静脉和下腔静脉显影.遂超选择该假性动脉瘤供血动脉,释放3mm×3cm钢圈两个,并迟缓注入少许明胶海绵颗粒,复查造影未见假性动脉瘤显影,左肾动脉各个分支未见显著出血征象,未见造影剂滞留和外溢.术毕拔管,压迫止血,加压包扎.病人安返病房左肾动脉出血---PVA患者呈仰卧位,赐与心电监护,通例双侧腹股沟区和会阴部消毒铺巾,右股动脉腹股沟韧带区局麻,穿刺右股动脉后置入5F血管鞘,行左肾动脉造影及分支超选择造影,可见:左肾动脉上部分支走形形态大致正常,未见显著造影剂滞留及外溢现象;左肾动脉下部分支大约造瘘管留置处见细小动脉呈截断状,并可见动静脉瘘,似见造影剂滞留,遂超选择该分支动脉,注入数粒PVA700um,再次造影未见动静脉瘘,未见造影剂滞留和外溢.术毕拔管,压迫止血,加压包扎.病人安返病房.左肾动脉狭窄—支架植入术×8mm,左肾显著萎缩变小,遂引入5F导管,行左肾动脉造影,可见:左肾动脉中远段和主要分支走形形态大致正常,实质期肾脏未见显著异常征象.全身肝素化,引入6F指引导管至左肾动脉起始段,.014微导丝成功越过狭窄进入左肾动脉分支,造影证实位置优越,丈量左肾动脉大小,在左肾动脉狭窄段置入5mm×18mm支架一枚,定位准确后,成功释放,复查造影可见支架位置优越,左肾动脉血流正常,未见显著扩大和狭窄.术毕拔管,压迫止血,加压包扎.病人安返病房.右肾动脉造影—未见出血患者呈仰卧位,赐与心电监护,通例双侧腹股沟区和会阴部消毒铺巾,右股动脉腹股沟韧带区局麻,穿刺右股动脉后置入5F血管鞘,行右肾动脉及主要分支超选择DSA造影,可见:右肾动脉主干及主要分支走形形态大致正常,未见显著造影剂外溢和滞留,各个分支未见显著出血征象,未见显著静脉早显和动静脉瘘征象.术毕拔管,压迫止血,加压包扎.病人安返病房.肝癌手术记载患者今日上午在介入手术室行局麻下经右股动脉穿刺插管肝动脉化疗术,术程顺利,无并发症.详情见手术记载.注意不雅察穿刺点情况和右侧足背动脉搏动,右下肢制动8小时,并注意监测各项生命体征,行护肝对症治疗.肝癌手术记载+PVA颗粒患者呈仰卧位,赐与心电监护,通例双侧腹股沟区和会阴部消毒铺巾,右股动脉腹股沟韧带区局麻,穿刺右股动脉后置入5F血管鞘,行腹腔干动脉及肝总动脉DSA造影,可见:肝动脉增粗迂曲,实质期肝左叶见结节状肿瘤染色,可见静脉早显及动静脉瘘,遂采取微导管超选择插管肿瘤的供血动脉内,迟缓注入适量PVA700um适量+THP10mg+MMC2mg+艾恒50mg的混悬液,复查造影可见肿瘤染色和动静脉瘘显著削减.在肝总动脉内迟缓灌注艾恒50mg,THP20mg和MMC4mg,术中患者无特殊不适.术毕拔管,压迫止血,加压包扎.病人安返病房.肝癌手术记载---肠系膜上动脉供血患者呈仰卧位,赐与心电监护,通例双侧腹股沟区和会阴部消毒铺巾,右股动脉腹股沟韧带区局麻,穿刺右股动脉后置入5F血管鞘,行腹腔干动脉及肠系膜动脉DSA造影,可见:腹腔动脉单独发出脾动脉,肝动脉由肠系膜动脉发出,。
经桡动脉脑血管造影手术记录哎呀,说到这次的经桡动脉脑血管造影手术,真是一段波澜壮阔的经历啊!想想吧,早上刚吃了两口包子,心里还想着今天的阳光不错,就这么轻松愉快地走进医院。
结果一进去,哎呦,护士小姐姐笑得特别甜,真是让人心里暖暖的。
可她一说:“你要做造影哦”,我这心一下子就咯噔一下,紧张得不行,感觉有点像老鼠被猫盯上了,腿都有点发抖。
先是让填表,真是心里那叫一个五味杂陈,表格上各种问题,我恨不得给自己写个个人简介,免得解释半天。
填完了,护士告诉我:“待会儿要给你打麻药哦。
”我一听,心里又是一紧,脑子里瞬间闪过无数个“打针”的画面,那种刺痛的感觉,想想就有点发怵。
可惜啊,人生就是这么奇妙,想到自己未来的大脑能变得更健康,忍一忍也是值得的嘛。
进手术室的时候,哇塞,那设备简直让人眼花缭乱,各种仪器比我的厨房还复杂。
我坐在手术台上,心里一边念叨着“别紧张,别紧张”,一边瞅着旁边的医生。
他们个个白大褂飘飘,像超级英雄一样,瞬间让我觉得安全感满满。
然后医生就开始了各种准备工作,那个导管看上去像是从科幻电影里拿出来的,我心里直打鼓,想:“这玩意儿真能放进去?”终于,麻药打上去,肢体开始有点发麻,我觉得自己仿佛变成了一只被麻醉的熊猫,怎么都动不了。
可是奇怪的是,脑袋还是清醒得很,旁边的医生跟我聊天,让我分散注意力。
“你知道吗,这个手术其实很快的,十来分钟就好了。
”他这么一说,我心里稍微安定了点,像是找到了那颗漂浮的心。
然后就感觉到一点点微微的压力,就像是有人在捏我的手臂,没什么大不了的。
在手术过程中,医生们一边忙活,一边聊着天,气氛还真挺轻松的。
我也想插几句,可惜嘴里麻麻的,简直像个不爱讲话的老大爷。
然后,突然听到医生说:“好,完成了!”心里那叫一个高兴,仿佛刚打了一场胜仗,瞬间感觉全身都轻松了。
好嘛,手术结束,我立马忍不住想问:“我能不能马上吃东西?”真是被饿得心焦。
护士姐姐帮我把所有东西都撤掉,真是感觉回到了人间。
实验名称:脑血管介入实验实验日期:2023年4月15日实验地点:神经介入室实验者:张三(主治医师)、李四(住院医师)、王五(护士)实验目的:1. 了解脑血管介入的基本原理和操作流程。
2. 掌握脑血管介入器械的使用方法。
3. 观察并记录脑血管介入过程中的各项指标。
实验材料:1. 脑血管介入手术包2. 数字减影血管造影(DSA)设备3. 导管、导丝、球囊、支架等介入器械4. 抗凝药物、溶栓药物等抢救药品5. 生理盐水、肝素钠等注射药物6. 心电监护仪、血压计等监护设备实验方法:1. 患者术前准备:对患者进行常规检查,包括血压、心率、血糖、肝肾功能等,确保患者符合手术条件。
2. 术前沟通:向患者及其家属详细讲解手术过程、风险及注意事项,签署知情同意书。
3. 手术过程:a. 患者取仰卧位,常规消毒铺巾。
b. 局部麻醉,穿刺血管,插入导管。
c. 行DSA血管造影,了解病变部位、范围及程度。
d. 根据病变情况,选择合适的介入器械,如球囊、支架等。
e. 通过导管将介入器械送至病变部位,进行扩张、支架释放等操作。
f. 术后造影复查,确认病变部位是否得到有效治疗。
4. 术后处理:观察患者生命体征,记录出血、感染等并发症发生情况。
实验结果:1. 患者一般情况良好,血压、心率、呼吸等生命体征平稳。
2. 手术过程顺利,成功完成病变部位血管扩张、支架释放等操作。
3. 术后造影复查显示,病变部位血管通畅,血流恢复良好。
4. 患者术后恢复良好,无严重并发症发生。
实验讨论:1. 脑血管介入手术具有微创、恢复快、疗效显著等优点,已成为治疗脑血管疾病的重要手段。
2. 在手术过程中,正确选择介入器械、掌握操作技巧至关重要。
3. 术前充分准备、术中密切监护、术后及时处理,可有效降低手术风险,提高手术成功率。
4. 随着介入技术的不断发展,未来脑血管介入手术将更加精细化、个体化。
实验结论:本次脑血管介入实验成功完成,患者术后恢复良好,未发生严重并发症。
术后小结—肝癌基本信息:XX手术名称、方式:肝动脉腔内栓塞术+腹腔动脉化疗灌注术麻醉方式:局部浸润麻醉手术经过:术中详见手术记录。
术程顺利,术中患者生命体征平稳。
术中出血约10ml,术后患者安返病房。
术后诊断:直肠癌切除术后、肝转移性恶性肿瘤术后处理及注意事项:注意观察穿刺点情况和右侧足背动脉搏动,并注意监测各项生命体征,行护肝、镇痛、镇吐等对症治疗。
患者今日上午局麻在介入手术室行经右股动脉穿刺插管肝动脉栓塞化疗术,术程顺利,无并发症。
详情见手术记录。
注意观察穿刺点情况和右侧足背动脉搏动,并注意监测各项生命体征,行护肝对症治疗;术后诊断:肝癌。
患者今日上午在介入手术室行局麻下经右股动脉穿刺插管肝动脉化疗术,术程顺利,无并发症。
详情见手术记录。
注意观察穿刺点情况和右侧足背动脉搏动,右下肢制动8小时,并注意监测各项生命体征,行护肝对症治疗。
患者今日凌晨急诊全麻在DSA室行腹主动脉及双侧髂动脉取栓及右侧髂动脉成型术,术中切开双侧股动脉,取出大量血栓,并于右侧髂动脉植入2枚血管支架,术程顺利,无并发症,术毕安抚病房,行抗凝、抗炎、保护肾功能等对症治疗,监测生命体征。
患者今日上午在介入手术室局麻下行经皮穿刺左下肢静脉曲张泡沫硬化治疗术,术程顺利,无并发症。
详情见手术记录。
注意观察穿刺点情况和侧足背动脉搏动,左下肢制动2小时,并注意监测各项生命体征,行抗血小板等对症治疗。
患者今日上午局麻在介入手术室行经左下肢静脉造影及下腔静脉滤器置入术,术中见左下肢深静脉大量血栓形成,于下腔静脉内置入一枚腔静脉滤器,术程顺利,无并发症。
详情见手术记录。
注意观察穿刺点情况和右侧足背动脉搏动,并注意监测各项生命体征,行抗凝,溶栓对症治疗。
肾造瘘患者今日上午在介入手术室局麻下行经皮穿刺右肾造瘘置管术,术程顺利,术中于右肾及输尿管上段置入一枚10F多侧孔引流管,无并发症。
详情见手术记录。
术毕安返病房,平卧24小时,注意观察穿刺点及引流管情况,并注意监测各项生命体征,行止血对症治疗。
脑血管介入治疗报告单模板1. 患者信息
- 姓名:
- 年龄:
- 性别:
- 就诊日期:
- 就诊医院:
2. 临床诊断
- 主要病症:
- 其他相关病史:
3. 治疗过程
描述患者脑血管介入治疗的具体过程。
包括以下内容:3.1 术前准备
- 患者在进食和药物使用上需要特别注意的事项。
- 术前检查结果,包括血常规、肾功能、心电图等。
3.2 治疗方案
- 介入治疗方案,包括使用的设备、药物等相关信息。
3.3 治疗操作
- 描述治疗过程中的具体操作步骤。
- 记录手术时间、麻醉方式等细节。
3.4 术后处理
- 患者的术后恢复情况。
- 术后所需的特殊护理措施,如卧床休息、饮食控制等。
4. 治疗效果
- 对患者病情的改善或治疗效果进行客观评估。
5. 注意事项
- 对患者术后注意事项的提醒,如禁酒禁烟、定期复查等。
6. 后续随访
- 安排患者的后续随访计划。
- 记录下次随访的时间和地点。
7. 备注
- 其他需要补充说明的内容。
请根据实际情况填写以上内容,并及时更新相关信息,以便于患者的治疗和健康管理。