无铅波峰焊锡炉操作规程----20101028
- 格式:doc
- 大小:928.50 KB
- 文档页数:5
波峰焊操作规程引言波峰焊是一种常见的电子元器件表面贴装技术,与手工焊接相比,波峰焊可以提高焊接效率、焊缝的可靠性和美观度。
但在波峰焊操作过程中,需要严格遵循一系列规程和操作流程,以确保焊接的质量和稳定性。
本文档旨在介绍波峰焊的基础原理和具体操作规程,供波峰焊操作人员参考并执行。
基础原理波峰焊利用熔化后的焊锡在熔融锡池中形成一定的出锡量和出锡速度,通过焊滴和焊电弧的作用将焊锡附着在PCB表面,从而实现焊接。
为了保证焊接质量,需要控制焊接速度、出锡量和出锡时间等参数。
具体原理和参数如下:•焊锡的熔点约为230-240摄氏度,因此需要对焊接温度进行控制,通常在200-250摄氏度之间。
•在焊接过程中,焊锡的出锡量应该符合PCB表面金属触垫的大小和间距,以确保焊接良好。
•出锡速度应该尽量保持稳定,避免出现过快或过慢的情况。
•同时需要控制出锡时间,一般在2-5秒左右。
操作规程存储和准备工作•确认焊板名称、批号、代码、数量等信息,对不同批次或类型的PCB进行分类储存。
•检查焊接设备的安全性能,检查控制面板是否正常工作,焊咀是否正常,波峰高度是否适当,在运行前进行灰度和电压等调试。
•选择合适的焊条和缸体,在波峰焊预热10-15分钟后进行操作。
焊锡涂覆•首先将焊锡涂于焊锡池浸泡板上,确保焊池温度保持在200-250摄氏度之间。
•抬起板面,在焊锡池的整个涂覆板面覆盖并均匀散热,检查涂覆的均匀性,并保持板的温度。
输送传送•操作前检查合适的工件方式,一般采用钢网传送,以实现工件自动运输,在送入波峰之前检查工件方向和位置,保证工件放置正确。
•操作人员需要配合机器工作,控制数量和流速,确保稳定。
并随时调节输送速度或停止输送。
刷焊•确认工件位置,将工件放在焊极中心点上。
开启机器,确保刷焊的正常程度和良好连接。
•通过焊接工艺控制器调整质量和工艺参数,以保证焊接质量和稳定性。
•防止过冷,做好刷碾辊刷刷头的调整和更换。
焊头清理和保养•防止焊头车毁人亡,进行安全防范,正常停止机器后及时对焊头进行清理和保养。
锡炉作业操作规程(ISO9001-2015/ISO45001-2018)一、目的规范锡炉之使用。
二、范围凡本作业提及之锡炉均属之。
三、使用步骤1.操作前二小时,须将锡电热开关打开,使其加热,有铅温控开关设定为250℃±5℃。
实际锡温须为设定值的±5℃之间,作业前须使用仪器测量锡面温度是否在设定值的±5℃之内。
2.操作前二小时,须将锡电热开关打开,使其加热,无铅温控开关设定为260℃±5℃。
实际锡温须为设定值的±5℃之间,作业前须使用仪器测量锡面温度是否在设定值的±5℃之内。
3.操作前三十分钟,须将电热器打开,以温度电表测试PCB之板温达到客户产品之要求,并使锡炉内之PCB能达到工作温度,并记录于《锡炉使用记录表》内。
4.为免洗制程,则须调整喷头往反速度之压力及喷头喷雾压力和喷量及FLUX 之酸值,并记录于《锡炉使用记录表》。
5.使用时依各机板之需求调整各项参数,使成品达到最佳状况。
6.使用二小时后,需将锡槽中之锡渣捞除,并加入适量锡条,使锡面维持正常高度。
7.1使用完毕后:首先将锡波关闭,捞除锡渣并加入适量之锡条,使第二日能立即使用,然后泄下助焊剂、清洗助焊剂槽,再将滚筒净泡于纯稀释中。
7.2使用完毕后:首先将锡波关闭,捞除锡渣并加入适量之锡条,使第二日能立即使用。
然后泄下喷头,用清洁剂+AIR清洁并检查滤心是否需要更换及拆下吸风罩滤网,将吸风罩滤网净泡于纯稀释中。
8.关闭电热器开关。
并依需求设定定时开关,使其能自动工作,以发挥减少人力之能力。
9.各项范围值配合客户需求或视机种如下:a、转速:1.3M/min-2.3M/min。
b、流量:40CC/MIN-60CC/MIN。
c、喷头往返速度压力:0.2㎏/cm2-0.8㎏/cm2(适用于B线)。
d、喷头喷雾压力:0.05㎏/cm2-0.15㎏/cm2(适用于B线)e、预热温度前段300℃±50℃;后段330℃±50℃。
波峰焊操作规程波峰焊是一种常用于电子元器件的焊接方式,主要应用于印刷电路板(PCB)的组装过程中。
波峰焊操作规程是指在进行波峰焊工艺时所需要遵守的规范和操作流程。
下面是一份关于波峰焊操作规程的大致内容,以供参考:一、工艺流程1. 前期准备:- 检查设备的工作状态和焊接工具的完好程度。
- 检查焊接材料的存放情况,确保其质量和数量。
- 清洁焊接区域,确保无灰尘和杂物。
2. PCB准备:- 检查PCB的尺寸和表面的平整程度。
- 清洁PCB的表面,确保无油污或划痕。
- 检查PCB上的元器件位置是否正确,无误差。
3. 准备焊接材料:- 检查焊盘的质量,确保无翘曲、斑点或孔隙。
- 配置焊接剂,确保其粘稠度和涂覆面积适当。
4. 设定焊接工艺参数:- 根据焊接材料和PCB的要求,设定合适的焊接温度和时间。
- 确保焊接参数的准确性和稳定性。
5. 进行焊接:- 将PCB放置在焊接机上,并根据设备的要求夹紧。
- 使用自动或手动程序,将PCB送入预热区。
- 当PCB达到预设的焊接温度时,将其送入波峰区。
- PCB在波峰区停留适当时间,以确保焊接质量。
- 将焊接完成的PCB从波峰区取出,静置冷却。
6. 检查和维护:- 对焊接后的PCB进行视觉和功能检查,确保焊接质量良好。
- 定期检查和维护设备,确保其正常工作。
二、安全注意事项1. 防止触电:- 确保设备与电源接地,避免触电危险。
- 禁止将湿手或带有金属物品接近设备。
2. 防止火灾:- 防止焊接工作区域附近存在易燃物品。
- 注意焊接过程中的渣滓和烟尘,防止引发火灾。
3. 防护措施:- 确保焊接工作区域通风良好,避免吸入有害气体。
- 在进行焊接时,佩戴防护眼镜、手套和工作服等防护设备。
4. 废弃物处理:- 将焊接过程中产生的废弃物,如焊渣和焊剂,分类储存并妥善处理。
三、质量控制1. 密封性:- 确保焊接后的焊点完整且牢固,防止出现短路和断路。
- 使用无腐蚀性的焊剂,避免产生腐蚀性物质。
精心整理波峰焊安全操作规程1、目的:制定本公司安全操作规程,明确锡炉的安全使用方法。
2、基本操作1.1开机操作:确认电源打开→确认锡温达到设定值→开经济运行→开预热1、2→开运输→开波峰→开洗爪→开冷却抽风装置(气阀)→开助焊剂阀→开照明1.2关机操作:确认产品过完关闭预热→关闭波峰→关闭运输→关闭洗爪→关闭冷却抽风装置(气阀)→关闭助焊剂阀→关闭照明1.3根据生产加班安排调整开关机定时时间。
3、注意事项2.1禁止非锡炉操作人员操作,出现异常时应立即停机检查。
2.2开机前必须先确认锡温是否达到焊接要求,焊锡完全熔化前禁止开启波峰马达。
2.3开机前请将锡渣清理干净,每2小时检查并清理易堵塞的锡槽。
2.4开机前先确认助焊剂的存量;然后用牙刷或毛巾将喷头出水、出气孔粘附的松香残留刷洗干净,生产中每隔4小时须清洗一次;检查喷雾是否均匀;洗爪过滤槽每4小时清理一次。
2.5检查操作面板,确认所有的参数(预热温度、链速、波峰、喷雾)达到设定值后才能过产品。
2.6锡炉稳定后,仔细检查先过的12台产品,确认OK 后再批量过炉。
2.7锡炉出现问题时先按急停开关,再关闭预热、运输、波峰、气阀,然后取出炉内的产品。
2.8打开锡炉门操作和保养维护时一定要戴上口罩、手套等防护用品。
2.9加锡时一定要核对当前使用的锡条与锡炉内的焊锡一致后才能添加。
2.10调整波峰后要保证波峰平稳,在氧化物能流走的情况下后流尽可能小,这样可减少焊接不良,也可保证PCB 过波峰时行进速度与波峰后流速度基本一致。
2.11调整运输轨道宽窄时要注意从入口到出口宽度一致,PCB 不能卡得太松以免掉板或过波峰时停板,也不能太紧以免过炉架、钛爪变形或过卡板。
2.12过炉架须过出口4/5后才能取出,避免因拖拉导致钛爪变形。
2.13下班前须清扫台面、地面,用气枪清理设备内外灰层,整理好锡炉周边环境卫生。
2.14过炉治具、工具使用过后须放回原位,清理出的锡块应在下班前加到手浸炉。
无铅锡炉操作规程下载温馨提示:该文档是我店铺精心编制而成,希望大家下载以后,能够帮助大家解决实际的问题。
文档下载后可定制随意修改,请根据实际需要进行相应的调整和使用,谢谢!Download tips: This document is carefully compiled by theeditor. l hope that after you downloadthem,they can help yousolve practical problems. The document can be customized andmodified afterdownloading,please adjust and use it according toactual needs, thank you!无铅锡炉操作规程简述:①开机前检查:确认电源线路安全,检查锡炉各部件如马达、加热系统、控制系统是否完好,确保通风及冷却装置工作正常。
②预热设置:根据工艺要求,使用微电脑控制器设定适宜的预热温度,启动预热程序,等待炉温稳定至预设值。
③加锡与熔化:穿戴好防护装备,将无铅锡条加入钛合金槽体内,关闭炉盖,启动加热,直至锡完全熔化且温度达到工作设定点。
④温度监控:利用PID智能控制系统,密切监控实际炉温,确保温度保持在无铅焊接所需的最佳范围内(一般约为245°C~260°C),适时进行温度微调。
⑤启动运转:待锡炉达到工作温度,黑色电源开关转至自动位置,根据生产安排设置自动运行时段。
若需手动控制,保持在手动模式并按需开关。
⑥焊接作业:确保PCB板或其他焊接件平稳通过锡波,监控焊接质量,避免冷焊或桥连现象。
⑦停机与维护:作业完毕后,将电源切换至手动或关闭状态,待锡炉温度降至安全范围后进行清洁保养,定期检查喷嘴、滤网及槽体状况。
⑧安全措施:操作全程遵守安全生产规范,防止烫伤、触电及火灾事故,作业区域应保持良好通风。
编制部门:工艺工程部无铅波峰焊操作规范文件编号:RDWISB115版本号:B/1代替:----分发部门/人员:工艺部/质量部/生产部/无铅波峰焊岗位第1页—共4页111:目的:指导和规范技术员对波峰焊的操作,确保设备性能良好。
保证焊接工艺正确执行,保证焊接品质符合规定要求。
2:适用范围适用于公司内波峰焊机的操作。
3:职责波峰焊操作技术员负责波峰焊机的操作;波峰焊工程师负责操作方面的指导;品质部负责对焊接过程进行监控。
4:定义:全自动双波峰全自动完成PCB板从涂覆助焊剂、预加热、焊锡及冷却等焊接的全部工艺过程,主要用于表面贴装元件、短脚直插式元件及混装型PCB板的整体焊接。
5:程序:5.1、开启设备总电源,设置波峰焊的时间控制器:必须设定于开始工作前90分钟波峰焊锡炉自动开启加热熔锡以使焊锡达到溶融状态:例如:开始工作于早上8:00,设定时间控制器于早上5:00打开。
5.2、开启波峰焊工控机电源、显示器、进入设备操作系统。
5.3开机前准备工作:编制部门:工艺工程部无铅波峰焊操作规范文件编号:RDWISB115版本号:B/1代替:----分发部门/人员:工艺部/质量部/生产部/无铅波峰焊岗位第1页—共4页225.4确认轨道上没有产品或其它物品;5.5确认链爪与锡炉喷口没有接触到;5.6清理锡炉内的锡渣;5.7确认锡液液面处在离锡炉顶部8-15mm的范围,否则要加锡条;5.8检查助焊剂是否还处在正常液位,否则加助焊剂;5.9将助焊剂喷头拆下来清洗;5.10检查气压是否正常(进气总阀压力不小于4kgf/cm2);5.11检查输入电压是否正常(380V+/-5%);5.12检查前、后接驳是否正常;5.13检查常用工具是否齐全。
6:波峰机调节操作:6.1将电脑显示器的开关打开。
对下列内容进行检查:6.1)喷雾是否正常;(30-50ml±10ml)6.2)链条运输是否正常;(1m-2m±0.5m/min)6.3)前、后接驳运行是否正常;6.4)锡温是否正常;(260℃±5℃)6.5)预热是否正常;(设定值与实际值偏差±3℃为正常)6.6)波峰开启是否正常;6.7)排风,冷却是否正常。
波峰焊操作规程1、焊接前准备检查待焊PCB(该PCB已经过涂敷贴片胶、SMC/SMD贴片、胶固化并完成THC插装工序)后附元器件插孔的焊接面以及金手指等部位是否涂好阻焊剂或用耐高温粘带贴住,以防波峰后插孔被焊料堵塞。
如有较大尺寸的槽和孔也应用耐高温粘带贴住,以防波峰焊时焊锡流到PCB的上表面。
将助焊剂接到喷雾器的软管上。
2、开炉打开波峰焊机和排风机电源。
根据PCB宽度调整波峰焊机传送带(或夹具)的宽度。
3、设置焊接参数助焊剂流量:根据助焊剂接触PCB底面的情况确定。
使助焊剂均匀地涂覆到PCB的底面。
还可以从PCB上的通孔处观察,应有少量的助焊剂从通孔中向上渗透到通孔顶面的焊盘上,但不要渗透到组件体上。
预热温度:根据波峰焊机预热区的实际情况设定(PCB上表面温度一般在90-130℃,大板、厚板、以及贴片元器件较多的组装板取上限)。
传送带速度:根据不同的波峰焊机和待焊接PCB的情况设定(一般为0.8-1.92m/min)。
焊锡温度:必须是打上来的实际波峰温度为260±5℃时的表头显示温度。
由于温度传感器在锡锅内,因此表头或液晶显示的温度比波峰的实际温度高5-10℃左右。
测波峰高度:调到超过PCB底面,在PCB厚度的2/3处。
4、首件焊接并检验(待所有焊接参数达到设定值后进行)把PCB轻轻地放在传送带(或夹具)上,机器自动进行喷涂助焊剂、干燥、预热、波峰焊、冷却。
在波峰焊出口处接住PCB。
按出厂检验标准。
5、根据首件焊接结果调整焊接参数。
6、连续焊接生产方法同首件焊接。
在波峰焊出口处接住PCB,检查后将PCB装入防静电周转箱送修板后附工序。
连续焊接过程中每块印制板都应检查质量,有严重焊接缺陷的印制板,应立即重复焊接一遍。
如重复焊接后还存在问题,应检查原因、对工艺参数作相应调整后才能继续焊接。
7、检验标准按照出厂检验标准。
无铅双波峰锡炉安全操作规程(IATF16949-2016/ISO9001-2015)一、操作指示:1.开机前先检查及清理锡炉内外杂物。
2.调节气压,使其压力于2~4kgf/cm2。
3.开启炉总电源以及启动抽风系统。
4.将免洗助焊剂、酒精装入相应的容器内,液面必须浸过各容器的出液口,在过机前将助焊剂控制阀打开,关闭酒精控制阀。
5.根据生产型号的WI设定的锡缸温度、预热温度、传送带速度,锡缸温度和预热温度到达后,清除锡缸氧化物。
6.根据PCB或过炉架的大小手动或电动调节板距(导轨宽度),不可过紧或过松。
7.开启锡炉控制板上的照明开关,冷却开关。
8.开始做PCB首件,跟拉PE或指定的波峰炉操作员根据实际情况调节链速、喷雾效果、预热温度锡缸温度以及是否使用热补偿或使用双波峰等,直至PCBA 过锡合格。
各功能参数设定后,除指定人员外,其它人员不准调节任何参数,并将参数保存。
9.PCBA板首件经相关部门确认后,开始过锡工作。
10.在生产过程中随时检查容器内的助焊剂,酒精以及锡缸液高度(不启动波峰马达时,红色报警灯亮表示锡缸液高或低)。
视生产实际情况,适量添加助焊剂、酒精、锡条等,检查及清除锡缸中的氧化物,适量使用防氧化高温油。
添加化学剂时关闭预热区、传送链电源,开启松香喷雾系统的抽风机。
11.工作完毕,关闭助焊剂控制阀,开启酒精控制阀,启动喷雾2-3分钟,以清洗喷雾系统内部的管道、喷咀等(详见第三项:保养指示)。
12.生产完毕,关闭电脑各功能开关,退出操作系统,关闭锡炉电源,操作员根据生产情况,设定好锡炉定时开关机时间。
13.在生产过程中如锡炉发出警报声或遇到特特殊情况时,操作员可按下急停开关并通知相关人员解决问题后才可继续工作。
14.锡炉添加的锡条及松香水必须是无铅产品,使用的清炉工具必须是该炉专用的工具。
15.检测:A.助焊剂比重每天开机生产前由MFG-A检查记录一次。
B.预热温度、锡缸温度每天上、下午由MFG-A记录一次。
波峰焊操作规程1. 前言波峰焊是电子制造工艺中常用的一种焊接方式,能够在高温、高速度的情况下完成电子元器件的焊接。
本文档旨在介绍波峰焊操作规程,包括设备准备、工艺参数、操作步骤、检验标准等内容,以确保波峰焊的质量和稳定性。
2. 设备准备波峰焊设备包括焊头、波峰槽、制动器、传送机构等组成部件,需要进行相应的检查和维护才能确保正常工作。
具体操作步骤如下:2.1 检查焊头1.检查焊头是否有损坏或变形现象;2.擦拭焊头表面和内部,确保无灰尘或其它杂质;3.检查焊头加热元件是否正常。
2.2 检查波峰槽1.检查波峰槽内是否有积水或污垢;2.检查波峰槽液位是否正常;3.检查波峰槽传送机构是否正常。
2.3 检查制动器1.检查制动器是否损坏;2.检查制动器的制动效果是否正常。
2.4 检查传送机构1.检查传送机构是否有损坏;2.检查传送机构是否正常运转。
3. 工艺参数波峰焊需要设置相应的工艺参数,以确保焊接效果和质量。
以下为常用的工艺参数:工艺参数设定值预热温度100℃-130℃焊接温度245℃-265℃送锡速度 1.0m/min-1.2m/min保温时间 3.0s-5.0s4. 操作步骤4.1 前期准备1.打开波峰焊设备的开关;2.设置工艺参数,确保各项参数符合要求;3.确认工作区域内无易燃物品和其它障碍物;4.戴好防静电手套和鞋套。
4.2 开始焊接1.将需要焊接的元器件放置在预先准备好的模具上;2.启动传送机构,将元器件送入焊接区;3.当元器件在焊接区内时,等待预热时间自动启动焊头;4.焊接完成后,等待保温时间让焊点充分冷却;5.将焊接完成的元器件从传送机构上取下。
5. 检验标准进行波峰焊焊接后,需要进行相应的检验以确保焊接质量符合标准要求。
以下为常用的检验标准:1.检查焊点的形态和焊缝质量;2.检查焊接后的元器件的电性能是否正常;3.检查焊接后的元器件的外观是否有变形现象。
6. 结语波峰焊是一种高效、稳定的电子焊接技术,能够为电子制造企业带来极大的效益。
锡炉安全操作规程
1.操作规程及注意事项:
1-1、调节锡炉高度为80cm,对准抽烟斗放置;
1-2、闭合总电源开关,然后将锡炉开关及定时器开关调节至“ON”位置上,再进行定时调节。
使用到下班时关闭,上班前60分钟启动。
1-3、观其电流表指针指向15A位置上,则为正常发热状态。
1-4、调节锡炉温控为260℃~280℃。
1-5、把锡条放置锡炉内,但锡不宜太满,应离炉面10mm为宜。
1-6、操作之前必须用量程高于300℃的温度计进行温度检测;
1-7、锡炉操作员每天对使用的锡炉温度进行周期测量,即每隔4小时测量一次并记录测量结果,以保证锡炉运转符合规定要求;
1-8、在操作过程中因锡条内焊有杂质,造成炉面不干净,须予清除后才可进行。
2.维护保养:
2-1、定期检查定时功能,温控温度是否正常;
2-2、视其电流表指针是否指向10A的位置上,假使指向8A的位置上,证明发热丝被烧断一条,应进行更换;
2-3、要注意炉面周围清洁,要远离易燃物品。
波峰焊操作规程一、引言波峰焊是一种常见的电子产品焊接方式,它通过将插件的引脚浸入熔化的焊锡中,实现焊接与固定。
为了保证焊接质量的稳定性和一致性,有必要制定一套详尽的波峰焊操作规程。
本文将介绍波峰焊操作规程的主要内容及步骤。
二、设备准备1. 检查设备在开始波峰焊操作之前,需要检查设备的工作状态。
确保焊接机、热风机和冷却装置等设备运行正常。
2. 准备焊锡及助焊剂选择合适的焊锡丝以及助焊剂,并保证其质量符合相关标准。
焊锡丝的直径、成分和熔点应根据焊接任务而确定。
三、钢网准备1. 检查钢网确保钢网的孔径、厚度和平整度符合要求。
检查钢网是否有损坏或变形,并及时更换。
2. 调整钢网高度根据焊接任务需求,调整钢网的高度。
确保钢网与插件引脚之间的距离符合要求,通常为2-3mm。
四、波峰焊操作步骤1. 设定焊接程序根据焊接任务的要求,在焊接机上设定相应的焊接程序。
确定焊接温度、波峰高度、预热时间等参数。
2. 开始预热启动焊接机,让其进行预热。
预热时间通常为5-10分钟,待设定温度达到后方可进行下一步操作。
3. 调整波峰高度根据焊接任务的要求,调整波峰高度。
通常情况下,波峰高度应略高于插件引脚的高度。
4. 准备插件将焊锡丝和助焊剂涂抹在插件的焊盘上,确保焊点涂覆均匀。
5. 插件定位将准备好的插件放置在钢网上,并调整位置,使其与焊点对齐。
6. 开始焊接将钢网缓慢地下移,插件的引脚将被浸入焊锡中。
要保持匀速下移,以确保焊接质量的稳定性。
7. 波峰焊完成当焊点完全浸入焊锡中后,继续下移一段距离,以确保焊点形成一定的柱状形态。
待上升时,焊点会被波峰除锡剂清除。
8. 冷却焊接完成后,打开冷却装置,将焊点快速冷却。
冷却时间通常为2-3分钟。
五、注意事项1. 运行时的注意事项在进行波峰焊操作时,操作人员应站立在稳定的位置上,并戴上相应的防护设备,如防静电手套、护目镜等。
2. 设备维护定期对波峰焊设备进行维护和保养,保持其正常工作状态,清理焊接头、钢网和焊炉等部件。
工程部波峰焊操作规范制訂日期(Prepared Date):2022年3月28日版本(Rev): 1 頁碼(Page): 2/65.10 调整治具下平面距离锡槽本体的高度,标准为: 1- 2MM,此距离越大,锡渣会越多.5.11调整锡波高度: 单板吃锡高度为板厚的1/2以上,锡波高度需大于4MM;配治具过炉的机板吃锡高度为治具厚度的1/3以上,锡波高度需大于6MM.5.12检测平流波平整度和吃锡宽度(此项已列入锡炉点检表)A:打开锡波,将高温玻璃通过运输停留在喷口上,与锡波接触.B:锡波平整度检测:锡波接触线与高温玻璃竖轴刻度线平行为OK (下图一),否则为NG(下图二).C: 吃锡时间标准为: 3- 6秒D: 锡波高度所能达到的接触面积/宽度与吃锡锡时间和运输速度的关系对比如下:工程部波峰焊操作规范制訂日期(Prepared Date):2022年3月28日版本(Rev): 1 頁碼(Page): 3/65.13 锡波喷口选择:单波:平流波双波:扰流波加平流波(一般情况下使用双波)5.14 打开洗爪装置:清洗剂需使用不易燃的厂内承认耗材.5.15 打开冷却.6.利用助焊剂穿透性实验做喷雾机功能验证和机板助焊剂涂布量的验证.6.1流量与单位面积喷涂量关系对比:7.生产操作步骤7.1 设定锡温:(如客户有明确要求,则以客户要求为标准)7.1.1 SAC 305 焊锡的温度设定为265±10℃7.1.2 SAC 0307 焊锡的温度设定为:270±10℃.7.1.3 经试产验证,已填写参数管制表的,按参数管制表作业.7.2 设定预热温度:7.2.1 各预热段的预设值(试产时)是 : 预热一 120℃预热二 140℃预热三 160℃7.2.2 经试产验证,已填写参数管制表的,按参数管制表作业.7.3 设定运输速度:标准范围为: 0.6--1.6(M/Min)7.4 炉温测试:7.4.1制作测温板:A : 选点: 在实板上选取不少于4个测试点做感温探头的固定(BGA/IC,板底,PTH/GND,板面).B: 测试BGA内部温度时,需用1.0MM鉆头打孔(图一),注意鉆头接触锡球即可,不可伤及PCB.C: 板底测温点优先选择大铜箔等传热快之部位.(图三)D: 制作PTH孔测温点时,需要将探头插入贯穿孔1/4位置处,再用红胶固定顶部焊盘.(图四)E: 板面测试点优先选择焊盘较大的SMD元件工程部波峰焊操作规范制訂日期(Prepared Date):2022年3月28日版本(Rev): 1 頁碼(Page): 4/6 F: 测温板出现掉漆,变形时,或超过80次不可再用.7.4.2 炉温测试:A: 将测温仪进行时间同步B: 插入感温线插头,启动录入开关.C: 测温盒与测温板同步进入轨道录入资料.D: 资料读取: 打开计算机软件,将炉温曲线读出,并打印.E:测试频率: 在试产,换线及停机超过四小时以上需进行测试.正常生产每24小时测试一次;(如换工单,结单数量小于200pcs的情况下,可不用测量).7.5炉温判定标准:说明:A: 升温斜率: 设板底喷涂助焊剂降温后开始升温的时间为T0,温度为D0. 板底过锡波之前的预热时间为T1,温度为D1.升温斜率为K1.则: K1 = ( D1- D0 ) / ( T1 - T0 ) < 1.8 ℃/SB: profile图所测之预热后急剧升温与急剧降温的时间差为吃锡时间,与用高温玻璃检测之吃锡时间不一致时,以高温玻璃检测为准.C: 判定标准参考<<锡炉标准温度曲线图>>.D: 利用炉温图做性能衰减测试时,合成石板上取五个点(四个角及中间),要求最高温度相差在10℃以内.性能衰减测试只针对预热段,每月测量一次,确认OK后在月保养项目上打"ˇ".7.6 参数标准化:7.6.1 经试产验证后,需要填写<<波峰焊制程机种参数管制表>>,以作为下批次生产的参数依据.7.6.2 参数管制表需配合质量优化而做调整,每次调整后需做纪录,并由工程部确认生效.7.6.3 客户对参数有特别要求的,需要按客户要求作业.7.7 锡炉点检: 针对会变化的项目做点检,并填写<<波峰焊锡炉点检表>>.7.7.1 助焊剂检查:A: 助焊剂容量是否低于管控下限(液位离桶底5CM):每四小时一次.B: 测量比重:每班一次,标准为:0.795 ±0.015.C: 流量检查: 每四小时一次.7.7.2锡炉温度: 每四小时用探棒测量一次,允许跟设定值/显示值有5℃的差异.工程部波峰焊操作规范制訂日期(Prepared Date):2022年3月28日版本(Rev): 1 頁碼(Page): 6/6锡炉标准温度曲线图。
无铅波峰焊操作规程一、目的:1、提供本公司技术员、操作员正确的设备操作,维修指引。
二、适用范围:2.1本公司KWA-350 SUPER EP无铅波峰焊用。
三、权责:3.1本公司工程部负责波峰焊设备的安装、调试、操作、维护等工作。
3.2本公司生产部使用波峰焊设备。
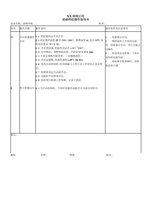
四、开关机操作步骤:4.1检查主电源开关,确保AC-380V供电正常,气源调至4-7kgf\cm2。
4.2由技术人员参照《KWA-350 SUER EP无铅波峰焊操作手册》调节设置参数,波峰将在设定时间自动开机溶锡。
4.3根据PCB板宽调节导轨宽度,按波峰焊运输导轨进口右上角处的宽窄按钮键可自动调节导轨宽度。
4.4在工作十分钟前单击“工作模式”,“传动”→“喷雾”→“预热一”→“预热二”“预热三”→“冷却”键自动打开,机器开始加热运输工作。
4.5 放板焊接前确认炉温和预热区需达到设置温度,检查助焊剂比重在0.800±0.02范围,清理锡炉内锡渣等氧化物,添加适量的锡条、助焊剂、稀释剂。
4.6 根据焊接需要,单击选择开启“波峰1”、“波峰2”或两个波峰同时开启,将插好元件的PCB板放入进板端链爪上,进行波峰焊自动焊接。
4.7关机前单击“工作模式”“波峰1”“波峰2”机器停止焊接相关工作,单击“退出系统”,设备自动关机。
五、保养规范:5.1每日检查维修:1)清洁机器表面2)检查输送带是否顺畅3)清除输送带的锡渣及松香杂物4)检查链爪是否变形,并用铜刷将钛爪上的杂物刷干净。
5)清洁预热区内松香渣及杂物6)清理锡缸及喷嘴周围的锡渣杂物7)清洗清洁过滤网和回流管8)清洁喷雾装置及其周围9)清洁松香隔网10)清洁喷雾箱风刀并保持每个小孔通气5.2每月检查维护:1)检查传感器是否正常2)检查所有功能键工作是否正常3)各气压微调是否正常4)检查排气、冷却风扇是否良好5)清洁排风管6)拆开喷头清洁加油并重新调试7)拆开波峰焊喷咀清洁干净并调试。
编制部门:工艺工程部无铅波峰焊操作规范文件编号:RDWISB115版本号:B/1代替:----分发部门/人员:工艺部/质量部/生产部/无铅波峰焊岗位第1页—共4页111:目的:指导和规范技术员对波峰焊的操作,确保设备性能良好。
保证焊接工艺正确执行,保证焊接品质符合规定要求。
2:适用范围适用于公司内波峰焊机的操作。
3:职责波峰焊操作技术员负责波峰焊机的操作;波峰焊工程师负责操作方面的指导;品质部负责对焊接过程进行监控。
4:定义:全自动双波峰全自动完成PCB板从涂覆助焊剂、预加热、焊锡及冷却等焊接的全部工艺过程,主要用于表面贴装元件、短脚直插式元件及混装型PCB板的整体焊接。
5:程序:5.1、开启设备总电源,设置波峰焊的时间控制器:必须设定于开始工作前90分钟波峰焊锡炉自动开启加热熔锡以使焊锡达到溶融状态:例如:开始工作于早上8:00,设定时间控制器于早上5:00打开。
5.2、开启波峰焊工控机电源、显示器、进入设备操作系统。
5.3开机前准备工作:编制部门:工艺工程部无铅波峰焊操作规范文件编号:RDWISB115版本号:B/1代替:----分发部门/人员:工艺部/质量部/生产部/无铅波峰焊岗位第1页—共4页225.4确认轨道上没有产品或其它物品;5.5确认链爪与锡炉喷口没有接触到;5.6清理锡炉内的锡渣;5.7确认锡液液面处在离锡炉顶部8-15mm的范围,否则要加锡条;5.8检查助焊剂是否还处在正常液位,否则加助焊剂;5.9将助焊剂喷头拆下来清洗;5.10检查气压是否正常(进气总阀压力不小于4kgf/cm2);5.11检查输入电压是否正常(380V+/-5%);5.12检查前、后接驳是否正常;5.13检查常用工具是否齐全。
6:波峰机调节操作:6.1将电脑显示器的开关打开。
对下列内容进行检查:6.1)喷雾是否正常;(30-50ml±10ml)6.2)链条运输是否正常;(1m-2m±0.5m/min)6.3)前、后接驳运行是否正常;6.4)锡温是否正常;(260℃±5℃)6.5)预热是否正常;(设定值与实际值偏差±3℃为正常)6.6)波峰开启是否正常;6.7)排风,冷却是否正常。
6.2.根据投产的产品在参数监控范围内进行调整。
6.3在显示界面上将预热,排风机,冷却风机打开;(一般情况锡炉是处于开启状态。
否则要提前3个小时打开锡炉加热);6.4根据测量的PCBA板或过波峰工装的尺寸,将轨道调整到适宜的宽度,精度要求+/-0.25mm。
在自动调宽中,若有小于调节精度范围的调节可采用先调节到远离目标尺寸的宽度,再输入目标宽度进行调节。
宽度调好后,必须用PCB或夹具对所调宽度进行验证,验证必须是在链速运行状态进行;6.5根据“产品过波峰工艺”选取好助焊剂,如果当前助焊剂与产品工艺不符,则需更换。
更换后还需打开连喷,时间5-8分钟;6.6喷雾调节;助焊剂喷雾控制主要有,流量大小,喷雾气压,喷雾扇形控制,喷头移动速度。
6.1)流量大小;根据“产品过波峰工艺”,通过流量计确定好流量大小。
调节可通过喷头的下端盖进行;6.2)喷雾气压调节;喷雾气压控制在2.5-3kgf/cm2。
在调节时可用手感觉气压的大小。
通常,单面板的气压略小,双面板的气压略大;6.3)喷雾扇形调节;助焊剂喷出的雾状必须呈扇形,在到达PCB时的宽度保持在25-30mm;6.4)喷头移动速度;当喷头移动速度以mm/sec为单位时可按下式计算得到。
喷头移动速度(V)=轨道宽度(W)/(12/链速*60)当喷头移动速度以时间为单位时,可通过观察进行调节。
6.7打开风刀,并用手感觉一下风量大小(不能过大,压力不超0.25MP)。
对于热风循可使用风刀;6.8启动链条运输,并观察是否正常;6.9根据PCB板的种类,打开波峰(单波峰或双波峰);6.10波峰高度调节:调节前先要对波峰喷口的水平进行调节。
调节时先将波峰II启动,以波峰表面为水编制部门:工艺工程部无铅波峰焊操作规范文件编号:RDWISB115版本号:B/1代替:----分发部门/人员:工艺部/质量部/生产部/无铅波峰焊岗位第1页—共4页33平进行。
具体是用专用高度量规测量喷口两边的波峰深度,以此可判断喷口是否水平,如果不水平可对喷口进行调节。
6.11波峰喷口与链爪距离;工装厚度小于或等于6mm:11.1)波峰I整流板到链爪最低点的垂直距离为5mm;11.2)波峰II喷口最高点到链爪的垂直距离为3mm;工装厚度大于6mm:11.3)波峰I整流板到链爪最低点的垂直距离为10mm;11.4 波峰II喷口最高点到链爪的垂直距离为8mm;测量工具:11.5)链爪高度量规;11.6)不锈钢直尺;11.7)波峰高度量规。
链爪高度量规。
使用时,利用下部的台阶确定链爪到喷口的距离。
主要作用,确定链爪到喷口的距离。
确定链爪的水平度。
不锈钢直尺。
使用时,对所测量尺寸进行校对。
主要作用,对尺寸进行测量和校对波峰高度量规。
使用时,利用外套移动来测量波峰高度。
测量完后可用不锈钢直尺进行最终尺寸的确定。
主要作用,测量波峰高度,校正波峰喷口的水平度。
6.12波峰I高度及波形调节;12.1)有过波峰工装情况,工装厚度小于或等于6mm:波峰高度=5+(工装总厚度-PCB厚度)+修正值(0-3/4PCB厚度)工装厚度大于6mm:波峰高度值(0-3/4PCB厚度)12.2)无过波峰工装情况;波峰高度=5+(5-PCB厚度)+修正值(0-3/4PCB厚度)3)波峰形状,各锡柱均匀一致,无堵塞情况;6.13波峰II高度及波形调节;13.1)有过波峰工装情况;工装厚度是4mm,5mm:波峰高度=3+(工装总厚度-PCB厚度)+修正值(0-3/4PCB厚度);工装厚度是6mm:波峰高度=2+(工装总厚度-PCB厚度)+修正值(0-3/4PCB厚度);工装厚度大于6mm:波峰高度=8+(工装总厚度-PCB厚度)+修正值(0-3/4PCB厚度)13.2)无过波峰工装情况;波峰高度=3+(5-PCB厚度)+修正值(0-3/4PCB厚度);13.3)波峰峰形状,波面应平稳,且保证前、后锡液流动正常,锡面上没有氧化,止不动;常用波编制部门:工艺工程部无铅波峰焊操作规范文件编号:RDWISB115版本号:B/1代替:----分发部门/人员:工艺部/质量部/生产部/无铅波峰焊岗位第1页—共4页44峰形状是平面波和欧密嘎波。
注1)高度测量必须是垂直于轨道;13.4)修正值通常是在过完首件后根据焊点品质进行调节;13.5)当波形变化后,还需对波峰高度进行测量并确定;7:首件操作:7.1当预热温度正常后,将一块插装完成的PCB板(或带工装的PCB板)由前接驳送进波峰机轨道;7.2在PCB板进波峰机后,要进行以下观察和操作:7.31PCB板从前接驳过度到链条上要平稳,不应有卡板,抖动现象;7.4助焊剂的喷涂:每次喷雾要衔接良好并呈扇形;喷雾气压控制0.25-0.35MP助焊剂流量调节在工艺范围内;7.5在PCB板进入波峰时要进行以下观察:1、PCB过波峰时是否变形较大,以及是否影响到边缘元件的上锡;2、观察PCB焊接时锡面是否在控制范围内;7.6在PCB板出波峰后,由PQC对其焊接品质进行检查和判定;7.7对判定不合格的要通知波峰操作技术员,并由波峰技术员调整参数,再过板焊接。
当调整三次均不能改善时,需通知相关工程师;7.8判定合格后,即可通知生产线批量投产;7.9正常生产中,波峰操作技术员要密切关注波峰机的运行情况,每小时对产品进行抽检,并做好相关记录。
每隔30分钟用酒精刷洗一次喷头。
当需添加锡条时必须分时段,按量添加。
通常每半个小时添加1-2KG。
7.10 生产过程中对规定的记录必须按要求做好;7.11生产过程中每2个小时必须捞锡渣一次;7.12波峰焊接过程中,当发生事故,如板上锡,掉板,卡板等情况,要立即按下紧急制,并尽快处理。
问题严重的要通知波峰工程师。
对于因过波峰工装影响到焊接的,要对工装进行标识。
问题严重的要停止使用,并通知到波峰工程师;7.13.做好设备的日常,定期保养和设备配件更换记录。
8:附各参数记录表:8.8.1《锡炉机能检测表》8.2《锡波状况检查表》8.3、《温度曲线分析报告》8.4《波峰焊维修记录表》8.5、《焊料铅、铜含量记录表》8.6《锡炉一级保养记录表》8.7《锡炉二级保养记录表》8.8《锡炉三级保养记录表》8.9《锡炉四级保养记录表》编制部门:工艺工程部无铅波峰焊操作规范文件编号:RDWISB115版本号:B/1代替:----分发部门/人员:工艺部/质量部/生产部/无铅波峰焊岗位第1页—共4页55编写人:李廷军日期:2010年10月28日审核人:日期:年月日批准人:日期:年月日生效日期:年月日。