门窗计算书
- 格式:doc
- 大小:79.00 KB
- 文档页数:18
PVC门窗设计计算书设计要求1. 设计门窗的尺寸为2.2m * 1.2m;2. 风荷载标准等级为GB/T 7028-2010的3级;3. 台风影响区域的地区最大风速为42m/s。
PVC型材选择已选择K58型材,宽度为70mm,5个空腔。
材料的基本允许应力为45MPa。
结构计算管框柱计算根据门窗尺寸及K58型材的尺寸,门窗制作时需要选用规格为70*70mm的管框柱。
根据GB-2012《建筑结构荷载规范》计算,柱子所受风荷载的最大力矩为1608.8N·m。
根据经验计算,钢管的弯曲刚度k=2.5*10^7N·mm^2。
因此,柱子的最小截面惯性矩为1608.8*10^3/(45*10^6*2.5*10^7)=0.0235cm^4实际上选取了合适的77*77mm的钢管作为柱子,其横截面惯性矩为0.1219cm^4,完全满足承受最大力矩的要求。
梁的计算门窗的横向梁使用规格为60*80mm的K58型材,其基本允许应力为45MPa,弯曲刚度为k=2.3*10^7N·mm^2。
根据计算,横向梁受风荷载的最大力矩为656.1N·m。
因此,横向梁的最小截面惯性矩为656.1*10^3/(45*10^6*2.3*10^7)=0.0175cm^4实际上选取了合适的80*80mm的钢管作为横向梁,其横截面惯性矩为0.2858cm^4,完全满足承受最大力矩的要求。
操作规范PVC门窗在制作和安装时应遵循以下规范:- *门窗框架采用精度高的齿口加工技术,把每一个点的精度做到最高,实现密闭、严密性好,隔音、保温性能出色;- *UV保护技术可以保证门窗保持长久美观,并抵御高温刺激;- *门窗的大部分构件采用轻钢龙骨结构,但大扇门采不锈钢方管进行钢架加强,保证门窗的整体稳固性。
以上便是PVC门窗设计计算书的全部内容。
常熟东三环金瑞府8#楼铝合金门窗工程设计计算书设计:校对:审核:批准:万方建设二〇一六年三月十六日目录第1章ZJ88推拉窗C2148 (1)1 基本参数 (1)1.1 门窗所在地区 (1)1.2 地面粗糙度分类等级 (1)1.3 抗震设防 (1)2 门窗承受荷载计算 (1)2.1 风荷载标准值的计算方法 (1)2.2 计算支撑结构时的风荷载标准值 (3)2.3 计算面板材料时的风荷载标准值 (3)2.4 垂直于门窗平面的分布水平地震作用标准值 (4)2.5 平行于门窗平面的集中水平地震作用标准值 (4)2.6 作用效应组合 (4)3 门窗横中梃计算 (4)3.1 横中梃受荷单元分析 (5)3.2 选用横中梃型材的截面特性 (8)3.3 横中梃的抗弯强度计算 (9)3.4 横中梃的挠度计算 (9)3.5 横中梃的抗剪计算 (10)4 玻璃的选用与校核 (10)4.1 玻璃板块荷载计算 (11)4.2 玻璃的强度计算 (13)4.3 玻璃最大挠度校核 (14)第二章GRA95推拉门M3027 (15)1 基本参数 (15)1.1 门窗所在地区 (15)1.2 地面粗糙度分类等级 (15)1.3 抗震设防 (16)2 门窗承受荷载计算 (16)2.1 风荷载标准值的计算方法 (16)2.2 计算支撑结构时的风荷载标准值 (18)2.3 计算面板材料时的风荷载标准值 (18)2.4 垂直于门窗平面的分布水平地震作用标准值 (18)2.5 平行于门窗平面的集中水平地震作用标准值 (18)2.6 作用效应组合 (18)3 门窗横中梃计算 (19)3.1 选用横中梃材料的截面特性 (19)3.2 横中梃水平方向计算简图的确定 (20)3.3 水平荷载作用的线荷载集度 (21)3.4 门窗横中梃荷载分配 (23)3.5 横中梃在上受荷单元水平力作用下的受力分析 (25)3.6 横中梃在下受荷单元水平力作用下的受力分析 (25)3.7 横中梃在上受荷单元自重力作用下的受力分析 (26)3.8 横中梃的抗弯强度计算 (26)3.9 横中梃的挠度计算 (27)3.10 横中梃的抗剪计算 (28)4 玻璃的选用与校核 (29)4.1 玻璃板块荷载计算 (29)4.2 玻璃的强度计算 (31)4.3 玻璃最大挠度校核 (33)第三章GRA95推拉门M3024b (34)1 基本参数 (34)1.1 门窗所在地区 (34)1.2 地面粗糙度分类等级 (34)1.3 抗震设防 (34)2 门窗承受荷载计算 (35)2.1 风荷载标准值的计算方法 (35)2.2 计算支撑结构时的风荷载标准值 (36)2.3 计算面板材料时的风荷载标准值 (37)2.4 垂直于门窗平面的分布水平地震作用标准值 (37)2.5 平行于门窗平面的集中水平地震作用标准值 (37)2.6 作用效应组合 (37)3 门窗竖中梃计算 (38)3.1 竖中梃受荷单元分析 (38)3.2 选用竖中梃型材的截面特性 (40)3.3 竖中梃的抗弯强度计算 (41)3.4 竖中梃的挠度计算 (41)3.5 竖中梃的抗剪计算 (42)4 玻璃的选用与校核 (42)4.1 玻璃板块荷载计算 (42)4.2 玻璃的强度计算 (44)4.3 玻璃最大挠度校核 (46)第四章ZJ55平开窗C1508 (47)1 基本参数 (47)1.1 门窗所在地区 (47)1.2 地面粗糙度分类等级 (47)1.3 抗震设防 (47)2 门窗承受荷载计算 (48)2.1 风荷载标准值的计算方法 (48)2.2 计算支撑结构时的风荷载标准值 (49)2.3 计算面板材料时的风荷载标准值 (50)2.4 垂直于门窗平面的分布水平地震作用标准值 (50)2.5 平行于门窗平面的集中水平地震作用标准值 (50)2.6 作用效应组合 (50)3 门窗竖中梃计算 (51)3.1 竖中梃受荷单元分析 (51)3.2 选用竖中梃型材的截面特性 (53)3.3 竖中梃的抗弯强度计算 (54)3.4 竖中梃的挠度计算 (54)3.5 竖中梃的抗剪计算 (55)4 玻璃的选用与校核 (55)4.1 玻璃板块荷载计算 (55)4.2 玻璃的强度计算 (57)4.3 玻璃最大挠度校核 (59)第5章JNB58平开门M0824 (60)1 基本参数 (60)1.1 门窗所在地区 (60)1.2 地面粗糙度分类等级 (60)1.3 抗震设防 (60)2 门窗承受荷载计算 (61)2.1 风荷载标准值的计算方法 (61)2.2 计算支撑结构时的风荷载标准值 (62)2.3 计算面板材料时的风荷载标准值 (63)2.4 垂直于门窗平面的分布水平地震作用标准值 (63)2.5 平行于门窗平面的集中水平地震作用标准值 (63)2.6 作用效应组合 (63)3 门窗横中梃计算 (64)3.1 选用横中梃材料的截面特性 (64)3.2 横中梃水平方向计算简图的确定 (65)3.3 水平荷载作用的线荷载集度 (65)3.4 门窗横中梃荷载分配 (68)3.5 横中梃在上受荷单元水平力作用下的受力分析 (69)3.6 横中梃在下受荷单元水平力作用下的受力分析 (70)3.7 横中梃在上受荷单元自重力作用下的受力分析 (70)3.8 横中梃的抗弯强度计算 (70)3.9 横中梃的挠度计算 (71)3.10 横中梃的抗剪计算 (72)4 玻璃的选用与校核 (73)4.1 玻璃板块荷载计算 (74)4.2 玻璃的强度计算 (76)4.3 玻璃最大挠度校核 (77)第1章ZJ88推拉窗C21481 基本参数1.1 门窗所在地区常熟地区;1.2 地面粗糙度分类等级门窗属于外围护构件,按《建筑结构荷载规》(GB50009-2012)A类:指近海海面和海岛、海岸、湖岸及沙漠地区;B类:指田野、乡村、丛林、丘陵以及房屋比较稀疏的乡镇和城市郊区;C类:指有密集建筑群的城市市区;D类:指有密集建筑群且房屋较高的城市市区;依照上面分类标准,本工程按C类地形考虑。
一. 固定窗系列强度、挠度计算经过受力分析,选择有代表性的窗为例㈠. 玻璃强度、挠度计算玻璃分格尺寸为:a =mm h =mm a h 预选玻璃厚度:t =受力模型为四边简支按米计算⑴. 风荷载作用下的应力校核:式中σW风荷载作用下玻璃最大应力[σ]玻璃强度许用值w 风荷载设计值w =×10-3kN/m2a 玻璃短边长t j 弯曲系数查表得j =×××10-3×22=N/mm 2<N/mm 2故预选t =mm钢化玻璃强度可以满足要求!⑵. 风荷载作用下的挠度校核:式中玻璃跨中最大挠度u 玻璃挠度许用值,取[u ]=a/ψ2跨中最大挠度系数,此处查表得ψ2=a 玻璃短边长t 玻璃厚度q K 荷载标准值,q K =W K6010TC2819b ———[u ]0.00651玻璃厚度20.52≤ [u ]D =———0.067219001.41σW =0.0672 1.41————6≤[σ]——0.7630σW =10mm 钢化玻璃19002500=[σ] =8410u =第二章 性能计算25001900=则226 t a w ×××j Da q K 42××ψ32)1(121Et v -第 2 页226a w ×××j D a q K 42××ψ32)1(121Et v -v 泊松比,取0.2D =×106N ·mmq K =×10-3kN/m 2[u]=a/=/=mm mm取[u]=mm××10-3×4×106=mm <mm故预选t =mm钢化玻璃挠度可以满足要求!㈡. 竖料强度、挠度计算计算范围:作用宽度 a :mm作用高度 l :mm mm 4mm 3mm1. 荷载 q = W 1×a =×10-3×=N/mm ×4. 挠度 q ' =W K1×a =×10-3×=N/mm190017001031.67[u ] =206.25 6.25190013.671.00720>20190060601.007170019001.41—u =0.0065117002.397=>82. 弯矩 M = 2.397108164620mm[s ]=155 1.71=14.684.2N/mm 2N ·mm <= 故强度不能满足要求!3. 弯曲应力s =10816466962.51.007[y] =1301900=×82l q =130l=X W M XEI l q 38454,×第 3 页3Et取[y]=mm××4×0.7×105×=[y] =mm故挠度不能满足要求!⑵. 型材加强(加套铁芯)处理:中挺铝型材截面参数:铝型材:I ax =4W x =3y a =A a =2y = (E s ´A s ´y × 2.1×105×=s s ==108164633.51.712190014.627501863x15x4槽钢5y max =14.638415.1>=130l XEI l q 38454,×´)(s s a a ss I E I E Y E M ´+´´´´g226 t a w ×××j0.7×105×+2.1×105×=N/mm 2[s ]=N/mm 2铝型材在风载荷下承载力计算× 0.7×105×0.7×105×+2.1×105×=N/mm 2[s ]=N/mm 2故加钢芯套后强度可以满足要求!2. 刚度验算:××448.428221928221984.263x15x4槽钢=10816461.05<210= 1.05135s a =<5=y max = 1.712190036.05OK!OK!161477161477(´)(´))(s s a a aa I E I E Y E M ´+´´´´g )(s s a a ss I E I E ´+´´g )(38454,s s a a I E I E l q ´+´´×。
常熟东三环金瑞府8#楼铝合金门窗工程设计计算书设计:校对:审核:批准:广东万方建设有限公司二〇一六年三月十六日目录第1章 ZJ88推拉窗C2148 .............................. 错误!未定义书签。
1 基本参数........................................ 错误!未定义书签。
门窗所在地区.................................. 错误!未定义书签。
地面粗糙度分类等级............................ 错误!未定义书签。
抗震设防...................................... 错误!未定义书签。
2 门窗承受荷载计算................................ 错误!未定义书签。
风荷载标准值的计算方法........................ 错误!未定义书签。
计算支撑结构时的风荷载标准值.................. 错误!未定义书签。
计算面板材料时的风荷载标准值.................. 错误!未定义书签。
垂直于门窗平面的分布水平地震作用标准值........ 错误!未定义书签。
平行于门窗平面的集中水平地震作用标准值........ 错误!未定义书签。
作用效应组合.................................. 错误!未定义书签。
3 门窗横中梃计算.................................. 错误!未定义书签。
横中梃受荷单元分析............................ 错误!未定义书签。
选用横中梃型材的截面特性...................... 错误!未定义书签。
横中梃的抗弯强度计算.......................... 错误!未定义书签。
铝合金门窗设计计算书拟制:日期:审核:日期:批准:日期:铝合金门窗设计计算书一、计算依据及参考资料本次设计是以我司提供的《铝合金门窗工程设计图》中的大样分格及相关的规范、标准为基础。
在计算过程中用书的排列序号来代替书名,参考资料的详细内容见后附。
二、风荷载计算1、风荷载标准值的计算风荷载标准值ωk=βzμSμZωO (资料③P24式7.1.1-1)ωk—风荷载设计标准值βZ—高度Z处的阵风系数,(资料③P44表7.5.1)μS—风荷载体型系数,取μS=0.8 (资料③P27表7.3.1)ωO—基本风压,取ωO =0.75KP a (资料③全国基本风压分布图)μz—风压高度变化系数, 取μz=1.7 (资料③P25表7.2.1)风荷载标准值计算:ωk=βzμSμZωO =1.6×0.8×1.7×0.7=1.63KP a2、风荷载设计值的计算风荷载设计值ω=ωk×ΥWΥW—风荷载分项系数,取ΥW =1.4 (资料⑥表5.4.4) 风荷载设计值为:ω=ωk×ΥW=1.63×1.4=2.28 KP a三、玻璃的选取LC0923 5mm普通玻璃校核计算玻璃最大使用尺寸为:875×1075mm玻璃种类为:普通玻璃1、校核单元玻璃面积:B:玻璃分格宽: 0.875mH:玻璃分格高: 1.075mA:玻璃板块面积: A=B×H =0.875×1.075=0.941m22、玻璃板块自重:G Ak:玻璃板块平均自重(不包括铝框):t:玻璃板块厚度: 5mm玻璃的体积密度, 25.6 KN/m3G Ak=25.6×t/1000=25.6×5/1000=0.128kN/m23、玻璃的强度计算:校核依据:σ≤fg=28.000N/mm2q:玻璃所受荷载:ωk=1.63 kN/m2a:玻璃短边边长: 0.875mb:玻璃长边边长: 1.075mt:玻璃厚度:5mmψ:玻璃板面跨中弯曲系数, 按边长比a/b查出(b为长边边长) a/b=0.875/1.075=0.814查资料②表5.4.1得:ψ=0.0613σw:玻璃所受应力:σw=1.4×6×ψ×q×a2×1000/t2=1.4×6×0.0613×1.63×0.8752×1000/52=23.940 N/mm223.940N/mm2≤fg=28.000N/mm2玻璃的强度满足!LM1021 5mm钢化玻璃校核计算玻璃最大使用尺寸为:875×1075mm玻璃种类为:钢化玻璃1、校核单元玻璃面积:B:玻璃分格宽: 0.875mH:玻璃分格高: 1.075mA:玻璃板块面积: A=B×H =0.875×1.075=0.941m22、玻璃板块自重:G Ak:玻璃板块平均自重(不包括铝框):t:玻璃板块厚度: 5mm玻璃的体积密度, 25.6 KN/m3G Ak=25.6×t/1000=25.6×5/1000=0.128kN/m23、玻璃的强度计算:校核依据:σ≤fg=84.000N/mm2q:玻璃所受荷载:ωk=1.63 kN/m2a:玻璃短边边长: 0.875mb:玻璃长边边长: 1.075mt:玻璃厚度:5mmψ:玻璃板面跨中弯曲系数, 按边长比a/b查出(b为长边边长) a/b=0.875/1.075=0.814查资料②表5.4.1得:ψ=0.0613σw:玻璃所受应力:σw=1.4×6×ψ×q×a2×1000/t2=1.4×6×0.0613×1.63×0.8752×1000/52=23.940 N/mm223.940N/mm2≤fg=84.000N/mm2玻璃的强度满足!四、门窗主要受力构件计算LM6519 受力构件计算(1)风荷载作用下受力构件内力的计算W k:风荷载标准值: q=1.63kN/m2M w:风荷载作用下受力构件的总弯矩标准值(kN·m)Q w:风荷载作用下受力构件的总剪力标准值(kN)L:受力构件受荷单元跨度: L=2.250(m)W1:受力构件第一受荷单元宽:W1=1.000(m)W2:受力构件第二受荷单元宽:W2=1.000(m)M1:受力构件在第一受荷单元作用下的弯矩(kN·m)M2:受力构件在第二受荷单元作用下的弯矩(kN·m)Q1: 受力构件在第一受荷单元作用下的剪力(kN)Q2: 受力构件在第二受荷单元作用下的剪力(kN)B受力构件在第一受荷单元作用下的内力计算:Q1=q×W1×L/4 =1.63×1.000×2.250/4 =0.917 kN.M1=q×W1×L^2/16 =1.63×1.000×2.2502/16=0.516kN.m受力构件在第二受荷单元作用下的内力计算:Q2=q×W2×L/4=1.63×1.000×2.250/4 =0.917 kN.M2=q×W2×L^2/16=1.63×1.000×2.2502/16=0.516kN.m受力构件总内力计算:Q w=Q1+Q2=0.917+0.917=1.834kNM w=M1+M2=0.516+0.516=1.032kN.m(2)杆件抗弯矩预选值的计算(cm3)W: 杆件抗弯矩预选值(cm3)W=1.4×Mw×103/84.2=1.4×1.032×103/84.2 =17.153cm3(3)杆件惯性矩预选值的计算(cm3)根据挠度计算公式:μmax = 5qL4 /(384EI)(资料②P494表5-31) 其中线荷载计算值:q k =(W1+W2)wk/2 (资料②P494) 装单层玻璃时,型材允许挠度:μmax< 1 /120,且绝对挠度不大于15mm(资料③)则有:5awkL4 /(2x384EI)<L/120E-铝合金型材的弹性模量,E=0.7×105I≥5×120(W1+W2)wkL3 /(2×384E)=40.34 cm4(4)选用型材的截面特性:选用型材截面如图:铝型材强度设计值: 84.200N/mm2铝型材弹性模量: E=7.0×10^4N/cm2铝型材的X轴惯性矩: I x= 28.613cm4截面面积: A= 4.307cm2加入71×4的加强钢板X轴惯性矩: I x=11.071cm4截面面积: A=2.84cm2组合后的X轴惯性矩: I x=61.826cm4组合后的X轴抵抗矩: W x=17.665cm3型材计算校核处壁厚: t=2.000mm型材截面面积矩: Ss= 4.792cm3(5)型材的强度计算:校核依据: 1.4M w/W≤fa=84.200N/mm^2σ=1.4×M w×103/W x =1.4×0.962×103/17.665 =76.24N/mm276.24N/mm2≤fa=84.200N/mm^2杆件强度可以满足!(6)杆件抗剪计算:校核依据: τmax≤[τ]=48.900N/mm2Q w:风荷载作用下剪力标准值(kN)Q:风荷载作用下剪力设计值(kN)Q=1.4×Q w=1.4×1.834 =2.568kN(7)杆件剪应力:τ: 杆件剪应力:Ss: 杆件型材截面面积矩: 4.792cm3I x: 杆件型材截面惯性矩: 61.826cm4t: 杆件壁厚: 2.000mmτ=Q×Ss×100/Ix/t =2.568×4.792×100/61.826/2.000 =9.952N/mm29.952N/mm2≤48.900N/mm2杆件抗剪强度可以满足!(8)杆件刚度的计算:校核依据:Umax≤[U]=15mm 且Umax≤L/120U:杆件最大挠度(mm)U1:受力构件在第一受荷单元作用下的最大挠度(mm)U2:受力构件在第二受荷单元作用下的最大挠度(mm)U1=5×q×W1×L4×103/(2×384×E×I)=5×1.63×1.000×2.2504×103/(2×384×0.7×61.826)=6.117mmU2=5×q×W1×L4×103/(2×384×E×I)=5×1.63×1.000×2.2504×103/(2×384×0.7×61.826)=6.117mm杆件最大挠度:U=U1+U2 =6.117+6.117=12.234mm12.234mm <15mmD u: 相对挠度值:杆件长度:2.250mD u=U/2.250/1000 =12.234/2250 =1/185<1/120挠度满足要求!附:参考资料1、《铝合金门窗工程设计、施工及验收规范》 DBJ 15-30-20022、《玻璃幕墙工程技术规范应用手册》中国建筑工业出版社3、《建筑结构荷载规范》 GB 5009-20014、《机械设计手册》机械工业出版社5、《建筑玻璃应用技术规程》 JGJ 113-20036、《玻璃幕墙工程技术规范》 JGJ 102-2003。
一、环境参数:工程所在省市:工程所在城市:场地类型: C类; 密集建筑群且房屋比较高的城市市区安装高度: 20 m正体型系数: 1负体型系数: -1二、风荷载计算:门窗可视作建筑物的外维护结构,依据GB 50009-2001 7.1.1 规范,风荷载计算公式: W k= βgz× μs× μz × W0其中: W k——风荷载标准值βgz——高度z处的阵风系数μs——风荷载体型系数μz——风压高度变化系数W0——基本风压本工程依据: C类; 密集建筑群且房屋比较高的城市市区安装高度20米,取值: βgz = 1.92μz = 0.84唐山地区的基本风压为:W0 = 0.4 KPa正风压下风荷载标准值计算:W k= βgz× μs× μz × W0= 1.92 × 1 × 0.84 × 0.4= 0.64512 KPa负风压下风荷载标准值计算:W k= βgz× μs× μz × W0= 1.92 × 1 × 0.84 × 0.4= 0.64512 KPa参照风荷载标准值,本工程选取的风压值为:正风压值: 0.64512 KPa负风压值: 0.64512 KPa三、荷载分布图:四、主要受力杆件承载能力的校核计算:门窗构件受梯形分布荷载作用下挠度计算为:f = Q ? L3 / (K ? E ? I)其中:Q——受力构件所承受的梯形荷载L——受力构件的长度K——梯形分布系数:梯形为0.0 L 时K = 76.8 (矩形); 0.1 L 时K = 70.2; 0.2 L 时K = 65.6; 0.3 L 时K = 62.4; 0.4 L 时K = 60.6; 0.5 L 时K = 60.0 (三角形)E——材料弹性模量.I——型材截面惯性矩门窗构件受集中荷载作用下挠度计算为f = P ? L1 ? L2 (L + L2)(3L1(L + L2))1/2 / 27 E ? I ? L其中:P——受力构件所承受的集中荷载L——受力构件的长度L1——受力点左侧受力构件的长度L2——受力点右侧受力构件的长度门窗构件挠度是梯形分布荷载挠度变形与集中荷载挠度变形的累加。
中远两湾城三期东块门窗设计计算书工程基本参数:工程名称:中远两湾城三期东块工程地点:青岛市中潭路工程所在地:山东青岛市抗震8度设防建筑高度:100米基本层高:3米计算高度:10米计算内容:外墙10米高铝合金门窗LC-1、LTC2424a、TMC3024竖料、横料、玻璃的强度、挠度计算主要材料的选定:铝型材: 采用国产优质华佳日铝型材,材质为 6063-T6 合金玻璃: 国产5mm F绿玻璃,国产5mm F绿钢化玻璃,国产5mm F绿磨砂玻璃I、设计计算依据:1.中远两湾城三期东块建筑结构施工图2.规范:《建筑结构荷载规范》 GB 50009-2001《建筑抗震设计规范》 GB50011-2001(2001年)《建筑玻璃应用技术规程》 JGJ 113-2003J255-2003 (2003年)《建筑结构可靠度设计统一标准》 GB50068-2001(2001年)《玻璃幕墙工程技术规范》 JGJ102-2003 J 280-2003 (2003年)《建筑铝型材基材》 GB/T5237.1-2000《建筑铝型材阳极氧化,着色型材》 GB/T5237.2-2000《浮法玻璃》 GB11614---1999《夹层玻璃》 GB9962---1998《钢化玻璃》 GB/T9963---1998《铝及铝合金轧制版材》 GB/T3880---1997《铝塑复合板》 GB/T17748《铝合金建筑型材》 GB/T5237-93《铝塑复合板用铝带》 YS/T432---2000《建筑幕墙风压变形性能检测方法》 GB/T18227II、基本计算公式:(1)、地区类型划分:根据地面粗糙度,地区可划分为以下类别:A类地区:近海海面和海岛、海岸、湖岸及沙漠地区;B类地区:田野、乡村、丛林、丘陵以及房屋比较稀疏的乡镇和城市郊区;C类地区:密集建筑群的城市市区;D类地区:密集建筑群且房屋较高的城市市区。
中远两湾城三期东块在山东青岛市按照A类地区计算(2)、风荷载计算根据《建筑结构荷载规范》GB50009-2001规定 :风荷载标准值(须>=1KN/m^2):Wk= βgz×μS×μZ×w0其中Wk---作用在门窗幕墙上的风荷载标准值(不应小于 1.0KN/m^2:《玻璃幕墙工程技术规范》JGJ102-2003 5.3.2 ))(kN/m^2)βgz---瞬时阵风风压系数,按《建筑结构荷载规范》GB50009-2001规定根据地区类型划分不同,按以下公式计算:βgz =k(1+2μf)对A,B,C,D类地面粗糙度系数k,分别为 0.92,0.89,0.85,0.80高度变化系数:μf =0.5×35^(1.8×(α-0.16))×(A/10)^-α对A,B,C,D类地面粗糙度指数α,分别为 0.12,0.16,0.22,0.30μS---风荷载体型系数,按GB50009-2001规定μZ---风压高度变化系数,按《建筑结构荷载规范》GB50009-2001规定1) A(计算高度)= 10m2) 地区类型=A类地区μZ(A)=1.379(A/10)^0.24μZ(B)=(A/10)^0.32μZ(C)=0.616(A/10)^0.44μZ(D)=0.318(A/10)^0.60W0---基本风压:600N/m^2按《建筑结构荷载规范》GB 50009-2001规定,采用50年平均最大风压)(3)、地震荷载计算qEAK=βΕ×αmax×Gk其中qEAK---垂直于玻璃平面的分布水平地震作用标准值(kN/m^2)βE---动力放大系数,按5.0取定αmax---水平地震影响系数最大值,按相应抗震烈度取定,《建筑结构荷载规范》GB50009-2001规定取值如下:6度:αmax=0.047度:αmax=0.088度:αmax=0.169度:αmax=0.32山东青岛市按照抗震8度计算取αmax=0.16(4)、荷载组合1.门窗构件承载力极限状态设计时,其作用效应的组合就符合下列规定:a.无地震作用效应组合时:S=γG×SGk+ψw×γw×Swkb.有地震作用效应组合时:S=γG×SGk+ψw×γw×Swk+ψE×γE×SEk2.进行门窗构件承载力设计时,作用分项系数应按下列规定取值:a.一般情况下,永久荷载、风荷载和地震作用的分项系数γG、γw、γE应分别取1.2、1.4和1.3b.当永久荷载的效应起控制作用时,其分项系数γG应取1.35c.当永久荷载的效应对构件有利时,其分项系数γG的取值不应大于1.03.可变作用的组合值系数,一般情况下,风荷载和地震作用的组合值系数ψw、ψE应分别取1.0和0.5(5)、设计荷载确定原则在作用于门窗上的各种荷载中,主要有风荷载、地震作用、玻璃构件自重和由环境温度变化引起的作用效应等等。
门窗设计计算书基本参数: **地区门窗所在位置标高=33.000(m)设计依据:《建筑外窗抗风压性能分级及检测方法》 GB/T 7106-2002《建筑外窗空气渗透性能分级及检测方法》 GB/T 7107-2002《建筑外窗水密性能分级及检测方法》 GB/T 7108-2002《建筑结构静力计算手册 (第二版) 》《BKCADPM集成系统(BKCADPM2005版)》一、门窗承受荷载计算:标高为33.0m处风荷载计算(1). 风荷载标准值计算:W0:基本风压W0=0.55 kN/m2βgz: 33.0m高处阵风系数(按C类区计算)βgz=0.85×[1+35^(0.108)×(Z/10)-0.22]=1.810μz: 33.0m高处风压高度变化系数(按C类区计算): (GB50009-2001) μz=0.616×(Z/10)0.44=0.616×(33.0/10)0.44=1.042μs:风荷载体型系数μs=-1.20Wk=βgz×μz×μs×W0 (GB50009-2001)=1.810×1.042×1.2×0.550=1.244 kN/m2(2). 风荷载设计值:W: 风荷载设计值(kN/m2)γw:风荷载作用效应的分项系数:1.4按《建筑结构荷载规范》GB50009-2001 3.2.5 规定采用W=γw×Wk=1.4×1.244=1.742kN/m2二、玻璃的选用与校核本处选用玻璃种类为: 钢化玻璃1. 玻璃面积:B: 该处玻璃幕墙分格宽: 0.960mH: 该处玻璃幕墙分格高: 1.970mA: 该处玻璃板块面积:A=B×H=0.960×1.970=1.891m22. 该处玻璃板块自重:GAK: 玻璃板块自重(不包括铝框):玻璃的重力密度为: 25.6(KN/m3)BT_L 中空玻璃内侧玻璃厚度为: 5.000(mm)BT_w 中空玻璃外侧玻璃厚度为: 5.000(mm)GAK=25.6×(Bt_L+Bt_w)/1000=25.6×(5.000+5.000)/1000=0.256KN/m23. 该处垂直于玻璃平面的分布水平地震作用:由于采用非抗震设计,计算略。
一、环境参数:工程所在省市:工程所在城市:场地类型: C类; 密集建筑群且房屋比较高的城市市区安装高度: 20 m正体型系数: 1负体型系数: -1二、风荷载计算:门窗可视作建筑物的外维护结构,依据GB 50009-2001 7.1.1 规范,风荷载计算公式: W k = βgz×μs×μz× W0其中: W k——风荷载标准值βgz——高度z处的阵风系数μs——风荷载体型系数μz——风压高度变化系数W0——基本风压本工程依据: C类; 密集建筑群且房屋比较高的城市市区安装高度20米,取值: βgz = 1.92μz = 0.84唐山地区的基本风压为:W0 = 0.4 KPa正风压下风荷载标准值计算:W k = βgz×μs×μz× W0= 1.92 × 1 × 0.84 × 0.4= 0.64512 KPa负风压下风荷载标准值计算:W k = βgz×μs×μz× W0= 1.92 × 1 × 0.84 × 0.4= 0.64512 KPa参照风荷载标准值,本工程选取的风压值为:正风压值: 0.64512 KPa负风压值: 0.64512 KPa三、荷载分布图:四、主要受力杆件承载能力的校核计算:根据材料力学挠度计算公式及门窗受力特点:门窗构件受梯形分布荷载作用下挠度计算为:f = Q ∙ L3 / (K ∙ E ∙ I)其中:Q——受力构件所承受的梯形荷载L——受力构件的长度K——梯形分布系数:梯形为0.0 L 时K = 76.8 (矩形); 0.1 L 时K = 70.2; 0.2 L 时K = 65.6; 0.3 L 时K = 62.4; 0.4 L 时K = 60.6; 0.5 L 时K = 60.0 (三角形)E——材料弹性模量.I——型材截面惯性矩门窗构件受集中荷载作用下挠度计算为f = P ∙ L1∙ L2 (L + L2)(3L1(L + L2))1/2 / 27 E ∙ I ∙ L其中:P——受力构件所承受的集中荷载L——受力构件的长度L1——受力点左侧受力构件的长度L2——受力点右侧受力构件的长度门窗构件挠度是梯形分布荷载挠度变形与集中荷载挠度变形的累加。
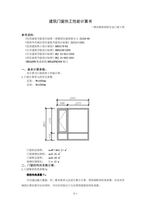
建筑门窗热工性能计算书-泗泾颐景园铝合金门窗工程参考资料:《民用建筑节能设计标准(采暖居住建筑部分)》JGJ26-95《夏热冬冷地区居住建筑节能设计标准》JGJ134-2001《民用建筑热工设计规范》GB50176-93《公共建筑节能设计标准》GB50189-2005《公共建筑节能设计标准》DBJ 01-621-2005《居住建筑节能设计标准》DBJ 01-602-2004《BKCADPM集成系统(BKCADPM2006版)》一、基本计算参数:本计算为门窗的热工性能计算。
1.门窗计算单元的有关参数总宽: W=1800mm总高: H=1800mm门窗的总面积: A t=W×H=3.24 m2门窗玻璃总面积: A g=2.61 m2门窗框总面积: A f=0.63 m2玻璃区域周长: lψ= 13 m二、门窗的传热系数计算:1.门窗框的传热系数U f框的传热系数U f:可以通过输入数据,用二维有限单元法进行数字计算,得到窗框的传热系数。
在没有详细的计算结果可以应用时,可以应用按以下方法得到窗框的传热系数。
本系统中给出的所有的数值全部是窗垂直安装的情况。
传热系数的数值包括了外框面积的影响。
计算传热系数的数值时取内表面换热系数h in =8.0 W/m 2·K 和外表面换热系数h out =23 W/m 2·K 。
(1) 塑料窗框:表E.0.2-1 带有金属钢衬的塑料窗框的传热系数(2) 木窗框木窗框的U f 值是在水气含量在12%的情况下获得,窗框厚度d f 的定义见图E.0.2-2。
U f的数值可以从图E.0.2-1中选取。
图E.0.2-1:木窗框以及金属-木窗框的热传递与窗框厚度d f 的关系窗框材料 窗框种类U f (W/m 2·K) 聚胺脂 带有金属加强筋净厚度≥5mm2.8 PVC 腔体截面 从室内到室外为两腔结构 2.2 从室内到室外为三腔结构2.0图E.0.2-2:不同窗户系统窗框厚度d f的定义(3) 金属窗框:框的传热系数U f的数值可以通过下列程序获得:a)对没有热断桥的金属框,使用U f0 =5.9 W/(m2·K);b)对具有断桥的金属框,U f0的数值从图E.0.2-3中粗线中选取;图E.0.2-3 带热断桥的金属窗框的传热系数值金属窗框R f 的热阻通过下式获得: 17.01-=f f U R (E.0.2-1) 金属窗框U f 的传热系数公式为: ed e e f f id i i f f A h A R A h A U ,,,,1++=(E.0.2-2)图E.0.2-4 截面类型1(采用导热系数低于0.3W/m.K 的隔热条)式中:A d.i, A d,e, A f,i, A f,e——窗各部件面积,m2;其定义如图E.0.2-5所示。
建筑门窗的抗风压计算书 This model paper was revised by the Standardization Office on December 10, 2020一、计算依据二、风荷载计算1、基本情况:门窗计算风荷最大标高取70米;根据工程所处的地理位置,其风压高度变化系数按C类算。
平开窗的受力杆件MQ25-24a最大计算长度为2400mm,杆件两边的最大受力宽度为:1375mm,;推拉窗的受力杆件QLC30-25最大计算长度为:1960mm,杆件两边的最大受力宽度为1480mm。
2、风荷载标准值的计算风荷载标准值ωk=βzμSμZωO (资料③ωk―风荷载设计标准值βZ―高度Z处的阵风系数, (资料③μS―风荷载体型系数,取μS = (资料③ωO―基本风压,取ωO = (资料③全国基本风压分布图)μz―风压高度变化系数, (资料③风荷载标准值计算:ωk=βzμSμZωO =×××=三、主要受力构件的设计及校核1、受力构件的截面参数根据( BH^3-bh^3 )/12 Ix=(D43建筑门窗的抗风压计算一、概况计算依据风荷载标准按GB50009-2001《建筑结构荷载》的规定计算任何材料制作的门窗玻璃按JGJ113-2003《建筑玻璃应用》的规定计算玻璃幕墙按JGJ102-2003《玻璃幕墙工程技术规范》的规定计算建筑外窗抗风强度计算方法说明什么是围护结构呢指建筑物及房间的围档物,包括墙壁、挡板等,按是否与室内外空气分割而言,包括内外围护结构,有透明与不透明之分。
“对于高层建筑、高耸结构以及对风荷载比较敏感的其他结构,基本风压应适当提高,并应由有关的结构具体规定。
”提出了几个问题:一、高层建筑,二、高耸结构,三、比较敏感的其他结构,四、有关的规范。
如何理解和应用的问题。
高层建筑:定义、基准,可从下列资料中找到。
JGJ37-87 《民用建筑设计通则》GB50096-99 《住宅设计规范》GB50045-95 《高层民用建筑设计防火规范》GBJ 16-87 《建筑设计防火规范》JGJ 3-2002 《高层建筑混凝土结构技术》有一句基本雷同的说法:在通则与防火等规范中指出为:居住建筑大于10层(约30M)公用建筑大于24M在JGJ3中定义为:10层及10层以上或房屋高度大于28M的建筑物。
建发花园四期铝合金门窗结构计算门窗设计计算书设计:校对:审核:批准:浙江亚厦幕墙有限公司二〇〇八年一月目录窗高1.5米标高38.7米门窗设计计算书 (1)一、计算引用的规范、标准及资料 (1)1.建筑设计规范: (1)2.玻璃规范: (1)3.钢材规范: (2)4.胶类及密封材料规范: (2)5.门窗及五金件规范: (2)6.《建筑结构静力计算手册》(第二版) (3)7.土建图纸: (3)二、基本参数 (3)1.门窗所在地区: (3)2.地面粗糙度分类等级: (3)三、门窗承受荷载计算 (3)四、门窗玻璃的选用与校核 (4)1.玻璃板块荷载计算: (5)2.玻璃的强度计算: (5)3.玻璃最大挠度校核: (7)五、门窗竖中挺计算 (7)1.竖中挺计算简图的确定: (7)2.选用竖中挺材料的截面特性: (8)3.风荷载作用的线荷载集度(按矩形分布): (8)4.门窗竖中挺荷载分配: (9)5.竖中挺在左受荷单元力作用下的受力分析: (10)6.竖中挺在右受荷单元力作用下的受力分析: (10)7.竖中挺的抗弯强度计算: (10)8.竖中挺的挠度计算: (11)9.竖中挺的抗剪计算: (12)窗高1.5米标高78米门窗设计计算书 (12)一、计算引用的规范、标准及资料 (12)1.建筑设计规范: (12)2.玻璃规范: (13)3.钢材规范: (13)4.胶类及密封材料规范: (14)5.门窗及五金件规范: (14)6.《建筑结构静力计算手册》(第二版) (15)7.土建图纸: (15)二、基本参数 (15)1.门窗所在地区: (15)2.地面粗糙度分类等级: (15)三、门窗承受荷载计算 (15)四、门窗玻璃的选用与校核 (16)1.玻璃板块荷载计算: (16)2.玻璃的强度计算: (17)3.玻璃最大挠度校核: (18)五、门窗竖中挺计算 (19)1.竖中挺计算简图的确定: (19)2.选用竖中挺材料的截面特性: (19)3.风荷载作用的线荷载集度(按矩形分布): (20)4.门窗竖中挺荷载分配: (20)5.竖中挺在左受荷单元力作用下的受力分析: (21)6.竖中挺在右受荷单元力作用下的受力分析: (21)7.竖中挺的抗弯强度计算: (22)8.竖中挺的挠度计算: (22)9.竖中挺的抗剪计算: (23)窗高1.95米标高78米门窗设计计算书 (24)一、计算引用的规范、标准及资料 (24)1.建筑设计规范: (24)2.玻璃规范: (24)3.钢材规范: (25)4.胶类及密封材料规范: (25)5.门窗及五金件规范: (25)6.《建筑结构静力计算手册》(第二版) (26)7.土建图纸: (26)二、基本参数 (26)1.门窗所在地区: (26)2.地面粗糙度分类等级: (26)三、门窗承受荷载计算 (26)四、门窗玻璃的选用与校核 (27)1.玻璃板块荷载计算: (28)2.玻璃的强度计算: (28)3.玻璃最大挠度校核: (30)五、门窗竖中挺计算 (30)1.竖中挺计算简图的确定: (30)2.选用竖中挺材料的截面特性: (31)3.风荷载作用的线荷载集度(按矩形分布): (31)4.门窗竖中挺荷载分配: (32)5.竖中挺在左受荷单元力作用下的受力分析: (33)6.竖中挺在右受荷单元力作用下的受力分析: (33)7.竖中挺的抗弯强度计算: (33)8.竖中挺的挠度计算: (34)9.竖中挺的抗剪计算: (35)窗高2.45米标高3.05米门窗设计计算书 (35)一、计算引用的规范、标准及资料 (35)1.建筑设计规范: (35)2.玻璃规范: (36)3.钢材规范: (36)4.胶类及密封材料规范: (37)5.门窗及五金件规范: (37)6.《建筑结构静力计算手册》(第二版) (38)7.土建图纸: (38)二、基本参数 (38)1.门窗所在地区: (38)2.地面粗糙度分类等级: (38)三、门窗承受荷载计算 (38)四、门窗玻璃的选用与校核 (39)1.玻璃的强度计算: (39)2.玻璃最大挠度校核: (40)五、门窗竖中挺计算 (40)1.竖中挺计算简图的确定: (41)2.选用竖中挺材料的截面特性: (41)3.风荷载作用的线荷载集度(按矩形分布): (41)4.门窗竖中挺荷载分配: (42)5.竖中挺在左受荷单元力作用下的受力分析: (43)6.竖中挺在右受荷单元力作用下的受力分析: (43)7.竖中挺的抗弯强度计算: (44)8.竖中挺的挠度计算: (44)9.竖中挺的抗剪计算: (45)窗高3米标高7.15米门窗设计计算书 (45)一、计算引用的规范、标准及资料 (45)1.建筑设计规范: (45)2.玻璃规范: (46)3.钢材规范: (46)4.胶类及密封材料规范: (47)5.门窗及五金件规范: (47)6.《建筑结构静力计算手册》(第二版) (48)7.土建图纸: (48)二、基本参数 (48)1.门窗所在地区: (48)2.地面粗糙度分类等级: (48)三、门窗承受荷载计算 (48)四、门窗玻璃的选用与校核 (49)1.玻璃的强度计算: (49)2.玻璃最大挠度校核: (50)五、门窗竖中挺计算 (50)1.竖中挺计算简图的确定: (51)2.选用竖中挺材料的截面特性: (51)3.风荷载作用的线荷载集度(按矩形分布): (51)4.门窗竖中挺荷载分配: (52)5.竖中挺在左受荷单元力作用下的受力分析: (53)6.竖中挺在右受荷单元力作用下的受力分析: (53)7.竖中挺的抗弯强度计算: (54)8.竖中挺的挠度计算: (54)9.竖中挺的抗剪计算: (55)窗高6.18米标高78米门窗设计计算书 (55)一、计算引用的规范、标准及资料 (55)1.建筑设计规范: (56)2.玻璃规范: (56)3.钢材规范: (56)4.胶类及密封材料规范: (57)5.门窗及五金件规范: (57)6.《建筑结构静力计算手册》(第二版) (58)7.土建图纸: (58)二、基本参数 (58)1.门窗所在地区: (58)2.地面粗糙度分类等级: (58)3.抗震烈度: (58)三、门窗承受荷载计算 (58)1.风荷载标准值计算: (58)2.垂直于门窗平面的分布水平地震作用标准值: (59)3.作用效应组合: (59)四、门窗立柱计算 (60)1.立柱型材选材计算: (60)2.确定材料的截面参数: (61)3.选用立柱型材的截面特性: (62)4.立柱的抗弯强度计算: (63)5.立柱的挠度计算: (63)6.立柱的抗剪计算: (63)五、门窗横梁计算 (64)1.横梁型材选材计算: (65)2.确定材料的截面参数: (66)3.选用横梁型材的截面特性: (67)4.门窗横梁的抗弯强度计算: (68)5.横梁的挠度计算: (68)6.横梁的抗剪计算:(三角荷载作用下) (68)六、门窗玻璃的选用与校核 (69)1.玻璃板块荷载计算: (70)2.玻璃的强度计算: (71)3.玻璃最大挠度校核: (72)七、连接件计算 (73)1.横梁与角码间连结: (73)2.角码与立柱连接: (74)3.立柱与主结构连接 (76)八、门窗埋件计算(后补锚栓) (77)1.荷载标准值计算: (77)2.拉拔实验拉拔力计算: (78)九、门窗焊缝计算 (79)1.受力分析: (79)2.焊缝特性参数计算: (79)3.焊缝校核计算: (80)十、玻璃门窗伸缩及紧固计算 (80)1.立柱连接伸缩缝计算: (80)2.玻璃镶嵌槽紧固螺钉抗拉强度计算: (80)3.玻璃边缘到边框槽底间隙计算: (81)12mm全玻璃幕墙设计计算书 (81)一、计算引用的规范、标准及资料 (81)1.幕墙设计规范: (81)2.建筑设计规范: (82)3.玻璃规范: (82)4.钢材规范: (83)5.胶类及密封材料规范: (83)6.《建筑结构静力计算手册》(第二版) (83)7.土建图纸: (83)二、基本参数 (83)1.幕墙所在地区: (83)2.地面粗糙度分类等级: (83)3.抗震烈度: (84)三、幕墙承受荷载计算 (84)1.风荷载标准值计算: (84)2.垂直于幕墙平面的分布水平地震作用标准值: (85)3.作用效应组合: (85)四、全玻璃幕墙大面玻璃的计算 (85)1.玻璃板块荷载计算: (86)2.玻璃的强度计算: (86)3.玻璃最大挠度校核: (87)五、全玻璃幕墙玻璃肋及结构胶的校核 (87)1.肋截面高度的校核: (88)2.玻璃肋的挠度计算: (88)3.胶缝强度的校核: (88)4.地震作用下结构胶粘结厚度: (88)12mm吊挂玻璃幕墙设计计算书 (89)一、计算引用的规范、标准及资料 (89)1.幕墙设计规范: (89)2.建筑设计规范: (89)3.玻璃规范: (90)4.钢材规范: (90)5.胶类及密封材料规范: (91)6.《建筑结构静力计算手册》(第二版) (91)7.土建图纸: (91)二、基本参数 (91)1.幕墙所在地区: (91)2.地面粗糙度分类等级: (91)3.抗震烈度: (91)三、幕墙承受荷载计算 (91)1.风荷载标准值计算: (91)2.垂直于幕墙平面的分布水平地震作用标准值: (92)3.作用效应组合: (92)四、全玻璃幕墙大面玻璃的计算 (93)1.玻璃板块荷载计算: (93)2.玻璃的强度计算: (94)3.玻璃最大挠度校核: (94)五、全玻璃幕墙玻璃肋及结构胶的校核 (95)1.肋截面高度的校核: (95)2.玻璃肋的挠度计算: (95)3.胶缝强度的校核: (96)4.地震作用下结构胶粘结厚度: (96)窗高1.5米标高38.7米门窗设计计算书一、计算引用的规范、标准及资料1.建筑设计规范:《建筑结构荷载规范》 GB50009-2001《钢结构设计规范》 GB50017-2003《冷弯薄壁型钢结构设计规范》 GB50018-2002《高层民用钢结构技术规程》 JGJ99-98《建筑设计防火规范》 GBJ16-87(2001版) 《高层民用建筑设计防火规范》 GB50045-2001《建筑物防雷设计规范》 GB50057-2000《工程抗震术语标准》 JGJ/T97-95《中国地震烈度表》 GB/T17742-1999《建筑抗震设计规范》 GB50011-2001《建筑抗震设防分类标准》 GB50223-2004《中国地震动参数区划图》 GB18306-2000《采暖通风与空气调节设计规范》 GB50019-2003《高层建筑混凝土结构技术规程》 JGJ3-2002《混凝土结构设计规范》 GB50010-2002《民用建筑热工设计规范》 GB50176-93《民用建筑隔声设计规范》 GBJ118-88《建筑结构可靠度设计统一标准》 GB50068-2001《建筑装饰工程施工质量验收规范》 GB50210-2001《建筑钢结构焊接技术规程》 JGJ81-2002《钢结构防火涂料》 GB14907-2002《碳钢焊条》 GB/T5117-1995《低合金钢焊条》 GB/T5118-1995《铝型材截面几何参数算法及计算机程序要求》 YS/T437-20002.玻璃规范:《建筑玻璃应用技术规程》 JGJ113-2003《普通平板玻璃》 GB4871-1995《浮法玻璃》 GB11614-1999《钢化玻璃》 GB/T9963-1998《幕墙用钢化玻璃与半钢化玻璃》 GB/T17841-1999《建筑用安全玻璃防火玻璃》 GB15763.1-2001《中空玻璃》 GB/T11944-2002《夹层玻璃》 GB9962-1999《镀膜玻璃第一部分阳光控制镀膜玻璃》 GB/T18915.1-2002 《镀膜玻璃第二部分低辐射镀膜玻璃》 GB/T18915.2-2002 《热反射玻璃》 JC693-1998《热弯玻璃》 JC/T915-20033.钢材规范:《不锈钢棒》 GB/T1220-1992 《不锈钢冷加工钢棒》 GB/T4226-1984 《不锈钢冷扎钢板》 GB/T3280-1992 《不锈钢热扎钢板》 GB/T4237-1992 《不锈钢热扎钢带》 GB/T5090《冷拔异形钢管》 GB/T3094-2000 《碳素结构钢》 GB/T700-1988 《优质碳素结构钢》 GB/T699-1999 《合金结构钢》 GB/T3077-1999 《不锈钢和耐热钢冷扎带钢》 GB/T4239-1991 《高耐候结构钢》 GB/T4171-2000 《焊接结构用耐候钢》 GB/T4172-2000 《低合金高强度结构钢》 GB/T1591-1994 《碳素结构和低合金结构钢热轧薄钢板及钢带》 GB/T912-1989 《碳素结构和低合金结构钢热轧厚钢板及钢带》 GB/T3274-1988 《结构用无缝钢管》 JBJ102《金属覆盖层钢铁制品热镀锌层技术要求》 GB/T13912-1992 4.胶类及密封材料规范:《混凝土接缝用密封胶》 JC/T881-2001 《硅酮建筑密封胶》 GB/14683-2003 《建筑用硅酮结构密封胶》 GB16776-2003 《聚硫建筑密封胶》 JC483-1992 《中空玻璃用弹性密封剂》 JC486- 2001 《幕墙玻璃接缝用密封胶》 JC/T882-2001 《石材幕墙接缝用密封胶》 JC/T883-2001 《中空玻璃用丁基热熔密封胶》 JC/T914-2003 《彩色钢板用建筑密封胶》 JC/T884-2001 《工业用橡胶板》 GB/T5574-1994 《绝热用岩棉、矿棉及其制品》 GB/T11835-98 《建筑用防霉密封胶》 JC/T885-2001 《建筑表面用有机硅防水剂》 JC/T902-2002 《聚氨酯建筑密封胶》 JC/T482-2003 5.门窗及五金件规范:《铝合金门》 GB/T8478-2003 《铝合金窗》 GB/T8479-2003 《建筑外窗抗风压性能分级及检测方法》 GB/T7106-2002 《建筑外窗气密性能分级及检测方法》 GB/T7107-2002 《建筑外窗水密性能分级及检测方法》 GB/T7108-2002 《建筑外窗空气隔声性能分级及检测方法》 GB/T8485-2002 《铝合金门窗工程设计、施工及验收规范》 DBJ15-30-2002 《建筑外窗采光性能分级及检测方法》 GB/T11976-2002 《地弹簧》 GB/T9296-1988 《平开铝合金窗执手》 GB/T9298-1988 《铝合金窗不锈钢滑撑》 GB/T9300-1988《铝合金门插销》 GB/T9297-1988《铝合金窗撑挡》 GB/T9299-1988《铝合金门窗拉手》 GB/T9301-1988《铝合金窗锁》 GB/T9302-1988《铝合金门锁》 GB/T9303-1988《闭门器》 GB/T9305-1988《推拉铝合金门窗用滑轮》 GB/T9304-1988《紧固件螺栓和螺钉》 GB/T5277《十字槽盘头螺钉》 GB/T818-2000《紧固件机械性能螺栓、螺钉和螺柱》 GB3098.1-2000《紧固件机械性能螺母粗牙螺纹》 GB3098.2-2000《紧固件机械性能螺母细牙螺纹》 GB3098.4-2000《紧固件机械性能自攻螺钉》 GB3098.5-2000《紧固件机械性能不锈钢螺栓、螺钉、螺柱》 GB3098.6-2000《紧固件机械性能不锈钢螺母》 GB3098.15-2000《螺纹紧固件应力截面积和承载面积》 GB/T16823.1-19976.《建筑结构静力计算手册》(第二版)7.土建图纸:二、基本参数1.门窗所在地区:厦门地区;2.地面粗糙度分类等级:按《建筑结构荷载规范》(GB50009-2001)A类:指近海海面和海岛、海岸、湖岸及沙漠地区;B类:指田野、乡村、丛林、丘陵以及房屋比较稀疏的乡镇和城市郊区; C类:指有密集建筑群的城市市区;D类:指有密集建筑群且房屋较高的城市市区;依照上面分类标准,本工程按B类地区考虑。
一、计算依据二、风荷载计算1、基本情况:门窗计算风荷最大标高取70米;根据工程所处的地理位置,其风压高度变化系数按C类算。
平开窗的受力杆件MQ25-24a最大计算长度为2400mm,杆件两边的最大受力宽度为:1375mm,;推拉窗的受力杆件QLC30-25最大计算长度为:1960mm,杆件两边的最大受力宽度为1480mm。
2、风荷载标准值的计算风荷载标准值ωk=βzμSμZωO (资料③ωk―风荷载设计标准值βZ―高度Z处的阵风系数,(资料③μS―风荷载体型系数,取μS =0.8 (资料③ωO―基本风压,取ωO =0.7KPa (资料③全国基本风压分布图)μz―风压高度变化系数, (资料③风荷载标准值计算:ωk=βzμSμZωO =1.66×0.8×1.45×0.7=1.35KPa三、主要受力构件的设计及校核1、受力构件的截面参数根据(BH^3-bh^3 )/12 Ix=0.0491(D43建筑门窗的抗风压计算一、概况1.1计算依据风荷载标准按GB50009-2001《建筑结构荷载规范》的规定计算任何材料制作的门窗玻璃按JGJ113-2003《建筑玻璃应用技术规范》的规定计算玻璃幕墙按JGJ102-2003《玻璃幕墙工程技术规范》的规定计算建筑外窗抗风强度计算方法1.2说明什么是围护结构呢?指建筑物及房间的围档物,包括墙壁、挡板等,按是否与室内外空气分割而言,包括内外围护结构,有透明与不透明之分。
“对于高层建筑、高耸结构以及对风荷载比较敏感的其他结构,基本风压应适当提高,并应由有关的结构设计规范具体规定。
”提出了几个问题:一、高层建筑,二、高耸结构,三、比较敏感的其他结构,四、有关的结构设计规范。
如何理解和应用的问题。
高层建筑:定义、基准,可从下列资料中找到。
JGJ37-87 《民用建筑设计通则》GB50096-99 《住宅设计规范》GB50045-95 《高层民用建筑设计防火规范》GBJ 16-87 《建筑设计防火规范》JGJ 3-2002 《高层建筑混凝土结构技术规程》有一句基本雷同的说法:在通则与防火等规范中指出为:居住建筑大于10层(约30M)公用建筑大于24M在JGJ3中定义为:10层及10层以上或房屋高度大于28M的建筑物。
建筑门窗的抗风压计算书HUA system office room 【HUA16H-TTMS2A-HUAS8Q8-HUAH1688】一、计算依据二、风荷载计算1、基本情况:门窗计算风荷最大标高取70米;根据工程所处的地理位置,其风压高度变化系数按C类算。
平开窗的受力杆件MQ25-24a最大计算长度为2400mm,杆件两边的最大受力宽度为:1375mm,;推拉窗的受力杆件QLC30-25最大计算长度为:1960mm,杆件两边的最大受力宽度为1480mm。
2、风荷载标准值的计算风荷载标准值ωk=βzμSμZωO (资料③ωk―风荷载设计标准值βZ―高度Z处的阵风系数, (资料③μS―风荷载体型系数,取μS =0.8 (资料③ωO―基本风压,取ωO =0.7KPa (资料③全国基本风压分布图)μz―风压高度变化系数, (资料③风荷载标准值计算:ωk=βzμSμZωO =1.66×0.8×1.45×0.7=1.35KPa三、主要受力构件的设计及校核1、受力构件的截面参数根据( BH^3-bh^3 )/12 Ix=0.0491(D43建筑门窗的抗风压计算一、概况1.1计算依据风荷载标准按GB50009-2001《建筑结构荷载规范》的规定计算任何材料制作的门窗玻璃按JGJ113-2003《建筑玻璃应用技术规范》的规定计算玻璃幕墙按JGJ102-2003《玻璃幕墙工程技术规范》的规定计算建筑外窗抗风强度计算方法1.2说明什么是围护结构呢?指建筑物及房间的围档物,包括墙壁、挡板等,按是否与室内外空气分割而言,包括内外围护结构,有透明与不透明之分。
“对于高层建筑、高耸结构以及对风荷载比较敏感的其他结构,基本风压应适当提高,并应由有关的结构设计规范具体规定。
”提出了几个问题:一、高层建筑,二、高耸结构,三、比较敏感的其他结构,四、有关的结构设计规范。
如何理解和应用的问题。
高层建筑:定义、基准,可从下列资料中找到。
铝合金门窗设计计算书设计:校对:审核:批准:三月目录1 计算引用的规范、标准及资料...................................................................................................... 错误!未定义书签。
1.1 门窗及相关设计规范: (1)1.2 建筑设计规范: (1)1.3 铝材规范: (2)1.4 玻璃规范: (2)1.5 钢材规范: (2)1.6 胶类及密封材料规范: (3)1.7 门窗及五金件规范: (3)1.8 相关物理性能等级测试方法: (4)1.9 《建筑结构静力计算手册》(第二版) ............................................................................. 错误!未定义书签。
1.10 土建图纸: (5)2 基本参数 ............................................................................................................................................... 错误!未定义书签。
2.1 门窗所在地区 ......................................................................................................................... 错误!未定义书签。
2.2 地面粗糙度分类等级............................................................................................................ 错误!未定义书签。
北京XX大学体育馆门窗设计计算书设计:校对:审核:批准:沈阳YY幕墙工程有限公司二〇〇六年三月二十九日门窗设计计算书一、计算引用的规范、标准及资料1.幕墙设计规范:《建筑幕墙》 JG3035-1996《玻璃幕墙工程技术规范》 JGJ102-2003《金属与石材幕墙工程技术规范》 JGJ133-2001《点支式玻璃幕墙工程技术规程》 CECS127-2001《全玻璃幕墙工程技术规程》 DBJ/CT014-2001 《玻璃幕墙光学性能》 GB/T18091-2000 《建筑幕墙物理性能分级》 GB/T15225-94《建筑幕墙空气渗透性能测试方法》 GB/T15226-94《建筑幕墙风压变形性能测试方法》 GB/T15227-94《建筑幕墙雨水渗透性能测试方法》 GB/T15228-94《建筑幕墙平面内变形性能检测方法》 GB/T18250-2000 《建筑幕墙抗震性能振动台试验方法》 GB/T18575-2001 《点支式玻璃幕墙支承装置》 JG138-2001《吊挂式玻璃幕墙支承装置》 JG139-20012.建筑设计规范:《建筑结构荷载规范》 GB50009-2001《钢结构设计规范》 GB50017-2003《冷弯薄壁型钢结构设计规范》 GB50018-2002《高层民用钢结构技术规程》 JGJ99-98《建筑设计防火规范》 GBJ16-87(2001版) 《高层民用建筑设计防火规范》 GB50045-2001《建筑物防雷设计规范》 GB50057-2000《工程抗震术语标准》 JGJ/T97-95《中国地震烈度表》 GB/T17742-1999《建筑抗震设计规范》 GB50011-2001 《建筑抗震设防分类标准》 GB50223-2004 《中国地震动参数区划图》 GB18306-2000 《采暖通风与空气调节设计规范》 GB50019-2003 《高层建筑混凝土结构技术规程》 JGJ3-2002《混凝土结构设计规范》 GB50010-2002 《民用建筑热工设计规范》 GB50176-93《民用建筑隔声设计规范》 GBJ118-88《建筑结构可靠度设计统一标准》 GB50068-2001 《建筑装饰工程施工质量验收规范》 GB50210-2001 《建筑钢结构焊接技术规程》 JGJ81-2002《钢结构防火涂料》 GB14907-2002 《碳钢焊条》 GB/T5117-1995 《低合金钢焊条》 GB/T5118-1995 《铝型材截面几何参数算法及计算机程序要求》 YS/T437-20003.铝材规范:《铝幕墙板板基》 YS/T429.1-2000 《铝幕墙板氟碳喷漆铝单板》 YS/T429.2-2000 《铝及铝合金彩色涂层板、带材》 YS/T431-2000 《铝塑复合板用铝带》 YS/T432-2000 《铝合金建筑型材》 GB/T5237-2000 《建筑铝型材基材》 GB/T5237.1-2004 《建筑铝型材阳极氧化、着色型材》 GB/T5237.2-2004 《建筑铝型材电泳涂漆型材》 GB/T5237.3-2004 《建筑铝型材粉末喷涂型材》 GB/T5237.4-2004 《建筑铝型材氟碳漆喷涂型材》 GB/T5237.5-2004 《变形铝及铝合金化学成份》 GB/T3190-1996 《铝及铝合金轧制板材》 GB/T3880-1997 《建筑用铝型材、铝板氟碳涂层》 JG/T133-20004.金属板及石材规范:《天然花岗石荒料》 JC/T204-2001 《天然大理石荒料》 JC/T202-2001 《天然板石》 GB/T18600-2001 《天然花岗石建筑板材》 GB/T18601-2001 《天然大理石建筑板材》 JC/T79-2001《干挂石材幕墙用环氧胶粘剂》 JC/T887-2001 《天然饰面石材术语》 GB/T13890-92 《建筑材料放射性核素限量》 GB6566-2001《铝塑复合板》 GB/T17748-1999 《建筑瓷板装饰工程技术规范》 CECS101:98《建筑装饰用微晶玻璃》 JC/T872-20005.玻璃规范:《建筑玻璃应用技术规程》 JGJ113-2003《普通平板玻璃》 GB4871-1995《浮法玻璃》 GB11614-1999 《钢化玻璃》 GB/T9963-1998 《幕墙用钢化玻璃与半钢化玻璃》 GB/T17841-1999 《建筑用安全玻璃防火玻璃》 GB15763.1-2001 《中空玻璃》 GB/T11944-2002 《夹层玻璃》 GB9962-1999《镀膜玻璃第一部分阳光控制镀膜玻璃》 GB/T18915.1-2002 《镀膜玻璃第二部分低辐射镀膜玻璃》 GB/T18915.2-2002 《热反射玻璃》 JC693-1998《热弯玻璃》 JC/T915-20036.钢材规范:《不锈钢棒》 GB/T1220-1992 《不锈钢冷加工钢棒》 GB/T4226-1984 《不锈钢冷扎钢板》 GB/T3280-1992 《不锈钢热扎钢板》 GB/T4237-1992 《不锈钢热扎钢带》 GB/T5090《冷拔异形钢管》 GB/T3094-2000 《碳素结构钢》 GB/T700-1988 《优质碳素结构钢》 GB/T699-1999 《合金结构钢》 GB/T3077-1999 《不锈钢和耐热钢冷扎带钢》 GB/T4239-1991 《高耐候结构钢》 GB/T4171-2000 《焊接结构用耐候钢》 GB/T4172-2000 《低合金高强度结构钢》 GB/T1591-1994 《碳素结构和低合金结构钢热轧薄钢板及钢带》 GB/T912-1989 《碳素结构和低合金结构钢热轧厚钢板及钢带》 GB/T3274-1988 《结构用无缝钢管》 JBJ102《金属覆盖层钢铁制品热镀锌层技术要求》 GB/T13912-1992 7.胶类及密封材料规范:《混凝土接缝用密封胶》 JC/T881-2001 《硅酮建筑密封胶》 GB/14683-2003 《建筑用硅酮结构密封胶》 GB16776-2003 《聚硫建筑密封胶》 JC483-1992 《中空玻璃用弹性密封剂》 JC486- 2001 《幕墙玻璃接缝用密封胶》 JC/T882-2001 《石材幕墙接缝用密封胶》 JC/T883-2001 《中空玻璃用丁基热熔密封胶》 JC/T914-2003 《彩色钢板用建筑密封胶》 JC/T884-2001 《工业用橡胶板》 GB/T5574-1994 《绝热用岩棉、矿棉及其制品》 GB/T11835-98 《建筑用防霉密封胶》 JC/T885-2001 《建筑表面用有机硅防水剂》 JC/T902-2002 《聚氨酯建筑密封胶》 JC/T482-2003 8.门窗及五金件规范:《铝合金门》 GB/T8478-2003 《铝合金窗》 GB/T8479-2003《建筑外窗抗风压性能分级及检测方法》 GB/T7106-2002 《建筑外窗气密性能分级及检测方法》 GB/T7107-2002 《建筑外窗水密性能分级及检测方法》 GB/T7108-2002 《建筑外窗空气隔声性能分级及检测方法》 GB/T8485-2002 《铝合金门窗工程设计、施工及验收规范》 DBJ15-30-2002 《建筑外窗采光性能分级及检测方法》 GB/T11976-2002 《地弹簧》 GB/T9296-1988 《平开铝合金窗执手》 GB/T9298-1988 《铝合金窗不锈钢滑撑》 GB/T9300-1988 《铝合金门插销》 GB/T9297-1988 《铝合金窗撑挡》 GB/T9299-1988 《铝合金门窗拉手》 GB/T9301-1988 《铝合金窗锁》 GB/T9302-1988 《铝合金门锁》 GB/T9303-1988 《闭门器》 GB/T9305-1988 《推拉铝合金门窗用滑轮》 GB/T9304-1988 《紧固件螺栓和螺钉》 GB/T5277《十字槽盘头螺钉》 GB/T818-2000 《紧固件机械性能螺栓、螺钉和螺柱》 GB3098.1-2000 《紧固件机械性能螺母粗牙螺纹》 GB3098.2-2000 《紧固件机械性能螺母细牙螺纹》 GB3098.4-2000 《紧固件机械性能自攻螺钉》 GB3098.5-2000 《紧固件机械性能不锈钢螺栓、螺钉、螺柱》 GB3098.6-2000 《紧固件机械性能不锈钢螺母》 GB3098.15-2000 《螺纹紧固件应力截面积和承载面积》 GB/T16823.1-19979.《建筑结构静力计算手册》(第二版)10.土建图纸:二、基本参数1.门窗所在地区:北京地区;2.地面粗糙度分类等级:按《建筑结构荷载规范》(GB50009-2001)A类:指近海海面和海岛、海岸、湖岸及沙漠地区;B类:指田野、乡村、丛林、丘陵以及房屋比较稀疏的乡镇和城市郊区; C类:指有密集建筑群的城市市区;D类:指有密集建筑群且房屋较高的城市市区;依照上面分类标准,本工程按C类地区考虑。
三、门窗承受荷载计算按建筑结构荷载规范(GB50009-2001)计算:w k=βgzμzμs w0……7.1.1-2[GB50009-2001]上式中:w k:作用在门窗上的风荷载标准值(MPa);Z:计算点标高:100m;βgz:瞬时风压的阵风系数;根据不同场地类型,按以下公式计算:βgz=K(1+2μf)其中K为地面粗糙度调整系数,μf为脉动系数A类场地: βgz=0.92×(1+2μf) 其中:μf=0.387×(Z/10)-0.12B类场地: βgz=0.89×(1+2μf) 其中:μf=0.5(Z/10)-0.16C类场地: βgz=0.85×(1+2μf) 其中:μf=0.734(Z/10)-0.22D类场地: βgz=0.80×(1+2μf) 其中:μf=1.2248(Z/10)-0.3对于C类地区,100m高度处瞬时风压的阵风系数:βgz=0.85×(1+2×(0.734(Z/10)-0.22))=1.6019μz:风压高度变化系数;根据不同场地类型,按以下公式计算:A类场地: μz=1.379×(Z/10)0.24当Z>300m时,取Z=300m,当Z<5m时,取Z=5m;B类场地: μz=(Z/10)0.32当Z>350m时,取Z=350m,当Z<10m时,取Z=10m;C类场地: μz=0.616×(Z/10)0.44当Z>400m时,取Z=400m,当Z<15m时,取Z=15m;D类场地: μz=0.318×(Z/10)0.60当Z>450m时,取Z=450m,当Z<30m时,取Z=30m;对于C类地区,100m高度处风压高度变化系数:μz=0.616×(Z/10)0.44=1.6966μs:风荷载体型系数,根据计算点体型位置取1.2;w0:基本风压值(MPa),根据现行<<建筑结构荷载规范>>GB50009-2001附表D.4(全国基本风压分布图)中数值采用,按重现期50年,北京地区取0.00045MPa;w k=βgzμzμs w0=1.6019×1.6966×1.2×0.00045=0.001468MPa四、门窗玻璃的选用与校核基本参数:1:计算点标高:100m;2:玻璃板尺寸:宽×高=B×H=1000mm×1280mm;3:玻璃配置:单片玻璃,钢化玻璃:4mm;;模型简图为:1.玻璃的强度计算:校核依据:σ≤[f g]θ:玻璃的计算参数;η:玻璃的折减系数;w k:风荷载标准值(MPa);a:分格短边长度(mm);E:玻璃的弹性模量(MPa);t:玻璃厚度(mm);θ=w k a4/Et4……6.1.2-3[JGJ102-2003]=0.001468×10004/72000/44=79.644按系数θ,查表6.1.2-2[JGJ102-2003],η=0.731;σ:玻璃在组合荷载作用下的板中最大应力设计值(MPa);w:风荷载设计值(MPa);a:玻璃短边边长(mm);b:玻璃长边边长(mm);t:玻璃厚度(mm);m:玻璃弯矩系数, 按边长比a/b查表6.1.2-1[JGJ102-2003]得m=0.0649;σ=6mwa2η/t2……6.1.2[JGJ102-2003]=6×0.0649×1.4×0.001468×10002×0.731/42=36.563MPa36.563MPa≤f g=84MPa(钢化玻璃)玻璃的强度满足要求!2.玻璃最大挠度校核:校核依据:d f=ημw k a4/D≤d f,lim……6.1.3-2[JGJ102-2003]上面公式中:d f:玻璃板挠度计算值(mm);η:玻璃挠度的折减系数,根据前面的计算,为0.731;μ:玻璃挠度系数,按边长比a/b查表6.1.3[JGJ102-2003]得μ=0.00626; w k:风荷载标准值(MPa)a:玻璃板块短边尺寸(mm);D:玻璃的弯曲刚度(N·mm);d f,lim:许用挠度,取短边长的1/60,为16.667mm;其中:D=Et3/(12(1-υ2)) ……6.1.3-1[JGJ102-2003]上式中:E:玻璃的弹性模量(MPa);t:玻璃的厚度(mm);υ:玻璃材料泊松比,为0.2;D=Et3/(12(1-υ2))=72000×43/(12×(1-0.22))=400000N·mmd f=ημw k a4/D=0.731×0.00626×0.001468×10004/400000=16.794mm16.794mm>d f,lim=16.667mm(钢化玻璃)玻璃的挠度不满足要求!五、门窗竖中挺计算基本参数:1:计算点标高:100m;2:力学模型:单跨简支梁;3:竖中挺跨度:H=1600mm;4:竖中挺左受荷单元宽:W1=600mm;竖中挺右受荷单元宽:W2=1500mm; 5:竖中挺材质:6063-T5;1.竖中挺受荷单元分析:(1)竖中挺计算简图的确定:因为:W1<HW2<H所以,左受荷单元作用在竖中挺上是梯形荷载;右受荷单元作用在竖中挺上是梯形荷载(2)竖中挺在左受荷单元力作用下的受力分析:w k:风荷载标准值(MPa);W1:左受荷单元宽(mm);H:竖中挺的跨度(mm);q k1:在左受荷单元作用下的风荷载线集度标准值(N/mm);q1:在左受荷单元作用下的风荷载线集度设计值(N/mm);q k1=w k×W1/2=0.001468×600/2=0.44N/mmq1=1.4×q k1=1.4×0.44=0.616N/mmM1:在左受荷单元力作用下的跨中最大弯矩(N·mm);M1=q1×H2/24×(3-(W1/H)2)=0.616×16002/24×(3-(600/1600)2)=187880N·mmV k1:在左受荷单元力作用下的剪力标准值(N);V k1=q1H/2×(1-W1/2/H)=0.616×1600/2×(1-600/2/1600)=400.4NV1:在左受荷单元力作用下的剪力设计值(N);V1=1.4V k1=1.4×400.4=560.56N(3)竖中挺在右受荷单元力作用下的受力分析:w k:风荷载标准值(MPa);W2:右受荷单元宽(mm);H:竖中挺的跨度(mm);q k2:在右受荷单元作用下的风荷载线集度标准值(N/mm); q2:在右受荷单元作用下的风荷载线集度设计值(N/mm); q k2=w k×W2/2=0.001468×1500/2=1.101N/mmq2=1.4×q k2=1.4×1.101=1.541N/mmM2:在右受荷单元力作用下的跨中最大弯矩(N·mm);M2=q2×H2/24×(3-(W2/H)2)=1.541×16002/24×(3-(1500/1600)2)=348651.25N·mmV k2:在右受荷单元力作用下的剪力标准值(N);V k2=q2H/2×(1-W2/2/H)=1.541×1600/2×(1-1500/2/1600)=654.925NV2:在右受荷单元力作用下的剪力设计值(N);V2=1.4V k2=1.4×654.925=916.895N2.选用竖中挺型材的截面特性:选用型材号:50系列型材的抗弯强度设计值:f=85.5MPa型材的抗剪强度设计值:τ=49.6MPa型材弹性模量:E=70000MPa绕X轴惯性矩:I x=154440mm4绕Y轴惯性矩:I y=18930mm4绕X轴净截面抵抗矩:W nx1=4013mm3绕X轴净截面抵抗矩:W nx2=5824mm3型材净截面面积:A n=385.8mm2型材截面垂直于X轴腹板的截面总宽度:t=3mm型材受力面对中性轴的面积矩:S x=3299mm3塑性发展系数:γ=1.053.竖中挺的抗弯强度计算:按下面的公式进行强度校核,应满足:(M1+M2)/γW nx≤f上式中:M1:在左受荷单元力作用下的跨中最大弯矩(N·mm); M2:在右受荷单元力作用下的跨中最大弯矩(N·mm); W nx:在弯矩作用方向的净截面抵抗矩(mm3);γ:塑性发展系数,取1.05;f:型材的抗弯强度设计值,取85.5MPa;则:(M1+M2)/γW nx=(187880+348651.25)/1.05/4013=127.332MPa>85.5MPa竖中挺抗弯强度不满足要求。