标准机柜结构设计规范
- 格式:doc
- 大小:416.00 KB
- 文档页数:23
标准机箱机柜设计汇总
详细,含图文
一、设计概述
机箱机柜在装置机械、液压、电子电气等设备中,是保护设备免受外
界环境侵害,并方便设备的维护保养的最重要的设备。
机柜的设计要求设
计内容准确、重视细节、安全可靠、方便安装、质量稳定、造价合理,是
一种非常精密的设计。
本文综合了市面上常见的机柜标准,给大家介绍标
准机箱机柜的设计。
二、标准机柜的几大特点
1、机柜材质要求:机箱机柜一般选用冷板精密冲压、热镀锌等高强度、高保护性能的优质金属材料,材料表面需涂有绝缘涂料,保证机柜有
较高的抗静电性能。
2、机柜形状设计要求:机柜采用正方形、长方形或圆形的形状设计,内部结构布局丘陵样布局,外表装饰要求高档、简洁大气,颜色要求深色。
3、机柜组件结构设计:机柜的各部分结构设计定位准确,结构紧凑,要求各部装配件之间可以完美的拆装更换,机柜底部设计为凸点、凹点或
垫脚条的形式,实现机柜与底座完美连接,提高整体机柜的稳定性。
斯达康通讯有限公司企业标准006A0_200419″标准机柜结构设计规范192005-11-15 发布 2005-11-15 实施斯达康通讯有限公司发布, ..: , & ...前言本标准制订的目的,主要是为了适应公司日益全球化发展的需要,也是为了增强公司机柜可互换性、提高公司机柜设计效率和质量、降低公司机柜研发和生产成本的需要。
本标准主要以标准为主,参照了、标准对机柜性能部分的要求及标准对机柜工程安装的要求。
标准起草:徐建华目次1范围··················································································错误!未指定书签。
2引用标准············································································错误!未指定书签。
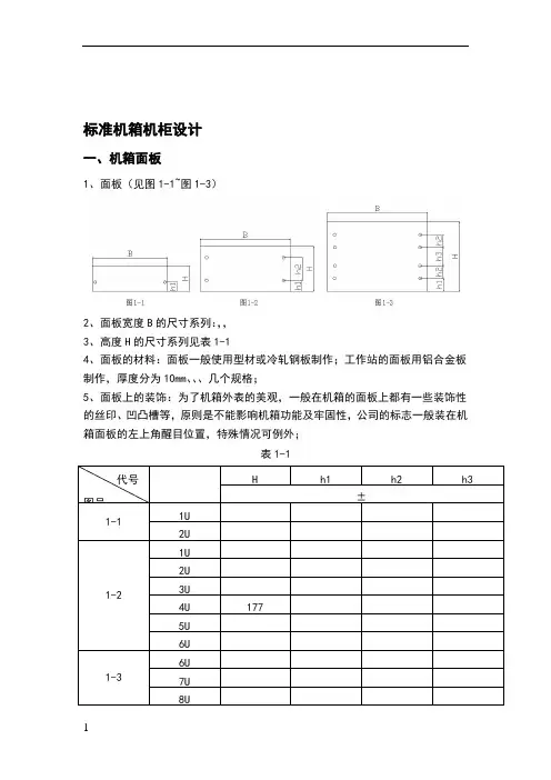
v1.0 可编辑可修改标准机箱机柜设计一、机箱面板1、面板(见图1-1~图1-3)2、面板宽度B的尺寸系列:,,3、高度H的尺寸系列见表1-14、面板的材料:面板一般使用型材或冷轧钢板制作;工作站的面板用铝合金板制作,厚度分为10mm、、、几个规格;5、面板上的装饰:为了机箱外表的美观,一般在机箱的面板上都有一些装饰性的丝印、凹凸槽等,原则是不能影响机箱功能及牢固性,公司的标志一般装在机箱面板的左上角醒目位置,特殊情况可例外;表1-1代号图号H h1 h2 h3±1-11U2U1-2 1U2U3U4U 177 5U6U1-3 6U 7U 8U9、挂耳:挂耳可与面板做成一体,也可单独做成一个零件,但挂耳上的上架孔以及挂耳与机箱面板整合后的外型尺寸必须符合GB/10、把手:把手应优先选用《机械设计通用件标准库》中的把手,为了便于机箱上架后与机柜立柱贴平,机箱面板上固定把手的螺钉应选用沉头螺钉,面板也需在背面沉孔,把手装上后,不得影响上架螺钉的装配;新设计把手时,应符合以下标准:(1)4U(包含4U)以上的机箱,把手固定孔距为138mm,固定螺孔为2-M4;(2)2U机箱把手固定孔距为64mm,固定螺孔为2-M4;(3)1U机箱把手固定孔距为35mm,固定螺孔为2-M3;11、前框:前框是面板与箱体之间的过渡件,它和面板、箱体都要有良好的电接触,前框不光要支撑面板,还要支撑装在门板内的开关、灯板、防尘网组件等,前框上开关类的开孔可参照《机械设计标准库》,驱动器的开孔是在驱动器外型尺寸基础上周边放大,前框与箱体之间的间隙单边留比较合适;12、门组件:门组件一般由门、玻璃、门铰链几部份组成,因要监视门内指示灯的运行状态,一般在门上都开有能够看到灯的观察窗,在观察窗内嵌有门玻璃;门铰链是把门与箱体联接起来的一个重要部件,应优先选用《机械设计通用件标准库》中的标准门铰链,设计时应对门的开闭情况做模拟试验,包括锁在内的所有门上附件不得与面板有碰撞、卡滞现象,完全开启后的门也不能碰在面板上,以免蹭掉面板上的喷涂层;一般门与门框的间隙单边留比较合适,靠近门铰链侧的间隙可适当放大,考虑到转动干涉及外表的美观,门铰链侧的边可铣成斜边,门框相应位置也需倒角。
标准机箱机柜设计一、机箱面板1、面板(见图1-1~图1-3)2、面板宽度B的尺寸系列:482.6,609.6,762.0mm3、高度H的尺寸系列见表1-14、面板的材料:面板一般使用型材或1.50mm冷轧钢板制作;工作站的面板用铝合金板制作,厚度分为10mm、8.0mm、6.0mm、5.0mm几个规格;5、面板上的装饰:为了机箱外表的美观,一般在机箱的面板上都有一些装饰性的丝印、凹凸槽等,原则是不能影响机箱功能及牢固性,公司的标志一般装在机箱面板的左上角醒目位置,特殊情况可例外;表1-1代号图号n.UH h1 h2 h3±0.41-1 1U 43.6 5.9 2U 88.1 37.71-2 1U 43.6 5.9 31.8 2U 88.1 5.9 76.2 3U 132.5 37.7 57.15 4U 177 37.7 101.6 5U 221.5 37.7 146.1 6U 265.9 37.7 190.51-36U 265.9 37.7 57.15 76.2 7U 310.3 37.7 88.9 57.15 8U 354.8 37.7 101.6 76.2 9U 399.2 37.7 101.6 120.6 10U 443.7 37.7 101.6 165.1 11U 488.1 37.7 133.3 146.1 12U 532.6 37.7 133.3 190.6注:表中:U=44.45mm;H=nXU-0.8mm;当结构设计需要增加不足1U的面板高度时,允许在H值上增加1/2U,但h1、h2、h3不变。
6、面板安装槽口或安装孔的尺寸见图1-4:图1-47、面板的类型与机柜立柱的配合示意,见图1-5:图1-58、面板与机柜(或机架)在宽度方向上的安装尺寸(见图1-6、表1-2)图1-6表1-2B B1 B’min482.6 465 450609.6 592 577762.0 744.4 729.49、挂耳:挂耳可与面板做成一体,也可单独做成一个零件,但挂耳上的上架孔以及挂耳与机箱面板整合后的外型尺寸必须符合GB/T3047.2-9210、把手:把手应优先选用《机械设计通用件标准库》中的把手,为了便于机箱上架后与机柜立柱贴平,机箱面板上固定把手的螺钉应选用沉头螺钉,面板也需在背面沉孔,把手装上后,不得影响上架螺钉的装配;新设计把手时,应符合以下标准:(1)4U(包含4U)以上的机箱,把手固定孔距为138mm,固定螺孔为2-M4;(2)2U机箱把手固定孔距为64mm,固定螺孔为2-M4;(3)1U机箱把手固定孔距为35mm,固定螺孔为2-M3;11、前框:前框是面板与箱体之间的过渡件,它和面板、箱体都要有良好的电接触,前框不光要支撑面板,还要支撑装在门板内的开关、灯板、防尘网组件等,前框上开关类的开孔可参照《机械设计标准库》,驱动器的开孔是在驱动器外型尺寸基础上周边放大0.3mm,前框与箱体之间的间隙单边留0.3mm比较合适;12、门组件:门组件一般由门、玻璃、门铰链几部份组成,因要监视门内指示灯的运行状态,一般在门上都开有能够看到灯的观察窗,在观察窗内嵌有门玻璃;门铰链是把门与箱体联接起来的一个重要部件,应优先选用《机械设计通用件标准库》中的标准门铰链,设计时应对门的开闭情况做模拟试验,包括锁在内的所有门上附件不得与面板有碰撞、卡滞现象,完全开启后的门也不能碰在面板上,以免蹭掉面板上的喷涂层;一般门与门框的间隙单边留0.3mm比较合适,靠近门铰链侧的间隙可适当放大,考虑到转动干涉及外表的美观,门铰链侧的边可铣成斜边,门框相应位置也需倒角。
19in机柜、箱设计规范一、前言1、何谓19英寸机箱?19英寸机箱泛指装设在19英寸机柜(Cabinet or Rack)内的机器设备,其中 Cabinet和Rack的差异为Cabinet四周有外壳和上下盖保护,而Rack则无,Rack为和Cabinet有所区别常被称为“机架”,此二者外形均为长方体,19英寸机箱(Chassis)为了能装在机柜内,其外形多设计成长方体,并遵守特定之高度限制让不同制造者所生产之机箱能放入依规格设计之机柜。
19英寸机箱泛指装设在 19英寸机柜内的机器设备,为了能装在机柜内,其外形多设计成长方体,并遵守特定之高度限制让不同制造者所生产之机箱能放入依规格设计之机柜。
其主要特征是:1.其内腔宽度以5.08㎜为模数,1TE=5.08㎜,19英寸标准机箱共84TE,因而内腔宽度为426.72㎜,其中面板宽度也以5.08㎜为模数,可分5TE,6TE,7TE,8TE,10TE,12TE等规格,但N块面板宽度之和必须等于84TE。
2.其高度以U为级别,1U=44.45mm,可分1U,2U,3U等等。
2、19英寸机箱和机柜的由来19英寸机箱和机柜原本是美国军方电子控制仪器的一种规格,其设定的目的在于统一仪器的外形尺寸和方便快速组装抽换和维护,最后随着军方技术转移民间,此一规格亦广泛的被企业界所采用。
3、19英寸机箱产品的种类机柜的优点在于提供机箱安全保护和扩充的便利性,早期常用于工业控制机台,近几年由于网络的发展,网络通讯设备也开始大量使用;因此其产品的种类大致可区分成办公室用和工业用产品两大类。
二.19英寸机箱外部和机柜的规格1、机柜之规格机柜不单如字面上的解释一般像个柜子,其外形有很多种,如下图所示。
但用于不同操作环境时,机柜之外形和尺寸亦会有所差异,所有机柜都依相关规格制造,机柜之宽度、高度与深度有一定之规格,在IEC-60297系列和EIA-310系列中均有详细规格,此二规格明定高度单位为U(1U=1.75英寸=44.45mm),宽度为19英寸(尚有其它之宽度规格,但以19英寸规格最为常用),深度虽亦有规定,但其变化却比较多,机柜之规格可分成高度,宽度和深度三项。
功能要求功能要求主要是满足系统的结构、强度、屏蔽和通风散热的要求、接地导电性能要求等。
1.结构要求机柜系统的结构是一个系统的硬件、PCB、线材、电源、管路、仪器设备等空间放置的位置、形式、连接装配方式等。
机柜钣金件由于其良好的强度、刚度、加工性、导电性,通常用于负责支撑系统大部分的硬件、PCB、线材、电源等。
硬件的放置形式多种多样,其要求也会有所不同。
例如,装配PCB时,可以考虑在钣金件上压铆螺柱来支撑,也可以在钣金件上冲压出突台来支撑,再用螺钉装配。
线材的固定可以考虑用绑线带扎在钣金件上,钣金件上只需要冲压绑线带规格要求的孔;也可以考虑在钣金件上冲压出绑线的结构。
2.强度和刚度要求机械强度是机柜结构设计中最重要的一环,因为机柜中大部分的重量靠其结构件来支承,结构件的机械强度出现问题,机柜的整个强度就会出问题。
机柜一般需要做振动测试、跌落实验、碰撞实验、冲击实验等,有的机器甚至要求强度做到能承受100kg的冲击,这就需要足够的机械强度和刚度。
尤其是那些需要支撑悬空硬件的结构件和起主要支撑作用的支架等,更必须有高的强度。
根据机柜产品的负荷大小、抗振、抗冲击要求来进行强度、刚度设计验算。
在进行强度和刚度设计时要考虑结构件的连接方式,整体是拼装还是焊装等;还要考虑结构件的结构形式,通过增加折弯或压筋来增加结构件的强度和刚度等。
通常设计大型的机箱、机柜时,应先设计起支撑作用的支架框架。
这样的支架框架优先选用封闭异形管型材,也可选用比较厚的板材并折弯成“∏”或“□”形。
一般情况下,增加一个折弯会使刚度增加几倍。
3.机柜的安全防护要求机柜应具有良好的使用性和安全防护设施,并能保证操作者安全,因此须根据设备的使用环境以及设备对防雨、防尘、防异物进入的要求来确定其防护等级。
户外设备、在恶劣环境中使用的设备以及对湿度和灰尘、盐雾敏感的设备的防护等级要求较高。
防护等级的设计要根据实际需要而定。
(1)机柜的结构设计应能保证安装在机柜内的电气组件及连接导线安全可靠地工作,不会受到风霜雨雪、沙尘及小动物等的侵害。
服务器机柜要求(一)机架框架要求:(1)材质和承重要求:柜体采用12折型材(或者18折型材,辛柏有12折和18折两种型材)框架结构,框架采用优质的冷轧钢板一次滚压成型。
机柜承重不低于1500KG(或者1800KG,辛柏12折型材承重1500KG,18折型材承重1800KG),需提供第三方检测报告。
焊接处采用机器人手臂焊接,以保证无坏焊,漏焊,在正常使用过程中不变型。
顶底框和垂直型材可拆卸,方便运输和现场安装。
(2)机柜前门、后门、侧板要求机柜前后门为网孔门通风率不低于78%(或者85%,辛柏有两种网孔门),机柜门和侧板为可拆卸式结构,前后门采用外露式,门的开合转动灵活、锁定可靠、施工安装和维护方便;前门铰链不少于3个,后双门铰链不少于6个,门的开启角度不小于110°。
前门向外单开且开门方向可左右互换,后门向外双开。
前后门锁点,不低于三点。
门锁要求稳固,开关平滑,钥匙通用。
机柜侧板厚度1.5mm,快速安装。
(3)机柜顶板、底板要求:非承重部件板厚在不小于1.5mm,承重部件板厚不小于2.0mm。
顶板预留进线孔,进线孔不少于4个,进线孔为方形,并且配有毛刷。
(4)柜内配置的19英寸立柱可前后调节净深,并可配置可上下调节的托架和托盘;安装立柱与前门之间保证距离为250mm~300mm,让出机柜下进风的进风口,前后机柜立柱之间距离可支持按照25mm步距灵活调节,采用拼装架构,可满足便于扩展要求。
(5)机架立柱通过与顶、底框型材连接加固,每个接触面不低于4个M6螺栓连接,用于紧固于装饰的螺母、螺栓、平垫圈、弹簧垫圈需分别经镀锌处理或镀镍或镀铬处理。
(6)机柜表面处理需采用纳米薄膜处理,阴极电泳底漆,静电喷涂,喷涂表面为亚光砂纹,内部结构件需采用电镀处理,以利于柜内设备的接地。
ISO9001、ISO14001标准质量管理体系和CE、UL、TUV认证。
(二)结构和外观(1)机柜为框架柜式结构,需有兼容性,能适合不同制式的设备。
服务器机柜国家标准服务器机柜是数据中心中不可或缺的设备,其设计和制造需要符合国家标准,以确保设备的安全性、稳定性和可靠性。
本文将介绍服务器机柜国家标准的相关内容,帮助读者了解其重要性和相关要求。
首先,服务器机柜的国家标准主要包括结构设计、材料选用、安装要求、通风散热、防护性能等方面的规定。
在结构设计方面,国家标准要求机柜应具有足够的强度和稳定性,能够承受设备的重量和外部冲击。
同时,机柜的内部结构应合理,能够有效支持和固定设备,确保设备运行过程中不会出现晃动或松动现象。
其次,材料选用是服务器机柜国家标准中的重要内容。
标准要求机柜的材料应具有一定的防腐蚀性能和耐磨性能,能够在恶劣环境下长期使用而不受损。
此外,材料的导热性能也是需要考虑的因素,以确保机柜在高负荷运行时能够有效散热,保持设备的正常工作温度。
在安装要求方面,国家标准规定了机柜的安装位置、固定方式、接地要求等内容。
机柜的安装位置应远离湿气、腐蚀性气体和强电磁场,以确保设备的安全运行。
同时,机柜的固定方式也需要符合国家标准的规定,以防止设备在运行过程中出现晃动或倾斜。
另外,通风散热是服务器机柜国家标准中需要重点考虑的内容。
标准要求机柜应设计合理的通风结构,确保设备在长时间高负荷运行时能够有效散热,避免因过热而影响设备的正常工作。
同时,机柜的通风结构还需要考虑防尘、防水等功能,以确保设备在恶劣环境下的稳定运行。
最后,防护性能也是服务器机柜国家标准中需要关注的内容。
标准要求机柜应具有一定的防护等级,能够有效防止外部灰尘、水汽、异物等对设备的侵害。
同时,机柜的防护性能还需要考虑防盗、防破坏等方面的要求,以确保设备的安全运行。
综上所述,服务器机柜国家标准涉及到结构设计、材料选用、安装要求、通风散热、防护性能等多个方面的内容,其制定和执行对于保障设备的安全性和可靠性具有重要意义。
在使用和选购服务器机柜时,用户应当关注其是否符合国家标准的要求,以确保设备在运行过程中能够稳定、安全、可靠地工作。
Q/UTS UT斯达康通讯有限公司企业标准Q_UTSB_006A0_200419″标准机柜结构设计规范The mechanical criterion of 19 inch normal cabinets designing2005-11-15 发布 2005-11-15 实施U T斯达康通讯有限公司发布Revision HistoryUTStarcom ProprietaryNot for use or disclosure outside UTStarcom, Inc. or any of its subsidiariesExcept under prior written agreement.Intended Audience: H/W Group, Quality Assurance Group & Internal Auditors.This document is controlled electronically and any hard copy should be considered uncontrolled. This document is owned by HZ of Mechanical Development Process Team Chairperson.前言本标准制订的目的,主要是为了适应公司日益全球化发展的需要,也是为了增强公司机柜可互换性、提高公司机柜设计效率和质量、降低公司机柜研发和生产成本的需要。
本标准主要以IEC标准为主,参照了ETSI、NEBS标准对机柜性能部分的要求及NEBS标准对机柜工程安装的要求。
标准起草:徐建华目次1范围 (1)2引用标准 (1)3术语定义 (2)3.1设备实体(equipment practice) (2)3.2机柜(cabinet) (2)3.3机架(rack) (2)3.4插箱(subrack) (2)3.5机箱(chassis) (2)3.6插件(plug-in unit/model) (2)3.7机柜高度 (cabinet height) (2)3.8机柜宽度 (cabinet width) (3)3.9机柜深度 (cabinet depth) (3)3.10协调尺寸 (co-ordination dimension) (3)4机柜设计的总原则 (3)5机柜的分类及特点 (3)5.1按照使用环境分类 (3)5.2按照拼装式方式分类 (3)6机柜的基本组成 (4)6.1顶围框、底座、外柱的设计 (4)6.2前门、后门的设计 (4)6.3左、右侧板的设计 (5)6.4安装柱的设计 (5)6.5导轨的设计 (5)6.6搁板的设计 (5)6.7铭牌的设计 (5)6.8支撑脚的设计 (6)6.9脚轮的设计 (6)6.10吊环的设计 (6)7机柜设计的基本要求 (6)7.1机柜的外形尺寸、装配尺寸及机柜并架要求 (6)7.2机柜的刚度、强度和重量 (6)7.3机柜的走线要求 (6)7.4机柜使用的热环境及散热能力 (7)7.5机柜的电磁兼容能力 (7)7.6防雷击性能要求 (7)7.7机柜的防振等级要求 (7)7.8机柜稳定平衡的最大角度要求 (7)7.9机柜的防尘要求 (7)7.10机柜的包装运输要求 (7)7.11机柜的工程安装要求 (7)7.12机柜三防设计要求 (7)7.13机柜的工业造型设计要求 (7)7.14机柜的人机工程设计要求 (7)7.15机柜的防水等级要求 (8)7.16机柜的生产成本要求 (8)8机柜设计的基本准则 (8)8.1热设计准则 (8)8.2静电防护设计准则 (8)8.3EMC设计准则 (8)8.4“三防”设计准则 (9)8.5维修性设计准则 (9)8.6互换性设计准则 (10)8.7可达性设计准则 (10)8.8模块化设计准则 (10)8.9人机工程设计准则 (10)8.10防错误设计准则 (10)8.11标识设计准则 (11)9机柜的协调尺寸及公差 (11)9.1外形协调尺寸及公差 (11)9.2内部装配协调尺寸及公差 (12)9.3工程安装尺寸协调尺寸及公差 (14)10机柜空区挡板的设计 (15)10.1空区挡板的基本尺寸及公差 (15)10.2空区挡板与机柜的装配 (17)19″标准机柜结构设计规范The mechanical criterion of 19 inch normal cabinets designing1范围本标准规定了公司19″标准机柜结构设计的基本尺寸、基本性能及工程安装要求。
Q/UTS UT斯达康通讯有限公司企业标准Q_UTSB_006A0_200419″标准机柜结构设计规范The mechanical criterion of 19 inch normal cabinets designing2005-11-15 发布 2005-11-15 实施U T斯达康通讯有限公司发布Revision HistoryUTStarcom ProprietaryNot for use or disclosure outside UTStarcom, Inc. or any of its subsidiariesExcept under prior written agreement.Intended Audience: H/W Group, Quality Assurance Group & Internal Auditors.This document is controlled electronically and any hard copy should be considered uncontrolled. This document is owned by HZ of Mechanical Development Process Team Chairperson.前言本标准制订的目的,主要是为了适应公司日益全球化发展的需要,也是为了增强公司机柜可互换性、提高公司机柜设计效率和质量、降低公司机柜研发和生产成本的需要。
本标准主要以IEC标准为主,参照了ETSI、NEBS标准对机柜性能部分的要求及NEBS标准对机柜工程安装的要求。
标准起草:徐建华目次1范围 (1)2引用标准 (1)3术语定义 (2)3.1设备实体(equipment practice) (2)3.2机柜(cabinet) (2)3.3机架(rack) (2)3.4插箱(subrack) (2)3.5机箱(chassis) (2)3.6插件(plug-in unit/model) (2)3.7机柜高度 (cabinet height) (2)3.8机柜宽度 (cabinet width) (3)3.9机柜深度 (cabinet depth) (3)3.10协调尺寸 (co-ordination dimension) (3)4机柜设计的总原则 (3)5机柜的分类及特点 (3)5.1按照使用环境分类 (3)5.2按照拼装式方式分类 (3)6机柜的基本组成 (4)6.1顶围框、底座、外柱的设计 (4)6.2前门、后门的设计 (4)6.3左、右侧板的设计 (5)6.4安装柱的设计 (5)6.5导轨的设计 (5)6.6搁板的设计 (5)6.7铭牌的设计 (5)6.8支撑脚的设计 (6)6.9脚轮的设计 (6)6.10吊环的设计 (6)7机柜设计的基本要求 (6)7.1机柜的外形尺寸、装配尺寸及机柜并架要求 (6)7.2机柜的刚度、强度和重量 (6)7.3机柜的走线要求 (6)7.4机柜使用的热环境及散热能力 (7)7.5机柜的电磁兼容能力 (7)7.6防雷击性能要求 (7)7.7机柜的防振等级要求 (7)7.8机柜稳定平衡的最大角度要求 (7)7.9机柜的防尘要求 (7)7.10机柜的包装运输要求 (7)7.11机柜的工程安装要求 (7)7.12机柜三防设计要求 (7)7.13机柜的工业造型设计要求 (7)7.14机柜的人机工程设计要求 (7)7.15机柜的防水等级要求 (8)7.16机柜的生产成本要求 (8)8机柜设计的基本准则 (8)8.1热设计准则 (8)8.2静电防护设计准则 (8)8.3EMC设计准则 (8)8.4“三防”设计准则 (9)8.5维修性设计准则 (9)8.6互换性设计准则 (10)8.7可达性设计准则 (10)8.8模块化设计准则 (10)8.9人机工程设计准则 (10)8.10防错误设计准则 (10)8.11标识设计准则 (11)9机柜的协调尺寸及公差 (11)9.1外形协调尺寸及公差 (11)9.2内部装配协调尺寸及公差 (12)9.3工程安装尺寸协调尺寸及公差 (14)10机柜空区挡板的设计 (15)10.1空区挡板的基本尺寸及公差 (15)10.2空区挡板与机柜的装配 (17)19″标准机柜结构设计规范The mechanical criterion of 19 inch normal cabinets designing1范围本标准规定了公司19″标准机柜结构设计的基本尺寸、基本性能及工程安装要求。
九折机柜设计要求标准一、引言九折机柜是用于放置计算机设备、网络设备及其他电子设备的重要设备。
为了确保机柜的安全、稳定性和可靠性,制定九折机柜设计要求标准是十分必要的。
本标准旨在规范九折机柜的设计要求,以满足各类场景下的需求,保障设备的正常运行。
二、术语和定义1. 九折机柜:用于存放计算机设备、网络设备等的金属柜体,通常拥有前后门以及侧面的透风孔。
2. U(Unit):机柜的高度计量单位,1U等于44.45mm。
3. 负载容量:机柜能够承受的最大重量。
4. 通风散热:机柜内部空气流通以及排热的能力。
5. 防尘防水:机柜具备防尘和防水的功能,保护内部设备免受灰尘和水分侵害。
6. 防震防护:机柜具有一定的抗震性能,能够在地震等自然灾害中保护内部设备。
三、设计要求1. 结构设计:九折机柜的结构应该坚固、稳定,能够承受规定负载容量,保证设备的安全。
在设计时应考虑结构的稳定性、抗震性和通风散热性。
2. 尺寸规格:机柜高度应符合标准U值,便于设备的组装和安装。
合理的深度和宽度尺寸可以容纳不同尺寸的设备,并考虑到通风和维修的方便性。
3. 材质选择:机柜的材质应该选用优质的金属材料,具有良好的抗腐蚀性和抗震性能。
表面处理应采用防锈、防蚀的工艺,确保机柜长时间使用不生锈。
4. 通风散热:机柜应采用合理的通风设计,保证设备正常的散热。
在机柜的顶部和底部设计通风口,以及加装风扇等散热装置,确保设备在高温环境下正常运行。
5. 电缆管理:机柜内应设计合理的电缆管理系统,确保电力线、网络线等不会交叉搅乱,方便维护和管理。
6. 防尘防水:机柜应具备防尘和防水的功能,通过密封设计、防水喷涂等方式,保护机柜内部设备免受灰尘和水的侵害。
7. 安全防护:机柜的门锁应该结实可靠,保证设备的安全。
机柜应具备接地设备,保护设备免受电气故障的影响。
8. 操作便捷性:机柜设计应考虑到操作、维修的便捷性,设计门、抽屉、滑轨等装置,方便用户进行设备的安装和维护。
机柜结构件设计规范1. 机柜材料选择:机柜结构件应采用高质量的冷轧钢板制作,厚度不少于1.2mm,以确保足够的强度和稳定性。
2.组装结构:机柜结构件采用螺栓连接,可以灵活拆卸和安装,便于维护和更换部件。
3. 机柜尺寸:一般情况下,机柜高度为42U或47U,宽度为600mm,深度为900mm。
机柜的尺寸应根据实际需求进行调整,以适应不同大小的设备安装。
4.机柜加强结构:为了增加机柜的承重能力和稳定性,在柜体的四个角落应设置加强件。
加强件的材料应与机柜一致,并固定牢固。
5.机柜门设计:机柜的前门和后门应采用可换嵌或开门式设计,方便设备的安装、布线、维护和检修。
6.通风散热设计:机柜的顶部、底部和两侧应设置通风孔,以保证设备的散热和保持良好的空气流通。
7.安全锁设计:机柜的门应采用防盗设计,配备锁和锁芯,以确保设备的安全。
8.电源配线设计:机柜的顶部或底部应设置有电源配线槽,方便进行电源线的布线和管理。
9.地线连接设计:为了保证机柜和设备的安全,机柜的底部应设置有地线连接点,以便于连接地线。
10.消音降噪设计:对于有噪音的设备,应考虑采用消音降噪材料,或者设计附加的消音装置,以减少噪音的传播。
11.标识标牌设计:机柜的正面应设有清晰可见的标识标牌,标明机柜的编号、设备类型、机柜内设备的编号等信息。
12.可调节支脚设计:机柜底部应设有可调节高度的支脚,以适应不同地面的高低差,保持机柜的稳定平衡。
13.导向管理设计:机柜内部应设置有导向管理装置,以方便设备布线,并保持布线的整齐和有序。
总之,机柜结构件的设计规范主要涉及材料选择、尺寸要求、强度和稳定性、通风散热、安全锁、电源配线、地线连接等多个方面,以确保机柜能够满足设备的安装、布线、维护和管理的需求,同时提高设备的可靠性和安全性。
标准机柜规格机柜是数据中心中不可或缺的设备,它可以容纳各种网络设备和服务器,为数据中心的正常运行提供了重要支持。
标准机柜规格是指机柜的尺寸、结构、材质等方面的标准化要求,下面将就标准机柜规格进行详细介绍。
首先,标准机柜的尺寸一般是按照国际标准进行设计的,常见的尺寸包括42U、45U、47U等,其中1U的高度为44.45mm。
机柜的宽度通常为600mm或者800mm,深度则有600mm、800mm、1000mm等不同规格可供选择。
这些尺寸的标准化设计,可以更好地适应不同尺寸设备的安装和布局,提高机柜的利用率。
其次,机柜的结构也是标准化的,一般由机柜框架、侧门、前后门、顶板、底板等组成。
机柜框架一般采用冷轧钢板焊接而成,具有较强的承重能力和稳定性。
侧门、前后门则采用钢化玻璃或者金属材质,便于观察设备运行状态和进行维护操作。
顶板和底板则起到密封和支撑设备的作用。
这种结构的标准化设计,可以确保机柜的稳固性和安全性。
此外,机柜的材质也是标准化的,一般采用SPCC冷轧钢板制作,表面经过除锈、酸洗、磷化等处理,然后进行静电喷塑或者喷涂处理,以提高机柜的防腐能力和美观度。
这种材质的标准化选择,可以确保机柜具有良好的抗腐蚀性能和外观质量。
此外,标准机柜还应具备一定的通风散热和布线管理功能。
通风散热方面,机柜通常配备有风扇、通风孔等散热设施,以确保设备在机柜内的正常工作温度。
布线管理方面,机柜内部应配备有合理的电缆管理通道和配线槽,以便于对设备进行布线和管理,提高数据中心的整体运行效率。
综上所述,标准机柜规格是数据中心建设中非常重要的一环,它的标准化设计可以提高设备的安装和布局效率,保障设备的稳定运行,提高数据中心的整体运行效率。
因此,在进行数据中心建设时,应充分考虑标准机柜规格的选择和应用,以确保数据中心的正常运行和安全性。
机柜的结构设计要求
机柜的结构设计是电气控制设备设计的重要组成部分。
机柜的结构为电气部分提供安装、支撑、连接、传动、连锁、定位、包容、防护、装饰、美化、指示等功能,为零部件、电气连接和元器件之间的兼容提供保证。
它不但直接关系到控制柜产品性能的好坏,而且可以提高整机的性能,大大提高产品的附加值。
机柜应具有良好的技术性能。
机柜的结构应根据设备的电气、机械性能和使用环境的要求,进行必要的物理设计和化学设计,以保证机柜的结构具有良好的刚度和强度及良好的电磁隔离、接地、噪声隔离、通风散热等性能。
此外,机柜应具有抗振动、抗冲击、耐腐蚀、防尘、防水、防辐射等性能,以保证设备稳定可靠地工作,便于安装、操作和维修。
机柜的结构设计除了要考虑功能要求外,还要考虑工艺要求、装配要求、成本要求。
不同控制系统在控制柜内的配置不同,结构设计应以方便控制、维修设备、控制可靠、故障率低、生产成本低、美观为原则。
机柜设计应在满足成套电器产品使用功能要求的前提下,同时满足结构工艺性要求,即机柜的总体及其零部件制造的可行性及经济性要求,以及满足电气装配的工艺性和运行中的可维修性要求。
标准机箱机柜设计一、机箱面板1、面板(见图1-1~图1-3)2、面板宽度B的尺寸系列:482.6,609.6,762.0mm3、高度H的尺寸系列见表1-14、面板的材料:面板一般使用型材或1.50mm冷轧钢板制作;工作站的面板用铝合金板制作,厚度分为10mm、8.0mm、6.0mm、5.0mm几个规格;5、面板上的装饰:为了机箱外表的美观,一般在机箱的面板上都有一些装饰性的丝印、凹凸槽等,原则是不能影响机箱功能及牢固性,公司的标志一般装在机箱面板的左上角醒目位置,特殊情况可例外;代号图号n.UH h1 h2 h3±0.41-1 1U 43.6 5.9 2U 88.1 37.71-2 1U 43.6 5.9 31.8 2U 88.1 5.9 76.2 3U 132.5 37.7 57.15 4U 177 37.7 101.6 5U 221.5 37.7 146.1 6U 265.9 37.7 190.51-36U 265.9 37.7 57.15 76.2 7U 310.3 37.7 88.9 57.15 8U 354.8 37.7 101.6 76.2 9U 399.2 37.7 101.6 120.6 10U 443.7 37.7 101.6 165.1 11U 488.1 37.7 133.3 146.19、挂耳:挂耳可与面板做成一体,也可单独做成一个零件,但挂耳上的上架孔以及挂耳与机箱面板整合后的外型尺寸必须符合GB/T3047.2-9210、把手:把手应优先选用《机械设计通用件标准库》中的把手,为了便于机箱上架后与机柜立柱贴平,机箱面板上固定把手的螺钉应选用沉头螺钉,面板也需在背面沉孔,把手装上后,不得影响上架螺钉的装配;新设计把手时,应符合以下标准:(1)4U(包含4U)以上的机箱,把手固定孔距为138mm,固定螺孔为2-M4;(2)2U机箱把手固定孔距为64mm,固定螺孔为2-M4;(3)1U机箱把手固定孔距为35mm,固定螺孔为2-M3;11、前框:前框是面板与箱体之间的过渡件,它和面板、箱体都要有良好的电接触,前框不光要支撑面板,还要支撑装在门板内的开关、灯板、防尘网组件等,前框上开关类的开孔可参照《机械设计标准库》,驱动器的开孔是在驱动器外型尺寸基础上周边放大0.3mm,前框与箱体之间的间隙单边留0.3mm比较合适;12、门组件:门组件一般由门、玻璃、门铰链几部份组成,因要监视门内指示灯的运行状态,一般在门上都开有能够看到灯的观察窗,在观察窗内嵌有门玻璃;门铰链是把门与箱体联接起来的一个重要部件,应优先选用《机械设计通用件标准库》中的标准门铰链,设计时应对门的开闭情况做模拟试验,包括锁在内的所有门上附件不得与面板有碰撞、卡滞现象,完全开启后的门也不能碰在面板上,以免蹭掉面板上的喷涂层;一般门与门框的间隙单边留0.3mm比较合适,靠近门铰链侧的间隙可适当放大,考虑到转动干涉及外表的美观,门铰链侧的边可铣成斜边,门框相应位置也需倒角。
. .Q/UTS UT斯达康通讯有限公司企业标准Q_UTSB_006A0_200419″标准机柜结构设计规范The mechanical criterion of 19 inch normal cabinets designing2005-11-15 发布 2005-11-15 实施U T斯达康通讯有限公司发布Revision HistoryUTStarcom ProprietaryNot for use or disclosure outside UTStarcom, Inc. or any of its subsidiariesExcept under prior written agreement.Intended Audience: H/W Group, Quality Assurance Group & Internal Auditors.This document is controlled electronically and any hard copy should be considered uncontrolled. This document is owned by HZ of Mechanical Development Process Team Chairperson.前言本标准制订的目的,主要是为了适应公司日益全球化发展的需要,也是为了增强公司机柜可互换性、提高公司机柜设计效率和质量、降低公司机柜研发和生产成本的需要。
本标准主要以IEC标准为主,参照了ETSI、NEBS标准对机柜性能部分的要求及NEBS标准对机柜工程安装的要求。
标准起草:徐建华目次1范围 (1)2引用标准 (1)3术语定义 (2)3.1设备实体(equipment practice) (2)3.2机柜(cabinet) (2)3.3机架(rack) (2)3.4插箱(subrack) (2)3.5机箱(chassis) (2)3.6插件(plug-in unit/model) (2)3.7机柜高度 (cabinet height) (2)3.8机柜宽度 (cabinet width) (3)3.9机柜深度 (cabinet depth) (3)3.10协调尺寸 (co-ordination dimension) (3)4机柜设计的总原则 (3)5机柜的分类及特点 (3)5.1按照使用环境分类 (3)5.2按照拼装式方式分类 (3)6机柜的基本组成 (4)6.1顶围框、底座、外柱的设计 (4)6.2前门、后门的设计 (4)6.3左、右侧板的设计 (5)6.4安装柱的设计 (5)6.5导轨的设计 (5)6.6搁板的设计 (5)6.7铭牌的设计 (5)6.8支撑脚的设计 (6)6.9脚轮的设计 (6)6.10吊环的设计 (6)7机柜设计的基本要求 (6)7.1机柜的外形尺寸、装配尺寸及机柜并架要求 (6)7.2机柜的刚度、强度和重量 (6)7.3机柜的走线要求 (6)7.4机柜使用的热环境及散热能力 (6)7.5机柜的电磁兼容能力 (7)7.6防雷击性能要求 (7)7.7机柜的防振等级要求 (7)7.8机柜稳定平衡的最大角度要求 (7)7.9机柜的防尘要求 (7)7.10机柜的包装运输要求 (7)7.11机柜的工程安装要求 (7)7.12机柜三防设计要求 (7)7.13机柜的工业造型设计要求 (7)7.14机柜的人机工程设计要求 (7)7.15机柜的防水等级要求 (7)7.16机柜的生产成本要求 (8)8机柜设计的基本准则 (8)8.1热设计准则 (8)8.2静电防护设计准则 (8)8.3EMC设计准则 (8)8.4“三防”设计准则 (9)8.5维修性设计准则 (9)8.6互换性设计准则 (10)8.7可达性设计准则 (10)8.8模块化设计准则 (10)8.9人机工程设计准则 (10)8.10防错误设计准则 (10)8.11标识设计准则 (11)9机柜的协调尺寸及公差 (11)9.1外形协调尺寸及公差 (11)9.2内部装配协调尺寸及公差 (12)9.3工程安装尺寸协调尺寸及公差 (14)10机柜空区挡板的设计 (15)10.1空区挡板的基本尺寸及公差 (15)10.2空区挡板与机柜的装配 (17)19″标准机柜结构设计规范The mechanical criterion of 19 inch normal cabinets designing1范围本标准规定了公司19″标准机柜结构设计的基本尺寸、基本性能及工程安装要求。
服务器机柜技术标准
首先,机柜的选材至关重要。
优质的选材能够保证机柜的稳固性和耐用性。
一
般来说,机柜的主体材料应选用高强度冷轧钢板,表面处理应采用防静电喷塑工艺,以提高机柜的防腐蚀性能和外观质感。
此外,机柜的门板、侧板等部件也应选用优质钢板,并具备良好的防护性能。
其次,机柜的结构设计需要考虑到设备的安装和维护便捷性。
合理的结构设计
能够提高机柜的利用率,减少空间浪费。
在机柜的设计中,应考虑到前后通道的宽度,以便设备的安装和维护。
同时,还应考虑到机柜的承重能力,确保机柜能够承载各类服务器设备,并具备一定的抗震性能。
另外,通风散热是机柜设计中需要重点考虑的问题。
良好的通风散热设计能够
有效降低服务器设备的温度,提高设备的稳定性和可靠性。
因此,在机柜的设计中,应设置合理的散热孔位,搭配高效的散热风扇,并考虑到通风道路的畅通性,以确保热量能够及时有效地排出。
此外,电力布线也是机柜设计中需要重点考虑的问题。
合理的电力布线设计能
够保证服务器设备的正常运行,并确保设备之间的电力互不干扰。
在机柜的设计中,应设置合理的电源插座,保证电源线路的安全可靠,同时考虑到电源线路的整体美观性。
综上所述,服务器机柜作为数据中心的重要组成部分,其技术标准的提高对于
数据中心的稳定运行和安全性具有重要意义。
在机柜的选材、结构设计、通风散热、电力布线等方面,都需要充分考虑各种因素,以确保机柜能够满足数据中心的需求,并具备良好的稳定性和可靠性。
Q/UTS UT斯达康通讯有限公司企业标准Q_UTSB_006A0_200419″标准机柜结构设计规范The mechanical criterion of 19 inch normal cabinets designing2005-11-15 发布 2005-11-15 实施U T斯达康通讯有限公司发布Revision HistoryUTStarcom ProprietaryNot for use or disclosure outside UTStarcom, Inc. or any of its subsidiariesExcept under prior written agreement.Intended Audience: H/W Group, Quality Assurance Group & Internal Auditors.This document is controlled electronically and any hard copy should be considered uncontrolled. This document is owned by HZ of Mechanical Development Process Team Chairperson.前言本标准制订的目的,主要是为了适应公司日益全球化发展的需要,也是为了增强公司机柜可互换性、提高公司机柜设计效率和质量、降低公司机柜研发和生产成本的需要。
本标准主要以IEC标准为主,参照了ETSI、NEBS标准对机柜性能部分的要求及NEBS标准对机柜工程安装的要求。
标准起草:徐建华目次1范围 (1)2引用标准 (1)3术语定义 (2)3.1设备实体(equipment practice) (2)3.2机柜(cabinet) (2)3.3机架(rack) (2)3.4插箱(subrack) (2)3.5机箱(chassis) (2)3.6插件(plug-in unit/model) (2)3.7机柜高度 (cabinet height) (2)3.8机柜宽度 (cabinet width) (3)3.9机柜深度 (cabinet depth) (3)3.10协调尺寸 (co-ordination dimension) (3)4机柜设计的总原则 (3)5机柜的分类及特点 (3)5.1按照使用环境分类 (3)5.2按照拼装式方式分类 (3)6机柜的基本组成 (4)6.1顶围框、底座、外柱的设计 (4)6.2前门、后门的设计 (4)6.3左、右侧板的设计 (5)6.4安装柱的设计 (5)6.5导轨的设计 (5)6.6搁板的设计 (5)6.7铭牌的设计 (5)6.8支撑脚的设计 (6)6.9脚轮的设计 (6)6.10吊环的设计 (6)7机柜设计的基本要求 (6)7.1机柜的外形尺寸、装配尺寸及机柜并架要求 (6)7.2机柜的刚度、强度和重量 (6)7.3机柜的走线要求 (6)7.4机柜使用的热环境及散热能力 (7)7.5机柜的电磁兼容能力 (7)7.6防雷击性能要求 (7)7.7机柜的防振等级要求 (7)7.8机柜稳定平衡的最大角度要求 (7)7.9机柜的防尘要求 (7)7.10机柜的包装运输要求 (7)7.11机柜的工程安装要求 (7)7.12机柜三防设计要求 (7)7.13机柜的工业造型设计要求 (7)7.14机柜的人机工程设计要求 (7)7.15机柜的防水等级要求 (8)7.16机柜的生产成本要求 (8)8机柜设计的基本准则 (8)8.1热设计准则 (8)8.2静电防护设计准则 (8)8.3EMC设计准则 (8)8.4“三防”设计准则 (9)8.5维修性设计准则 (9)8.6互换性设计准则 (10)8.7可达性设计准则 (10)8.8模块化设计准则 (10)8.9人机工程设计准则 (10)8.10防错误设计准则 (10)8.11标识设计准则 (11)9机柜的协调尺寸及公差 (11)9.1外形协调尺寸及公差 (11)9.2内部装配协调尺寸及公差 (12)9.3工程安装尺寸协调尺寸及公差 (14)10机柜空区挡板的设计 (15)10.1空区挡板的基本尺寸及公差 (15)10.2空区挡板与机柜的装配 (17)19″标准机柜结构设计规范The mechanical criterion of 19 inch normal cabinets designing1范围本标准规定了公司19″标准机柜结构设计的基本尺寸、基本性能及工程安装要求。
本标准适用于公司所有19″标准机柜的设计,并且自本标准发布日起,应当严格执行。
在没有特殊情况下,公司的19″标准机柜的设计必须依此标准为依据。
2引用标准IEC 60917-1-98电子设备机械结构设计模型化规则第一部分:总标准Modular order for the development of mechanical structures for electronic equipment practices,Part 1: generic standardIEC 60297-1-86482.6(19 in)系列机械结构尺寸第一部分:面板和构架Dimensions of mechanical structures of the 482.6mm (19 in) series,Part 1: Panels and racksIEC 60297-2-82482.6(19 in)系列机械结构尺寸第二部分:机柜和机柜的间距Dimensions of mechanical structures of the 482.6mm (19 in) series,Part 1: Cabinets and pitches of rack structuresIEC 60916-88电子、电工设备机械结构术语Terminology for mechanical structures of electrotechnical and electronic equipmentIEC 61587-99电子设备机械结构IEC 60917和 IEC 60927的试验Mechanical structures for electronic equipment–tests for IEC 60917 and IEC 60297第一部分机柜、插箱的气候、机械试验和安全特性Part 1 Climatic、mechanical tests and safety aspects for cabinets、racks、subracksand chassis第二部分机柜插箱的地震载荷试验Part 2 Seismic tests for cabinets and racksIEC 60950-99信息技术设备的安全Safety of information technical equipmentETS 300 119-1-94 设备工程;通讯机柜的欧洲标准第一部分:概述和术语Equipment Engineering (EE);Equipment telecommunications standard for equipment practice,part 1: Introduction and terminologyETS 300 119-2-94设备工程;通讯机柜的欧洲标准第二部分:机柜和机架的工程需求Equipment Engineering (EE);Equipment telecommunications standard for equipment practice,part 2: Engineering requirements for racks and cabinetsETS 300 119-3-94 设备工程;通讯机柜的欧洲标准第三部分:机柜和机架排列的工程需求Equipment Engineering (EE);Equipment telecommunications standard for equipment practice,part 3: Engineering requirements for miscellaneous racks and cabinetsGR-63-CORE-2002网络通讯设备的系统需求:物理保护Network Equipment-Building System Requirements: Physical Production3术语定义设备实体(equipment practice)电子及机电系统的壳体和安装件的机械结构,它考虑了机械部件、电器连线及电子元件之间的相互适应性。
机柜(cabinet)机柜是一种自由站立并独立支撑的用于电子设备的壳体,它可以独立使用,也可与其他机柜成组使用。
机柜可在一侧或多侧装有门和侧板,以适应不同的用途。
机架(rack)用于安装电气或电子部件,能自由站立或固定安装的结构。
插箱(subrack)供安装多个插件和印制板并可装入机柜、机架等内的一种结构箱体单元。
机箱(chassis)专为支撑辅助电气元件而设计的一种结构箱体单元,也可向插箱一样插入机柜、机架等内。
插件(plug-in unit/model)可以插入机柜、机架或插箱内部的,以导轨导向并支撑的结构单元,其包括机械支撑结构、PCB 板、接插件、导向柱、带有插拔器、指示灯、开关的面板等。
机柜高度 (cabinet height)机柜高度指的是机柜在正常工作状态下的高度,它不包括支撑脚(或脚轮)、吊环的高度。
附注:1、IEC 60297-2-82种规定,机柜的高度应包括机柜所附带的任何脚轮和支撑脚;2、ETS 300 119-2-94和ETS 300 119-3-94规定,机柜的高度应包括机柜所附带的任何脚轮和支撑脚。
机柜宽度 (cabinet width)机柜的宽度包括两种宽度,协调尺寸宽度、实际宽度。
协调尺寸宽度是机柜在工程现场中所要满足的节距线(pitch line)的协调尺寸(co-ordination dimension)的值;实际宽度是机柜左右包括侧板及侧板外表面最突出部份的实际距离。
有并柜要求的机柜,其实际宽度一定要小于协调尺寸宽度;没有并柜要求的机柜,其实际宽度不能大于协调尺寸的宽度。
机柜深度 (cabinet depth)机柜的深度定义为机柜的前、后门外表面之间的距离。
机柜的实际深度应该小于或等于机柜的协调尺寸深度。
协调尺寸 (co-ordination dimension)协调尺寸是一个不带公差的参考尺寸,主要是用于协调机柜内部结构(部)件的安装配合及机柜、电缆安装空间。