凸透镜成像试题及答案
- 格式:doc
- 大小:1.24 MB
- 文档页数:8
一、初中物理凸透镜成像的规律1.用三块凸透镜做成像实验,在保持各凸透镜跟烛焰距离相等的条件下,得到的实验结果如下:透镜甲成放大、倒立、实像;透镜乙成缩小、倒立、实像;透镜丙成放大、正立、虚像。
由此可知甲、乙、丙三个透镜的焦距关系为()A.于甲>于乙>于丙B.于丙>f J于乙C.于甲<于乙</丙D.于乙</丙<f甲【答案】B【解析】【详解】在保持各凸透镜跟烛焰距离相等的条件下,说明物距u相等,甲透镜成放大、倒立的实像,说明2f田>u>f,所以u>f>u;乙透镜成缩小、倒立的实像,说明u>2f,所甲甲甲2 乙以f v u;丙透镜成放大、正立的虚像,说明4>u;所以,r>、>f。
乙2 丙丙甲乙故选B。
2.小明和小红用焦距相等的相同照相机对小强同学拍照,洗出的底片分别为图中的甲和乙,则甲匕A.小红离小强的距离近B.小明和小红离小强的距离相同C.小红要使底片上的像与小明的一样大小红移动位置后,再减小镜头对底片的距离D.小红要使底片上的像与小明的一样大小红移动位置后,再增大镜头到底片的距离【答案】D 【解析】【分析】【详解】由图知,小红拍的像比小明拍的像小,根据凸透镜成像的规律,成的像越小,此时的物距越大,像距越小.所以小红拍摄时,相机与物体的距离较大.即小明离小强同学的距离近,小红离小强同学的距离远;所以选项AB是错误的;有凸透镜成像规律知,小红要使底片上的像与小明拍的一样大,小红移动位置后,再增大镜头到底片的距离即可,即镜头要往前伸,小明要使底片上的像与小红的一样大,小明移动位置后,镜头要往后缩. 所以选项C错误,D正确.故选D.【点睛】要解决此题,除了要知道照相机是根据凸透镜成像原理制成的和需要掌握凸透镜成像的规律.还要知道成实像时的动态变化规律是:物近像远像变大,物远像近像变小.3.当物体距凸透镜8厘米时,在透镜的另一侧光屏上成一个清晰放大的像,若是将凸透镜向光屏方向移动2厘米,则在光屏上又成一个清晰像,那么这透镜的焦距f为A. 2厘米<f<4厘米B. 4厘米<f<5厘米C. 5厘米<f<8厘米D.无法确定【答案】B【解析】【分析】【详解】物体离凸透镜8cm时,在透镜的另一侧得到一个倒立的、放大的实像,2f>u>f,所以,f <8cm< 2f,即4cm<f <8cm——①;由“保持物体与光屏的位置不变,把凸透镜向光屏方向移动2cm,则在光屏上又成一清晰的缩小的像“,可知u=10cm>2f,即f<5cm ---- ②,综上所述,由①②可4cm<f<5cm.故ACD错误,B正确.故选B.4.物体放在凸透镜前30厘米处;在透镜另一侧距离透镜20厘米的光屏上成清晰实像。
1.小明同学在探究“凸透镜成像规律及应用”的活动中,选用了焦距未知的凸透镜。
(1)将凸透镜安装在光具座上,用平行光作光源,移动光屏,在光屏上得到一个最小最亮的光斑,如图甲所示,则该凸透镜的焦距为_______cm。
(2)将蜡烛、凸透镜、光屏依次安装在光具座上,并调整蜡烛火焰、凸透镜及光屏三者的中心,使其大致在_______上,为实验探究做好准备。
(3)如图乙所示,将点燃的蜡烛移到标尺10cm处,再移动光屏,直到在光屏上得到一个清晰的像为止。
生活中________就是利用这一成像原理来工作的。
(4)在图乙所示情况下,保持光屏和凸透镜的位置不变,将蜡烛向左移动一段距离后,为了在光屏上再次得到清晰的像,应在凸透镜左侧附近安装一个焦距适当的________(凸透镜/凹透镜),这与____________________________(近视/远视)的矫正相似。
【答案】10 同一高度照像机凹透镜近视【解析】(1)将凸透镜安装在光具座上,用平行光作光源,移动光屏,在光屏上得到一个最小最亮的光斑,此处即为焦点的位置,由图甲可知,则该凸透镜的焦距为10cm。
(2)为使像成在光屏的中央,实验前将蜡烛、凸透镜、光屏依次安装在光具座上,并调整蜡烛火焰、凸透镜及光屏三者的中心,使其大致在同一高度。
(3)如图乙所示,将点燃的蜡烛移到标尺10cm处,此时的物距为40cm,物体在凸透镜的二倍焦距点之外,再移动光屏,在光屏上得到一个清晰倒立缩小的实像像。
生活中照相机就是利用这一成像原理来工作的。
(4)在图乙所示情况下,保持光屏和凸透镜的位置不变,将蜡烛向左移动一段距离后,物距变大,根据物近像远像变大的规律可知像成在了光屏的前方,要使像仍成在光屏上,需要一个发散透镜,即凹透镜;凹透镜是用来矫正近视眼的,因此这与近视眼的矫正相似。
故答案为:(1). 10 (2). 同一高度 (3). 照像机 (4). 凹透镜;近视。
2.(7分)如图所示在“探究﹣﹣凸透镜成像”的实验中,凸透镜焦距为1 5cm(1)实验前应首先调整蜡烛、凸透镜、光屏,使烛焰、凸透镜、光屏三者中心大致在同一高度,其目的是.(2)如图,光屏应在区域前后移动,才能得到清晰、倒立、(选填“放大”或“缩小”的实像,根据这一原理人们制成了.(3)在蜡烛和凸透镜之间放上一个近视眼镜,则发现像变得模糊了,这时应适当向(选填“左”或“右”)移动光屏,才能重新得到清晰的像.(4)若实验中将光屏换成平面镜,则从侧面(选填“能”或“不能”)看到清晰、倒立的烛焰像,此时蜡烛在平面镜中成像,像与凸透镜大小.【答案】(1)使像成在光屏的中央;(2)③;放大;幻灯机;(3)右;(4)不能;相等.【解析】试题分析:(1)点燃蜡烛后,调节烛焰、凸透镜、光屏的中心大致在同一高度上,这样才能使像成在光屏的中央;(2)由图知,凸透镜焦距是15cm,当把凸透镜固定在50cm刻度线位置,蜡烛固定在30cm刻度线位置时,物距为50cm﹣30cm=20cm,即蜡烛在1倍和2倍焦距,所以此时成倒立放大的实像,像在2倍焦距之外,幻灯机(投影仪)是根据这个原理制成的;(3)在蜡烛和凸透镜之间放上一个近视眼镜,由于近视眼镜是凹透镜,对光线有发散作用,所以通过凸透镜的光线比以前会聚得要晚了,像距更大了,因此要得到清晰的像,需将光屏远离凸透镜.当烛焰距凸透镜40cm时,物距大于2f,移动光屏,可在光屏上得到一个清晰的倒立缩小的实像,照相机就是利用这一成像规律工作的;(4)平面镜所称成的像是虚像,光屏上不能承接到像;根据平面镜成像特点可知,像与物的大小相同,所以此时蜡烛在平面镜中成像,像与蜡烛大小相等.考点:凸透镜成像、平面镜成像3.(10分)在“探究凸透镜成像规律”的实验中:(1)由图甲可知,该凸透镜的焦距是 cm。
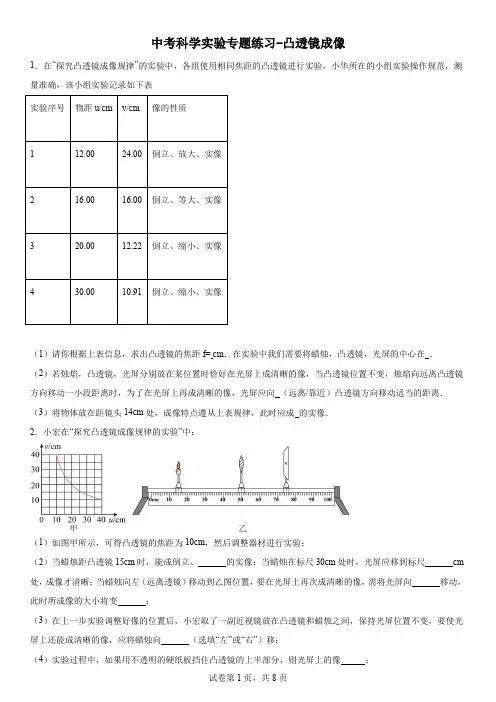
中考科学实验专题练习-凸透镜成像1.在“探究凸透镜成像规律”的实验中,各组使用相同焦距的凸透镜进行实验,小华所在的小组实验操作规范,测量准确,该小组实验记录如下表(1)请你根据上表信息,求出凸透镜的焦距f= cm.在实验中我们需要将蜡烛,凸透镜,光屏的中心在.(2)若烛焰,凸透镜,光屏分别放在某位置时恰好在光屏上成清晰的像,当凸透镜位置不变,烛焰向远离凸透镜方向移动一小段距离时,为了在光屏上再成清晰的像,光屏应向(远离/靠近)凸透镜方向移动适当的距离.(3)将物体放在距镜头14cm处,成像特点遵从上表规律,此时应成的实像.2.小宏在“探究凸透镜成像规律的实验”中:(1)如图甲所示,可得凸透镜的焦距为10cm,然后调整器材进行实验;(2)当蜡烛距凸透镜15cm时,能成倒立、的实像;当蜡烛在标尺30cm处时,光屏应移到标尺cm 处,成像才清晰;当蜡烛向左(远离透镜)移动到乙图位置,要在光屏上再次成清晰的像,需将光屏向移动,此时所成像的大小将变;(3)在上一步实验调整好像的位置后,小宏取了一副近视镜放在凸透镜和蜡烛之间,保持光屏位置不变,要使光屏上还能成清晰的像,应将蜡烛向(选填“左”或“右”)移;(4)实验过程中,如果用不透明的硬纸板挡住凸透镜的上半部分,则光屏上的像;A.只出现烛焰像的上半部分B.只出现烛焰像的下半部分C.出现烛焰完整的像,但像更小了D.像仍然是完整的,且大小不变,只是变暗了(5)若将印有字母“F”的纸片放在离凸透镜5cm处,看到清晰的像是图中的(填序号)。
3.在探究“凸透镜成像规律”的实验中。
(1)如图(a)所示,让平行光正对着凸透镜照射,左右移动光屏,直到光屏上出现一个最小最亮的光斑,测得凸透镜的焦距f=cm;(2)如图(b)所示,保持蜡烛和凸透镜的位置不变,左右移动光屏,在光屏上(填“能”或“不能”)得到清晰的烛焰像;(3)如图(c)所示,烛焰能在光屏上形成清晰的像,此像是、的实像。
一、初中物理凸透镜成像的规律1.某物理兴趣小组在研究凸透镜成像实验时,如图所示,当蜡烛距透镜10cm时,在另一侧距凸透镜6cm处的光屏上得到一个清晰的像,下列说法正确的是()A.像一定是倒立缩小的实像B.该凸透镜的焦距可能为6cmC.当蜡烛向凸透镜靠近时,像一定会变小D.当蜡烛到透镜的距离是4cm时,无论怎样移动光屏都不可能得到烛焰的像【答案】A【解析】【分析】【详解】A.由题意可知,物体经凸透镜后成的是实像。
物距为10cm,像距为6cm,物距大于像距,此时物体在二倍焦距以外,成的是倒立、缩小的实像,故A正确;B.根据凸透镜成像的规律可知10cm>2ff<5cm①此时像成在一倍焦距和二倍焦距之间,即f<6cm<2f3cm<f<6cm②综合①②得3cm<f<5cm故B错误;C.凸透镜成实像时,物近像远像变大,当蜡烛向凸透镜靠近时,像一定会变大,故C错误;D.当蜡烛到透镜的距离是4cm时,如果3cm<f<4cm物体在一倍焦距和二倍焦距之间,可以在光屏上成倒立、放大的实像,故D错误。
故选A。
2.如图所示,OO' 为凸透镜的主光轴,将点光源放在A点时,像在B点;将点光源放在B 点时,像在C点。
当将点光源放在C点时,则()A .一定在B 点成一个实像B .一定在A 点的左侧成一个虚像C .可能在B 、C 之间成一个实像D .可能在C 点的右侧成一个虚像【答案】D【解析】 如果凸透镜放在C 点右侧,那么当点光源放在A 点时,成像在A 点左侧,而不是右侧的B ,所以不可能;当光源在A 点时,像在透镜另一侧,说明成实像,那么像距应在一倍焦距外,这样当点光源在B 点时就也会在相对于B 的另一侧成实像,(也就是A 的一侧)而不是成像在C 点.所以透镜不可能在AB 和BC 之间.如果凸透镜放在A 点左侧,那么当点光源放在A 点时,成像在B 点,当点光源放在B 点时,成像在C 点,成像都是虚像.故此时凸透镜只能放在A 点的左侧;所以该情况下有如下几种可能,即若C 点在透镜的1倍焦距以外,像应成在透镜左侧的1倍焦距以外;另一种可能是,若C 点还在透镜的1倍焦距以内,即此时所成的像应在C 点的右侧.故分析四个选项,只有D 是正确的.故选D .3.在做“探究凸透镜成像的规律”实验时,某实验小组所描绘的像距随物 距变化的关系图线如图所示.图线中 A 、B 、C 三点分别与蜡烛在光具座上移动过程中的三个位置相对应.则下列说法正确的是A .蜡烛处于 AB 间某一位置时,成倒立、缩小的实像B .蜡烛处于 BC 间某一位置时,成倒立、放大的实像C .将蜡烛从 C 移动到 B 的过程中,所成像逐渐增大D .将蜡烛从 B 移动到 A 的过程中,所成像逐渐减小【答案】C【解析】【分析】(1)根据u=v=2f ,成倒立、等大的实像,判断凸透镜的焦距.(2)根据物距和焦距,判断凸透镜成像情况:u >2f ,成倒立、缩小的实像.2f >u >f ,成倒立、放大的实像.u <f ,成正立、放大的虚像.(3)凸透镜成实像时,物距减小,像距增大,像变大.【详解】(1)由图象知,220cm u v f ===,此时凸透镜成倒立、等大的实像,所以凸透镜的焦距:10cm f =.(2)物距大于一倍焦距时,凸透镜成实像.A、蜡烛处于AB间某一位置时,2f>u>f,成倒立、放大的实像.选项错误.B、蜡烛处于BC间某一位置时,u>2f,成倒立、缩小的实像.选项错误.C、将蜡烛从C移动到B的过程中,物距大于一倍焦距时,凸透镜成实像.物距减小,像距增大,像变大.选项正确.D、将蜡烛从B移动到A的过程中,物距大于一倍焦距时,凸透镜成实像.物距减小,像距增大,像变大.选项错误.故选C.4.某班同学在“探究凸透镜成像规律”的实验中,记录并绘制了像到凸透镜的距离v跟物体到凸透镜的距离u之间关系的图象,如图所示,下列判断正确的是()A.该凸透镜的焦距是16cmB.把物体从距凸透镜12cm处移动到24cm处的过程中,像逐渐变小C.当u=20cm时成放大的像.投影仪就是根据这一原理制成的D.当u=12cm时,在光屏上能得到一个缩小的像【答案】B【解析】【分析】【详解】A. 根据凸透镜成像的规律,在物体等于二倍焦距时,像距也等于二倍焦距,此时成倒立等大的实像,如图,物距为16cm时,像距也为16cm,即都等于二倍焦距,所以该凸透镜的焦距是8cm,故A错误;B. 由图可知,把物体从距凸透镜12cm处移动到24cm处的过程中,即物距增大时,像距变小,像会逐渐变小,故B正确;u=时,大于二倍焦距,成缩小的像,投影仪根据凸透镜成放大的实像原理制C. 当20cm成,故C错误;u=时,即物距处于一倍到二倍焦距之间,成倒立放大的实像,故D错误.D. 当12cm故选B.【点睛】凸透镜成像规律是常考试的内容,应牢记凸透镜的成像规律,有些同学总是记不住,要下点功夫,可以结合成像光路图进行练习、记忆.5.毕业班的同学在照毕业照时发现有一部分同学没有进入取景框,为了使全班同学都进入取景框,接下来的操作是()A.应使照相机靠近学生,并调节镜头使镜头靠近胶片B.应使照相机远离学生,并调节镜头使镜头靠近胶片C.应使照相机远离学生,并调节镜头使镜头远离胶片D.应使照相机靠近学生,并调节镜头使镜头远离胶片【答案】B【解析】【详解】毕业班的同学在照毕业照时发现有一部分同学没有进入取景框,为了使全班同学都进入取景框,即是要把像变小,根据凸透镜的动态成像规律,像要更加小,那么物距应该变大,应使照相机远离学生,同时为了成清晰的像,像距要变小,即调节镜头使镜头靠近胶片,故选B。
凸透镜成像一、选择题1、在探究凸透镜成像规律的实验中,当烛焰、凸透镜、光屏处于如图3所示的位置时,恰能在光屏上得到一个清晰、缩小的像。
利用这种成像规律可以制成( )A.潜望镜 B.照相机 C.幻灯机 D.放大镜2、关于照相机和幻灯机所成像的性质,下列哪种说法正确:A.照相机成的是正立缩小的实像,幻灯机成的是正立放大的虚像;B.照相机成的是倒立缩小的虚像,幻灯机成的是正立放大的实像;C.照相机成的像是倒立缩小的实像,幻灯机成的像是倒立放大的实像;D.照相机成的是正立缩小的实像,幻灯机成的是正立放大的实像.3、幻灯机是利用凸透镜哪种成像规律制成的:A.u>2f,凸透镜成缩小的实像;B.u<f,凸透镜成放大的虚像;C.2f>u>f,凸透镜成放大的实像.4、小军的爷爷两眼昏花,但酷爱学习,尊敬长辈的小军用节省下来的零花钱给爷爷买了一个放大镜.当小军的爷爷用放大镜看报纸时,他看到的文字是:A正立放大的虚像; B正立放大的实像;1C倒立缩小的实像 ; D.倒立放大的实像.5、用照相机照相时,物体在胶卷上形成:A.缩小的倒立实像;B.放大的正立实像;C.缩小的正立实像;D.缩小的倒立虚像.6、如图所示,一玻璃砖内有一凸形空气泡,一束平行光垂直射向玻璃砖的侧面,通过玻璃砖后光线会()A.仍然平行 B.会聚C.发散 D.无法判断7、下列说法中,错误的是()A.凡是凸透镜所成的实像都是物、像分别在凸透镜的两侧B.凡是凸透镜所成的虚像都是物、像都在凸透镜的同侧C.凸透镜所成的实像都是倒立的D.凸透镜所成的虚像可能是放大的、也可能是是缩小的8、用普通照相机拍照时,要按被照物体距相机镜头的远近进行“调焦”,使用起来不太便捷。
有一种“傻瓜”相机,只要把想拍摄的景物全部纳入取景器内,不论远处还是近处的物体,在照片上都比较清晰,从而使拍照的过程变得十分快捷。
这种“傻瓜”相机不用“调焦”的奥秘是()06年全国竞赛A.采用了长焦距的镜头,使远近不同的物体成像的位置相差不大B采用了短焦距的镜头,使远近不同的物体成像的位置相差不大C.采用了长焦距的镜头,使远近不同的物体成像的位置相同D采用了短焦距的镜头,使远近不同的物体成像的位置相同9、将物体放在距凸透镜15cm处时,能在光屏上得到物体清晰放大的像,则凸透镜的焦距可能是()A.5 cm B.10 cm C.15 cm D.20 cm10、2008年北京奥运会将全面运用人脸识别系统,人们进入场馆距门口0.5―1.2m处时,安装在门上的人脸识别系统的摄像机就可以对其面部特征进行快速核对。
初二物理凸透镜成像的规律试题答案及解析1.在探究凸透镜成像的实验中,应依照课本所做的那样,把凸透镜、蜡烛、光屏放在同一直线上,调整它们的高度,使三者中心大致在,像如图14那样应将光屏向(选填“上”或“下”)调整;已知所用的凸透镜的焦距为15cm。
(1)想用光屏接收到一个缩小的像,应该把蜡烛放在离凸透镜的地方。
(2)如果把蜡烛从离凸透镜30cm的地方移到离凸透镜20cm的地方,像到凸透镜距离,像的大小。
(选填“变大”、“不变”或“变小”)(3)若把蜡烛放在离透镜10cm的地方,在透镜的另一侧的光屏上(填“能”或“不能”)得到蜡烛的像,原因是。
【答案】同一水平线上,下(1)30cm以外,(2)变大,变大(3)不能,物距小于焦距,不能得实像,只能得到虚像【解析】在探究凸透镜成像的实验中,要:“三心等高”,即蜡烛的焰心、透镜的光心、光屏的中心在同一水直线上。
(1)由凸透镜成像的规律:当U﹥2f时,成倒立、缩小的实像可知,想用光屏接收到一个缩小的像,应该把蜡烛放在离凸透镜30cm以外的地方。
(2)由物远(相对于焦点来说)像近像变小,反之,物近(相对于焦点来说)像远像变大可知,如果把蜡烛从离凸透镜30㎝的地方移到离凸透镜20cm的地方,像到凸透镜距离变大,像的大小变大。
(3)当u﹤f时,成正立、放大的虚像可知,若把蜡烛放在离透镜10cm的地方,在透镜的另一侧的光屏上不能得到蜡烛的像。
【考点】凸透镜成像的规律2.常州河海大学宋迪颖设计的“醒目药瓶”获国际“红点设计概念奖”,该药瓶的瓶盖为凸透镜.小明手持瓶盖观察药瓶侧面的说明书,调整瓶盖与说明书的距离,看到的情形如图甲、乙、丙所示.关于瓶盖与说明书之间的距离,下列判断中正确的是A.图丙最小,图甲最大B.图甲最小,图丙最大C.图丙最小,图乙最大D.图乙最小,图丙最大【答案】B【解析】凸透镜成像的规律:u>2f,成倒立、缩小的实像;2f>u>f,成倒立、放大的实像; u<f,成正立、放大的虚像。
初二物理凸透镜试题及答案一、选择题1. 凸透镜成像的规律是什么?A. 物距大于焦距时,成实像B. 物距小于焦距时,成虚像C. 物距等于焦距时,不成像D. 物距小于焦距时,成实像答案:A2. 凸透镜的焦距越短,其成像能力越:A. 强B. 弱C. 无影响D. 不确定答案:A3. 当物体放在凸透镜的焦点之内时,成像的性质是:A. 正立放大的虚像B. 倒立缩小的实像C. 倒立放大的实像D. 不成像答案:A二、填空题1. 凸透镜对光线有________作用。
答案:会聚2. 凸透镜成像时,物距和像距的关系是________。
答案:物距越大,像距越小,像越小三、简答题1. 请简述凸透镜成像的三种情况及其应用。
答案:当物体位于凸透镜的焦点之外时,成倒立、缩小的实像,应用于照相机和摄像机;当物体位于凸透镜的焦点上时,不成像;当物体位于凸透镜的焦点之内时,成正立、放大的虚像,应用于放大镜。
四、计算题1. 已知凸透镜的焦距为20厘米,物体距离凸透镜30厘米,求像的性质和位置。
答案:根据凸透镜成像公式1/f = 1/u + 1/v,其中f为焦距,u为物距,v为像距。
代入数据得1/20 = 1/30 + 1/v,解得v = 60厘米。
由于物距大于焦距,所以成倒立、缩小的实像,像距为60厘米。
五、实验题1. 利用凸透镜成像实验,如何测量凸透镜的焦距?答案:首先,将凸透镜正对太阳光,调节凸透镜与白屏之间的距离,直到在白屏上得到一个最小最亮的光点,这个光点即为焦点。
然后,用刻度尺测量焦点到凸透镜中心的距离,即为焦距。
结束语:通过本次试题的练习,同学们应该对凸透镜成像的规律、成像性质以及焦距的测量有了更深刻的理解。
希望同学们能够在实际的学习中,不断探索和实践,提高自己的物理知识水平。
精心整理凸透镜成像规律试题一、选择题(每小题2分,共40分)1、根据图6所示,可判断出蚂蚁到放大镜的距离( )???A 、小于焦距????????B 、大于焦距,小于两倍焦距??C 、等于两倍焦距????D 、大于两倍焦距 2A 大的像3A.4、A C .20cm5焦距f 6程中,调整光屏的位置,总能在光屏上得到倒立放大的像,由此可知,此凸透镜的焦距可能是(???) A .6cm???B .10cm???C .16cm??D .20cm 7、在探究凸透镜成像规律的实验中,当烛焰、凸透镜、光屏位于如图所示的位置时,烛焰在光屏上呈现一个清晰放大的像。
要使烛焰在光屏上呈现一个清晰缩小的像,调节的方法是()A.透镜不动,蜡烛远离透镜移动,光屏靠近透镜移动 B.透镜不动,蜡烛远离透镜移动,光屏远离透镜移动 C.透镜不动,蜡烛靠近透镜移动,光屏远离透镜移动D.透镜不动,蜡烛靠近透镜移动,光屏靠近透镜移动8小明同学在“探究凸透镜成像的规律”实验时,??????D.10cm 处C.正立、u2=20厘米,?) 15厘米,10厘米,11、某物体通过凸透镜在屏上成一个缩小的清晰的像,现将物距减半,则下列判断正确的是()?A 一定在屏上成一个缩小的像???B 一定在屏上成一个放大的像C 一定在屏上成一个等大的像???D 屏上肯定有像,但大小不确定?12、在探究“凸透镜成像规律”时,提出的探究问题应该是(??)A .凸透镜对光是否有会聚作用???????B .凸透镜对光是否有发散作用C .像的虚实、大小、正倒跟物距有什么关系13A 镜14A C 15A 12cm 16合实际?A .?C D .阳光通过凸透镜可以点燃纸屑,是利用凸透镜对光线的会聚作用17、小强看远处的某点时,其光路如图2所示,则下列说法对的是(???)A .小强的眼睛是近视眼,应配凹透镜做成的眼镜B .小强的眼睛是近视眼,应配凸透镜做成的眼镜C .小强的眼睛是远视眼,应配凸透镜做成的眼镜D .小强的眼睛正常,无须配戴眼镜18、人的眼睛像一架神奇的照相机,对于近视者而言,远处物体经晶状体折射所形成像的位置以及相应的矫正方式是(???)A .像落在视网膜的前方,需佩戴凹透镜矫正?????B .像落在视网膜的前方,需佩戴凸透镜矫正C .像落在视网膜的后方.需佩戴凹透镜矫正????D .像落在视网膜的后方.需佩戴凸透镜矫正光光屏上出现清晰像的特点是???????????,据此人们制成了????????????????????。
初二物理凸透镜成像的规律试题答案及解析1.一支点燃的蜡烛放在凸透镜的主轴上,当物距为25cm时,在凸透镜的另一侧光屏上能得到一个放大的烛焰的像。
那么,当蜡烛移至离凸透镜lOcm时,则烛焰经凸透镜所成的像一定是 ( )A.正立、放大、虚像B.倒立、放大、实像C.正立、放大、实像D.倒立、缩小、实像【答案】A【解析】由“当f﹤u﹤2f,成倒立、放大的实像,v﹥2f”可知, f﹤25cm﹤2f,则12.5 cm﹤f﹤25cm;那么,当蜡烛移至离凸透镜l0cm时,u﹤f,由“当u﹤f时,成正立、放大的虚像,v﹥f”可知,烛焰经凸透镜所成的像一定是正立、放大、虚像。
故选A。
【考点】凸透镜的成像规律2.在“探究凸透镜成像规律”的实验中:(1)蜡烛、凸透镜(焦距为10cm)、光屏依次放在光具座上,要使烛焰的像能呈在光屏的中央,需调节烛焰、凸透镜、光屏的中心大致在上。
当它们处于如图所示的位置时,在光屏上能得到清晰的像,则该像是(填“倒立”或“正立”)、_________(填“缩小” 、“等大”或“放大”)的实像。
(2)将蜡烛稍远离凸透镜,光屏上的像变模糊。
要再次在光屏上得到清晰的像,可采用下列方法:①若移动光屏,则应将光屏______ ____(填“远离”或“靠近”)凸透镜;②若不移动光屏,则可在蜡烛和凸透镜之间再放上一个焦距合适的_____ __(填“凸透镜”或“凹透镜”)。
【答案】(1)同一高度倒立缩小(2)靠近凹透镜【解析】(1)实验过程中,调整凸透镜和光屏的高度,使蜡烛、凸透镜和光屏三者中心大致在同一高度,目的是使烛焰的像成在光屏的中央。
由题意知,f=10cm,当物距u=30cm时,u>2f.由凸透镜成像的规律可知,此时凸透镜成倒立、缩小的实像。
(2)将蜡烛稍远离凸透镜,光屏上的像变模糊.凸透镜成实像时,物近像远像变大,因此要再次在光屏上得到清晰的像,①若移动光屏,则应将光屏靠近凸透镜;②凹透镜对光线有发散作用.因此若不移动光屏,则可在蜡烛和凸透镜之间再放上一个焦距合适的凹透镜,可以使光线推迟会聚。
凸透镜成像试题及答案一、选择题1. 凸透镜成像时,当物距u大于2倍焦距2f时,像的性质是()。
A. 倒立、缩小的实像B. 倒立、放大的实像C. 倒立、等大的实像D. 正立、放大的虚像答案:A2. 凸透镜成像时,当物距u等于2倍焦距2f时,像的性质是()。
A. 倒立、缩小的实像B. 倒立、放大的实像C. 倒立、等大的实像D. 正立、放大的虚像答案:C3. 凸透镜成像时,当物距u小于焦距f时,像的性质是()。
A. 倒立、缩小的实像B. 倒立、放大的实像C. 倒立、等大的实像D. 正立、放大的虚像答案:D二、填空题1. 凸透镜成像时,当物距u大于2倍焦距2f时,像距v的取值范围是()。
答案:2f < v < ∞2. 凸透镜成像时,当物距u等于焦距f时,像距v的取值范围是()。
答案:v = ∞3. 凸透镜成像时,当物距u小于焦距f时,像距v的取值范围是()。
答案:0 < v < f三、简答题1. 请简述凸透镜成像的三种情况及其对应的物距和像距的关系。
答案:当物距u大于2倍焦距2f时,成倒立、缩小的实像,像距2f < v < ∞;当物距u等于2倍焦距2f时,成倒立、等大的实像,像距v = 2f;当物距u小于焦距f时,成正立、放大的虚像,像距0 < v < f。
2. 凸透镜成像时,为什么物距u大于2倍焦距2f时,成倒立、缩小的实像?答案:当物距u大于2倍焦距2f时,光线经过凸透镜折射后,折射光线的反向延长线会聚于一点,形成实像。
由于折射光线相对于入射光线向主光轴偏折,使得像相对于物体倒立。
同时,由于折射光线的会聚点位于焦点和主光轴之间,使得像距小于物距,因此成缩小的实像。
四、计算题1. 已知凸透镜的焦距f=10cm,物体距离透镜30cm,求像距v和像的性质。
答案:物距u=30cm,大于2倍焦距2f=20cm,因此成倒立、缩小的实像。
根据透镜公式1/f = 1/u + 1/v,解得v=15cm。
凸透镜成像习题1.关于实像和虚像,下列说法正确的是:()A.实像能用光屏收集到,虚像不能.B.虚像是人的幻觉,并没有光线进入人眼,实像则相反.C.实像一定是由光的折射现象形成的,虚像一定是由光的反射现象形成的.D.实像有放大的也有缩小的,而虚像都是放大的.2.下面哪一个是实像()A.通过汽车上的观后镜看到的像.B.放映电影时银幕上的像.C.平静的水面所映出的明月的像.D.照镜子看到的像.3.如图(10)所示,物体AB置于薄凸透镜前,则AB的像的位置在()A.E点附近.B.G点附近。
C.C点附近.4.发光体从距凸透镜很远的地方向焦点移近时,在凸透镜另一侧得到像,像距和像的大小的变化是()A.像距变大,像变大.B.像距不变,像变大.C.像距变小,像变小.D.像距变大,像变小.5.已知凸透镜的焦距是f,要想得到把物体的高放大4倍的实像,则物距u应满足的条件是()A.u>4f.B.2f>u>f.C.u<f。
D.u=4f.6.图(11)所示为凸透镜成像的一种现象,AB代表物体,A‟B…代表物体的像,这种现象可用作()A.放大镜观察物体.B.幻灯机放映画面.C.照相机拍摄照片.D.照相和幻灯放映.7.在物体由远处向凸透镜焦点移近的过程中,像距与像变化的规律是()A.像距逐渐增大,像也逐渐变大.B.像距逐渐减小,像也逐渐变小.C.像距逐渐增大,像逐渐变小.D.像距逐渐减小,像逐渐变大.8.当u>2f时,凸透镜能够成缩小的实像,利用这种现象制成的光学仪器是()A.照相机.B.幻灯机.C.放大镜.D.近视眼镜9.把凸透镜当作放大镜来观察物体,必须把物体放在()A.透镜的焦点以内.B.透镜的2倍焦距处.C.透镜的焦点与2倍焦距之间.D.透镜的2倍焦距以外的地方.10.关于凸透镜成像的正确说法是()A.只能成实像.B.只能成虚像.C.可以成实像或虚像.D.不能成像.11.关于照相机和幻灯机所成像的性质,下列哪种说法正确?()A.照相机成的是正立缩小的实像,幻灯机成的是正立放大的虚像.B.照相机成的是倒立缩小的虚像,幻灯机成的是正立放大的实像.C.照相机成的像是倒立缩小的实像,幻灯机成的像是倒立放大的实像.D.照相机成的是正立缩小的实像,幻灯机成的是正立放大的实像.12.照相机的镜头相当于一个凸透镜,经调节镜头的位置,使胶片上得到被照景物的像是()A.正立、放大的虚像.B.正立、缩小的虚像.C.倒立、放大的实像.D.倒立、缩小的实像.13.在“研究凸透镜成像”的实验中,我们发现()A.放大的像都是虚像.B.实像都是缩小的.C.倒立的像都是缩小的.D.缩小的像都是倒立的.14.放映幻灯时,幻灯片到镜头距离为10厘米,屏幕上得到正立、放大的像,若幻灯片距镜头为4厘米时,屏幕上将()A.得到正立、缩小的像.B.得到正立、放大的像.C.得到一个小的光斑.D.不能在屏幕上看到像.15.幻灯机是利用凸透镜哪种成像规律制成的?()A.u>2f,凸透镜成缩小的实像B.u<f,凸透镜成放大的虚像.C.2f>u>f,凸透镜成放大的实像.D. u=2f,凸透镜成等大的实像.16.烛焰发出的光,经凸透镜在屏上生成一实像.如果在屏上所生成的像再大些,并保持清晰.应()A.把凸透镜适当向屏移动,其他不动.B.使屏适当远离透镜,其他不动.C.把凸透镜向烛焰适当移近,并适当减少屏和凸透镜间距离.D.把烛焰向凸透镜适当移近,并适当增大屏与凸透镜间距离.17.一物体从离凸透镜的距离为1倍焦距处,沿着主光轴移到离凸透镜的距离为4倍焦距处,物和像之间的距离变化是()A.逐渐增大.B.逐渐减小.C.先增大而后减小.D.先减小而后增大.18.下列说法中正确的是()A.耳科医生给病人检查时,额前戴的是凸镜.B.平面镜对光线的反射遵循反射定律,凸镜对光线的反射不遵循反射定律.C.凸透镜也称发散透镜,凹透镜也称会聚透镜.D.物体经凸透镜可以成虚像,也可以成实像.19.(多选)在凸透镜成像过程中( )A.物距大于1倍焦距时成倒立实像.B.物距大于1倍焦距时成倒立虚像.C.物距小于1倍焦距时成正立虚像.D.物距小于1倍焦距时成倒立虚像.20.(多选)在使用照相机时,下列做法中正确的是( )A.拍摄远景时,应当将镜头向前伸B.拍摄近景时,应当将镜头向前伸C.阴天拍摄景物时,应当开大光圈D.阴天拍摄景物时,应当缩小光圈21.(多选)照集体像时,发现有人没进入镜头,应先要调节照相机,再( )A.增大物距,使照相机后移B.减小像距,可缩短暗箱长度C.增大进光量,开大光圈D.将快门数字调大22.放投影片时,在屏幕上得到的是胶片上图像的( )A.正立放大的虚像B.正立放大的实像C.倒立放大的虚像D.倒立放大的实像参考答案:1.A;2.B;3.A;4.A;5.B;6.C;7.A;8.A;9.A;10.C;11.C;12.D;13.D;14.D;15.C;16.D;17.D;18.D;19.AC20.BC 21.AB 22.D。
凸透镜成像的规律习题(含答案)学校:___________姓名:___________班级:___________考号:___________一、单选题1.今年的元月31日晚,在我国大部分地区都能观看到天文奇观“月全食”。
如图所示是小明用照相机拍摄的月全食照片,对此,下列说法正确的是A.月亮是光源B.若想拍摄到更大的月亮,应增大凸透镜的焦距C.照相机是利用凸透镜成倒立、放大实像的原理工作的D.月食主要是由光的折射现象形成的【答案】B【解析】【详解】A. 月亮不属于光源,故A选项错误。
B. 若想拍摄更大的月亮,根据凸透镜成实像规律,物近像远像变大,应选焦距更长的镜头,增加像距,同时增大照相机暗箱的长度,故B选项正确。
C. 照相机是利用凸透镜成倒立、缩小实像的原理工作的,故C选项错误。
D. 月食天象是由于光的直线传播形成的,故D选项错误。
故选:B.2.某班同学在“探究凸透镜成像规律”的实验中,记录并绘制了像到凸透镜的距离v跟物体到凸透镜的距离u之间关系的图象,如图所示。
下列判断中正确的是A.该凸透镜的焦距是16cmB.当时,在光屏上能得到一个缩小的像C.当时,成放大的像,投影仪就是根据这一原理制成的D.把物体从距凸透镜15cm处移动到30cm处的过程中,像逐渐变小【答案】D【解析】【详解】A.观察图片可知,当物距u=16cm时,像距v=16cm,这时物体在二倍焦距上,即:2f=16cm,所以凸透镜焦距是8cm,故A错误;B.因为8cm<10cm<16cm,所以这时f<u<2f,这时成倒立放大的实像,故B错误;C.当u=22cm时,u>2f,这时成倒立缩小的实像,照相机是根据这一原理制成的,故C错误;D.当物体成实像时,物距增大,像距减小像变小,那么把物体从距凸透镜15cm处移动到30cm处的过程中,像逐渐变小是正确的,故D正确。
故选:D。
【点睛】掌握凸透镜的成像规律,了解凸透镜移动过程中像距和像的大小变化是解题的关键。
初二物理科学探究凸透镜成像试题1.在探究凸透镜成像规律的实验中,当凸透镜、光屏和烛焰的位置如图所示时,光屏上能成一清晰的像,则()A.所成的是正立、缩小的实像B.所成的是倒立、缩小的实像C.把凸透镜向左移动,调整光屏的位置,得到的像变小D.把凸透镜向右移动,调整光屏的位置,得到的像变小【答案】D【解析】解答:如图所示,物距在一倍焦距与两倍焦距之间,则凸透镜所成的像为放大、倒立的实像,此时物距越接近于一倍焦距,则所成的像越大,物距越接近于两倍焦距,则所成的像越小。
综上所述,只有选项D正确。
2.小明同学用放大镜看自己的指纹时,觉得指纹的像太小。
为了使指纹的像能大一些,以下做法,正确的是()A.眼睛和手指不动,让放大镜离手指稍远些B.眼睛和手指不动,让放大镜离手指稍近些C.放大镜和手指不动,让眼睛离放大镜稍远些D.放大镜和手指不动,让眼睛离放大镜稍近些【答案】B【解析】解答:放大镜是根据凸透镜成正立、放大虚像(物距小于一倍焦距)的原理制成的,其成像规律是物体离凸透镜越远(接近于焦距,但要小于一倍焦距)像越大,要使指纹的像大一些,应让放大镜远离手指,所以选项B、C、D都不正确。
点睛:当u<f,成正立放大的虚像,应用是放大镜,当凸透镜成虚像时,其成像规律是物体离凸透镜越远(接近于焦距,但要小于一倍焦距)像越大。
3.某兴趣小组同学在研究凸透镜成像规律实验时,记录并绘制了物体离凸透镜的距离u跟实像到透镜的距离v之间的关系(如图),则凸透镜的焦距为( )A.60厘米B.40厘米C.20厘米D.10厘米【答案】D【解析】由图像可知,当物距等于像距时,是成倒立等大的实像。
由此可知凸透镜的焦距是10cm。
所以选D。
4.我们通过实验,可以知道:凸透镜成实像时,放大和缩小的分界点是物体位于______________处,成实像和虚像的分界点是物体位于____________处。
【答案】二倍焦距焦点【解析】解答:当物体处于二倍焦距以外时,成倒立、缩小的实像;当物体处于二倍焦距处时,成倒立、等大的实像;当物体处于一倍、二倍焦距之间时,成倒立、放大的实像;当物体处于一倍以内时,成正立、放大的虚像,由此可知放大和缩小的分界点是物体位于二倍焦距处;成实像和虚像的分界点是物体位于一倍焦距处即焦点上。
初三物理凸透镜成像的规律试题答案及解析1.(5分)小丽用焦距为10cm的凸透镜做“探究凸透镜成像规律”的实验,装置如图所示。
实验过程中保持凸透镜的位置不变,请回答下列问题。
(1)实验前应首先调节烛焰的中心、、光屏中心,在同一高度。
(2)改变蜡烛的位置,使其位于20cm刻度线处,再移动光屏,使烛焰在光屏上成清晰的倒立、的实像(选填“放大”、“等大”或“缩小”)(3)在实验(2)的基础上,将蜡烛和光屏互换位置,此时烛焰在光屏上成清晰的实像(选填“放大”、“等大”或“缩小”)(4)改变蜡烛的位置,使其位于56cm刻度线处,小丽从透镜的左侧对过透镜可以看到一个清晰的的像(选填“倒立”或“正立”)。
利用这种成像规律可制成。
【答案】(1)凸透镜的中心(2)缩小(3)放大(4)正立放大镜【解析】(1)实验前应首先调节烛焰的中心、凸透镜的中心、光屏中心,在同一高度,这样做的目的时让像产生在光屏的中央;(2)凸透镜的焦距为10cm,改变蜡烛的位置,使其位于20cm刻度线处,此时物距为40cm,物距大于两倍焦距,此时成倒立、缩小的实像,此时像距在一倍焦距和两倍焦距之间;(3)在实验(2)的基础上,将蜡烛和光屏互换位置,此时物距在一倍焦距和两倍焦距之间,此时成倒立、放大的实像;(4)改变蜡烛的位置,使其位于56cm刻度线处,此时物距为4cm,此时物距小于焦距,此时成正立、放大的虚像,利用这种成像规律可制成放大镜。
【考点】探究凸透镜成像特点2.在利用蜡烛研究凸透镜成像的实验中,凸透镜的焦距是10cm,点燃的蜡烛放在距凸透镜15cm 处,在凸透镜另一侧的光屏上观察到了烛焰清晰的像,这个像一定是()A.倒立放大的实像B.倒立缩小的实像C.正立放大的虚像D.正立放大的实像【答案】A【解析】有题意可知,凸透镜的焦距f=10cm,点燃的蜡烛放在距凸透镜15cm处,物距u=15cm,f<u<2f,由凸透镜成像特点可知,在凸透镜另一侧的光屏上会得到倒立放大的实像。
凸透镜成像实验专题1.小明同学用凸透镜、蜡烛、光屏和刻度尺等器材完成“探究凸透镜成像规律”的实验。
(1)为了测出凸透镜的焦距,小明将凸透镜正对太阳光,用一个光屏在透镜的另一侧移动,直到光屏上得到一个的光斑,测出光斑到凸透镜的距离为10cm,则该透镜的焦距为_________cm。
(2)小明将蜡烛、凸透镜、光屏依次放在刻度尺上,点燃蜡烛后,无论怎样移动光屏都不能在光屏上得到像,请你指出其中一条可能的原因:__________________________。
(3)重新调整后,将蜡烛放在下图中的A位置上如图12,光屏在B位置上,为了找到清晰的像,应将光屏向_______(填“左”或“右”)移动。
(4)依次改变蜡烛的位置,移动光屏,直到找到清晰的像。
记录的数据如下表。
①在1—4次实验中,所成的像为倒立、_______的实像。
②第6次的像比第5次的_______ (填“大”或“小”)。
(5)将蜡烛放在上图中的C点,观察到烛焰的正立、放大的虚像后,若希望看到更大的虚像,应将蜡烛向_______(填“左”或“右”)移动。
(6)小明还想知道蜡烛火焰与光屏上成的像是否左右颠倒.请你帮他设计实验。
你的设计方法是:。
次数 1 2 3 4 5 6物距40 35 30 25 20 15(cm)像距13.5 14 15 16.7 2030(cm)答案:(1)最亮最小、10 (2)三心不在同一高度(只要答案合理)(3)左(4)缩小、大(5)左( 6)向左吹气使烛焰向左晃动,观察烛焰的像向哪边晃动。
2.小明在“探究凸透镜成像规律”实验中,用装有6个发光二极管的有方格的白纸板做发光物体,如图甲所示.又用这种有同样大小方格的白纸板做光屏.将发光物体、凸透镜和光屏组装到光具座上并调整好.(1)当发光物体在a点时,如图乙所示,在光屏上成的像如图丙所示,则光屏上的像是倒立、________的实像.将发光物体由a点移动到b点,要想找到像的位置,应移动光屏,直到_________为止.(2)用这种发光物体和光屏做实验,最主要的一条优点是:__________________________ (3)如图乙所示,当发光物体在a点时,物与像之间的距离为S1当发光物体在b点时,物与像之间的距离为S2,则S1________S2.(选填“>”、“=”或“<”)(4)小明探究完凸透镜成像规律后,接着又做了一个观察实验.他把光屏取下来,把发光物体放在凸透镜左侧,从凸透镜右侧沿主光轴向凸透镜方向观察,如图所示.当眼睛离凸透镜较远时看到了发光物体的倒立的像,离凸透镜较近时就看不到这个像了,请分析并说明其原因。
凸透镜成像规律实验题(含答案)1.(12济宁)将一物体分别放在甲、乙两凸透镜前等距离处,通过甲透镜成缩小的像,通过乙透镜成放大的像,由此可推断:甲透镜的焦距____乙透镜的焦距(选填“小于”、“等于”或“大于”)。
2.(12江西)在“探究凸透镜成像规律”的实验时,小明将烛焰、凸透镜放在如图甲所示位置,在光屏上正好出现倒立等大的像。
然后,小明将烛焰、凸透镜放在如图乙所示位置,此时能观察到__(选填“正立”或“倒立”)、放大的__像(选填“实”或“虚”)。
3.(12浙江宁波)将蜡烛、焦距为10cm的凸透镜、光屏依次放在光具座上,点燃蜡烛,使烛焰、透镜和光屏的中心在同一高度上.移动蜡烛使烛焰距凸透镜25cm,在凸透镜另一侧移动光屏,会在光屏上得到一个倒立、_______的实像.根据这一成像规律,请举一个生活中的应用实例:_______。
4.(12河南)如图所示,在研究凸透镜成像规律的实验中,光屏上呈现了烛焰倒立清晰的像。
如果去掉光屏,眼睛在A 处__________(选填“能”或“不能”)看到这个像,原因是__________。
5.(12海南)小青将点燃的蜡烛分别放在如图所示的a、b、c点探究凸透镜成像规律,蜡烛在____点时,凸透镜右侧光屏上成的像最大,像是____(选填“正立”或“倒立”)的。
6.(12苏州)如图所示是某实验小组合作探究“凸透镜成像规律”的实验装置(足够长).实验时应先调节烛焰、凸透镜、光屏三者的中心在同一直线上,并且大致在____上;当烛焰离凸透镜20cm时,在另一侧光屏上得到一个清晰、倒立、缩小的烛焰的像,随着蜡烛的燃烧,可观察到光屏上的像向____(上/下)移动;移动蜡烛,使烛焰离凸透镜10cm,再移动光屏,___(能/不能)在光屏上得到一个清晰的烛焰的像.7.(12扬州)探究凸透镜成像规律:(1)实验中出现了如图所示的情形,要使像成在光屏的中央,应将光屏向_____(上/下)调整。
凸透镜成像规律试题一、选择题(每小题2分,共40分)1、根据图6所示,可判断出蚂蚁到放大镜的距离()A、小于焦距B、大于焦距,小于两倍焦距C、等于两倍焦距D、大于两倍焦距2、某凸透镜焦距是10cm,将物体放在离焦点5cm的地方,所成的像()A、一定是实像B、一定是虚像C、一定是放大的像D、一定是缩小的像3、探究凸透镜成像规律时,小明在凸透镜前放一燃着的蜡烛,移动光屏并在光屏上找到清晰的像。
然后将蜡烛远离透镜,调节光屏再次找到一个清晰的像,比较两像A. 像距增大,像增大B. 像距减小,像增大C. 像距减小,像减小D. 像距增大,像减小4、在做“探究凸透镜成像实验”时,将焦距为10cm的凸透镜和蜡烛放在光具座上,位置如图所示。
则在光屏上A.成倒立放大的实像 B.成倒立缩小的实像C.光屏上不会得到像D.像距大于10cm小于20cm5、一个物体在凸透镜前20cm处时,在透镜另一侧的光屏上成一个倒立、缩小的实像,则该凸透镜的焦距f符合()A.10cm <f<20cmB.f>10cmC.f<10cmD.f>20cm6、物体从距凸透镜12cm移到距凸透镜18cm的过程中,调整光屏的位置,总能在光屏上得到倒立放大的像,由此可知,此凸透镜的焦距可能是()A.6cm B.10 cm C.16 cm D.20 cm7、在探究凸透镜成像规律的实验中,当烛焰、凸透镜、光屏位于如图所示的位置时,烛焰在光屏上呈现一个清晰放大的像。
要使烛焰在光屏上呈现一个清晰缩小的像,调节的方法是()A.透镜不动,蜡烛远离透镜移动,光屏靠近透镜移动B.透镜不动,蜡烛远离透镜移动,光屏远离透镜移动C.透镜不动,蜡烛靠近透镜移动,光屏远离透镜移动D.透镜不动,蜡烛靠近透镜移动,光屏靠近透镜移动8小明同学在“探究凸透镜成像的规律”实验时,烛焰在光屏上成了一个清晰的像,如图所示。
下面给出的生活中常用物品工作时原理与此现象相同的是()A.投影仪B.照相机C.放大镜D.近视镜9、把一个凸透镜对准太阳光,在距凸透镜10cm处得到一个最小最亮的光斑。
凸透镜成像一、选择题评卷人得分1、在探究凸透镜成像规律的实验中,当烛焰、凸透镜、光屏处于如图3所示的位置时,恰能在光屏上得到一个清晰、缩小的像。
利用这种成像规律可以制成( )A.潜望镜B.照相机C.幻灯机D.放大镜2、关于照相机与幻灯机所成像的性质,下列哪种说法正确:A.照相机成的就是正立缩小的实像,幻灯机成的就是正立放大的虚像;B.照相机成的就是倒立缩小的虚像,幻灯机成的就是正立放大的实像;C.照相机成的像就是倒立缩小的实像,幻灯机成的像就是倒立放大的实像;D.照相机成的就是正立缩小的实像,幻灯机成的就是正立放大的实像.3、幻灯机就是利用凸透镜哪种成像规律制成的:A.u>2f,凸透镜成缩小的实像;B.u<f,凸透镜成放大的虚像;C.2f>u>f,凸透镜成放大的实像.4、小军的爷爷两眼昏花,但酷爱学习,尊敬长辈的小军用节省下来的零花钱给爷爷买了一个放大镜.当小军的爷爷用放大镜瞧报纸时,她瞧到的文字就是:A正立放大的虚像; B正立放大的实像;C倒立缩小的实像; D.倒立放大的实像、5、用照相机照相时,物体在胶卷上形成:A、缩小的倒立实像;B、放大的正立实像;C、缩小的正立实像;D、缩小的倒立虚像、6、如图所示,一玻璃砖内有一凸形空气泡,一束平行光垂直射向玻璃砖的侧面,通过玻璃砖后光线会( )A.仍然平行B.会聚C.发散D.无法判断7、下列说法中,错误的就是( )A.凡就是凸透镜所成的实像都就是物、像分别在凸透镜的两侧B.凡就是凸透镜所成的虚像都就是物、像都在凸透镜的同侧C.凸透镜所成的实像都就是倒立的D.凸透镜所成的虚像可能就是放大的、也可能就是就是缩小的8、用普通照相机拍照时,要按被照物体距相机镜头的远近进行“调焦”,使用起来不太便捷。
有一种“傻瓜”相机,只要把想拍摄的景物全部纳入取景器内,不论远处还就是近处的物体,在照片上都比较清晰,从而使拍照的过程变得十分快捷。
这种“傻瓜”相机不用“调焦”的奥秘就是( )06年全国竞赛A、采用了长焦距的镜头,使远近不同的物体成像的位置相差不大B采用了短焦距的镜头,使远近不同的物体成像的位置相差不大C、采用了长焦距的镜头,使远近不同的物体成像的位置相同D采用了短焦距的镜头,使远近不同的物体成像的位置相同9、将物体放在距凸透镜15cm处时,能在光屏上得到物体清晰放大的像,则凸透镜的焦距可能就是( )A.5 cmB.10 cmC.15 cmD.20 cm10、2008年北京奥运会将全面运用人脸识别系统,人们进入场馆距门口0.5―1.2m处时,安装在门上的人脸识别系统的摄像机就可以对其面部特征进行快速核对。
由此判断,人脸识别系统的摄像机的镜头A.相当于凸透镜,焦距可能为0.5mB.相当于凸透镜,焦距可能为0.1mC.相当于凹透镜,焦距可能为0.5mD.相当于凹透镜,焦距可能为0.1m11、关于照相机的使用,下列说法正确的就是( )A、拍摄远景时,应将镜头向前伸B、拍摄近景时,应将镜头向前伸C、晴天拍摄景物时,应开大光圈D、阴天拍摄景物时,应缩短曝光时间12、用手拿凸透镜远离书本的过程中,通过凸透镜不可能观察到的像就是:A.正立、放大的像;B.正立、缩小的像;C倒立、放大的像; D.倒立、缩小的像、二、实验,探究题评卷人得分13、如图所示,小王做做“探究凸透镜成像规律”的实验。
(1)她将凸透镜正对太阳光,在透镜的另一侧移动光屏,在距透镜10cm处,屏上呈现出最小最亮的光斑,则此凸透镜焦距约就是cm。
(2)她把蜡烛、凸透镜与光屏放置在米尺旁。
点燃蜡烛后,她还应调整火焰中心、凸透镜中心与光屏中心在____ ________。
(3)调整后,把烛焰放在距凸透镜16cm处时(如图),在凸透镜另一侧前后移动光屏,会在光屏上得到一个倒立、的实像(填写像的性质); (填光学仪器)就就是利用这一成像规律工作的。
(4)实验中,当小王用白纸遮掉凸透镜的上半部分时,光屏上成像的情况就是( )A.只出现烛焰的上半部分的像B.只出现烛焰的下半部分的像C.仍然就是完整的像,只就是变暗些D.成像情况像不受任何影响(5)随着蜡烛燃烧而变短,光屏上成的像将向___ ___(上/下)移动。
由于影响到了实验的进行,这时最合理的调整就是( )A.只需将凸透镜向下移动些B.只需将光屏向上移动些C.将凸透镜与光屏向下移一些D.以上均可14、我们都做过“探究凸透镜成像规律”的实验,图为该实验的装置图。
【测量凸透镜的焦距】将凸透镜正对太阳光,在透镜的另一侧移动光屏,在距透镜10cm处,屏上呈现出最小最亮的光斑,则此凸透镜焦距约就是__________cm。
【评估实验的方案】方案甲:分别把点燃的蜡烛放在一倍焦距f与二倍焦距2f处,调整光屏到凸透镜的距离,观察并记录在屏上能否成像以及所成像的特点,分析总结得出凸透镜成像规律。
方案乙:除甲中的做法外,还应该把蜡烛放在大于2f的某一位置,大于f小于2f的某一位置,观察并记录对应的成像情况,才能总结得出凸透镜成像的规律。
方案丙:把点燃的蜡烛从距凸透镜较远的位置逐渐移近,通过不断调整光屏到凸透镜的距离,观察并记录在屏上能否成像,以及所成像的特点,包括观察所成像随蜡烛位置变化而变化的趋势,尤其就是在f 与2f 处所成像的情况,总结得出凸透镜成像的规律。
方案丁:与丙不同的就是,将蜡烛从靠近凸透镜的位置逐渐远离,其它步骤相同。
以上四种方案中,哪些就是科学合理的:_____________(甲/乙/丙/丁)【解决实验中问题】⑴小莉同学做实验时,发现烛焰在光屏上的像偏高,如图18所示,若要使烛焰成像在光屏中心,只调节光屏,应将光屏向__________(上/下)调节。
⑵小丽同学做实验时,发现无论怎样调节光屏的位置,都不能在光屏上呈现清晰的像。
请您写出两种可能的原因:① __________________________________________________________②___________________________________________________________三、作图题(每空? 分,共? 分)15、如图,为某透镜成像的一种情况,其中AB 就是物体,MN 就是AB 的像,试在图上的适当位置画上合适的透镜,并大致标出其焦点的位置、16、如图所示,OO/就是凸透镜的主光轴,A/B/就是蜡烛AB 通过凸透镜成的像,试在图中画出光线AC 经凸透镜后的折射光线,并用作图的方法找出右侧焦点的位置。
评卷人 得分四、填空题17、小明同学用焦距为10㎝的放大镜去察瞧地图,地图与放大镜的距离应该___________10cm(填“大于”、“小于”或“等于”)。
而当摄影师给全班同学照完集评卷人得分体像后,又接着给一个同学照半身像时,就应该___________(填“增大”或“减小”)照相机镜头与这个同学的距离并同时___________(填“增大”或“减小”)镜头到底片的距离。
18、在探究凸透镜成像规律的实验中:(1)用阳光或很远的灯光测定凸透镜的焦距,这里要用阳光或很远的灯光的目的就是 .测得凸透镜到的距离即为凸透镜的焦距.(2)凸透镜、蜡烛、光屏放的顺序就是、、 .点燃蜡烛,调整蜡烛、凸透镜、光屏的高度,使烛焰、凸透镜、光屏的中心大致在上. (3)将蜡烛放在尽量远的位置上,调整光屏到凸透镜的距离,使得在屏上成一个清晰的像,这个像应当就是、的像.(4)将蜡烛移到2倍焦距处,调整光屏的位置,使得在屏上成一个等大清晰的像,这时光屏到凸透镜的距离为 .(5)蜡烛到凸透镜的距离就是大于1倍焦距而小于2倍焦距时,适当移动光屏到凸透镜的距离,这时光屏上得到一个、的像.(6)在这个实验中,我们得到的实像就是在凸透镜的另一侧,它就是立的,而得到虚像时,蜡烛与像就是在同一侧,这个像就是立的.19、通过探究凸透镜的成像规律可知:焦点就是成的分界点,两倍焦距处就是成像的分界点.20、一个凸透镜的焦距就是10cm,将物体放在距透镜40cm处,可以在凸透镜另一侧的光屏上得到________、________的实像,________机就就是利用这个原理做成的。
参考答案一、选择题1、B2、C3、C4、A解析:使用放大镜时,物体在透镜的焦点之内,此时所成的像为正立、放大的虚像.5、A6、C7、D8、B9、 B10、B11、B12、B解析:当书在凸透镜的一倍焦距之内时,成正立放大的虚像;当书与凸透镜的距离大于一倍焦距小于二倍焦距时,成倒立放大的实像;当书与凸透镜的距离等于二倍焦距时,成倒立等大的实像;当书到凸透镜的距离大于二倍焦距时,成倒立缩小的实像;凸透镜不可能成正立缩小的像.二、实验,探究题13、(1)10 (2)同一高度 (3)放大投影仪 (4)C (5) 上 C14、10;丙与丁;⑴上;⑵①烛焰、凸透镜、光屏三者中心不在同一高度②烛焰到凸透镜的距离小于1倍焦距(或光具座不够长,像成在光具座以外)三、作图题15、略16、如右图示,正确画出CA3分;正确找出F点3分。
四、填空题17、小于减小增大18、略19、虚像与实像放大像与缩小像20、倒立;缩小;照相。