双棱镜干涉实验
- 格式:doc
- 大小:102.00 KB
- 文档页数:5
实验25-2 双棱镜干涉[实验目的]1.观察分波阵面干涉—双棱镜干涉现象并研究其定性规律。
2.掌握用干涉法测定钠光灯波长,学习测微目镜的使用,并对测量结果的不确定度进行评定。
[实验仪器]光具座、钠光灯、狭缝、双棱镜、测微目镜、凸透镜等。
[实验原理]双棱镜干涉实验在光具座上进行。
图25-1是本实验的装置和光路俯视简图。
从钠光灯M 发出的单色光照亮狭缝S ,S 作为次级光源照射到双棱镜B 上。
双棱镜是由两个很小的锐角(约0.5º~1º)和一个很大的钝角(约178º~179º)构成的三棱镜。
经过双棱镜后光被折射成两束,即光的波阵面经过双棱镜后被分成前进方向不同的两部分,这两部分波阵面如同从两个虚光源S 1 、S 2 直接发出。
S l 、S 2 即为相干光源,在它们各自发出光束的重叠区域就会产生干涉现象,利用测微目镜F 观察和测量重叠区域内干涉条纹的分布。
本实验中,任意相邻两明(或两暗)条纹.的间距为λd D x =∆两虚光源之间的距离d 可用二次成像法测量。
在双棱镜和测微目镜之间放一凸透镜L ,设凸透镜的焦距为f 0 ,在狭缝与双棱镜的距离小于2f 0 ,狭缝与测微目镜分划板之间的距离D > 4 f 0 ,狭缝、双棱镜和测微目镜位置不变的条件下,只移动凸透镜,当分划板上分别出现两个虚光源的缩小像和放大像时,分别测出两虚光源像之间相应的间距d 1 和d 2 ,则虚光源的间距21d d d =图25-1[实验内容及步骤]一、调整光路。
二、研究双棱镜干涉的定性规律。
三、用测微目镜测量干涉条纹的间距。
四、测量两个虚光源之间的距离d。
[数据表格及数据处理]表25-1用测微目镜测量干涉条纹的间距单位:mmD=0.5654m,Δm(D)=0.5×10-3 m,Δm(Δx)=Δm(d)=0.001mm。
表25-2测量两个虚光源之间的距离d单位:mmnm 94.586m 1094.5865654.010114.010911.2933=⨯=⨯⨯⨯=∆⋅=---D x d λm 1029.03105.03)()()(33--⨯=⨯=∆==D D u D u m B()()()[]mm1036.0001.0001.00001.00001.0301561)(32222612-=⨯=+-++-++-⨯=⨯=∆∑i iA x u ν mm 1058.03001.03)()(3-⨯==∆∆=∆x x u m Bmm 1068.0)1058.0()1036.0()()()(3232322---⨯=⨯+⨯=∆+∆=∆x u x u x u B A()()[]mm1036.0001.00001.0001.0001.00301561)(22222612-=⨯=++-+-++⨯=⨯=∑i i A d u ν mm 1058.03001.03)()(3-⨯==∆=d d u m Bmm 1068.0)1058.0()1036.0()()()(332322---⨯=⨯+⨯=+=d u d u d u B A%5.000512.0911.21058.0114.01058.05654.01029.0)()()()(232323222≈=⎪⎪⎭⎫⎝⎛⨯+⎪⎪⎭⎫ ⎝⎛⨯+⎪⎪⎭⎫ ⎝⎛⨯=⎥⎦⎤⎢⎣⎡+⎥⎦⎤⎢⎣⎡∆∆+⎥⎦⎤⎢⎣⎡=---d d u x x u D D u u cr λ nm 3005.300512.094.586)()(≈=⨯=⋅=λλλcr c u unm )3587()(±=±=λλλc u。
研究性实验报告光的干涉实验(分波面法)激光的双棱镜干涉菲涅耳双棱镜干涉摘要:两束光波产生干涉的必要条件是:1)频率相同;2)振动方向相同;3)相位差恒定。
产生相干光的方式有两种:分波阵面法和分振幅法。
本次菲涅耳双棱镜干涉就属于分波阵面法。
菲涅耳双棱镜干涉实验是一个经典而重要的实验,该实验和杨氏双缝干涉实验共同奠定了光的波动学的实验基础。
一、实验重点1)熟练掌握采用不同光源进行光路等高共轴调节的方法和技术;2)用实验研究菲涅耳双棱镜干涉并测定单色光波长;3)学习用激光和其他光源进行实验时不同的调节方法。
二、实验原理菲涅耳双棱镜可以看成是有两块底面相接、棱角很小的直角棱镜合成。
若置单色光源S0于双棱镜的正前方,则从S0射来的光束通过双棱镜的折射后,变为两束相重叠的光,这两束光仿佛是从光源S0的两个虚像S1和S2射出的一样。
由于S1和S2是两个相干光源,所以若在两束光相重叠的区域内放置一个屏,即可观察到明暗相间的干涉条纹。
如图所示,设虚光源S 1和S 2的距离是a ,D 是虚光源到屏的距离。
令P 为屏上任意一点,r 1和r 2分别为从S 1和S 2到P 点的距离,则从S 1和S 2发出的光线到达P 点得光程差是:△L= r 2-r 1令N 1和N 2分别为S 1和S 2在屏上的投影,O 为N 1N 2的中点,并设OP=x ,则从△S 1N 1P 及△S 2N 2P 得:r 12=D 2+(x-2a)2r 22=D 2+(x+2a)2两式相减,得:r 22- r 12=2ax另外又有r 22- r 12=(r 2-r 1)(r 2+r 1)=△L(r 2+r 1)。
通常D 较a 大的很多,所以r 2+r 1近似等于2D ,因此光程差为:△L=Dax 如果λ为光源发出的光波的波长,干涉极大和干涉极小处的光程差是:= k λ (k=0,±1, ±2,…) 明纹=212 k λ (k=0,±1, ±2,…) 暗纹由上式可知,两干涉条纹之间的距离是:△x=aDλ 所以用实验方法测得△x ,D 和a 后,即可算出该单色光源的波长λ=Da△x三、实验方案 1)光源的选择当双棱镜与屏的位置确定之后,干涉条纹的间距△x 与光源的波长λ成正比。
双棱镜干涉菲涅耳双棱镜实验是一种分波阵面的干涉实验,实验装置简单,但设计思想巧妙。
它通过测量毫米量级的长度,可以推算出小于微米量级的光波波长。
1881年菲涅耳用双棱镜实验和双面镜实验再次证明了光的波动性质,为波动光学奠定了坚实的基础 一、实验目的1. 观察双棱镜产生的双光束干涉现象,进一步理解产生干涉的条件;2. 学会用双棱镜测定光波波长。
二、实验仪器双棱镜、扩束镜、辅助透镜(两片),测微目镜、光具座、白屏、激光光源三、实验原理将一块平玻璃板的上表面加工成两楔形板,端面与棱脊垂直,楔角A 较小(一般小于1︒)(如图1)。
从激光器S 发出的光经扩束镜到达狭缝S ,使S 成为具有较大光亮度的线状光源。
当狭缝S 发出的光波投射到双棱镜AB 上时,经折射后,其波前便分割成两部分,形成沿不同方向传播的两束相干柱波。
通过双棱镜观察者两束光,就好像它们是由虚线光源1S 和2S 发出的一样,故在两束光相互交叠区域1P ,2P 内产生干涉。
如果狭缝的宽度较小且双棱镜的棱脊和光源狭缝平行,便可在白屏P 上观察到平行于狭缝的等间距干涉条纹如(图2)。
将白屏放到1P 、2P 区域中的任何位置,均可以看到明暗交替的干涉条纹。
设'd 代表两虚光源1S 和2S 间的距离,d 为虚光源所在的平面(近似的在光源狭缝S 的平面内)至观察屏P 的距离,若观察屏中央O 点与1S 、2S 的距离相等,则由1S 、2S 射束的两束光的光程差等于零,在O 点处两光波互相加强,形成中央明条纹;其余的明条纹分别排列在O 点的两旁。
假定Q 是观察屏上任意一点,它离中央点O 的距离为x 。
在'd d =时,121Δ'S S S 和ΔSOQ 可看做相似三角形,且有δ'xd d=(因QSO ∠很小,可用直角边d 代替斜边),当 'δλx d k d ==(0,1,2,3k =±±±…)或 λ'dx k d ==(0,1,2,3k =±±±…)则两光束在Q 点相互加强,形成明条纹。
双棱镜⼲涉的深⼊研究实验报告双棱镜⼲涉的深⼊研究实验⼀、问题提出实验课上我们已经掌握了⽤双棱镜获得双光束⼲涉的⽅法,加深对⼲涉条件的理解,并且学会了如何⽤双棱镜测定钠光的波长。
本次设计性实验中我们将进⼀步掌握双棱镜的⼲涉原理及调节⽅法,测定两个虚光源之间的距离与狭缝-双棱镜间距之间的关系。
主要从以下问题探讨:(⼀)实验测量双棱镜的楔⾓,并⽐较⾓度不同⼲涉现象的差异;(⼆)⽤多种⽅法来测两个虚光源之间的距离,并⽐较优缺点;(三)测定两虚光源之间的距离与狭缝-双棱镜间距之间的关系曲线;(四)利⽤双棱镜⼲涉观察He-Ne激光的⼲涉条纹,并测量氦氖光的波长;(五)将钠光灯换成⼤灯泡,观察⽩光的⼲涉条纹。
⼆、实验原理(⼀)双棱镜楔⾓的测量利⽤分光计测量:将分光机调平处于使⽤状态,使望远镜光轴与双棱镜的⼀个⾯垂直,这时在望远镜的视野中能够清晰看见绿⾊⼩⼗字叉丝的像。
C双棱镜的外形图:A B⼀束沿AB⾯法线⽅向的平⾏光投射于望远镜中, 测量α时, 当望远镜对准AB⾯时, 由望远镜物镜的焦⾯上发出的光束射到AB ⾯上,⼀部分反射,形成要测量的像,⼀部分透射进⼊棱镜后,分别在AC和BC⾯上反射回到望远镜中, 所以在测量中, 实际看到的是三个绿⾊⼩⼗字叉丝像。
AB⾯反射的像较亮,AC和BC ⾯反射的像较暗,望远镜叉丝对准较亮的⼗字叉丝像测量。
当望远镜转到AC和BC ⾯⼀侧时,在望远镜中实际看到4个⼗字像,中间2个像较暗,边上2个较亮,望远镜叉丝应对准A⼀侧的亮像测量[2]。
将待测双棱镜置于分光计的载物台上,固定望远镜⼦,点亮⼩灯照亮⽬镜中的叉丝,旋转分光计的载物台,使双棱镜的⼀个折射⾯对准望远镜,⽤⾃准直法调节望远镜的光轴与此折射⾯严格垂直,即使⼗字叉丝的反射像和调整叉丝完全重合。
记录刻度盘上两游标读数V1、V2;再转动游标盘联带载物平台,依同样⽅法使望远镜光轴垂直于棱镜第⼆个折射⾯,记录相应的游标读数V1',V2',由此得双棱镜的楔⾓α为:α=(|V1'-V1|+|V2'-V2|)/4(⼆)多种⽅法测两光源之间的间距1.⼆次成像法在“⽤双棱镜⼲涉测量光波的波长”时关键是测量两虚相⼲光源的间距d,⽬前使⽤的教科书中⼀般采⽤⼆次成像法测量两虚相⼲光源的间距,其实验装置和光路图如图1所⽰:图1中狭缝光源S发出的光波经双棱镜上下两部分折射后形成两虚相⼲光源S1和S2,d通过透镜L在两个不同位置的⼆次成像求得,即d=21dd,d1为两虚相⼲光源通过透镜所成的放⼤实像间的距离d2为两虚相⼲光源通过透镜所成的缩⼩实像间的距离[3]。
双棱镜干涉实验双棱镜干涉实验是一种经典的光学实验。
它利用双棱镜将入射光分成两束光线,然后再让两束光线重新相遇,形成干涉条纹,从而研究光的干涉现象。
以下将介绍双棱镜干涉实验的原理、实验步骤和实验结果等内容。
一、实验原理1.干涉现象在介质边缘,当光线从一种介质进入另一种介质时,会发生反射和折射两种现象。
如果入射光线与介质表面成一定角度,同时介质表面具有平行的微小凹凸,就会发生干涉现象。
干涉的产生是由于反射光与折射光在一定条件下加强或相消的结果。
双棱镜是一种由两个尖端相对的三棱镜组成的光学器件。
双棱镜干涉实验中,通过将入射光线分成两束光线,然后再让两束光线重新相遇,形成干涉条纹。
其中一束光线是由顶面的反射光构成的,另一束光线是由斜面的折射光构成的。
两束光线相遇后,在空气中形成干涉条纹,用显微镜观察即可。
3.干涉的条件(1)光波长应该是一定的。
(2)两条干涉光线的振幅应该是一致的。
二、实验步骤1.制备准备一个几何平双棱镜、一支白色的 LED 手电筒、一台相机和一个红色滤光片。
将手电筒置于几何平双棱镜的一侧,以使双棱镜的光轴与手电筒的光轴垂直。
将红色滤光片放在相机的前面以便观察干涉条纹。
2.实验操作打开手电筒并将光线照向双棱镜上。
用相机拍摄出照射双棱镜的光斑。
将滤光片调整到最佳位置,观察干涉条纹。
3.记录结果记录所有实验结果,包括干涉条纹的形态、数量等。
三、实验结果在实验过程中,我们可以清晰地观察到干涉条纹的形态、数量和亮度等。
当两束干涉光线相遇时,如果它们的相位差为奇数倍的半波长,就会出现暗条纹;如果相位差为偶数倍的半波长,就会出现亮条纹。
实验结果可能因几何平双棱镜的不同而有所不同,不过大致上都应该能够观察到干涉条纹的形成。
四、实验注意事项1.在进行双棱镜干涉实验时,要注意保持实验环境的稳定性。
2.调整实验仪器时,要仔细调整各个部件的位置,以消除可能存在的误差。
3.拍摄干涉条纹时,要注意调整相机的曝光时间,保证能够拍摄到清晰的干涉条纹。
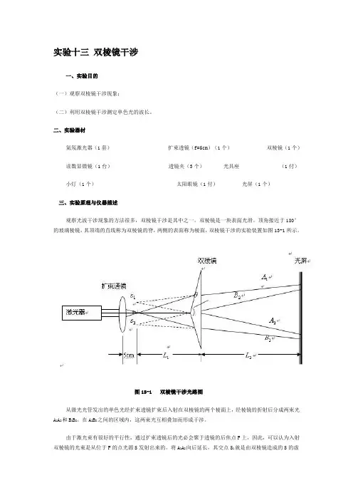
实验十三双棱镜干涉一、实验目的(一)观察双棱镜干涉现象;(二)利用双棱镜干涉测定单色光的波长。
二、实验器材氦氖激光器(1套)扩束透镜(f=5cm)(1个)双棱镜(1个)读数显微镜(1台)透镜夹(3个)光具座(1付)小灯(1个)太阳眼镜(1付)光屏(1个)三、实验原理与仪器描述观察光波干涉现象的方法很多,双棱镜干涉是其中之一。
双棱镜是一块表面光滑。
顶角接近于180°的玻璃棱镜,其顶端的直线称为双棱镜的脊,两侧的表面称为棱面,双棱镜干涉的实验装置如图13-1所示。
图13-1 双棱镜干涉光路图从激光光管发出的单色光经扩束透镜扩束后入射在双棱镜的两个棱面上,经棱镜的折射后分成两束光A1A2和B1B2。
在A2B2之间的区域内,这两束光互相叠加而形成干涉。
由于激光束有很好的平行性,通过扩束透镜后的光必会聚于透镜的后焦点F上,因此,可以认为入射双棱镜的光束是从位于F的点光源S发射出来的。
将A1A2向后延长,其交点S1就是由双棱镜造成的S的虚像点。
同样,B1B2向后延长的交点S2也是S的虚象点,由此可以看到,这里的双棱镜干涉相当于以S1和S2为双孔的杨氏干涉。
我们知道杨氏干涉在屏上形成明暗相间的条纹,相邻两亮条纹或相邻两暗条纹之间的距离为(13-1)式中d是两个虚光源(相当于杨氏干涉实验的两个小孔)S1和S2之间的距离,D是虚光源与光屏的距离,λ是光源的波长,由几何光学可推得以下结果:D=L1+L2 (13-2)d=L1 (13-3)=(n-1)(π-) (13-4) 上式由双棱镜玻璃的折射率n和双棱镜顶角(以弧度为单位)所决定,可称为双棱镜常数。
假设我们测得第一条暗纹至第K+1条暗纹的距离是L K,则相邻两暗纹的距离为(13-5)将(13-2)、(13-3)、各式代入(13-1)式,得到(13-6) 本实验通过测量干涉条纹的距离及各光学元件在光路中的位置,间接测出氦氖激光的波长。
四、实验方法与步骤(1)按图13-1在光具座上顺次摆好各器件。
双棱镜干涉实验【实验目的】1 •掌握用双棱镜获得双光束干涉的方法,加深对干涉条件的理解.2 •学会用双棱镜测定钠光的波长.【实验仪器】光具座、白屏、单色光源钠灯、测微目镜、短焦距扩束镜、白炽灯、氦氖激光器、毛玻璃屏、滑块(若干个)、手电筒可调狭缝、双棱镜、辅助透镜、白屏、凸透镜(不 同焦距的数个)。
【实验原理】如果两列频率相同的光波沿着几乎相同的方向传播,并且它们的位相差不随时间而变为加强,在另一些地方表现为减弱(甚至可能为零),这种现象称为光的干涉.菲涅耳利用图1所示的装置,获得了双光束的干涉现象•图中AB 是双棱镜,它的外形结构如图2所示,将一块平玻璃板的一个表面加工成两楔形板,端面与棱脊垂直,楔角 A较小(一般小于10) •从单色光源发出的光经透镜L 会聚于狭缝S,使S 成为具有较大亮度的线状光源.从狭缝 S 发出的光,经双棱镜折射后,其波前被分割成两部分,形成两束光,就 好像它们是由虚光源 S1和S2发出的一样,满足相干光源条件,因此在两束光的交叠.区域图1图2P1P2 内产生干涉•当观察屏 P 离双棱镜足够远时,在屏上可观察到平行于狭缝S 的、明暗相间的、等间距干涉条纹.设两虚光源S1和S2之间的距离为d ,虚光源所在的平面(近似地在光源狭缝 S 的平面 内)到观察屏P 的距离为d ,且d d ,干涉条纹间距为X ,则实验所用光源的波长为d xd因此,只要测出d 、d 和x ,就可用公式计算出光波波长. 【实验内容】1 •调节共轴(1) 将单色光源 M 会聚透镜L ,狭缝S ,双棱镜AB 与测微目镜P 放置在光具座上.用目视法粗略地调节它们中心等高、共轴,棱脊和狭缝S 的取向大体平行.(2)点亮光源M 通过透镜L 照亮狭缝S ,用手执白纸屏在双棱镜后面检查:经双棱镜折化,那么在两列二少在某些地方表现光波相交的区 域,光强分布是 不均匀的,而是射后的光束,有否叠加区P1P2 (应更亮些)?叠加区能否进入测微目镜?当移动白屏时,叠加区是否逐渐向左、右(或上、下)偏移?根据观测到的现象,作出判断,进行必要的调节使之共轴.2. 调节干涉条纹⑴减小狭缝S的宽度,一般情况下,可从测微目镜中观察到不太清晰的干涉条纹(测微目镜的结构及使用调节方法见实验基础知识有关内容)。
双棱镜干涉实验误差分析及实验改进双棱镜干涉实验是大学物理实验的重要标志性实验之一。
要做好这个实验,需要深入的去认识实验,分析误差,以便在实验过程中减小误差来源。
本文通过分析和比较两种不同的虚光源间距测量方法,探究各个参量对实验结果的影响,通过不断改进实验过程,让测量结果更准确。
标签:双棱镜;干涉;误差分析;实验改进一、干涉实验测光波波长的两种方法(一)等位移法利用等位移法来测量光波波长的话可以根据如下图1来安排装置,待测光波波长可表示为[2]放已知波长λ1的He-Ne激光器,测出已知波长的He-Ne激光为光源时双棱镜分别放在B和B’时所成干涉条纹的宽度δ1和δ2,测出待测光(如钠光灯)作为光源时在上面两点分别所成干涉条纹宽度和,利用上式带入数据便可以直接计算出待测光波波长。
光路安排好以后,保持D不变并且使得不变,只需要更换光源测出相应的干涉条纹宽度,和,。
(二)虚光源法在利用双棱镜干涉测光波波长时,多数采用的方法都是测出两虚光源间距d、两虚光源到测微目镜叉丝板平面的距离D以及干涉条纹宽度,最后带入公式,这种测量方法涉及到虚光源间距的测量,我们称之为虚光源法。
在通常的实验过程,有如下两种方法来测量虚光源的间距。
1、两次成像法放一个焦距为f′的透镜L在双棱镜和测微目镜之间,当测微目镜与虚光源之间的距离d>4f′时,在两虚光源和测微目镜所在平面之间就会找到分别成放大像和缩小像的两次成像点,在测微目镜和两虚光源间前后移动凸透镜L,分别找到大像和小像,通过测微目镜测出大像d1和小像d2,代入公式,即可测得两虚光源间距。
这种方法实验原理简单,便于教师讲解及学生理解,在许多大学教学中通常都采用此种实验方法。
2、放大法在两次成像法过程中,有一种方法就是只测量一次成像,这种方法叫一次成像法,很多时候有的实验者只测量放大像,这种方法称为放大法。
具体方法便是在测微目镜叉丝板上呈现放大像时测出此时两虚光源间距d1,并且利用光具座上刻度尺得到虚光源平面、透镜、测微目镜叉丝平面的位置,计算出两次成像原理图中的和,利用比例得到两虚光源间距。
实验五 菲涅耳双棱镜干涉[实验目的]1. 观察和研究菲涅耳双棱镜产生的干涉现象; 2. 测量干涉滤光片的透射波长(λ0)。
[仪器和装置]白炽灯,干涉滤光片,可调狭缝,柱面镜,菲涅耳双棱镜,双胶合成像物镜,测微目镜。
[实验原理]如图1a 所示,菲涅耳双棱镜装置由两个相同的棱镜组成。
两个棱镜的折射角α很小,一般约为5 ~ 30'。
从点(或缝)光源S 发出的一束光,经双棱镜折射后分为两束。
从图中可以看出,这两折射光波如同从棱镜形成的两个虚像S 1和S 2发出的一样。
S 1和S 2构成两相干光源,在两光波的迭加区产生干涉。
a、从图1b 看出,若棱镜的折射率为n ,则两虚像S 1、S 2之间的距离a n l d )1(2-= (5-1)干涉条纹的间距λan l l l e )1(2'-+=(5-2)式中,λ为光波的波长。
对于玻璃材料的双棱镜有n =1.50,则λal l l e '+=(5-3) 可得到e l l la'+=λ (5-4) 在迭加区内放置观察屏E ,就可接收到平行于脊棱的等距直线条纹。
若用白光照明,可接收到彩色条纹。
对于扩展光源,由图2可导出干涉孔径角:''l l al +=β (5-5) 和光源临界宽度:⎪⎭⎫⎝⎛+=='1l l a b λβλ (5-6) 从式(5-5)和(5-6)看出,当l'=0时,β=0,则光源的临界宽度b 变为无穷大。
此时,干涉条纹定域在双棱镜的脊棱附近。
b 为有限值时,条纹定域在以下区域内:λαλ-≤b ll ' (5-7)a) 图 1 双棱镜干涉原理图[内容和步骤]1.调整光路,观察和研究双棱镜干涉现象(1) 按图3所示,将光学元件置于光学平台上。
调整光学元件,使其满足同轴等高的要求。
(2) 取l ≈200mm ,l '≈1200mm ,按λ=550nm ,α=30',n =1.50计算出b 的数值。
实验六用双棱镜测定光波长光的干涉是普遍的光学现象之一,是光的波动性的重要实验依据.两列频率相同、振动方向相同和位相差恒定的光在空间相交区域光强将会发生相互加强或减弱现象,即光的干涉现象.光的波长虽然很短(4×10-7~8×10-7m之间),但干涉条纹的间距和条纹数却很容易用光学仪器测得.根据干涉条纹数目和间距的变化与光程差、波长等的关系式,可以推出微小长度变化(光波波长数量级)和微小角度变化等,因此干涉现象在测量技术、平面角检测技术、材料应力及形变研究和照相技术等领域有着广泛地应用.·实验目的1.掌握利用双棱镜获得双束光干涉的方法,观察干涉图样的特点,加深对干涉的理解;2.学习用双棱镜测定钠光的波长;3.进一步熟悉测微目镜的使用与测量方法;4.熟悉干涉装置的光路调节技术,深刻理解多元件等高共轴调节的重要性,掌握有关调节方法.·实验仪器双棱镜、可调狭缝、辅助(凸)透镜、测微目镜、光具座、白屏、钠光灯等.双棱镜是一个分割波前的分束器,形状如图6-1示,其端面与棱脊垂直,楔角很小(一般为37'或40'),从外表看,就像一块平行的玻璃板.折射面折射棱角图6-1 双棱镜示意图·实验原理狭缝光源S发射的光束,经双棱镜折射后变为两束相干光,在它们的重叠区内,将产生干涉,形成明暗相间的干涉条纹,这两束相干光可认为是由实际光源S的两个虚像S1、S2发出的,称S1、S2为虚光源.如图6-2所示.S S1 S2O Ex2a图6-2 双棱镜产生的相干光束示意图干涉条纹以O点为对称点上下展开.用不同的单色光源作实验时,各亮条纹的距离也不同,波长越短的单色光,条纹越密;波长越长的单色光,条纹越疏.如果用白色光作实验,则只有中央亮条纹是白色的,其余条纹在中央白条纹两边,形成由紫到红的彩色条纹.利用干涉条纹可测出单色光的波长.单色光的波长λ由下式决定:xDd∆=λ(6-1)式中d为两虚光源S1、S2间的距离、x∆为干涉条纹间距、D为虚光源到观察屏的距离.由(6-1)式可知,测得相邻条纹间距x∆、狭缝(光源)到测微目镜分化板的距离D及两虚光源之间的距离d,便可求出入射光的波长λ.·实验内容与步骤一、调整光路按图6-3布置光路,由光源发出的光通过狭缝变为缝光源,再经双棱镜折射,就可获得两个相干光源,因而能在测微目镜里看到干涉条纹.图6-3 双棱镜干涉装置图1.光学元件同轴等高的调节点亮光源,先将狭缝稍放大点,光具座上只放光源、狭缝、透镜,观察屏放在测微目镜位置.调狭缝中心与透镜的主光轴共轴,并使主光轴平行于导轨(共轴等高调节方法见薄透镜焦距的测定).再放入双棱镜,并调节左右高低,使屏上出现两个强度相同、等高并列的虚光源的像.最后用测微目镜代替观察屏,调节测微目镜,使两个虚光源的像位于测微目镜中心.2.调节狭缝与双棱镜的棱脊平行调节狭缝架上的方向旋钮,观察者在双棱镜的另一侧,逆着光路透过双棱镜观察,直到同时看到两个虚光源为止. 二、调出清晰的干涉条纹取下透镜,缩小狭缝,并用目镜观察是否有干涉条纹出现.若没有,调节狭缝架上的方向旋钮,使能清楚地看出干涉条纹为止,再适当调节缝宽,使干涉条纹较清晰.三、测干涉条纹宽度∆x调节狭缝、双棱镜及测微目镜的相对位置,使目镜视野中至少能够看清15条以上的干涉条纹(条纹宽度不能过窄).将双棱镜和测微目镜锁紧,(在后期的整个测量过程中,都不能移动双棱镜的位置)将目镜叉丝对准所选定的某条暗纹的一侧,从镜里的标尺及旋钮上记下读数x 1,再转动旋钮,使叉丝经10条暗纹的同侧,记下读数x 2,由(6-2)式即可求得x ∆,如图6-4.测3-5组,取平均.10||21x x x -=∆ (6-2)x∆图6-4 干涉条纹的宽度四、测虚光源到观察屏的距离D双棱镜的楔角小于1°,可近似认为虚光源与狭缝在同一平面,测量过程中,我们是用测微目镜进行观察的,因此D 实际上应该为狭缝到测微目镜分划板的距离.由于狭缝所在平面与光具座滑座的中心不重合,并且测微目镜分划板平面也不与光具座滑座的中心重合,因此必须进行修正.如图6-5所示,e s Y Y D s e ∆+∆+-= (6-3)式中s Y 为狭缝滑座中心的位置;e Y 为测微目镜滑座中心的位置;s ∆为狭缝到滑座中心的距离,00.42≈∆s mm ;e ∆为测微目镜分划板到滑座中心的距离,15.37≈∆e mm .图6-5 狭缝到观察屏的修正距离五、测两虚光源之间的距离d将测微目镜取下,插入光屏,移动光屏使狭缝到光屏的距离大于辅助透镜焦距的4倍,固定光屏.将凸透镜置于双棱镜与光屏之间,移动透镜,在光屏上可有两次呈像,此时可利用二次呈像法测虚光源的距离.测量之前要利用小像追大像法再次调共轴(调节过程见薄透镜焦距测定).而若光具座较短或透镜焦距过小,此时虚光源经透镜只能呈一次像,此时只能用物距像距法测虚两光源的距离(两虚光源的像,应为两条亮度相同的平行线).YeYs Ye-YsΔS ΔeD1.二次呈像法两虚光源之间的距离d 需借助透镜将两条虚光源成像在测微目镜叉丝板上进行测量.当虚光源平面与测微目镜的叉丝板相距大于4倍透镜焦距值时,透镜在物、像平面之间有两个共轭成像点,透镜在这两点分别将虚光源放大或缩小成像在测微目镜的叉丝板上,用测微目镜分别测量在这两次成像时像面上的两条亮线的距离(两虚光源像的距离),两虚光源之间的距离为:21d d d =(6-4)式中为1d 为虚光源两放大像之间的距离;2d 为虚光源两缩小像之间的距离.放大像与缩小像各测5组,求其平均值.2.物距像距法在双棱镜与目镜间加上凸透镜,调节透镜高度,并前后移动透镜,在目镜中看到二虚光源S 1、S 2的像S 1'、S 2'.将目镜叉丝先后对准S 1'和S 2',测出其间之距离为d '(如图6-6所示).然后根据透镜成像公式(5),即可求得二虚光源的距离d .'d B A d =(6-5)2a S 1S 22a'S 1'S 2'AB图6-6 测虚光源成像光路图式中A 为物距(狭缝到透镜距离),B 为像距(透镜到测微目镜分划板距离).A 和B 可从光具座上测出,注意修正狭缝和测微目镜的附加距离.·实验数据测量1.干涉条纹间距测量数据记录表 单组测量条纹间距数n =条纹序号 1 2 3 4 5 条纹位置X i (mm )条纹序号1+n2+n3+n4+n5+nd d '条纹位置X i +n (mm )X i +n - X i (mm ) 条纹间距Δx i (mm )2.狭缝平面与测微目镜叉丝面之间的距离D 测量数据表狭缝座位置 Y s (mm) 目镜座位置 Y e (mm) 狭缝面相对座中心 偏移Δs (mm) 叉丝面相对座中心 偏移Δe (mm) D =|Y e -Y s |+Δs +Δe (mm)3.两次成像法测两虚光源的间距d 数据记录表测量对象 放大像间距d 1测量 缩小像间距d 2测量 第i 次 1 2341234左像位置x li (mm)右像位置x ri (mm)d 1i / d 2i (mm)=1d mm =2d mm==21d d d mm·实验注意事项1.严格进行共轴调节,该实验对共轴性要求非常严格,调节时可用白屏在外观察双缝所产生之光束是否亮波均匀,狭缝宽度必须适当;2.测微目镜读数时,读数鼓轮必须顺一个方向旋转,动作要平稳、缓慢,以免产生回程误差;3.测虚光源到测微目镜之距离时要注意修正;4.注意直接测量量与间接测量量单位的统一.·历史渊源与应用前景自1801年起,托马斯·杨在英国皇家学会连续宣读了数篇基于光的波动说分析干涉现象的论文,他所进行的著名的分波前双孔(缝)干涉实验以后被称为杨氏实验.杨氏实验在物理学史上有着重要的地位,将波动的空间周期性转化成干涉条纹的间距,通过对干涉条纹特性的分析得出了许多具有重要理论及实际意义的结论,从而大大丰富和深化了人们对干涉原理及光场相干性的认识.托马斯·杨让一束狭窄的日光通过不透明屏上的两个靠得很近的小缝后,再投到另一个屏上,此时屏上会出现彩色干涉条纹.历史上第一次用该方法获得了彩色干涉图样.菲涅尔双棱镜干涉实验就是在杨氏实验的基础上改进而来的,增加了相干波面的有效照明面积,从而增强了入射光强,使干涉现象明显,易于测量.该实验曾在历史上为确立光的波动学说起到了重要作用,它提供了一种直观、简捷、准确的测量光波长的方法.·与中学物理的衔接中学物理课标对双缝干涉及相关内容的要求是:1.通过实验认识光的干涉现象以及在生活、生产中的应用;2.用激光笔进行光的干涉实验;3.此实验是高考选考实验之一.·自主学习本实验的构思亮点:菲涅尔双棱镜干涉实验是分波面干涉实验的基本原型,非常巧妙地利用了光的空间相干性从自然光中获得了相干光源,不足之处是两束相干光路基本不能分开,难以实现广泛意义上的光学测量。
双棱镜干涉实验【实验目的】1.掌握用双棱镜获得双光束干涉的方法,加深对干涉条件的理解.2.学会用双棱镜测定钠光的波长.【实验仪器】光具座、白屏、单色光源钠灯、测微目镜、短焦距扩束镜、白炽灯、氦氖激光器、毛玻璃屏、滑块(若干个)、手电筒可调狭缝、双棱镜、辅助透镜、白屏、凸透镜(不同焦距的数个)。
.【实验原理】如果两列频率相同的光波沿着几乎相同的方向传播,并且它们的位相差不随时间而变化,那么在两列光波相交的区域,光强分布是不均匀的,而是在某些地方表现为加强,在另一些地方表现为减弱(甚至可能为零),这种现象称为光的干涉.菲涅耳利用图1所示的装置,获得了双光束的干涉现象.图中AB 是双棱镜,它的外形结构如图2所示,将一块平玻璃板的一个表面加工成两楔形板,端面与棱脊垂直,楔角A 较小(一般小于10).从单色光源发出的光经透镜L 会聚于狭缝S ,使S 成为具有较大亮度的线状光源.从狭缝S 发出的光,经双棱镜折射后,其波前被分割成两部分,形成两束光,就好像它们是由虚光源S1和S2发出的一样,满足相干光源条件,因此在两束光的交叠.区域图1 图2P1P2内产生干涉.当观察屏P 离双棱镜足够远时,在屏上可观察到平行于狭缝S 的、明暗相间的、等间距干涉条纹.设两虚光源S1和S2之间的距离为d ',虚光源所在的平面(近似地在光源狭缝S 的平面内)到观察屏P 的距离为d ,且d d <<',干涉条纹间距为x ∆,则实验所用光源的波长λ为 x d d ∆'=λ因此,只要测出d '、d 和x ∆,就可用公式计算出光波波长. 【实验内容】1.调节共轴(1)将单色光源M ,会聚透镜L ,狭缝S ,双棱镜AB 与测微目镜P 放置在光具座上.用目视法粗略地调节它们中心等高、共轴,棱脊和狭缝S 的取向大体平行.(2)点亮光源M ,通过透镜L 照亮狭缝S ,用手执白纸屏在双棱镜后面检查:经双棱镜折射后的光束,有否叠加区P1P2 (应更亮些)?叠加区能否进入测微目镜?当移动白屏时,叠加区是否逐渐向左、右(或上、下)偏移?根据观测到的现象,作出判断,进行必要的调节使之共轴.2.调节干涉条纹(1)减小狭缝S 的宽度,一般情况下,可从测微目镜中观察到不太清晰的干涉条纹(测微目镜的结构及使用调节方法见实验基础知识有关内容)。
实验六用双棱镜测定光波长光的干涉是普遍的光学现象之一,是光的波动性的重要实验依据.两列频率相同、振动方向相同和位相差恒定的光在空间相交区域光强将会发生相互加强或减弱现象,即光的干涉现象.光的波长虽然很短(4×10-7~8×10-7m之间),但干涉条纹的间距和条纹数却很容易用光学仪器测得.根据干涉条纹数目和间距的变化与光程差、波长等的关系式,可以推出微小长度变化(光波波长数量级)和微小角度变化等,因此干涉现象在测量技术、平面角检测技术、材料应力及形变研究和照相技术等领域有着广泛地应用.·实验目的1.掌握利用双棱镜获得双束光干涉的方法,观察干涉图样的特点,加深对干涉的理解;2.学习用双棱镜测定钠光的波长;3.进一步熟悉测微目镜的使用与测量方法;4.熟悉干涉装置的光路调节技术,深刻理解多元件等高共轴调节的重要性,掌握有关调节方法.·实验仪器双棱镜、可调狭缝、辅助(凸)透镜、测微目镜、光具座、白屏、钠光灯等.双棱镜是一个分割波前的分束器,形状如图6-1示,其端面与棱脊垂直,楔角很小(一般为37'或40'),从外表看,就像一块平行的玻璃板.折射面折射棱角图6-1 双棱镜示意图·实验原理狭缝光源S发射的光束,经双棱镜折射后变为两束相干光,在它们的重叠区内,将产生干涉,形成明暗相间的干涉条纹,这两束相干光可认为是由实际光源S的两个虚像S1、S2发出的,称S1、S2为虚光源.如图6-2所示.S S1 S2O Ex2a图6-2 双棱镜产生的相干光束示意图干涉条纹以O点为对称点上下展开.用不同的单色光源作实验时,各亮条纹的距离也不同,波长越短的单色光,条纹越密;波长越长的单色光,条纹越疏.如果用白色光作实验,则只有中央亮条纹是白色的,其余条纹在中央白条纹两边,形成由紫到红的彩色条纹.利用干涉条纹可测出单色光的波长.单色光的波长λ由下式决定:xDd∆=λ(6-1)式中d为两虚光源S1、S2间的距离、x∆为干涉条纹间距、D为虚光源到观察屏的距离.由(6-1)式可知,测得相邻条纹间距x∆、狭缝(光源)到测微目镜分化板的距离D及两虚光源之间的距离d,便可求出入射光的波长λ.·实验内容与步骤一、调整光路按图6-3布置光路,由光源发出的光通过狭缝变为缝光源,再经双棱镜折射,就可获得两个相干光源,因而能在测微目镜里看到干涉条纹.图6-3 双棱镜干涉装置图1.光学元件同轴等高的调节点亮光源,先将狭缝稍放大点,光具座上只放光源、狭缝、透镜,观察屏放在测微目镜位置.调狭缝中心与透镜的主光轴共轴,并使主光轴平行于导轨(共轴等高调节方法见薄透镜焦距的测定).再放入双棱镜,并调节左右高低,使屏上出现两个强度相同、等高并列的虚光源的像.最后用测微目镜代替观察屏,调节测微目镜,使两个虚光源的像位于测微目镜中心.2.调节狭缝与双棱镜的棱脊平行调节狭缝架上的方向旋钮,观察者在双棱镜的另一侧,逆着光路透过双棱镜观察,直到同时看到两个虚光源为止. 二、调出清晰的干涉条纹取下透镜,缩小狭缝,并用目镜观察是否有干涉条纹出现.若没有,调节狭缝架上的方向旋钮,使能清楚地看出干涉条纹为止,再适当调节缝宽,使干涉条纹较清晰.三、测干涉条纹宽度∆x调节狭缝、双棱镜及测微目镜的相对位置,使目镜视野中至少能够看清15条以上的干涉条纹(条纹宽度不能过窄).将双棱镜和测微目镜锁紧,(在后期的整个测量过程中,都不能移动双棱镜的位置)将目镜叉丝对准所选定的某条暗纹的一侧,从镜里的标尺及旋钮上记下读数x 1,再转动旋钮,使叉丝经10条暗纹的同侧,记下读数x 2,由(6-2)式即可求得x ∆,如图6-4.测3-5组,取平均.10||21x x x -=∆ (6-2)x∆四、测虚光源到观察屏的距离D双棱镜的楔角小于1°,可近似认为虚光源与狭缝在同一平面,测量过程中,我们是用测微目镜进行观察的,因此D 实际上应该为狭缝到测微目镜分划板的距离.由于狭缝所在平面与光具座滑座的中心不重合,并且测微目镜分划板平面也不与光具座滑座的中心重合,因此必须进行修正.如图6-5所示,e s Y Y D s e ∆+∆+-= (6-3)式中s Y 为狭缝滑座中心的位置;e Y 为测微目镜滑座中心的位置;s ∆为狭缝到滑座中心的距离,00.42≈∆s mm ;e ∆为测微目镜分划板到滑座中心的距离,15.37≈∆e mm .图6-5 狭缝到观察屏的修正距离五、测两虚光源之间的距离d将测微目镜取下,插入光屏,移动光屏使狭缝到光屏的距离大于辅助透镜焦距的4倍,固定光屏.将凸透镜置于双棱镜与光屏之间,移动透镜,在光屏上可有两次呈像,此时可利用二次呈像法测虚光源的距离.测量之前要利用小像追大像法再次调共轴(调节过程见薄透镜焦距测定).而若光具座较短或透镜焦距过小,此时虚光源经透镜只能呈一次像,此时只能用物距像距法测虚两光源的距离(两虚光源的像,应为两条亮度相同的平行线).YeYs Ye-YsΔSΔeD1.二次呈像法两虚光源之间的距离d 需借助透镜将两条虚光源成像在测微目镜叉丝板上进行测量.当虚光源平面与测微目镜的叉丝板相距大于4倍透镜焦距值时,透镜在物、像平面之间有两个共轭成像点,透镜在这两点分别将虚光源放大或缩小成像在测微目镜的叉丝板上,用测微目镜分别测量在这两次成像时像面上的两条亮线的距离(两虚光源像的距离),两虚光源之间的距离为:21d d d = (6-4)式中为1d 为虚光源两放大像之间的距离;2d 为虚光源两缩小像之间的距离.放大像与缩小像各测5组,求其平均值.2.物距像距法在双棱镜与目镜间加上凸透镜,调节透镜高度,并前后移动透镜,在目镜中看到二虚光源S 1、S 2的像S 1'、S 2'.将目镜叉丝先后对准S 1'和S 2',测出其间之距离为d '(如图6-6所示).然后根据透镜成像公式(5),即可求得二虚光源的距离d .'d BAd =(6-5) 2a S 1S 22a'S 1'S 2'AB图6-6 测虚光源成像光路图式中A 为物距(狭缝到透镜距离),B 为像距(透镜到测微目镜分划板距离).A 和B 可从光具座上测出,注意修正狭缝和测微目镜的附加距离.·实验数据测量1.干涉条纹间距测量数据记录表 单组测量条纹间距数n =条纹序号 1 2 3 4 5 条纹位置X i (mm )条纹序号1+n2+n3+n4+n5+nd d '条纹位置X i +n (mm )X i +n - X i (mm ) 条纹间距Δx i (mm )2.狭缝平面与测微目镜叉丝面之间的距离D 测量数据表狭缝座位置 Y s (mm) 目镜座位置 Y e (mm) 狭缝面相对座中心 偏移Δs (mm) 叉丝面相对座中心 偏移Δe (mm) D =|Y e -Y s |+Δs +Δe(mm)3.两次成像法测两虚光源的间距d 数据记录表测量对象 放大像间距d 1测量 缩小像间距d 2测量第i 次 1 23412 34左像位置x li (mm)右像位置x ri (mm)d 1i / d 2i (mm)=1d mm =2d mm ==21d d d mm·实验注意事项1.严格进行共轴调节,该实验对共轴性要求非常严格,调节时可用白屏在外观察双缝所产生之光束是否亮波均匀,狭缝宽度必须适当;2.测微目镜读数时,读数鼓轮必须顺一个方向旋转,动作要平稳、缓慢,以免产生回程误差;3.测虚光源到测微目镜之距离时要注意修正;4.注意直接测量量与间接测量量单位的统一.·历史渊源与应用前景自1801年起,托马斯·杨在英国皇家学会连续宣读了数篇基于光的波动说分析干涉现象的论文,他所进行的著名的分波前双孔(缝)干涉实验以后被称为杨氏实验.杨氏实验在物理学史上有着重要的地位,将波动的空间周期性转化成干涉条纹的间距,通过对干涉条纹特性的分析得出了许多具有重要理论及实际意义的结论,从而大大丰富和深化了人们对干涉原理及光场相干性的认识.托马斯·杨让一束狭窄的日光通过不透明屏上的两个靠得很近的小缝后,再投到另一个屏上,此时屏上会出现彩色干涉条纹.历史上第一次用该方法获得了彩色干涉图样.菲涅尔双棱镜干涉实验就是在杨氏实验的基础上改进而来的,增加了相干波面的有效照明面积,从而增强了入射光强,使干涉现象明显,易于测量.该实验曾在历史上为确立光的波动学说起到了重要作用,它提供了一种直观、简捷、准确的测量光波长的方法.·与中学物理的衔接中学物理课标对双缝干涉及相关内容的要求是:1.通过实验认识光的干涉现象以及在生活、生产中的应用;2.用激光笔进行光的干涉实验;3.此实验是高考选考实验之一.·自主学习本实验的构思亮点:菲涅尔双棱镜干涉实验是分波面干涉实验的基本原型,非常巧妙地利用了光的空间相干性从自然光中获得了相干光源,不足之处是两束相干光路基本不能分开,难以实现广泛意义上的光学测量。
217实验38 光的干涉实验(三)——双棱镜干涉实验利用菲涅尔(A.J.Fresnel )双棱镜可以实现光的干涉。
菲涅尔双棱镜干涉实验曾在历史上为确立光的波动学说起到过重要作用,它提供了一种用简单仪器测量光的波长的方法。
【重点、难点提示】光的波动性;双棱镜干涉现象;双棱镜干涉测波长;光路的调整 【目的和要求】1.观察由双棱镜所产生的干涉现象,并测定单色光波长。
2.加深对光的波动性的了解,学习调节光路的一些基本知识和方法。
【实验仪器】1.光源;2.光具座;3.狭缝;4.双棱镜;5.凸透镜;6.测微目镜。
【实验原理】双棱镜形状如图6.38.1所示,其折射角很小,因而折 射棱角接近180︒。
今设有一平行于折射棱的缝光源S 产生 的光束照射到双棱镜上,则光线经过双棱镜折射后,形成 两束犹如从虚光源S 1和S 2发出的相干光束。
它们在空间传播时有一部分重叠而发生干涉(画有双斜线的区域), 图6.38.1 双棱镜示意图 结果在屏幕E 上显现干涉条纹,如图6.38.2所示。
S S 1S 2OE图6.38.2 双棱镜产生的相干光束示意图干涉条纹以O 点为对称点上下交错地配置。
用不同的单色光源作实验时,各亮条纹的距离也不同,波长越短的单色光,条纹越密;波长越长的单色光,条纹越稀。
如果用白色光作实验,则只有中央亮条纹是白色的,其余条纹在中央白条纹两边,形成由紫而红的彩色条纹。
利用干涉条纹可测出单色光的波长。
单色光的波长λ由下式决定x Da∆=2λ (6.38.1) 式中2a 为S 1S 2间的距离、D 为S 1S 2到E 幕的距离,∆x 为任意两条暗条纹之间距离。
【实验内容与步骤】 一、调整光路本实验的具体装置如图6.38.3所示,由光源发出的光通过狭缝变为缝光源,再经双棱镜折射,就可获得两个相干光源,因而能在测微目镜里看到干涉条纹。
测微目镜的构造和使用参见第三章§3.3.4“常用光学仪器”4。
218图6.38.3 双棱镜干涉装置图1.开亮光源,先将狭缝稍放大点,观察光通过狭缝后是否照射到双棱镜的棱背和射入目镜,若不能,则须调整光源及目镜的位置以达到上述目的。
研究性实验报告光的干涉实验(分波面法)激光的双棱镜干涉菲涅耳双棱镜干涉摘要:两束光波产生干涉的必要条件是:1)频率相同;2)振动方向相同;3)相位差恒定。
产生相干光的方式有两种:分波阵面法和分振幅法。
本次菲涅耳双棱镜干涉就属于分波阵面法。
菲涅耳双棱镜干涉实验是一个经典而重要的实验,该实验和杨氏双缝干涉实验共同奠定了光的波动学的实验基础。
一、实验重点1)熟练掌握采用不同光源进行光路等高共轴调节的方法和技术;2)用实验研究菲涅耳双棱镜干涉并测定单色光波长;3)学习用激光和其他光源进行实验时不同的调节方法。
二、实验原理菲涅耳双棱镜可以看成是有两块底面相接、棱角很小的直角棱镜合成。
若置单色光源S0于双棱镜的正前方,则从S0射来的光束通过双棱镜的折射后,变为两束相重叠的光,这两束光仿佛是从光源S0的两个虚像S1和S2射出的一样。
由于S1和S2是两个相干光源,所以若在两束光相重叠的区域内放置一个屏,即可观察到明暗相间的干涉条纹。
如图所示,设虚光源S 1和S 2的距离是a ,D 是虚光源到屏的距离。
令P 为屏上任意一点,r 1和r 2分别为从S 1和S 2到P 点的距离,则从S 1和S 2发出的光线到达P 点得光程差是:△L= r 2-r 1令N 1和N 2分别为S 1和S 2在屏上的投影,O 为N 1N 2的中点,并设OP=x ,则从△S 1N 1P 及△S 2N 2P 得:r 12=D 2+(x-2a)2r 22=D 2+(x+2a)2两式相减,得:r 22- r 12=2ax另外又有r 22- r 12=(r 2-r 1)(r 2+r 1)=△L(r 2+r 1)。
通常D 较a 大的很多,所以r 2+r 1近似等于2D ,因此光程差为:△L=Dax 如果λ为光源发出的光波的波长,干涉极大和干涉极小处的光程差是:= k λ (k=0,±1, ±2,…) 明纹=212 k λ (k=0,±1, ±2,…) 暗纹由上式可知,两干涉条纹之间的距离是:△x=aDλ 所以用实验方法测得△x ,D 和a 后,即可算出该单色光源的波长λ=Da△x三、实验方案 1)光源的选择当双棱镜与屏的位置确定之后,干涉条纹的间距△x 与光源的波长λ成正比。
双棱镜干涉实验
【实验目的】
1.掌握用双棱镜获得双光束干涉的方法,加深对干涉条件的理解.
2.学会用双棱镜测定钠光的波长.
【实验仪器】光具座、白屏、单色光源钠灯、测微目镜、短焦距扩束镜、白炽灯、氦氖激光器、毛玻璃屏、滑块(若干个)、手电筒可调狭缝、双棱镜、辅助透镜、白屏、凸透镜(不同焦距的数个)。
.
【实验原理】
如果两列频率相同的光波沿着几乎相同的方向传播,并且它们的位相差不随时间而变
化,那么在两列
光波相交的区
域,光强分布是
不均匀的,而是
在某些地方表现
为加强,在另一些地方表现为减弱(甚至可能为零),
这种现象称为光的干涉.
菲涅耳利用图1所示的装置,获得了双光束的干涉现象.图中AB 是双棱镜,它的外形结构如图2所示,将一块平玻璃板的一个表面加工成两楔形板,端面与棱脊垂直,楔角A 较小(一般小于10).从单色光源发出的光经透镜L 会聚于狭缝S ,使S 成为具有较大亮度的线状光源.从狭缝S 发出的光,经双棱镜折射后,其波前被分割成两部分,形成两束光,就好像它们是由虚光源S1和S2发出的一样,满足相干光源条件,因此在两束光的交叠.区域
图1 图2
P1P2内产生干涉.当观察屏P 离双棱镜足够远时,在屏上可观察到平行于狭缝S 的、明暗相间的、等间距干涉条纹.
设两虚光源S1和S2之间的距离为d ',虚光源所在的平面(近似地在光源狭缝S 的平面内)到观察屏P 的距离为d ,且d d <<',干涉条纹间距为x ∆,则实验所用光源的波长λ为 x d d ∆'=
λ
因此,只要测出d '、d 和x ∆,就可用公式计算出光波波长. 【实验内容】
1.调节共轴
(1)将单色光源M ,会聚透镜L ,狭缝S ,双棱镜AB 与测微目镜P 放置在光具座上.用目视法粗略地调节它们中心等高、共轴,棱脊和狭缝S 的取向大体平行.
(2)点亮光源M ,通过透镜L 照亮狭缝S ,用手执白纸屏在双棱镜后面检查:经双棱镜折
射后的光束,有否叠加区P1P2 (应更亮些)?叠加区能否进入测微目镜?当移动白屏时,叠加区是否逐渐向左、右(或上、下)偏移?
根据观测到的现象,作出判断,进行必要的调节使之共轴.
2.调节干涉条纹
(1)减小狭缝S 的宽度,一般情况下,可从测微目镜中观察到不太清晰的干涉条纹(测微目镜的结构及使用调节方法见实验基础知识有关内容)。
绕系统的光轴缓慢地向左或右旋转双棱镜AB ,当双棱镜的棱脊与狭缝的取向严格平行时,从测微目镜中可观察到清晰的干涉条纹.
(2)在看到清晰的干涉条纹后,为便于测量,将双棱镜或测微目镜前后移动,使干涉条纹的宽度适当.同时只要不影响条纹的清晰度,可适当增加狭缝S 的缝宽,以保持干涉条纹有足够的亮度.(注:双棱镜和狭缝的距离不宜过小,因为减小它们的距离,S1、S2间距也将减小,这对d '的测量不利.)
3.测量与计算
(1)用测微目镜测量干涉条纹的间距x ∆.为了提高测量精度,可测出n 条(10~20条) 干涉条纹的间距x ,除以n ,即得x ∆.测量时,先使目镜叉丝对准某亮纹(或暗纹)的中心,然后旋转测微螺旋,使叉丝移过n 个条纹,读出两次读数.重复测量几次,求出x ∆. (2)用光具座支架中心间距测量狭缝至观察屏的距离d .由于狭缝平面与其支架中心不重合,且测微目镜的分划板(叉丝)平面也与其支架中心不重合,所以必须进行修正,以免导致测量结果的系统误差.测量几次,求出d .
(3)用透镜两次成像法测两虚光源的间距d '.参见图3,保持狭缝S 与双棱镜AB 的位置不变,即与测量干涉条纹间距x ∆时的相同(问:为什么不许动?),在双棱镜与测微目镜
之间放置一已知焦距为f '的会聚透镜L ',移动测微目镜使它到狭缝S 的距离f d '>4,然
后维持恒定.沿光具座前后移动透镜L ',就可以在L '的两个不同位置上从测微目镜中看到两虚光源S1和S2经透镜所成的实像1S '和2S '
,其中一组为放大的实像,另一组为缩小的实像.分别测得两放大像的间距1d 和两缩小
像的间距2d ,则按下式即可求得两虚光源
的间距d '.多测几次,取平均值d '.
21d d d ='
(4)用所测得的x ∆、d '、d 值,代入式(7-1),求出光源的波长λ.
(5)计算波长测量值的标准不确度.
【注意事项】
(1)使用测微目镜时,首先要确定测微目镜读数装置的分格精度,要注意防止回程差,旋转
图3
读数鼓轮时动作要平稳、缓慢,测量装置要保持稳定.
(2)在测量d值时,因为狭缝平面和测微目镜的分划板平面均不和光具座滑块的读数准线(支架中心)共面,必须引人相应的修正(例如,GP一78型光具座,狭缝平面位置的修正量为42.5mm,MCU一15型测微目镜分划板平面的修正量为27.0mm),否则将引起较大的系统误差.
(3)测量d1、d2时,由于透镜像差的影响,将引入较大误差,可在透镜L 上加一直径约lcm的圆孔光阑(用黑纸)以增加d1、d2测量的精确度.(可对比一下加或不加光阑的测量结果.)
数据记录和处理:
1.测X
其中黑线为实验数据,红线为线性预测线
由上表和上图可知条纹各间距基本相等,但第16序号数据产生较大问题,可能原因为:
1. 使用测微目镜时反向旋转螺旋,造成回程差.
2. 中心十字准星移到边缘遮挡光强看不太清楚.
所以将错误数据排除其他数据产生的平均值为:
=
∆X0.1426mm
2.测单缝到测微目镜叉丝分划板的距离d.
单缝位置40cm
测微目镜位置88.3cm
d048.3cm
3.测虚光源间距L
L=21l l =2.20mm
波长λ
由x d l 0∆=
λ λ==⨯0.1425483
2.2649mm 10-6⨯=649nm 与钠黄光的已知值=D λ589.3nm 相差较大
不确定度的计算已没有意义.
实验值偏差大的原因;
仪器和设计
1.各光器件难以精确调到共轴,带来较大误差.
2.测量d 时两底座的距离不是叉丝到单缝距离,悬空测量又会导致更大的误差.
3.由于狭缝平平面和测微目镜的分划板平面不与光具座的滑块的读数刻度线共面而引入的系统误差.
操作
使用测微目镜时有反方向旋转的情况出现.
测量d 时碰到单缝和测微目镜导致两仪器产生角度.
测量光源间距和x 时人眼分辨率限制和疲劳错觉.
测量过程中,有零点误差.
思考:
虽然本次实验失败了,但是我学会了使用菲涅尔双棱镜测波长,同时对光的干涉和衍射有了更直观的认识,也体会了实验的严密和精确的重要性.
若将钠灯换为水银灯可能会产生七种颜色相间的干涉条纹.。