半导体集成电路型号命名法
- 格式:doc
- 大小:77.50 KB
- 文档页数:3
集成电路的命名目前,集成电路的命名国际上还没有一个统一的标准,各制造公司都有自己的一套命名方法,给我们识别集成电路带来很大的困难,但各制造公司对集成电路的命名总还存在一些规律。
下面列出一些常见的集成电路生产公司的命名方法供大家参考。
(只写了前缀〕1.NATIONAL SEMICONDUCTOR CORP.(国家半导体公司〕AD:A/D转换器;DA:D/A转换器;CD:CMOS数字电路;LF:线性场效应;LH:线性电路(混合〕;LM:线性电路〔单块〕;LP:线性低功耗电路。
2.RCA CORP. (美国无线电公司)CA、LM:线性电路;CD:CMOS数字电路;CDM;CMOS大规模电路。
3.MOTOROLA SEMICONDUCTOR PRODUCTS,INC. (摩托罗拉半导体公司)MC:密封集成电路;MMS:存储器电路;MLM:引线于国家半导体公司相同的线性电路。
4.NEC ELECTRONICS,INC. (日本电气电子公司)UP: 微型产品。
A:组合元件; B:双极型数字电路;C:双极型模拟电路; D:单极型数字电路。
例:UPC、UPA等。
5.SANYO ELECTRIC CO.,LTD. (三洋电气有限公司)LA:双极型线性电路;LB:双极型数字电路;LC:CMOS电路;STK:厚膜电路。
6.TOSHIBA CORP. (东芝公司)TA:双极型线性电路;TC:CMOS电路;TD:双极型数字电路;TM:MOS电路。
7.HITACHI,LTD. (日立公司)HA:模拟电路;HD:数字电路;HM:RAM电路; HN:ROM电路;8.SGS SEMICONDUCTOR CORP. (SGS半导体公司)TA、TB、TC、TD:线性电路; H:高电平逻辑电路;HB、HC:CMOS电路。
例:TD A 后\\\'A\\\'为温度代号。
1.部分集成电路制造公司名称及型号前缀先进微器件公司〔美国〕 AM模拟器件公司〔美国〕AD仙童半导体公司〔美国〕 F、UA富士通公司〔日本〕 MB、MBM日立公司〔日本〕HA、HD、HM、HN英特尔公司〔美国〕 I英特西尔公司〔美国〕 ICL、ICM、IM松下电子公司〔日本〕 AN史普拉格电气公司〔美国〕ULN、UCN、TDA三菱电气公司〔日本〕M摩托罗拉半导体公司〔美国〕 MC、MLM、MMS国家半导体公司〔美国〕LM、LF、LH、LP、AD、DA、CD日本电气有限公司〔日本〕 UPA、UPB、UPC新日本无线电有限公司〔日本〕NJM冲电气工业公司〔日本〕MSM飞利浦元件公司荷兰〕HEF、TBA、TDA三星半导体公司〔韩国〕KA、KM、KS山肯电气有限公司〔日本〕 STR三洋电气有限公司〔日本〕LA、LB、LC、STKSGS电子元件公司〔意大利〕TDA、H、HB、HC夏普电子公司〔日本〕 LH、LR、IX西门子公司〔德国〕 SO、TBA、TDA西格乃铁克斯公司〔美国〕 NE、SE、ULN索尼公司〔日本〕BX、CX东芝公司〔日本〕TA、TC、TD、TM2一、中国半导体器件型号命名方法半导体器件型号由五部分(场效应器件、半导体特殊器件、复合管、PIN型管、激光器件的型号命名只有第三、四、五部分)组成。
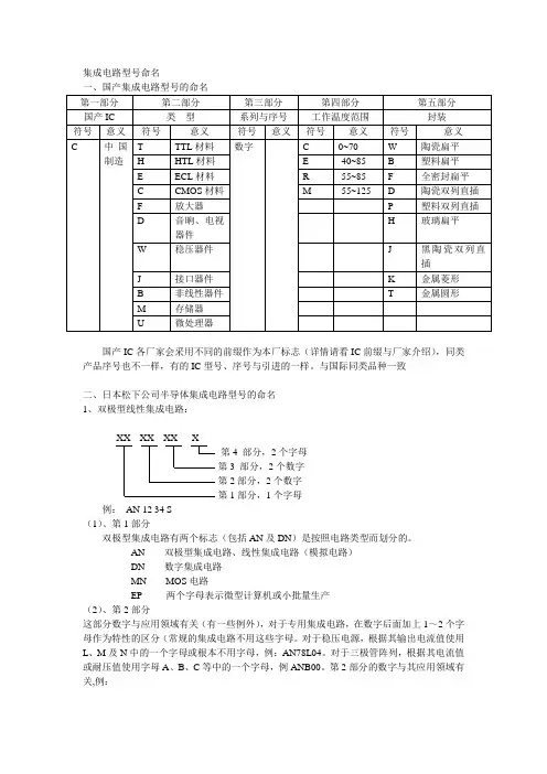
集成电路型号含义1.国产集成电路第一部分第二部分第三部分第四部分第五部分国产IC类型系列与序号工作温度范围封装符号意义符号意义符号意义符号意义符号意义C 中国制造T TTL材料数字与国际同类品种一致C0~70W陶瓷扁平H HTL材料E-40~85B塑料扁平E ECL材料R-55~85F全密封扁平C CMOS材料M-55~125D陶瓷双列直插F放大器P塑料双列直插D音晌、电视器件H玻璃扁平W稳压器件J黑陶瓷双列直插J接口器件K金属菱形B非线性器件T金属圆形M存储器U 微处理器国产IC各厂家会采用不同的前缀作为本厂标志(详情请看IC前缀与厂家介绍),同类产品序号也不一样,有的IC型号、序号与引进的一样。
2.日本松下公司半导体集成电路型号的命名1). 双极型线性集成电路:第1部分第2部分第3 部分第4 部分2个字母2个数字2个数字1个字母例AN 12 34 Sa.第1部分:双极型集成电路有两个标志(包括AN及DN)是按照电路类型而划分的,双极型集成电路、线性集成电路(模拟电路):AN 、数字集成电路:DN、MOS电路:MN、EP两个字母表示微型计算机或小批量生产b.第2部分:这部分数字与应用领域有关(有一些例外),对于专用集成电路,在数字后面加上1~2个字母作为特性的区分(常规的集成电路不用这些字母。
对于稳压电源,根据其输出电流值使用L、M及N中的一个字母或根本不用字母,例:AN78L04。
对于三极管阵列,根据其电流值或耐压值使用字母A、B、C等中的一个字母,例ANB00。
第2部分的数字与其应用领域有关,例:第2部分数字应用领域10~19 运算放大器、比较电路20~25 摄像机26~29 电视唱片30~39 录像机40~49 运算放大器50~59 电视机60~64 录像机及音响65 运算放大器及它66~68 工业用及家用电器69 比较器及其它70~76 音响方面的用途78~80 稳压器81~83 工业用及家用电器90 三极管阵列c.第3部分:用二位数字,其范围一般为00~99,例如AN4321d.第4部分:一般不用这部分,但在集成电路功能几乎相同而封装不同时或者是改进型,这种情况下大致用大致字母S、P、N。
1、国产半导体器件型号命名方法半导体器件型号由五部分(场效应器件、半导体特殊器件、复合管、PIN型管、激光器件的型号命名只有第三、四、五部分)组成。
五个部分意义如下:第一部分:用数字表示有效电极数目。
2—二极管、3 —三极管第二部分:用汉语拼音字母表示材料和极性。
表示二极管时:A—N型锗材料、B—P型锗材料、C—N型硅材料、D—P型硅材料。
表示三极管时:A—PNP型锗材料、B—NPN型锗材料、C—PNP型硅材料、D—NPN型硅材料。
第三部分:用汉语拼音字母表示类型。
P—普通管、V—微波管、W—稳压管、C—参量管、Z—整流管、L—整流堆、S—隧道管、N—阻尼管、U—光电器件、K—开关管、X—低频小功率管、G—高频小功率管、D—低频大功率管、A—高频大功率管、T—半导体晶闸管(可控整流器)、Y—体效应器件、B—雪崩管、J—阶跃恢复管、CS—场效应管、BT—半导体特殊器件、FH—复合管、PIN—PIN型管、JG—激光器件。
高频、低频(f=3MHz)大功率管、小功率管(Pc=1W第四部分:用数字表示序号第五部分:用汉语拼音字母表示规格号例如:3DG6A表示NPN型硅材料高频小功率三极管第一部分:主称第二部分:材料与极第三部分:类别第四部分:序号第五部分:规格号数字含义字母含义字母含义用数字表示同一类别产品序号用字母表示产品规格、档次2二极管A N型锗材料P小信号管(普通管)W 电压调整管和电压基准管(稳压管)L整流堆B P型锗材料N阻尼管Z整流管U光电管C N型硅材K开关管B或C变容管V 混频检波管D P型硅材料JD激光管S遂道管CM磁敏管E 化合物材料H恒流管Y体效应管EF 发光二极管2、美国半导体分立器件型号命名方法美国晶体管或其他半导体器件的命名法较混乱。
美国电子工业协会半导体分立器件命名方法如下:第一部分:用符号表示器件用途的类型。
JAN—军级、JANTX—特军级、JANTXV—超特军级、JANS—宇航级、(无)—非军用品。
一、中国半导体器件型号命名方法半导体器件型号由五部分(场效应器件、半导体特殊器件、复合管、PIN型管、激光器件的型号命名只有第三、四、五部分)组成。
五个部分意义如下:第一部分:用数字表示半导体器件有效电极数目。
2-二极管、3-三极管第二部分:用汉语拼音字母表示半导体器件的材料和极性。
表示二极管时:A-N型锗材料、B-P型锗材料、C-N型硅材料、D-P型硅材料。
表示三极管时:A-PNP型锗材料、B-NPN型锗材料、C-PNP 型硅材料、D-NPN型硅材料。
第三部分:用汉语拼音字母表示半导体器件的内型。
P-普通管、V-微波管、W-稳压管、C-参量管、Z-整流管、L-整流堆、S-隧道管、N-阻尼管、U-光电器件、K-开关管、X-低频小功率管(F<3MHz,Pc<1W)、G-高频小功率管(f>3MHz,Pc<1W)、D-低频大功率管(f<3MHz,Pc>1W)、A-高频大功率管(f>3MHz,Pc>1W)、T-半导体晶闸管(可控整流器)、Y-体效应器件、B-雪崩管、J-阶跃恢复管、CS-场效应管、BT-半导体特殊器件、FH-复合管、PIN-PIN型管、JG-激光器件。
第四部分:用数字表示序号第五部分:用汉语拼音字母表示规格号例如:3DG18表示NPN型硅材料高频三极管二、日本半导体分立器件型号命名方法日本生产的半导体分立器件,由五至七部分组成。
通常只用到前五个部分,其各部分的符号意义如下:第一部分:用数字表示器件有效电极数目或类型。
0-光电(即光敏)二极管三极管及上述器件的组合管、1-二极管、2三极或具有两个pn结的其他器件、3-具有四个有效电极或具有三个pn结的其他器件、┄┄依此类推。
第二部分:日本电子工业协会JEIA注册标志。
S-表示已在日本电子工业协会JEIA注册登记的半导体分立器件。
第三部分:用字母表示器件使用材料极性和类型。
A-PNP型高频管、B-PNP型低频管、C-NPN型高频管、D-NPN型低频管、F-P控制极可控硅、G-N控制极可控硅、H-N基极单结晶体管、J-P沟道场效应管、K-N 沟道场效应管、M-双向可控硅。
集成电路型号命名国产IC各厂家会采用不同的前缀作为本厂标志(详情请看IC前缀与厂家介绍),同类产品序号也不一样,有的IC型号、序号与引进的一样。
与国际同类品种一致二、日本松下公司半导体集成电路型号的命名1、双极型线性集成电路:XX XX XX X第4 部分,2个字母第3 部分,2个数字第2部分,2个数字第1部分,1个字母例:AN 12 34 S(1)、第1部分双极型集成电路有两个标志(包括AN及DN)是按照电路类型而划分的。
AN 双极型集成电路、线性集成电路(模拟电路)DN 数字集成电路MN MOS电路EP 两个字母表示微型计算机或小批量生产(2)、第2部分这部分数字与应用领域有关(有一些例外),对于专用集成电路,在数字后面加上1~2个字母作为特性的区分(常规的集成电路不用这些字母。
对于稳压电源,根据其输出电流值使用L、M及N中的一个字母或根本不用字母,例:AN78L04。
对于三极管阵列,根据其电流值或耐压值使用字母A、B、C等中的一个字母,例ANB00。
第2部分的数字与其应用领域有关,例:第2部分数字应用领域10~19 运算放大器、比较电路20~25 摄像机26~29 电视唱片30~39 录像机40~49 运算放大器50~59 电视机60~64 录像机及音响65 运算放大器及它66~68 工业用及家用电器69 比较器及其它70~76 音响方面的用途78~80 稳压器81~83 工业用及家用电器90 三极管阵列(3)、第3部分用二位数字,其范围一般为00~99,例如AN4321(4)、第4部分一般不用这部分,但在集成电路功能几乎相同而封装不同时或者是改进型,这种情况下大致用大致字母S、P、N。
AN××××S:字母S是指小型扁平封装;AN××××K:使用收缩双列直插式封装;AN××××P:使用普通塑料封装;AN××××N:字母N表示改进型(5)、其它:OM200:(助听器)是上述线性集成电路标志的例外。
半导体集成电路型号命名法1.集成电路的型号命名法集成电路现行国际规定的命名法如下:(摘自《电子工程手册系列丛书》A15,《中外集成电路简明速查手册》TTL,CMOS电路以及GB3430)。
器件的型号由五部分组成,各部分符号及意义见表1。
2.集成电路的分类集成电路是现代电子电路的重要组成部分,它具有体积小、耗电少、工作特性好等一系列优点。
概括来说,集成电路按制造工艺,可分为半导体集成电路、薄膜集成电路和由二者组合而成的混合集成电路。
按功能,可分为模拟集成电路和数字集成电路。
按集成度,可分为小规模集成电路(SSI,集成度<10个门电路〉、中规模集成电路(MSI,集成度为10~100个门电路)、大规模集成电路(LSI,集成度为100~1000个门电路)以及超大规模集成电路(VLSI,集成度>1000个门电路)。
按外形,又可分为圆型(金属外壳晶体管封装型,适用于大功率),扁平型(稳定性好、体积小)和双列直插型(有利于采用大规模生产技术进行焊接,因此获得广泛的应用)。
目前,已经成熟的集成逻辑技术主要有三种:TTL逻辑(晶体管-晶体管逻辑)、CMOS 逻辑(互补金属-氧化物-半导体逻辑)和ECL逻辑(发射极耦合逻辑)。
TTL逻辑:TTL逻辑于1964年由美国德克萨斯仪器公司生产,其发展速度快,系列产品多。
有速度及功耗折中的标准型;有改进型、高速及低功耗的低功耗肖特基型。
所有TTL 电路的输出、输入电平均是兼容的。
该系列有两个常用的系列化产品,CMOS逻辑:CMOS逻辑器件的特点是功耗低,工作电源电压范围较宽,速度快(可达7MHz)。
ECL逻辑:ECL逻辑的最大特点是工作速度高。
因为在ECL电路中数字逻辑电路形式采用非饱和型,消除了三极管的存储时间,大大加快了工作速度。
MECL I系列产品是由美国摩托罗拉公司于1962年生产的,后来又生产了改进型的MECLⅡ,MECLⅢ型及MECL10000。
3.集成电路外引线的识别图1 集成器件俯视图使用集成电路前,必须认真查对和识别集成电路的引脚,确认电源、地、输入、输出及控制等相应的引脚号,以免因错接而损坏器件。
半导体器件型号命名方法一、中国半导体器件型号命名方法半导体器件型号由五部分(场效应器件、半导体特殊器件、复合管、PIN型管、激光器件的型号命名只有第三、四、五部分)组成。
五个部分意义如下:第一部分:用数字表示半导体器件有效电极数目。
2-二极管、3-三极管第二部分:用汉语拼音字母表示半导体器件的材料和极性。
表示二极管时:A-N型锗材料、B-P型锗材料、C-N型硅材料、D-P型硅材料。
表示三极管时:A-PNP型锗材料、B-NPN型锗材料、C-PNP型硅材料、D-NPN型硅材料。
第三部分:用汉语拼音字母表示半导体器件的内型。
P-普通管、V-微波管、W-稳压管、C-参量管、Z-整流管、L-整流堆、S-隧道管、N-阻尼管、U-光电器件、K-开关管、X-低频小功率管(F<3MHz,Pc<1W)、G-高频小功率管(f>3MHz,Pc<1W)、D-低频大功率管(f<3MHz,Pc >1W)、A-高频大功率管(f>3MHz,Pc>1W)、T-半导体晶闸管(可控整流器)、Y-体效应器件、B-雪崩管、J-阶跃恢复管、CS-场效应管、BT-半导体特殊器件、FH-复合管、PIN-PIN型管、JG-激光器件。
第四部分:用数字表示序号第五部分:用汉语拼音字母表示规格号二、日本半导体分立器件型号命名方法日本生产的半导体分立器件,由五至七部分组成。
通常只用到前五个部分,其各部分的符号意义如下:第一部分:用数字表示器件有效电极数目或类型。
0-光电(即光敏)二极管三极管及上述器件的组合管、1-二极管、2三极或具有两个pn结的其他器件、3-具有四个有效电极或具有三个pn结的其他器件、┄┄依此类推。
第二部分:日本电子工业协会JEIA注册标志。
S-表示已在日本电子工业协会JEIA注册登记的半导体分立器件。
第三部分:用字母表示器件使用材料极性和类型。
A-PNP型高频管、B-PNP型低频管、C-NPN 型高频管、D-NPN型低频管、F-P控制极可控硅、G-N控制极可控硅、H-N基极单结晶体管、J-P沟道场效应管、K-N 沟道场效应管、M-双向可控硅。
集成电路型号的命名方法概述纵观集成电路的型号,大体上包含这些内容:公司代号、电路系列或种类代号、电路序号、封装形式代号、温度范围代号和其他一些代号。
这些内容均用字母或数字来代表。
一般情况下,世界上很多集成电路制造公司将自己公司名称的缩写字母或者公司的产品代号放在型号的开头,表示该公司的集成电路产品。
例如:日本东芝公司产品型号用字母T开头,如图9-4(a)所示,TA7687AP即为型号。
三菱公司的产品型号开头字母为M,M50560即为型号,如图9-4(b)所示。
美国摩托罗拉公司产品型号的开头字母为MC,如图9-4(c)所示,MC14017BCP为型号。
对于此类集成电路,只要知道了该集成电路是哪个国家、哪个公司的产品,按相应的集成电路手册去查找即可。
图9-4 集成电路型号标注法(一)此外,识别集成电路还可用先找出产品公司商标的办法。
因为有不少厂商或公司的集成电路,其型号的开头字母不表示厂商或公司的缩写、代号,而是表示功能、封装或种类等。
例如,以生产计算机芯片著称于世的美国英特尔公司,其型号的第一个字母表示使用范围,如M表示军用,I表示工业用,不标则为商业用;第二个字母表示封装,如P为塑封,D为密封等。
图9-5(a)所示为塑封8031单片微处理器芯片;图9-5(b)中集成电路为日本松下公司的产品,它的开头字母表示器件类型,AN 表示模拟电路,DN 表示数字电路。
对于此类集成电路,可以先找到芯片上的商标,确定生产厂商或公司后,再查找相应的手册。
图9-5 集成电路型号标注法(二)国产集成电路型号命名方法根据国家标准BG 3430——1989 的规定,集成电路的型号由以下 5部分组成,如图9-6所示。
图9-6 国产集成电路型号命名的组成各部分表示方法的规定见表9-1~表9-4。
▼表9-1 表示器件类型的主要字母表▼表9-2 器件系列品种的表示规定▼表9-3 表示器件工作温度范围的字母表▼表9-4 表示器件封装形式的字母表注:表中括号内字母为国外表示方法。
一、国标集成电路的型号命名方法
一、国标集成电路的型号命名方法
国标(GB3431—82)集成电路的型号命名由五部分组成,各部分的含义见表25。
第一部分用字母“C”表示该集成电路为中国制造,符合国家标准。
第二部分用字母表示集成电路类型。
第三部分用数字表示集成电路系列和代号。
第四部分用字母表示电路温度范围。
第五部分用字母表示电路的封装形式。
表25 国标(一)集成电路型号命名及含义
表26 国标(二)集成电路型号命名及含义
表27 东芝集成电路的型号命名及含义
表29 日立集成电路的型号命名及含义
表32 日本三菱集成电路的型号命名及含义
表31 索尼集成电路的型号命名及含义。
一、中国半导体器件型号命名方法半导体器件型号由五部分(场效应器件、半导体特殊器件、复合管、PIN型管、激光器件的型号命名只有第三、四、五部分)组成。
五个部分意义如下:第一部分:用数字表示半导体器件有效电极数目。
2-二极管、3-三极管第二部分:用汉语拼音字母表示半导体器件的材料和极性。
表示二极管时:A-N型锗材料、B-P 型锗材料、C-N型硅材料、D-P型硅材料。
表示三极管时:A-PNP型锗材料、B-NPN型锗材料、C-PNP 型硅材料、D-NPN型硅材料。
第三部分:用汉语拼音字母表示半导体器件的内型。
P-普通管、V-微波管、W-稳压管、C-参量管、Z-整流管、L-整流堆、S-隧道管、N-阻尼管、U-光电器件、K-开关管、X-低频小功率管(F<3MHz,Pc<1W)、G-高频小功率管(f>3MHz,Pc<1W)、D-低频大功率管(f<3MHz,Pc>1W)、A-高频大功率管(f>3MHz,Pc>1W)、T-半导体晶闸管(可控整流器)、Y-体效应器件、B-雪崩管、J-阶跃恢复管、CS-场效应管、BT-半导体特殊器件、FH-复合管、PIN-PIN型管、JG-激光器件。
第四部分:用数字表示序号第五部分:用汉语拼音字母表示规格号例如:3DG18表示NPN型硅材料高频三极管二、日本半导体分立器件型号命名方法日本生产的半导体分立器件,由五至七部分组成。
通常只用到前五个部分,其各部分的符号意义如下:第一部分:用数字表示器件有效电极数目或类型。
0-光电(即光敏)二极管三极管及上述器件的组合管、1-二极管、2三极或具有两个pn结的其他器件、3-具有四个有效电极或具有三个pn结的其他器件、┄┄依此类推。
第二部分:日本电子工业协会JEIA注册标志。
S-表示已在日本电子工业协会JEIA注册登记的半导体分立器件。
第三部分:用字母表示器件使用材料极性和类型。
A-PNP型高频管、B-PNP型低频管、C-NPN 型高频管、D-NPN型低频管、F-P控制极可控硅、G-N控制极可控硅、H-N基极单结晶体管、J-P沟道场效应管、K-N沟道场效应管、M-双向可控硅。
常用的进口IC型号命名方法介绍半导体集成电路(SIC)的型号一般由三部分组成。
第一部分为前缀,主要反映制造厂家的信息。
第二部分用来表示器件功能分类。
第三部分为后缀,主要反映器件的质量和可靠性等级及封装形式(包括是否为裸芯片)。
这里正芯网将厚膜集成电路(HIC)常用的进口IC型号命名方法介绍如下。
一、54系列此系列为军用集成电路(74系列的为商用)。
TI(得克萨斯公司),Rochester(罗切斯特公司),Motorola(摩托罗拉公司),NSC(美国国家半导体公司),FC(仙童公司)等公司生产。
TI公司规定其54系列产品型号要在54的前面加上SN(如SN54HC00等),军标产品加SNJ。
54后接不同的英文字母表示不同的电路功能,也有54后直接跟数字的。
(1)54HC54HC表示高速CMOS逻辑集成电路,现在为SN54HC,仅TI 生产(Rochester作其补充)。
(2)54HCT54HCT也表示高速CMOS逻辑集成电路,现在为SN54HCT,仅TI生产(Rochester作其补充)。
(3)54LS54LS表示低功耗肖特基逻辑集成电路,TI生产的为SN54LS;Rochester,Motorola,NSC和FC公司生产的仍为54LS。
(4)54S54S表示肖特基逻辑集成电路,现在为SN54S,仅TI生产(Rochester作其补充)。
(5)54×××以54121(多谐振荡器)为例。
Rochester公司的为54121,TI公司的为SN54121,Lansdale公司的为54121和SL54121。
上述器件均为军品等级。
二、78/79生产厂家为ST Micro(以前为SGS—Thorn.son)。
原78××,79××电压基准器,现在型号为L78L××,L78L×,如L79L09等。
三、AD为Analog Devices公司产品,主要有ADC(模数转换),DAC(数模转换),放大器,电压基准器,湿度传感器等。
一、国标集成电路的型号命名方法
一、国标集成电路的型号命名方法
国标(GB3431—82)集成电路的型号命名由五部分组成,各部分的含义见表25。
第一部分用字母“C”表示该集成电路为中国制造,符合国家标准。
第二部分用字母表示集成电路类型。
第三部分用数字表示集成电路系列和代号。
第四部分用字母表示电路温度范围。
第五部分用字母表示电路的封装形式。
表25 国标(一)集成电路型号命名及含义
表26 国标(二)集成电路型号命名及含义
表27 东芝集成电路的型号命名及含义
表29 日立集成电路的型号命名及含义
表32 日本三菱集成电路的型号命名及含义
表31 索尼集成电路的型号命名及含义。
目前,集成电路的命名国际上还没有一个统一的标准,各制造公司都有自己的一套命名方法,给我们识别集成电路带来很大的困难,但各制造公司对集成电路的命名总还存在一些规律。
下面列出一些常见的集成电路生产公司的命名方法供大家参考。
(只写了前缀〕1.National Semiconductor Corp.(国家半导体公司〕AD:A/D转换器; DA:D/A转换器;CD:CMOS数字电路; LF:线性场效应;LH:线性电路(混合〕;LM:线性电路〔单块〕;LP:线性低功耗电路。
2.RCA Corp. (美国无线电公司)CA、LM:线性电路; CD:CMOS数字电路;CDM;CMOS大规模电路。
3.Motorola Semiconductor Products,Inc. (摩托罗拉半导体公司)MC:密封集成电路; MMS:存储器电路;MLM:引线于国家半导体公司相同的线性电路。
4.NEC Electronics,Inc. (日本电气电子公司)uP: 微型产品。
A:组合元件; B:双极型数字电路;C:双极型模拟电路; D:单极型数字电路。
例:uPC、uPA等。
5.Sanyo Electric Co.,Ltd. (三洋电气有限公司)LA:双极型线性电路; LB:双极型数字电路;LC:CMOS电路; STK:厚膜电路。
6.Toshiba Corp. (东芝公司)TA:双极型线性电路; TC:CMOS电路;TD:双极型数字电路; TM:MOS电路。
7.Hitachi,Ltd. (日立公司)HA:模拟电路; HD:数字电路;HM:RAM电路; HN:ROM电路;8.SGS Semiconductor Corp. (SGS半导体公司)TA、TB、TC、TD:线性电路; H:高电平逻辑电路;HB、HC:CMOS电路。
例:TD A后'A'为温度代号。
部分集成电路制造公司名称及型号前缀 先进微器件公司〔美国〕 AM模拟器件公司〔美国〕 AD仙童半导体公司〔美国〕 F、uA富士通公司〔日本〕 MB、MBM日立公司〔日本〕 HA、HD、HM、HN英特尔公司〔美国〕 I英特西尔公司〔美国?nbsp; ICL、ICM、IM松下电子公司〔日本?nbsp; AN史普拉格电气公司〔美国〕 ULN、UCN、TDA三菱电气公司〔日本〕 M摩托罗拉半导体公司〔美国?nbsp; MC、MLM、MMS国家半导体公司〔美国〕 LM、LF、LH、LP、AD、DA、CD 日本电气有限公司〔日本〕 uPA、uPB、uPC新日本无线电有限公司〔日本〕 NJM冲电气工业公司〔日本〕 MSM飞利浦元件公司〔荷兰〕 HEF、TBA、TDA三星半导体公司〔韩国〕 KA、KM、KS山肯电气有限公司〔日本〕 STR三洋电气有限公司〔日本〕 LA、LB、LC、STKSGS电子元件公司〔意大利〕 TDA、H、HB、HC夏普电子公司〔日本〕 LH、LR、IX西门子公司〔德国〕 SO、TBA、TDA西格乃铁克斯公司〔美国〕 NE、SE、ULN索尼公司〔日本〕 BX、CX东芝公司〔日本〕 TA、TC、TD、TM德克萨斯仪器公司〔美国〕 SN、TL、TP、uA美国无线电公司〔美国〕 CD、CA、CDM、LM汤姆森公司〔法国〕 EF、TDA、TBA、SFC。
中国半导体分立器件型号的命名法中国半导体分立器件型号的命名法中国晶体管和其他半导体器件的型号,通常由以下五部分组成:第一部分:用阿拉伯数字表示器件的有效电极数目. 例如:3AX81-81的3第二部分:用汉语拼音字母表示器件的极性和材料. 例如:3AX81-81的A第三部分:用汉语拼音字母表示器件的类型. 例如:3AX81-81的X第四部分:用阿拉伯数字表示器件的序号. 例如:3AX81-81的81第五部分:用汉语拼音字母表示规格. 例如:3AX81-81的-81但是,场效应晶体管,半导体特殊器件,复合管,PIN型二极管(P区和N区之间夹一层本征半导体或低浓度杂质半导体的二极管.当其工作频率超过100MHz时,由于少数载流子的存储效应和I层中的渡越时间效应,二极管失去整流作用,而成为阻抗元件,并且,其阻抗值的大小随直流偏置而改变)和激光器件等型号的组成只有第三,第四和第五部分.例如:CS2B是表示:B规格2号场效应管.中国半导体分立器件型号的组成符号及其意义用数字表示器件的有效电极数目用汉语拼音字母表示器件俄材料和极性用汉语拼音字母表示器件的类型用阿拉伯数字表示器件的序号用汉语拼音字母表示规格2二极管AN型,锗材料P 普通管D 低频大功率管B P型,锗材料V 微波管A 高频大功率管C N型,硅材料W 稳压管T 半导体闸流管D P型,硅材料C 参量管Y 体效应器件3三极管APNP型,锗材料Z 整流管B 雪崩管B NPN型,锗材料L 整流堆J 阶跃恢复管C PNP型,硅材料S 隧道管CS 场效应管D NPN型,硅材料N 阻尼管BT 半导体特殊器件U 光电器件FH 复合管E 化合物材料K 开关管PIN PIN型管X 低频小功率管JG 激光器件G 高频小功率管。
半导体集成电路型号命名法
1.集成电路的型号命名法
集成电路现行国际规定的命名法如下:(摘自《电子工程手册系列丛书》A15,《中外集成电路简明速查手册》TTL,CMOS电路以及GB3430)。
器件的型号由五部分组成,各部分符号及意义见表1。
2.集成电路的分类
集成电路是现代电子电路的重要组成部分,它具有体积小、耗电少、工作特性好等一系列优点。
概括来说,集成电路按制造工艺,可分为半导体集成电路、薄膜集成电路和由二者组合而成的混合集成电路。
按功能,可分为模拟集成电路和数字集成电路。
按集成度,可分为小规模集成电路(SSI,集成度<10个门电路〉、中规模集成电路(MSI,集成度为10~100个门电路)、大规模集成电路(LSI,集成度为100~1000个门电路)以及超大规模集成电路(VLSI,集成度>1000个门电路)。
按外形,又可分为圆型(金属外壳晶体管封装型,适用于大功率),扁平型(稳定性好、体积小)和双列直插型(有利于采用大规模生产技术进行焊接,因此获得广泛的应用)。
目前,已经成熟的集成逻辑技术主要有三种:TTL逻辑(晶体管-晶体管逻辑)、CMOS 逻辑(互补金属-氧化物-半导体逻辑)和ECL逻辑(发射极耦合逻辑)。
TTL逻辑:TTL逻辑于1964年由美国德克萨斯仪器公司生产,其发展速度快,系列产品多。
有速度及功耗折中的标准型;有改进型、高速及低功耗的低功耗肖特基型。
所有TTL 电路的输出、输入电平均是兼容的。
该系列有两个常用的系列化产品,
CMOS逻辑:CMOS逻辑器件的特点是功耗低,工作电源电压范围较宽,速度快(可达7MHz)。
ECL逻辑:ECL逻辑的最大特点是工作速度高。
因为在ECL电路中数字逻辑电路形式采用非饱和型,消除了三极管的存储时间,大大加快了工作速度。
MECL I系列产品是由美国摩托罗拉公司于1962年生产的,后来又生产了改进型的MECLⅡ,MECLⅢ型及MECL10000。
3.集成电路外引线的识别
使用集成电路前,必须认真查对和识别集成电路的引脚,确认电源、地、输入、输出及控制等相应的引脚号,以免因错接而损坏器件。
引脚排列的一般规律为:
圆型集成电路:识别时,面向引脚正视。
从定位销顺时针方向依次为1,2,3,4
……。
图1 集成器件俯视图
– 158 –
附录部分常用数字集成电路汇集
圆型多用于模拟集成电路。
扁平和双列直插型集成电路:识别时,将文字符合标记正放(一般集成电路上有一缺口,将缺口或圆点置于左方),由顶部俯视,从左下脚起,按逆时针方向数,依次为1,2,3,4……。
如图1(a),(b)所示扁平和双列直插两种封装形式。
扁平型多用于数字集成电路。
双列直插型广泛应用于模拟和数字集成电路。
表1 器件型号的组成
注:①74:国际通用74系列(民用)
54:国际通用54系列(军用)
②H:高速
③L:低速
④LS:低功耗
⑤C:只出现在74系列
⑥M:只出现在54系列
示例:
– 159 –
数字电路与逻辑设计实验及应用
– 160 –。