电容的型号命名
- 格式:pdf
- 大小:215.35 KB
- 文档页数:3
国产电容器的型号命名法国产电容器型号命名由四部分组成,各部分的含义见:表11。
第一部分用字母“C”表示主称为电容器。
第二部分用字母表示电容器的介质材料。
第三部分用数字或字母表示电容器的类别。
第四部分用数字表示序号。
电容器的主要参数有标称容量(简称容量)、允许偏差、额定电压、漏电流、绝缘电阻、损耗因数、温度系数、频率特性等。
(一)标称容量标称容量是指标注在电容器上的电容量。
电容量的基本单位是法拉(简称法),用字母“F”表示。
比法拉小的单位还在毫法(mF)、微法(μF)、纳法(nF)、皮法(pF),它们之间的换算关系是:1F=1000mF1mF=1000μF1μF=1000nF1nF=1000pF其中,微法(μF)和皮法(pF)两单位最常用。
文字符号法文字符号法是采用数字或字母数字混膈的方法来标注电容器的主要参数。
1.数字标注法数字标注法一般是用3位数字表示电容器的容量。
其中前两位数字为有效值数字,第三位数字为倍乘数(即表示有效值后有多少个0)。
例如:102表示10×102pF=1000pF104表示10×104pF=0.1μF105表示10×105pF=1μF2.字母与数字混合标注法此标注方法是用2~4位数字表示有效值,用P、n、M、μ、G、m等字母表示有效数后面的量级。
进口电容器在标注数值时不用小数点,而是将整数部分写在字母之前,将小数部分写在字母后面。
例如:4p7表示4.7pF8n2表示8200pFM1表示0.1μF3m3表示3300μFG1表示100μF在实际应用时,电容量在1万皮法以上电容量,通常用微法作单位,例如:0.047μF、0.1μF、2.2μF、47μF、330μF、4700μF等等。
电容量在1万皮法以下的电容器,通常用皮法作单位,例如:2pF、68 pF、100 pF、680 pF、5600 pF等等。
标称容量的标注方法有直标法、文字符号标注法和色标法等,具体的识别方法将在以后的内容中作详细介绍。
贴片电容型号命名规则贴片电容是一种常用的电子元件,用于电路中的能量储存和信号处理。
它的型号命名规则是非常重要的,因为它可以帮助人们快速准确地识别和选择合适的贴片电容。
贴片电容的型号通常由几个字母和数字组成。
字母部分表示贴片电容的特性和性能指标,数字部分表示电容的额定值。
接下来,我们将详细介绍一些常见的贴片电容型号命名规则。
1. 电容值:贴片电容的电容值通常用数字表示,单位是法拉(F)。
常见的电容值有pF(皮法拉)、nF(纳法拉)和μF(微法拉)。
例如,型号为100pF的贴片电容表示电容值为100皮法拉。
2. 封装尺寸:贴片电容的封装尺寸通常用字母表示。
常见的封装尺寸有0603、0805和1206,其中数字表示封装的长宽尺寸,单位是英寸。
例如,型号为0603的贴片电容表示封装尺寸为0.06英寸×0.03英寸。
3. 精度等级:贴片电容的精度等级通常用字母表示,表示电容值的精度范围。
常见的精度等级有B、C和D,其中B表示±0.1pF的精度,C表示±0.25pF的精度,D表示±0.5pF的精度。
4. 额定电压:贴片电容的额定电压通常用字母和数字表示。
字母部分表示电压的单位和范围,数字部分表示额定电压的数值。
常见的额定电压单位有V和R,V表示直流电压,R表示交流电压。
例如,型号为10V的贴片电容表示额定直流电压为10V。
5. 温度系数:贴片电容的温度系数通常用字母表示,表示电容值随温度变化的稳定性。
常见的温度系数有N、P和R,其中N表示-55℃至+125℃的温度范围内电容值变化在±10%以内,P表示-25℃至+85℃的温度范围内电容值变化在±10%以内,R表示0℃至+60℃的温度范围内电容值变化在±15%以内。
通过以上的介绍,我们可以看出,贴片电容的型号命名规则是非常规范和清晰的。
通过型号,我们可以快速了解贴片电容的电容值、封装尺寸、精度等级、额定电压和温度系数等信息,以便选择合适的贴片电容应用于电路设计中。
电阻电容型号命名规则
电阻和电容的型号命名规则如下:
电阻型号命名规则:
1. 由字母和数字组成,一般以字母R开头,表示电阻。
2. 第一个数字表示有效数字,第二个数字表示数量级,后面的字母表示精度和温度系数等。
3. 精度一般用F表示1%,G表示2%,H表示3%,J表示5%。
4. 温度系数一般用P表示±100ppm/℃,R表示±200ppm/℃,S表示±50ppm/℃,T表示±25ppm/℃。
例如:R100表示100欧姆电阻,1%精度;R10K表示10千欧姆电阻,5%精度;R1M表示1兆欧姆电阻,±100ppm/℃温度系数。
电容型号命名规则:
1. 由字母和数字组成,一般以字母C开头,表示电容。
2. 第一个数字表示有效数字,第二个数字表示数量级,后面的字母表示电压、精度和温度系数等。
3. 电压一般用V表示电压值,例如:C10V表示10伏电容。
4. 精度一般用F表示±1%,G表示±2%,J表示±5%。
5. 温度系数一般用N表示-750ppm/℃,P表示±100ppm/℃,R表示±200ppm/℃,S表示±50ppm/℃,T表示±25ppm/℃。
例如:C100pF表示100皮法电容,±5%精度;C10uF表示10微法电容,±10%精度;C1uF25V表示1微法电容,25伏电压。
电容精度 J K Z2007-10-18 11:27电容的型号命名:1)各国电容器的型号命名很不统一,国产电容器的命名由四部分组成:第一部分:用字母表示名称,电容器为C。
第二部分:用字母表示材料。
第三部分:用数字表示分类。
第四部分:用数字表示序号。
2)电容的标志方法:(1)直标法:用字母和数字把型号、规格直接标在外壳上。
(2)文字符号法:用数字、文字符号有规律的组合来表示容量。
文字符号表示其电容量的单位:P、N、u、m、F等。
和电阻的表示方法相同。
标称允许偏差也和电阻的表示方法相同。
小于10pF的电容,其允许偏差用字母代替:B——±0.1pF,C——±0.2pF,D——±0.5pF,F——±1pF。
(3)色标法:和电阻的表示方法相同,单位一般为pF。
小型电解电容器的耐压也有用色标法的,位置靠近正极引出线的根部,所表示的意义如下表所示:颜色黑棕红橙黄绿蓝紫灰耐压4V 6.3V 10V 16V 25V 32V 40V 50V 63V(4)进口电容器的标志方法:进口电容器一般有6项组成。
第一项:用字母表示类别:第二项:用两位数字表示其外形、结构、封装方式、引线开始及与轴的关系。
第三项:温度补偿型电容器的温度特性,有用字母的,也有用颜色的,其意义如下表所示:序号字母颜色温度系数允许偏差字母颜色温度系数允许偏差1 A 金 +100 R 黄 -2202 B 灰 +30 S 绿 -3303 C 黑 0 T 蓝 -4704 G ±30 U 紫 -7505 H 棕 -30 ±60 V -10006 J ±120 W -15007 K ±250 X -22008 L 红 -80 ±500 Y -33009 M ±1000 Z -470010 N ±2500 SL +350~-100011 P 橙 -150 YN -800~-5800备注:温度系数的单位10e -6/℃;允许偏差是 % 。
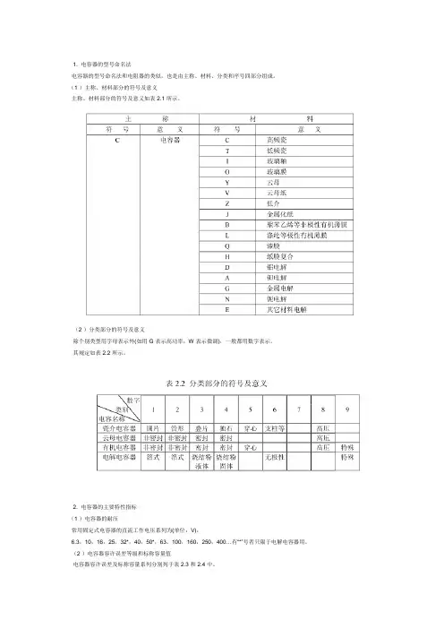
1. 电容器的型号命名法电容器的型号命名法和电阻器的类似,也是由主称、材料、分类和序号四部分组成。
(1 )主称、材料部分的符号及意义主称、材料部分的符号及意义如表 2.1 所示。
(2 )分类部分的符号及意义除个别类型用字母表示外(如用 G 表示高功率,W 表示微调),一般都用数字表示。
其规定如表 2.2 所示。
2. 电容器的主要特性指标(1 )电容器的耐压常用固定式电容器的直流工作电压系列为(单位:V):6.3,10,16,25,32*,40,50*,63,100,160,250,400…有“*”号者只限于电解电容器用。
(2 )电容器容许误差等级和标称容量值电容器容许误差及标称容量系列分别列于表 2.3 和 2.4 中。
标称电容量为表中数值或表中数值再乘以10 n ,其中n 为正整数或负整数作为实例,表 2.5 列出某电容器的型号与主要参数。
可以看出它是高功率高频瓷介电容器,耐压 63V,容量为0.01μF,容许误差为±20%。
3. 电容器电容量的几种标注方法目前电容器的电容量标注方法比较混乱,稍不留神就会出错,因此建议对于容易混淆的电容,最好用电容表进行测量后再使用。
(1)电解电容器电容量值的标注法均采用数字直接描述法,即直接标出“***μF”的字样,如47μF,4700μF等。
(2)“传统标注法”对于小于 10000pF 的电容,以 pF 为单位标注而不标注单位,如4700pF 标注为 4700;47pF 标注为 47 等。
常用电容器的几项主要特性列于表 2.6。
对于大于 10000PF 而小于1μF的电容,以μF为单位标注,省略单位,如 470000pF即0.47μF,标注为 0.47 或 .47,47000pF 即0.047μF标注为 0.047 或 .047。
从以上例子可以看出,这种标注方法是很容易识别的,凡是大于 1 的数均是以 pF 为单位,凡是小于 1 的小数均是以μF为单位,凡电容量大于1μF的电容,后面均标出单位(μF)。
国巨电容命名规则
国巨电容的命名规则通常遵循以下几个规则:
1. 电容器型号一般由字母和数字组成。
其中,字母代表电容器
的一些特性,比如温度系数、容量稳定度等;数字则表示电容量大小,单位为微法(μF)。
2. 电容器型号的第一个字母通常代表电容器的材料种类。
例如:
- C:钽电容器(tantalum capacitor)
- E:铝电解电容器(aluminum electrolytic capacitor)
- K:多层陶瓷电容器(multilayer ceramic capacitor)
- P:聚酯薄膜电容器(polyester film capacitor)
- N:聚酰亚胺薄膜电容器(polyimide film capacitor)
- S:固体电解电容器(solid electrolytic capacitor)
3. 电容器型号中的其他字母和数字则有可能代表其他一些特性,比如电压、封装规格等。
例如:
- 104:表示电容量为100nF(10的4次方)
- 25V:表示电容器的额定电压为25V
- A/B/C:表示封装规格,不同的字母代表不同的封装方式。
总之,国巨电容的型号中字母和数字的组合代表了电容器的各种
特性,可以根据需要选择合适的型号。
电容器的型号命名法
(一)国产电容器的型号命名法
国产电容器型号命名由四部分组成,各部分的含义见表1。
第一部分用字母“C”表示主称为电容器。
第二部分用字母表示电容器的介质材料。
第三部分用数字或字母表示电容器的类别。
第四部分用数字表示序号。
(二)国外电容器的型号命名方法
国外电容器的型号命名由六部分组成,各部分的含义见表2。
第一部分用字母表示电容器的类型。
第二部分用数字表示外形结构。
第三部分用字母表示温度特性。
第四部分用字母或数字表示耐压值。
第五部分用数字表示标称容量。
第六部分用字母表示允许偏差。
表 2 国外电容器的型号命名及含义表2-1。
贴片电容的精度表示方法..电容的型号命名:1、各国电容器的型号命名很不统一,国产电容器的命名由四部分组成:第一部分:用字母表示名称,电容器为C。
第二部分:用字母表示材料。
第三部分:用数字表示分类。
第四部分:用数字表示序号。
2、电容的标志方法:(1)直标法:用字母和数字把型号、规格直接标在外壳上。
(2)文字符号法:用数字、文字符号有规律的组合来表示容量。
文字符号表示其电容量的单位:P、N、u、m、F等。
和电阻的表示方法相同。
标称允许偏差也和电阻的表示方法相同。
小于10pF的电容,其允许偏差用字母代替:B——±0.1pF,C——±0.2pF,D——±0.5pF,F——±1pF。
(3)色标法:和电阻的表示方法相同,单位一般为pF。
小型电解电容器的耐压也有用色标法的,位置靠近正极引出线的根部,所表示的意义如下表所示:颜色黑棕红橙黄绿蓝紫灰耐压4V 6.3V 10V 16V 25V 32V 40V 50V 63V(4)进口电容器的标志方法:进口电容器一般有6项组成。
第一项:用字母表示类别:第二项:用两位数字表示其外形、结构、封装方式、引线开始及与轴的关系。
第三项:温度补偿型电容器的温度特性,有用字母的,也有用颜色的,其意义如下表所示:序号字母颜色温度系数允许偏差字母颜色温度系数允许偏差1 A 金+100 R 黄-2202 B 灰+30 S 绿-3303 C 黑0 T 蓝-4704 G ±30 U 紫-7505 H 棕-30 ±60 V -10006 J ±120 W -15007 K ±250 X -22008 L 红-80 ±500 Y -33009 M ±1000 Z -470010 N ±2500 SL +350~-100011 P 橙-150 YN -800~-5800备注:温度系数的单位10e -6/℃;允许偏差是% 。
电容器的型号命名法
(一)国产电容器的型号命名法
国产电容器型号命名由四部分组成,各部分的含义见表1。
第一部分用字母“C”表示主称为电容器。
第二部分用字母表示电容器的介质材料。
第三部分用数字或字母表示电容器的类别。
第四部分用数字表示序号。
(二)国外电容器的型号命名方法
国外电容器的型号命名由六部分组成,各部分的含义见表2。
第一部分用字母表示电容器的类型。
第二部分用数字表示外形结构。
第三部分用字母表示温度特性。
第四部分用字母或数字表示耐压值。
第五部分用数字表示标称容量。
第六部分用字母表示允许偏差。
表 2 国外电容器的型号命名及含义表2-1。
1.电容上标识2A104J,它代表什么意思?2A表示耐压100V,(1A为10V、3A为1000V、2B为125V、2C为160V、1H为50V等),104表示电容量为100000p F,即0.1μ F,J表示容量误差为±5%。
2.【转】电容标示识别方法电容是电子设备中大量使用的电子元件之一,广泛应用于隔直,耦合,旁路,滤波,调谐回路,能量转换,控制电路等方面。
用C表示电容,电容单位有法拉(F)、微法拉(uF)、皮法拉(pF),1F=10^6uF=10^12pF一、电容器的型号命名方法国产电容器的型号一般由四部分组成(不适用于压敏、可变、真空电容器)。
依次分别代表名称、材料、分类和序号。
第一部分:名称,用字母表示,电容器用C。
第二部分:材料,用字母表示。
第三部分:分类,一般用数字表示,个别用字母表示。
第四部分:序号,用数字表示。
用字母表示产品的材料:A-钽电解、B-聚苯乙烯等非极性薄膜、C-高频陶瓷、D-铝电解、E-其它材料电解、G-合金电解、H-复合介质、I- 玻璃釉、J-金属化纸、L-涤纶等极性有机薄膜、N-铌电解、O-玻璃膜、Q-漆膜、T-低频陶瓷、V-云母纸、Y-云母、Z-纸介二、电容器的分类1、按照结构分三大类:固定电容器、可变电容器和微调电容器。
2、按电解质分类有:有机介质电容器、无机介质电容器、电解电容器和空气介质电容器等。
3、按用途分有:高频旁路、低频旁路、滤波、调谐、高频耦合、低频耦合、小型电容器。
4、频旁路:陶瓷电容器、云母电容器、玻璃膜电容器、涤纶电容器、玻璃釉电容器。
5、低频旁路:纸介电容器、陶瓷电容器、铝电解电容器、涤纶电容器。
6、滤波:铝电解电容器、纸介电容器、复合纸介电容器、液体钽电容器。
7、调谐:陶瓷电容器、云母电容器、玻璃膜电容器、聚苯乙烯电容器。
8、高频耦合:陶瓷电容器、云母电容器、聚苯乙烯电容器。
9、低耦合:纸介电容器、陶瓷电容器、铝电解电容器、涤纶电容器、固体钽电容器。
murata电容命名规则【提纲】一、Murata电容简介Murata电容,源自日本,是全球领先的陶瓷电容器制造商。
凭借其精湛的工艺技术和严格的品质控制,Murata电容在电子元器件领域享有盛誉。
其产品广泛应用于消费电子、通讯、汽车电子、工业控制等领域。
【提纲】二、Murata电容命名规则详解1.命名格式Murata电容的命名格式为:品牌名(Murata)+ 容量(单位:pF)+ 工作电压(单位:V)+ 封装尺寸(如有)+ 型号(如有)。
2.参数含义- 容量:表示电容器存储电荷的能力,单位为皮法(pF)。
- 工作电压:表示电容器能承受的电压范围,单位为伏特(V)。
- 封装尺寸:表示电容器的物理尺寸,如0805、1206等。
- 型号:表示电容器的系列和特殊性能,如LR系列、HS系列等。
3.常用型号举例例如:Murata LR101C106M500J、Murata HS1612B104K500T等。
【提纲】三、如何选择合适的Murata电容1.容量选择:根据电路设计需求,选择适当容值的电容器。
一般来说,容量越大,电容器的储能能力越强,但体积也越大。
2.工作电压选择:根据电路的工作电压,选择合适的工作电压范围的电容器。
工作电压过高可能导致电容器损坏,过低则可能影响其储能效果。
3.封装尺寸选择:根据电路板的空间大小和安装方式,选择合适的封装尺寸。
常见的封装尺寸有0805、1206、1812等。
4.品质因数选择:品质因数(Q)是衡量电容器性能的重要指标,较高品质因数的电容器具有更好的稳定性、较低的损耗和更小的噪声。
根据电路对性能的要求,选择合适品质因数的电容器。
【提纲】四、应用领域及注意事项1.应用领域:Murata电容广泛应用于各类电子产品,如手机、平板、笔记本等,以及通讯、汽车电子、工业控制等领域。
2.注意事项:- 在高温、潮湿环境下,注意选择耐高温、防潮性能好的电容器。
- 电容器在使用过程中,注意电压、电流等参数的匹配,避免过载使用。
电容大全1)名称:聚酯(涤纶)电容(CL)符号:电容量:40p--4u额定电压:63--630V主要特点:小体积,大容量,耐热耐湿,稳定性差应用:对稳定性和损耗要求不高的低频电路2)名称:聚苯乙烯电容(CB)符号:电容量:10p--1u额定电压:100V--30KV主要特点:稳定,低损耗,体积较大应用:对稳定性和损耗要求较高的电路3)名称:聚丙烯电容(CBB)符号:电容量:1000p--10u额定电压:63--2000V主要特点:性能与聚苯相似但体积小,稳定性略差应用:代替大部分聚苯或云母电容,用于要求较高的电路4)名称:云母电容(CY)符号:电容量:10p--0。
1u额定电压:100V--7kV主要特点:高稳定性,高可靠性,温度系数小应用:高频振荡,脉冲等要求较高的电路5)名称:高频瓷介电容(CC)符号:电容量:1--6800p额定电压:63--500V主要特点:高频损耗小,稳定性好应用:高频电路6)名称:低频瓷介电容(CT)符号:电容量:10p--4。
7u额定电压:50V--100V主要特点:体积小,价廉,损耗大,稳定性差应用:要求不高的低频电路7)名称:玻璃釉电容(CI)符号:电容量:10p--0。
1u额定电压:63--400V主要特点:稳定性较好,损耗小,耐高温(200度)应用:脉冲、耦合、旁路等电路8)名称:铝电解电容符号:电容量:0。
47--10000u额定电压:6。
3--450V主要特点:体积小,容量大,损耗大,漏电大应用:电源滤波,低频耦合,去耦,旁路等9)名称:钽电解电容(CA)铌电解电容(CN)符号:电容量:0。
1--1000u额定电压:6。
3--125V主要特点:损耗、漏电小于铝电解电容应用:在要求高的电路中代替铝电解电容10)名称:空气介质可变电容器符号:可变电容量:100--1500p主要特点:损耗小,效率高;可根据要求制成直线式、直线波长式、直线频率式及对数式等应用:电子仪器,广播电视设备等11)名称:薄膜介质可变电容器符号:可变电容量:15--550p主要特点:体积小,重量轻;损耗比空气介质的大应用:通讯,广播接收机等12)名称:薄膜介质微调电容器符号:可变电容量:1--29p主要特点:损耗较大,体积小应用:收录机,电子仪器等电路作电路补偿13)名称:陶瓷介质微调电容器符号:可变电容量:0。
贴片电容的精度电容的型号命名:电容命名和电阻有些相似1)各国电容器的型号命名很不统一,国产电容器的命名由四部分组成:第一部分:用字母表示名称,电容器为C。
第二部分:用字母表示材料。
第三部分:用数字表示分类。
第四部分:用数字表示序号。
2)电容的标志方法:(1)直标法:用字母和数字把型号、规格直接标在外壳上。
(2)文字符号法:用数字、文字符号有规律的组合来表示容量。
文字符号表示其电容量的单位:P、N、u、m、F等。
和电阻的表示方法相同。
标称允许偏差也和电阻的表示方法相同。
小于10pF的电容,其允许偏差用字母代替:B——±0.1pF,C——±0.2pF,D——±0.5pF,F——±1pF。
(3)色标法:和电阻的表示方法相同,单位一般为pF。
小型电解电容器的耐压也有用色标法的,位置靠近正极引出线的根部,所表示的意义如下表所示:颜色黑棕红橙黄绿蓝紫灰耐压4V 6.3V10V16V25V32V40V50V63V(4)进口电容器的标志方法:进口电容器一般有6项组成。
第一项:用字母表示类别:第二项:用两位数字表示其外形、结构、封装方式、引线开始及与轴的关系。
第三项:温度补偿型电容器的温度特性,有用字母的,也有用颜色的,其意义如下表所示:序号字母颜色温度系数允许偏差序号字母颜色温度系数允许偏差1A金+10012R黄-220 2B灰+3013S绿-330 3C黑014T蓝-470 4G±3015U紫-750 5H棕-30±6016V-1000 6J±12017W-1500 7K±25018X-2200 8L红-80±50019Y-33009M ±10020Z-470010N ±25021SL+350~-100011P橙-15022YN-800~-5800备注:温度系数的单位10e -6/℃;允许偏差是 % 。
taiyo电容命名规则taiyo电容命名规则一、引言电容是电子元件中常见的一种,用于存储电荷和调节电路中的电压。
taiyo是一家知名的电容制造商,为了方便识别和选择不同类型的电容,taiyo制定了一套规范的命名规则。
本文将详细介绍taiyo电容的命名规则。
二、基本结构taiyo电容的命名规则由以下几个部分组成:1. 品牌标识:所有taiyo电容都以“taiyo”作为品牌标识。
2. 容量值:表示电容器存储能量的大小,单位为法拉(F)。
3. 电压等级:表示允许通过电容器的最大电压,单位为伏特(V)。
4. 尺寸代码:表示电容器的尺寸和形状。
5. 系列代码:表示不同系列产品之间的区分。
三、容量值1. 通常情况下,taiyo电容的容量值以数字开头,并带有一个字母后缀来表示数量级。
“10uF”表示10微法拉。
2. taiyo还使用希腊字母来表示更小或更大的数量级。
“1nF”表示1纳法拉,“1mF”表示1毫法拉。
3. 容量值的范围从1pF(皮法拉)到1000F(法拉),适用于不同类型和尺寸的电容器。
四、电压等级1. taiyo电容的电压等级以数字表示,代表允许通过电容器的最大电压。
“25V”表示允许通过电容器的最大电压为25伏特。
2. 电压等级的范围从6.3V到1000V,适用于不同类型和尺寸的电容器。
五、尺寸代码1. taiyo使用一套简单而清晰的尺寸代码来表示不同尺寸和形状的电容器。
2. 尺寸代码由两个数字组成,分别表示直径和高度。
“1206”表示直径为12毫米,高度为6毫米。
3. taiyo还使用额外的字母后缀来表示特殊形状或特殊要求。
“1206S”表示带有凹槽或凹陷的1206型号。
六、系列代码1. 为了进一步区分不同系列产品,taiyo使用一组字母来表示不同系列。
每个字母代表一个特定系列。
2. 系列代码通常在型号名称末尾,并用括号括起来。
“1206S (A)”表示1206S系列中的A型号。
七、举例说明以下是几个示例,以帮助理解taiyo电容的命名规则:1. taiyo电容器型号为“taiyo 10uF 25V 1206S (A)”表示容量为10微法拉,允许通过的最大电压为25伏特,尺寸为1206S,并属于A系列。
电容器规格型号的标注电容器规格型号的标注1 引言电容器的型号和规格一般应按国家有关标准来标注。
根据目前市场供应情况也有按国外型号标注的,在标注顺序上略有不同。
本公司按下述方法标注。
2 电容器规格型号的标注2.1 标注顺序电容器一般按下述顺序标注“型号 -(尺寸代号)-(温度系数或特性)- 额定电压 - 标称容量- 允许偏差 -(其他)”其中有些项可能省略。
国外电容器的标注顺序各不相同,例如额定电压在允许偏差后面。
2.2型号国产电容器的型号命名按“GB/T 2470-1995 电子设备用固定电阻器、固定电容器型号命名方法”规定。
例如——CC4表示1类多层(独石)瓷介电容器——CT4表示2类多层(独石)瓷介电容器——CC41表示片状1类多层(独石)瓷介电容器——CT41表示片状2类多层(独石)瓷介电容器——CA45表示片状固体钽电解电容器电容器的具体型号和技术参数可参考有关手册。
注意,不同厂家生产的同型号电容器在尺寸和性能指标略有差别。
若有影响,需加限制条件。
市场上有国外型号的电容器,若要选用需说明其所属的国家和厂家。
2.3 尺寸代号片状电容器的尺寸代号常用“0603”、“0805”、“1206”等表示,这是按英寸(0.01in)计的表示法,片状瓷介电容器用此法表示。
还有用EIA代码如“2012”、“3216”等表示,这是按毫米(0.1mm)计的表示法,片状钽电解电容器用此法表示。
绘制印制板图时应注意它们尺寸的区别。
带引出线的电容器的尺寸代号不同的厂家不统一,不好标注。
一种办法是按生产厂手册标注,但必须同时注明生产厂。
另一种办法是不标注尺寸代号,适用于对外型尺寸无严格要求场合,若有要求可以在“其他”项标注对外形尺寸的限制要求,例如限高、限引线间距等。
2.4 温度系数或特性瓷介电容器和云母电容器要标注温度系数或特性,因为瓷介电容器和云母电容器有多种的温度特性。
其他电容器的电容量不用标注温度系数或特性。
固定电容器的型号命名法国产电容器的标志代号由下列几部分组成:1、型号2、额定工作电压3、温度系数组别4、标称容量5、容量误差等级电容器型号字符的意义第1字符C,表示为电容器;第2字符:C——瓷介Q——漆膜T——铁电Y——云母Z——纸介W——微调I——玻璃釉H——混合介质J——金属化O——玻璃(膜)D——(铝)电解BB——聚丙烯B——聚苯乙烯A——钽F——聚四氟乙烯N——铌L——涤纶T——钛S——聚碳酸脂M——压敏第一项尾字符(有时省略)用以表示电容器的形状、结构或体积:T—— 筒状、G——管状、L——立式矩形、Y——圆片状、M——密封、X——小型。
第二项额定工作电压,通常直接标出电压值。
第三项温度系数电容器的温度系数组别(适用于瓷介电容器)组别温度系数(1/℃)色标组别温度系数(1/℃)色标AUOKQ +110±30×10-6+30±30×10-60±30×10-6-33±30×10-6-50±30×10-6 蓝灰黑褐浅蓝BDHLC -75±30×10-6-150±40×10-6-700±100×10-6-1300±200×10-6不规定白橙红绿橙电容器的温度系数组别(适用于云母电容器)组别温度系数(1/℃)色标组别温度系数(1/℃)色标AB ±1000×10-6±200×10-6 黑棕CD ±100×10-6±50×10-6 红黄瓷介电容器的参数以色环或色点表示时,它的第一色环或色点比其它的又宽又大,是用以表示温度系数的。
有些瓷介电容器仅一端涂有色标,只表示温度系数,也有些瓷介电容器本身的颜色就代表它的温度系数。
代换用于调谐回路中作为温度补偿用的瓷介电容器,不仅电容器的电容量要相同,而且电容器的温度系数也应相同,否刚当环境温度变化时,便容易产生失谐,失去了温度补偿的作用。
风华电容命名规则
风华电容公司是一家专业从事电容器研发、设计、生产和销售的企业。
为了方便顾客更好地选购和了解产品,风华电容制定了一套严格的命名规则,具体如下:
一、风华电容产品命名规则:
1. 风华电容器的型号命名方式为字母+数字的组合,其中字母代表电容器的系列,数字代表电容器的容量值和尺寸大小。
2. 风华电容器的系列名称为以下字母:C代表陶瓷电容器、T代表聚酯电容器、M代表金属膜电容器、P代表聚丙烯电容器、A代表
铝电解电容器、S代表固体铝电解电容器、O代表聚酰亚胺电容器。
3. 风华电容器的容量值使用标准计量单位微法(F)来表示,例如:0.1μF表示为100nF。
4. 风华电容器的尺寸大小使用毫米(mm)来表示,例如:0603代表0.6mm×0.3mm的尺寸大小。
二、风华电容容量公差和耐压值规则:
1. 风华电容器的容量公差根据不同系列和容量值而定,一般为
±20%、±10%、±5%、±2%、±1%等。
2. 风华电容器的耐压值根据不同系列和容量值而定,一般为50V、100V、250V、400V、630V等。
三、风华电容器温度系数规则:
1. 风华电容器的温度系数根据不同系列和容量值而定,一般为
±15ppm/℃、±30ppm/℃、±50ppm/℃、±100ppm/℃等。
以上就是风华电容器的命名规则和参数规定,顾客在选购时可根据自己的需要选择合适的产品。
电容的型号命名
1)各国电容器的型号命名很不统一,国产电容器的命名由四部分组成:
第一部分:用字母表示名称,电容器为C。
第二部分:用字母表示材料。
第三部分:用数字表示分类。
第四部分:用数字表示序号。
2)电容的标志方法:
(1)直标法:用字母和数字把型号、规格直接标在外壳上。
(2)文字符号法:用数字、文字符号有规律的组合来表示容量。
文字符号表示其电容量的单位:P、N、u、m、F等。
和电阻的表示方法相同。
标称允许偏差也和电阻的表示方法相同。
小于10pF的电容,其允许偏差用字母代替:B——±0.1pF,C——±0.2pF,D——±0.5pF,F——±1pF。
(3)色标法:和电阻的表示方法相同,单位一般为pF。
小型电解电容器的耐压也有用色标法的,位置靠近正极引出线的根部,所表示的意义如下表所示:
颜色黑棕红橙黄绿蓝紫灰
耐压4V 6.3V 10V 16V 25V 32V 40V 50V 63V
15)安规电容是指用于这样的场合,即电容器失效后,不会导致电击,不危及人身安全.
安规电容安全等级应用中允许的峰值脉冲电压过电压等级(IEC664)
X1 >2.5kV ≤4.0kV Ⅲ
X2 ≤2.5kV Ⅱ
X3 ≤1.2kV ——
16)安规电容安全等级绝缘类型额定电压范围
Y1 双重绝缘或加强绝缘≥250V
Y2 基本绝缘或附加绝缘≥150V ≤250V
Y3 基本绝缘或附加绝缘≥150V ≤250V
Y4 基本绝缘或附加绝缘<150V
Y电容的电容量必须受到限制,从而达到控制在额定频率及额定电压作用下,流过它的漏电流的大小和对系统EMC性能影响的目的。
GJB151规定Y电容的容量应不大于0.1uF。
Y电容除符合相应的电网电压耐压外,还要求这种电容器在电气和机械性能方面有足够的安全余量,避免在极端恶劣环境条件下出现击穿短路现象,Y电容的耐压性能对保护人身安全具有重要意义
安规电容的参数选择
X电容,聚苯乙烯(薄膜乙烯)电容,从上面的贴子里也可以看到,聚苯乙烯的耐电压较高,适合EMI 电路的高压脉冲吸收作用。
2.容量计算:一般两级X电容,前一级用0.47uF,第二基用0.1uF;单级则用0.47uF.目前还没有比较方便的计算方法。
(电容容量的大小和电源的功率无直接关系)
电容的型号命名:
1)各国电容器的型号命名很不统一,国产电容器的命名由四部分组成:
第一部分:用字母表示名称,电容器为C。
第二部分:用字母表示材料。
第三部分:用数字表示分类。
第四部分:用数字表示序号。
2)电容的标志方法:
(1)直标法:用字母和数字把型号、规格直接标在外壳上。
(2)文字符号法:用数字、文字符号有规律的组合来表示容量。
文字符号表示其电容量的单位:P、N、u、m、F等。
和电阻的表示方法相同。
标称允许偏差也和电阻的表示方法相同。
小于10pF的电容,其允许偏差用字母代替:B——±0.1pF,C——±0.2pF,D——±0.5pF,F——±1pF。
(3)色标法:和电阻的表示方法相同,单位一般为pF。
小型电解电容器的耐压也有用色标法的,位置靠近正极引出线的根部,所表示的意义如下表所示:
颜色黑棕红橙黄绿蓝紫灰
耐压4V 6.3V 10V 16V 25V 32V 40V 50V 63V
(4)进口电容器的标志方法:进口电容器一般有6项组成。
第一项:用字母表示类别:
第二项:用两位数字表示其外形、结构、封装方式、引线开始及与轴的关系。
第三项:温度补偿型电容器的温度特性,有用字母的,也有用颜色的,其意义如下表所示:序号字母颜色温度系数允许偏差字母颜色温度系数允许偏差
1 A 金+100 R 黄-220
2 B 灰+30 S 绿-330
3 C 黑0 T 蓝-470
4 G ±30 U 紫-750
5 H 棕-30 ±60 V -1000
6 J ±120 W -1500
7 K ±250 X -2200
8 L 红-80 ±500 Y -3300
9 M ±1000 Z -4700
10 N ±2500 SL +350~-1000
11 P 橙-150 YN -800~-5800
备注:温度系数的单位10e -6/℃;允许偏差是% 。
第四项:用数字和字母表示耐压,字母代表有效数值,数字代表被乘数的10的幂。
第五项:标称容量,用三位数字表示,前两位为有效数值,第三为是10的幂。
当有小数时,用R或P表示。
普通电容器的单位是pF,电解电容器的单位是uF。
第六项:允许偏差。
用一个字母表示,意义和国产电容器的相同。
也有用色标法的,意义和国产电容器的标志方法相同。
3.电容的主要特性参数:
(1)容量与误差:实际电容量和标称电容量允许的最大偏差范围。
一般分为3级:I级±5%,II级±10%,III级±20%。
在有些情况下,还有0级,误差为±20%。
精密电容器的允许误差较小,而电解电容器的误差较大,它们采用不同的误差等级。
常用的电容器其精度等级和电阻器的表示方法相同。
用字母表示:D——005级——±0.5%;F——01级——±1%;G——02级——±2%;J——I级——±5%;K——II级——±10%;M ——III级——±20%。
(2)额定工作电压:电容器在电路中能够长期稳定、可靠工作,所承受的最大直流电压,又称耐压。
对于结构、介质、容量相同的器件,耐压越高,体积越大。
(3)温度系数:在一定温度范围内,温度每变化1℃,电容量的相对变化值。
温度系数越小越好。
(4)绝缘电阻:用来表明漏电大小的。
一般小容量的电容,绝缘电阻很大,在几百兆欧姆或几千兆欧姆。
电解电容的绝缘电阻一般较小。
相对而言,绝缘电阻越大越好,漏电也小。
(5)损耗:在电场的作用下,电容器在单位时间内发热而消耗的能量。
这些损耗主要来自介质损耗和金属损耗。
通常用损耗角正切值来表示。
(6)频率特性:电容器的电参数随电场频率而变化的性质。
在高频条件下工作的电容器,由于介电常数在高频时比低频时小,电容量也相应减小。
损耗也随频率的升高而增加。
另外,在高频工作时,电容器的分布参数,如极片电阻、引线和极片间的电阻、极片的自身电感、引线电感等,都会影响电容器的性能。
所有这些,使得电容器的使用频率受到限制。
不同品种的电容器,最高使用频率不同。
小型云母电容器在250MHZ以内;圆片型瓷介电容器为300MHZ;圆管型瓷介电容器为200MHZ;圆盘型瓷介可达3000MHZ;小型纸介电容器为80MHZ;中型纸介电容器只有8MHZ
①铝电解电容与钽电解电容
铝电解电容的容体比较大,串联电阻较大,感抗较大,对温度敏感。
它适用于温度变化不大、工作频率不高(不高于25kHz)的场合,可用于低频滤波。
铝电解电容具有极性,安装时必须保证正确的极性,否则有爆炸的危险。
与铝电解电容相比,钽电解电容在串联电阻、感抗、对温度的稳定性等方面都有明显的优势。
但是,它的工作电压较低。
②纸介电容和聚酯薄膜电容
其容体比较小,串联电阻小,感抗值较大。
它适用于电容量不大、工作频率不高(如1MHz 以下)的场合,可用于低频滤波和旁路。
使用管型纸介电容器或聚酯薄膜电容器时,可把其外壳与参考地相连,以使其外壳能起到屏蔽的作用而减少电场耦合的影响。
③云母和陶瓷电容
其容体比很小,串联电阻小,电感值小,频率/容量特性稳定。
它适用于电容量小、工作频率高(频率可达500MHz)的场合,用于高频滤波、旁路、去耦。
但这类电容承受瞬态高压脉冲能力较弱,因此不能将它随便跨接在低阻电源线上,除非是特殊设计的。
④聚苯乙烯电容器
其串联电阻小,电感值小,电容量相对时间、温度、电压很稳定。
它适用于要求频率稳定性高的场合,可用于高频滤波、旁路、去耦。