常用照度及功率密度值
- 格式:pdf
- 大小:289.82 KB
- 文档页数:1
建筑照明设计标准中华人民国国家标准建筑照明设计标准Standard for lighting design of buildingsGB 50034-2004前言本标准系在原国家标准《民用建筑照明设计标准》GBJl33---90和《工业企业照明设计标准》GB 50034---92的基础上,总结了居住、公工业建筑照明经验,通过普查和重点实测调查,并参考了国外建筑照明标准和照明节能标准经修订、合并而成。
其中照明节能部分是由国家发展和改革委员会环境和资源综合利用司组织主编单位完成的。
本标准由总则、术语、一般规定、照明数量和质量、照明标准值、照明节能、照明配电及控制、照明管理与监督共八章和二个附录组成。
主要规定了居住、公工业建筑的照明标准值、照明质量和照明功率密度。
2 术语3 一般规定3.1 照明方式和照明种类3.1.1 按下列要求确定照明方式:1 工作场所通常应设置一般照明;2 同一场所的不同区域有不同照度要求时,应采用分区一般照明;3 对于部分作业面照度要求较高,只采用一般照明不合理的场所,宜采用混合照明;4 在一个工作场所不应只采用局部照明。
3.1.2 按下列要求确定照明种类:1 工作场所均应设置正常照明2 工作场所下列情况应设置应急照明;1)正常照明因故障熄灭后,需确保正常工作或活动继续进行的场所,应设置备用照明;2)正常照明因故障熄灭后,需确保人员安全疏散的出口和通道,应设置疏散照明。
3 大面积场所宜设置值班照明。
4 有警戒任务的场所,应根据警戒围的要求设置警卫照明。
5 有危及航行安全的建筑物、构筑物上,应根据航行要求设置障碍照明。
4 照明数量和质量4.1 照度4.1.1 照度标准值应按0.5、1、3、5、10、15、20、30、50、75、100、150、200、300、500、750、1000、1500、2000、3000、50001x分级。
4.1.2 本标准规定的照度值均为作业面或参考平面上的维持平均照度值。
居住建筑每户照明功率密度房间或场所照明功率密度(W/m2)对应照度值(lx)现行值目标值起居室7*6100卧室75餐厅150·厨房100卫生间100办公室照明功率密度房间或场所·照明功率密度(W/m2)对应照度值(lx)现行值目标值普通办公室119300 >高档办公事、设计室1815500会议室119300营业厅13-11300文件整理、复印、发行室119300档案室87200(商业建筑照明功率密度值房间或场所照明功率密度(W/m2)对应照度值(lx)现行值目标值一般商店营业厅12:10300高档商店营业厅1916500一般超市营业厅1311300 <高档超市营业厅2017500旅馆建筑照明功率密度值房间或场所照明功率密度(W/m2)对应照度值(lx)现行值(目标值客厅1513--------中餐厅1311200】多功能厅1815300客厅层走廊5450门厅15¥13300医院建筑照明功率密度值房间或场所照明功率密度(W/m2)对应照度值(lx)现行值目标值;治疗室119300化验室1815500手术室30¥25750候诊室、挂号室87200病房65100 |护士站119300药房2017500重症监护室11,9300学校照明功率密度值房间或场所照明功率密度(W/m2)对应照度值(lx)现行值目标值。
教室、阅览室119300实验室119300美术教室18,15500多媒体教室119300工业建筑照明密度值房间或场所照明功率密度(W/m2)对应照度值(lx)现行值目标值1 通用房间或场所实验室一般119300精细1815500检验1193002723750计量室、测量室1815500变、配电站|配电装置室87200变压器室54100电源设备室、发电机室&87200控制室119300]1815500电话站、网络中心、计算机站1815500动力站风机房、空调机房5《4100泵房54100冷冻房8)7150压缩机房87150锅炉房、煤气站的操作层6(5100仓库大件库(如钢柸、钢材、大成品、气瓶)3350一般件库5《4100精细件库(如工具、小零件)87200车辆加油站65%1002 机、电工业机加工粗加工87200一般加工,公差≥0.1mm12"11300精密加工,公差<0.1mm1917500机电仪表装配…大件87200一般件1211300、精密1917500特精密2724750电线、电缆制造:1211300线圈绕制大线圈1211300中等线圈&1917500精细线圈2724750。
住宅建筑照明标准值表一、照度照度是衡量照明设备性能的重要指标之一,它表示单位面积上所接收的光通量。
根据不同的活动需求,住宅建筑内部的空间照度标准也有所不同。
以下是一些常见的住宅空间照度标准值:空间类型照度标准(勒克斯)客厅300-500卧室100-200厨房100-200卫生间100-200书房300-500二、色温色温是表示光线颜色的一种指标。
不同的色温可以营造出不同的氛围。
在住宅建筑中,合适的色温能够让居住者感到舒适和放松。
以下是一些常见的照明设备的色温范围:照明设备类型色温范围(K)白炽灯2800-3000暖白色荧光灯3500-4000白色荧光灯4500-5500LED灯4000-6500三、显色指数显色指数表示照明设备对物体真实颜色的还原能力。
较高的显色指数能够更好地展现物体的真实色彩。
在住宅建筑中,一般要求显色指数不低于80。
四、平均照度与均匀度平均照度是指整个照明区域内的平均光强值,而均匀度则表示照明区域内不同位置的光强分布是否均匀。
在住宅建筑中,平均照度和均匀度应该达到一定的标准,以确保居住者能够获得充足且舒适的光线。
一般来说,要求平均照度不低于规定值的80%,均匀度不低于0.7。
五、光源与光色光源的选择直接影响到照明的质量和效果。
在住宅建筑中,应根据不同的空间需求和活动类型来选择合适的光源。
同时,还需考虑光色的一致性,以保证整体照明效果和谐统一。
一般而言,室内照明常用的光源包括白炽灯、荧光灯和LED灯等。
其中,LED灯具有高效、节能、环保等优点,已成为现代住宅建筑照明的首选光源之一。
六、照明功率密度照明功率密度是指单位面积上所安装的照明设备的功率。
它是衡量照明能效的重要指标之一。
在住宅建筑中,应根据不同的空间需求和活动类型来确定合适的照明功率密度值。
一般来说,较低的照明功率密度能够降低能源消耗和碳排放量,符合节能环保的理念。
以下是一些常见的住宅空间照明功率密度标准值:空间类型照明功率密度标准(瓦/平方米)客厅≤80卧室≤40厨房≤40卫生间≤40书房≤80七、能耗与环保在住宅建筑照明设计中,应注重节能减排和环保理念的实现。
建筑照明设计标准中华人民共和国国家标准建筑照明设计标准Standard for lighting design of buildingsGB 50034-2004前言本标准系在原国家标准《民用建筑照明设计标准》GBJl33---90和《工业企业照明设计标准》GB 50034---92的基础上,总结了居住、公共和工业建筑照明经验,通过普查和重点实测调查,并参考了国内外建筑照明标准和照明节能标准经修订、合并而成。
其中照明节能部分是由国家发展和改革委员会环境和资源综合利用司组织主编单位完成的。
本标准由总则、术语、一般规定、照明数量和质量、照明标准值、照明节能、照明配电及控制、照明管理与监督共八章和二个附录组成。
主要规定了居住、公共和工业建筑的照明标准值、照明质量和照明功率密度。
2 术语3 一般规定3.1 照明方式和照明种类3.1.1 按下列要求确定照明方式:1 工作场所通常应设置一般照明;2 同一场所内的不同区域有不同照度要求时,应采用分区一般照明;3 对于部分作业面照度要求较高,只采用一般照明不合理的场所,宜采用混合照明;4 在一个工作场所内不应只采用局部照明。
3.1.2 按下列要求确定照明种类:1 工作场所均应设置正常照明2 工作场所下列情况应设置应急照明;1)正常照明因故障熄灭后,需确保正常工作或活动继续进行的场所,应设置备用照明;2)正常照明因故障熄灭后,需确保人员安全疏散的出口和通道,应设置疏散照明。
3 大面积场所宜设置值班照明。
4 有警戒任务的场所,应根据警戒范围的要求设置警卫照明。
5 有危及航行安全的建筑物、构筑物上,应根据航行要求设置障碍照明。
4 照明数量和质量4.1 照度4.1.1 照度标准值应按0.5、1、3、5、10、15、20、30、50、75、100、150、200、300、500、750、1000、1500、2000、3000、5 0001x分级。
4.1.2 本标准规定的照度值均为作业面或参考平面上的维持平均照度值。
居住建筑每户照明功率密度房间或场所照明功率密度(W/m2)对应照度值(lx)现行值目标值起居室76100卧室75餐厅150厨房100卫生间100办公室照明功率密度房间或场所照明功率密度(W/m2)对应照度值(lx)现行值目标值普通办公室119300高档办公事、设计室1815500会议室119300营业厅1311300文件整理、复印、发行室119300档案室87200商业建筑照明功率密度值房间或场所照明功率密度(W/m2)对应照度值(lx)现行值目标值一般商店营业厅1210300高档商店营业厅1916500一般超市营业厅1311300高档超市营业厅2017500旅馆建筑照明功率密度值房间或场所照明功率密度(W/m2)对应照度值(lx)现行值目标值客厅1513--------中餐厅1311200多功能厅1815300客厅层走廊5450门厅1513300医院建筑照明功率密度值房间或场所照明功率密度(W/m2)对应照度值(lx)现行值目标值治疗室119300化验室1815500手术室3025750候诊室、挂号室87200病房65100护士站119300药房2017500重症监护室119300学校照明功率密度值房间或场所照明功率密度(W/m2)对应照度值(lx)现行值目标值教室、阅览室119300实验室119300美术教室1815500多媒体教室119300工业建筑照明密度值房间或场所照明功率密度(W/m2)对应照度值(lx)现行值目标值1 通用房间或场所实验室一般119300精细1815500检验1193002723750计量室、测量室1815500变、配电站配电装置室87200变压器室54100电源设备室、发电机室87200控制室1193001815500电话站、网络中心、计算机站1815500动力站风机房、空调机房54100泵房54100冷冻房87150压缩机房87150锅炉房、煤气站的操作层65100仓库大件库(如钢柸、钢材、大成品、气瓶)3350一般件库54100精细件库(如工具、小零件)87200车辆加油站651002 机、电工业机加工粗加工87200一般加工,公差≥0.1mm1211300精密加工,公差<0.1mm1917500机电仪表装配大件87200一般件1211300精密1917500特精密2724750电线、电缆制造1211300线圈绕制大线圈1211300中等线圈1917500精细线圈2724750线圈浇注1211300焊接一般87200精密1211300钣金1211300冲压、剪切1211300热处理87200铸造熔化、浇铸98200造型1312300精密铸造的制模、脱壳1917500锻造98200电镀1312300喷漆一般1514300精细2523500酸洗、腐蚀、清洗1514300抛光一般装饰性1612300精细2018500复合材料加工、铺叠、装饰1917500机电修理一般87200精密1211300 3 电子工业电子元器件2018500电子零部件2018500电子材料1210300。
居住建筑每户照明功率密度房间或场所照明功率密度(W/m2)对应照度值(lx)现行值目标值起居室7 6 100卧室75 餐厅150 厨房100 卫生间100办公室照明功率密度房间或场所照明功率密度(W/m2)对应照度值(lx)现行值目标值普通办公室11 9 300 高档办公事、设计室18 15 500 会议室11 9 300营业厅13 11 300 文件整理、复印、发行室11 9 300 档案室8 7 200商业建筑照明功率密度值房间或场所照明功率密度(W/m2)对应照度值(lx)现行值目标值一般商店营业厅12 10 300高档商店营业厅19 16 500 一般超市营业厅13 11 300 高档超市营业厅20 17 500旅馆建筑照明功率密度值房间或场所照明功率密度(W/m2)对应照度值(lx)现行值目标值客厅15 13 -------- 中餐厅13 11 200 多功能厅18 15 300 客厅层走廊 5 4 50 门厅15 13 300医院建筑照明功率密度值房间或场所照明功率密度(W/m2)对应照度值(lx)现行值目标值治疗室11 9 300 化验室18 15 500 手术室30 25 750 候诊室、挂号室8 7 200 病房 6 5 100 护士站11 9 300药房20 17 500重症监护室11 9 300学校照明功率密度值房间或场所照明功率密度(W/m2)对应照度值(lx)现行值目标值教室、阅览室11 9 300 实验室11 9 300 美术教室18 15 500 多媒体教室11 9 300工业建筑照明密度值房间或场所照明功率密度(W/m2)对应照度值(lx)现行值目标值1 通用房间或场所实验室一般11 9 300精细18 15 500 检验11 9 30027 23 750计量室、测量室18 15 500 变、配电站配电装置室8 7 200变压器室 5 4 100 电源设备室、发电机室8 7 200 控制室11 9 300。
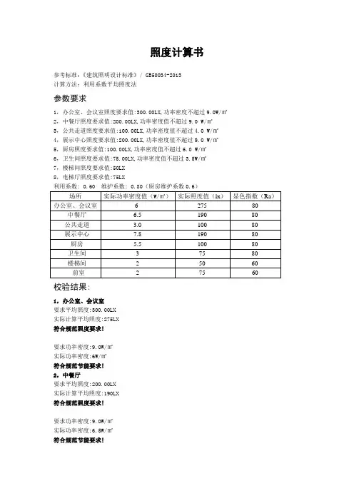
照度计算书参考标准:《建筑照明设计标准》/ GB50034-2013计算方法:利用系数平均照度法参数要求1,办公室、会议室照度要求值:300.00LX,功率密度不超过9.0W/㎡2,中餐厅照度要求值:200.00LX,功率密度值不超过9.0 W/㎡3,公共走道照度要求值:100.00LX,功率密度值不超过4.0 W/㎡4,展示中心照度要求值:200.00LX,功率密度值不超过9.0 W/㎡5,厨房照度要求值:100.00LX,功率密度值不超过6.0 W/㎡6,卫生间照度要求值:75.00LX,功率密度值不超过3.5W/㎡7,楼梯间照度要求值:50LX8,电梯厅照度要求值:75LX利用系数: 0.60 维护系数: 0.80(厨房维护系数0.6)校验结果:1,办公室、会议室要求平均照度:300.00LX实际计算平均照度:275LX符合规范照度要求!要求功率密度:9.0W/㎡实际功率密度:6W/㎡符合规范节能要求!2,中餐厅要求平均照度:200.00LX实际计算平均照度:190LX符合规范照度要求!要求功率密度:9.0W/㎡实际功率密度:6.5W/㎡符合规范节能要求!3,公共走道要求平均照度:100.00LX 实际计算平均照度:100LX 符合规范照度要求!要求功率密度:4.0W/㎡实际功率密度:3.0W/㎡符合规范节能要求!4,展示中心要求平均照度:200.00LX 实际计算平均照度:190LX 符合规范照度要求!要求功率密度:9.0W/㎡实际功率密度:7.8W/㎡符合规范节能要求!5,厨房要求平均照度:100.00LX 实际计算平均照度:100LX 符合规范照度要求!要求功率密度:6.0W/㎡实际功率密度:5.5W/㎡符合规范节能要求!6,卫生间要求平均照度:75.0LX实际计算平均照度:75.0LX 符合规范照度要求!要求功率密度:3.5W/㎡实际功率密度:3.0W/㎡符合规范节能要求!。
居住建筑每户照明功率密度房间或场所照明功率密度(W/m2)对应照度值(lx)现行值目标值起居室76100卧室75餐厅150厨房100卫生间100办公室照明功率密度房间或场所照明功率密度(W/m2)对应照度值(lx)现行值目标值普通办公室119300高档办公事、设计室1815500会议室119300营业厅1311300文件整理、复印、发行室119300档案室87200商业建筑照明功率密度值房间或场所照明功率密度(W/m2)对应照度值(lx)现行值目标值一般商店营业厅1210300高档商店营业厅1916500一般超市营业厅1311300高档超市营业厅2017500旅馆建筑照明功率密度值房间或场所照明功率密度(W/m2)对应照度值(lx)现行值目标值客厅1513--------中餐厅1311200多功能厅1815300客厅层走廊5450门厅1513300医院建筑照明功率密度值房间或场所照明功率密度(W/m2)对应照度值(lx)现行值目标值治疗室119300化验室1815500手术室3025750候诊室、挂号室87200病房65100护士站119300药房2017500重症监护室119300学校照明功率密度值房间或场所照明功率密度(W/m2)对应照度值(lx)现行值目标值教室、阅览室119300实验室119300美术教室1815500多媒体教室119300工业建筑照明密度值房间或场所照明功率密度(W/m2)对应照度值(lx)现行值目标值1 通用房间或场所实验室一般119300精细1815500检验1193002723750计量室、测量室1815500变、配电站配电装置室87200变压器室54100电源设备室、发电机室87200控制室1193001815500电话站、网络中心、计算机站1815500动力站风机房、空调机房54100泵房54100冷冻房87150压缩机房87150锅炉房、煤气站的操作层65100仓库大件库(如钢柸、钢材、大成品、气瓶)3350一般件库54100精细件库(如工具、小零件)87200车辆加油站651002 机、电工业机加工粗加工87200一般加工,公差≥0.1mm1211300精密加工,公差<0.1mm1917500机电仪表装配大件87200一般件1211300精密1917500特精密2724750电线、电缆制造1211300线圈绕制大线圈1211300中等线圈1917500精细线圈2724750线圈浇注1211300焊接一般87200精密1211300钣金1211300冲压、剪切1211300热处理87200铸造熔化、浇铸98200造型1312300精密铸造的制模、脱壳1917500锻造98200电镀1312300喷漆一般1514300精细2523500酸洗、腐蚀、清洗1514300抛光一般装饰性1612300精细2018500复合材料加工、铺叠、装饰1917500机电修理一般87200精密1211300 3 电子工业如有侵权请联系告知删除,感谢你们的配合!。
居住建筑每户照明功率密度--(二)房间或场所照明功率密度(W/m2)对应照度值(lx)现行值目标值起居室76100卧室75餐厅150厨房100卫生间100房间或场所照明功率密度(W/m2)对应照度值(lx)现行值目标值普通办公室119300高档办公事、设计室1815500会议室119300营业厅1311300文件整理、复印、发行室119300档案室87200房间或场所照明功率密度(W/m2)对应照度值(lx)现行值目标值一般商店营业厅1210300高档商店营业厅1916500一般超市营业厅1311300高档超市营业厅2017500房间或场所照明功率密度(W/m2)对应照度值(lx)现行值目标值客厅1513--------中餐厅1311200多功能厅1815300客厅层走廊5450门厅1513300房间或场所照明功率密度(W/m2)对应照度值(lx)现行值目标值治疗室119300化验室1815500手术室3025750候诊室、挂号室87200病房65100护士站119300药房2017500重症监护室119300房间或场所照明功率密度(W/m2)对应照度值(lx)现行值目标值教室、阅览室119300实验室119300美术教室1815500多媒体教室119300房间或场所照明功率密度(W/m2)对应照度值(lx)现行值目标值1 通用房间或场所实验室一般119300精细1815500检验1193002723750计量室、测量室1815500变、配电站配电装置室87200变压器室54100电源设备室、发电机室87200控制室119300 1815500电话站、网络中心、计算机站1815500动力站风机房、空调机房54100泵房54100冷冻房87150压缩机房87150锅炉房、煤气站的操作层65100仓库大件库(如钢柸、钢材、大成品、气瓶)3350一般件库54100精细件库(如工具、小零件)87200车辆加油站651002 机、电工业机加工粗加工87200一般加工,公差≥0.1mm1211300精密加工,公差<0.1mm1917500机电仪表大件87200一般件1211300装配精密1917500特精密2724750电线、电缆制造1211300线圈绕制大线圈1211300中等线圈1917500精细线圈2724750线圈浇注1211300焊接一般87200精密1211300钣金1211300冲压、剪切1211300热处理87200铸造熔化、浇铸98200造型1312300精密铸造的制模、脱壳1917500锻造98200电镀1312300喷漆一般1514300精细2523500酸洗、腐蚀、清洗1514300抛光一般装饰性1612300精细2018500复合材料加工、铺叠、装饰1917500机电修理一般87200精密1211300 3 电子工业电子元器件2018500电子零部件2018500电子材料1210300酸、碱、药液及粉剂1412300注:房间或场所的室形指数值等于或小于1时,本表的照明功率密度值可增加20%.。
建筑照明设计标准中华人民共和国国家标准建筑照明设计标准Standard for lighting design of buildingsGB 50034-2004前言本标准系在原国家标准《民用建筑照明设计标准》GBJl33---90和《工业企业照明设计标准》GB 50034---92的基础上,总结了居住、公共和工业建筑照明经验,通过普查和重点实测调查,并参考了国内外建筑照明标准和照明节能标准经修订、合并而成。
其中照明节能部分是由国家发展和改革委员会环境和资源综合利用司组织主编单位完成的。
本标准由总则、术语、一般规定、照明数量和质量、照明标准值、照明节能、照明配电及控制、照明管理与监督共八章和二个附录组成。
主要规定了居住、公共和工业建筑的照明标准值、照明质量和照明功率密度。
2 术语3 一般规定3.1 照明方式和照明种类3.1.1 按下列要求确定照明方式:1 工作场所通常应设置一般照明;2 同一场所内的不同区域有不同照度要求时,应采用分区一般照明;3 对于部分作业面照度要求较高,只采用一般照明不合理的场所,宜采用混合照明;4 在一个工作场所内不应只采用局部照明。
3.1.2 按下列要求确定照明种类:1 工作场所均应设置正常照明2 工作场所下列情况应设置应急照明;1)正常照明因故障熄灭后,需确保正常工作或活动继续进行的场所,应设置备用照明;2)正常照明因故障熄灭后,需确保人员安全疏散的出口和通道,应设置疏散照明。
3 大面积场所宜设置值班照明。
4 有警戒任务的场所,应根据警戒范围的要求设置警卫照明。
5 有危及航行安全的建筑物、构筑物上,应根据航行要求设置障碍照明。
4 照明数量和质量4.1 照度4.1.1 照度标准值应按0.5、1、3、5、10、15、20、30、50、75、100、150、200、300、500、750、1000、1500、2000、3000、5 0001x分级。
4.1.2 本标准规定的照度值均为作业面或参考平面上的维持平均照度值。
照度标准,功率密度
照度标准是对不同环境下合适的照度水平的规定,照度是指照射到物体表面的光线强度。
根据不同的工作或生活环境需求,照度标准可以有所不同。
一些常见的照度标准包括:
- 居住区:150-300勒克斯(lux)
- 办公室:500-1000勒克斯(lux)
- 学校教室:300-750勒克斯(lux)
- 图书馆:300-500勒克斯(lux)
- 超市:750-1500勒克斯(lux)
- 手术室:1000-2000勒克斯(lux)
- 体育场馆:1000-2000勒克斯(lux)
- 高精密装配线:2000-5000勒克斯(lux)
功率密度是指单位面积上的能量或功率分布。
在光学领域中,功率密度通常用于描述激光器的功率输出。
功率密度的计量单位可以是瓦特/平方米(W/m²)或瓦特/立方
米(W/m³)。
照度和功率密度之间的关系取决于光源的发光强度,以及照射距离和角度等因素。
通常情况下,照度越高,功率密度也会相应增加,但具体的关系需要根据具体的光源和照明情况来确定。